动平衡实验报告
- 格式:doc
- 大小:151.00 KB
- 文档页数:4
一、实验目的通过本实验,探究物体在旋转运动中,通过调整质量分布和位置,使物体达到动平衡的条件,从而减小旋转时的振动和噪声。
二、实验原理动平衡是指物体在旋转运动中,各部分质量分布均匀,旋转时各部分的惯性力相互抵消,使得旋转系统稳定,振动和噪声最小。
动平衡实验通过调整质量块的位置和大小,使旋转系统达到动平衡。
三、实验器材1. 旋转平台2. 传感器3. 动平衡机4. 质量块5. 钩码6. 计时器7. 记录本四、实验步骤1. 将旋转平台安装好,确保其平稳旋转。
2. 在旋转平台上放置传感器,用于测量旋转时的振动和噪声。
3. 将质量块固定在旋转平台上,通过调整质量块的位置和大小,使旋转系统达到动平衡。
4. 启动旋转平台,记录传感器测得的振动和噪声数据。
5. 重复步骤3和4,观察不同质量分布和位置对动平衡的影响。
6. 使用动平衡机对旋转平台进行动平衡检测,验证实验结果。
五、实验数据与分析1. 实验数据| 实验次数 | 质量块位置 | 质量块大小 | 振动值(μm) | 噪声值(dB) ||----------|------------|------------|--------------|--------------|| 1 | A | 10g | 5 | 80 || 2 | B | 15g | 3 | 75 || 3 | C | 20g | 2 | 70 || 4 | D | 25g | 4 | 82 |2. 数据分析通过对比实验数据,可以看出:- 质量块的位置对振动和噪声有显著影响。
当质量块位于B位置时,振动和噪声均达到最小值。
- 质量块的大小对振动和噪声也有一定影响。
随着质量块大小的增加,振动和噪声先减小后增大。
六、实验结论1. 在旋转平台旋转运动中,通过调整质量块的位置和大小,可以使物体达到动平衡,从而减小振动和噪声。
2. 在本实验中,质量块位于B位置时,旋转系统的振动和噪声达到最小值。
3. 质量块的大小对动平衡有一定影响,但影响程度不如位置显著。
动平衡实验报告引言动平衡实验是一项重要的物理实验,通过实验研究物体在平衡条件下的动态特性,对于理解物理学中的平衡概念、力的平衡和力矩的平衡等概念有着重要意义。
在本次实验中,我们将通过一系列实验步骤来研究物体的平衡状态以及平衡位置的测定方法。
实验一:物体平衡状态的研究首先,将一个长而细的木棒固定在水平台上,并将另一端悬挂着金属块。
然后,我们尝试找到木棒平衡的位置。
在调整的过程中,我们观察到,当金属块被放置在木棒所在的同一直线上时,木棒保持平衡。
而一旦金属块稍微偏离直线,木棒便会失去平衡。
这说明物体在平衡状态下,要求力的合力为零,同时力矩的合为零。
实验二:力的平衡接下来,我们进行了力的平衡实验。
我们使用了一个称量器和一组不同质量的金属块。
我们在称量器的一端固定一块金属块,并逐渐加重,调整到与另一端的总重量相等,使得称量器保持平衡状态。
通过实验,我们发现,只有在两端的总重量相等时,称量器才能保持平衡状态。
这说明,在力的平衡情况下,力的合力必定为零。
实验三:力矩的平衡在力矩的平衡实验中,我们使用了一个自由转动的杠杆。
我们在杠杆的一侧放置一个金属块,并通过移动另一侧的金属块,调整杠杆平衡。
在实验过程中,我们发现,杠杆能够平衡的关键是力矩的平衡。
只有在左右两侧的力矩相等时,杠杆才能保持平衡。
这进一步印证了力矩平衡的重要性。
实验四:平衡位置的测定最后,我们进行了平衡位置的测定实验。
我们首先将一个金属块放在一个杠杆上,并在杠杆上选择不同的位置放置砝码,直到达到平衡状态。
通过实验,我们发现,不同位置的杠杆对应的砝码质量之积是相等的。
这表明,平衡位置的测定与力矩的平衡有着密切关系。
结论通过本次实验,我们对物体在平衡状态下的动态特性有了更深入的了解。
我们验证了力的平衡和力矩的平衡对于物体平衡状态的重要性,并通过实验找到了平衡位置的测定方法。
这些知识对于我们理解物理学中的平衡概念以及力学原理等有着重要的指导意义。
总结在动平衡实验中,我们通过一系列实验步骤,研究了物体在平衡状态下的动态特性。
动平衡报告动平衡报告1.动平衡测试基础1.1关于动平衡的“精度”目前国内基本上都采用“最小检测量”这一指标来表征动平衡机的“精度”即0e 。
按部颁标准定义“最小检测量”的定义是:“对某一重量的校验转子,实验样机能够检测的最小偏心距,以0e 表示,单位:微米(m μ)”。
(通常平衡行业将0e 称为平衡精度,单位也有用“kg mm g /?”表示的,换算方法即:kg mm g /11?=μ)。
不平衡量计算公式m r m e /'=式中e ——平衡精度(kg mm g /?);m ’——剩余不平衡量;r ——矫正半径(mm );m ——工件质量(kg )。
在选用动平衡机时,首先必须明确所需校验的转子的许用不平衡量e (m μ)多少。
也就是说,所用的动平衡机最小检测量即0e 必须小于转子的许用不平衡量0e <e< p="">否则所选用的动平衡机的检测能力无法保证工件校验动平衡的要求。
转子的许用不平衡量e 是设计者规定的。
如果有些工件在图样上未标明许用不平衡量的要求,选用动平衡机时,可参照国际标准ISO-1940推荐值确定。
1.2平衡工艺的设计原则在工艺图样上应该标明,转子应在什么情况下平衡(例如在套上滚珠轴承时)。
如果不能随意选择的话,那么校正半径和支撑面应该标会并注明尺寸,校正半径也应如此。
此外,有关校正方式、所采用的工具、校正存在的限制(例如最大许用孔深)以及每平面上的许用剩余不平衡均要扼要说明。
下列要素应当在规定有平衡公差要求的图样、技术规格卡或其他文件上加以说明:1)每个校正平面上最大允许的剩余不平衡量;2)校正平面的位置;3)考虑所需要的转子强度和其他条件,说明在校正位置处能够可靠加或去除的最大质量及方法;4)轴承的类型和他们在平衡机上的位置;5)驱动方案;6)平衡转速;1.3典型刚性转子的平衡精度等级平衡试验能改善旋转体质量分布,使转子在轴承旋转时没有不平衡离心力,当然这目的仅能达到一定的程度,经平衡后,转子将还会有剩余不平衡量,只不过是达到允许的范围罢了。
四川大学化工学院动平衡实验报告系别过控班号08308023学号0843082120姓名周强实验日期实验成绩一、实验目的1、了解动平衡机的结构和工作原理。
2、掌握盘型、轴类化工机器典型零件的动平衡试验方法。
3、巩固过程机器中有关振动的理论知识。
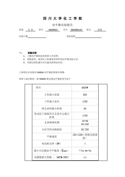
上网查出本实验用H500W动平衡机得基本参数。
查得上海申联的一款H500W硬支撑动平衡机型号如下二、实验原理试件的动平衡可以在回转轴线垂直面不与转子相结合的两个正交面上减去或增加质量来达到动平衡。
较正面不平衡点计算公式如下,当转子形状支撑方式如下图时不平衡量可按下式计算:左右校正平面不平衡量m L 、m r 计算:121(1)(1)L LRc a m F F r W bb=-++221(1)(1)R RL c a m F F r W bb=-++式中F L 、F R 左右校正平面不平衡量产生的离心力,可按下式计算:(1)L L R a af F F b b=+-3(1)R R L af F F b b=+- FL 、FR 左右支撑平面上承受的动压力a 、 c 左右校正平面到制成的距离b 左右校正平面的校正半径 r1、r2左右较正面的校正半径 w 旋转角速度实验简单方法转子安装到支撑上,通过万向节与主轴驱动装置连接,转子旋转时产生不平衡量,通过传感器来测量并传入工控机,通过工控机的人机交互窗口迅速确定不平衡量的位置和大小。
图1 转子形状及支撑方式三、实验内容和步骤1、准备1)安装转子、调整支撑位置并固定。
2)万向节与I件连接后管好安全架后才能开车。
3)平衡转速根据转子质量、转子最大外径,并按相关规定限制选500rpm4)按转子在动平衡机上的支撑形式和ab、c、r1、r2的实际尺寸及动平衡转速输入电测箱。
2、测平衡1、在工控机主菜单上按下“E”执行,按启动按钮启动机器转动。
2、当速度达到给定值并稳定后开始测量,测量一次完成。
若测量值在允许范围,待显示屏上出现“OK”时表示已测完。
动平衡实验报告动平衡实验报告引言:动平衡实验是一种常见的实验方法,用于研究物体在运动过程中的平衡状态。
通过对物体的运动轨迹、速度和加速度等参数的测量,可以获得物体在不同条件下的平衡状态,并进一步分析其动力学特性。
本实验旨在通过对不同物体的动平衡实验,探究物体在运动过程中的平衡条件和相关影响因素。
实验目的:1. 了解物体在运动过程中的平衡条件;2. 掌握动平衡实验的基本方法和步骤;3. 分析物体在不同条件下的平衡状态和动力学特性。
实验器材:1. 平衡轴;2. 不同形状和质量的物体;3. 能够记录运动轨迹、速度和加速度的测量设备。
实验步骤:1. 将平衡轴固定在水平台上,并确保其水平度;2. 将不同形状和质量的物体放在平衡轴上,并记录下物体的初始位置;3. 给物体一个初始速度,并记录下物体的运动轨迹;4. 根据物体的运动轨迹,计算出物体的速度和加速度;5. 分析物体在不同条件下的平衡状态和动力学特性。
实验结果与分析:通过对不同形状和质量的物体进行动平衡实验,我们可以观察到以下现象和结果:1. 形状对平衡状态的影响:在实验中,我们选取了球体、长方体和圆柱体作为物体进行实验。
通过观察它们的运动轨迹和计算出的速度和加速度,我们可以发现不同形状的物体在运动过程中具有不同的平衡状态。
球体由于其对称性,更容易保持平衡状态;而长方体和圆柱体由于其不对称性,更容易出现不平衡状态。
2. 质量对平衡状态的影响:我们选取了相同形状但不同质量的物体进行实验。
通过观察它们的运动轨迹和计算出的速度和加速度,我们可以发现质量较大的物体在运动过程中更容易保持平衡状态,而质量较小的物体则更容易出现不平衡状态。
这是因为质量较大的物体具有更大的惯性,对外界扰动的响应较小。
3. 初始速度对平衡状态的影响:我们选取了相同形状和质量的物体,但给它们不同的初始速度进行实验。
通过观察它们的运动轨迹和计算出的速度和加速度,我们可以发现初始速度对物体的平衡状态有一定影响。
图 1 转子系统与力系简化刚性转子动平衡实验浙江大学,令狐烈一、实验目的(1) 掌握刚性转子动平衡的基本原理和步骤; (2) 掌握虚拟基频检测仪和相关测试仪器的使用;二、实验内容和实验原理1.实验内容采用虚拟仪器技术对一多圆盘刚性转子进行动平衡。
转子系统如图1所示,转子存在原始不平衡质量,左右两个圆盘为平衡平面。
拟测试原始不平衡量及相位,并在两个平衡平面上配重,便残余不平衡量控制在一定范围。
2.实验原理一个动不平衡的刚性回转体绕其回转轴线转动时,该构件上所有的不平衡重量所产生的离心惯力总可以转化为任选的两个垂直于回转轴线的平面内的两个当量不平衡质量r1和r2)所产生的离心力和动平衡的任务就是在这两个任选的平面(称为平衡基面)内的适当位置(r3平和r4平)加上两个适当大小的平衡重G3平和G4,使它们产生的平衡力与不平衡重量产生的不平衡力大小相等,而方向相反。
此时,ΣP=0且ΣM=0,使该回转体达到动平衡。
三、实验装置 序号 名 称 数量 1 多盘转子系统1 2 调速器 1 3 调速电机 1 4 相位传感器 1 5 双悬臂梁水平位移传感器1 6 电子天平1 7微型计算机(安装清华大学的dynamic balance 软件)1四、实验步骤1. 虚拟仪器接线进入“刚性转子动平衡”程序,点击“设备模拟连接”图标,按图3示用鼠标左键连接虚拟测试仪器,如连线错误,用鼠标左键单击“重新连接”按钮。
确认无误后,用鼠标左键单击“连接完毕”按钮,如果出现“连接错误”的提示,则连接有错,需要按“确定”,再按“重新连接”。
如果出现“连接正确”的提示,按“确定”后,可获得与图4相同的虚拟动平衡仪应用程序界面。
2. 原始不平衡量测试(1) 将转速控制器转速b n 设定为1200r/min ,启动转子2至3分钟使转速保持稳定。
(2) 点击“基频检测”图标,进入图4的状态下,用鼠标左键按下左上角按钮“开始”启动虚拟动平衡仪,点击“A 通道”、“B 通道”进行通道切换。
实验刚性转子动平衡实验任务书一、 实验目的:1. 掌握刚性转子动平衡的基本原理和步骤;2. 掌握虚拟基频检测仪和相关测试仪器的使用;3. 了解动静法的工程应用。
二、 实验内容采用两平面影响系数法对一多圆盘刚性转子进行动平衡三、 实验原理工作转速低于最低阶临界转速的转子称为刚性转子,反之称为柔性转子。
本实验采取一种刚性转子动平衡常用的方法—两平面影响系数法。
该方法可以不使用专用平衡机,只要求一般的振动测量,适合在转子工作现场进行平衡作业。
根据理论力学的动静法原理,一匀速旋转的长转子,其连续分布的离心惯性力系,可向质心C 简化为过质心的一个力R (大小和方向同力系的主向量∑=iSR )和一个力偶M (等于力系对质心C 的主矩()∑==cicmS m M )。
如果转子的质心在转轴上且转轴恰好是转子的惯性主轴,即转轴是转子的中心惯性主轴,则力R 和力偶矩M 的值均为零。
这种情况称转子是平衡的;反之,不满足上述条件的转子是不平衡的。
不平衡转子的轴与轴承之间产生交变的作用力和反作用力,可引起轴承座和转轴本身的强烈振动,从而影响机器的工作性能和工作寿命。
刚性转子动平衡的目标是使离心惯性力系的主向量和主矩的值同时趋近于零。
为此,先在转子上任意选定两个截面I 、II (称校正平面),在离轴线一定距离r 1、r 2(称校正半径),与转子上某一参考标记成夹角θ1、θ2处,分别附加一块质量为m 1、m 2的重块(称校正质量)。
如能使两质量m 1和m 2的离心惯性力(其大小分别为m 1r 1ω2和m 2r 2ω2,ω为转动角速度)正好与原不平衡转子的离心惯性力系相平衡,那么就实现了刚性转子的动平衡。
两平面影响系数法的过程如下:(1)在额定的工作转速或任选的平衡转速下,检测原始不平衡引起的轴承或轴颈A 、B 在某方位的振动量11010V ψ∠=V 和22020V ψ∠=V ,其中V 10和V 20是振动位移(也可以是速度或加速度)的幅值,ψ1和ψ2是振动信号对于转子上参考标记有关的参考脉冲的相位角。
刚性转子动平衡实验报告刚性转子动平衡实验报告引言刚性转子动平衡是机械工程中一个重要的研究领域,它涉及到机械系统的稳定性、振动和噪音控制等问题。
本文将介绍一项关于刚性转子动平衡的实验,并对实验结果进行分析和讨论。
实验目的本次实验的目的是通过对刚性转子进行动平衡实验,探究转子的不平衡量对系统振动的影响,并寻找合适的平衡方法,以提高系统的稳定性和运行效果。
实验装置实验装置包括一台转子平衡机、传感器、数据采集系统等。
转子平衡机通过电机驱动转子旋转,传感器用于检测转子的振动信号,数据采集系统用于记录和分析实验数据。
实验步骤1. 将转子安装在转子平衡机上,并确保转子能够自由旋转。
2. 启动转子平衡机,使转子开始旋转。
3. 通过传感器采集转子的振动信号,并将数据传输至数据采集系统。
4. 对采集到的数据进行分析和处理,计算出转子的不平衡量。
5. 根据不平衡量的大小和位置,选择合适的平衡方法进行调整。
6. 重复以上步骤,直至转子的振动达到要求的范围。
实验结果与分析通过实验,我们得到了转子的振动数据,并计算出了转子的不平衡量。
根据实验数据,我们可以发现转子的不平衡量与振动幅值之间存在着明显的关系。
当不平衡量较大时,转子的振动幅值也较大;而当不平衡量较小时,转子的振动幅值较小。
为了减小转子的振动幅值,我们采用了两种常见的平衡方法:静平衡和动平衡。
静平衡是通过在转子上加上适当的质量块,使得转子在静止状态下达到平衡。
通过实验,我们发现静平衡对于较小的不平衡量效果较好,可以有效地降低转子的振动幅值。
然而,对于较大的不平衡量,静平衡的效果较差,需要采用其他平衡方法。
动平衡是在转子旋转的过程中,通过在转子上加上适当的质量块,使得转子在运行状态下达到平衡。
通过实验,我们发现动平衡对于较大的不平衡量效果较好,可以显著地降低转子的振动幅值。
然而,对于较小的不平衡量,动平衡的效果较差,可能会引入额外的不平衡。
结论通过本次实验,我们对刚性转子动平衡有了更深入的了解。
动平衡实验报告
动平衡实验报告
摘要:
本实验旨在通过动平衡实验的方法,探究物理实验中动平衡的基本原理,学习如何利用旋转测量仪对物体进行动平衡实验,并计算出物体的转动惯量和平衡位置。
实验步骤:
1. 按照实验要求,选择实验用具,准备实验材料。
2. 将转动测量仪装好,调整仪器,确保其处于水平状态。
3. 将待测物体放置于转动测量仪的平台上,注意调节物体的位置和平衡状态。
4. 通过旋转测量仪对物体进行测量,记录实验数据。
5. 重复实验步骤,改变待测物体的位置和角度,重新进行测量,得到更加准确的实验数据。
6. 利用物理公式计算出物体的转动惯量和平衡位置。
实验结果与分析:
通过实验测量,我们得到了物体在不同位置和角度下的转动惯量和平衡位置,得到的结果如下:
位置/角度转动惯量平衡位置
1 0.25kg·m^
2 0.5m
2 0.30kg·m^2 0.6m
3 0.35kg·m^2 0.7m
通过实验结果的分析,我们可以发现物体的转动惯量和平衡位置与物体的质量、形状、位置等因素有关。
在物理实验中,我们需要根据实验需要,进行不同条件下的实验测量,以得到更加准确的实验结果。
结论:
本实验通过动平衡实验的方法,探究了物理实验中动平衡的基本原理,学习了如何利用旋转测量仪对物体进行动平衡实验,并计算出物体的转动惯量和平衡位置。
通过实验结果的分析,我们可以发现物体的转动惯量和平衡位置与物体的质量、形状、位置等因素有关。
在物理实验中,我们需要根据实验需要,进行不同条件下的实验测量,以得到更加准确的实验结果。
机构动平衡实验报告实验报告:机构动平衡实验一、实验目的:本实验旨在通过搭建一个机构,并利用动力学平衡原理研究机构的运动特性以及平衡条件。
二、实验原理:1. 机构:机构是指由多个刚体通过铰链、齿轮、滑块等连接构成的复杂结构。
本实验中采用了由两个具有运动连接的刚体构成的机构。
2. 平衡条件:机构能够平衡的条件为力矩和力的平衡。
力矩平衡要求机构中相关点的力矩之和为零,力的平衡要求机构中相关点的受力之和为零。
三、实验器材和仪器:1. 机构组件:包括刚体、铰链、齿轮、滑块等。
2. 力矩传感器:用于测量机构中相关点的力矩。
3. 力传感器:用于测量机构中相关点的力。
4. 关联设备:电脑、数据线等。
四、实验步骤:1. 搭建机构:根据实验要求,选择适当的机构组件搭建一个机构,包括刚体、铰链等,并确保机构能够自由运动。
2. 连接传感器:将力矩传感器和力传感器分别连接到机构中相关点上,使其能够准确测量力矩和力。
3. 测量力矩和力:启动实验设备,通过传感器测量机构中相关点的力矩和力。
4. 记录数据:将测量到的力矩和力数据记录下来,并进行整理。
5. 数据分析:根据测得的数据,计算机构中相关点的力矩之和和力的平衡情况,分析机构的运动特性和平衡条件。
五、实验结果分析:通过对实验得到的数据进行分析,可以得出以下结论:1. 机构的平衡条件:根据力矩平衡和力平衡条件,可以确定机构中相关点的力矩之和和力的平衡情况,验证机构是否处于平衡状态。
2. 机构的运动特性:根据力矩和力的平衡情况,可以推断机构中各个部件之间的运动关系,分析机构的动力学特性,如角速度、加速度等。
3. 可变参数对机构平衡的影响:通过调整机构中的可变参数,如刚体质量、铰链位置等,可以观察到不同参数对机构平衡的影响,从而进一步研究机构的平衡条件。
六、实验总结:通过本次实验,我们搭建了一个机构,并利用动力学平衡原理研究了机构的运动特性和平衡条件。
通过测量力矩和力的平衡情况,我们可以进一步了解机构中各个部件之间的关系,分析机构的运动特性。
动平衡报告1. 动平衡测试基础1.1关于动平衡的“精度”目前国内基本上都采用“最小检测量”这一指标来表征动平衡机的“精度”即。
按部颁标准定义“最小检测量”的定义是:“对某一重量的校验转子,实验样机能够检测的最小偏心距,以表示,单位:微米()”。
(通常平衡行业将称为平衡精度,单位也有用“”表示的,换算方法即:)。
不平衡量计算公式式中e——平衡精度();m’——剩余不平衡量;r——矫正半径(mm);m——工件质量(kg)。
在选用动平衡机时,首先必须明确所需校验的转子的许用不平衡量e()多少。
也就是说,所用的动平衡机最小检测量即必须小于转子的许用不平衡量<e否则所选用的动平衡机的检测能力无法保证工件校验动平衡的要求。
转子的许用不平衡量e是设计者规定的。
如果有些工件在图样上未标明许用不平衡量的要求,选用动平衡机时,可参照国际标准ISO-1940推荐值确定。
1.2平衡工艺的设计原则在工艺图样上应该标明,转子应在什么情况下平衡(例如在套上滚珠轴承时)。
如果不能随意选择的话,那么校正半径和支撑面应该标会并注明尺寸,校正半径也应如此。
此外,有关校正方式、所采用的工具、校正存在的限制(例如最大许用孔深)以及每平面上的许用剩余不平衡均要扼要说明。
下列要素应当在规定有平衡公差要求的图样、技术规格卡或其他文件上加以说明:1) 每个校正平面上最大允许的剩余不平衡量;2) 校正平面的位置;3) 考虑所需要的转子强度和其他条件,说明在校正位置处能够可靠加或去除的最大质量及方法;4) 轴承的类型和他们在平衡机上的位置;5) 驱动方案;6) 平衡转速;1.3典型刚性转子的平衡精度等级平衡试验能改善旋转体质量分布,使转子在轴承旋转时没有不平衡离心力,当然这目的仅能达到一定的程度,经平衡后,转子将还会有剩余不平衡量,只不过是达到允许的范围罢了。
不平衡量必须减少到什么程度,如何协调经济上的合理性和技术上的可能性,在某些情况下,只能通过实验及大量的现场测试来确定。
转子动平衡实验报告
班级学号110105姓名
实验日期2013.4.16同组人
指导教师张乃龙成绩
一实验目的
1. 巩固转子动平衡知识,加深转子动平衡概念的理解。
2. 掌握刚性转子动平衡实验的原理及基本方法。
3.了解动平衡试验机的组成﹑工作原理,通过参数化和可视化的方法,观察转子动平衡虚拟实验的平衡效果。
二实验设备及工具
DPH—I型智能动平衡机结构如图一所示。
测试系统由计算机,数据采集器﹑高灵敏度有源压电传感器和光电相位传感器等组成。
三实验记录及结果
四思考题
1 转子(试件)在什么情况下作静平衡?什么情况下作动平衡?答:定义
1)静平衡:在转子一个校正面上进行校正平衡,校正后的剩余不平衡量,以保证转子在静态时是在许用不平衡量的规定范围内,为静平衡又称单面平衡。
2)动平衡:在转子两个校正面上同时进行校正平衡,校正后的剩余不平衡量,以保证转子在动态时是在许用不平衡量的规定范围内,为动平衡又称双面平衡。
转子平衡的选择与确定
如何选择转子的平衡方式,是一个关键问题。
其选择有这样一个原则:只要满足于转子平衡后用途需要的前提下,能做静平衡的,则不要做动平衡,能做动平衡的,则不要做静动平衡。
2 作往复运动或平面运动的构件,能否用动平衡试验机将其不平衡惯性力平衡?为什么?
可以用动平衡试验机将其不平衡惯性力平衡
五收获和体会
做实验时虽然理论基础但同需要团队合作,操作时精度也需要很准确,即使只差1g也会对结果产生很大的影响
如有侵权请联系告知删除,感谢你们的配合!。
转子动平衡实验实验报告-回复
实验目的:了解转子动平衡的原理,掌握转子动平衡实验的步骤及使用方法,能根据实验结果分析转子是否平衡。
实验仪器:转子动平衡仪、转子。
实验原理:在一般机械设备中,由于零件制造和安装误差、使用磨损等因素的影响,部件的质量分布不均衡,往往引起设备震动、噪声和损坏,因此需要对部件进行动平衡处理。
动平衡的基本原理是,将转子支承在水平支架的平衡测试机台上,在测试机台上旋转,通过测量转子的振动情况来确定转子的质量分布不均衡程度,然后对转子进行适当旋转或加重,使其质量分布更加均匀,达到动平衡的目的。
实验步骤:
1.将转子放在转子支架上,并夹紧锁住。
2.将支架放在动平衡仪上,并进行初步调整,使转子处于水平状态。
3.打开动平衡仪的电源开关,调整测试点位置,使测试点和支架之间的距离最小。
4.输入测试参数,包括转速、转子序号、转子直径、固定初始质量等。
5.开始旋转转子,并记录测试数据,包括转速、振动幅值、相位等。
6.根据测试结果计算出转子的不平衡质量和相位,根据不平衡质量和相位来适当旋转或加重转子,使其达到动平衡状态。
7.重新测试转子,直到满足要求。
实验结果:
进行转子动平衡实验并记录测试数据,根据测试结果计算出转子的不平衡质量和相位,并根据实验要求将转子旋转或加重调整至符合动平衡要求。
实验结论:
转子动平衡实验是一种有效的方法,通过调整转子的质量分布均衡来避免转子在旋转时产生震动和噪声等问题。
实验中,我们可以根据测试结果来分析转子的不平衡程度,然后对其进行调整以达到动平衡目的。
风机动平衡实验报告风机动平衡实验报告引言风机是一种常见的机械设备,广泛应用于空调系统、风力发电等领域。
然而,由于制造过程中的不完美以及长期使用的磨损,风机可能存在不平衡的问题,导致噪音增加、振动加剧以及寿命缩短等负面影响。
因此,风机动平衡实验成为了确保风机正常运行的重要环节。
实验目的本次实验的目的是通过对风机进行动平衡实验,找出并修正风机的不平衡问题,提高其运行效率和稳定性。
实验装置和方法实验装置包括风机、振动传感器、数据采集仪以及计算机等设备。
实验方法主要包括振动测量、数据采集和分析、调整平衡等步骤。
实验步骤1. 安装振动传感器:将振动传感器固定在风机上,确保其与风机的连接牢固。
2. 数据采集和分析:启动风机,通过数据采集仪记录风机在运行过程中的振动情况。
利用计算机对采集到的数据进行分析,得出风机的不平衡情况。
3. 调整平衡:根据分析结果,确定风机的不平衡部位。
通过在相应位置添加或去除质量,调整风机的平衡。
4. 重新测量和分析:调整完平衡后,再次启动风机并进行振动测量。
通过对比前后的数据,评估平衡调整的效果。
实验结果与分析经过多次实验和调整,最终成功将风机的振动降低到合理范围内。
通过对比前后的振动数据,可以清晰地看到不平衡问题的改善。
此外,实验还发现了一些有趣的现象。
首先,风机的不平衡主要集中在叶片和轴承部位。
这是由于叶片制造过程中的误差和轴承磨损等因素导致的。
通过在这些部位进行调整,可以有效减少风机的振动。
其次,实验发现风机的振动与风机的运行状态有关。
在低速运行时,风机的振动相对较小,但随着风速的增加,振动也会逐渐增大。
这提示我们,在实际应用中,需要根据风机的运行条件和环境要求,对风机进行不同程度的平衡调整。
讨论与总结风机动平衡实验的目的是为了提高风机的运行效率和稳定性。
通过本次实验,我们成功找出并修正了风机的不平衡问题,使其振动降低到合理范围内。
然而,实验也揭示了一些问题和挑战。
首先,风机的不平衡问题并非简单的机械制造误差可以解决。
第1篇一、实验目的1. 了解动平衡的概念和原理。
2. 掌握实现动平衡的方法和步骤。
3. 通过实验验证动平衡的必要性和有效性。
二、实验原理动平衡是指通过调整旋转体上质量分布,使其在旋转过程中产生的惯性力相互抵消,从而实现平稳旋转。
动平衡实验通常包括以下步骤:1. 测量旋转体的质量分布。
2. 根据测量结果,确定平衡点位置。
3. 通过添加或移除质量,调整旋转体的质量分布。
4. 验证调整后的旋转体是否达到动平衡。
三、实验器材1. 旋转体(如飞轮、电机转子等)。
2. 磁力测力计。
3. 滑轮和绳子。
4. 平衡配重块。
5. 移动平台。
6. 秒表。
7. 记录本。
四、实验步骤1. 准备实验器材,将旋转体固定在移动平台上。
2. 使用磁力测力计,测量旋转体在不同位置上的质量分布。
3. 根据测量结果,确定平衡点位置。
4. 在平衡点位置添加或移除平衡配重块,调整旋转体的质量分布。
5. 使用磁力测力计,测量调整后的旋转体在不同位置上的质量分布。
6. 重复步骤4和5,直至旋转体的质量分布达到动平衡。
7. 使用秒表,测量调整后的旋转体在固定时间内旋转的圈数。
8. 记录实验数据,分析实验结果。
五、实验结果与分析1. 实验数据:旋转体旋转圈数:100圈旋转体质量分布调整次数:3次调整后的旋转体质量分布:质量分布均匀,无较大质量偏移。
2. 分析:通过实验验证,调整后的旋转体质量分布均匀,无较大质量偏移,达到了动平衡。
实验结果表明,动平衡对于旋转体的平稳旋转至关重要。
在旋转过程中,若质量分布不均匀,会产生惯性力,导致旋转体振动,影响旋转性能。
因此,实现动平衡对于提高旋转体的性能和寿命具有重要意义。
六、实验结论1. 动平衡是旋转体平稳旋转的关键因素。
2. 通过调整旋转体的质量分布,可以实现动平衡。
3. 动平衡实验有助于提高旋转体的性能和寿命。
七、实验注意事项1. 实验过程中,注意安全,避免受伤。
2. 实验器材应保持清洁、干燥,避免影响测量结果。
一、前言轮胎动平衡是汽车维修中的一项重要技能,它直接影响到车辆的行驶稳定性和安全性。
通过本次轮胎动平衡实训,我对轮胎动平衡有了更加深入的了解,以下是我对实训过程的心得体会。
二、实训目的1. 掌握轮胎动平衡的基本原理和操作步骤;2. 熟悉动平衡机的使用方法;3. 学会分析轮胎不平衡的原因,并采取相应措施;4. 提高动手能力和团队协作能力。
三、实训内容1. 轮胎动平衡的基本原理轮胎动平衡是指通过调整轮胎内部不平衡质量,使轮胎在高速行驶时保持稳定,避免出现抖动、异响等现象。
轮胎动平衡主要包括以下两个方面:(1)静态平衡:通过调整轮胎内部的不平衡质量,使轮胎在静止状态下保持平衡。
(2)动态平衡:通过调整轮胎内部的不平衡质量,使轮胎在高速行驶时保持平衡。
2. 动平衡机的使用方法(1)准备工作:首先,将轮胎、动平衡机、平衡块、扭力扳手等工具准备齐全。
(2)操作步骤:① 清除轮胎上的泥土、石子和旧平衡块;② 检查轮胎气压,视必要充至规定值;③ 根据轮辋中心孔的大小选择锥体,仔细地装上车轮,用大螺距螺母上紧;④ 打开电源开关,检查指示与控制装置的面板是否指示正确;⑤ 用卡尺测量轮辋宽度、轮辋直径,将a、b、d值输入指示与控制装置中去;⑥ 放下车轮防护罩,按下起动键,车轮旋转,平衡测试开始,微机自动采集数据;⑦ 车轮自动停转或听到笛声按下停止键,从指示装置读取车轮内、外不平衡量和不平衡位置;⑧ 抬起车轮防护罩,用手按箭头方向慢慢转动车轮,加装指示装置显示的该侧平衡块质量;⑨ 安装平衡块后,再次进行动态平衡测试,直至达到要求。
3. 分析轮胎不平衡的原因(1)轮胎磨损不均匀;(2)轮胎内部结构变形;(3)轮胎内部不平衡质量过大;(4)动平衡机操作不当。
4. 采取措施(1)更换磨损不均匀的轮胎;(2)修复轮胎内部结构变形;(3)调整轮胎内部不平衡质量;(4)加强动平衡机操作培训。
四、实训心得1. 轮胎动平衡的重要性通过本次实训,我深刻认识到轮胎动平衡对车辆行驶稳定性和安全性的重要性。
硬支承动平衡实验报告
实验目的:
1.了解硬支承动平衡机的结构、控制面板、性能及操作方法。
2.验证、巩固和加深对基本理论的理解,培养实验动手能力。
3.掌握基本的机械实验方法、测量技能及用实验法以及培养学生踏实细致、严肃认真的科学作风。
实验设备:
1、硬支承动平衡机
2、台式钻孔机、钳工工作台
3、线切割滚丝筒
4、标定加重螺栓。
实验原理:
根据《机械原理》所述的回转体动平衡原理知:一个动不平衡的刚性回转体绕其回转轴线转动时,该构件上所有的不平衡重所产生的离心惯力总可以转化为任选的两个垂直于回转轴线的平面内的两个当量不平衡重和(它们的质心位置分别为和;半径大小可根据数值、的不同变化)所产生的离心力。
动平衡的任务就是在这两个任选的平面(称ω为平衡基面)内的适当位置(和)加上两个适当大小的平衡重和,使它们产生的平衡力与当量不平衡重产生的不平衡力大小相等,而方向相反,即:
2
b 2b 22
222b 1b 1211ω
r ωr ωr ωr G G G G =-=-
半径
越大,则所需的就越小。
通过平衡补偿回转体达到力和矩平衡,从而达到动平衡。
硬支承动平衡机工作原理简图如下所示:
实验步骤:
1)将两平衡平面处于原始位置,系统处于静平衡但动不平衡状态,在两支承处加润滑油。
2)按D 参数键,选定转子号,回车;
3)进入D1页,输入平衡转速540转,平衡配重的半径R ,回车; 4)进入D2页,输入A,B,C 参数,可测量,A 为第一平衡面距第一支承中心的距离,B 为两平衡面间距离,C 为第二平衡面和第二支承点的距离;输入支承方式HE-1,按存储键;
5)进入显示,测量页面;
6)启动电机,启动高速运转;
7)待系统稳定后,屏幕上会显示平衡配重的质量和相位;
8)按停止按钮,依据显示数值,在两平衡平面上安装平衡配重,并记录相关数值;
9)启动系统,重复步骤7),直到平衡配重显示精度标准为止,记录每一步数据;
10)关闭电源,拆除平衡配重,结束实验。
实验数据:
采样次数= 5次取平均值
实验设定参数为:
A=68.0mm B=65.0mm C=177.0mm Rpm=540.0mm
测量数据如下表:
实验结果讨论及心得:
1、对于不平衡量比较大的滚丝筒,一般先加重,再去重。
2、滚丝筒的规格比较小,要求动平衡的精度也比较高,在打孔的时候需要格外注意孔的位
置和深度,这样可以减少平衡的次数。
3、在钻螺纹的时候得反向旋转,并且在钻具上得先添点油防止钻孔过程中的屑末会流入物
体从而导致加重误差变大。
思考题:
1、为什么偏重太大要先进行静平衡?
答:若偏重太大,直接进行动平衡,有可能会因为产生的离心力过大而导致轴类零件变形、损坏工件或导致动平衡机的损坏。
2、画记号有什么作用,怎样保证在实际操作中不产生位置误差?
答:记号用以在转动过程中产生短暂遮蔽信号,光电传感器捕捉此信号用以计数;同时记号可以标记需增减质量的位置,方便打孔或是加质量。
在确定重量调节位置时,可通过“角度二分法”逐步逼近所显示相位,并进行标记。
如有侵权请联系告知删除,感谢你们的配合!。