人防隐蔽验收记录
- 格式:doc
- 大小:141.50 KB
- 文档页数:10
人防隐蔽工程验收记录一、验收时间和地点验收时间:2021年12月1日验收地点:XXX人防隐蔽工程二、验收组织本次验收由大连市防空办公室组织,并邀请XXX有限公司、XXX建设监理有限公司等单位参加。
本次验收严格按照国家有关规定及施工设计方案进行。
三、验收项目和标准本次验收项目包括:1.工程基本情况;2.设计图纸是否符合国家有关规定;3.施工过程是否符合施工图纸要求;4.隐蔽工程的施工和完工验收情况;5.通风、灯光、供电系统等是否符合规定;6.灭火器具、应急疏散通道等设施是否完善;7.人防工程建设过程中发现的问题及解决情况。
验收标准:1.工程质量符合国家相关标准和规范;2.设计图纸符合国家相关标准和规范;3.施工过程符合设计要求,施工过程中的质量问题及时解决;4.隐蔽工程的安全性、密闭性、防护性、承载力等达到设计标准;5.通风、灯光、供电系统等符合国家有关标准、规范和要求;6.灭火器具、应急疏散通道等设施符合国家相关标准和规范;7.发现的问题和解决情况符合国家相关标准和规范。
四、验收结果经过现场勘察和资料审查,本次验收结果如下:1.工程基本情况该工程的建设单位为XXX有限公司,建设地址为XXX街道XXX号,建设规模为垂直深度达到20米的地下三层地下人防工程。
验收人员对工程基本情况进行了详细了解,均符合国家有关规定。
2.设计图纸是否符合国家有关规定设计图纸经过审查,符合国家有关规定。
3.施工过程是否符合施工图纸要求施工过程严格按照施工图纸要求进行,施工过程中的质量问题及时解决。
4.隐蔽工程的施工和完工验收情况隐蔽工程的施工和完工验收符合相关标准,符合设计要求。
5.通风、灯光、供电系统等是否符合规定通风、灯光、供电系统等符合国家有关标准、规范和要求。
6.灭火器具、应急疏散通道等设施是否完善灭火器具、应急疏散通道等设施完善,符合国家相关标准和规范。
7.人防工程建设过程中发现的问题及解决情况在人防工程建设过程中,发现的问题及时解决,符合国家相关标准和规范。
隐蔽工程检查验收记录工程名称:翡翠城社区商业中心及幼儿园建设单位:杭州翡翠城房地产开发有限公司隐蔽部位: 24-37/J-EA轴基础后浇带施工单位:浙江省建工集团有限责任公司隐蔽日期:图号:人防结施2007 年月日隐蔽检查内容:钢板止水带防水层、附加卷材防水层根据设计要求,人防地下室基础后浇带采用3mm 厚 400mm 宽钢板止水带、附加防水卷材的做法,具体做法如下图,经现场检查,其止水带的数量、规格、位置及施工方法均符合设计及规范要求监理工程师试名称或直径出厂合格试验单编号核查意见:证编号验单热轧钢板、合防水卷材20070911D86011001格证、焊件核查人:编号专业技术负责人:质量检查员:填表人:注:本表适用于砼、钢筋、砌体埋筋、防水、回填土等隐蔽工程。
当用于基坑验槽记录时,表头填写“验槽”二字。
并应增加设计、地质勘察单位参加人签字栏。
隐蔽工程检查验收记录工程名称:翡翠城社区商业中心及幼儿园建设单位:杭州翡翠城房地产开发有限公司隐蔽部位: 2-24/J~D-B轴基础后浇带施工单位:浙江省建工集团有限责任公司隐蔽日期:图号:人防结施2007 年月日隐蔽检查内容:钢板止水带防水层、附加卷材防水层根据设计要求,人防地下室基础后浇带采用3mm 厚 400mm 宽钢板止水带、附加防水卷材的做法,具体做法如下图,经现场检查,其止水带的数量、规格、位置及施工方法均符合设计及规范要求。
监理工程师试名称或直径出厂合格试验单编号核查意见:证编号验单热轧钢板、合防水卷材20070911D86011001格证、焊件核查人:编号专业技术负责人:质量检查员:填表人:注:本表适用于砼、钢筋、砌体埋筋、防水、回填土等隐蔽工程。
当用于基坑验槽记录时,表头填写“验槽”二字。
并应增加设计、地质勘察单位参加人签字栏。
隐蔽工程检查验收记录工程名称:翡翠城社区商业中心及幼儿园建设单位:杭州翡翠城房地产开发有限公司图号:人防结施隐蔽部位: 24-37/J-EA轴后浇带及施工缝施工单位:浙江省建工集团有限责任公司隐蔽日期:2007年月日隐蔽检查内容:钢板止水带防水层根据设计要求,人防地下室后浇带及侧壁施工缝采用3mm 厚 400mm 宽钢板止水带 ,具体做法如下图 ,经现场检查,其止水带的数量、规格、位置及施工方法均符合设计及规范要求。
人防隐蔽工程验收记录汇总背景介绍人防隐蔽工程是指通过在建筑物内部或地下空间布置密闭建筑,以便在空袭等灾害时提供避难场所的一种工程建设方式。
为了保证人防隐蔽工程的建设质量和使用效果,对人防隐蔽工程进行验收是必不可少的环节。
本文将汇总近期的人防隐蔽工程验收记录,旨在查看所验收的工程建设质量和验收效果。
验收记录1.某市周大街人防隐蔽工程验收时间:2021年1月10日验证部门:市人防办公室验收要点:•建筑物结构是否安全稳定;•建筑物内部通风、照明设施是否完好;•避难设施配备是否充足。
验收:建筑物结构安全稳定,内部设施完好,避难设施配备充足。
验收合格。
2.某县城南路人防隐蔽工程验收时间:2021年5月1日验证部门:县政府验收要点:•建筑物结构是否符合设计标准;•建筑物内部通风、照明设施是否满足使用要求;•避难空间是否充足;验收:建筑物结构符合设计标准,内部设施满足使用要求,避难空间充足。
验收合格。
3.某城市花园路人防隐蔽工程验收时间:2021年8月5日验证部门:市政府验收要点:•建筑物结构是否符合国家标准;•建筑物内部通风、照明设施是否满足最低使用标准;•避难空间是否合理设置。
验收:建筑物结构符合国家标准,内部设施满足最低使用标准,避难空间合理设置。
验收合格。
与反思通过对近期人防隐蔽工程的验收记录汇总可以发现,人防隐蔽工程在建设过程中质量得到一定的保证,验收结果基本达到了要求。
但是在实际使用过程中,还需注意维护和管理,以保证建筑物的完好和使用效果。
同时工程建设参与方应该更加注重工程设计、施工、验收等各个环节,保障建筑的质量和安全。
人防隐蔽工程验收记录bfm0716-15人防隐蔽工程验收记录济rfl―021工程名称隐检项目隐检部位孔口防护―中天宝电馨城人防地下室隐检日期层隐检依据:《人民防空工程防护设备产品质量检验与施工验收标准》(rfj01―2002)隐检内容:1.检查门框、铰页底板变形、锈蚀情况门框洞口高门框洞口宽2.锚钩规格、数量、间距3.闭锁盒数量、位置检查验收意见:经检查验收该部位的人防工程符合设计要求及规范规定,同意验收。
施工单位项目(专业)技术负责人监理工程师(建设单位项目专业负责人)bfm0716-15隐蔽工程验收记录冀rfl-021项目名称隐蔽检查项目隐蔽检查部位孔口防护隐蔽检查日期层隐蔽检查依据天宝电新城人防地下室:人防工程防护设备产品质量检验及施工验收标准(rfj01-2002)隐蔽检查内容:1检查门框和铰链底板的变形和腐蚀情况。
门框洞口高度、门框洞口宽度为2规格、数量、锚钩间距3锁箱数量、位置检查验收意见:检查验收后,本部分人防工程符合设计要求和规范,同意接受。
建设单位项目(专业)技术负责人监理工程师(建设单位项目专业负责人)bfm0716-15隐蔽工程验收记录济rfl―021工程名称隐检项目隐检部位孔口防护―中天宝电馨城人防地下室隐检日期层隐检依据:《人民防空工程防护设备产品质量检验与施工验收标准》(rfj01―2002)隐检内容:1.检查门框、铰页底板变形、锈蚀情况门框洞口高门框洞口宽2.锚钩规格、数量、间距3.闭锁盒数量、位置检查验收意见:经检查验收该部位的人防工程符合设计要求及规范规定,同意验收。
施工单位项目(专业)技术负责人监理工程师(建设单位项目专业负责人)bfm1520-15隐蔽工程验收记录Ji rfl-021项目名称隐蔽检查项目隐蔽检查部位孔口保护隐蔽检查日期层隐蔽检查依据:《人防工程防护设备产品质量检验及施工验收标准》(rfj01-2002)隐蔽检查内容:1检查设备的变形和腐蚀情况门框和铰链底板。
人防隐蔽工程检查验收记录YB1隐蔽工程检查验收记录工程名称:建设单位:图号:结施注:本表适用于砼、钢筋、砌体埋筋、防水、回填土等隐蔽工程。
当用于基坑验槽时,表头填写“验槽"二字。
并应增加设计、地质勘察单位参加人签字栏。
—96—YB2管道隐蔽工程检查验收记录制表日期:年月日检查验收日期:工程名称:施工单位:建设单位:分项工程名称:隐蔽部位:砼底板内与架空层:设计图号:管道材质:规格:隐蔽段的划分及数量:操作班(组)长:专业技术负责人:质检员:施工员:填表人:注:本表适用于给排水、采暖通风、空调等管道工程。
—97—YB3电气隐蔽工程检查验收记录隐蔽分项工程名称:年月日专业技术负责人:质量检查员:班(组)长:施工员:注:本表适用于照明管线、通信管线、接地等工程.-98—YB4设备试压(满水)记录阀门制表日期:年月日工程名称:施工单位:建设单位:分项工程名称:使用部位:监理单位:设备名称:规格型号:材质:生产厂家:单位:数量:试压时间:年月日时起至月日时止平均气温:℃注:①、采暖设备、给水设备、空调设备、各类闸阀等试压项目均用此表.②、如委托其他试验单位时,应将试验单位所出试验报告附于本记录后面。
-99- YB5系统管道试压灌水记录隐蔽制表日期:年月日工程名称:施工单位:建设单位:分项工程名称:试压(灌水)系统:监理单位:试压灌水部位:设计图号:平均气温:℃管道材质:规格:数量:试压时间:年月日时起至月日时止YB6给、排水管道通水试验记录制表日期:年月日工程名称:施工单位:建设单位:分项工程名称:采用设备名称:监理单位:通水时间:年月日时起至月日时止平均气温:(℃)YB7管道冲洗吹扫清洗记录制表日期:年月日工程名称:施工单位:建设单位:分项工程名称:采用设备名称:监理单位:设备型号:性能参数:冲洗。
吹洗长度: m冲、吹、吹扫时间:年月日时起至月日时止平均气温:(℃)注:本表适用于给水、供热、采暖、制冷等管道的吹洗、吹扫等.当用于给水管道时应记述管道消毒情况。
四、隐蔽工程检查验收记录YB1 国家人防质监站监制隐蔽工程检查验收记录工程名称:建设单位:图号:结施隐蔽部位:施工单位:隐蔽日期:年月日隐蔽检查内容:监理工程师核查意见:核查人:人防工程质监部门验核意见:验核人:试验单、合格证、焊件编号名称或直径出厂合格证编号试验单编号专业技术负责人:质量检查员:填表人:注:本表适用于砼、钢筋、砌体埋筋、防水、回填土等隐蔽工程。
当用于基坑验槽时,表头填写“验槽”二字。
并应增加设计、地质勘察单位参加人签字栏。
-96-YB2 国家人防质监站监制管道隐蔽工程检查验收记录制表日期:年月日检查验收日期:工程名称:施工单位:建设单位:分项工程名称:隐蔽部位:砼底板内与架空层:设计图号:管道材质:规格:隐蔽段的划分及数量:操作班(组)长:隐蔽检查情况位置标记标高、坡度、坡向基座、支架管材、阀件材质、接口、接头材质防腐措施保温方式管洞处理试压、灌水试验结果安全距离冲洗吹扫清洗说明或草图监理工程师核查意见:核查人:专业技术负责人:质检员:施工员:填表人:注:本表适用于给排水、采暖通风、空调等管道工程。
-97-YB3 国家人防质监站监制电气隐蔽工程检查验收记录隐蔽分项工程名称:年月日单位工程名称建设单位部位及图号施工单位内容及草图监理工程师核查意见核查人:年月日专业施工技术负责人:质量检查员:班(组)长:施工员:注:本表适用于照明管线、通信管线、接地等工程。
-98-YB4 国家人防质监站监制设备试压(满水)记录阀门制 表 日 期: 年 月 日工 程 名 称: 施工单位: 建设单位: 分项工程名称: 使用部位: 监理单位:设 备 名 称: 规格型号: 材 质: 生 产 厂 家: 单 位: 数 量: 试 压 时 间 : 年 月 日 时起至 月 日 时止 平均气温: ℃试 压 情 况情况说明及问题处理班(组)长: 主要操作人: 试压依据试压类别 工作压力 试压压力 (满水程度) 稳压时间 允许压降 实际压降 外观检查监理工程师 核 查 意 见核查人:.项目经理:专业技术负责人:专业工长:年 月 日人防工程质监 部门验核意见验核人:年 月 日注:①、采暖设备、给水设备、空调设备、各类闸阀等试压项目均用此表。
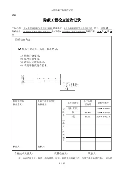
YB1隐蔽工程检查验收记录工程名称:长峙岛马鞍村拆迁安置小区三标段建设单位:舟山市临城新区开发建设有限公司图号:结施-06隐蔽部位:1-8轴地下室承台、地梁、底板垫层施工单位:浙江舟山广宇建设有限公司隐蔽日期:2009年6月14专业技术负责人:质量检查员:填表人:注:本表适用于砼、钢筋、砌体埋筋、防水、回填土等隐蔽工程。
当用于基坑验槽记录时,表头填写“验槽”二字。
并应增加设计、地质勘察单位参加人签字栏。
YB1隐蔽工程检查验收记录工程名称:舟山建设大厦C座建设单位:舟山市万事达房地产开发有限公司图号:结施-05专业技术负责人:质量检查员:填表人:注:本表适用于砼、钢筋、砌体埋筋、防水、回填土等隐蔽工程。
当用于基坑验槽记录时,表头填写“验槽”二字。
并应增加设计、地质勘察单位参加人签字栏。
YB1隐蔽工程检查验收记录工程名称:长峙岛马鞍村拆迁安置小区三标段人防地下室建设单位:舟山市临城新区开发建设有限公司图号:结施-2专业技术负责人:质量检查员:填表人:注:本表适用于砼、钢筋、砌体埋筋、防水、回填土等隐蔽工程。
当用于基坑验槽记录时,表头填写“验槽”二字。
并应增加设计、地质勘察单位参加人签字栏。
YB1隐蔽工程检查验收记录工程名称:长峙岛马鞍村拆迁安置小区三标段人防地下室建设单位:舟山市临城新区开发建设有限公司图号:结施-02核查人:验核人:专业技术负责人:质量检查员:填表人:注:本表适用于砼、钢筋、砌体埋筋、防水、回填土等隐蔽工程。
当用于基坑验槽记录时,表头填写“验槽”二字。
并应增加设计、地质勘察单位参加人签字栏。
YB1隐蔽工程检查验收记录工程名称:长峙岛马鞍村拆迁安置小区三标段人防地下室建设单位:舟山市临城新区开发建设有限公司图号:结施-01隐蔽部位:混凝土灌注桩钢筋笼施工单位:浙江舟山广宇建设有限公司隐蔽日期:2012年9月8日隐蔽检查内容:115#桩混凝土灌注桩桩钢筋笼隐蔽:1)纵向钢筋的品种规格、数量、位置等符合要求;2)箍筋、横向钢筋的品种、规格、数量间距等符合要求;3)主筋锚固长度、节点构造等符合要求。
人防隐蔽工程检查验收记录YB1隐蔽工程检查验收记录工程名称:建设单位:图号:结施隐蔽部位:施工单位:隐蔽日期:年月日隐蔽检查内容:监理工程师核查意见:核查人:试验单、合格证、焊件编号名称或直径出厂合格证编号试验单编号专业技术负责人:质量检查员:填表人:注:本表适用于砼、钢筋、砌体埋筋、防水、回填土等隐蔽工程。
当用于基坑验槽时,表头填写“验槽”二字。
并应增加设计、地质勘察单位参加人签字栏。
-96- YB2管道隐蔽工程检查验收记录制表日期:年月日检查验收日期:工程名称:施工单位:建设单位:分项工程名称:隐蔽部位:砼底板内与架空层:设计图号:管道材质:规格:隐蔽段的划分及数量:操作班(组)长:隐蔽检查情况位置标记标高、坡度、坡向基座、支架管材、阀件材质、接口、接头材质防腐措施保温方式管洞处理试压、灌水试验结果安全距离冲洗吹扫清洗说明或草图监理工程师核查人:专业技术负责人:质检员:施工员:填表人:注:本表适用于给排水、采暖通风、空调等管道工程。
-97-YB3电气隐蔽工程检查验收记录隐蔽分项工程名称:年月日单位工程名称建设单位部位及图号施工单位内容及草图从2ZALE配电箱采用金属防火槽式桥架敷设NH-YJV-5*6电缆将电源引至ALE05、ALE06配电箱,从2ZAL配电箱采用金属防火槽式桥架敷设将YJV-5*6电缆电源引至AL05、AL06配电箱,从AL02、AL05、AL06配电箱分W1-W8共8个照明回路,穿BV-3*2.5MM2铜芯线,沿顶板暗敷设SC20焊接钢管,WX1-WX3共3个插座回路,穿BV-3*2.5MM2铜芯线,沿地暗敷设SC20焊接钢管。
从ALE05、ALE06配电箱分1WE1-1WE3共3个应急照明回路,穿NH-BV3*2.5MM2铜芯线,沿顶板暗敷设SC20焊接钢管;1WE4-1W6共3个疏散照明回路,穿NH-BV3*2.5MM2铜芯线,沿顶板暗敷设SC20焊接钢管;从AP05、AP06配电箱分P1-P5五个排水泵回路,穿YJV-5*4铜芯电缆沿桥架和顶板暗敷设SC25焊接钢管引至五处,1PZ1照明箱穿YJV-5*6电缆沿桥架敷设至照明箱,1PZ2穿NH-YJV-5*6电缆沿桥架敷设至应急照明箱,1PZ3-1PZ5穿YJV-5*2.5电缆沿桥架和沿顶板暗敷设SC25焊接钢管穿至战时进风机控制箱、战时排风机控制箱、战时给水泵控制箱。
人防隐蔽工程验收记录一、项目信息项目名称:人防隐蔽工程验收项目地点:xx市验收单位:xx工程监理有限公司监理单位:xx建筑设计院施工单位:xx建筑工程有限公司验收日期:xx年xx月xx日二、验收内容1. 工程概况:该人防隐蔽工程位于xx市区,占地面积xx平方米,总投资xx万元,主要功能为应对突发性灾害和保护居民生命财产安全。
本次验收的主要内容包括工程质量、消防设施、排水设施、通风设备等方面。
2.工程质量验收:2.1结构工程验收:经现场勘察和测量,工程结构满足设计要求,基础、墙体和屋顶等部分均符合国家标准,无明显的质量问题。
2.2装饰工程验收:工程装饰按照设计要求进行施工,材料、颜色和风格与整体效果一致,符合相关标准。
2.3隐蔽工程验收:隐蔽工程包括电气、给排水管道、通风设备等方面,经过抽查和测试,所有隐蔽工程无漏水、漏电等问题,各项设备运行正常。
3.消防设施验收:3.1灭火器材验收:根据设计要求,在人防工程各个区域设置了灭火器材,包括灭火器、消防栓等。
灭火器材种类齐全,放置位置合理,易于使用。
3.2灭火系统验收:人防工程内设置了自动灭火系统,经过测试,系统可正常启动和工作,达到设计要求,确保火灾时可以及时处置,并保护居民生命财产安全。
4.排水设施验收:4.1排水管道验收:排水系统包括雨水管道和污水管道,经过测试,排水管道无渗漏,水流畅通,符合设计要求。
4.2排水设备验收:排水设备采用了自动排水装置,经过试运行,设备工作正常,水泵、阀门等零部件完好无损。
5.通风设备验收:5.1通风设备验收:通风设备包括排风机和通风管道,经过测试,设备正常运行,排风效果良好。
5.2防毒设施验收:防毒设施包括应急逃生通道和防毒面具等,经过测试,逃生通道畅通,防毒面具完好,可满足紧急情况下的使用需求。
三、验收结论经过现场勘察和测试,对人防隐蔽工程进行综合评估,该工程符合设计要求、合格的施工标准和验收标准。
验收专家组一致认为,该工程在结构、装饰、消防、排水和通风设备等方面均符合相关标准和要求,达到了设计效果,可以投入使用。
1.10隐蔽工程质量验收记录
1.10.1 主体结构隐蔽工程检查验收记录
RF1.10.1 验槽隐蔽工程检查验收记录表
工程名称:金科廊桥水岸小区二标段建设单位:云南金万众房地产开发有限公司
图号:人防结构说明及大样、24#楼主楼筏板平面图施工单位:中天建设集团有限公司
隐蔽部位:24#楼D1-6D1-26/D1-AF D1-AL轴基础底板隐蔽日期:2017 年8月16 日
RF1.10.1 钢筋工程隐蔽工程检查验收记录表
工程名称:金科廊桥水岸小区二标段建设单位:云南金万众房地产开发有限公司
图号:人防结构说明及大样、24#楼主楼筏板平面图施工单位:中天建设集团有限公司
隐蔽部位:24#楼D1-6D1-26/D1-AF D1-AL轴基础底板隐蔽日期:2017 年9月 5 日
10
8
14
20
22
25
专业技术负责人:质量检查员:填表人:
RF1.10.1 防水混凝土工程隐蔽工程检查验收记录表
工程名称:金科廊桥水岸小区二标段建设单位:云南金万众房地产开发有限公司
图号:人防结构说明及大样、25#楼主楼筏板平面图施工单位:中天建设集团有限公司
隐蔽部位:24#楼D1-6D1-26/D1-AF D1-AL轴基础底板隐蔽日期:2017 年9 月 6 日隐蔽检查内容:
1、采用云南厚道混凝土制造有限公司的商品混凝土,基础底板混凝土强度等级C35P6微膨+纤维混凝
土配合比报告合格证、水泥报告合格证等质保资料齐全有效。
2、同一施工段的混凝土应连续浇筑,并应在底层混凝土初凝之前将上一层混凝土浇筑完毕。
3、强度等级符合设计要求,24#楼D1-6D1-26/D1-AF D1-AL轴基础底板浇筑数量为1024
块留置数量符合规范要求。
4、混凝土浇筑时,浇筑按要求分层浇筑、振捣;浇筑过程中随时清理落地灰。
5、混凝土养护符合规范要求。
隐检内容已做完,请予以检查。
专业技术负责人:质量检查员:填表人:
RF1.10.1 卷材防水工程隐蔽工程检查验收记录表
工程名称:金科廊桥水岸小区二标段建设单位:云南金万众房地产开发有限公司
图号:人防结构说明及大样、24楼主楼筏板平面图防水施工方案
施工单位:中天建设集团有限公司
隐蔽部位:24#楼D1-6D1-26/D1-AF D1-AL轴基础底板隐蔽日期:2017 年8 月29 日
专业技术负责人:质量检查员:填表人:
1.10.2 管道隐蔽工程检查验收记录
RF1.10.2 管道隐蔽工程检查验收记录表
制表日期:2017年9月 3 日
工程名称:金科廊桥水岸小区二标段施工单位:中天建设集团有限公司
建设单位:云南金万众房地产开发有限公司分项工程名称:给排水分部污水集水池施工分项隐蔽部位:24#楼地下室人防区域排水管
设计图号:地下室给排水预埋图管道材质:镀锌钢管\防爆地漏规格:DN80 隐蔽段的划分及数量:24#楼D1-6D1-26/D1-AF D1-AL轴基础底板26米
操作班(组)长:麻超明
专业技术负责人:质检员:施工员:填表人:
1.10.3 电气隐蔽工程检查验收记录
RF1.10.3 电气隐蔽工程检查验收记录表
分项工程名称:接地装置安装2017 年9 月4日单位工程名称金科廊桥水岸小区二标段
24#楼D1-6D1-26/D1-AF
D1-AL轴基础底板
地下室电气电气施工图
隐蔽内容:
1、采用φ12圆钢40*4热镀锌扁钢
2、基础底板上下两层沿建筑物外围焊接成环形,并将主轴线上的基础梁及结构地板上下两层
22规格结构基础钢筋;钢筋交叉处采用φ12圆钢搭接单焊接,搭接长度大于钢筋直径12倍;焊缝饱满,焊接处药皮已清除,无夹渣咬肉现象,并刷沥青,防腐无遗漏;
隐检内容已做完,请予以检查。
专业施工技术负责人:质量检查员:班(组)长:施工员:。