设备监造监理规划样本
- 格式:doc
- 大小:37.00 KB
- 文档页数:10
1、工程项目概况1.1工程名称:淮安市特种设备检验服务中心1.2工程地点:淮安市清浦区柯山路南侧1.3投资类别:单位自筹,工程投资额约1600万元。
1.4工程内容:工程为共2栋楼办公楼,主楼为钢筋混凝土框架结构9层(附楼3层),总建筑面积为 8800 ㎡1.5工程简介:本工程由江苏省特种设备安全监督检验研究院淮安分院发包建设,江苏天成建设工程有限公司总承包,工程为办公建筑,地上9层;建筑高度为34.05米,建筑结构形式为钢筋混凝土框架结构,合理使用年限为50年。
本工程抗震设防烈度为7度.本建筑为二类高层建筑,设计耐火等级为二级。
1.6计划工期:为 210天。
1.7主要参建单位:2、监理工作范围淮安建筑设计研究院有限公司设计的淮安市特种设备检验服务中心工程施工阶段桩基、土建、安装、消防、装修工程监理。
3、监理工作内容3.1参加设计图纸会审和设计技术交底,根据设计文件及有关规范、技术标准审查施工单位施工组织设计、施工技术方案。
根据施工合同审查施工单位总进度计划并跟踪检查、对比,发现偏离及时组织有关单位研究纠偏对策,同时报告业主。
3.2所有隐藏工程,监理与业主指定代表共同检验并签证确认。
3.3对工程结构性材料、构件、主要装饰材料及安装材料检验单进行认定,如对材料质量有疑问,有权责成施工单位委托第三方进行材质检验,并有监理方见证取样,由监理方直接送检,禁止不合格的材料、构件用于永久性工程。
3.4定期主持召开工程例会。
检查施工单位的月进度计划及报表并逐月考核,提出监理意见,控制工程进度。
3.5督促施工单位做好工程施工现场的文明施工、标化管理及安全防护。
3.6督促施工单位按时完成分阶段工程技术资料,经审查合格后交业主归档备案。
3.7组织工程竣工预验收,签署监理意见。
参与工程竣工验收,向业主报送监理总结。
3.8工程保修期间的业主咨询,对工程质量缺陷责任鉴定,返修工程提供监理服务。
4、监理工作目标通过监理工程师勤奋而谨慎的工作,力求在业主计划的三大目标内建成工程项目。
机械设备工程监理规划方案第一章绪论1.1 项目背景机械设备工程监理是保障设备安全运行和工程质量的重要环节,是实施工程管理的重要手段。
机械设备工程监理规划方案的制定,是对项目管理的有效组织和实施的重要保障。
本规划方案编制的目的是通过合理规划和组织,确保机械设备工程监理工作的质量和效率,同时控制成本,提高监理服务水平,确保工程顺利、高质量的完成。
1.2 项目概况机械设备工程监理属于国家重大项目,对于设备的选购、安装、使用、维护等环节均有严格要求。
本项目是一座大型机械设备工程,总投资约为XX亿元,包括XX台各类机械设备的采购、安装和调试。
项目所处地理环境复杂,气候条件恶劣,对机械设备的性能和质量要求较高。
项目施工周期约为XX年。
1.3 监理规划编制依据为了保障机械设备工程施工质量和安全,保障项目投资的安全和有效使用,制订机械设备工程监理规划,依据如下:(1)国家相关法律法规:根据《中华人民共和国建筑法》、《中华人民共和国监理法》等相关法律法规。
(2)项目委托方要求:根据项目委托方的具体要求和监理委托合同。
(3)监理业务标准和规范:根据国家相关的监理业务标准和规范。
(4)相关技术规范和标准:根据相关机械设备工程的技术规范和标准。
第二章监理组织管理2.1 监理组织机构为了有效地组织和实施机械设备工程监理工作,我们将建立如下的监理组织机构:(1)总监理工程师:负责全面领导和协调机械设备工程监理工作,对项目整体质量和安全负责。
(2)副总监理工程师:协助总监理工程师开展监理工作,兼管技术质量管理。
(3)监理工程师:根据工程施工计划和进度,对机械设备的选购、安装和验收进行监督检查。
(4)质量监督员:负责对机械设备的质量、技术、安全等方面进行检查和监督。
2.2 监理管理体系为了确保机械设备工程监理工作的质量和效率,我们将建立和完善监理管理体系,包括监理人员的管理、机械设备的监理工作流程、监理文件资料的管理等方面。
(1)监理人员的管理:建立监理人员档案,包括人员的资格证书、培训情况等。
日照港岚山港区北作业区一期工程------机电设备安装工程监理规划编制人:庞君文审核人:伍栋批准人:赵永杰广州粤科工程建设监理咨询有限公司二〇一四年六月八日目录一、工程概况 (4)二、监理工作依据 (4)三、监理工作范围、目标和服务内容 (9)四、监理组织机构与职责 (11)五、监理工作管理制度 (13)六、质量控制 (29)七、投资控制 (141)八、进度控制 (142)九、安全控制的目标、方法和措施 (148)十、环境保护控制的目标、程序、方法和措施 (156)十一、合同管理的目标、方法和措施 (157)十二、信息管理的目的、方法和措施 (167)十三、组织协调的目标、方法和措施 (169)十四、保修阶段监理 (173)十五、监理工作理念和质量承诺 (174)前言我公司(广州粤科工程建设监理咨询有限公司)受日照港岚北港务有限公司的委托,将对日照港岚山港区北作业区一期工程的机电设备工程进行质量、进度、投资及安全的全面监理工作。
公司将根据工程项目特点,委派经验丰富、知识全面、技术熟练的专业人员,遵循“严格监理、优质服务、公正科学、廉洁自律”的工作原则,认真贯彻执行国家、交通部和山东省有关工程建设的各项方针政策、法律法规,以合同管理为依据,协调好工程各方的关系,全面完成业主委托的监理任务,保证项目目标的顺利实现。
日照港岚山港区北作业区一期工程机电设备安装监理规划是在机电设备设计图纸、文件以及施工监理合同的基础上编写而成,是指导施工阶段监理工作开展的纲领性文件。
它起着对工程建设监理工作全面规划和进行监督指导的重要作用,反映工程监理中的费用控制、进度控制、质量控制、安全管理、合同管理、信息管理和组织协调等方面工作的工作流程、方法及管理原则,并将监理合同中规定的监理组织责任和监理任务具体化,在此基础上进行各项目标地具体分解,制定实施监理的针对性措施,从而规范化、标准化地开展监理工作,为圆满完成监理任务打下坚实的基础。
(工程名称)监理规划编写:审批:xx建设监理有限公司年月日目录1、工程概况 (2)2、监理工作范围与内容 (2)3、监理工作依据 (3)4、监理工作指导思想及控制目标 (3)5、项目监理机构组织形式及监理人员配备计划 (4)6、项目监理机构人员岗位职责 (5)7、监理工作方法及措施 (10)7A质量控制方面 (10)7B、进度控制方面 (20)7C、投资控制方面 (23)7D、合同管理方面 (24)7E、组织协调方面 (24)7F、信息管理方面 (25)8、工程项目安全和文明施工管理 (26)9.监理工作制度 (36)10.监理工作程序及项目监理控制要点 (39)11.监理设施 (39)附件一、《监理工作流程图集》目录 (39)附件二、项目工程质量监理控制要点 (40)附件三、重大危险源及安全监理工作控制要点 44 1、工程概况1.1建筑概况工程名称:工程地点:建筑面积:总投资:工期:建设单位:设计单位:勘察单位:施工单位:监理单位:xx建设监理有限公司2、监理工作范围和内容2.1.1监理工作的范围:(按合同约定如实填写)。
2.1.2监理工作内容:工程质量控制、投资控制、进度控制、安全控制、合同管理、信息管理及组织协调。
3、监理工作依据3.1国家、地方有关工程建设的法律、法规、条例、规定;3.2现行国家及行业材料、设备技术标准、工程施工验收规范、工程质量验评标准;3.3本工程的设计文件、地质勘察报告等;3.4业主与我司签订的委托监理合同;3.5业主与施工单位签订的工程施工合同及相关合同文件。
4、监理工作指导思想及控制目标4.1监理工作指导思想:严格监理、热情服务、严格履行合同、向业主交付合格工程,严防质量、安全事故的发生。
4.2质量目标:符合《建筑工程施工质量验收统一标准》及各专业工程施工质量验收规范的要求。
4.3工期目标:本工程从年月日开工,到年月日完工。
4.4投资控制目标:严格控制在施工合同约定范围内。
工程名称(传输设备)工程监理规划编制:(总监理工程师签名)审批:(监理单位技术负责人签名)日期 : 年月日股份有限公司目录1、工程概况 (1)1.1工程基本情况 (1)1.2本工程特点、难点分析 (1)2、监理工作的范围、内容、目标 (2)2.1监理工作的范围 (2)2.2监理工作的内容 (2)2.3本项目监理工作目标 (4)3、监理工作依据 (4)4、监理组织形式、人员配备及进退场计划、监理人员岗位职责 (8)4.1监理部本项目监理业务组织架构 (8)4.2项目部监理业务人员配备及进退场计划 (9)4.3监理人员岗位职责 (9)5、监理工作制度 (12)5.1 第一次工程会议制度 (12)5.2工程例会制度 (13)5.3开工前施工图纸会审及设计技术交底制度 (14)5.4施工组织设计、施工方案审批制度 (14)5.5开工、复工申请制度 (14)5.6隐蔽工程验收制度 (14)5.7隐蔽工程签证制度 (15)5.8监理记录和监理日记制度 (15)5.9监理周(月)报制度 (15)5.10总监理工程师巡视制度 (16)5.11工程预验收制度 (16)5.12工程结算审核制度 (16)5.13技术资料及档案管理制度 (16)5.14施工现场紧急处理制度 (16)5.15安全管理制度 (17)6、工程质量控制 (18)6.1通信工程质量控制流程 (18)6.2工程质量控制的方法、手段 (21)7、工程造价控制 (27)7.1工程投资控制流程 (27)7.2工程投资控制的方法、措施 (29)7.3施工阶段投资控制的措施 (31)8、工程进度控制 (33)8.1影响工程项目进度因素分析 (33)8.2本项目进度控制的方法 (33)8.3.本项目进度控制的措施 (36)9、安全生产管理的监理工作 (37)9.1安全生产管理的内容 (37)9.2安全生产管理的方法 (38)9.3安全生产管理的措施 (43)10、合同与信息管理 (45)10.1本期传输设备安装工程项目合同关系结构 (45)10.2合同管理的原则与内容 (45)10.3合同管理的方法 (47)10.4信息管理 (50)10.5监理文件资料管理 (52)11、组织协调 (56)11.1组织协调的意义与目的 (56)11.2组织协调的对象 (56)11.3协调的方法与技巧 (59)12、监理工作设施 (60)12.1本项目驻地办公场所 (60)12.2本项目配置用于监理业务的设备 (61)1、工程概况1.1工程基本情况(1)工程名称:(与设计文件首页工程项目名称一致例:2018年中国(运营商)广东有限公司分公司工程(2)工程地点:省市(3)建设单位:运营商全称(4)勘察单位:如有就填单位名字。
工艺设备监理规划方案一、工艺设备监理概述本方案主要针对工艺设备监理的规划,旨在确保设备安装、调试和运行过程中的质量和进度,保证工程项目的顺利进行。
二、工艺设备监理工作内容1. 设备安装监理1.1 设备安装前的准备工作监督:包括工段设备的认可文件审查、设备运输和搬运计划的审核、施工现场的准备等;1.2 设备安装进度的监督:根据施工进度计划进行监督,确保设备安装按时完成;1.3 设备安装质量的监督:包括设备安装方案的审核、设备安装过程中关键节点的检查和验收;1.4 设备安装记录的整理和归档。
2. 设备调试监理2.1 设备调试前的准备工作监督:设备调试方案的编制审查、调试所需材料和人员的准备等;2.2 设备调试进度的监督:根据调试进度计划进行监督,确保调试工作按时进行;2.3 设备调试过程的监督:检查调试过程中的设备参数、安全保护措施等;2.4 设备调试记录的整理和归档。
3. 设备运行监理3.1 设备运行前的准备工作监督:设备运行方案的编制审查、运行所需材料和人员的准备等;3.2 设备运行进度的监督:根据运行进度计划进行监督,确保设备运行按时开始;3.3 设备运行过程的监督:检查设备运行中的参数、性能和安全状况等;3.4 设备运行记录的整理和归档。
三、工艺设备监理实施步骤1. 制定监理计划,并征得相关部门的同意;2. 分阶段指定专业监理人员,并进行监理人员的技术培训;3. 设定监理工作的时间节点,编制监理工作进度计划;4. 监督设备安装、调试和运行的各个环节,对关键节点进行重点监督;5. 及时发现并解决设备安装、调试和运行过程中的问题,并做好记录;6. 整理和归档监理记录,形成监理报告。
四、工艺设备监理的风险和控制措施1. 风险:设备安装、调试和运行可能出现的安全隐患;控制措施:严格遵守相关安全规定和操作规程,加强现场安全监督,确保人员安全。
2. 风险:设备安装、调试和运行进度延迟;控制措施:制定合理的进度计划,加强施工方和监理方的沟通协调,及时解决进度问题。
××工程监理规划编制:审核:批准:XX建设监理有限责任公司××项目监理部年月日目录1、工程项目概况……………………………………………………2、监理工作范围……………………………………………………3、监理工作指导思想………………………………………………4、监理工作内容……………………………………………………5、监理工作依据……………………………………………………6、监理部组织形式框图……………………………………………7、项目监理部人员配备计划表……………………………………8、项目监理部的职责和人员岗位职责……………………………9、监理工作程序……………………………………………………10、监理工作方法及措施……………………………………………11、监理工作制度……………………………………………………12、项目部管理………………………………………………………13、监理设施…………………………………………………………1工程项目概况1.1工程项目特征(1)工程名称:(2)建设地点:(3)工程规模:(4)工程投资:(5)工程项目建设实施相关单位名录建设单位:设计单位:监理单位:陕西方诚石油化工建设监理有限责任公司主要施工单位:2.监理工作范围:(依据监理合同填写)3.监理工作的指导思想和工作目标监理工作指导思想是:执行公司质量管理体系标准,建立、实施ISO9001质量管理体系,加强项目监理部的质量管理。
准确识别业主对本工程监理的要求,以建设工程监理规范和公司质量管理体系标准规范监理行为,采取具有针对性的监理措施,完成监理工作的每项内容。
推行PDCA即“策划、实施、检查、改进”的管理模式。
根据业主的委托授权,严格按照法律、法规、合同、设计文件和标准规范实施监理,确保监理工程高质量、按期交付业主使用。
监理工作目标:(1)质量目标:通过严格监督,科学管理,使工程的施工质量完全符合现行规范、标准以及设计文件的要求,确报优良。
工程监造方案模板1. 项目背景1.1 项目概况本项目是指某某工程项目,由某某公司承建,主要包括某某功能的建设。
项目地点位于某某地区,总投资额为某某万元,计划施工周期为某某个月。
1.2 项目目标本项目的目标是按照设计要求,按时、按质、按量完成建设任务,确保工程质量,保障工程安全。
2. 项目范围2.1 建设内容本项目包括某某建筑的施工、设备安装等一系列工程内容。
具体包括但不限于地基处理、主体结构施工、外墙装饰、内部装修、设备安装等工作。
2.2 监督范围本监造方案将对项目的各个施工阶段进行全程监督,包括前期准备、土建施工、设备安装、装饰施工等环节。
3. 监造组织3.1 监造组织结构本项目监造组织由项目经理、工程监理工程师、现场监理员等组成。
其中,项目经理负责整个项目的管理协调,工程监理工程师负责技术监督和质量检验,现场监理员负责现场巡查和记录。
3.2 监造人员配备本项目的监造人员具备丰富的施工管理和技术经验,能够独立完成监造工作。
所有监造人员必须具备相关资质,并接受相应的培训。
4. 工程监理管理4.1 施工前准备阶段在施工前,监造组织将对施工单位的施工方案、质量检测方案等提出审查意见,确保施工前工作做到位、做到优。
4.2 施工过程监理监造组织将对施工单位的每个施工环节进行全程监督,确保施工过程中的质量、进度、安全、环保等方面符合施工规范和法律法规的要求。
4.3 施工验收阶段在施工结束后,监造组织将对工程的质量进行全面验收,确保工程质量合格,并完成验收报告。
5. 质量控制5.1 质量监督监造组织将对施工单位制定的质量控制方案进行审查,并参与关键工艺的质量控制,确保施工过程中的质量问题得到及时纠正。
5.2 质量检测监造组织将委托具有资质的检测机构进行质量检测,确保工程材料的质量符合相关标准,施工工艺符合规范要求。
6. 安全控制6.1 安全监督监造组织将对施工现场的安全条件进行定期检查,发现安全隐患及时通报施工单位并要求整改,确保施工现场的安全。
监理规划范本一、引言监理规划是指在建设项目中,监理机构根据相关法律法规和监理合同的要求,制定出全面、系统的监理工作计划。
本文档旨在提供监理规划的标准格式范本,以便监理机构能够准确、有序地执行监理工作。
二、监理规划目的1. 确定监理工作的目标和任务,明确监理机构的职责和权力;2. 确保监理工作的质量和效率,促进项目发展顺利;3. 保障建设项目的安全、质量和合法性;4. 提供监理工作的组织结构和人员配置,确保监理机构的有效运作;5. 为项目各方提供监理工作的参考依据,增加工作透明度。
三、监理规划内容1. 项目概况描述建设项目的基本情况,包括项目名称、地点、规模、建设单位等。
2. 监理目标根据建设项目的特点和要求,明确监理工作的目标,例如确保工程质量符合相关标准、提高工程进度等。
3. 监理任务列举监理工作的具体任务,包括但不限于:- 监督施工单位按照设计文件进行施工;- 检查施工过程中的质量控制措施;- 检查施工单位的安全生产管理;- 监督施工单位的材料采购和使用;- 协调解决施工过程中的技术问题等。
4. 监理工作组织结构描述监理机构的组织结构,包括监理总工程师、监理工程师、监理员等职责和权限。
5. 监理工作计划制定监理工作的时间计划,包括监理工作的起止时间、重要节点的监理内容等。
6. 监理工作方法和技术要求- 描述监理机构的工作方法和流程,例如现场巡视、抽样检查等;- 说明监理机构对施工单位的监督要求,例如施工单位应提供的文件、报告等。
7. 监理工作报告规定监理机构应按照一定频率向建设单位和相关部门提交监理工作报告的内容和要求。
8. 监理工作的风险管理分析监理工作可能面临的风险,并提出相应的应对措施,例如加强与施工单位的沟通、加强对施工现场的安全检查等。
9. 监理工作的质量控制制定监理工作的质量控制措施,例如定期组织内部评估、开展监理工作的质量检查等。
四、结论监理规划是建设项目中非常重要的一环,它对于保障项目质量、安全和合法性起着至关重要的作用。
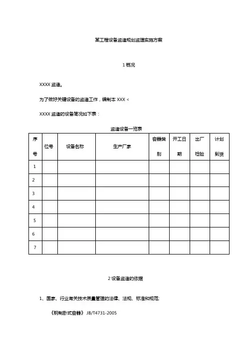
某工程设备监造规划监理实施方案1概况XXXX监造。
为了做好关键设备的监造工作,编制本XXX <XXXX监造的设备简况如下表:监造设备一览表2设备监造的依据1、国家、行业有关技术质量管理的法律、法规、标准和规范;《钢制卧式容器》JB/T4731-20052001《钢制压力容器》 GB150 — 1998 压力容器安全技术监察规程》 99 版钢制压力容器焊接规程》 JB/T4709 -2000 钢制化工容器制造技术要求》 HG20584 -1998压力容器涂敷与运输包装》 JB/T4711 - 2003《钢制管法兰、垫片、紧固件》 HG20592〜20635 — 97压力容器用钢焊条订货技术条件》 JB/T4747 -2002GB6654-96 压力容器用钢板GB3531-96 低温压力容器用低合金钢钢板GB/T8165-97 不锈钢复合钢板和钢带JB4733-96 压力容器用爆炸不锈钢复合钢板GB4237-92 不锈钢热轧钢板GB4238-92 耐热钢板JB4726~4728-2000 压力容器用锻件焊接材料要求参见 JB/T4747-2002JB4708 钢制压力容器焊接工艺评定JB/T4709 钢制压力容器焊接规程JB/T4744 钢制压力容器焊接试板力学性能检验 锅炉压力容器、压力管道焊工考试管理与规则 2002 JB4730 — 94 压力容器无损检测锅炉压力容器压力管道特种设备无损检测单位监督管理办法 锅炉压力容器产品安全性能监督检验规则 2004特种设备检验检测机构管理规定 2003GB8923-88 涂装前钢材表面锈蚀等级和除锈等级2、订货合同要求执行的有关国外技术标准、规范和企业标准;3、设计制造图纸及相关设计文件;4、监造合同及监造活动的质量策划文件、订货合同及其技术附件。
3监造工作目标质量目标:工程质量必须符合设计要求,满足施工验收规范规定,保证单位工程100%合格,主体工程确保优良。
××工程监理规划编制:审核:批准:XX建设监理有限责任公司××项目监理部年月日目录1、工程项目概况……………………………………………………2、监理工作范围……………………………………………………3、监理工作指导思想………………………………………………4、监理工作内容……………………………………………………5、监理工作依据……………………………………………………6、监理部组织形式框图……………………………………………7、项目监理部人员配备计划表……………………………………8、项目监理部的职责和人员岗位职责……………………………9、监理工作程序……………………………………………………10、监理工作方法及措施……………………………………………11、监理工作制度……………………………………………………12、项目部管理………………………………………………………13、监理设施…………………………………………………………1工程项目概况1.1工程项目特征(1)工程名称:(2)建设地点:(3)工程规模:(4)工程投资:(5)工程项目建设实施相关单位名录建设单位:设计单位:监理单位:陕西方诚石油化工建设监理有限责任公司主要施工单位:2.监理工作范围:(依据监理合同填写)3.监理工作的指导思想和工作目标监理工作指导思想是:执行公司质量管理体系标准,建立、实施ISO9001质量管理体系,加强项目监理部的质量管理。
准确识别业主对本工程监理的要求,以建设工程监理规范和公司质量管理体系标准规范监理行为,采取具有针对性的监理措施,完成监理工作的每项内容。
推行PDCA即“策划、实施、检查、改进”的管理模式。
根据业主的委托授权,严格按照法律、法规、合同、设计文件和标准规范实施监理,确保监理工程高质量、按期交付业主使用。
监理工作目标:(1)质量目标:通过严格监督,科学管理,使工程的施工质量完全符合现行规范、标准以及设计文件的要求,确报优良。
越煤集团林同铝土矿—铝联合项目设备监造监理规划一.工程项目概况越煤集团林同铝土矿铝联合项目,位于越南林同省,保禄县、保莱区,海拔高度为850m-900m,环境温度最高为+33.5℃,最低温度为+4.5℃,相对湿度为85.9%,最大风速为3.4m/s,地震烈度为6度。
该项目是由一个氧化铝厂和一个热电厂组成,占地面积63ha,规划面积为100ha,属典型的集中配置和节约用地的由煤—发电—高载能产业的合理产业链,是一个具有很强可持续发展的建设项目。
其中,氧化铝厂的主要工艺包括磨矿、预脱硅、流出、赤泥分离、叶滤、分解、分洗、蒸发、焙烧、到氧化铝产出。
热电厂的主要工艺包括:燃煤的处理和输送系统、锅炉系统、汽轮机组、发电机组、输变电系统、以及各系统的辅助控制,包括热工控制、电气控制、电力自动控制、锅炉自动控制、汽轮机组自动控制,锅炉水的化学处理系统,锅炉出灰系统,各部循环水系统,安全保护,以及燃气集滤系统。
现已列入监造范围的主要设备有氧化铝厂分解工艺中的宽流道板式换热器,一级旋流器进料泵及附属设备,精液降温的板式换热器进料泵及附属设备,一、二、三级板式换热器,过滤工艺中的转盘真空过滤机及附属设备,水平带式过滤机及附属设备,FG-10螺旋分级机,蒸发工艺的管式降膜蒸发器组的主体设备,焙烧工艺的静电除尘器及附属设备,排风机及配套设施,真空泵及配套设施,大袋包装机及配套设施,热电厂的循环流化床锅炉及附属设备,汽轮机及附属设备,以及汽轮发电机及附属设备,尚有其它各类设备将陆续列入监造范围。
二.项目目标本次设备监造的项目目标是,以已经签订的采购合同和技术协议规定的质量标准和工期目标来实施设备制造过程中的材料控制、工艺控制、分包单位资质控制和工期目标控制。
三.监理的任务范围设备制造阶段的质量控制、进度控制是协助越煤项目部实现采购合同确定的工期目标。
四.监理工作依据1.本次设备监造的委托监理合同。
2.本项目的设备采购合同的相关条款,供货合同及其它有关的合同。
设备采购监理规划范本1. 引言本文档旨在提供一个设备采购监理规划的实施范本,以便监理团队能够有条不紊地进行工作并确保采购过程的有效进行。
设备采购监理的目标是确保设备的质量和安全性,同时确保采购过程的合规性。
2. 规划目标本项目的目标是监督设备采购过程,并确保设备的质量和安全性。
通过制定监理规划,我们的目标是: - 确保设备采购过程的透明度和合规性; - 监督供应商的质量管理流程,确保设备符合规范要求; - 确保设备安装、调试和验收的顺利进行;- 监督设备维护和保养的执行情况。
3. 规划步骤本节将介绍设备采购监理的规划步骤,并提供每个步骤的详细说明。
3.1 制定监理计划在此阶段,监理团队应制定设备采购监理计划,其中包括以下内容: - 确定监理的起止日期; - 确定监理团队的人员组成和职责分工; - 确定监理的关键节点和阶段性目标。
3.2 设备质量管理计划在设备采购过程中,供应商应提供设备质量管理计划,监理团队应审查该计划并提出必要的修改意见。
设备质量管理计划应包括以下内容: - 设备质量控制流程; - 设备检验和测试方法; - 设备质量标准和要求。
3.3 审查供应商的资质和合规性监理团队应对供应商的资质和合规性进行审查,以确保其具备必要的资质和合规性要求。
审查的内容包括: - 供应商的注册资本和经营范围; - 供应商的质量管理体系和认证情况;- 供应商的合规性,如税务登记、行政许可等。
3.4 监督设备交付和验收监理团队应按照合同约定,监督设备的交付和验收过程,确保设备符合质量和安全要求。
监督的内容包括: - 设备的运输和包装; - 设备的安装和调试; - 设备的功能测试和性能验证; - 设备验收记录的审查和签署。
3.5 设备维护和保养设备的维护和保养对于设备的长期运行和使用至关重要。
监理团队应监督设备维护和保养的执行情况,确保设备的健康运行。
监督的内容包括: - 设备维护计划的制定和执行情况;- 设备保养记录的审查和签署;- 设备故障处理和维修的监督。
电气设备监理规划(精)电气设备监理规划(完整版)1. 引言电气设备监理是确保电气设备在设计、制造、安装、调试和运行过程中符合相关法规和标准的一种管理控制手段。
本文档旨在制定一份完整的电气设备监理规划,以确保设备的安全运行和良好维护。
2. 规划目标- 确保电气设备的设计与相关法规和标准相符,并进行必要的审查和验证。
- 监督电气设备的制造过程,确保符合技术要求,并进行必要的质量控制。
- 监督电气设备的安装和调试过程,确保符合设计要求和安全标准。
- 建立健全的设备维护管理体系,确保电气设备的长期可靠性和安全性。
3. 规划内容3.1 设计审查与验证- 对电气设备的设计文件进行审查,确保符合国家标准和相关法规要求。
- 进行设计文件的验证,包括设计计算和工程图纸的核对。
3.2 制造过程监督- 对电气设备的制造过程进行监督,确保生产工艺符合技术要求。
- 进行设备样品的抽检和试验,验证其性能和质量。
3.3 安装与调试监督- 对电气设备的安装过程进行监督,确保符合设计要求和安全标准。
- 对设备的调试过程进行监督和验证,确保设备功能正常。
3.4 维护管理体系建立- 制定设备维护计划,包括定期检查、维护和保养。
- 建立设备故障处理机制,及时排除设备故障和隐患。
- 进行设备维修和更换部件时的质量控制。
4. 监理责任本规划的监理责任由专业的电气设备监理机构承担,确保监理工作的独立性和专业性。
5. 监理执行监理机构应按照本规划的要求,制定详细的监理实施方案,并依据实施方案实施监理工作。
6. 监理报告监理机构应定期向设备的所有者或建设单位提交监理报告,详细记录监理过程和结果,包括存在的问题和建议的解决方案。
7. 结束语电气设备监理规划的制定和执行,是确保电气设备安全运行和良好维护的重要保证。
本规划对电气设备监理工作提出了具体要求和控制措施,以确保监理工作的有效性和可行性。
第一节监理规划编写管理办法(1)监理规划是用来指导项目监理机构全面开展监理工作的指导性文件。
(2)监理规划应由总监理工程师主持、专业监理工程师参加编制。
(3)监理规划的编制应针对项目的实际情况,明确项目监理机构的工作目标,确定具体的监理工作制度、程序、方法和措施,并应具有可操作性。
(4)监理规划应在签订委托监理合同及收到设计文件后开始编制,完成后必须经监理单位技术负责人审核批准。
(5)监理规划应在召开第一次工地会议前报送建设单位。
(6)编制监理规划应依据的资料:1)建设工程的相关法律、法规及项目审批文件。
2)与建设工程项目有关的标准、设计文件、技术资料。
3)监理大纲、委托监理合同文件以及与建设工程项目相关的合同文件。
(7)监理规划应包括以下主要内容:1)工程项目概况。
2)监理工作范围。
3)监理工作内容。
4)监理工作目标。
5)监理工作依据。
6)项目监理机构的组织形式。
7)项目监理机构的人员配备计划。
8)项目监理机构的人员岗位职责。
9)监理工作程序。
10)监理工作方法及措施。
11)监理工作制度。
12)监理设施。
(8)在监理工作实施过程中,如实际情况或条件发生重大变化而需要调整监理规划时,应由总监理工程师组织专业监理工程师研究修改,按原报审程序经过批准后报建设单位。
(9)监理规划要随工程项目展开进行不断地补充、修改和完善。
(10)监理规划编制完成后,提交给建设单位。
建设单位对监理规划进行确认。
附录:工程监理规划编制推荐范本监理规划(范本)目录1、工程项目概况2、监理工作范围3、监理工作内容4、监理工作目标5、监理工作依据6、项目监理机构的组织形式和人员配备计划7、项目监理机构的人员岗位职责7.1总监理工程师岗位职责7.2总监理工程师代表岗位职责7.3专业监理工程师岗位职责7.4监理员岗位职责7.5见证员岗位职责7.6资料员岗位职责7.7安全监理员岗位职责8、监理设施9、监理工作目标分解9.1监理工作目标9.2监理工作目标分解10、质量控制10.1监理工作程序10.2监理工作方法及措施10.3关键部位、关键工序的旁站监理11进度控制、11.1监理工作程序11.2监理工作方法及措施12、投资控制12.1监理工作程序12.2监理工作方法及措施13、安全控制13.1监理工作程序13.2监理工作方法及措施14、合同管理14.1工程暂停及复工14.2工程变更的管理14.3费用索赔的处理14.4工程延期及工程延误的处理14.5合同争议的调解14.6合同的解除15、监理工作制度15.1设计交底与施工图纸会审制度15.2施工组织设计(方案)审核制度15.3工程开工申请制度15.4工程材料、成品、半成品质量检验制度15.5隐蔽工程、检验批、分项、分部工程质量验收制度15.6工程变更复核签审制度1 5.7工程质量事故处理制度15.8施工进度监督及报告制度15.9监理报告制度15.10工程例会及会议纪要签发制度15.11竣工预验制度15.12项目监理组内部工作制度15.13公司对项目监理组的管理活动制度工程项目建设监理规划1、工程项目概况(表1)工程项目概况表1 (1)工程基本概况工程名称工程地点工程性质建设单位勘察单位设计单位监理单位总包单位分包单位计划开工日期计划竣工日期计划工期合同质量等级合同价款承包方式(2)工程项目一览表单位工程名称建筑面积/㎡结构类型地下层数地上层数总高/m 工程造价/元项目经理工程特点及监理重点控制内容:2、监理工作范围(可根据监理合同规定具体描述所承担的工程项目全部或部分幢号或标段)3、监理工作内容(按监理合同规定对以下进行选择)(1)质量控制。
工程监造方案模板范文一、项目概况(一)项目名称:xxx工程监造方案(二)建设单位:(三)监理单位:(四)工程地址:(五)工程概况:本工程是xxx的总承包工程,包括xxx、xxx等工程内容。
工程总投资xxx亿元,工期xxx年。
二、监造范围(一)工程施工监造范围:1. 施工管理2. 质量管理3. 安全管理4. 环境保护5. 进度管理6. 合同管理(二)工程质量监造范围:1. 质量验收2. 质量检测3. 设计变更管理4. 施工工艺监督5. 施工图审查6. 工程质量档案管理(三)工程安全监造范围:1. 安全生产管理2. 安全培训3. 安全检查4. 事故预防5. 紧急救援(四)工程环保监造范围:1. 环境影响评价2. 环境治理3. 废水废气排放监控4. 生态保护5. 绿化工程监督三、监造组织(一)监造工程师:本工程监造由xxx公司的xx工程师负责,其具体责任为:1. 组织监造技术人员编制工程监造计划和施工方案;2. 投标文件编制;3. 组织施工图审查;4. 制定施工组织设计和施工方案;5. 监督施工单位按照法律法规和技术标准开展施工作业,并提出改进建议;6. 编制监测报告。
(二)监造技术人员:监造技术人员由一定数量的初级、中级和高级工程师组成,其主要职责为:1. 检查施工单位工程质量管理制度的落实情况;2. 监督施工现场的安全生产工作;3. 审查工程设计变更、技术经济指标变更、工程合同变更;4. 监督施工单位的质量验收和试验报告的填写情况;5. 抽查监测、检测机构的数据和监测数据;6. 审查施工单位编制的工程施工组织设计。
(三)监造管理:监造部门成立了监造管理团队,主要职责包括:1. 制定监造工程部管理制度;2. 制定监造工程管理手册、技术规程;3. 制定监造工程部在岗人员的绩效考核制度;4. 协调监造部与施工单位的合作。
四、监造依据(一)法律法规:本工程监造遵循《中华人民共和国建筑法》、《中华人民共和国施工法》、《建筑工程质量管理条例》等相关法律法规和政策规定。
北京华旭工程项目管理有限公司内蒙多晶硅项目
设备监造监理规划
总监理工程师:
6月18日
目录
设备过程检验监造简介
设备检验监造策划
设备过程检验监造实施
对检验监造过程的监控
监造收尾
结束语
设备监理工程师的职责
设备监造监理规划
1设备过程检验监造简介
1.1项目采购设备全过程检验监造流程, 贯穿于设备采购全过程, 属于项目驱
动的质量监督。
首先进行监造策划, 形成可行的项目检验监造程序, 建立完善的质量监督体系; 组织召开预检验会议, 确立设备监造的执行依据和质量控制点,
进入监造实施阶段; 在实施过程中利用全过程质量管理方法, 进行动态监控, 根据设备类别、厂家制造水平和制造阶段的不同进行跟踪调控; 设备交付、业主验收, 提交监造总结报告后, 检验监造过程关闭。
2设备检验监造策划
现代质量管理的基本宗旨是: 质量出自计划, 而非出自检查。
只有做出精准的检验监造计划, 才能指导项目的实施、做好检验监造控制。
检验策划和任务就是形成检验监造计划和建立检验监造质量管理体系。
2.1 检验监造计划
2.1.1项目采购计划、项目质量计划、询价单、检验预算、检验工作程序和以往的经验教训等为基础, 根据项目特点、设备特点和制造厂的实际情况首先确立项目检验监造的工作范围、技术要点、执行依据、检验级别与检查点的划分原则, 并找出能够确保高效满足相关规定、标准的过程方法。
经过监造策划形成了项目检验计划和标准文件是整个检验监造工作的基础。
2.1.2在策划中特别注意设备”关键性评定”表的作用, 关键性评定是一种用于评定设备重要性的评估方法, 它从设计成熟性、故障后果、产品特性、制造复杂性等方面评估设备的关键级别。
经过此方法能够确保设备的技术级别、审核与检验以及资源承诺等级与故障影响及后果一致。
关键性评定由设计经理组织设计、质量、检验等相关人员特定的程序进行, 评估结果形成设备”关键性评定”表。
对于大量设备不可能同等对待, 能够根据设备关键性级别进行重点针对性管理, 从而在整体质量可接受的条件下, 有效降低监造成本。
2.2 质量管理体系的建立
2.2.1建立有效的质量管理体系, 明确质量监理人员对项目质量负责和各级质量管理人员的权限和问题的处理原则。
PDCA循环法作为有效的管理工具在质量管理中得到广泛的应用, 将质量环上各环节明确落实到各责任人员, 才能保证质量计划的有效实施。
2.2.2组织机构
2.2.3质量问题处理程序
2.2.
3.1对于监造过程发现的质量问题(缺陷)实行分级管理, 采取项目检验核
心组、四级管理监管体系。
2.2.
3.2质量问题(缺陷)是指产品的任何一个质量特性或过程不符合规定要求, 是由生产过程中影响质量的基本因素(人员、材料、设备、方法、环境)的波动和变化造成的。
缺陷分级管理即能够明确检验监造的重点, 使监造工作能够把握重点, 以便提高监造效率, 降低监造成本; 又能够对产品多个质量特性进行定性评估, 便于综合评价产品质量。
另外分级管理对发挥质量综合管理和监造的有效性具有重要作用。
2.2.
3.3必须根据相应图纸、技术附件、工程规定、国家标准和法规给出明确的合格与否结论, 并能够根据自己的专业经验和技术专长给出处理建议。
对于A类的缺陷, 制造厂接到NCR( 不合格品报告) 和联络单后, 应立即暂停相应工作, 封存有缺陷产品( 部件) 、分析缺陷产生原因, 制订整改措施, 报总部批准。
在没有得到总部正式通知前, 制造厂无权单方面进行处理。
3设备过程检验监造实施
3.1 优选制造商
3.1.1制造商是关系产品质量最关键的因素, 所有设计要求都要经过制造商来
实现。
对制造商进行优选, 能够有效地保证产品质量和降低监造成本。
3.1.2优选制造商应根据形成的指标体系, 对质量水平、交货能力、价格水平、 .技术能力、后援服务、人力资源、 .现有合作状况等指标, 进行评级。
3.1.3进行制造商优选, 形成项目合格供应商(短名单)是项目执行前期的重要
任务。
3.2 设计文件审核
3.2.1产品设计过程的质量管理是全过程监造管理的首要环节, 设计文件包括
设计图纸、工艺规程和技术资料等, 是制造过程生产技术活动的依据, 也是质量管理的依据。
3.2.2制造厂除进行强度计算、图纸设计外, 还必须根据自己承接设备特点, 编制设备质量计划、检验大纲、制造工艺和检验工艺等详细质量文件。
项目设
计负责人组织相关设计人员对制造厂的设计计算书、设计图纸和关键制造工艺进行审核; 检验部门督促制造厂及时提交相关文件, 并负责检验文件审查; 从而确保设计和关键工艺质量, 把住设备制造第一关。
3.3 预检验会议
3.3.1预检验会议将在制造商的主材已经订货、主要图纸、工艺文件和检验计划编制完成后、开始制造之前召开。
3.3.2预检验会议是整个设备监造PDCA循环中由策划到执行的里程碑, 在预检验会议上与会各方要明确设备监造要求、原则和标准, 确认设计文件、制造工艺和检验工艺文件, 审核签署制造的质量检验计划和设备检验大纲。
3.3.3质量检验计划是制造商对整个检验和试验工作进行的系统策划和总体安
排结果, 一般以文字或图表明确产品的主要质量特性、检查点的设置、配备资源、选择检验和试验方式、方法, 是指导检验人员的工作依据。
3.3.4设备检验大纲是质量检验计划的一部分, 是产品生产过程中用以指导检
验人员正确实施产品和工序检查、测量、试验的技术文件。
3.3.5在制造过程设立必要的检查点: 关键部位和关键工序设计HP( 停检点) , 材料复验、第一条纵缝组对、尺寸检查、 RT检查、水压前验收等; 对于重要工序如焊接、表面准备、发运前检查等设立WP( 见证点) , 对于其它质量点可根据情况设立随机检验(RI)点和检验结果文件审核点(RD)。
3.3.6质量计划是产品检验监造执行依据, 需经与会各方共同确认, 确保订单
的检验要求全部列入。
3.4 制造过程监控
3.4.1在设备制造过程中进行严格的过程控制, 遵循”预防为主、重在过程、主动控制”的原则, 推进项目检验观念的变革, 变被动监控、事后整改为主动控制、提前预防。
监造工作要有计划性、针对性和预见性, 侧重预防, 对于重点和关键点要提前介入与控制, 进行预防性工作, 把住产生问题的源头。
3.4.2监造过程应以有效运行的”三检制”为前提, 充分发挥制造部质量控制
体系的作用。
监造人员的过程监控与制造厂”自检”相结合, 加上项目检验部门。