单片微机原理及应用 徐春辉第9章 习题答案资料
- 格式:doc
- 大小:197.50 KB
- 文档页数:10
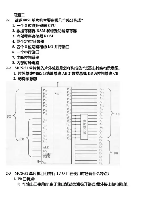
习题二2-1 试述8051单片机主要由哪几个部分构成?1.一个8位微处理器CPU2.数据存储器RAM和特殊功能寄存器3.内部程序存储器ROM4.两个定时/计数器5.四个8位可编程的I/O并行端口6.一个串行端口7.中断控制系统8.内部时钟电路2-2 MCS-51单片机的片外总线是怎样构成的?试画出其结构示意图。
1.片外总线构成: 1)地址总线AB 2)数据总线DB 3)控制总线CB2.结构示意图2-3 MCS-51单片机四组并行I/O口在使用时各有什么特点?1.P0口特点:1) 作输出口使用时,由于输出驱动为漏极开路式,需外接上拉电阻,阻值一般为5~10K.2) 作输入口使用时,在输入数据时,应先向端口写入”1”,使引脚处于悬浮状态,再读入数据.3) 扩展ROM和(或)RAM时,作为地址/数据总线使用(地址A7~A0,数据D7~D0)2.P1口特点:1)作输出口使用时,无需外接上拉电阻(内部有上拉电阻)2)作输入口使用时,在输入数据时,应先向端口写入”1”,使引脚处于悬浮状态,再读入数据.3.P2口特点:1)作输出口使用时,无需外接上拉电阻(内部有上拉电阻)2)作输入口使用时,在输入数据时,应先向端口写入”1”,使引脚处于悬浮状态,再读入数据.3)扩展ROM和(或)RAM时,作为地址/数据总线使用(地址A15~A8,数据D15~D8)4.P3口特点:1)作输出口使用时,无需外接上拉电阻(内部有上拉电阻)2)作输入口使用时,在输入数据时,应先向端口写入”1”,使引脚处于悬浮状态,再读入数据.3)第二功能如下表2-4 MCS-51单片机的存储器有几个存储空间?各自的地址范围和容量是多少?使用时各有什么特点?四个存储空间:(不同的单片机有所不同)1.片内RAM,地址范围:00H~FFH,共256个字节1) 00H~1FH为通用寄存器区,共分四组(0组1组2组3组,由PSW的RS1 RS0决定,复位时自动选中0组)每组8个寄存器R0~R72) 20H~2FH为位寻址区,共128位(16*8)3)30H~7FH为通用RAM区,共64个字节4)80H~FFH为特殊功能寄存器(SFR)区,共128个字节并行口串行口中断系统定时/计数器等功能单元和状态寄存器等共21个单元离散的分布在这个区中,其他空闲单元不能使用2.片外RAM,地址范围:0000H~FFFFH,共64K字节3.片内ROM(EA=1),地址范围:0000H~0FFFH,共4K字节4.片外ROM(EA=0),地址范围:0000H~FFFFH,共64K字节2-5 在单片机内RAM中哪些字节有位地址?哪些字节没有位地址?特殊功能寄存器中安排位地址的作用何在?有位地址的字节:20H~2FH 80H 88H 90H 98H A0H A8H B0H B8H D0H E0H F0HSFR安排地址位的作用:可按位访问,方便使用2-6 什么叫振荡周期、时钟周期、机器周期和指令周期?振荡周期----为单片机提供时钟信号的振荡源的周期时钟(状态)周期----振荡源信号经二分频后形成的时钟脉冲信号机器周期-----完成一个基本操作所需的时间,由6个时钟(状态)周期组成指令周期----CPU执行一条指令所需的时间时钟(状态)周期=2振荡周期机器周期=6时钟(状态)周期=12振荡周期指令周期=1个或2个或4个机器周期2-7 若单片机使用的晶振为6MHz,那么振荡周期、机器周期和指令周期分别是多少?fosc=6MHZT振荡=1/fosc=0.167μsT机器=12* T振荡=2μsT指令=(1~4) T机器=2~8μs2-8 当单片机使用的晶振为12MHz时,执行一条指令所需的最长时间为多少?fosc=12MHZT指令=1~4μsT MAX指令<=4μs2-9 说出单片机复位后,各特殊功能寄存器的初始化状态是什么各特殊功能寄存器的初始化状态如表特别SP=07H,P0~P3=FFH注意: 复位后要先给SP赋值(30H~7FH), P0~P3置初值习题三3-1 说明下列各条指令划线部分的寻址方式,并用图说明指令实现的操作。
《单片微型计算机原理及应用》习题参考答案姜志海刘连鑫王蕾编著电子工业出版社目录第1章微型计算机基础 (2)第2章半导体存储器及I/O接口基础 (4)第3章 MCS-51系列单片机硬件结构 (11)第4章 MCS-51系列单片机指令系统 (16)第5章 MCS-51系列单片机汇编语言程序设计 (20)第6章 MCS-51系列单片机中断系统与定时器/计数器 (26)第7章 MCS-51系列单片机的串行口 (32)第8章 MCS-51系列单片机系统扩展技术 (35)第9章 MCS-51系列单片机键盘/显示器接口技术 (37)第10章 MCS-51系列单片机模拟量接口技术 (41)第11章单片机应用系统设计 (45)第1章微型计算机基础1.简述微型计算机的结构及各部分的作用微型计算机在硬件上由运算器、控制器、存储器、输入设备及输出设备五大部分组成。
运算器是计算机处理信息的主要部分;控制器控制计算机各部件自动地、协调一致地工作;存储器是存放数据与程序的部件;输入设备用来输入数据与程序;输出设备将计算机的处理结果用数字、图形等形式表示出来。
通常把运算器、控制器、存储器这三部分称为计算机的主机,而输入、输出设备则称为计算机的外部设备(简称外设)。
由于运算器、控制器是计算机处理信息的关键部件,所以常将它们合称为中央处理单元CPU(Central Process Unit)。
2.微处理器、微型计算机、微型计算机系统有什么联系与区别?微处理器是利用微电子技术将计算机的核心部件(运算器和控制器)集中做在一块集成电路上的一个独立芯片。
它具有解释指令、执行指令和与外界交换数据的能力。
其内部包括三部分:运算器、控制器、内部寄存器阵列(工作寄存器组)。
微型计算机由CPU、存储器、输入/输出(I/O)接口电路构成,各部分芯片之间通过总线(Bus)连接。
以微型计算机为主体,配上外部输入/输出设备、电源、系统软件一起构成应用系统,称为微型计算机系统。
《80X86/Pentium微型计算机原理及应用》教材课后习题参考答案第三章3-5(1)MOV SI, 2100H 源:立即数;目标:寄存器(2)MOV CX, DISP[BX] 源:基址,EA=BX+DISP,PA=DS×16+BX+DISP;目标:寄存器(3)源:寄存器;目标:寄存器间接寻址EA=SI,PA=DS×16+SI(4)源:基址加变址,EA=BX+SI,PA=DS×16+BX+SI;目标:寄存器(5)源:寄存器;目标:寄存器(6)源:基址,EA=BX+10H,PA= DS×16+BX+10H;目标:寄存器(7)源:寄存器间接,EA=BX,PA= ES×16+BX;目标:寄存器(8)源:带位移量的基址加变址,EA=BX+SI+20H,PA= DS×16+BX+SI+20H;目标:寄存器(9)源:寄存器;目标:寄存器间接,EA=BP,PA= SS×16+BP(10)源:寄存器;目标:存储器,EA=SP-2,PA= SS×16+SP-23-7(1)源操作数错,基址+基址不能用在存储器寻址方式中,只能基址+变量,改成MOV AX, [BX+SI](2)错,V ALUE1和V ALUE2一般为自己定义的变量名称,则此两操作数的组合形式为存储器和存储器,ADD指令无此组合形式(3)错,立即数不能直接传给段寄存器(4)错,CS不能作为目标操作数(5)错,立即数不能作为目标操作数,两个操作数互换位置即可(6)如果V ALUE1是用DW定义的WORD型变量,则此题正确,否则错误(7)错,段寄存器不能直接传给段寄存器(8)错,移位次数超过1时,应该先将移位次数送给CL,改成MOV CL, 3; ROL [BX][DI],CL(9)错,NOT操作符只有一个操作数(10)对,CS不能作为目标操作数,但可以作为源操作数(11)错,不能直接将立即数压入堆栈(12)错,两处错误,1:IN指令应该AL在前,端口地址在后;2:端口地址100H超过8位数能表示的范围,应该先将100H送给DX,改成MOV DX, 100H; IN AL, DX(13)错,LEA指令的第二操作数必需为存储器寻址方式(14)错,CX不能作为寄存器间接寻址方式,应将CX改成BX/BP/SI/DI之一3-8(1)AX=3355H, SP=1FFEH(2)AX=3355H, DX=4466H, SP=1FFCH3-9 BX=4154H, [2F246H]=6F30H3-10 BX=139EH3-11 SI=0180H, DS=2000H3-12(1) CL=F6H(2) [1E4F6H]=5678H(3) BX=9226H, AX=1E40H(4) SI=9226H, [SI]=[1E4F6]=0024H(5) AX=5678H, [09226H]=1234H3-13 AF=0, CF=1, OF=1, SF=0, ZF=03-14(1) MOV AX, 0 XOR AX, AX SUB AX, AX(2) MOV CL, 4ROL BL,CL (或ROR BL, CL)(3) 题中没规定N1和N2是8位还是16位数,现假定都8位数(也可假定是16位数,程序不一样)MOV AH, 0MOV AL, N1IDIV N2MOV M1, ALMOV M2, AH(4) 题目的意思即使BX的b4,b6,b11位清零AND BX, 0F7AFH(5) XOR AX, 4020H(6) TEST DX, 0201H(7) TEST CL, 1JNZ NEXTINC CL (或DEC CL)NEXT:3-15 假设题目的意思理解为编号从1开始(1) LEA BX, BLOCK+(6-1)*2MOV AX, [BX](2) LEA BX, BLOCKMOV AX, 10[BX](3) LEA BX, BLOCKMOV SI, 0MOV AX, 10[BX][SI](4) MOV AX, BLOCK+103-16(1) 结果存在地址是580H端口中,[580H]=60H(2) 结果存在地址是580H端口中,[580H]=8060H(即[580H]=60H, [581H]=80H)(3) 结果存在AL中,AL=[40H]=4FH(4) 结果存在AX中,AL=[40H]=4FH, AH=[41H](题目中没有给出端口41H中的值)(5) 结果存在地址是45H端口中,[45H]=60H(6) 结果存在地址是45H端口中,[45H]=8060H(即[45H]=60H,[46H]=80H)3-17 假定每小题中NUM1和NUM2都是和题中指定的操作数等长,即(1)中NUM1和NUM2为字变量,(2)(3)中为字节变量,(4)中为双字变量(1) MOV AX, NUM2ADD NUM1, AX(2) MOV CX, 4LEA BX, NUM1XOR AL, AL ; AL清零L1: ADD AL, [BX]INC BXLOOP L1MOV RES, AL(3) MOV CX, 8LEA BX, NUM1XOR AX, AXL1: ADD AL, [BX]JNC L2INC AHL2: INC BXLOOP L1MOV AX, WORD PTR RES(4) MOV AX, WORD PTR NUM1ADD WORD PTR NUM2, AXMOV AX, WORD PTR NUM1+1ADC WORD PTR NUM2+1, AX ; (MOV指令不影响CF标志位,否则不能这么写) 3-18(1) MOV CX, 8LEA BX, NUM1XOR AX, AXL1: ADD AL, [BX]DAAJNC L2INC AHL2: INC BXLOOP L1MOV AX, WORD PTR RES(2) MOV AL, NUM1SUB AL, NUM2DASMOV RES, AL差=90H, CF=13-19(1) MOV AL, NUM1MUL NUM2 ; 8位乘8位MOV WORD PTR RES, AX(2) MOV AX, NUM1IMUL NUM2 ;16位乘16位MOV WORD PTR RES, AXMOV WORD PTR RES+2, DX(3)MOV AL, NUM1MOV BL, 46CBWDIV BLMOV WORD PTR RES, AX(4) MOV AX, NUM1CWDIDIV NUM2 (或DIV NUM2)MOV WORD PTR RES, AXMOV WORD PTR RES+2, DX3-20(1)53乘以2MOV AL, 53SHL AL, 1结果106(2) -49乘以2MOV AL, -49 ; -49补码为CFHSHL AL, 1 ;AL=9EH, 真值即为-98结果-98除以2类似3-21(1) BX=009AH(2) BX=15CH(3) BX=8071H(4) BX=10F7H(5) BX=FF1CH3-22(1) DX=[20506]=0006H BX=0004H(2) SP=1FFEH, [SP]=CX=FFFEH(3) CX=BX=0004H(4) AX=8094H, CF=0(5) AL=[20508H]=87H(6) AL=94H+37H+1=CCH, CF=0, AL=32H(7) SI=9(8) DI=9(9) [DI]=[2050A]=AL=94H(10) AX=17C6H, DX=8094H(11) AH=84H, BL=4(12) IP=DX=17C6H3-23(1) 将存储器中以FIRST为起始地址连续10个字节复制到以SECOND为起始地址的地方(2) 将存储器中数据段中以偏移地址0404H为起始地址,连续80H个字节的空间清零3-24MOV BX, 5MUL BXMOV BX, 2DIV BX3-26 MOV BX, 0A80HMOV AL, 5XLAT3-27(1) IP=1256(2) IP=3280H(3) IP=2450H3-28 IP=009A, CS=2000, [SP]=8F, [SP+1]=3DH, [SP+2]=50H, [SP+3]=40H3-29CMP AL, 1JNZ LAB1CMP AL, 2JNZ LAB2CMP AL,4JNZ LAB3最后一个条件(若位0至位2都是0,则顺序执行),相当于没有,因为不管符不符合这个条件,程序都会按顺序执行。
第一章单片机基础1-1单片机的发展分为几个阶段?答:单片机的发展到目前为止大致分为5个阶段:第一阶段:单片机发展的初级阶段。
第二阶段:低性能单片机阶段。
第三阶段:高性能单片机阶段。
第四阶段:16位单片机阶段。
第五阶段:单片机在集成度、功能、速度、可靠性、应用领域等方面向更高水平发展。
1-2说明单片机的主要应用领域?答:由于单片机具有体积小、重量轻、价格便宜、功耗低、易扩展、可靠性高、控制功能强及运算速度快等特点,在国民经济建设、军工产品及家用电器等各个领域均得到广泛应用。
主要有:①工业自动化;②智能仪表;③消费类电子产品;④通信方面;⑤军工产品;⑥终端及外部设备控制;⑦多机分布式系统。
1-3MCS-51系列单片机片内包含哪些功能部件?各功能部件的功能是什么?答:MCS-51系列单片机的内部结构:1.中央处理器CPU。
其主要完成单片机的运算和控制功能,MCS-51系列单片机的CPU不仅可以处理字节数据,还可以进行位变量的处理。
2.片内数据存储器RAM。
RAM用于存储单片机运行中的工作变量、中间结果和最终结果等。
3.片内程序存储器ROM/EPROM。
程序存储器既可以存放已编制的程序,也可以存放一些原始数据和表格。
4.特殊功能寄存器SFR。
SFR用以控制和管理内部算术逻辑部件、并行I/O口、定时/计数器、中断系统等功能模块的工作。
5.并行口。
一共有4个8位的并行I/O口:P0、P1、P2、P3。
P0是一个三态双向口,可作为地址/数据分时复用口,也可作为通用I/O口。
P1只能作为通用I/O口。
P2可以作为通用I/O口,也可作为在单片机扩展外部设备时,高8位地址总线使用。
P3除了作为通用准双向I/O接口外,各引脚还具有第二功能。
6.串行口。
有一个全双工的串行口,可以实现单片机与外设之间数据的逐位传送。
7.定时/计数器。
可以设置为定时方式或计数方式。
1-4MCS-51系列单片机引脚中有多少I/O线?它们和单片机对外的地址总线和数据总线有什么关系?地址总线和数据总线各是多少位?说明准双向口的含义?答:MCS-51一共有32个I/O引脚。
第1章1.简述计算机的基本组成结构。
答:计算机的基本组成结构由输入设备、输出设备、运算器、控制器和存储器等五大部件构成。
2.简述单片微型计算机系统应用和开发的特点。
答:单片微型计算机系统应用和开发的特点是需要进行软硬两方面的设计和调试。
第2章1.为什么微型计算机要采用二进制?十六进制代码能为微型计算机直接执行吗?为什么要使用十六进制数?答:在所有数制中,只有二进制数最容易用电路来表达,据此构建的计算机结构也是最简单的。
十六进制代码不能为计算机直接执行,只有二进制代码才能为计算机所识别和执行。
二进制代码过于冗长,而其对应的十六进制数则更为简洁,而且此二种数制的相互转换非常方便,这就是常常使用十六进制数来表示其对应的二进制数的原因。
2.将下列各二进制数分别转换为十进制数和十六进制数。
(1)11010B (2)110100B (3)10101011B (4)11111B 答:(1)11010B=26=1AH (2)110100B=52=34H (3)10101011B=171=ABH(4)11111B=31=1FH3.将下列各数分别转换为二进制数和十六进制数。
(1)129D (2)253D (3)0.625 (4)111.111答:(1)129D=10000001B=81H (2)253D=11111101B=FDH(3)0.625=0.101B=0.AH (4)111.111=01101111.000111B=6F.1CH4.把下列十六进制数转换成十进制数和二进制数。
(1)AAH (2)BBH (3)C.CH (4)DE.FCH (5)ABC.DH (6)128. 08H答:(1)AAH=170=10101010B(2)BBH=187=10111011B(3)C.CH=12.75=1100.1100H(4)DE.FCH=222.984375=11011110.1111110B(5)ABC.DH=2748.8125=101010111100.1101B(6)128. 08H=296.03125=100101000.000015.什么叫原码、反码及补码?答:在机器数中,最高位为符号位,正数的符号位用0表示,负数的符号位用1表示,其余为该数的绝对值,这种表示法称为原码。
微机原理及应用(陈继红、徐晨)课后习题答案第三章8086/8088指令系统和寻址方式习题答案(部分)3.1总结计算机中十进制、二进制、八进制及十六进制数的书写形式。
123D、0AFH、77Q、1001110B分别表示什么计数制的数?答案:123D、0AFH、77Q、1001110B分别表示十进制、十六进制、八进制、二进制。
3.2字长为8位、16位二进制数的原码、补码表示的最大数和最小数分别是什么?答案:8位原码表示的最大数:(27-1)、8位补码表示的最大数:(27-1)、8位原码表示的最小数:-(27-1)、8位补码表示的最小数-27。
16最小数:-215。
3.3答案:7DH。
(2)255(3)7248H。
(4)509013E2H。
3.4答案:240D0F0H。
128D80H。
(3)11111111十进制数:255D;十六进制数:0FFH。
(4)01010101十进制数:85D;十六进制数:55H。
3.5把下列无符号十六进制数分别转换为十进制数和二进制数。
(1)FF(2)ABCD(3)123(4)FFFF答案:(1)FF十进制数:255D;二进制数;11111111B。
1010101111001101B。
(3)123十进制数:291D;二进制数;000100100011B。
(4)FFFF十进制数:65535D;二进制数;1111111111111111B。
3.6分别用8位二进制数和16位二进制数写出下列十进制数的原码和补码。
(1)16(2)-16(3)+0(4)-0(5)127(6)-128(7)121(8)-9 答案:(1)16800010000(2)-16800010000(3)+0800000000(4)-0800000000(5)127801111111(6)-128810000000(7)1218:01111001;16位二进制数原码:0000000001111001补码:0000000001111001。
单片微型计算机原理及应用课后答案习题22.1 MCS-51单片机内部包含哪些主要逻辑功能部件? 答:微处理器(CPU)、数据存储器(RAM)、程序存储器(ROM/EPROM)、特殊功能寄存器(SFR)、并行I/O口、串行通信口、定时器/计数器及中断系统。
2.2 说明程序计数器PC和堆栈指针SP的作用。
复位后PC和SP各为何值? 答:程序计数器PC中存放将要执行的指令地址,PC有自动加1功能,以实现程序的顺序执行。
它是SFR中唯一隐含地址的,因此,用户无法对它进行读写。
但在执行转移、调用、返回等指令时能自动改变其内容,以实现改变程序的执行顺序。
程序计数器PC中内容的变化决定程序的流程,在执行程序的工作过程中,由PC输出将要执行的指令的程序存储器地址,CPU读取该地址单元中存储的指令并进行指令译码等操作,PC则自动指向下一条将要执行的指令的程序存储器地址。
SP是一个8位的SFR,它用来指示堆栈顶部在内部RAM中的位置。
系统复位后SP为07H,若不对SP设置初值,则堆栈在08H开始的区域,为了不占用工作寄存器R0~R7的地址,一般在编程时应设置SP的初值(最好在30H~7FH区域)。
2.3 程序状态字寄存器PSW的作用是什么?其中状态标志有哪几位?它们的含义是什么?答:PSW是保存数据操作的结果标志,其中状态标志有CY(PSW.7):进位标志,AC(PSW.6):辅助进位标志,又称半进位标志,F0、F1(PSW.5、PSW.1):用户标志;OV(PSW.2):溢出标志;P(PSW.0):奇偶标志。
2.4 什么是堆栈? 堆栈有何作用? 为什么要对堆栈指针SP重新赋值? SP的初值应如何设定? 答:堆栈是一种数据结构,所谓堆栈就是只允许在其一端进行数据写入和数据读出的线性表。
其主要作用有两个:保护断点和保护现场。
堆栈区的设置原则上可以在内部RAM的任意区域,但由于MCS-51单片机内部RAM的00H~1FH地址单元已被工作寄存器R0~R7占用,20H~2FH为位寻址区,故堆栈一般设在30H~7FH(对于8032系列芯片可为30H~0FFH)的区域内。
老徐的微机原理与接口技术第一章作业习题课2.微处理器,微型计算机,微型计算机系统有什么联系与区别?➢微处理器只是一个中央处理器(CPU),由算术逻辑部件(ALU),累加器和通用寄存器组,程序计数器,时序和控制逻辑部件,内部总线等组成。
微处理器不能构成独立工作的系统,也不能独立执行程序,必须配上存储器,外部输入、输出接口构成一台微型计算机方能工作。
➢微型计算机由CPU,存储器,输入/输出接口电路和系统总线组成。
它已具有计算功能,能独立执行程序,但若没有输入/输出设备,数据及程序不能输入,运算结果无法显示或输出,仍不能正常工作。
➢以微型计算机为主体,配上外部输入/输出设备及系统软件就构成了微型计算机系统。
没有配置软件的计算机称为裸机,仍然什么工作也不能做,必须配置系统软件和应用软件,这样才可以正常提供使用。
3.微处理器有哪些主要部件组成?其功能是什么?➢微处理器是中央处理器(CPU)。
它是由算术逻辑部件(ALU),累加器和寄存器组,指令指针寄存器IP,段寄存器,时序和控制逻辑部件,内部总线等组成。
微处理器主要部件作用:➢算术逻辑部件主要完成算术运算及逻辑运算。
➢通用寄存器组用来存放参加运算的数据、中间结果或地址。
➢程序计数器指向要执行的下一条指令,顺序执行指令时,每取一个指令字节,程序计数器加1。
➢控制逻辑部件负责对整机的控制,包括从存储器中取指令,对指令进行译码和分析,确定指令的操作及操作相应的控制信号和时序,送到微型计算机的其他部件,使CPU 内部及外部协调工作。
➢内部总线用来传送CPU内部的数据及控制信号。
第二章作业习题课1.8086CPU由哪两部分组成?它们的主要功能是什么?➢8086CPU由总线接口部件BIU和指令执行部件EU组成,BIU和EU的操作是并行的。
➢总线接口部件BIU的功能:地址形成、取指令、指令排队、读/写操作数和总线控制。
所有与外部的操作由其完成。
➢指令执行部件EU的功能:指令译码,执行指令。
《单片微型计算机原理与应用》习题参考答案姜志海刘连鑫王蕾编著电子工业出版社目录第1章微型计算机基础 (1)第2章半导体存储器与I/O接口基础 (6)第3章 MCS51系列单片机硬件结构 (18)第4章 MCS51系列单片机指令系统 (26)第5章 MCS51系列单片机汇编语言程序设计 (31)第6章 MCS51系列单片机中断系统与定时器/计数器. 40第7章 MCS51系列单片机的串行口 (50)第8章 MCS51系列单片机系统扩展技术 (54)第9章 MCS51系列单片机键盘/显示器接口技术 (57)第10章 MCS51系列单片机模拟量接口技术 (63)第11章单片机应用系统设计 (68)第1章微型计算机基础1.简述微型计算机的结构与各部分的作用微型计算机在硬件上由运算器、控制器、存储器、输入设备与输出设备五大部分组成。
运算器是计算机处理信息的主要部分;控制器控制计算机各部件自动地、协调一致地工作;存储器是存放数据与程序的部件;输入设备用来输入数据与程序;输出设备将计算机的处理结果用数字、图形等形式表示出来。
通常把运算器、控制器、存储器这三部分称为计算机的主机,而输入、输出设备则称为计算机的外部设备(简称外设)。
由于运算器、控制器是计算机处理信息的关键部件,所以常将它们合称为中央处理单元CPU(Central Process Unit)。
2.微处理器、微型计算机、微型计算机系统有什么联系与区别?微处理器是利用微电子技术将计算机的核心部件(运算器和控制器)集中做在一块集成电路上的一个独立芯片。
它具有解释指令、执行指令和与外界交换数据的能力。
其内部包括三部分:运算器、控制器、内部寄存器阵列(工作寄存器组)。
微型计算机由CPU、存储器、输入/输出(I/O)接口电路构成,各部分芯片之间通过总线(Bus)连接。
以微型计算机为主体,配上外部输入/输出设备、电源、系统软件一起构成应用系统,称为微型计算机系统。
单片微型计算机原理及应用参考答案《单片微型计算机原理及应用》习题参考答案姜志海刘连鑫王蕾编著电子工业出版社目录第1章微型计算机基础 (4)第2章半导体存储器及I/O接口基础 (10)第3章MCS-51系列单片机硬件结构 (31)第4章MCS-51系列单片机指令系统 (44)第5章MCS-51系列单片机汇编语言程序设计 (52)第6章MCS-51系列单片机中断系统与定时器/计数器 (64)第7章MCS-51系列单片机的串行口 (79)第8章MCS-51系列单片机系统扩展技术 (85)第9章MCS-51系列单片机键盘/显示器接口技术 (90)第10章MCS 51系列单片机模拟量接口技术 (99)第11章单片机应用系统设计 (108)第1章微型计算机基础1.简述微型计算机的结构及各部分的作用微型计算机在硬件上由运算器、控制器、存储器、输入设备及输出设备五大部分组成。
运算器是计算机处理信息的主要部分;控制器控制计算机各部件自动地、协调一致地工作;存储器是存放数据与程序的部件;输入设备用来输入数据与程序;输出设备将计算机的处理结果用数字、图形等形式表示出来。
通常把运算器、控制器、存储器这三部分称为计算机的主机,而输入、输出设备则称为计算机的外部设备(简称外设)。
由于运算器、控制器是计算机处理信息的关键部件,所以常将它们合称为中央处理单元CPU(Central Process Unit)。
2.微处理器、微型计算机、微型计算机系统有什么联系与区别?微处理器是利用微电子技术将计算机的核心部件(运算器和控制器)集中做在一块集成电路上的一个独立芯片。
它具有解释指令、执行指令和与外界交换数据的能力。
其内部包括三部分:运算器、控制器、内部寄存器阵列(工作寄存器组)。
微型计算机由CPU、存储器、输入/输出(I/O)接口电路构成,各部分芯片之间通过总线(Bus)连接。
以微型计算机为主体,配上外部输入/输出设备、电源、系统软件一起构成应用系统,称为微型计算机系统。
习题22.1 MCS-51单片机内部包含哪些主要逻辑功能部件?答:微处理器(CPU)、数据存储器(RAM)、程序存储器(ROM/EPROM)、特殊功能寄存器(SFR)、并行I/O口、串行通信口、定时器/计数器及中断系统。
2.2 说明程序计数器PC和堆栈指针SP的作用。
复位后PC和SP各为何值?答:程序计数器PC中存放将要执行的指令地址,PC有自动加1功能,以实现程序的顺序执行。
它是SFR中唯一隐含地址的,因此,用户无法对它进行读写。
但在执行转移、调用、返回等指令时能自动改变其内容,以实现改变程序的执行顺序。
程序计数器PC中内容的变化决定程序的流程,在执行程序的工作过程中,由PC输出将要执行的指令的程序存储器地址,CPU读取该地址单元中存储的指令并进行指令译码等操作,PC则自动指向下一条将要执行的指令的程序存储器地址。
SP是一个8位的SFR,它用来指示堆栈顶部在内部RAM中的位置。
系统复位后SP为07H,若不对SP设置初值,则堆栈在08H开始的区域,为了不占用工作寄存器R0~R7的地址,一般在编程时应设置SP的初值(最好在30H~7FH区域)。
2.3 程序状态字寄存器PSW的作用是什么?其中状态标志有哪几位?它们的含义是什么?答:PSW是保存数据操作的结果标志,其中状态标志有CY(PSW.7):进位标志,AC(PSW.6):辅助进位标志,又称半进位标志,F0、F1(PSW.5、PSW.1):用户标志;OV(PSW.2):溢出标志;P(PSW.0):奇偶标志。
2.4 什么是堆栈? 堆栈有何作用? 为什么要对堆栈指针SP重新赋值? SP的初值应如何设定? 答:堆栈是一种数据结构,所谓堆栈就是只允许在其一端进行数据写入和数据读出的线性表。
其主要作用有两个:保护断点和保护现场。
堆栈区的设置原则上可以在内部RAM的任意区域,但由于MCS-51单片机内部RAM的00H~1FH地址单元已被工作寄存器R0~R7占用,20H~2FH为位寻址区,故堆栈一般设在30H~7FH(对于8032系列芯片可为30H~0FFH)的区域内。
第一章单片机基础1-1答:单片机的发展到目前为止大致分为5个阶段:第一阶段:单片机发展的初级阶段。
第二阶段:低性能单片机阶段。
第三阶段:高性能单片机阶段。
第四阶段:16位单片机阶段。
第五阶段:单片机在集成度、功能、速度、可靠性、应用领域等方面向更高水平发展。
1-2答:由于单片机具有体积小、重量轻、价格便宜、功耗低、易扩展、可靠性高、控制功能强及运算速度快等特点,在国民经济建设、军工产品及家用电器等各个领域均得到广泛应用。
主要有:①工业自动化;②智能仪表;③消费类电子产品;④通信方面;⑤军工产品;⑥终端及外部设备控制;⑦多机分布式系统。
1-3答:MCS-51系列单片机的内部结构:1.中央处理器CPU。
其主要完成单片机的运算和控制功能,MCS-51系列单片机的CPU不仅可以处理字节数据,还可以进行位变量的处理。
2.片内数据存储器RAM。
RAM用于存储单片机运行中的工作变量、中间结果和最终结果等。
3.片内程序存储器ROM/EPROM。
程序存储器既可以存放已编制的程序,也可以存放一些原始数据和表格。
4.特殊功能寄存器SFR。
SFR用以控制和管理内部算术逻辑部件、并行I/O口、定时/计数器、中断系统等功能模块的工作。
5.并行口。
一共有4个8位的并行I/O口:P0、P1、P2、P3。
P0是一个三态双向口,可作为地址/数据分时复用口,也可作为通用I/O口。
P1只能作为通用I/O口。
P2可以作为通用I/O口,也可作为在单片机扩展外部设备时,高8位地址总线使用。
P3除了作为通用准双向I/O接口外,各引脚还具有第二功能。
6.串行口。
有一个全双工的串行口,可以实现单片机与外设之间数据的逐位传送。
7.定时/计数器。
可以设置为定时方式或计数方式。
1-4答:MCS-51一共有32个I/O引脚。
P0口有8位数据总线和地址总线的低8位,P2口有地址总线的高8位,因此单片机的地址总线位是16位,寻址空间为64KB,数据总线位宽为8位。
练习与思考题9 参考答案1. A T89S51单片机中与定时器/计数器相关的特殊功能寄存器有哪几个?它们的功能各是什么?答:A T89S51单片机中与定时器/计数器相关的特殊功能寄存器有TMOD 、TCON 、IE 、IP 、TH0、TL0、TH1、TL1等8个。
TMOD 用于设定定时器/计数器的工作模式与工作方式;TCON 用于提供定时器/计数器启动或停止的软开关,另外还提供定时器/计数器的溢出标志位;IE 、IP 提供对定时器/计数器的溢出中断进行管理的控制位;TH0、TL0、TH1、TL1用于对定时器/计数器的初始值进行设定并实现对输入的计数信号进行计数的功能。
2. A T89S51单片机内设有几个可编程的定时器/计数器?它们可以有哪几种工作模式?哪几种工作方式?如何选择和设定?各有什么特点?答:A T89S51单片机内部有两个16位可编程的定时器/计数器,即定时器T0和定时器T1它们可以有定时和计数两种工作模式,由TMOD 中的C/T 位设定。
C/T =0为定时器模式,C/=1为计数器模式。
每种工作模式下又有如下表所示的四种工作方式。
定时器/计数器四种工作方式由TMOD 中的M1 M0两位确定,如下表所3. 如果采用晶振的频率为3MHz ,定时器/计数器工作在方式0、1、2下,其最大的定时时间为多少?答:因为机器周期)(410312126s f T OSC cy μ=⨯==, 所以定时器/计数器工作方式0下,其最大定时时间为2)(192.81042261313ms T T C MAX =⨯⨯=⨯=-;同样可以求得方式1下的最大定时时间为262.144ms ;方式2下的最大定时时间为1024ms 。
4. A T89S51单片机内的定时器/计数器T0、T1工作在方式3时,有何不同?答:方式3对定时器T0和定时器T1是不相同的。
若T1设置为方式3,则停止工作。
方式3只适用于T0。
当T0设置为方式3时,将使TL0和TH0成为两个相互独立的8位计数器, TL0利用了T0本身的一些控制方式,它的操作与方式0和方式1类似。
练习与思考题9 参考答案1. A T89S51单片机中与定时器/计数器相关的特殊功能寄存器有哪几个?它们的功能各是什么?答:A T89S51单片机中与定时器/计数器相关的特殊功能寄存器有TMOD 、TCON 、IE 、IP 、TH0、TL0、TH1、TL1等8个。
TMOD 用于设定定时器/计数器的工作模式与工作方式;TCON 用于提供定时器/计数器启动或停止的软开关,另外还提供定时器/计数器的溢出标志位;IE 、IP 提供对定时器/计数器的溢出中断进行管理的控制位;TH0、TL0、TH1、TL1用于对定时器/计数器的初始值进行设定并实现对输入的计数信号进行计数的功能。
2. A T89S51单片机内设有几个可编程的定时器/计数器?它们可以有哪几种工作模式?哪几种工作方式?如何选择和设定?各有什么特点?答:A T89S51单片机内部有两个16位可编程的定时器/计数器,即定时器T0和定时器T1它们可以有定时和计数两种工作模式,由TMOD 中的C/T 位设定。
C/T =0为定时器模式,C/T =1为计数器模式。
每种工作模式下又有如下表所示的四种工作方式。
定时器/计数器四种工作方式由TMOD 中的M1 M0两位确定,如下表所3. 如果采用晶振的频率为3MHz ,定时器/计数器工作在方式0、1、2下,其最大的定时时间为多少?答:因为机器周期)(410312126s f T OSC cy μ=⨯==, 所以定时器/计数器工作方式0下,其最大定时时间为2)(192.81042261313ms T T C MAX =⨯⨯=⨯=-;同样可以求得方式1下的最大定时时间为262.144ms ;方式2下的最大定时时间为1024ms 。
4. A T89S51单片机内的定时器/计数器T0、T1工作在方式3时,有何不同?答:方式3对定时器T0和定时器T1是不相同的。
若T1设置为方式3,则停止工作。
方式3只适用于T0。
当T0设置为方式3时,将使TL0和TH0成为两个相互独立的8位计数器, TL0利用了T0本身的一些控制方式,它的操作与方式0和方式1类似。
《微机原理及应用》教材课后习题及答案(5篇范例)第一篇:《微机原理及应用》教材课后习题及答案《微机原理及应用》习题答案第一章ν1.11 请完成下列数制转换:(1)将174.66D转换为对应的二进制和十六进制形式。
(2)将100011101011.01011B转换为对应的十进制和十六进制形式。
(3)将F18A6.6H转换为对应的二进制和十进制形式。
答:174.66D=10101110.1010B=AE.AH100011101011.01011B=2283.34375D=8EB.58HF18A6.6H=989350.375Dν1.12 请写出与数据+37和-37对应的8位机器数原码、反码和补码,并分别用二进制和十六进制表示出来。
答:-37D=(10100101B)原=(11011010B)反=(11011011B)补ν1.13 8位机器数46H,若作为无符号数和补码有符号数,其对应的真值各是什么?若作为BCD码和ASCII码,其对应的又是什么?答:无符号数46H=70,补码46H=+70BCD码46H=46,ASCII码46H=“F”第二章λ2.5什么是8088中的逻辑地址和物理地址?逻辑地址如何转换成物理地址?1MB最多能分成多少个逻辑段?请将如下逻辑地址用物理地址表达:(1) FFFFH:0H (2) 40H:17H (3) 2000H:4500H(4) B821H:4567H 答:⑴ FFFFH:0H = FFFF0H⑵ 40H:17H = 00417H⑶ 2000H:4500H = 24500H⑷ B821H:4567H = BC777H λ2.8已知DS=2000H,BX=0100H,SI=0002,存储单元[20100H]~[20103H]依次存放12H,34H,56H,78H,[21200H]~[21203H]依次存放2AH,4CH,87H,65H,说明下列每条指令执行完后AX寄存器的内容以及源操作数的寻址方式?答:⑴ AX=1200H,立即数寻址;⑵ AX=0100H,寄存器寻址;⑶ AX=4C2AH,直接寻址;⑷ AX=3412H,寄存器间接寻址;⑸ AX=4C2AH,寄存器相对寻址;⑹ AX=7865H,基址变址寻址;⑺ AX=65B7H,基址变址相对寻址。
《单片微型计算机原理及应用》习题参考答案姜志海刘连鑫王蕾编著电子工业出版社目录第1章微型计算机基础 (2)第2章半导体存储器及I/O接口基础 (4)第3章 MCS-51系列单片机硬件结构 (11)第4章 MCS-51系列单片机指令系统 (16)第5章 MCS-51系列单片机汇编语言程序设计 (20)第6章 MCS-51系列单片机中断系统与定时器/计数器 (26)第7章 MCS-51系列单片机的串行口 (32)第8章 MCS-51系列单片机系统扩展技术 (35)第9章 MCS-51系列单片机键盘/显示器接口技术 (37)第10章 MCS-51系列单片机模拟量接口技术 (41)第11章单片机应用系统设计 (45)第1章微型计算机基础1.简述微型计算机的结构及各部分的作用微型计算机在硬件上由运算器、控制器、存储器、输入设备及输出设备五大部分组成。
运算器是计算机处理信息的主要部分;控制器控制计算机各部件自动地、协调一致地工作;存储器是存放数据与程序的部件;输入设备用来输入数据与程序;输出设备将计算机的处理结果用数字、图形等形式表示出来。
通常把运算器、控制器、存储器这三部分称为计算机的主机,而输入、输出设备则称为计算机的外部设备(简称外设)。
由于运算器、控制器是计算机处理信息的关键部件,所以常将它们合称为中央处理单元CPU(Central Process Unit)。
2.微处理器、微型计算机、微型计算机系统有什么联系与区别?微处理器是利用微电子技术将计算机的核心部件(运算器和控制器)集中做在一块集成电路上的一个独立芯片。
它具有解释指令、执行指令和与外界交换数据的能力。
其内部包括三部分:运算器、控制器、内部寄存器阵列(工作寄存器组)。
微型计算机由CPU、存储器、输入/输出(I/O)接口电路构成,各部分芯片之间通过总线(Bus)连接。
以微型计算机为主体,配上外部输入/输出设备、电源、系统软件一起构成应用系统,称为微型计算机系统。
练习与思考题9 参考答案1. A T89S51单片机中与定时器/计数器相关的特殊功能寄存器有哪几个?它们的功能各是什么?答:A T89S51单片机中与定时器/计数器相关的特殊功能寄存器有TMOD 、TCON 、IE 、IP 、TH0、TL0、TH1、TL1等8个。
TMOD 用于设定定时器/计数器的工作模式与工作方式;TCON 用于提供定时器/计数器启动或停止的软开关,另外还提供定时器/计数器的溢出标志位;IE 、IP 提供对定时器/计数器的溢出中断进行管理的控制位;TH0、TL0、TH1、TL1用于对定时器/计数器的初始值进行设定并实现对输入的计数信号进行计数的功能。
2. A T89S51单片机内设有几个可编程的定时器/计数器?它们可以有哪几种工作模式?哪几种工作方式?如何选择和设定?各有什么特点?答:A T89S51单片机内部有两个16位可编程的定时器/计数器,即定时器T0和定时器T1它们可以有定时和计数两种工作模式,由TMOD 中的C/T 位设定。
C/T =0为定时器模式,C/T =1为计数器模式。
每种工作模式下又有如下表所示的四种工作方式。
定时器/计数器四种工作方式由TMOD 中的M1 M0两位确定,如下表所3. 如果采用晶振的频率为3MHz ,定时器/计数器工作在方式0、1、2下,其最大的定时时间为多少?答:因为机器周期)(410312126s f T OSC cy μ=⨯==, 所以定时器/计数器工作方式0下,其最大定时时间为2)(192.81042261313ms T T C MAX =⨯⨯=⨯=-;同样可以求得方式1下的最大定时时间为262.144ms ;方式2下的最大定时时间为1024ms 。
4. A T89S51单片机内的定时器/计数器T0、T1工作在方式3时,有何不同?答:方式3对定时器T0和定时器T1是不相同的。
若T1设置为方式3,则停止工作。
方式3只适用于T0。
当T0设置为方式3时,将使TL0和TH0成为两个相互独立的8位计数器, TL0利用了T0本身的一些控制方式,它的操作与方式0和方式1类似。
而TH0被规定为用作定时器功能,对机器周期计数,并借用了T1的控制位TR1和TF1。
在这种情况下TH0控制了T1的中断。
5.定时器/计数器用做定时器时,其计数脉冲由谁提供?定时时间与哪些因素有关?答:定时/计数器作定时时,其计数脉冲由系统振荡器产生的内部时钟信号12分频后提供。
定时时间与时钟频率和定时初值有关。
6. 定时器/计数器用做计数器模式时,对外界计数频率有何限制?答:由于确认1次负跳变要花2个机器周期,即24个振荡周期,因此外部输入的计数脉冲的最高频率为系统振荡器频率的1/24。
7.A T89S51单片机的晶振频率为6MHz ,若要求定时值分别为0.1ms 和10ms ,定时器0工作在方式0、方式1和方式2,其定时器初值各应是多少? 答:(1) 0.1ms 方式0:0.1×10-3=(213-X )×12/(6×106) 所以:X=8142=1111111001110BT0低5位01110B=0EH T0高8位:11111110B=FEH 方式1: 0.1×10-3= (216-X) ×12/(6×106) 所以:X=65486=FFCEH方式2: 0.1×10-3= (28-X) ×12/(6×106) 所以:X=206=CEH (2) 10ms方式0: 10×10-3=(213-X) ×12/(6×106) 所以:X=3192=110001111000BT0低5位11000B=18H T0高8位:01100011B=63H 方式1: 10×10-3=(216-X) ×12/(6×106) 所以:X=60536=EC78H方式2:在此情况下最长定时为512μs ,无法一次实现定时10ms ,可用0.1ms 定时循环100次 8.定时器/计数器的工作方式2有什么特点?适用于什么应用场合?2答:方式2把TL0配置成一个可以自动恢复初值的8位计数器,TH0作为常数缓冲器,TH0由软件预置初值。
当TL0产生溢出时,一方面使溢出标志TF0置1,同时把TH0中的8位数据重新装入TL0中。
方式2常用于定时控制,或用作串行口波特率发生器。
9.要求定时器/计数器的运行控制完全由TR1、TR0确定或完全由INT0、INT1高、低电平控制时,其初始化编程应做何处理?答:TMOD中GA TE的值不同:完全由TR1、TR0确定时GA TE为0;完全由INT0、INT1高低电平控制时GA TE为1且TR0、TR1也要设置为1。
10.定时器/计数器测量某正单脉冲的宽度,采用何种方式可得到最大量程?若时钟频率为6MHz,求允许测量的最大脉冲宽度。
答:采用方式1可得到最大量程。
最大脉宽=2us×6553611.THX与TLX(X = 0,1)是普通寄存器还是计数器?其内容可以随时用指令更改吗?更改后的新值是立即刷新还是等当前计数器计满后才能刷新?答:THX与TLX(X=0,1)是由特殊功能寄存器构成的计数器,其内容可以随时用指令更改,更改后的新值是立即刷新。
但在读THX、TLX的值时,应该先读THX值,后读TLX,再读THX。
若两次读得THX相同,则可确定读得的内容正确。
若前后两次读得的THX有变化,再重复上述过程。
12.定时器/计数器作为外部中断源使用时,需要如何初始化?以T0为例通过程序说明。
答:初始化程序:MOV TMOD, #06HMOV TL0, #0FFHMOV TH0, #0FEHSETB TR0SETB EASETB ET013.采用定时器/计数器T0对外部脉冲进行计数,每计数100个脉冲后,T0转为定时工作方式。
定时1ms后,又转为计数方式,如此循环不止。
假定A T89S51单片机的晶体振荡器的频率为6MHz,请使用方式1实现,要求编写出程序。
答:定时器/计数器T0在计数和定时工作完成后,均采用中断方式工作。
除了第一次计数工作方式设置在主程序完成外,后面的定时或计数工作方式分别在中断程序完成,用一标志位识别下一轮定时器/计数器T0的工作方式。
编写程序如下:ORG 0000HLJMP MAINORG 000BHLJMP IT0PMAIN: MOV TMOD,#06H ;定时器/计数器T0为计数方式2MOV TL0,#156 ;计数100个脉冲的初值赋值MOV TH0,#156SETB GA TE ;打开计数门SETB TR0 ;启动T0,开始计数SETB ET0 ;允许T0中断4SETB EA ;CPU 开中断CLRF0 ;设置下一轮为定时方式的标志位 WAIT: AJMP WAIT IT0P: CLR EA;关中断JBF0,COUNT;F0=1,转计数方式设置MOVTMOD,#00H ;定时器/计数器T0为定时方式0MOV T H0,#0FEH ;定时1ms 初值赋值MOV T L0,#0CH SETB EARETICOUNT: MOVTMOD,#06H MOV T L0,#156SETBEARETI14.编写程序,要求使用T0,采用方式2定时,在P1.0输出周期为400μs 、占空比为10:1的矩形脉冲。
答:根据题意,从P1.0输出的矩形脉冲的高低电平的时间为10:1,则高低电平的时间分别为363.63μs 和36.37μs 。
如果系统采用6MHz 晶振的话,s T cy μ2= ,因此高低电平输出取整,则约为364μs 和36μs 。
编写程序如下: ORG 0000H LJMP MAINORG000BHLJMP IT0PMAIN:MOV TMOD,#02H ;定时器/计数器T0为定时方式2 MOV TL0,#4AH;定时364μs 初值赋值 SETB TR0;启动T0,开始计数 SETB ET0 ;允许T0中断 SETB EA;CPU 开中断SETBP1.0 WAIT:AJMP WAIT IT0P: CLREA CLR P1.0;关中断 MOV R0,#9 DLY: DJNZ R0,DLY ;延时26μsMOV TL0,#4AH ;定时364μs 初值赋值 SETB P1.0SETBEARETI15.已知单片机时钟振荡频率为6MHz ,利用T0定时器,在P1.1引脚上输出连续方波,波形如图9-23所示。
2图9-23 题15波形图解:首先计算定时常数:100us 方式0 Tc=FE0EH ; 方式1 Tc=FFCEH ; 方式2 Tc=CEH 150us 方式0 Tc=FD15H ; 方式1 Tc=FFB5H ; 方式2 Tc=B5H 方法一:采用方式一,定时器中断。
流程图:源程序:ORG 0000H LJMP START6ORG 000BHLJMP TINT0ORG 0100HSTART: MOV TMOD, #01HMOV TL0, #0CEHMOV TH0, #0FFHSETB TR0SETB EASETB ET0SETB 20H.0SETB P1.1SJMP $TINT0: JNB 20H.0, NEXTMOV TL0, #0B5HMOV TH0, #0FFHCLR P1.1CPL 20H.0SJMP LASTNEXT: MOV TL0, #0CEHMOV TH0, #0FFHSETB P1.1CPL 20H.0LAST:RETI方法二:采用方式2 定时器中断加延时程序流程图:2源程序:ORG 0000HLJMP STARTORG 000BHLJMP TINT0ORG 0100H START: MOV TMOD, #02HMOV TL0, #0CEHMOV TH0, #0CEHSETB TR0SETB EA8SETB ET0SETB 20H.0SETB P1.1SJMP $TINT0: JNB 20H.0, NEXTCLR TR0CLR P1.1LCALL DELAYCPL 20H.0SETB TR0SJMP LASTNEXT: SETB P1.1CPL 20H.0LAST: RETIDELAY: MOV R7, #8DELAY1: DJNZ R7, DELAY1RET16.一个定时器的定时时间有限,如何实现两个定时器的串行定时,来实现较长时间的定时?答:方式一,在第一个定时器的中断程序里关闭本定时器的中断程序,设置和打开另一个定时器;在另一个定时器的中断程序中关闭本定时中断,设置和打开另一个定时器。
这种方式的定时时间为两个定时器定时时间的和。
方式二,一个作为定时器,在定时中断后产生一个外部计数脉冲(比如由P1.0接INT0产生),另一个定时器工作在计数方式。