整理和整顿活动检查表表格格式
- 格式:doc
- 大小:12.94 KB
- 文档页数:1
(完整版)工厂5S检查表工厂5S检查表1. 目的工厂5S检查表的目的是用于检查工作场所是否符合5S原则,即整理、整顿、清洁、清扫和素养。
2. 检查内容以下是工厂5S检查表中包含的主要检查内容:2.1 整理- 工作区域是否整理得井井有条,仪器设备、工具和材料是否有固定的摆放位置。
- 不需要的物品是否被清理和归类。
2.2 整顿- 工作场所是否保持整洁,有无乱堆乱放的现象。
- 工作区域是否保持安全,如电线、管道等是否有悬挂或绊倒的风险。
- 工作程序是否规范,是否能够高效地完成工作。
2.3 清洁- 工作区域是否保持清洁,有无灰尘、杂物等。
- 设备和工具是否经常进行维护和清洁。
2.4 清扫- 工作区域是否定期进行清扫,保持地面干净整洁。
- 是否有专人负责清扫工作区域。
2.5 素养- 工作人员是否对工作场所保持尊重,不随地乱扔杂物。
- 工作人员是否穿戴适当的工作服装,遵守工作规范和安全操作。
3. 使用方法使用工厂5S检查表时,可以按照以下步骤进行:1. 将检查表打印出来。
2. 按照检查内容逐项进行检查。
3. 对每一项进行评价,可以使用符号或文字表示是否符合要求。
4. 根据检查结果,制定整改措施。
4. 注意事项在使用工厂5S检查表时,需要注意以下事项:- 确保检查人员具备足够的5S知识和经验。
- 检查结果应及时通知相关责任人,并制定整改计划。
- 定期进行5S检查,以保持工作环境整洁有序。
以上是工厂5S检查表的完整版,通过使用此检查表,可以帮助工厂做好5S管理,提高工作效率和质量。
在作业现场没有不必要的物品5分有不必要的物品,但区别标识分明,不妨碍进行作业3分整理活动作业现场有不必要的物品,没有与必要品进行区分而混在一起1分作业人员所使用的夹具、工具、测量工具、材料等被放在指定的位置,便于使用并摆 放整齐5分作业人员所使用的夹具、工具、测量工具、材料等被放在指定的位置,但不方便使用。
3分夹具、工具、测 量工具、材料等 的整顿活动作业人员所使用的夹具、工具、测量工具、材料等没被放在指定的位置1分使用中的叉车、工作台等处于便于使用的状态,并依平行/垂直方位整顿好5分使用中的叉车、工作台等处于便于使用的状态,但不处于被放置的状态3分叉车及工作台等 的整顿活动使用中的叉车、工作台等处于使用困难的状态,也没有位置标识,被放置于作业现场 周围1分根据不良品处理规定话当处理不良品,并被整齐地放在指定地点和搁板上5分虽没有不良品处理规定,但被明确地区分,整齐地放在指定地点和搁板上3分不良品管理没有不良品处理规定,也没有指定地点和搁板,只是被随便存放和处理1分在作业现场所需要的其他物件被明确分类标识,并被整齐地摆放在指定地点和搁板上5分作业现场所需要的其他物件被明确分类标识,但没有指定的保管场所3分桌子、搁板、工 具箱、椅子等现 场物件的整理作业现场所需要的其他物件没有明确地区分,而且被杂乱地摆放在作业现场1分作业现场内的设备、工作台、工具、地板等都干净,没有发现乱丢的卫生纸5分作业现场内的设备、工作台、工具、地板等有清扫过的痕迹,但可以看见乱丢的卫生 纸3分设备、工作台、工具、地板等的 清扫活动作业现场内的设备、工作台、工具、地板等没有清扫过的痕迹,污物仍然被置之不理1分废品桶和垃圾桶周围没有垃圾,且摆放端正5分废品桶和垃圾桶周围可以看见一些垃圾,且摆放杂乱3分废品桶和垃圾桶 等的清扫活动废品桶和垃圾桶周围可以看见一些污物,旦废品桶和手纸桶内充满手纸和污物1分作业现场内的工具、桌子、地板、工作台、测量器具等处于良好的整理、整顿、清扫 状态5分作业现场内的工具、桌子、地板、工作台、测量器具等虽经过整理、整顿、清扫,但 大部分只流于形式3分清洁活动作业现场内的工具、桌子、地板、工作台、测量器具等没有经过整理、整顿、清扫, 废品被随便丢弃1分正确了解企业的规范、作业方法等事项并认真遵守5分正确了解公司的规范、作业方法等事项,但不能遵守3分生活化活动不了解公司的规范、作业方法等事项,现场的清洁状态不良时也要等别人清扫1分备有标有保管品名的、适合保管物类别特性的、便于使用的保管容器5分虽然有保管物品名,可是没考虑各物品的特性,不方便使用3分定品没有标识保管物品名,也没有指定保管容器,不方便使用1分把握了与需要量相应的适应的保管数量,管理着适合供给时间的适当保管数量5分虽然把握了所需要的量进行管理,但是发生过盈和不足的现象3分定量没有把握所需要的量进行管理,也没有在管理适当的保管数量1分物品按大小和保管数量划分,并可以先入先出及进行合格品和不良品的区别管理5分虽物品按大小和保管数量划分,但不能进行先入先出及进行合格品和不良品的区别管 理3分定位由于没有考虑物品的大小和保管数量,同种物品被分散在多处进行管理1分现场目视管理活动检查表检查项目检查内容分数评价建议事项无论在怎样的状态下,任何人都能轻易了解物品的放置地点5分虽然可以了解物品的放置地点及保管状态但无法区分正常和异常3分用眼观察无法了解物品的放置地点、以怎样的状态保管,也无法区分正常与异常1分各工艺的工具及测量器具等的保管箱便于使用,可正确区分保管5分各工艺的工具及测量器具等有保管箱,但没有区别保管,不便于使用3分作业工艺保管箱 管理状态各工艺的工具及测量器具等没有保管箱,且没有区别保管1分各工艺的工具、材料、测量器具等的保管数量适合,并良好地放置于便于使用的位置5分各工艺的工具、材料、测量器具等的保管数量适当,但不方便使用,妨碍进行作业3分作业工艺工具管理状态各工艺的工具、材料、测量器具等的保管数量过多,不便于使用,妨碍进行作业1分现场的各种检查项目均按标准制作和实施5分现场的各种检查单的制作与实施与标准书无关3分用眼观察现场检 查单的管理活动现场的各种检查项目没有检查标准,也没有适当的管理1分。
卫生大扫除检查记录表一、基本信息。
检查日期 [具体日期]检查区域 [详细列出如办公室、教室、车间等]检查人员 [姓名]二、检查项目及标准。
(一)地面清洁。
1. 无杂物。
- 标准:地面上不应有纸张、垃圾、碎屑等任何杂物。
- 原因:杂物会影响环境卫生,可能滋生细菌,还容易造成滑倒等安全隐患。
- 检查结果:[是/否]2. 干净无污渍。
- 标准:没有灰尘、油渍、水渍等污渍。
- 原因:污渍不仅影响美观,而且可能会吸引害虫,同时也不符合卫生要求。
- 检查结果:[是/否](二)桌面整理。
1. 物品摆放整齐。
- 标准:桌面上的办公用品(如文件、笔、本子等)应摆放有序,不杂乱。
- 原因:整齐的桌面有助于提高工作效率,方便寻找物品,同时也是良好办公/学习环境的体现。
- 检查结果:[是/否]2. 表面清洁。
- 标准:桌面没有灰尘、污渍等。
- 原因:灰尘和污渍会弄脏文件和衣物,也不卫生。
- 检查结果:[是/否](三)窗户与窗台。
1. 窗户明净。
- 标准:玻璃应透明、干净,无灰尘、指纹、水渍等。
- 原因:明净的窗户能保证室内采光良好,同时从外观上提升整体环境的整洁度。
- 检查结果:[是/否]2. 窗台无灰尘杂物。
- 标准:窗台表面不能有灰尘堆积,也不应放置杂物。
- 原因:窗台积灰和有杂物既不卫生也不美观,还可能成为害虫的栖息地。
- 检查结果:[是/否](四)墙角与墙边。
1. 墙角无蜘蛛网。
- 标准:墙角不应有蜘蛛网存在。
- 原因:蜘蛛网会给人一种疏于打扫、环境不佳的感觉,而且蜘蛛可能带来一定的卫生风险。
- 检查结果:[是/否]2. 墙边无污渍和划痕。
- 标准:墙边应保持干净,没有污渍和因搬运物品等造成的划痕。
- 原因:污渍和划痕会破坏墙面的整洁性,影响整体美观。
- 检查结果:[是/否](五)垃圾桶。
1. 垃圾清理及时。
- 标准:垃圾桶内的垃圾不应溢出,应按时清理。
- 原因:垃圾溢出会散发异味,滋生细菌和害虫,影响环境卫生。
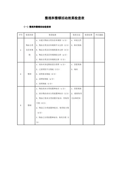
整理和整顿效果检查表部门:序号检查内容检查标准检查方法检查结果纠正跟踪1办公室●物品未分类杂乱放置(1分)●尚有较多物品杂乱放置(2分)●物品已分类,且已基本整理(3分)●物品已分类,整理较好(4分)●物品已分类,整理好(5分)●现场观察●抽查2办公台及抽屉●有较多不使用的物品在桌上或抽屉内杂乱存放(1分)●有15天以上才使用一次的物品(2分)●有较多7天以上才使用的物品(3分)●基本为7天内使用的物品,且较整齐(4分)●基本为7天内使用的物品,且整齐(5分)●现场观察●抽查3生产现场文件标识●产品(文件)堆放杂乱、设备、工具零乱、尚未标识(1分)●仅有部分产品、设备、文件标识,现场仍很乱,有较多不用物品(2分)●产品、设备、文件已标识、产品堆放、设备和工具放置基本整齐,尚有少量不用物品在现场(3分)●文件已标识、产品堆放、设备和工具放置较整齐,基本无不用物品在现场(4分)●符合要求(5分)●现场观察●抽查清扫和清洁效果检查表部门:序号检查内容检查标准检查方法检查结果纠正跟踪1公共场所室内、室外走廊●垃圾多、无人管(1分)●有人管、但不整洁(2分)●基本整洁,有少量脏物(3分)●比较整洁(4分)●整洁、无脏物(5分)●现场观察等2办公台(作业台)●物品、文件、工具、台面脏乱(1分)●物品、文件、工具、台面比较脏乱(2分)●基本整洁(3分)●比较整洁(4分)●整洁(5分)●观察现场3设备工具:电脑、文具、电话、桌椅、网线、电源线等●脏乱(1分)●较脏乱(2分)●基本整洁(3分)●较整洁(4分)●整洁(5分)●观察现场4窗、天花板、墙面●长久失修、也未打扫、清洁(1分)●修理不及时、不常打扫、清洁(2分)●基本整洁(3分)●比较干净(4分)●干净、明亮(5分)●观察现场5洗手间(办公室略)●严重失修、脏乱、臭味薰天(1分)●失修、较脏乱、有臭味(2分)●基本干净(3分)●比较干净(4分)●干净、明亮无异味(5分)●观察现场6文件柜●顶部、底部及死角长久未清脏乱(1分)●较脏乱(2分)●基本干净(3分)●比较干净(4分)●观察现场●干净、整洁(5分)素养效果检查表部门:序号检查内容检查标准检查方法检查结果纠正跟踪1日常“6S”活动●无日常“6S”活动(1分)●偶尔活动(2分)●基本按计划活动(3分)●按计划活动,效果较好(4分)●按计划活动,参与积极,效果好(5分)●查阅记录●观察●座谈2观念●较多员工对“6S”无认识(1分)●认识肤浅(2分)●有基本认识(3分)●认识较好(4分)●观念正确,行动积极(5分)●交谈●考察3行为规范●举止粗鲁,语言不美,不讲礼貌(1分)●部分员工不讲卫生,不懂礼貌(2分)●个人表现较好,团队精神较差(3分)●个人表现、团队精神较好(4分)●团队精神好,个人表现好(5分)●观察●抽查●座谈4服装●不按规定着装、衣冠不整(1分)●常不按规定着装(2分)●基本按规定着装(3分)●执行着装规定较好(4分)●坚持按规定着装(5分)●观察5仪容●不修边幅、又脏又乱(1分)●部分员工不修边幅、脏乱、但无纠正(2分)●基本整洁、精神(3分)●比较注重仪容,观念较好(4分)●重视仪容,观念良好(5分)●观察整理和整顿活动自查表部门:序号检查内容检查标准检查方法检查结果纠正跟踪1物品分类及存弃规则●未建立物品分类及存弃规则(1分)●物品分类及存弃规则不太完善(2分)●物品分类及存弃规则基本完善(3分)●物品分类及存弃规则较完善(4分)●物品分类及存弃规则完善(5分)●审阅文件●核对现场2整理●尚未对身边物品进行整理(1分)●已整理、但不太彻底(2分)●整理基本彻底(3分)●整理较彻底(4分)●整理彻底(5分)●查看现场●询问3整顿●物品尚未分类放置和标识(1分)●部分物品尚未分类放置和标识(2分)●物品已基本分类放置并标识,但取用不便(3分)●物品已分类放置和标识,取用较方便(4分)●物品已分类放置和标识,●查看现场●观察取用方法和时间取用方便(5分)清扫、清洁活动自查表部门:序号检查内容检查标准检查方法检查结果纠正跟踪1计划和职责●无计划、也未落实职责(1分)●计划和职责规定不明确、不完善(2分)●计划和职责规定基本完善(3分)●计划和职责规定较完善(4分)●计划和职责规定完善(5分)●查阅文件2清扫●未按计划和职责规定实施清扫(1分)●未严格按计划和职责规定实施清扫(2分)●基本按计划和职责规定实施了清扫(3分)●偶尔未按计划和职责规定实施清扫(4分)●已按计划和职责规定实施了清扫(5分)●查阅记录●观察跟踪●询问3清洁●未养成清洁习惯、环境脏乱(1分)●清洁坚持不好,效果差(2分)●基本养成了清洁习惯,环境尚整洁(3分)●已养成清洁习惯,环境比较整洁(4分)●观察现场●检查记录●询问●已养成清洁习惯(5分)素养活动自查表部门:序号检查内容检查标准检查方法检查结果纠正跟踪1行为规范和培训计划●无行为规范和培训计划(1分)●有行为规范和培训计划,但不易理解和贯彻(2分)●行为规范和培训计划尚可(3分)●行为规范和培训计划较好(4分)●行为规范和培训计划符合要求(5分)●查阅文件2培训●尚未很好开展培训(1分)●培训计划性差、效果差(2分)●培训基本按计划进行、效果尚可(3分)●培训已按计划执行、效果较好(4分)●培训已按计划执行,效果好(5分)●查阅记录●抽查培训效果(抽检考核与员工交谈等)●观察实际效果3沟通与自律●员工间沟通和自律尚未形成习惯(1分)●沟通和自律较差(2分)●沟通和自律一般(3分)●沟通和自律较好(4分)●沟通和自律好(5分)●座谈●观察4激励和奖惩●未进行必要的激励和奖惩活动(1分)●激励和奖惩活动偶尔进行(2分)●激励和奖惩活动已进行,但效果一般(3分)●激励和奖惩活动已进行,效●座谈●抽查案例●观察效果果较好(4分)●激励和奖惩活动已进行,效果好(5分)考核专员轮流检查表序号 部 门姓 名 备 注 2 34567 8然后陆续循环…………说明所有考核专员必须逐个依次轮流协同考核副组长检查,并参与打分,不得缺席,检查结束后负责通知下一次检查的专员。