三极管npn和pnp放大等状态判断条件
- 格式:doc
- 大小:679.00 KB
- 文档页数:5
晶体三极管工作条件及工作状态的判断晶体三极管有三个工作区,即放大区、截止区、饱和区。
电路设计时,可根据电路的要求,让晶体管工作在不同的区域以组成放大电路、振荡电路、开关电路等,如果三极管因某种原因改变了原来的正常工作状态,就会使电路工作失常;电子产品出现故障,这时就要对故障进行分析,首要的工作就是按前述方法检查三极管的工作状态。
为了对晶体管工作在三个区域的情况有一个较明确的认识。
对于具体的检测工作,要注意两点问题:一是最好使用内阻较大的数字万用表进行测量,以减少测量误差,同时避免直接测量时因万用表的内阻小引起三极管工作状态的改变;二是最好分别测量晶体三极管各极对地的电压,然后计算出Ube.Ubc或Uce的值,避免诱发电路故障的可能性。
一、晶体管工作的条件 1.集电极电阻Rc: 在共发射极电压放大器中,为了取出晶体管输出端的被放大信号电压Use(动态信号),需要在集电极串接一只电阻Rc。
这样一来,当集电极电流Ic 通过时,在Re上产生一电压降IcRc,输出电压由晶体管c-e之间取出,即Usc=Uce=Ec-IcRc,所以Use也和IcRc —样随输入电压Ui的发生而相应地变化。
2.集电极电源Ec(或Vcc): Ec保证晶体管的集电结处于反向偏置,使管子工作在放大状态,使弱信号变为强信号。
能量的来源是靠Ec的维持,而不是晶体管自身。
3.基极电源Eb:为了使晶体管产生电流放大作用,除了保证集电结处于反向偏置外,还须使发射结处于正向偏置,Eb的作用就是向发射结提供正向偏置电压,并配合适当的基级电阻Rb,以建立起一定的静态基极电流Ib。
当Vbe很小时,Ib=O,只有当Vbe超过某一值时(硅管约0.5V,锗管约0.2V,称为门槛电压),管子开始导通,出现Ib。
随后,Ib将随Vbe 增大而增大,但是,Vbe和Ib的关系不是线性关系:当Vbe大于0.7V 后,Vbe再增加一点点,Ib就会增加很多。
晶体管充分导通的Vbe近似等于一常数(硅管约0.5V,锗管约0.5V)。
三极管状态判断NPN管:放大状态Vc>Vb>Ve,饱和状态Vb>ve,Vb>vc,截止状态Vc=+V,Vb=0PNP管:放大状态Ve>Vb>Vc,饱和状态Vb<ve,Vb<vc,截止状态Vc=-V(负电源供电)饱和状态时Vce为0.2V(npn和pnp管都是一样的)静态工作点可以测量出来发射结和集电结都是正向偏置时就已经饱和了.此时,Ube>Uce.当晶体管的Ube增大时,Ic不是明显的增大说明进入饱和状态,对于小功率管,可以认为当Uce=Ube,即Ucb=0时,处于临界饱三极管简介晶体三极管的结构和类型晶体三极管,是半导体基本元器件之一,具有电流放大作用,是电子电路的核心元件。
三极管是在一块半导体基片上制作两个相距很近的PN结,两个PN结把正块半导体分成三部分,中间部分是基区,两侧部分是发射区和集电区,排列方式有PNP和NPN两种,从三个区引出相应的电极,分别为基极b发射极e和集电极c。
发射区和基区之间的PN结叫发射结,集电区和基区之间的PN结叫集电极。
基区很薄,而发射区较厚,杂质浓度大,PNP型三极管发射区"发射"的是空穴,其移动方向与电流方向一致,故发射极箭头向里;NPN型三极管发射区"发射"的是自由电子,其移动方向与电流方向相反,故发射极箭头向外。
发射极箭头向外。
发射极箭头指向也是PN结在正向电压下的导通方向。
硅晶体三极管和锗晶体三极管都有PNP型和NPN型两种类型。
三极管的封装形式和管脚识别常用三极管的封装形式有金属封装和塑料封装两大类,引脚的排列方式具有一定的规律,底视图位置放置,使三个引脚构成等腰三角形的顶点上,从左向右依次为e b c;对于中小功率塑料三极管按图使其平面朝向自己,三个引脚朝下放置,则从左到右依次为e b c。
目前,国内各种类型的晶体三极管有许多种,管脚的排列不尽相同,在使用中不确定管脚排列的三极管,必须进行测量确定各管脚正确的位置,或查找晶体管使用手册,明确三极管的特性及相应的技术参数和资料。
PNP和NPN的区别一.开关三极管的工作原理:截止状态:当加在三极管发射结的电压小于PN结的导通电压,基极电流为零,集电极电流和发射极电流都为零,三极管这时失去了电流放大作用,集电极和发射极之间相当于开关的断开状态,即为三极管的截止状态饱和导通状态:当加在三极管发射结的电压大于PN结的导通电压,并且当基极的电流增大到一定程度时,集电极电流不再随着基极电流的增大而增大,而是处于某一定值附近不再怎么变化,此时三极管失去电流放大作用,集电极和发射极之间的电压很小,集电极和发射极之间相当于开关的导通状态,即为三极管的导通状态。
开关三极管正是基于三极管的开关特性来工作的。
PNP型三极管:由2块P型半导体中间夹着1块N型半导体所组成的三极管,称为PNP 型三极管。
也可以描述成,电流从发射极E流入的三极管. PNP型三极管发射极电位最高,集电极电位最低,UBE<0.NPN型三极管:由2块N型半导体中间夹着一块P型半导体所组成的三极管,称为NPN型三极管. 也可以描述成,电流从发射极E流出的三极管.两者的区别:NPN和PNP主要就是电流方向和电压正负不同,说得“专业”一点,就是“极性”问题。
NPN 是用B→E 的电流(IB)控制C→E 的电流(IC),E极电位最低,且正常放大时通常C极电位最高,即VC > VB > VE。
PNP 是用E→B 的电流(IB)控制E→C 的电流(IC),E极电位最高,且正常放大时通常C极电位最低,即VC < VB < VE。
PNP与NPN型传感器其实就是利用三极管的饱和和截止,输出两种状态,属于开关型传感器。
但输出信号是截然相反的,即高电平和低电平。
NPN输出是低电平0,PNP输出的是高电平1。
接近开关:接近开关有两线制和三线制之区别,三线制接近开关又分为NPN型和PNP型,它们的接线是不同的。
请见下图所示:三线制简单的讲就是信号输出分PNP型(24V输出)和NPN型(0V输出)。
三极管知识及极性判别方法三极管知识及极性判别方法晶体三极管的结构和类型晶体三极管,是半导体基本元器件之一,具有电流放大作用,是电子电路的核心元件。
三极管是在一块半导体基片上制作两个相距很近的PN结,两个PN结把正块半导体分成三部分,中间部分是基区,两侧部分是发射区和集电区,排列方式有PNP和NPN两种,从三个区引出相应的电极,分别为基极b发射极e和集电极c。
发射区和基区之间的PN结叫发射结,集电区和基区之间的PN结叫集电极。
基区很薄,而发射区较厚,杂质浓度大,PNP型三极管发射区"发射"的是空穴,其移动方向与电流方向一致,故发射极箭头向里;NPN型三极管发射区"发射"的是自由电子,其移动方向与电流方向相反,故发射极箭头向外。
发射极箭头向外。
发射极箭头指向也是PN结在正向电压下的导通方向。
硅晶体三极管和锗晶体三极管都有PNP型和NPN型两种类型。
三极管的封装形式和管脚识别常用三极管的封装形式有金属封装和塑料封装两大类,引脚的排列方式具有一定的规律,底视图位置放置,使三个引脚构成等腰三角形的顶点上,从左向右依次为e b c;对于中小功率塑料三极管按图使其平面朝向自己,三个引脚朝下放置,则从左到右依次为e b c。
目前,国内各种类型的晶体三极管有许多种,管脚的排列不尽相同,在使用中不确定管脚排列的三极管,必须进行测量确定各管脚正确的位置,或查找晶体管使用手册,明确三极管的特性及相应的技术参数和资料。
晶体三极管的电流放大作用晶体三极管具有电流放大作用,其实质是三极管能以基极电流微小的变化量来控制集电极电流较大的变化量。
这是三极管最基本的和最重要的特性。
我们将ΔIc/ΔIb的比值称为晶体三极管的电流放大倍数,用符号“β”表示。
电流放大倍数对于某一只三极管来说是一个定值,但随着三极管工作时基极电流的变化也会有一定的改变。
晶体三极管的三种工作状态截止状态:当加在三极管发射结的电压小于PN结的导通电压,基极电流为零,集电极电流和发射极电流都为零,三极管这时失去了电流放大作用,集电极和发射极之间相当于开关的断开状态,我们称三极管处于截止状态。
三极管的测量1、三极管管脚极性的识别多数小功率三极管的管脚是等腰三角形排列,其顶点是基极,左边是发射极,右边是集电极。
有的是从管底看,由管帽突出处顺时针排列为发射极,基极,集电极。
有的管型用管帽色点或者管脚塑料护套颜色来标明极性的,红色为集电极,绿色为发射极,白色是基极。
有的管型管脚是一字形排列,用集电极管脚较短,或者集电极与其它极距离最远来区别电极,中间是基极,另一个脚是发射极。
大功率管一般直接用外壳做集电极引出端。
有的在较高频率工作的三极管,为了屏蔽高频电磁干扰,管壳用一支脚引出,以准备接地或者接零,符合为d,从管底看,由管壳边凸出处顺时针依次是发射极,基极,集电极,管壳引线。
大部分国产硅酮塑封三极管,从正对截角或剖去平面的方向看,从左到右依次是发射极,基极,集电极。
超小型三极管将截角的管脚焊片定为发射极,对面是脚是基极,垂直的第三个脚是集电极。
另外一种半球形超小型三极管,将球面朝上,从左到右,依次是基极,集电极,发射极。
2、三极管用万用表测量管脚极性/用万用表R×100或者R×1K档分别测量各管脚间电阻,必有一只脚对其它两脚电阻值相似,那么这只脚是基极,如果红表笔(正表笔)接基极,测得与其它两脚电阻都小,那么这只管子是PNP管。
如果测得电阻很大,那么这个管子是NPN 管。
找到基极后,分别测基极对其余两脚的正向电阻,其中阻值稍小的那个是集电极,另外一个是发射极,这是因为集电结较大,正偏导通电流也较大,所以电阻稍小一点。
3、三极管好坏大致判断利用三极管内PN结的单向导电性,检查各极间PN结的正反向电阻,如果相差较大说明管子是好的,如果正反向电阻都大,说明管子内部有断路或者PN结性能不好。
如果正反向电阻都小,说明管子极间短路或者击穿了。
1、三极管类型的判别:三极管只有两种类型,即PNP型和NPN型。
判别时只要知道基极是P型材料还N型材料即可。
用数字万用表红笔(代表电源正极)接基极与其他两极测量时导通,则说明三极管的基极为P型材料,三极管即为NPN型。
如果红表笔接基极与其他两极测量不导通,则说明三极管基极为N型材料,三极管即为PNP型。
2、2、3DD15D三极管的引脚是怎么区分的1是基极b,2是发射极e,外壳是集电极c不用测,面对管脚,管脚靠上,左面是b,石面是e,只要结构相同的,不分型号,都一样。
3、PNP三极管图集电极C发射极E识别方法:直线的是基极,有箭头的是发射极,剩下就是集电极。
箭头朝向代表电流方向,PNP管箭头指向内,NPN管箭头指向外。
4、PNP管包含3AG,3AX,3AK,3AD,3CG,3CX等。
NPN管包含3DG,3DX,3DK,3DD,3DA,3BX等。
3AX 为PNP型低频小功率管3BX 为NPN型低频小功率管3CG 为PNP型高频小功率管3DG 为NPN型高频小功率管3AD 为PNP型低频大功率管3DD 为NPN型低频大功率管3CA 为PNP型高频大功率管3DA 为NPN型高频大功率管6、知道三极管各电极对地的电压值,判断管子工作状态:NPN:VC>VB>VE:发射结正偏,集电结反偏,放大状态VB>VE,VB>VC:发射结正偏,集电结正偏,饱和状态VB<VE,VB<VC:发射结反偏,集电结反偏,截止状态VB<VE,VB>VC:发射结反偏,集电结正偏,反向运用状态PNP:VB<VE,VB>VC:发射结正偏,集电结反偏,放大状态VB<VE,VB<VC:发射结正偏,集电结正偏,饱和状态VB>VE,VB>VC:发射结反偏,集电结反偏,截止状态VB>VE,VB<VC:发射结反偏,集电结正偏,反向运用状态7、三极管的结构与分类晶体三极管晶体三极管又称半导体三极管,简称晶体管或三极管。
npn和pnp的辨别方法【原创实用版4篇】目录(篇1)1.引言2.NPN和PNP的原理3.NPN和PNP的区别4.NPN和PNP的应用场景5.结论正文(篇1)一、引言在电子电路中,NPN和PNP是两种常见的晶体管结构。
本篇文章将介绍NPN和PNP的基本原理,以及它们之间的区别和应用场景。
二、NPN和PNP的原理PN(Negative-Positive-Negative)是一种三极管结构,其中三个电极分别为基极、发射极和集电极。
NPN晶体管通过基极电流来控制集电极电流,具有放大作用。
而PNP(Positive-Positive-Negative)则是一种类似的晶体管结构,其中三个电极分别为正极、负极和正极。
三、NPN和PNP的区别1.电流方向:NPN的电流从集电极流向基极,而PNP的电流从基极流向集电极。
2.极性:NPN为负偏置,PNP为正偏置。
3.输出特性:NPN具有饱和性输出,而PNP具有线性输出。
四、NPN和PNP的应用场景1.NPN通常用于放大电路,可以作为输入信号的放大器。
此外,它还可以用于驱动功率晶体管,如MOSFET或BJT。
2.PNP通常用于恒流电路或电流源电路,例如DC电源电路。
此外,它还可以用于保护电路,如浪涌保护器。
五、结论PN和PNP是电子电路中常用的两种晶体管结构。
它们之间的区别在于电流方向、极性和输出特性。
目录(篇2)1.引言2.NPN和PNP的原理3.NPN和PNP的区别4.NPN和PNP的应用场景5.结论正文(篇2)一、引言在电子电路中,NPN和PNP是两种常见的放大器类型。
为了更好地理解这两种类型的放大器,我们需要先了解它们的原理。
NPN和PNP都是基于三极管的工作原理,但它们的输出电流方向不同。
二、NPN和PNP的原理PN(Negative-Positive-Negative)是一种三极管结构,其中三个电极分别是基极、发射极和集电极。
当基极电压高于发射极电压时,电流从基极流向发射极,并在集电极中产生电流。
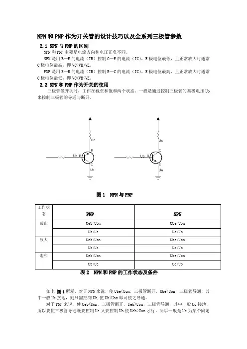
NPN和PNP作为开关管的设计技巧以及全系列三极管参数2.1 NPN与PNP的区别NPN和PNP主要是电流方向和电压正负不同。
NPN是用B—E的电流(IB)控制C—E的电流(IC),E极电位最低,且正常放大时通常C极电位最高,即VC>VB>VE。
PNP是用E—B的电流(IB)控制E—C的电流(IC),E极电位最高,且正常放大时通常C极电位最低,即VC<VB<VE。
2.2 NPN和PNP作为开关的使用三极管做开关时,工作在截至和饱和两个状态。
一般是通过控制三极管的基极电压Ub 来控制三极管的导通与断开。
图1 NPN与PNP工作状态PNP NPN截止Ueb<Uon Ube<UonUb>Uc Uc>Ub放大Ueb>Uon Ube>UonUb>Uc Uc>Ub饱和Ueb>Uon Ube>UonUb<Uc Uc<Ub如上图1所示,对于NPN来说,使Ube<Uon,三极管断开,Ube>Uon,三极管导通,其中一般Ue接地,则只需控制Ub,使Ub>Uon即可使之导通。
对于PNP来说,使Ueb<Uon,三极管断开,Ueb>Uon,三极管导通,其中一般Uc接地,所以要使三极管导通既要控制Ue又要控制Ub使Ueb>Uon才行。
所以一般是Ue为某个固定电压值,只通过控制Ub来就可以控制三极管的导通与断开。
对比NPN与PNP可知:NPN做开关时,适合放在电路的接地端使用,如图2里面Q6; PNP 做开关时,适合放在电路的电源端使用,如图3。
我们一般使用芯片I/O口来控制LED灯,I/O口的逻辑电平一般为高电平3 V左右,低电平为0.3V左右。
因此可以直接控制NPN管开关,如图2里面的Q6;一般不直接控制PNP 管,如图3。
我们前控板设计LED的控制电路采用如下图2的NPN三极管对地较为合适,并且双色灯最好是使用共阳双色灯。
教你怎样用万用表判断三极管的类型及基极[NPN,PNP].txt没有不疼的伤口,只有流着血却微笑的人有时候给别人最简单的建议却是自己最难做到的。
一只标志不清的晶体管三极管,可以用万用表判断它的极性,确定它是硅管还是锗管,并同时区分它的管脚。
对于一般小功率管,判断时一般只宜用Rx1K档.步骤如下:1. 正测与反测将红黑表笔测晶体管的任意两脚电阻,再红黑表笔互换仍测这两脚电阻,两次测量电阻读数不同,我们把电阻读数较小的那次测量叫正测,我们把电阻读数较大的那次测量叫反测。
2. 确定基极将晶体管三只管脚编上号1.2.3. 万用表作三种测量,即1-2, 2-3,3-1,每种又分正测和反测。
这六次测量中, 有三次属正测,且电阻读数个不相同。
找出正测电阻最大的那只管脚,例如1-2,另一支管脚3便是基极。
这是由于不论管或管,都为两个二极管反向连接而成(如附图)。
发射极,集电极与基极间的正测电阻即一般二极管正向电阻,很小。
当两表笔接集电极和发射极时,其阻值远大于一般二极管正向电阻。
3. 判别极性黑表笔接已确定的基极,红表笔接另一任意极,若为正测,则为NPN管,若为反测,则为PNP管。
这是因为黑表笔接万用表内电池正端,如为正测,黑表笔接的是P端,晶体管属NPN型。
如为反测,黑表笔接的是N端,晶体管属PNP型。
4. 确定集电极和发射极对集电极和发射极作正测。
在正测时,对NPN管黑表笔接的是集电极,对PNP管,黑表笔接的是发射极。
这是因为不论正测或反测,都有一个PN结处于反向,电池电压大部分降落在反向的PN结上。
发射结正偏,集电路反偏时流过的电流较大,呈现的电阻较小。
所以对NPN管,当集,射间电阻较小时,集电极接的是电池正极,即接的是黑表笔。
对PNP管,当集,射间的电阻较小时,发射极接的是黑表笔。
5. 判别是硅管还是锗管对发射极基极做正测,若指针偏转了1/2--3/5,是硅管。
若指针偏转了4/5以上,是锗管。
这是因为电阻挡对基——射极作正测时, 加在基射间的电压是Ube=(1-n/N)E, E=1.5v是电池电压,N是有线性刻度的某一直流电压的总分格数,n是表针在该刻度线上偏转的分格数。
判断npn和pnp的例题【实用版】目录1.NPN 和 PNP 晶体管的基本概念2.NPN 和 PNP 晶体管的电路符号3.NPN 和 PNP 晶体管的导通条件4.NPN 和 PNP 晶体管的例题及解答正文一、NPN 和 PNP 晶体管的基本概念PN 和 PNP 晶体管是两种常见的三极管,它们广泛应用于放大、开关、调制、稳压等电路。
NPN 晶体管由两个 n 型半导体和一个 p 型半导体组成,而 PNP 晶体管由两个 p 型半导体和一个 n 型半导体组成。
二、NPN 和 PNP 晶体管的电路符号PN 晶体管的电路符号为一个 n 型半导体(发射极)连接到一个 p 型半导体(基极),再连接到一个 p 型半导体(集电极)。
PNP 晶体管的电路符号为一个 p 型半导体(发射极)连接到一个 n 型半导体(基极),再连接到一个 n 型半导体(集电极)。
三、NPN 和 PNP 晶体管的导通条件PN 晶体管的导通条件是:发射极电流大于基极电流,即 Ie > Ib;PNP 晶体管的导通条件是:发射极电流大于基极电流,即 Ie > Ib。
四、NPN 和 PNP 晶体管的例题及解答例题 1:判断 NPN 晶体管是否导通。
已知发射极电流 Ie=10mA,基极电流 Ib=5mA。
解答:由于 Ie > Ib,所以 NPN 晶体管导通。
例题 2:判断 PNP 晶体管是否导通。
已知发射极电流 Ie=10mA,基极电流 Ib=5mA。
解答:由于 Ie > Ib,所以 PNP 晶体管导通。
总结:在判断 NPN 和 PNP 晶体管是否导通时,需要比较发射极电流和基极电流的大小。
三极管在电路中的工作状态以及工作条件b 极无电流时三极管工作在截止状态,c到e之间阻值无穷大,c到e之间无电流通过。
NPN型三极管要截止的电压条件是发射结电压Ube小于0、7V 即Ub-Ue<0、7VPNP型三极管要截止的电压条件是发射结电压Ueb小于0、7V 即Ue-Ub<0、7V(2)、放大区:三极管的b极有电流,Ic和Ie都随Ib改变而变化,即c极电流Ic和e极电流Ie的大小受b极电流Ib控制。
Ib越大,Rce 越小,Ice越大;反之Ib越小,Rce越大,Ice越小。
在基极加上一个小信号电流,引起集电极大的信号电流输出。
NPN三极管要满足放大的电压条件是发射极加正向电压,集电极加反向电压:Ube=0、7V即Ub-Ue=0、7VPNP三极管要满足放大的电压条件是发射极加正向电压,集电极加反向电压:Ueb=0、7V即Ue-Ub=0、7V (3)、饱和区:当三极管的集电结电流IC增大到一定程度时,再增大Ib,Ic也不会增大,超出了放大区,进入了饱和区。
饱和时,集电极和发射之间的内阻最小,集电极和发射之间的电流最大。
三极管没有放大作用,集电极和发射极相当于短路,常与截止配合于开关电路。
NPN型三极管要满足饱和的电压条件是发射结和集电结均处于正向电压:Ube>0、7V即Ub-Ue>0、7VPNP型三极管要满足饱和的电压条件是发射结和集电结均处于正向电压:Ueb>0、7V即Ue-Ub>0、7V从三极管的伏安特性可知:其工作区域分截止区、放大区、饱和区;放大区在截止区和饱和区之间,如果静态工作点不合适,偏向截止或饱和区,放大的信号会进入偏向的区域,其信号会产生失真。
NPN:Uce=Uc-Ue>0;PNP:Uce<0。
三极管之——PNP与NPN一.PNP与NPN 晶体管的检测方法NPN和PNP主要就是电流方向和电压正负不同,说得“专业”一点,就是“极性”问题。
方法一:鉴别基极B将数字万用表拨至二极管档,红表笔固定任接某个引脚,用黑表笔依次接触另外两个引脚,如果两次显示值均小于1V或都显示溢出符号“1”,则红表笔所接的引脚就是基极B。
如果在两次测试中,一次显示值小于1V,另一次显示溢出符号“1”,表明红表笔接的引脚不是基极B,此时应改换其他引脚重新测量,直到找出基极B为止。
区分NPN管与PNP管使用数字万用表的二极管档。
按上述操作确认基极B之后,将红表笔接基极B,用黑表笔先后接触其他两个引脚。
如果都显示0.500~0.800V,则被测管属于NPN型;若两次都显示溢出符号“1”,则表明被测管属于PNP管。
方法二:判定基极。
用万用表R×100或R×1k挡测量管子三个电极中每两个极之间的正、反向电阻值。
当第一根表笔接某一电极,而第二表笔先后接触另外两个电极均测得低阻值时,则第一根表笔所接的那个电极即为基极b。
这时,要注意万用表表笔的极性,如果红表笔接的是基极b。
黑表笔分别接在其他两极时,测得的阻值都较小,则可判定被测管子为PNP型三极管;如果黑表笔接的是基极b,红表笔分别接触其他两极时,测得的阻值较小,则被测三极管为NPN 型管如9013,9014,9018。
小注:使用数字万用表的二极管档测量二极管的正向压降,这时读数的单位是mV。
例如,用该档检测2AP3型二极管的正向压降,显示为“352”,即表示352mV或0.352V(此管为锗管)。
用该档检测IN4007型二极管时,正向显示为“509”,即表示正向压降为509mV或0.509V(此管为硅管)。
数字万用表的二极管档,还可以用来检测电路是否短路。
二、常见三极管之——9013 、90129013三极管9013是一种NPN型硅小功率的三极管它是非常常见的晶体三极管,在收音机以及各种放大电路中经常看到它,应用范围很广,它是NPN型小功率三极管。
三极管状态判断NPN管:放大状态Vc>Vb>Ve,饱和状态Vb>ve,Vb>vc,截止状态Vc=+V,Vb=0PNP管:放大状态Ve>Vb>Vc,饱和状态Vb<ve,Vb<vc,截止状态Vc=-V(负电源供电)饱和状态时Vce为0.2V(npn和pnp管都是一样的)静态工作点可以测量出来发射结和集电结都是正向偏置时就已经饱和了.此时,Ube>Uce.当晶体管的Ube增大时,Ic不是明显的增大说明进入饱和状态,对于小功率管,可以认为当Uce=Ube,即Ucb=0时,处于临界饱三极管简介晶体三极管的结构和类型晶体三极管,是半导体基本元器件之一,具有电流放大作用,是电子电路的核心元件。
三极管是在一块半导体基片上制作两个相距很近的PN结,两个PN结把正块半导体分成三部分,中间部分是基区,两侧部分是发射区和集电区,排列方式有PNP和NPN两种,从三个区引出相应的电极,分别为基极b发射极e和集电极c。
发射区和基区之间的PN结叫发射结,集电区和基区之间的PN结叫集电极。
基区很薄,而发射区较厚,杂质浓度大,PNP型三极管发射区"发射"的是空穴,其移动方向与电流方向一致,故发射极箭头向里;NPN型三极管发射区"发射"的是自由电子,其移动方向与电流方向相反,故发射极箭头向外。
发射极箭头向外。
发射极箭头指向也是PN结在正向电压下的导通方向。
硅晶体三极管和锗晶体三极管都有PNP型和NPN型两种类型。
三极管的封装形式和管脚识别常用三极管的封装形式有金属封装和塑料封装两大类,引脚的排列方式具有一定的规律,底视图位置放置,使三个引脚构成等腰三角形的顶点上,从左向右依次为e b c;对于中小功率塑料三极管按图使其平面朝向自己,三个引脚朝下放置,则从左到右依次为e b c。
目前,国内各种类型的晶体三极管有许多种,管脚的排列不尽相同,在使用中不确定管脚排列的三极管,必须进行测量确定各管脚正确的位置,或查找晶体管使用手册,明确三极管的特性及相应的技术参数和资料。