岩石软硬界定
- 格式:doc
- 大小:28.00 KB
- 文档页数:2
1工民建工程1.1、岩石坚硬程度分类《岩土工程勘察规范》GB50021—2001注:1 当无法取得饱和单轴抗压强度数据时,科用点荷载试验强度换算,换算方法按现行国家标准《工程岩体分级标准》(GB50218)执行;2 当岩体完整程度极为破碎时,可不进行坚硬程度分类。
1.2、岩石坚硬程度等级定性分类《岩土工程勘察规范》GB50021—20011.4-2、岩体完整程度划分《建筑地基基础设计规范》(GB50007—2002)注:1 波速比Kv为风化岩石与新鲜岩石压缩波速度之比;2 风化系数K f为岩石与新鲜岩石饱和单轴抗压强度之比;3 花岗岩类岩石,可采用标准贯入试验划分,N≥50为强风化;50>N≥30为全风化;N<30为残积土。
4 泥岩和半成岩,可不进行风化程度划分。
1.6、岩体基本质量等级分类《岩土工程勘察规范》GB50021—20011.10、岩体按结构类型划分《岩土工程勘察规范》GB50021—20012 公路工程2.1、岩石坚硬程度分级《公路桥涵地基与基础设计规范》(JTG D63—2007)注:1 波速比Kv为风化岩石与新鲜岩石压缩波速度之比;2 风化系数K f为岩石与新鲜岩石饱和单轴抗压强度之比;3 花岗岩类岩石,可采用标准贯入试验划分,N≥50为强风化;50>N≥30为全风化;N<30为残积土。
4 泥岩和半成岩,可不进行风化程度划分。
2.7、岩石完整程度定性分级《公路桥涵地基与基础设计规范》(JTG D63—2007)2.10、Rc与岩石坚硬程度定性划分的关系《公路隧道设计规范》(JTG D70—2004)2.11、岩石完整程度定性分级《公路隧道设计规范》(JTG D70—2004)注:1 本表不适应于特殊条件的围岩分级,如膨胀性围岩、多年冻土等。
2 围岩基本质量指标(BQ):BQ=90+3Rc+250KvRc —岩石单轴饱和抗压强度(MPa );Kv —岩体完整性系数。
①当Rc >90Kv +30时,应以Rc =90Kv +30和Kv 代入计算BQ 值。
岩石分类及硬度级别岩石级别坚固程度代表性岩石Ⅰ最坚固最坚固、致密、有韧性的石英岩、玄武岩和其他各种特别坚固的岩石。
(f=20)Ⅱ很坚固很坚固的花岗岩、石英斑岩、硅质片岩,较坚固的石英岩,最坚固的砂岩和石灰岩.(f=15)Ⅲ坚固致密的花岗岩,很坚固的砂岩和石灰岩,石英矿脉,坚固的砾岩,很坚固的铁矿石.(f=10) Ⅲa 坚固坚固的砂岩、石灰岩、大理岩、白云岩、黄铁矿,不坚固的花岗岩。
(f=8) Ⅳ比较坚固一般的砂岩、铁矿石(f=6)Ⅳa 比较坚固砂质页岩,页岩质砂岩。
(f=5)Ⅴ中等坚固坚固的泥质页岩,不坚固的砂岩和石灰岩,软砾石。
(f=4)Ⅴa 中等坚固各种不坚固的页岩,致密的泥灰岩.(f=3)Ⅵ比较软软弱页岩,很软的石灰岩,白垩,盐岩,石膏,无烟煤,破碎的砂岩和石质土壤.(f=2)Ⅵa 比较软碎石质土壤,破碎的页岩,粘结成块的砾石、碎石,坚固的煤,硬化的粘土。
(f=1.5)Ⅶ软软致密粘土,较软的烟煤,坚固的冲击土层,粘土质土壤。
(f=1)Ⅶa 软软砂质粘土、砾石,黄土。
(f=0.8)Ⅷ土状腐殖土,泥煤,软砂质土壤,湿砂。
(f=0.6)Ⅸ松散状砂,山砾堆积,细砾石,松土,开采下来的煤.(f=0.5)Ⅹ流沙状流沙,沼泽土壤,含水黄土及其他含水土壤. (f=0.3) A 表示矿岩的坚固性的量化指标.人们在长期的实践中认识到,有些岩石不容易破坏,有一些则难于破碎。
难于破碎的岩石一般也难于凿岩,难于爆破,则它们的硬度也比较大,概括的说就是比较坚固。
因此,人们就用岩石的坚固性这个概念来表示岩石在破碎时的难易程度。
坚固性的大小用坚固性系数来表示又叫硬度系数,也叫普氏硬度系数f值)。
坚固性系数f=R/100 (R单位kg/cm2)式中R——为岩石标准试样的单向极限抗压强度值。
通常用的普氏岩石分及法就是根据坚固性系数来进行岩石分级的。
如:①极坚固岩石 f=15~20(坚固的花岗岩,石灰岩,石英岩等)②坚硬岩石 f=8 ~10(如不坚固的花岗岩,坚固的砂岩等)③中等坚固岩石 f=4 ~6 (如普通砂岩,铁矿等)④不坚固岩石 f=0.8~3 (如黄土、仅为0.3)矿岩的坚固性也是一种抵抗外力的性质,但它与矿岩的强度却是两种不同的概念。
1工民建工程之答禄夫天创作换算方法按现行国家尺度《工程岩体分级尺度》(GB50218)执行;2 当岩体完整程度极为破碎时,可不进行坚硬程度分类。
—2风化系数K f为岩石与新鲜岩石饱和单轴抗压强度之比;3花岗岩类岩石,可采取尺度贯入试验划分,N≥50为强风化;50>N≥30为全风化;N<30为残积土。
4 泥岩和半成岩,可不进行风化程度划分。
R强度之比。
2.1、岩石坚硬程度分级《公路桥涵地基与基础设计规范》(JTG D63—2.2、岩体完整程度划分《公路桥涵地基与基础设计规范》(JTG D632.3、岩体节理发育程度分类《公路桥涵地基与基础设计规范》(JTG D63JTGR强度之比。
2.5、岩石坚硬程度的定性分级《公路桥涵地基与基础设计规范》(JTGJTG2风化系数K f为岩石与新鲜岩石饱和单轴抗压强度之比;3花岗岩类岩石,可采取尺度贯入试验划分,N≥50为强风化;50>N≥30为全风化;N<30为残积土。
4 泥岩和半成岩,可不进行风化程度划分。
2.7、岩石完整程度定性分级《公路桥涵地基与基础设计规范》(JTG2.8、岩石地基承载力基本容许值[f ao]《公路桥涵地基与基础设计规范》——2.12、岩体完整程度按岩体完整性系数(Kv)划分《公路隧道设计规范》体体积节理数Jv确定对应的Kv值。
Kv=(Vpm/Vpr)2Vpm—岩体弹性纵波速度(Km/s);Vpr—岩石弹性纵波速度(Km/s)。
2 围岩基实质量指标(BQ):BQ=90+3Rc+250KvRc—岩石单轴饱和抗压强度(MPa);Kv—岩体完整性系数。
①当Rc>90Kv+30时,应以Rc=90Kv+30和Kv代入计算BQ 值。
②当Kv>0.04Rc+0.4时,应以Kv=0.04Rc+0.4和Rc代入计算BQ值。
3 围岩基实质量指标修正值[BQ]:[BQ]=BQ-100(K1+K2+K3)K1—地下水影响修正系数;K2—主要软弱结构面产状影响修正系数;K3—初始应力状态影响修正系数。
岩石坚硬程度分类表
岩石坚硬程度等级的定性分类
岩体完整程度的定性分类
岩体完整程度分类
注:完整性指数为岩体压缩波速度与岩块压缩波速度之比的平方。
f干/f湿V 0.75为软化岩石。
岩石质量按RQD分为:好的RQD >90%;较好的RQD=75〜90% ; 较差的RQD=50~75% ;差的RQD=25~50% ;极差的RQD V 0.25%0
岩层厚度划分:巨厚层h> 1m;厚层1 >h> 0.5; 0.5 > h>0.1 ; h< 0.1。
岩体结构类型划分
岩体质量基本分类
岩石纵波速度V p与抗压强度R石对应关系
岩体质量分类及承载力表
注:1/6R w, 1/4R w
坝基岩体力学参数
,,
结构面、软弱层和断层的抗剪断与抗剪强度
坝基岩体允许承载力经验取值。
岩石分类及硬度级别岩石级别坚固程度代表性岩石Ⅰ最坚固最坚固、致密、有韧性的石英岩、玄武岩和其他各种特别坚固的岩石。
(f=20)Ⅱ很坚固很坚固的花岗岩、石英斑岩、硅质片岩,较坚固的石英岩,最坚固的砂岩和石灰岩.(f=15) Ⅲ坚固致密的花岗岩,很坚固的砂岩和石灰岩,石英矿脉,坚固的砾岩,很坚固的铁矿石.(f=10)Ⅲa 坚固坚固的砂岩、石灰岩、大理岩、白云岩、黄铁矿,不坚固的花岗岩。
(f=8)Ⅳ比较坚固一般的砂岩、铁矿石(f=6)Ⅳa 比较坚固砂质页岩,页岩质砂岩。
(f=5)Ⅴ中等坚固坚固的泥质页岩,不坚固的砂岩和石灰岩,软砾石。
(f=4)Ⅴa 中等坚固各种不坚固的页岩,致密的泥灰岩.(f=3)Ⅵ比较软软弱页岩,很软的石灰岩,白垩,盐岩,石膏,无烟煤,破碎的砂岩和石质土壤.(f=2)Ⅵa 比较软碎石质土壤,破碎的页岩,粘结成块的砾石、碎石,坚固的煤,硬化的粘土。
(f=1.5)Ⅶ软软致密粘土,较软的烟煤,坚固的冲击土层,粘土质土壤。
(f=1)Ⅶa 软软砂质粘土、砾石,黄土。
(f=0.8)Ⅷ土状腐殖土,泥煤,软砂质土壤,湿砂。
(f=0.6)Ⅸ松散状砂,山砾堆积,细砾石,松土,开采下来的煤.(f=0.5)Ⅹ流沙状流沙,沼泽土壤,含水黄土及其他含水土壤.(f=0.3) A表示矿岩的坚固性的量化指标.人们在长期的实践中认识到,有些岩石不容易破坏,有一些则难于破碎。
难于破碎的岩石一般也难于凿岩,难于爆破,则它们的硬度也比较大,概括的说就是比较坚固。
因此,人们就用岩石的坚固性这个概念来表示岩石在破碎时的难易程度。
坚固性的大小用坚固性系数来表示又叫硬度系数,也叫普氏硬度系数f值)。
坚固性系数f=R/100 (R单位kg/cm2)式中R——为岩石标准试样的单向极限抗压强度值。
通常用的普氏岩石分及法就是根据坚固性系数来进行岩石分级的。
如:①极坚固岩石f=15~20(坚固的花岗岩,石灰岩,石英岩等)②坚硬岩石f=8 ~10(如不坚固的花岗岩,坚固的砂岩等)③中等坚固岩石f=4 ~6 (如普通砂岩,铁矿等)④不坚固岩石f=0.8~3 (如黄土、仅为0.3)矿岩的坚固性也是一种抵抗外力的性质,但它与矿岩的强度却是两种不同的概念。
1工民建工程1.1、岩石坚硬程度分类《岩土工程勘察规范》GB50021—20011.4-1、岩石完整程度的定性分类《岩土工程勘察规范》GB50021—20011.5、岩石按风化程度分类《岩土工程勘察规范》GB50021—2001注:1 波速比Kv为风化岩石与新鲜岩石压缩波速度之比;2 风化系数K为岩石与新鲜岩石饱和单轴抗压强度之比;f3 花岗岩类岩石,可采用标准贯入试验划分,N≥50为强风化;50>N≥30为全风化;N<30为残积土。
4 泥岩和半成岩,可不进行风化程度划分。
1.6、岩体基本质量等级分类《岩土工程勘察规范》GB50021—20011.8、岩层厚度分类《岩土工程勘察规范》GB50021—20012 公路工程2.1、岩石坚硬程度分级《公路桥涵地基与基础设计规范》(JTG D63—2007)2007)2.4、岩石按软化系数分类《公路桥涵地基与基础设计规范》(JTG D63—2007)注:软化系数(K)等于饱和状态与风干状态的岩石单轴极限抗压强度之比。
R注:1 波速比Kv为风化岩石与新鲜岩石压缩波速度之比;2.9、岩石坚硬程度的定性划分《公路隧道设计规范》(JTG D70—2004)2.10、Rc与岩石坚硬程度定性划分的关系《公路隧道设计规范》(JTG D70—注:岩体完整性指标Kv应采用实测值,当无条件取得实测值时,也可用岩体体积节理数Jv确定对应的Kv值。
Kv=(Vpm/Vpr)2Vpm—岩体弹性纵波速度(Km/s);Vpr—岩石弹性纵波速度(Km/s)。
2.13、公路隧道围岩分级《公路隧道设计规范》(JTG D70—2004)①当Rc>90Kv+30时,应以Rc=90Kv+30和Kv代入计算BQ值。
②当Kv>0.04Rc+0.4时,应以Kv=0.04Rc+0.4和Rc代入计算BQ值。
3 围岩基本质量指标修正值[BQ]:[BQ]=BQ-100(K1+K2+K3)K 1—地下水影响修正系数;K 2—主要软弱结构面产状影响修正系数;K 3—初始应力状态影响修正系数。
十二级岩石的划分(岩石强度等级划分)根据岩石建造类型、结构面特征及其组成岩石的岩性和强度等特征,岩体分为岩浆岩、变质岩、碎屑岩、碳酸盐岩和特殊岩石等5个工程地质岩类。
每个岩类再划分为若干岩组,共计18个岩组。
根据土体的成因类型、物质组成及工程特征,土体划分为两类11个组。
(一)岩体工程地质特征1、岩浆岩类(1)坚硬—软弱块—层状基性喷出岩。
火山熔岩为块状,较坚硬—坚硬,干抗压强度48.0—193.0兆帕,软化系数0.64—0.99,岩体稳定性较好;火山碎屑岩为似层状或层状,软弱—较坚硬,干抗压强度10.9—56.0兆帕,软化系数0.43—0.54,岩体稳定性差。
力学强度的高低与岩石的节理裂隙发育和风化程度有关。
中等风化玄武岩强度为微风化—新鲜的20—50%;火山碎屑岩易受风化,中等风化的锤击易碎。
(2)坚硬—较坚硬层状中—酸性喷出岩。
岩石干抗压强度多大于108兆帕。
流纹岩垂直和水平方向上的力学强度变化较大,在一定条件下可成为岩组中相对软弱的夹层。
使岩体稳定性变差。
(3)坚硬块状侵入岩。
岩石以中—粗粒或斑状结构为主,块状构造,新鲜者致密坚硬,裂隙不发育,力学强度普遍较高,尤其是新鲜花岗岩,抗压强度一般大于98兆帕。
2、变质岩类(1)软硬相间薄—中厚层状变质砂页岩。
岩层厚薄不等,软硬相间,岩石的完整性和抗风化能力差异很大,力学强度各向异性。
片岩、千枚岩、板岩等软弱岩石,节理裂隙较发育,垂直干抗压强度12.0—113兆帕;石英岩、变质砂岩、硅质岩等硬质岩石,较坚硬—坚硬,垂直干抗压强度43.0—260兆帕,最高达338兆帕。
风化岩石干抗压强仅40—90兆帕。
(2)坚硬块状混合岩类。
岩石呈块状,完整性好,坚硬,干抗压强度59—196兆帕,强风化者为22兆帕。
(3)软弱碎裂状构造岩。
岩石破碎,透水性强,压碎花岗岩垂直饱和抗压强度为73兆帕,部分小于20兆帕。
3、碎屑岩(1)软弱—较坚硬,中—厚层状红色砂泥岩。
岩石分类及硬度级别岩石级别坚固程度代表性岩石Ⅰ最坚固最坚固、致密、有韧性的石英岩、玄武岩和其他各种特别坚固的岩石。
(f=20)Ⅱ很坚固很坚固的花岗岩、石英斑岩、硅质片岩,较坚固的石英岩,最坚固的砂岩和石灰岩.(f=15)Ⅲ坚固致密的花岗岩,很坚固的砂岩和石灰岩,石英矿脉,坚固的砾岩,很坚固的铁矿石.(f=10)Ⅲa 坚固坚固的砂岩、石灰岩、大理岩、白云岩、黄铁矿,不坚固的花岗岩。
(f=8)Ⅳ比较坚固一般的砂岩、铁矿石(f=6)Ⅳa 比较坚固砂质页岩,页岩质砂岩。
(f=5)Ⅴ中等坚固坚固的泥质页岩,不坚固的砂岩和石灰岩,软砾石。
(f=4)Ⅴa 中等坚固各种不坚固的页岩,致密的泥灰岩.(f=3)Ⅵ比较软软弱页岩,很软的石灰岩,白垩,盐岩,石膏,无烟煤,破碎的砂岩和石质土壤.(f=2)Ⅵa 比较软碎石质土壤,破碎的页岩,粘结成块的砾石、碎石,坚固的煤,硬化的粘土。
(f=1.5)Ⅶ软软致密粘土,较软的烟煤,坚固的冲击土层,粘土质土壤。
(f=1)Ⅶa 软软砂质粘土、砾石,黄土。
(f=0.8)Ⅷ土状腐殖土,泥煤,软砂质土壤,湿砂。
(f=0.6)Ⅸ松散状砂,山砾堆积,细砾石,松土,开采下来的煤.(f=0.5)Ⅹ流沙状流沙,沼泽土壤,含水黄土及其他含水土壤.(f=0.3) A表示矿岩的坚固性的量化指标.人们在长期的实践中认识到,有些岩石不容易破坏,有一些则难于破碎。
难于破碎的岩石一般也难于凿岩,难于爆破,则它们的硬度也比较大,概括的说就是比较坚固。
因此,人们就用岩石的坚固性这个概念来表示岩石在破碎时的难易程度。
坚固性的大小用坚固性系数来表示又叫硬度系数,也叫普氏硬度系数f值)。
坚固性系数f=R/100 (R单位kg/cm2)式中R——为岩石标准试样的单向极限抗压强度值。
通常用的普氏岩石分及法就是根据坚固性系数来进行岩石分级的。
如:①极坚固岩石f=15~20(坚固的花岗岩,石灰岩,石英岩等)②坚硬岩石f=8 ~10(如不坚固的花岗岩,坚固的砂岩等)③中等坚固岩石f=4 ~6 (如普通砂岩,铁矿等)④不坚固岩石f=0.8~3 (如黄土、仅为0.3)矿岩的坚固性也是一种抵抗外力的性质,但它与矿岩的强度却是两种不同的概念。
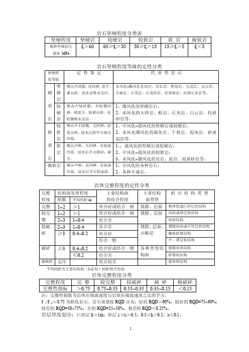
各种规范岩石分类1 工民建工程坚硬程度坚硬岩较硬岩较软岩软岩极软岩饱和单轴抗压强度(Mpa)f r>60 60≥f r>3030≥f r>1515≥f r>5F r≤5注:1 当无法取得饱和单轴抗压强度数据时,科用点荷载试验强度换算,换算方法按现行国家标准《工程岩体分级标准》(GB50218)执行;2 当岩体完整程度极为破碎时,可不进行坚硬程度分类。
1.2、岩石坚硬程度等级定性分类《岩土工程勘察规范》GB50021—2001坚硬程度等级定性鉴定代表性岩石硬质岩坚硬岩锤击声清脆,有回弹,震手,难击碎,基本无吸水反应未风化~微风化的花岗岩、闪长岩、辉绿岩、玄武岩、安山岩、片麻岩、石英岩、石英砂岩、硅质砾岩、硅质石灰岩等较硬岩锤击声较清脆,有轻微回弹,稍震手,较难击碎,有轻微吸水反应1微风化的坚硬岩;2未风化~微风化的大理岩、板岩、石灰岩、白云岩、钙质砂岩等软质岩较软岩锤击声不清脆,无回弹,较易击碎,浸水后指甲可刻划出印痕1中等风化~强风化的坚硬岩或较硬岩;2未风化~微风化的凝灰岩、千枚岩、泥灰岩、砂质泥岩等软岩锤击声哑,无回弹,有凹痕,易击碎,浸水后手可掰开1强风化的坚硬岩或较硬岩;2中等风化~强风化的较软岩;3未风化~微风化的页岩、泥岩、泥质砂岩等极软岩锤击声哑,无回弹,有较深凹痕,手可捏碎,浸水后可捏成团1全风化的各种岩石;2各种半成岩1.3、岩体完整程度分类《岩土工程勘察规范》GB50021—2001完整程度完整较完整较破碎破碎极破碎完整性指数>0.75 0.75~0.55 0.55~0.35 0.35~0.15 <0.15 注: 完整性指数为岩体压缩波速与岩块压缩波速之比的平方。
完整程度结构面发育程度主要结构面的结合程度主要结构面类型相应结构类型组数平均间距(m)完整1~2 >1.0 结合好或结合一般裂隙、层面整体状或巨厚层状结构较完整1~2 >1.0 结合差裂隙、层面块状或厚层状结构2~3 1.0~0.4 结合好或结合一般块状结构较破碎2~3 1.0~0.4 结合差裂隙、层面、小断层裂隙块状或中厚层状结构≥3 0.4~0.2结合好镶嵌碎裂结构结合一般中、薄层状结构破碎≥3 0.4~0.2 结合差各种类型结构面裂隙块状结构≤0.2 结合一般或结合差碎裂状结构极破碎无序结合很差散体状结构1.4-2、岩体完整程度划分《建筑地基基础设计规范》(GB50007—2002)名称结构面组数控制性结构面平均间距(m)代表性结构类型完整1~2 >1.0 整状结构较完整2~3 0.4~1.0 块状结构较破碎>3 0.2~0.4 镶嵌状结构极破碎无序—散体状结构1.5、岩石按风化程度分类《岩土工程勘察规范》GB50021—2001风化程度野外特征风化程度参数指标波速比Kv 风化系数K f未风化岩质新鲜,偶见风化痕迹0.9~1.0 0.9~1.0 微风化结构基本未变,仅节理面有渲染或略有变色,有少量风化裂隙0.8~0.9 0.8~0.9中等风化结构部分破坏,沿节理面有次生矿物,风化裂隙发育,岩体被切割成岩块。
软硬互层岩体的定义1.引言1.1 概述软硬互层岩体是指由软岩和硬岩交替堆叠而成的一种特殊岩石体。
在这种岩体中,软硬岩层以不同层位交替出现,形成了一种独特的地质结构。
软硬互层岩体的研究已成为地质学和岩土工程领域的重要课题。
概括而言,软硬互层岩体的定义可以理解为由软岩和硬岩层交替组成的层状岩石体。
软岩通常具有较低的强度和较高的变形性,而硬岩则相对坚硬且强度较高。
软硬互层岩体的软岩层和硬岩层呈现出不同的物理性质和力学特性,对工程施工和地质灾害的影响巨大。
软硬互层岩体的特征主要体现在以下几个方面。
首先,软岩层和硬岩层的厚度和性质有明显的差异,形成了分层结构。
其次,软硬岩层的接触面上往往存在较强的接触剪切面和接触面的变形带。
再者,软硬互层岩体中的软岩层在应力作用下容易发生变形,而硬岩层则相对稳定,这种差异性也是造成岩体变形和破坏的主要原因之一。
软硬互层岩体的研究具有重要的理论和实际意义。
首先,对软硬互层岩体的深入研究可以为岩土工程的设计和施工提供可靠的理论依据和技术指导。
其次,软硬互层岩体的研究对于地质灾害的预防与治理、岩石力学的发展以及地质资源的开发利用都具有重要的意义。
在未来的研究中,我们需要进一步完善对软硬互层岩体的定义和分类。
同时,还应加强对软硬互层岩体的力学性质、变形特征和破坏规律等方面的研究,以提高对岩体行为的认识和理解。
这些研究成果的应用将在岩土工程和地质灾害防治等领域中发挥重要作用,为社会经济的发展和人类生活的改善做出积极贡献。
1.2 文章结构文章结构部分的内容可以按照以下方式进行编写:文章结构:本文主要从软硬互层岩体的定义和特征两个方面展开讨论。
首先,在引言部分概述了本文的内容,并明确了文章的目的与意义。
接着,在正文部分,我们将详细介绍软硬互层岩体的概念以及其特征。
而后,在结论部分,我们会对软硬互层岩体的定义和分类进行总结,并进一步探讨其研究的意义和应用前景。
通过以上的结构安排,本文将全面系统地探讨软硬互层岩体的相关问题,旨在深入理解其定义和特征,并探究其在实际应用中的价值。
岩石按岩体分级标准GB50218-94是如何进行工程分类的?岩石级别坚固程度代表性岩石0Ⅰ最坚固最坚固、致密、有韧性的石英岩、玄武岩和其他0各种特别坚固的岩石。
(f=20) 0Ⅱ很坚固很坚固的花岗岩、石英斑岩、硅质片岩,较坚固0的石英岩,最坚固的砂岩和石灰岩.(f=15) 0Ⅲ坚固致密的花岗岩,很坚固的砂岩和石灰岩,石英矿0脉,坚固的砾岩,很坚固的铁矿石.(f=10)0Ⅲa 坚固坚固的砂岩、石灰岩、大理岩、白云岩、黄铁0矿,不坚固的花岗岩。
(f=8)0Ⅳ比较坚固一般的砂岩、铁矿石(f=6) 0Ⅳa 比较坚固砂质页岩,页岩质砂岩。
(f=5) 0Ⅴ中等坚固坚固的泥质页岩,不坚固的砂岩和石灰岩,软砾0石。
(f=4) 0Ⅴa 中等坚固各种不坚固的页岩,致密的泥灰岩.(f=3) 0Ⅵ比较软软弱页岩,很软的石灰岩,白垩,盐岩,石膏,0无烟煤,破碎的砂岩和石质土壤.(f=2) 0Ⅵa 比较软碎石质土壤,破碎的页岩,粘结成块的砾石、碎0石,坚固的煤,硬化的粘土。
(f=1.5)0Ⅶ软软致密粘土,较软的烟煤,坚固的冲击土层,粘土质土壤。
(f=1) 0Ⅶa 软软砂质粘土、砾石,黄土。
(f=0.8) 0Ⅷ土状腐殖土,泥煤,软砂质土壤,湿砂。
(f=0.6) 0Ⅸ松散状砂,山砾堆积,细砾石,松土,开采下来的煤.0(f=0.5) 0Ⅹ流沙状流沙,沼泽土壤,含水黄土及其他含水土壤.0(f=0.3) A0表示矿岩的坚固性的量化指标. 0人们在长期的实践中认识到,有些岩石不容易破坏,有一些则难于破碎。
难于破碎的岩石一般也难于凿岩,难于爆破,则它们的硬度也比较大,概括的说就是比较坚固。
因此,人们就用岩石的坚固性这个概念来表示岩石在破碎时的难易程度。
坚固性的大小用坚固性系数来表示又叫硬度系数,也叫普氏硬度系数f值)。
坚固性系数f=R/100 (R单位kg/cm2) 0式中R——为岩石标准试样的单向极限抗压强度值。
0通常用的普氏岩石分及法就是根据坚固性系数来进行岩石分级的。
岩石按岩体分级标准GB50218-94是如何进行工程分类的?
岩石级别坚固程度代表性岩石
Ⅰ最坚固最坚固、致密、有韧性的石英岩、玄武岩和其他
各种特别坚固的岩石。
(f=20)
Ⅱ很坚固很坚固的花岗岩、石英斑岩、硅质片岩,较坚固
的石英岩,最坚固的砂岩和石灰岩.(f=15)
Ⅲ坚固致密的花岗岩,很坚固的砂岩和石灰岩,石英矿
脉,坚固的砾岩,很坚固的铁矿石.(f=10)
Ⅲa 坚固坚固的砂岩、石灰岩、大理岩、白云岩、黄铁
矿,不坚固的花岗岩。
(f=8)
Ⅳ比较坚固一般的砂岩、铁矿石(f=6)
Ⅳa 比较坚固砂质页岩,页岩质砂岩。
(f=5)
Ⅴ中等坚固坚固的泥质页岩,不坚固的砂岩和石灰岩,软砾
石。
(f=4)
Ⅴa 中等坚固各种不坚固的页岩,致密的泥灰岩.(f=3)
Ⅵ比较软软弱页岩,很软的石灰岩,白垩,盐岩,石膏,
无烟煤,破碎的砂岩和石质土壤.(f=2)
Ⅵa 比较软碎石质土壤,破碎的页岩,粘结成块的砾石、碎
石,坚固的煤,硬化的粘土。
(f=1.5)
Ⅶ软软致密粘土,较软的烟煤,坚固的冲击土层,粘土质土壤。
(f=1)
Ⅶa 软软砂质粘土、砾石,黄土。
(f=0.8)
Ⅷ土状腐殖土,泥煤,软砂质土壤,湿砂。
(f=0.6)
Ⅸ松散状砂,山砾堆积,细砾石,松土,开采下来的煤.
(f=0.5)
Ⅹ流沙状流沙,沼泽土壤,含水黄土及其他含水土壤.
(f=0.3) A
表示矿岩的坚固性的量化指标.
人们在长期的实践中认识到,有些岩石不容易破坏,有一些则难于破碎。
难于破碎的岩石一般也难于凿岩,难于爆破,则它们的硬度也比较大,概括的说就是比较坚固。
因此,人们就用岩石的坚固性这个概念来表示岩石在破碎时的难易程度。
坚固性的大小用坚固性系数来表示又叫硬度系数,也叫普氏硬度系数f值)。
坚固性系数f=R/100 (R单位kg/cm2)
式中R——为岩石标准试样的单向极限抗压强度值。
通常用的普氏岩石分及法就是根据坚固性系数来进行岩石分级的。
如:
①极坚固岩石f=15~20(坚固的花岗岩,石灰岩,石英岩等)
②坚硬岩石f=8 ~10(如不坚固的花岗岩,坚固的砂岩等)
③中等坚固岩石f=4 ~6 (如普通砂岩,铁矿等)
④不坚固岩石f=0.8~3 (如黄土、仅为0.3)
矿岩的坚固性也是一种抵抗外力的性质,但它与矿岩的强度却是两种不同的概念。
强度是指矿岩抵抗压缩,拉伸,弯曲及剪切等单向作用的性能。
而坚固性所抵抗的外力却是一种综合的外力。
(如抵抗锹,稿,机械碎破,炸药的综合作用力)。