采煤工作面季度质量标准化达标规划
- 格式:doc
- 大小:32.50 KB
- 文档页数:6
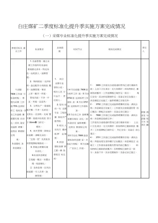
白庄煤矿二季度标准化提升季实施方案完成情况(一)采煤专业标准化提升季实施方案完成情况季度目标及重点工作标准要求具体措施时间节点现场完成情况责任人1.创建7808工作面为标准样板。
季度内采煤工作面75% 达到标杆工程标准。
2. 各工作面喷雾装置实现自动化,回风巷安设旋转喷雾,达到全断面除尘效果。
3.创建标准休息硐室。
1. 设备管理:建立采煤工作面所有设备检查维修记录本,物见本色,包机到人,挂牌管理。
2. 物料码放:支护材料、备品配件分类码放整齐,挂牌管理,要求上架、整齐、美观。
管线吊挂:干净、平直、美观,走直角。
3. 文明生产:巷道底板平整、干净、无淤泥、无积水、无杂物、无闲置车辆,巷道内杜绝直径大于30mm B勺矸石、煤块。
4. 技术管理:原始记录准确、清晰无涂改,“五图一表”及其他各类管理牌板规格统一。
5. 转载点喷雾实现自动化。
6.标准休息硐室①宽敞,整洁,布置合理,地面硬化。
②设休息凳、压风自救装置,专人负责、挂牌管理。
1. 成立采煤专业领导小组,相关人员分片包干,责任到人。
2. 每旬组织一次采煤专业工程质量验收并严格考核。
3. 相关人员实行缴纳抵押金制度。
4. 按创建标准倒排工期,确保季度目标完成。
1.4月份创建7808面为标杆工作面,5月份3702面达到标杆工作面标准,6月份3701面达到标杆工作面标准。
2.5月份各工作面喷雾装置实现自动化,回风巷安设旋转喷雾,达到全断面除尘效果。
3.5月份在7808 面创建标准休息硐室,并依此为样板,6月份推广至各工作面。
1、3905工作面及沿途巷道的管线已进行重新吊挂;上岀口卫生清洁,无大块煤矸;料场物料已重新码放整齐;工作面牌板已制作完一部分,现已安设,其余的近期制作完;设备记录正在建立;休息硐室正在施工;旋转喷雾已安装完毕。
2、3702工作面已完成旋转喷雾的安装,调试合格;休息硐室正在施工;工作面及沿途巷道的管线已整改;牌板正在制作;设备记录已建立。
XX煤矿采煤工作面质量达标规划及实施方案Through the process agreement to achieve a unified action policy for different people, so as to coordinate action, reduce blindness, and make the work orderly.编制:___________________日期:___________________XX煤矿采煤工作面质量达标规划及实施方案温馨提示:该文件为本公司员工进行生产和各项管理工作共同的技术依据,通过对具体的工作环节进行规范、约束,以确保生产、管理活动的正常、有序、优质进行。
本文档可根据实际情况进行修改和使用。
XX煤矿采煤工作面质量达标规划及实施方案安全生产是煤矿企业永恒的主体, 为了认真贯彻执行“安全第一, 预防为主”的生产方针, 构建安全生产长效机制, 保持我矿安全生产状况的良好局面, 全面提升采煤专业管理水平, 进一步推动安全质量标准化活动的深入开展, 结合我矿采煤工作面实际情况, 特制定XX煤矿采煤工作面质量达标规划及实施方案, 望各采煤队认真执行。
一、采煤工作面质量标准化达标规划标准主要包括以下10项, 具体规定如下:(一)技术管理1、坚持支护质量和顶板动态监测, 有记录资料, 有新投产采区的首采面必须进行矿压观测工作。
2、坚持工作面班安全质量验收制度, 记录齐全。
3、开展工作面地质预报工作, 每月至少有一次预报, 并有材料向有关部门、施工单位报告。
4、有合格的作业规程和管理制度。
(1)作业规程能贯彻有关技术政策和先进技术, 并能结合实际, 指导现场工作。
(2)作业规程、措施, 从编制、审批到贯彻有健全的管理制度;作业规程由矿技术负责人组织每月至少进行一次复查, 并有复查意见。
(3)作业规程中支护设计要根据矿压观测、地质资料等进行科学计算。
安全质量标准化专业达标规划安全质量标准化工作是我矿安全整治工作的继续和深入,是煤矿可持续发展的战略要求,是提升煤矿技术水平的有效途径。
根据2012年全省煤矿安全质量标准化建设工作会议精神、《山西省煤矿安全质量标准化考核奖惩办法的通知》的文件要求,结合我矿实际,特制定鑫运煤业有限公司2013年安全质量标准化专业达标规划,如下:一、指导思想:为了进一步加强煤矿安全质量标准化建设,强化安全管理基础,提高安全保障能力,推动煤矿企业高标准、高科技、高管理、高端化、高要求、高质量、高效益和现代文明发展的“七高一文明”的发展模式,自觉坚持“居安思安、科技兴安、管理强安、文化创安、依法治安、打造久安"的煤矿安全生产理念,在全员、全方位、全过程积极实践、不断丰富标准化建设工作的内涵;达到时时达标、天天达标、人人达标、最终实现常态化达标的目标。
二、奋斗目标:全公司保持一级安全质量标准化标准和安全高效型地面单位标准.设备综合完好率达90%以上,其中特种设备完好率达100%,待修率5%以下。
各类安全设施做到设施齐全、管理到位、安全可靠,杜绝轻伤以上人身事故和较大及以上非伤亡事故。
三、工作要求:安全质量标准化关键是加强领导,强化责任,狠抓落实。
首先要抓好以下环节:一是思想不能放松,搞好安全质量必须坚持思想先行,用思想先行带动安全达标,特别是机构组成员,始终要保持高度热情,把思想统一起来,拧成一股劲。
二是管理不能滑坡,标准化工作重在管理落实责任,做到事事有人管,件件有落实。
三是加强监督检查,机构组各成员各职能科室,在检查中起着重要职责,科室人员要转变作风,加大工作力度,管理人员要互相监督检查指导落实情况,确保各项措施顺利实施。
四、2013年各专业工作重点规划:<一>、掘进专业1、严格贯彻三大规程和技术措施,落实监督检查和隐患排查跟踪,保证安全质量标准。
2、积极采用新技术,应用快速掘进技术,提高掘进进度,保证工程质量。
煤矿安全质量标准化达标规划及考核办法为了进一步夯实安全管理基础,提升安全保障能力,根据山西省煤炭厅颁发的《____山西省煤矿安全质量标准化考核奖惩办法通知》(晋煤安发[____]____号)、《山西省煤炭工业厅____山西省煤矿安全质量标准化标准及考核评级办法____》(晋煤安发[____]____号)和集团公司下发的《山西煤炭运销集团有限公司____〈煤矿安全质量标准化考核评级奖惩办法(试行)〉____》(晋煤销产技字[____]____号)文件精神,特制定本达标规划及考核办法。
一、指导思想认真贯彻执行“安全第一、预防为主、综合治理”的安全生产方针,落实省煤炭厅“高标准、高科技、高管理、高端化、高要求、高质量、高效益和现代文明发展”七高一文明发展新模式要求,强化标准化工作组织领导,提升安全生产装备水平,改善现场作业环境,提高软硬件安全管理档次,构建标准化建设长效机制,为公司做强做大煤炭产业提供安全稳定的良好环境。
二、规划目标(一)矿井实现安全生产。
(二)生产矿井、新建矿井全部达到省一级标准。
三、达标规划(一)公司达到一级安全质量标准化公司。
(二)生产矿井、持证改造生产矿井、试运转矿井盛平煤业、四通煤矿、昊兴塬煤业、同富新煤业及陆续达到以上条件的矿井达到省一级标准。
(三)基建矿井东瑞、四通筹备处、昊锦塬、金山、金辛达、金塬达等基建矿井单位工程质量(指掘进专业质量标准化,下同)必须达到一级标准,为投产后矿井质量标准化达标工作奠定基础。
四、组织机构(一)公司成立安全质量标准化考核领导组组长:贺彦平郭少勇常务副组长:梁万兴副组长:李和林韩喆宁波柏福宝范林彦张振国张引刚李晓军黄华冯志平孔令胜王元明成员单位:安监局、生产技术部、机电部、一通三防部、调度指挥中心、基本建设部、人力资源部、地质与防治水中心、技术中心、经理办公室(后勤中心)、财务部领导组下设办公室:办公室设在公司安监局办公室主任:乔茂林(兼)。
质量标准化达标规划方案【导言】质量标准化是指将产品、服务或过程的质量要求及相关技术规范、标准等统一制定、统一适用,并对其进行监督、检测和评定的活动。
质量标准化的达标是企业保持产品竞争力、提高产品质量、实现可持续发展的基础。
本文将针对一个企业,制定一个质量标准化达标的规划方案,以提升企业的竞争力。
【一、目标确定】1.1 主要目标(1) 提高产品质量:通过制定和遵循严格的质量标准,保证产品质量的稳定和可靠性,提高顾客满意度。
(2) 实现质量管理的有效运行:建立健全的质量管理体系,提高质量标准化工作的规范性和可操作性,确保质量管理的全面性和连续性。
(3) 提升企业竞争力:通过质量标准化的达标,提高企业产品的质量水平,增强产品竞争力,提高市场占有率。
1.2 具体目标(1) 制定和完善企业的质量标准化管理体系文件,包括质量手册、程序文件、作业指导书等,确保质量管理的系统性和规范性。
(2) 建立健全质量标准化的工作流程,明确各岗位职责、工作要求和流程配合,确保质量标准化的工作高效进行。
(3) 制定产品的质量标准,并确保产品的制造和检验过程满足这些标准。
(4) 确保产品质量的稳定性和可靠性,严格控制产品的质量风险,提高产品质量的可控性。
(5) 建立质量标准化的监督检查机制,对产品的质量进行定期检查和评估,及时发现和纠正问题。
(6) 加强对员工的培训和教育,提高员工的质量标准化意识和素质,使其能够独立完成质量标准化工作。
(7) 提高顾客满意度,通过改善产品质量,提供更好的售后服务,增强顾客的忠诚度和口碑。
【二、实施计划】2.1 组织架构的调整(1) 成立质量标准化管理部门,主要负责制定、监督和评估质量标准化工作。
(2) 设立质量标准化小组,由不同部门的员工组成,负责执行质量标准化的具体工作。
2.2 制定和完善质量标准化管理体系文件(1) 制定质量手册,明确质量目标、质量标准和质量管理的组织结构和职责分工。
(2) 编制各类质量程序文件,包括质量控制程序、检验程序、纠正措施程序等。
2013年一季度采煤安全质量标准化达标规划为切实落实年度采煤质量标准化,进一步做好2013年一季度采煤安全质量标准化建设工作,向质量标准规范化矿井奋斗,特制定本达标规划。
一、组织领导为加强对安全质量标准化建设工作的领导,明确责任,本矿成立采煤安全质量标准化建设工作领导小组,领导小组负责安全质量标准化建设工作的安排部署、协调与考核工作。
组长:成员:领导小组下设安全质量标准化办公室,办公室设在生产科办公室。
二、具体规划1、一季度采煤队采煤工作面超前段及上下顺槽严格按照标准化治理,各生产业务科室多抓现场,多为采煤队服务,共同努力实现梁柱平直齐,编号整齐划一,无浮尘积水,对顺槽处有积水的地方要架设隔水棚统一导流,设臵导水槽,使水统一归槽。
各种管线吊挂有序、有主有次(按风、水、乳化液管路分颜色,分管径大小至上而下吊挂;电缆分大小、分性质吊挂),各种牌版图文整洁清晰,各种记录填写真实规范。
2、严抓工程质量,纠正区队干部不正确的工作思想,已区队干部为质量标准化主要动力带动质量标准化建设进程。
3、严格验收质量标准化制度,严禁敷衍了事,明确差距。
元月份规划:整改两巷文明卫生、柱压管理、工作面挂网质量和柱鞋管理四个重点管理项目。
元月份的规划目标:两巷文明卫生:对巷道不够的地段进行卧底,两巷的物料码放乱及物料挂牌不齐问题。
支柱管理:要求悬移支架初撑力不得低于9mpa,单体柱初撑力不低于4.5mpa,上下顺槽超前管理的支柱初撑力不得低于6mpa。
超前管理范围内的单体要打成一条线,根根有柱牌,柱牌不得缺号、编号乱。
柱压记录台账、煤层注水台账要认真填写,不得假填、不填。
工作面挂网质量:挂网质量的好坏会影响的工作面顶板管理,要求相邻支架连网距离不得超过10厘米,煤壁预留钢网不得低于20厘米,老塘放煤后剪短的钢网要重新连上。
柱鞋管理:由于11061工作面地板软支柱下沉量大,在不接到矿领导及生产科下达不需要穿柱鞋的通知前,要求工作面支柱根根穿规定的柱鞋。
质量标准化达标规划方案随着经济社会的发展,质量标准化已经成为企业具备竞争力的重要特征之一。
因此,达到质量标准化的达标规划方案对于企业的发展起着至关重要的作用。
本文将从以下几方面对质量标准化达标规划方案进行探讨。
一、质量标准化的意义和作用质量标准化是指将企业的产品制造和服务过程与行业标准相结合,制定出一套行之有效的标准化规范,保证产品或服务品质的一致性和稳定性。
质量标准化的实施不仅可以提高产品和服务的质量,保护消费者的利益,还可以提高企业的市场竞争力并促进企业的可持续发展。
二、质量标准化达标规划方案的制定1、明确质量标准化的目标和意义:在制定质量标准化达标规划方案时,首先需要让企业员工明确达标的目标和意义,充分认识到质量标准化的重要性和必要性。
2、制定具体的质量标准:企业可以参考现行的行业标准,结合自身的实际情况,制定适合企业发展的具体质量标准。
3、建立相关制度和流程:制定出符合企业的质量标准化的制度和流程,保证每个环节都能达到标准。
4、制定质量标准化的培训计划:针对不同的职位和部门制定质量标准化的培训计划,使每个员工都能真正地理解和适应企业的标准化要求。
5、制定质量标准化达标奖励机制:制定具有激励性的质量标准化达标奖励机制,可以增强员工的参与度和执行力。
三、质量标准化达标规划方案的实施实施质量标准化达标规划方案需要全员动员、全程参与、持续改进,必须按照以下几个步骤进行:1、组建质量标准化达标实施小组:企业可以根据实际情况组建专门的质量标准化达标实施小组,组长为企业领导,小组成员包括各部门负责人和产品生产管理人员。
2、制定工作计划:在实施质量标准化达标规划中,企业需要将制定好的质量标准化达标实施计划具体细化,针对不同的时间节点和实际情况,制定出具体可行的工作计划。
3、开展质量标准化达标培训:企业需要将质量标准化的培训计划落实到位,让每个员工都能真正理解标准化的要求。
4、控制质量标准化过程:企业需要对各项标准化工作进行过程控制,对过程进行评估、反馈、调整和改进,保证标准化工作的顺利进行。
2024年煤矿质量标准化工作总结暨明年达标规划
一、工作总结
2024年是我国煤矿质量标准化工作的关键一年,我们经过全年的努力,取得了一定的成绩。
以下是我们的工作总结:
1.质量管理体系建设:我们加强了煤矿质量管理体系的建设,完善了各项标准和规程,确保质量管理工作的执行情况。
2.技术创新:我们积极推动煤矿技术创新,引进先进的采掘设备和技术,提高了煤矿的采掘效率和安全性。
3.质量检测:我们加强了煤矿煤质检测工作,建立了一套科学的检测方法,确保了煤矿产品的质量。
4.员工培训:我们注重员工的培训和技能提升,定期组织培训班和考核,提高了员工的质量意识和技术水平。
5.安全生产:我们重点加强了煤矿的安全生产工作,严格执行各项安全规定,提高了煤矿的安全生产水平。
二、明年达标规划
基于对2024年工作总结的分析,我们制定了明年达标规划,旨在进一步提高煤矿质量标准化水平:
1.加强质量管理:进一步完善煤矿质量管理体系,推动全面质量管理的落地实施。
2.提升技术水平:加大技术创新力度,引进先进的煤矿设备和技术,提高采掘效率和质量。
3.优化质量检测:进一步提高煤矿煤质检测的准确度和标准化水平,确保产品质量符合要求。
4.加强员工培训:持续加强员工的培训和技能提升,提高员工的质量意识和专业水平。
5.深化安全生产:进一步加强煤矿的安全生产工作,强化安全管理制度和措施的执行。
通过以上措施的实施,我们将进一步提高煤矿质量标准化水平,确保煤矿在2025年达到国家标准,为能源供应和经济发展做出贡献。
煤矿安全质量标准化达标规划及考核办法范本一、总则为了加强煤矿安全质量管理,提高煤矿安全生产水平,特制定本规划及考核办法,以规范煤矿安全质量标准化达标工作,确保煤矿安全生产达到国家标准。
二、达标目标1. 提高安全意识:通过开展安全培训、发放安全宣传材料等方式,使职工的安全意识得到提高;2. 完善安全管理制度:建立健全煤矿安全管理制度,明确各项安全措施的责任和要求;3. 加强现场管理:改善煤矿现场管理流程,提高各项安全操作规范的执行率;4. 提高应急处置能力:建立完善的应急预案,提高职工应对突发情况的能力;5. 提升设备安全性:对煤矿设备进行定期维护和检修,确保设备的安全性能;6. 加强安全巡检:定期进行煤矿安全巡检,及时发现和解决安全隐患;7. 加强安全监管:加大对煤矿的监督力度,严格执法检查,确保煤矿安全生产达到标准。
三、达标措施1. 制定安全质量标准:参照国家相关法律法规和标准,制定适用于本煤矿的安全质量标准;2. 安全培训计划:制定年度安全培训计划,确保人员获得必要的安全培训;3. 提供安全宣传材料:制作和发放安全宣传材料,提高职工的安全意识;4. 完善安全管理制度:修订和完善煤矿安全管理制度,明确职责和要求;5. 严格安全操作规范:制定并推广安全操作规范,加强对职工的培训和考核;6. 应急预案建设:编制煤矿安全应急预案,组织演练提高应对突发情况的能力;7. 定期设备维护检修:制定设备维护检修计划,保证设备的安全性能;8. 安全巡检计划:制定煤矿安全巡检计划,及时发现和解决安全隐患;9. 安全监管加强:加大对煤矿的监督执法力度,确保煤矿安全生产达到标准。
四、考核办法1. 考核周期:按年度进行安全质量标准化达标考核;2. 安全质量标准化得分:根据安全质量标准化各项措施的落实情况,每项措施设定相应的分值,按照分值加权合计得出总分;3. 考核评定等级:根据总分确定考核评定等级,分为优秀、良好、合格和不合格四个等级;4. 奖惩措施:对达到优秀和良好等级的煤矿进行奖励,对达不到合格等级的煤矿进行惩罚,并要求进行整改;5. 追责制度:对安全问题的发生和责任人进行追责,依法严肃处理;6. 公示公开:将考核结果进行公示公开,接受社会监督。
2023年质量标准化达标规划方案____年质量标准化达标规划方案一、背景介绍质量标准化是企业质量管理的基础,也是推动企业持续发展、提高竞争力的重要手段。
在全球化的背景下,随着市场竞争的加剧和消费者对品质的要求提高,制定和履行科学合理的质量标准至关重要。
为此,制订____年的质量标准化达标规划方案,是公司全面提升质量管理水平、提高产品质量、扩大市场份额的重要举措。
二、总体目标1. 提高质量标准化体系的覆盖范围和质量水平,实现国内外质量标准化达标。
2. 加强质量标准的制定、实施和评估,提高质量标准的科学性和有效性。
3. 加强与相关部门的合作,形成质量标准制定和修订的良好机制。
三、具体措施1. 完善质量标准化体系(1)针对企业所涉及的关键产品及关键工艺,结合国内外标准的更新换代,制定和修订相应的行业标准。
(2)对公司已有的质量标准进行全面梳理和评估,修订合适的质量标准,并形成完备的质量标准体系。
(3)加强与国内外质量标准化机构的合作,借鉴吸收国际先进的质量标准化经验,提高质量标准的科学性和先进性。
2. 强化质量标准的执行(1)制定完善质量标准化操作规程,明确质量标准的执行流程和具体要求。
(2)建立并完善质量标准化培训体系,加强对质量标准的宣传和培训,提高员工对质量标准的认知和贯彻执行能力。
(3)加强对质量标准执行情况的监督和检查,及时发现并纠正问题,确保质量标准的执行效果。
3. 加强与相关部门的合作(1)建立与质量标准制定相关部门的沟通渠道,及时了解相关政策和标准的更新动态,确保公司的质量标准与国家政策和法规保持一致。
(2)加强与行业协会和质量监督部门的合作,共同推动行业质量标准的制定和实施。
(3)建立与供应商和客户的紧密合作关系,互相交流质量标准的要求和实施情况,共同提高产品质量。
四、实施计划1. 第一年(1)建立质量标准化工作组,明确质量标准化工作的组织架构和责任分工。
(2)对公司已有的质量标准进行全面梳理和评估,制定修订计划。
采煤6月份质量标准化达标规划一、5月份工作完成情况1、13103综放工作面回撤搬家工作结束。
2、13104综放工作面初采初放工作结束。
3、完善了13104综放工作面风水管路,对上、下顺槽风水管路及支架进行编号管理。
4、完善了13104下顺槽排水渠道。
5、完善了13104综放工作面KJ377矿压观测系统。
6、13104综放工作面5月份截止到20日回采推进27米,生产原煤2.7万吨。
二、5月份工作当中存在不足和整改措施在5月份开展的质量标准化检查当中,通过队内隐患自查和矿有关科室及上级有关部门的检查,发现我队存在以下问题:1、13104综放工作面上下端头支护及超前支护未严格按照作业规程施工,存在支护不规范现象。
整改措施:需要继续加强对13104综放工作面回采作业规程的贯彻学习。
2、13104综放工作面初采初放期间,未严格控制工作面沿底板推进造成65架~88架留底煤500mm,且工作面工程质量较差,支架存在调斜。
整改措施:工作面周期来压期间,针对工作面65架~88架留底煤情况,我队严格安排三班进行处理,每班进行落底考核,针对工作面工程质量较差情况,我队严格要求各班组进行质量标准化进行考核、每班由验收员进行验收,针对工作面支架调斜情况,三班安排专人进行调架。
3、5月份13104综放工作面前、后部刮板输送机存在上窜下滑情况,造成13104综放工作面前、后部刮板输送机上窜达到1.5米。
整改措施:我队严格要求三班对机尾进行插楔子,及时有效的稳定了工作面的上蹿下滑情况。
三、奋斗目标:13104综放工作面达到质量标准化亮点工程和安全生产实现零伤亡。
六月份矿部下达了矿井生产任务,其中我队本月计划实现安全生产原煤9.6万吨。
为了保证顺利实现安全生产,调动职工安全生产积极性,做到具体分工,细化考核,把任务目标逐级分解到班组,为今后更好安全生产奠定基础,特制定以下考核办法:一)、综采队生产任务分解:1、考核时段:5月26日—6月25日(30天)2、13104工作面一刀煤产量为:911吨(包括放顶煤产量)3、任务考核:全月计划产量96000吨,按全月28天计算,每天按3428.6吨产量。
2024年煤矿安全质量标准化达标规划及考核办法一、前言近年来,煤矿安全事故频发,给煤矿企业和矿工们的生命财产安全造成了极大威胁。
为了加强煤矿安全管理,提高煤矿安全生产水平,保障矿工们的生命财产安全,制定了2024年煤矿安全质量标准化达标规划及考核办法。
二、目标2024年,全国范围内,煤矿安全质量标准化达标率达到90%以上,煤矿安全事故死亡率降至每千万吨煤产量以下,煤矿安全生产水平进一步提高。
三、规划内容1. 煤矿安全质量标准化体系建设(1) 建立煤矿安全质量标准化体系,包括标准、规范、技术规程等。
(2) 制定并修订煤矿安全质量标准,保障煤矿生产过程的安全性和效益。
(3) 加强煤矿安全质量标准宣传和培训,提高煤矿企业和矿工的安全意识和技能。
2. 煤矿安全质量标准化达标现状调查(1) 对全国范围内的煤矿进行安全质量标准化达标现状调查,了解各煤矿的安全管理状况。
(2) 针对调查结果,制定针对性的安全管理改善措施,提高煤矿的安全质量标准化水平。
3. 煤矿安全质量标准化达标计划制定(1) 制定2024年煤矿安全质量标准化达标计划,包括工作目标、任务分解、时间计划等内容。
(2) 对煤矿安全质量标准化达标任务进行分解,明确责任部门和人员,确保任务按时完成。
4. 煤矿安全质量标准化达标考核办法制定(1) 制定煤矿安全质量标准化达标考核办法,明确考核指标和评价标准。
(2) 将考核结果与奖惩机制相结合,对达标的煤矿给予奖励,对未达标的煤矿进行整改和惩罚。
四、考核办法1. 考核指标(1) 煤矿安全质量标准化达标率:按照煤矿安全质量标准化体系,对煤矿的安全管理进行评估,达标率为90%以上为达标。
(2) 煤矿安全事故死亡率:按煤矿煤产量计算,每千万吨煤产量以下为达标。
(3) 安全生产水平提高情况:根据煤矿在安全系统化、标准化、精细化和信息化等方面的改进情况进行评估。
2. 考核周期和方式(1) 考核周期为一年,每年底进行安全质量标准化达标考核。
煤矿安全质量标准化达标规划及考核办法包括以下几个方面内容:
一、制定煤矿安全质量标准化达标规划
1.明确目标:制定明确的煤矿安全质量标准化达标目标,包括安全生产、环境保护和职工健康等方面的指标。
2.划定时间和阶段:制定达标规划的时间表和阶段性目标,明确每个阶段的任务和要求。
3.确定措施:确定实施煤矿安全质量标准化达标的具体措施,包括技术改造、培训教育、管理制度、安全投入等方面的措施。
二、建立考核体系
1.确定考核指标:根据煤矿安全质量标准化达标规划,确定考核指标,包括安全生产指标、事故统计指标、安全管理制度落实情况等。
2.制定考核标准:制定详细的考核标准,明确每个指标的达标要求和评价标准。
3.建立考核方法:确定考核的具体方法和程序,包括定期检查、抽查、评比等方式。
三、开展考核工作
1.组织实施:建立安全质量标准化达标考核工作组织机构,明确各部门的职责和任务。
2.推动落实:通过宣传、培训和督促等方式,推动各煤矿落实煤矿安全质量标准化达标规划。
3.开展考核:按照设定的考核指标和标准,对各煤矿进行考核,并给予评价和排名。
四、考核结果处理和奖惩措施
1.公布结果:公布考核结果,向社会公示,倒逼各煤矿加大安全生产工作力度。
2.奖惩措施:根据考核结果,对达标煤矿给予奖励和激励,对不达标煤矿采取惩罚措施,包括罚款、停产整顿等。
3.完善制度:根据考核结果,总结经验教训,及时修改和完善煤矿安全质量标准化达标规划及考核办法。
质量标准化达标规划方案安全质量标准化建设是煤矿安全生产的重要基础工作、是改善安全生产条件、强化安全基础管理、建立安全生产长效机制的根本途径。
我矿按照公司安全质量标准化总体安排的要求,在认真总结标准化工作不足的基础上,结合我矿实际情况,制定____年度达标规划,力争安全质量标准化工作的整体提高,真正实现安全质量标准化动态达标。
一、总体规划(一)井下杜绝瓦斯、煤尘、水害、火灾、顶板、运输等重大事故;百万吨死亡率实现“零”,消灭二级及以上非伤亡事故。
(二)地面杜绝灾害性损失和事故;消灭三级及以上非伤亡事故。
(三)建成安全质量标准化一级矿井,实现迈入本质安全型矿井行列,达到公司安全示范矿井标准。
(四)树立质量标准化达标新观念,由静态达标向动态达标转变,由结果达标向过程达标转变,进一步延伸扩展质量标准化内涵,由单纯的物的状态达标向人的作业行为、知识技能、思想观念与物的状态同时达标转变,以此构建本质安全型矿井。
二、各专业达标规划及工作安排(一)采煤专业1、奋斗目标(1)采煤专业所属队组杜绝重伤及二级以上非伤亡事故,百万吨死亡率实现“零”。
(2)全矿采煤专业各点面质量标准化实现高标准、高水平、常态化、持续化。
(3)从基础工作抓起,抓落实、求实效、重点推进、树立样板,以点带面,分期分批推进采煤专业质量标准化水平上新台阶。
2、具体规划及要求(1)采煤专业做到月月项目都有所提高,以此推进全矿采煤质量标准化水平整体提高。
(2)工作面及两巷做到“八无、六齐、四到位、三实、三直一平两畅通”。
“八无”即无空顶空帮,无积水,无浮煤矸,无杂物,无积尘,无跑冒滴漏,无失爆,无隐患。
“六齐”即物料设备码放整齐,支架排列整齐,安全设施有效配齐,各种管理牌板悬挂整齐,各类管线吊挂排列整齐,两巷超前单体布置规范、方向一致、排列整齐。
“四到位”即规程措施贯彻落实到位,隐患排查处理到位,跟班指挥到位,支护到位。
“三实”即工作面支架接顶护帮严实,两巷超前单体接顶严实,瓦斯监测监控数据真实。
煤矿质量标准化工作总结暨明年达标规划____年,我矿在集团公司的正确领导和业务处室的大力帮助下,以达到省一级质量标准化矿井为目标,通过加大投入,完善机制,科学规划,强化管理,按照公司整体部署,根据____实际,提出了“总体规划,分步实施,立足长远,兼顾当前”的质量标准化建设指导思想和“一个重点、两个原则、三个并重、四个转变”的工作理念,以现场管理为基础,进一步加大文明生产治理力度,完善矿井动态达标体系,逐步使我矿向现代化矿井迈进。
概括起来,我矿的质量标准化工作主要体现在以下几个方面:一、完善管理制度,强化资金管理____年初,我矿制定印发《____矿____年质量标准化达标规划》、《____矿____年质量达标、文明生产管理办法》等文件,为确保质量标准化资金专款专用,我矿实行质量达标工程项目管理,严格质量达标费用定额的适用范围,并根据年度达标计划,分解实施月达标计划制定、落实和考核。
结合各井实际情况,对各井提出了不同的整改要求和措施。
要求在加大系统改造、设备设施投入,巷道维修、轨道调整、硐室整修和管道防腐的同时,大力开展争创示范头面、精品巷道、精品硐室等质量标准化创建活动,特别是今年后四个月以来,我矿积极____集团公司____矿质量标准化现场会会议精神,通过外出参观学习等方式,走出____看____,积极地找差距,学习先进经验,并印发《____矿____年后四个月质量标准化工作规划》和《____矿____年后四个月质量标准化工程项目及资金计划____》,重新部署我矿质量标准化建设工作,明确____年全矿必须实现省一级达标目标,树立新的质量标准化工作理念,为确保我矿____年安全质量标准化工作目标的顺利实现,并为____年我矿质量标准化工作再上新台阶打下坚实基础。
二、广泛宣传、深入落实三、加大投入,筑牢安全基础____年,通过投入补欠,进一步夯实了质量标准化基础工作。
特别是后四个月以来,我矿在集团公司吨煤____元提取井下安全质量标准化建设费用的基础上,另安排吨煤____元(约____万元),用于井下质量标准化创建,在项目安排上遵循“轻、重、缓、急”和“先计划、后发生、专款专用”的原则,优先用于制约安全生产的系统达标和改善职工作业条件,着力为职工创造安全、舒适的作业环境。
2024年采煤安全质量标准化管理制度一、背景介绍随着经济的快速发展,能源需求不断增长,煤炭作为我国主要能源资源之一,采煤工作成为保障能源供应的重要环节。
然而,采煤工作所面临的安全风险和环境挑战也越来越多。
因此,建立一套完善的采煤安全质量标准化管理制度势在必行。
二、目的和原则1. 目的:确保采煤作业安全可靠、质量合格,实现煤炭开采过程的规范化、标准化,提高采煤作业的安全性和效益。
2. 原则:科学规划、全面提升、分类管理、强化责任,持续改进、精益求精。
三、管理体系建立1. 组织机构:设立采煤安全质量标准化管理委员会,由相关部门、企业代表组成,负责制定、修改和监督采煤安全质量标准化管理制度。
2. 职责分工:明确各职能部门的职责,包括煤矿企业、安全监督管理部门、环保部门、劳动部门等。
3. 人员培训:开展采煤安全质量标准化培训,提升从业人员的安全意识和技能水平。
四、标准化管理要求1. 安全标准化管理:- 制定安全生产标准化排查、隐患治理和事故应急预案等制度;- 完善安全标准化管理档案,建立安全生产责任追究制度;- 开展定期的安全检查、评估和考核,确保安全生产的规范运行;- 加强安全教育和培训,提高员工安全素质。
2. 质量标准化管理:- 制定煤炭开采质量标准,包括煤炭成分、含水量、灰分等指标;- 建立质量标准化检验体系,对煤炭进行严格的质量检验;- 完善煤炭质量档案,确保煤炭质量合格、符合国家标准;- 强化质量监督和管理,规范煤炭市场交易。
3. 环境标准化管理:- 制定煤炭开采环境保护标准,包括对采矿区土地、水源、大气等的保护要求;- 实施环境监测和评估,定期公开监测结果;- 加强环境修复和治理,减少采煤对环境的影响;- 强化环境保护宣传,提高公众环境保护意识。
五、推广和监管1. 推广采煤安全质量标准化管理经验,鼓励采煤企业按照标准化要求进行管理。
2. 加强监管力度,建立有效的监管机制,对不符合标准化要求的企业进行处罚和整改。
XX煤矿采煤工作面季度质量达标规划及实施方案
XX煤矿采煤工作面质量达标规划及实施方案
安全生产是煤矿企业永恒的主体,为了认真贯彻执行“安全第一,预防为主”的生产方针,构建安全生产长效机制,保持我矿安全生产状况的良好局面,全面提升采煤专业管理水平,进一步推动安全质量标准化活动的深入开展,结合我矿采煤工作面实际情况,特制定XX煤矿采煤工作面质量达标规划及实施方案,望各采煤队认真执行。
一、采煤工作面质量标准化达标规划标准主要包括以下10项,具体规定如下:
(一)技术管理
1、坚持支护质量和顶板动态监测,有记录资料,有新投产采区的首采面必须进行矿压观测工作。
2、坚持工作面班安全质量验收制度,记录齐全。
3、开展工作面地质预报工作,每月至少有一次预报,并有材料向有关部门、施工单位报告。
4、有合格的作业规程和管理制度。
(1)作业规程能贯彻有关技术政策和先进技术,并能结合实际,指导现场工作。
(2)作业规程、措施,从编制、审批到贯彻有健全的管理制度;作业规程由矿技术负责人组织每月至少进行一次复查,并有复查意见。
(3)作业规程中支护设计要根据矿压观测、地质资料等进行科学计算。
(4)工作面安装、初次放顶、收尾、回撤及过地质构造带等必须由专项措施。
5、所有支护器材有基础台帐,对规格型号、供货渠道、数量及合格证等均有记录资料。
(二)顶板管理
1、工作面控顶范围内巷高不低于1.8m。
2、工作面顶板不出现台阶下沉。
3、工作面机道梁端至煤壁的顶板冒落高度不大于200mm。
4、不准随意留顶煤开采,必须留顶煤、托夹矸(伪顶)开采时,必须有批准的专项措施。
(三)工作面支护
1、工作面支柱初撑力不低于11.5MPa,随机抽查10根,合格率不得低于90%。
2、工作面支柱要打成直线,柱距200mm,偏差±50mm;排距1100mm,偏差±100mm。
3、底板松软时要穿柱鞋,支柱钻底量不超过300 mm。
4、支柱、顶梁全部编号管理,牌号清晰,不缺梁、少柱(备用梁柱符合作业规程规定)。
5、支柱应有防倒措施。
6、工作面棚梁接顶严实,不空顶,做到有效支护。
7、工作面梁端至煤壁距离不大于300mm。
8、工作面联网合理,特别是老塘侧做到挡矸有效,网孔不超过300mm×300mm。
9、工作面发生片帮、冒顶要及时支护,贴帮柱要按照作业规程要求架设,不得缺少。
(四)安全出口与端头支护
1、工作面端头按作业规程要求支护,工作面运输机头、机尾、中间机头房要按规程规定使用单体支柱及π型梁,二梁七柱齐全。
2、工作面两顺槽超前支护必须使用单体支柱配铰接顶梁支护,距煤壁10m范围内打双排柱,10~20m范围内打单排柱,铰接齐全。
3、两顺槽自工作面煤壁超前20m范围内支架完整无缺,高度不低于1.6m,人行道宽度不得低于0.7m。
4、切顶线密集支柱齐全,无空载柱和失效柱,挡矸有效符合作业规程要求。
(五)回柱放顶
1、空顶距符合作业规程要求,回风、运输顺槽与工作面放顶线放齐(机头处可根据作业规程放宽1排)。
2、用全部陷落法管理顶板的工作面,控顶距符合作业规程要求,回风巷、进风巷与工作面放顶线放齐,采空区冒落高度普遍不小于1.5倍采高,出现超过2×5m范围的采空区不冒落时,必须采取加强支护或强制放顶措施。
3、特殊支护(纵柱、戗柱、木垛等)符合作业规程要求。
放顶时
按组配齐水平楔(每组不少于3个)。
(六)煤壁机道
1、工作面煤壁平直,并与顶底板垂直,伞檐长度1m以上,突出部分不超过200mm,伞檐长度1m以下突出部分不超过250mm。
2、工作面要及时挂梁,破碎顶板要掏窝挂梁,悬壁梁到位,端面距≤300mm。
3、靠煤壁贴帮支柱必须按作业规程要求支设及时、齐全。
4、机道内顶梁水平楔符合作业规程要求。
(七)两巷与文明生产
1、巷道必须达到质量标准化和安全生产要求,工作面超前20m 以外净高不低于1.8m,巷道管线吊挂整齐,人行侧宽度满足0.7m以上;因巷道变形、底鼓或顶板下沉,要及时扩刷或卧底挑顶。
2、两巷支护要可靠,支架完整,撑拉杆齐全,无弯梁折柱,无空帮空顶。
3、文明生产:⑴巷道无积水(长5m,深0.1m );⑵无浮矸、杂物;
⑶材料、设备码放整齐并有标志牌。
4、两顺槽内不准没有计划的乱挖、乱采。
(八)煤炭回收
1、工作面回收率不低于95%。
2、不任意丢顶底煤、煤柱(必须留时要有批准的专项措施)。
3、浮煤必须清理干净,工作面在2m2内浮煤平均厚度不超过30mm。
(九)机电管理
1、液压系统:(1)泵站和液压系统完好不漏液;(2)压力≥18Mpa;(3)乳化液浓度不低于2%~3%;(4)有现场检查手段。
2、工作面运输机机头与顺槽运输机搭接合理,底链不拉回头煤。
3、顺槽输送机挡煤板和刮板、螺栓齐全完好。
4、顺槽胶带输送机撑架、托辊齐全完好,胶带不跑偏。
管线吊挂铺设符合规定,开关上架,电缆盘好;闲置设备和材料要放在安全出口20m以外的安全地方;电气设备上方有淋水时,要有防水措施。
机电设备有包机人,挂牌管理。
5、输送机和顺槽运输机头、机尾要有压(戗柱);小绞车有牢固压(戗)柱或地锚;行人通过的顺槽运输机机尾处要加盖板,行人跨越运输机的地点要设过桥。
6、工作面运输机头与转载机搭接高度符合规程要求不拉回头煤。
7、顺槽胶带输送机撑架、托辊齐全完好,胶带不跑偏。
(十)安全管理
1、行人通过的顺槽输送机尾处或跨越皮带处要设有牢固可靠的过桥。
2、加强工作面工程质量管理,杜绝冒顶及瓦斯超限。
3、在用单体支柱完好,不漏液,不自动卸载,不缺爪,不弯曲变型,无外观损坏。
4、支柱迎山有力,不出现连续3根以支柱迎山角或退山角过大。
5、单体支柱必须按照煤矿安全规程规定定期升井检测,严禁工
作面结束后井下就地转移。
6、支柱(支架)高度与采高相符,不得超高使用。
7、工作面、上巷、下巷的注水孔、瓦斯释放孔必须按措施施工,间距、浓度、角度和数量符合规程要求。
二、实施方案
1、目标:一季度未采煤工作面达到省二级标准,年底力争有一个采煤工作面达到省一级标准。
2、每旬组织一次采煤工作面质量标准化现场及内业资料检查,与日常检查相结合,月底验收给予评分定级,检查及定级情况在公司调度会上通报。
3、质量标准化检查参加人员:采煤副总经理、安检科、调度室、机电科、生产科采煤组、采一队及采二队队长、技术员、验收员等。
4、每月检查重点:
一月份完成1-4项,重点检查单体柱柱压、单体柱钻底量,单体柱柱排距、单体柱迎山;
二月份完成5-6项,重点检查上、下巷超前支护质量,工作面防倒设施、洒水降尘及防尘设施;
三月份完成7-10项,重点检查两巷材料码放、文明卫生,检查煤炭回收率。
5、保证措施:一季度后,每旬对采煤工作面10项标准进行检查,若出现问题严格奖罚落实,直到达到省二级标准为止。