发电机直流润滑油泵电动机cad接线图
- 格式:dwg
- 大小:148.34 KB
- 文档页数:7
《柴油电喷发动机电路图集大全》附电脑针脚端子图页数: 500页年代: 2015年第一版目录前言(序)博世(BOSCH)高压共轨系统电路图与故障码表 (1)解放J6发动机与整车电路图 (6)解放载货汽车(电装系统)电路图与针脚图 (14)康明斯ISDe-Cm2150发动机电控系统电路图 (22)康明斯ISBE(6 缸)电路图电控系统电路图 (24)康明斯ISBE(4 缸)电路图电控系统电路图 (29)康明斯ISB4/ISBe 发动机电控系统电路图 (34)康明斯ISDE(6 缸)发动机电控系统电路图 (36)康明斯ISDE(4 缸)电路图电控系统电路图 (39)康明斯ISLE(6 缸)电路图电控系统电路图 (42)康明斯ISLE(4 缸)电路图电控系统电路图 (45)康明斯CM570 发动机电控系统电路图 (48)康明斯ISC 发动机电控系统电路 (50)日野P11C发动机电控系统电气资料 (54)日野E13C发动机电控系统电气资料 (65)日野J05E/J08E发动机电控系统电气资料 (77)日野J05 发动机ECU电控系统电路图与针脚图 (81)日野J08 发动机ECU电控系统电路图与针脚图 (82)陕汽德龙F2000整车电气线路图 (85)陕汽德龙F3000整车电气线路图 (92)陕汽德龙F3000 WP10/WP12发动机电控系统 (97)陕汽德御整车电气线路图 (103)陕汽奥龙整车电气线路图 (111)上柴8DK发动机ECU电控电路图 (119)潍柴WD615国四(DENSO系统)电路图带SCR尿素系统 (123)潍柴国四发动机BOSCH EDC17系统电路图与针脚图 (125)潍柴WP10电控系统线路图 (129)锡柴(BOSCH EDC 7)共轨电路图与ECU针脚义 (132)锡柴6DE发动机(单体泵)系统电路图 (135)锡柴CA4DF3发动机电控系统电气资料 (136)锡柴CA4DL发动机电控系统电气资料 (142)锡柴CA6DL发动机电控系统电气资料 (149)锡柴CA6DL1发动机电控系统电气资料 (159)锡柴CA6DL2发动机电控系统电路图 (163)锡柴CA6DL32发动机电控系统电气资料 (165)锡柴4DL 发动机电控系统电路图 (166)锡柴6DL1 发动机电控系统电路图 (167)锡柴CA6DL1-E3 发动机电装共轨系统电控原理图 (168)锡柴CA6DL1-32E3 发动机电装共轨系统电控原理图(带继电器) (169)锡柴CA6DL1-32E3 发动机电装共轨系统电控原理图(不带继电器) (170)锡柴CA4DL1-20E3 发动机电控系统电路(带继电器) (171)锡柴CA4DL1-20E3 发动机电控系统电路(不带继电器) (172)锡柴CA4DF3-13E3 发动机电控系统电路图 (173)锡柴CA6DL2-35E3 发动机电控系统电路图 (174)锡柴6DF3、6DL2 (电装 BOSCH共轨) 电控系统电路图 (175)玉柴(国四)YC6L-40 柴油机SCR 整车线束电路图 (176)玉柴BOSCH 共轨发动机线路图与针脚定义 (179)玉柴YC4FA EDC16 博世共轨电控系统电路图 (181)玉柴YC4F 德尔福共轨系统电控系统电路图 (183)玉柴YC6G240-30 (德尔福单体泵)电控系统电路 (185)玉柴欧四发动机系统电路图 (添蓝)SCR部件针脚图 (187)重汽豪沃EGR车型全车电气线路图 (192)重汽豪沃共轨车型全车电气线路图 (203)重汽豪沃A7 EGR车型全车电气线路图 (211)重汽豪沃WD615(国三)发动机电控系统电路图+针脚定义 (222)重汽豪沃D12发动机电控系统电路图+故障码 (227)大柴道依茨BFM1013/2012/2013发动机电控系统电气资料 (232)大柴道依茨发动机(单体泵)电控系统图+针脚图 (235)大柴道依茨发动机BOSCH EDC16UC40 单体泵系统(6 缸)电路图 (241)大柴道依茨发动机BOSCH EDC16UC40 单体泵系统(4 缸)电路图 (243)朝柴BOSCH共轨电控系统电脑ECU端子和电路图 (245)德尔福(DELPHI)高压共轨DCM 3.1系统针脚电路图+故障码 (247)电装(DENSO)高压共轨4DL 6DL系统电气电路图 (251)电装(DENSO)高压共轨电控系统针脚资料 (255)电装(DENSO)高压共轨系统故障码表 (259)东风天龙DFL1203A整车电气线路图 (261)东风天锦D530整车电气线路图 (264)东风柳汽霸龙507电气线路图 (268)东风大力神DFL3251A整车电气线路图 (269)北汽福田欧曼整车电路图 (271)北汽福田欧曼雄狮电路图 (273)北汽福田欧曼上柴发动机电控系统+端子图 (276)北汽福田欧曼上柴SC9DF发动机电控系统与故障码 (280)依维柯索菲姆SOFIM 发动机BOSCH EDC-MS6.3 共轨系统线路图 (284)依维柯 IV012-2 NEF 发动机电控系统线路图 (287)依维柯 SOFIM 8140.43S3 博世共轨EDC16 电控系统电路 (291)依维柯 EV01 红岩发动机 BOSCH EDC7UC31 电控系统电路 (293)云内动力D16TcI/D19TcI发动机电气资料 (295)云内动力YN33 30 发动机电控系统电路图 (299)杭发电装发动机电控系统电路图 (301)杭发欧三(徐工吊车)原理图 (303)金龙斗山DV10发动机电控系统线束电气资料 (304)斗山大宇DV11 发动机 ECU 电控系统电路图 (312)斗山大宇DL06 发动机电控系统电路图 (315)斗山大宇DL08 发动机 ECU 电控系统电路图 (317)南岳单体泵电磁曲轴发动机ECU 电路图(4 缸5 线油门踏板) (320)南岳单体泵电磁曲轴发动机ECU 电路图(6 缸5 线油门踏板) (322)南岳单体泵电磁曲轴发动机ECU 电路图(4 缸6 线油门踏板) (324)南岳单体泵电磁曲轴发动机ECU 电路图(6 缸6 线油门踏板) (326)南岳单体泵霍尔曲轴发动机ECU 电路图(4 缸5 线油门踏板) (328)南岳单体泵霍尔曲轴发动机ECU 电路图(6 缸5 线油门踏板) (330)南岳单体泵霍尔曲轴发动机ECU 电路图(4 缸6 线油门踏板) (332)南岳单体泵霍尔曲轴发动机ECU 电路图(6 缸6 线油门踏板) (334)五十铃6wAl—Tc发动机电控系统电气资料 (336)五十铃6wGl一Tc发动机电控系统电气资料 (340)江铃N系列全顺Jx493ZLQ发动机电控系统电气资料 (344)江铃T系列欧Ⅲ发动机电控系统电气资料 (349)庆铃600P发动机 4KHl—Tc电控系统 (350)五十铃6HK1 电路电控系统电路图 (355)五十铃6HK1(带GVNR 线束)发动机电控系统电路图 (358)五十铃6WA1-TC电路图与针脚定义 (360)五十铃6WG1 发动机电控系统电路图 (364)五十铃4JH1-TC 发动机电控系统电路图 (367)五十铃100P 4JB1 发动机电控系统电路图 (373)五十铃4JJ1 发动机电控系统电路图 (375)五十铃6HE1 发动机电控系统电路图 (377)五十铃4HE1 发动机电控系统电路图 (378)五十铃6SD1 发动机电控系统电路图 (379)江铃BOSCH 电控EDC16C39H 电路图 (380)江淮FA140发动机电路图 (382)江淮瑞风FA080 2.8L 柴油发动机电控系统电路图 (283)长城哈弗4D28TC 发动机电控系统电路图 (385)现代特拉卡aCovec2.5 发动机电路图与针脚图(AT) (389)现代特拉卡aCovec2.5 发动机电路图与针脚图(MT) (391)威特WP2000单体泵电控系统电气资料 (393)威特单体泵(东风乘龙)发动机电控系统电路图 (399)威特单体泵(玉柴)电路图 (401)住友机械五十铃发动机4HK1 电控系统电路图及ECU 端子定义 (405)日立挖机ZX200-3、ZX240-3、ZX270-3 电控系统电路图 (408)日立挖机EC210B-07 发动机电控系统电路 (410)神钢SK330 电控系统电路 (413)神钢SK200 电控系统电路图 (414)神钢SK350LC-8 电控系统电路 (416)神钢SK210LC-8 电控系统电路图 (418)三菱FUSO 4M50 发动机电控系统电路图 (420)三菱FUSO 6M70 发动机电控系统电路图 (421)卡特C-9 发动机ECU 电控系统接线图 (422)卡特325C 挖掘机发动机电控系统电路图 (423)卡特330C 挖掘机发动机电控系统电路图 (424)加藤HD820V 发动机电控系统电路图 (425)天然气玉柴EPR 6G 发动机电控线路图 (428)天然气玉柴EPR 6M 6J 4G 发动机电控线路图 (429)伍德沃德天然气发动机ECU 线路图 (430)天然气 (玉柴6缸)电路图 (432)天然气 (玉柴ECI系统)4缸 6缸 CNG增压发动机电路图 (433)天然气 (玉柴ECI系统)4缸 6缸 LNG增压发动机电路图 (435)天然气 (玉柴ECI系统)6M 6J 4G 整车线路图 (437)华菱重卡货车汽车灯光系统电气线路图 (440)北京BJ493ZQ3发动机电路图 (452)三菱6M60 电装发动机电路图与ECU端子 (453)雷诺DCI11 发动机 ECU 端子定义 (455)日产UD GE13(I 型)电控系统电路图 (458)日产UD GE13(II 型)电控系统电路图 (461)日产UD-FE6TC(A 型)电控系统线路图 (464)日产UD-FE6TC(B 型)电控系统线路图 (466)日产UD MD9L、MD9M 发动机电控系统电路图 (468)日产UD MD9L/MD9M发动机电控系统针脚资料 (472)MAN 发动机BOSCH EDC MS5 发动机电路图 (474)斯堪尼亚BOSCH EDC MS5 发动机电控系统电路 (475)沃尔沃单体泵发动机电控系统电路图 (476)EDC17尿素单元电路图 (478)自主品牌+天纳克系统电路图 (479)三合一电脑+1.5代天纳克尿素单元电路图 (480)常用车型诊断座位置--OBD端子说明 (481)柴油电控发动机(数据流)标准值-博世福田上柴潍柴锡柴等 (490)常用汽车仪表(报警标志)示意图 (497)电话 QQ: 网址潍柴锡柴玉柴朝柴上柴康明斯依维柯大柴道依茨江铃威特南岳云内三菱庆铃江淮北汽杭发日野日产等随着柴油技术日益发展,人们越来越发现柴油机的无穷魅力、高扭矩、高寿命、低油耗、低排放,柴油机成为解决汽车能源问题最现实和最可靠的手段,先后从国二机械喷射,到国三电喷,如今发展到国四排放标准.为环保,减少汽车尾气排放污染,工信部定于2014年12月31 日废止适用于国家第三阶段汽车排放标准柴油车产品《公告》,2015年1月1日起国Ⅲ柴油车产品将不得销售,国家实行国Ⅳ排放,在国Ⅲ发动机EGR(大泵),共轨的,单体泵的基础上,演变成国Ⅳ发动机,电控系统类似不变,只是在排气系统上加装了一套SCR尾气处理系统(俗称尿素罐),燃烧尿素,控制对象是NOx和颗粒物PM,达到净化尾气保护环境的目的.对于维修人员而言,市面上存在大量电控机车处于维修阶段,急需掌握电喷发动机有下面几种技术:1.电控高压共轨技术2.电控单体泵技术3.电控泵喷嘴技术4.涡轮增压、EGR废气循环、中冷技术5.尾气净化SCR原理特此本部精心收集整理了本套电路图集,配合光盘视频与图文教程,让修理人员在技术上得心应手2015.10 (第一版) 后续推出: 第二版 (加Q期待2016版)。
车床主轴电动机液压油泵控系别:电气工程及其自动化系班级:B100403学号: B10040333姓名: 尉博洋摘要液压传动控制系统主要用来控制液压动力元件(液压缸、液压马达)按照规定的要求进行动作。
文章给出了采用PLC来代替传统继电器来控制液压控制液压控制元件,从而实现对液压动力元件的控制,提高液压控制的自动化程度和可靠性的PLC液压动力滑台的应用和实现方法,并通过实践证明了该方法的可靠性和易行性。
车床主轴机必须在油泵开动后才能开动。
主轴机实现正反转,并采用定子绕组串电阻降压起动,由速度继电器完成起动到运行的过渡。
停车时,必须主轴机先停机,然后油泵机才能停机。
可以两台电动机同时停机。
任何一台过载,两台电动机均停车。
有电路,零压,过载保护。
有照明及必要的灯光显示。
关键词CA6140 机床控制线路前言CA6140型普通车床目前多用于现代化大中型制造业的成批生产车间,更多应用于生产线上。
其有较好的生产率和一定的使用性能,可很方便地车削常用的公制螺纹。
此外,其比万能型车床有较好的刚度和抗振性,能适应现代刀具发展的高速切削和强力切削。
同时,该机床还结构简单,便于工人操作,另外又可在其上方便地安装附件或自动化装置,从而实现自动或半自动车削。
普通车床靠齿轮和普通丝杠螺母传动。
由于各运动副间存在间隙,加上手工操作不准确因此重复精度较低。
普通车床测量时需停车后手工测量,测量误差较大,而且效率低下,。
适合批量较小,精度要求不高,零活类零件。
数控车床靠步进电机带动滚珠丝杠传动,由于滚珠丝杠可以有过盈量,传动无间隙,精度主要靠机床本身和程序保证。
在加工过程中可以自动测量,并能自动补偿刀具磨损及其他原因产生的误差。
所以加工质量好,精度稳定。
还可以用编程的方法车出形状复杂,普通车床难以加工的零件。
小批量生立车主要用于大件,它的主轴是垂直的。
立车也有数控的。
电气元件明细表要注明各元器件的型号、规格及数量等,如表CA6140车床的主要功能、结构主要功能CA6140车床是一种应用极为广泛的金属切削机床,能够车削外圆、内圆、螺纹、切断及割槽等,并可以装上钻头或铰刀进行钻孔和铰孔等。
摘要机床电气控制线路设计是高职机械专业学生学完大学的课程后进行的,学生已经掌握了机械制造、机械加工的一些基本技能,从事机床电气控制线路的设计是对以前所学电气知识的综合回顾和复习,以后对各种机床控制电路都可触类旁通,能自己动手设计和改进相应电路,也能排除相关电气故障。
主轴机必须在油泵开动后才能开动。
主轴机实现正反转,并采用定子绕组串电阻降压起动,由速度继电器完成起动到运行的过渡。
停车时,必须主轴机先停机,然后油泵机才能停机。
可以两台电动机同时停机。
任何一台过载,两台电动机均停车。
有电路,零压,过载保护。
有照明及必要的灯光显示。
关键词CA6140 机床控制线路前言CA6140型普通车床目前多用于现代化大中型制造业的成批生产车间,更多应用于生产线上。
其有较好的生产率和一定的使用性能,可很方便地车削常用的公制螺纹。
此外,其比万能型车床有较好的刚度和抗振性,能适应现代刀具发展的高速切削和强力切削。
同时,该机床还结构简单,便于工人操作,另外又可在其上方便地安装附件或自动化装置,从而实现自动或半自动车削。
普通车床靠齿轮和普通丝杠螺母传动。
由于各运动副间存在间隙,加上手工操作不准确因此重复精度较低。
普通车床测量时需停车后手工测量,测量误差较大,而且效率低下,。
适合批量较小,精度要求不高,零活类零件。
它投资较数控低,但对工人的操作技能要求较高,因此工资水平高。
低水平工人的废品率和生产率会让你头疼。
数控车床靠步进电机带动滚珠丝杠传动,由于滚珠丝杠可以有过盈量,传动无间隙,精度主要靠机床本身和程序保证。
在加工过程中可以自动测量,并能自动补偿刀具磨损及其他原因产生的误差。
所以加工质量好,精度稳定。
还可以用编程的方法车出形状复杂,普通车床难以加工的零件。
适合精度高,批量大,形状复杂的零件。
但小批量生产也很好用。
它的维修费用较普通车床高。
立车主要用于大件,它的主轴是垂直的。
立车也有数控的。
由于高技术水平的人才越来越缺,现在新上的企业多采用数控,以提高生产率和产品质量,降低废品率和成本。
实用!41例电动机接线方法-清晰大图(上)01电动机接线一般常用三相交流电动机接线架上都引出6个接线柱,当电动机铭牌上标为Y形接法时,D6、D4、D5相连接,D1~D3接电源;为△形接法时,D6与D1连接,D4与D2连接,D5与D3连接,然后D1~D3接电源。
可参见图1所示连接方法连接。
图1 三相交流电动机Y形和△形接线方法02三相吹风机接线有部分三相吹风机有6个接线端子,接线方法如图2所示。
采用△形接法应接入220V三相交流电源,采用Y形接法应接入380V三相交流电源。
一般3英寸、3.5英寸、4英寸、4.5英寸的型号按此法接。
其他吹风机应按其铭牌上所标的接法连接。
图2 三相吹风机六个引出端子接线方法03单相电容运转电动机接线单相电动机接线方法很多,如果不按要求接线,就会有烧坏电动机的可能。
因此在接线时,一定要看清铭牌上注明的接线方法。
图247为IDD5032型单相电容运转电动机接线方法。
其功率为60W,电容选用耐压500V、容量为4μF的产品。
图3(a)为正转接线,图3(b)为反转接线。
图3 IDD5032型单相电容运转电动机接线方法04单相电容运转电动机接线图4 JX07A-4型单相电容运转电动机接线方法图4是JX07A-4型单相电容运转电动机接线方法。
电动机功率为60W,用220V/50Hz交流电源、电流为0.5A。
它的转速为每分钟1400转。
电容选用耐压400~500V、容量8μF的产品。
图4(a)为正转接线,图4(b)为反转接线。
05单相吹风机接线图5 单相吹风机四个引出端子接线方法有的单相吹风机引出4个接线端子,接线方法如图5所示。
采用并联接法应接入110V交流电源,采用串联接法应接入220V交流电源。
06Y100LY系列电动机接线目前,Y系列电动机被广泛应用。
Y系列电动机具有体积小、外形美观、节电等优点。
它的接线方式有两种:一种为△形,它的接线端子W2与U1相连,U2与V1相连,V2与W1相连,然后接电源;另一种为Y形,接线端子W2、U2、V2相连接,其余3个接线端子U1、V1、W1接电源。
玉柴DELPHI电控单体泵柴油机车辆线束说明1、整车线束与发动机线束的连接电路图见“整车线路图”,共18根导线。
2、所有导线的线径见“玉柴欧III电控单体泵柴油机车辆电路连接图”。
3、欧三电控发动机采用电子油门,由油门怠速开关和油门传感器组成,共五根线。
电子油门踏板由玉柴提供,油门线束由整车厂加工制作,其中A、B、C、D、F分别对应于油门接插件上的标号。
4、“整车线路图”中的自动变速箱通讯接口为CAN1总线通讯,采用双绞线,30个/米,长度、走向和接线端子定义由整车厂根据需要确定;整车标定接口为CAN2总线通讯,采用双绞线,30个/米,安装在仪表盘下方(由整车厂确认,建议置于仪表盘下方,以便于诊断仪的即插即用,并保证诊断接口防尘防水,远离大功率元器件,避免强大的电磁干扰)。
其中CAN2H与标定接插件引脚1相连,CAN2L 与标定接插件引脚2相连。
标定接插件的电源和地由整车提供。
硬件接口接插件由玉柴指定,整车厂采购并安装。
5、欧三电控发动机控制器采用车辆蓄电池供电,其中控制器电源负极直接接到蓄电池负极,控制器电源正极通过主继电器与蓄电池正极连接。
该继电器在控制器接收到点火信号后由控制器控制与蓄电池的接通,继电器规格:24V,15A6、要求在点火开关电路上串联一个安全开关,以保证在故障时迅速切断控制电源。
7、要求在汽车的仪表板上安装故障指示灯,规格24V,1A(最大值),并集成限压限流电阻(如果采用发光二极管,限流电阻为5KΩ左右)。
8、要求整车厂在汽车仪表板上提供怠速微调使能开关:常开式,单向开关,24V9、要求整车厂在汽车的仪表板上提供怠速微调上升开关:自动复位式,24V10、要求整车厂在汽车的仪表板上提供怠速微调下降开关:自动复位式,24V11、空调请求开关:常开式,单向开关,24V12、整车线束与发动机线束的接插件分为电源(2端子)和信号(16端子)接插件,由整车线束厂采购并根据实际需要长度制作;需要整车提供的物理接口还包括电子油门接口和整车标定接口。
实用!41例电动机接线方法-清晰大图(上)01电动机接线一般常用三相交流电动机接线架上都引出6个接线柱,当电动机铭牌上标为Y形接法时,D6、D4、D5相连接,D1~D3接电源;为△形接法时,D6与D1连接,D4与D2连接,D5与D3连接,然后D1~D3接电源。
可参见图1所示连接方法连接。
图1 三相交流电动机Y形和△形接线方法02三相吹风机接线有部分三相吹风机有6个接线端子,接线方法如图2所示。
采用△形接法应接入220V三相交流电源,采用Y形接法应接入380V三相交流电源。
一般3英寸、3.5英寸、4英寸、4.5英寸的型号按此法接。
其他吹风机应按其铭牌上所标的接法连接。
图2 三相吹风机六个引出端子接线方法03单相电容运转电动机接线单相电动机接线方法很多,如果不按要求接线,就会有烧坏电动机的可能。
因此在接线时,一定要看清铭牌上注明的接线方法。
图247为IDD5032型单相电容运转电动机接线方法。
其功率为60W,电容选用耐压500V、容量为4μF的产品。
图3(a)为正转接线,图3(b)为反转接线。
图3 IDD5032型单相电容运转电动机接线方法04单相电容运转电动机接线图4 JX07A-4型单相电容运转电动机接线方法图4是JX07A-4型单相电容运转电动机接线方法。
电动机功率为60W,用220V/50Hz交流电源、电流为0.5A。
它的转速为每分钟1400转。
电容选用耐压400~500V、容量8μF的产品。
图4(a)为正转接线,图4(b)为反转接线。
05单相吹风机接线图5 单相吹风机四个引出端子接线方法有的单相吹风机引出4个接线端子,接线方法如图5所示。
采用并联接法应接入110V交流电源,采用串联接法应接入220V交流电源。
06Y100LY系列电动机接线目前,Y系列电动机被广泛应用。
Y系列电动机具有体积小、外形美观、节电等优点。
它的接线方式有两种:一种为△形,它的接线端子W2与U1相连,U2与V1相连,V2与W1相连,然后接电源;另一种为Y形,接线端子W2、U2、V2相连接,其余3个接线端子U1、V1、W1接电源。
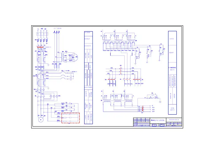
改进直流润滑油泵电机控制电路摘要:直流润滑油泵正常运转直接影响汽轮发电机组能否正常运转,而传统直流润滑泵电机控制电路故障率高,故障不断,运行稳定性及可靠性极低,给汽轮发电机的安全稳定运行造成了重大隐患,因此,改进直流润滑油泵电机控制电路具有重要意义。
关键词:直流电机;PLC;控制电路在发电厂中,汽轮机的轴承决定了转子在汽缸中幅向及轴向的位置,轴承与转子间用油作为润滑介质并带走热量。
供油系统的可靠工作是轴承工作好坏的基本条件,对汽轮机安全运行关系重大。
若汽轮机轴承供油中断,将使转子在轴承内的转动变为干摩擦,造成轴瓦温度急剧升高、机组强烈震动,将引起机组重大事故,造成巨大经济损失。
一、改进直流润滑油泵电机控制电路的起因某厂汽轮机发电机组的汽轮机润滑油系统,安装有一台交流润滑油泵和两台直流润滑油泵,保障汽轮发电机在高速运转中的正常润滑,当出现跳机故障等情况下,有可能造成交流电源全失,这时,由220V蓄电池供电的直流事故润滑油泵必须可靠启动运转,才能保证汽轮发电机在停机过程中不至于发生断油烧轴,汽轮机叶片损毁的重大故障。
由此可见,保证直流事故润滑油泵的可靠运行,意义重大。
常用的限制启动电流的方式是在电枢绕组中串电阻启动(3~4级),随着转速的升高逐级切除启动电阻,老式的直流电机控制系统,一般选用低电压继电器接触器中间继电器作为控制元件,控制每一级电阻的切除都需要一套低电压继电器、接触器、中间继电器,所以整个控制回路中,控制原件数量庞大,中间环节多,非常容易发生启动故障;低电压继电器动作不可靠,也经常造成启动电阻切除不了,启动电阻烧毁故障;而且直流电没有电流过零点,所以熄灭电弧比较困难,造成了直流接触器接点烧蚀快、使用寿命短、故障率高等故障。
使得直流润滑油泵启动运转故障率非常高,不能保证在故障情况下的可靠供油,给汽轮发电机的安全稳定运行造成了重大隐患。
所以,对其控制系统进行改进,提高其运行可靠性势在必行。