生物滤池设计计算书
- 格式:docx
- 大小:75.23 KB
- 文档页数:7
BAF池计算水量Q2000m3/d进水BOD126mg/l出水BOD25mg/l容积负荷33-5kg/(m3*d)BAF池容积67.33333333填料层高度H1 2.5一般为2.5-4.5BAF池面积26.93333333BAF池个数n2BAF池边长 3.669695719BAF池边长取5配水室高h1 1.21.2-1.5承托层h20.30.2-0.3清水区h310.8-1.0超高0.50.3-0.5H 5.5填料体积125125气量可按EH的计算Q小时流量进水BOD出水BOD碳的氧当量X 平均需氧量EAGS(空气体积)200083.333333330.0750.015 1.680.280.15190.4762风机风量(m3/min3.174603175反洗风量反洗风量强度0.2-0.8m3/(m2*min)13.46667m3/min水冲强度0.5-1.0m3/(m2*min)808m3/h9.69621.6m3/(m2*h)581.76选择鼓风机时长柄滤头个数(每平方有36个滤头)969.6(台州中昌)36-492450滤板个数标准滤板尺寸980*980*100价格滤板采用整体浇注厚度180mm 1400-1500m2滤头12元/个滤料1500m3单孔曝气器0.28m3/个050元/个(成本22)#DIV/0!配水器1900元/套(成本)按照停留时间算T 1.5h上升流速度2m3/h有效水深3m水量Q2000m3/d小时流量83.33333333BAF池个数n2池子有效容积125单个池面积20.83333333104.1666667单个池宽度5单个池长度 4.166666667取6.0m单个池长度取5填料层高度H13配水室高h1 1.21.2-1.5承托层h20.20.2-0.3气反冲强度10L/m2*s 清水区h30.80.8-1.0超高0.30.3-0.5总高 5.5填料体积125长柄滤头个数1800(每平方有36-49个滤头)单孔膜曝气器1880曝气量8.4(周工计算,他是按照单孔膜曝气器数量反算的)反冲气量0.5气冲强度大于10L/m2*s0.6m3/m2*mi n曝气量 3.174603175m3/min鼓风机 3.19单孔膜曝气器683.5714286反洗风量强度0.2-0.8m3/(m2*min)12.5m3/min 水冲强度0.5-1.0m3/(m2*min)625m3/h长柄滤头个数(每平方有36个滤头)1500。
四、生物滤池系统的设计计算1、一、二级生物滤池⑴滤池滤料体积及其几何尺寸的确定设计参数;Q=20000 m3/d 回流比r=200% F W范围800~1200 gBOD5/ m3·d 初沉池出水BOD=132mg/L 滤池出水BOD=30mg/L按有机负荷法计算:①滤料的体积V =(L1-L2)Q / u= L1Q / F W式中:V—滤料体积,m3L1—滤池进水有机物浓度,mg/lL2—滤池出水有机物浓度,30mg/lQ—流入滤池的污水设计流量,m3/du—以有机物去除量为基础的有机负荷率,gBOD5/ m3滤料·dF W—以进水有机物为基础的有机负荷率,gBOD5/ m3滤料·d采用碎石滤料,设F W=1125gBOD5/ m3·d ,出水BOD5=30 mg/LL1=(L+rL2)/(1+r)=(132+2×30)/(1+2)=64(mg/L)V = 20000(1+2)×64 / 1125 =3200m3②滤池的平面面积A = V / H式中:A—生物滤池的平面面积,㎡V—生物滤池的滤料体积,m3H—生物滤池的滤料厚度。
取滤料厚度4m A = 3200 / 4= 800㎡采用2格,单格有效过滤面积20.0×20.0=400m2。
③用水力负荷率校核q = Q / A式中q—生物滤池水力负荷率, m3/(㎡·d)q一般为10~30 m3/(㎡·d)q = 20000/800= 25 [m3/(㎡·d)]符合要求④过滤速度V=Q/A=2000/800=1.04 m3/(m2•h)(2)滤池高度承托层厚380mm,由卵石级配,粒径8~32mm。
滤料层采用双层滤料,厚h=400mm,滤板厚12mm,超高60mm。
配水室高100mm,清水区高100mm。
滤池高度H为H=380+400+12+60+100+100=1052mm(3)每个滤池的配水系统滤池配水系统的设计为选用长柄滤头配水方式,并兼气反冲洗布气用。
5.主要构筑物与设备参数(一)格栅见草图:1.栅条的间隙数:设栅前水深 h=0.1m ,栅前流速 u1 =0.4m /S过栅流速 u = 0.6 m/S,栅条间宽度e=20mm,格栅安装倾斜角a=60on=Qmax×(Sina)1/2/(bhv)= 0.00463×(Sin60o)1/2/(0.018×0.1×0.6)≈42.栅条宽度:设栅条宽度为 S=0.01mB=S(n-1)+bn=0.01×(4-1)+0.018×4=0.102m3.进水水渠道渐宽部分长度:设进水水渠宽B1=0.06m,渐宽部分展开角a1=20ol1=(B-B1)/(2tga1)=(0.102-0.06)/(2tg20o)=0.06m4.栅槽与出水渠连接处的渐窄部分长度l2=l1/2=0.06/2=0.03m5.通过格栅的水头损失:设栅条为矩形断面,取k=2.5h1=β(s/b)4/3sinαk(v2/2g)=2.5×2.42×(0.01/0.018)4/3×0.866×(0.62/19.6)= 0.044 m6.槽后槽总高度:取栅前渠道超高h2=0.1m,有总高度H=h+h1+h2=0.1+0.1+0.044=0.244m7.栅槽总长度:L=l1+l2+1.0+0.5+H1/tga=0.06+0.03+0.5+0.8+0.2/tg60o≈1.413m8.每日渣量:取W1=0.07m3/103m3(污水)所以,W=Qmax×W1×86400/K2/1000=0.0463×0.07×86400/2.5/1000≈0.0112m3/d≤0.2m3/d栅渣量极小,适宜人工清渣。
(二) 水解酸化池体的计算(1)水解(酸化)池有效池容V有效是根据污水在池内的水力停留时间计算的。
水解(酸化)池内水力停留时间需根据污水可生化性、进水有机物浓度、当地的平均气温情况综合而定,一般为 2.5-4.5h.考虑综合情况,本工程设计中水力停留时间取 T = 4 h,本工程设计流量 Q = 400 m3/d =16.67 m3/h,取 T = 4 h,则有效池容为:水解酸化池的有效容积 V有效 = QT式中 V有效——水解酸化池的有效容积,m3 ,Q----进入水解酸化池的废水平均流量,m3/h ;T----废水在水解酸化池中的水力停留时间, h本工程 Q = 16.67 m3/h,T = 4 h,代入公式后:V有效 = 16.67 × 4 = 66.68 m3 ,对于水解酸化反应器,为了保持其处理的高效率,必须保持池内足够多的活性污泥,同时要使进入反应器的废水尽量快地与活性污泥混合,增加活性污泥与进水有机物的接触,这就要求上升流速越高越好。
曝气生物滤池1:滤池尺寸的计算 ①滤料体积W N S Q W 1000∆==dm kgBOD dkgBOD ∙⨯⨯⨯3/21000/2024670=160.8m 3其中,BAF 除碳的滤料负荷为2~6d m kgBOD ∙3/,取2d m kgBOD ∙3/ ②滤池表面积BAF 的滤料高度一般为2~4m ,取3m ,则BAF 的表面积为53.6m 2滤池面积过大时,会不利于布水布气的均匀,因此滤池面积过大时应当分格。
因此将滤池分六格,并联运行,单格表面积为:6mx6m (考虑到水力负荷将滤池面积适当扩大)正常水力负荷:670/36/6=3.10h m m ∙2/3当有一格滤池反洗时,最大水力负荷为:670/36/3=3.72h m m ∙2/3 满足除碳时最大水力负荷6.0h m m ∙2/3的要求。
③滤池深度 滤料层高度3m 配水配气室高度1.2m 承托层高度0.3m 清水区高度1.5m 超高0.5m则滤池的总深度为6.5m(承托层,清水区,配气配水室高度不确定,只在一些地方看到滤料被淹没1.5~m 比较好)2:反冲洗水量计算在资料中共查到如下几个数:室外给水设计规范P206:活性炭11.1(大粒径)或6.7S m L ∙2/(小粒径),15~20min 城镇给水第3册过滤那一章:P609固定式表面冲洗2~3S m L ∙2/,冲洗水头0.2MPa P612常用气水冲洗:先气冲——再气水同时(3~4S m L ∙2/)——后水冲(4~10S m L ∙2/) P617快滤池,只水冲时12~15S m L ∙2/ 参考的华北院项目中一般取18S m L ∙2/按水冲洗强度5S m L ∙2/则水量为5x6x6=180L/Sx3.6=648m3/h 。
可选三台反洗水泵,两用一备,单台能力为350 m3/h 反洗水量使用RO 浓水。
3:反冲洗气量计算在资料中共查到如下几个数:室外给水设计规范P206:活性炭13.9(大粒径)或13.9S m L ∙2/(小粒径) 5min 城镇给水第3册P612常用气水冲洗:先气冲(15~20S m L ∙2/)——再气水同时(12~18S m L ∙2/)——后水冲 一般取3.3S m L ∙2/(觉得此值不对,气水比应当是1~3比1)按气冲洗强度15S m L ∙2/则水量为15x6x6=540L/Sx3.6=1944m3/h=32.4 m3/min 可选两台鼓风机,一用一备,单台能力为33m3/min 。
四、生物滤池系统的设计计算1、一、二级生物滤池⑴滤池滤料体积及其几何尺寸的确定设计参数;Q=20000 m3/d 回流比r=200% F W范围800~1200 gBOD5/ m3·d 初沉池出水BOD=132mg/L 滤池出水BOD=30mg/L按有机负荷法计算:①滤料的体积V =(L1-L2)Q / u= L1Q / F W式中:V—滤料体积,m3L1—滤池进水有机物浓度,mg/lL2—滤池出水有机物浓度,30mg/lQ—流入滤池的污水设计流量,m3/du—以有机物去除量为基础的有机负荷率,gBOD5/ m3滤料·dF W—以进水有机物为基础的有机负荷率,gBOD5/ m3滤料·d采用碎石滤料,设F W=1125gBOD5/ m3·d ,出水BOD5=30 mg/LL1=(L+rL2)/(1+r)=(132+2×30)/(1+2)=64(mg/L)V = 20000(1+2)×64 / 1125 =3200m3②滤池的平面面积A = V / H式中:A—生物滤池的平面面积,㎡V—生物滤池的滤料体积,m3H—生物滤池的滤料厚度。
取滤料厚度4m A = 3200 / 4= 800㎡采用2格,单格有效过滤面积20.0×20.0=400m2。
③用水力负荷率校核q = Q / A式中q—生物滤池水力负荷率, m3/(㎡·d)q一般为10~30 m3/(㎡·d)q = 20000/800= 25 [m3/(㎡·d)]符合要求④过滤速度V=Q/A=2000/800=1.04 m3/(m2•h)(2)滤池高度承托层厚380mm,由卵石级配,粒径8~32mm。
滤料层采用双层滤料,厚h=400mm,滤板厚12mm,超高60mm。
配水室高100mm,清水区高100mm。
滤池高度H为H=380+400+12+60+100+100=1052mm(3)每个滤池的配水系统滤池配水系统的设计为选用长柄滤头配水方式,并兼气反冲洗布气用。
生物滤池的设计计算¾¾生物滤池的设计内容主要包括滤床容积、布水系统、排水系统等三个部分。
1、普通生物滤池(1)主要设计参数① 工作层填料的粒径为25~40mm,厚度为1.3~1.8m;承托层填料的粒径为70~100mm,厚度为0.2m。
② 在正常气温条件下,处理城市废水时,表面水力负荷为1~3 m3/m2.d,BOD5容积负荷为0.15~0.30kgBOD5/m3.d,BOD5的去除率一般为85~95%;③ 池壁四周通风口的面积不应小于滤池表面积的1%;④ 滤池数不应小于2座。
(2)计算公式表5-6 生物滤池计算公式设计内容计算公式参数意义及取值滤料总体积(V) V =QS/L V——滤料总体积,m3Q——进水平均流量,m3/dS——进水BOD5浓度,mg/lL——容积负荷,一般取0.15~0.3kgBOD/m3.d滤床有效面积(F) F =V/H F——滤床的有效面积,m2H——滤料高度,1.5~2.0m表面水力负荷校核(q) q =Q/F q——表面水力负荷,应为1~3m3/m2.d。
2、高负荷生物滤池(1)主要设计参数① 以碎石为滤料时,工作层滤料的粒径应为40~70mm,厚度不大于1.8m,承托层的粒径为70~100mm,厚度为0.2m;当以塑料为滤料时,滤床高度可达4m;② 正常气温下,处理城市废水时,表面水力负荷为10~30 m3/m2.d,BOD5容积负荷不大于1.2kgBOD5/m3.d,单级滤池的BOD5的去除率一般为75~85%;两级串联时,BOD5的去除率一般为90~95%;③ 进水BOD5大于200mg/l时,应采取回流措施;④ 池壁四周通风口的面积不应小于滤池表面积的2%;⑤ 滤池数不应小于2座。
(2)计算公式:表5-7 高负荷生物滤池的计算公式设计内容计算公式参数意义及取值滤池高度(H)以碎石为滤料时,H = 0.9~2.0m用塑料滤料时,H = 2~4m滤料总体积(V) V = QS/L V——滤料总体积,m3Q——废水量,m3/dS——未经回流稀释时的BOD5浓度,mg/lL——容积负荷,一般不大于1.2kgBOD/m3.d滤池面积(F) F =V/H n——滤池个数F——滤池面积,m2回流比(R) R = Fq/Q -1 R——回流比q——表面水力负荷,通常在10~30m3/m2.d之间3、塔式生物滤池(1)主要设计参数:① 一般常用塑料滤料,滤池总高度为8~12m,也可更高;每层滤料的厚度不应大于2.5m径高比为1:6~8;② 容积负荷为1.0~3.0kgBOD5/m3.d,表面水力负荷为80~200 m3/m2.d,BOD5的去除率一般为65~85%;③ 自然通风时,塔滤四周通风口的面积不应小于滤池横截面积的7.5~10%;机械通风时,风机容量一般按气水比为100~150:1来设计;④ 塔滤数不应小于2座。
曝气生物滤池计算书气生生物滤池是一种常用的废水处理设备,它通过好氧微生物的作用将废水中的有机污染物转化为无机物,达到净化水质的目的。
在设计气生生物滤池时,需要进行一系列的计算来确定其尺寸和性能,以确保其能够有效地处理废水。
下面是一个针对气生生物滤池的计算书,以便您参考。
1.确定废水流量:根据废水的水质分析结果和处理目标,确定气生生物滤池的设计处理水量。
一般来说,气生生物滤池的设计处理水量为废水产生量的80%左右。
假设废水的流量为Q(m³/d)。
2.确定废水的有机污染物负荷:根据废水中有机污染物(化学需氧量,COD)的水质分析结果,计算废水的有机污染物负荷(COD负荷)。
假设废水的COD负荷为L(kgCOD/d)。
3.确定气生生物滤池的COD去除效果:根据气生生物滤池的设计参数和运行条件,计算其COD去除效果。
一般来说,气生生物滤池的COD去除率可以达到85%以上。
假设气生生物滤池的COD去除率为η(%)。
4.确定气生生物滤池的活性生物量:根据废水的COD负荷和气生生物滤池的COD去除效果,计算气生生物滤池的活性生物量(微生物数量)。
假设气生生物滤池的活性生物量为X (kg COD/d)。
5.确定气生生物滤池的体积:根据气生生物滤池的COD去除效果和活性生物量,计算气生生物滤池的体积。
一般来说,气生生物滤池的体积可以根据以下公式来计算:V=X/(Sθ₁)其中,V为气生生物滤池的体积(m³),X为气生生物滤池的活性生物量(kg COD/d),S为气生生物滤池的活性生物量基质供给速率(kg COD/(m³•d)),θ₁为废水在气生生物滤池中的滞留时间(d)。
6.确定气生生物滤池的填料量:根据气生生物滤池的体积和填料层的高度,计算气生生物滤池所需的填料量。
填料层的高度一般根据气生生物滤池的设计参数来确定,可以根据厂商提供的数据或相关规范进行确定。
7.确定气生生物滤池的通气量:根据气生生物滤池的设计通气参数和处理水量,计算气生生物滤池所需要的通气量。
X X设计院计算书工程名称: XXX污水处理工程——A2/O生物池工程代号: 2013-M011-03专业: 工艺计算:校对:审核:2016年5月20日生物池工艺计算(一)1、设计进出水水质表1进水水质表2 出水水质2、基础资料:近期规模:0.30×104m3/d,远期:0.60×104m3/d。
考虑XXX污水处理厂进水规模,生化池近期设一组两格,单格流量:0.15×104m3/d ,K=1.84z设计水温15℃。
XXX污水处理厂出水水质执行《城镇污水处理厂污染物排放标准》(GB18918-2002)一级标准的B标准。
3、基本参数设定:混合液污泥浓度:MLSS=3500mg/L。
溶解氧浓度C=2.0mg/L。
4、A 2/O 生物池理论计算 4.1 好氧池计算 4.1.1 硝化菌比生长率0.098(1515)0.098(1515)80.470.470.4480.48a NaN e e d K NK N ——硝化作用中氮的半速率常数, 15℃时取0.4 N a ——反应池中氨氮浓度,mg/L 4.1.2 设计污泥龄112.55.5850.448d mFF dθd ——反应池设计泥龄值(d )F ——安全系数,取1.5~3.0,本设计取2.5 4.1.3 污泥净产率系数(1515)(1515)0.9()10.90.080.6 1.0722200.85(0.60.6)11200.08 1.0725.5851.303h h t ihih tdb Y f X Yf Y S b fY ——污泥产率系数;ψ——反应池进水中悬浮固体中不可水解/ 降解的悬浮固体的比例,通过测定求得,无测定条件时,取0.6;X i ——反应池进水中悬浮固体浓度(mg/L );f ——污泥产率修正系数,通过实验确定,无实验条件时取0.8~0.9,本设计取0.85b h ——异氧菌内源衰减系数(d -1),取0.08; Y h ——异氧菌产率系数(kgSS/kgBOD 5),取0.6; f t ——温度修正系数,取1.072(t-15);S i ,S e ——反应池进水、出水五日生化需氧量(BOD 5)浓度(mg/L)。
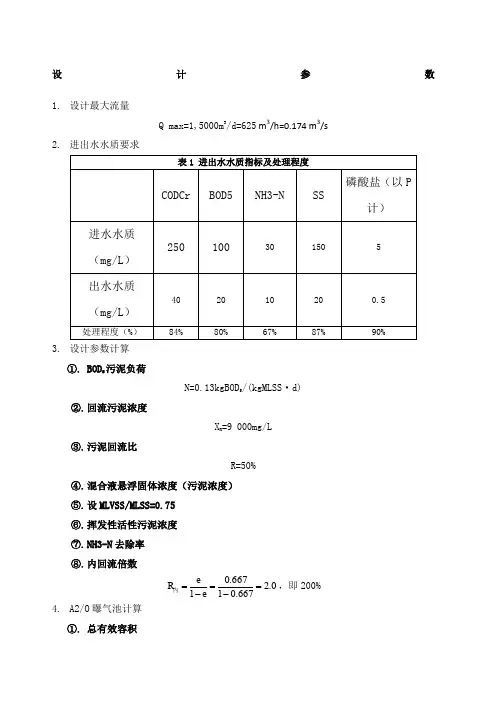
设计参数1. 设计最大流量Q max=1,5000m 3/d=625 m 3/h=0.174 m 3/s2. 进出水水质要求3. 设计参数计算①. BOD 5污泥负荷N=0.13kgBOD 5/(kgMLSS ·d)②. 回流污泥浓度X R =9 000mg/L③. 污泥回流比R=50%④. 混合液悬浮固体浓度(污泥浓度) ⑤. 设MLVSS/MLSS=0.75 ⑥. 挥发性活性污泥浓度 ⑦. NH3-N 去除率 ⑧. 内回流倍数0.2667.01667.01=-=-=e e R 内,即200% 4. A2/O 曝气池计算①. 总有效容积②. 反应水力总停留时间 ③. 各段水力停留时间和容积 厌氧:缺氧:好氧=1:1:4厌氧池停留时间h t 025.115.661=厌⨯=,池容33.427256461m V =厌⨯=;缺氧池停留时间h t 025.115.661=缺⨯=,池容33.427256461m V =缺⨯=;好氧池停留时间h t 1.415.664=好⨯=,池容33.1709256464m V =好⨯=。
④. 反应池有效深度H=3m取超高为1.0m ,则反应池总高m H 0.40.10.3==+ ⑤. 反应池有效面积 ⑥. 生化池廊道设置设厌氧池1廊道,缺氧池1廊道,好氧池4廊道,共6条廊道。
廊道宽4.5m 。
则每条廊道长度为m bn S L 7.3165.4855=⨯==,取32m ⑦. 尺寸校核1.75.432==b L ,5.135.4==D b 查《污水生物处理新技术》,长比宽在5~10间,宽比高在1~2间 可见长、宽、深皆符合要求5. 反应池进、出水系统计算① 进水管进水通过DN500的管道送入厌氧—缺氧—好氧池首端的进水渠道。
反应池进水管设计流量s m Q /17.0864001500031== 管道流速s m v /9.0'=管道过水断面面积2119.090.0/17.0/m v Q A === 管径m Ad 49.019.044=ππ⨯==取进水管管径DN500mm校核管道流速s m AQ v /87.0)25.0(17.021===π,附合 ② 进水井污水进入进水井后,水流从厌氧段进入 设进水井宽为1m ,水深0.8m 井内最大水流速度 反应池进水孔尺寸: 取孔口流速s m v /4.0= 孔口过水断面积孔口尺寸取0.3×0.3m ,则孔口数 ③ 出水堰。
设计水量平均日流量Q=设计水质名称及单位进水BOD5(mg/L)So=COD(mg/L)SS(mg/L)SSo=TN(mg/L)TNo=NH3-N(mg/L)N1=NO3-N(mg/L)N2=TP(mg/L)采用后置反硝化工艺设计参数硝化池计算取硝化容积负荷q1=硝化池进水凯氏氮浓度Nk1=TN0-N2硝化池出水凯氏氮浓度Nk2=N1e采用轻质滤料滤料总体积V=Q(Nk1-Nk2)/(q1*1000)取滤料层高度H0=滤池面积A1=V/H0取单格滤池长L=宽B=校核滤速v=Q/(24A)校核空床水力停留时间T=24V/Q取滤池超高h1=稳水层高度h2=滤板厚度h4=配水区高度h5=滤池总高度H=H0+h1+h2+h3+h4+h5滤池总尺寸L×B×H6×6×6.6分2格单池面积需氧量计算(忽略C氧化)硝化池需氧量Rn=Q*4.57*(Nk1-Nk2)/1000本次设计采用单孔膜曝气器氧转移效率Ea=最不利水温按30℃考虑T=最不利温度下饱和氧溶解度Cs(30)=标准状态下清水中饱和氧溶解Cs(20)=取曝气器淹没水深H4=曝气器出口处绝对压力Pb=p+9.8*1000*H4=空气离开曝气池水面时氧的百分浓度Ot=21*(1-Ea)/(79+21*(1-Ea))曝气池中实际溶解氧浓度应为扩散装置出口和混合液表面浓度的平均值Csb(30)=(Cs(15)*(Pb/p+Ot/21))/2Csb(20)=(Cs(20)*(Pb/p+Ot/21))/2设计温度15℃时取废水杂质对氧转移的修正系数α=废水盐类对氧转移的修正β=压力对氧转移修正ρ=曝气池出口溶解氧浓度C L=脱氧清水的充氧量R0=(RnC_(sb(20)))/(α(βρC_sb(30) −C_L)×〖1.024〗^(T−20) )=C_L)×〖1.024〗^(T−20) )=供气量Gs=Ro/(0.21*1.43*Ea)=选几台风机根据池子个数定取曝气设备风压损失Hd=输气管道总风压Hf=为简化计算,考虑2~3kpa的富余压力,取总压力损失Ht=鼓风机出口风压Pc=H4*9.8+9.8=反硝化池计算取反硝化容积负荷q2=反硝化池进水硝酸盐浓度Nt1=TN0-N1e反硝化池出水硝酸盐浓度Nt2=N2e采用轻质滤料滤料总体积V=Q(Nk1-Nk2)/(q1*1000)取滤料层高度H0=滤池面积A2=V/H0取单格滤池长L=宽B=校核滤速v=Q/(24A)校核空床水力停留时间T=24V/Q取滤池超高h1=稳水层高度h2=滤板厚度h4=配水区高度h5=滤池总高度H=H0+h1+h2+h3+h4+h5滤池总尺寸L×B×H 3.5×6×6.6碳源投加量计算硝态氮的去除量△N=Q(TN0-N2e)/1000=采用甲醇作为外加碳源单位硝酸盐甲醇投加量k=甲醇投加量M=k*△N反冲洗系统采用气水联合反冲洗空气反洗强度q气=反洗风量Q气=q气*A2=A取单池面积大的水洗强度q水=Q水=q水*A2=3600m³/d出水200Se=20150SSe=2090TNe=2060N1e=1020N2e=101.5kgNH4-N/(m³·d)70mg/L10mg/L144m³4m36㎡6m6m4.166666667m/h0.96h0.3m1m0.1m1.2m6.6m18㎡987.12kgO2/d15%30℃7.639.175.5m155225Pa p为标准大气压,101325Pa18.43%9.19mg/L11.05mg/L0.75宜根据试验测定,一般鼓风曝气设备取值0.4~0.8,机械曝气设备0.6~1.00.95取值0.7~0.98,一般取0.9513mg/L2001kg/d83.4kg/h1850.8 m3/h其中0.21为氧气在空气中体积分数,1.43为氧的容重,单位kg/m3 31m3/min2用一备,单台风机风量15.5m3/min4kpa一般取3~53kpa宜根据沿程损失和局部损失计算得到9.8kpa63.7kpa3kgNO3-N/(m³·d)80mg/L10mg/L84m³4m21㎡6m3.5m7.142857143m/h0.56h0.3m1m0.1m1.2m6.6m252kgNO3-N/d3.3kg/kgNO3-N831.60kg/d12L/(㎡·s)907.2 m3/h15.12m3/min一用一备6m³/(㎡·h)126 m3/h一用一备,机械曝气设备0.6~1.0重,单位kg/m3。
1. 水质指标: 32. 设计计算2.1 调节池取停留时间为2.5h ,有效水深为1.5m ,则池体横截面积:A =Qth =2.01m 2取池体尺寸为1.5×1.5,有效水深1.5m ,超高0.5m ,总高2m 。
2.2 曝气生物滤池2.2.1 池体设计(1)根据BOD 容积负荷计算三级处理N w 取值范围为0.12~0.18kgBOD/(m 3滤料·d ),取N w 为0.16kgBOD/(m 3滤料·d )。
计算公式如下:W =Q∆S 1000N w=30×111000×0.16=2.06m 3 式中 W —滤料的总有效体积,m 3;Q —进入滤池额日平均污水量,m 3/d ;ΔS —进出滤池的BOD 5的差值,mg/L ;N w —BOD 5容积负荷率,kgBOD/(m 3·d )。
(2)根据NH 3-N 容积负荷计算NH 3-N 去除率为:ηN =S 0、−S e 、S 0、×100%=5−15×100%=80%式中ηN —NH 3-N 去除率,%,S 0、---进水NH 3-N 浓度,5mg/L ,S e 、--出水NH 3-N 浓度,1mg/L 。
根据氮负荷对生物滤池硝化作用的影响,选取滤池NH 3-N 滤料的面积负荷N A 为0.4gNH 3-N/(m 2·d )。
滤池滤料总表面积为:A 表=Q∆S 、N A =300m 2滤料总体积为:V =A 表A 、=3001200=0.25m 3 式中A 、--滤料比表面积,1200m 2/m 3。
滤池NH 3-N 容积负荷为:N V =Q∆S 、1000V =0.48kg NH 3−N/(m 3·d ) (3)尺寸设计取根据BOD负荷计算,NH3-N负荷计算中的较大值作为滤料体积,即滤料体积为2.06m3。
则曝气生物滤池滤料高度为:H=WA = 2.062×1.5=0.69m式中A—曝气生物滤池的横截面积,m2;H—滤料层高度,m。
生物滤池的设计计算¾¾生物滤池的设计内容主要包括滤床容积、布水系统、排水系统等三个部分。
1、普通生物滤池(1)主要设计参数① 工作层填料的粒径为25~40mm,厚度为1.3~1.8m;承托层填料的粒径为70~100mm,厚度为0.2m。
② 在正常气温条件下,处理城市废水时,表面水力负荷为1~3 m3/m2.d,BOD5容积负荷为0.15~0.30kgBOD5/m3.d,BOD5的去除率一般为85~95%;③ 池壁四周通风口的面积不应小于滤池表面积的1%;④ 滤池数不应小于2座。
(2)计算公式表5-6 生物滤池计算公式设计内容计算公式参数意义及取值滤料总体积(V) V =QS/L V——滤料总体积,m3Q——进水平均流量,m3/dS——进水BOD5浓度,mg/lL——容积负荷,一般取0.15~0.3kgBOD/m3.d滤床有效面积(F) F =V/H F——滤床的有效面积,m2H——滤料高度,1.5~2.0m表面水力负荷校核(q) q =Q/F q——表面水力负荷,应为1~3m3/m2.d。
2、高负荷生物滤池(1)主要设计参数① 以碎石为滤料时,工作层滤料的粒径应为40~70mm,厚度不大于1.8m,承托层的粒径为70~100mm,厚度为0.2m;当以塑料为滤料时,滤床高度可达4m;② 正常气温下,处理城市废水时,表面水力负荷为10~30 m3/m2.d,BOD5容积负荷不大于1.2kgBOD5/m3.d,单级滤池的BOD5的去除率一般为75~85%;两级串联时,BOD5的去除率一般为90~95%;③ 进水BOD5大于200mg/l时,应采取回流措施;④ 池壁四周通风口的面积不应小于滤池表面积的2%;⑤ 滤池数不应小于2座。
(2)计算公式:表5-7 高负荷生物滤池的计算公式设计内容计算公式参数意义及取值滤池高度(H)以碎石为滤料时,H = 0.9~2.0m用塑料滤料时,H = 2~4m滤料总体积(V) V = QS/L V——滤料总体积,m3Q——废水量,m3/dS——未经回流稀释时的BOD5浓度,mg/lL——容积负荷,一般不大于1.2kgBOD/m3.d滤池面积(F) F =V/H n——滤池个数F——滤池面积,m2回流比(R) R = Fq/Q -1 R——回流比q——表面水力负荷,通常在10~30m3/m2.d之间3、塔式生物滤池(1)主要设计参数:① 一般常用塑料滤料,滤池总高度为8~12m,也可更高;每层滤料的厚度不应大于2.5m径高比为1:6~8;② 容积负荷为1.0~3.0kgBOD5/m3.d,表面水力负荷为80~200 m3/m2.d,BOD5的去除率一般为65~85%;③ 自然通风时,塔滤四周通风口的面积不应小于滤池横截面积的7.5~10%;机械通风时,风机容量一般按气水比为100~150:1来设计;④ 塔滤数不应小于2座。
曝气生物滤池设计计算一、设计条件1、进水水质情况Q=12000m³/dCOD≤60mg/LBOD5≤30mg/L总氮TN≤50mg/L(氨氮+亚硝酸盐氮+硝酸盐氮+有机氮)总凯式氮KN≤40mg/L(氨氮+有机氮)亚硝酸盐氮、硝酸盐氮:10 mg/L氨氮25 mg/L有机氮15 mg/L2、采用硝化、反硝化生物脱氮工艺时,技术要求采用硝化、反硝化生物脱氮工艺时,要求BOD5:TN>4,当污水中碳源不足时,需要额外补充。
碳源可采用甲醇、乙酸等碳源。
投加甲醇作为反硝化碳源时,每1mg硝态氮需投加甲醇的量可按3mg计。
二、工艺流程外加碳源前置反硝化生物滤池脱氮工艺三、设计计算1、反硝化生物滤池(DN池)计算(1)按反硝化容积负荷法计算A=W/H0W=Q*▽CN/(1000*qTN)式中:A--滤池总面积(㎡)W--滤料总体积(m³)H0---滤料装填高度(m)▽CN--反硝化滤池进、出水硝酸盐氮浓度差值(mg/L)Q—设计污水流量(m³/d)qTN—反硝化容积负荷(KgNO3--N)/m³.d①进水硝酸氮浓度取最大值:50mg/L,出水取最小5mg/L,则▽CN 为45mg/L②反硝化容积负荷qTN=0.8 KgNO3--N/(m³.d),规范取值范围为(0.8 -1.2)KgNO3--N/(m³.d)③滤料总体积:W=Q*▽CN/(1000*qTN)=12000*45/(1000*0.8)=675m³④滤料装填高度:H0=3.5m,规范取值范围为(2.5m-4.5m)⑤滤池总面积:A=W/H0=675/3.5=193㎡⑥滤池数量n=2座⑦单池面积:W0=A/2=193/2=96.5㎡(单池面积<100㎡),符合规范要求。
(2)按空床停留时间计算A=QT/24qq= H0/t式中:A--滤池总面积(㎡)QT –设计污水量与消化液回流量之和(m³/d)含H0---滤料装填高度(m)t—空床水力停留时间(h),取值范围20-30minq—滤池水力表面负荷(m³/㎡.h),即滤速(取值范围8.0-10),含回流①混合液回流比R=μ/1-μ,取值范围100%-400%,取200%②q—滤池水力表面负荷,取8.0m³/(㎡.h),符合要求③滤池总面积A=QT/24q =12000*3/(24*8)=187.5㎡④空床停留时间t= H0/q=0.375h=22.5min(符合要求)(3)反硝化生物滤池确定①反硝化生物滤池面积确定根据以上两种方法计算滤池面积比较,选用较大者,则反硝化生物滤池总面积为193㎡,取值200㎡,数量2座,单池面积100㎡。