《电子测量的基础知识》复习过程
- 格式:ppt
- 大小:814.50 KB
- 文档页数:43
电子测量技术总复习
第一章电子测量概述
1.电子测量的基本常识(特点,内容,方法等);
2.误差的表示方法(绝对误差,相对误差),误差的来
源,误差的分类;
3.测量结果的处理(有效数字,有效数字的舍入原则
,近似运算法则);
第二章简单电子测量仪器
1.数字万用表的组成、特点、技术指标;
2.数字万用表的使用:测量电阻,交/直流电压,电
容的方法、二极管、判断晶体管类型和引脚等;
4.晶体管毫伏表的特点和使用方法;
5.数字频率计的测量原理和使用方法;
第三章信号发生器
1.信号发生器的组成和分类;
2.函数信号发生器的基本组成和使用方法;
第四章信号示波测量技术
1.模拟示波器的组成(电子枪,偏转系统,荧光屏);
2.示波管波形显示原理(电子束的运动,扫描,同步)
;
3.通用示波器的电路原理;
4.示波器的使用和读数方法;
5.频谱分析仪的特点及分析的基本方式;
第五章电子元器件和电路特性的测量
1.电桥法测量电阻,电容,电感的原理和方法;
2.晶体管特性图示仪基本组成和测量原理;
3.用晶体管特性图示仪的使用;
第六章数据域测量技术
1.逻辑笔的测量原理和使用;
2.逻辑分析仪的分类,基本组成,触发方式和显示方
式;。
电子测量技术基础复习提纲第一章绪论一、填空1、电子测量通常包括的测量,的测量以及的测量。
2、目前利用电子仪器对进行测量精确度最高。
3、目前,电压测量仪器能测出从级到的电压,量程达个数量级。
4、智能仪器的核心是。
5、仪器中采用微处理器后,许多传统的硬件逻辑可用取代,其实质是实现了。
6、智能仪器有两个特点:其一是,其二是。
7、虚拟仪器实质上是和相结合的产物。
8、测量电信号的仪器可分为仪器、仪器及仪器三大类。
参考答案1、电能量;信号特性及所受干扰;元件和电路参数2、频率和时间3、纳伏;千伏;4、微处理器5、软件;硬件软化6、操作自动化;具有对外接口功能7、软件;硬件8、时域;频域;调制域二、名词解释1、电子测量第二章误差理论与测量数据处理一、填空1、测量值与之间的差别称为测量误差。
2、计量标准的三种类型分别是、和。
3、绝对误差在用测量值与真值表示时,其表达式为;在用测量值与标称值表示时,其表达式为。
4、在绝对值相等的情况下,测量值越小,测量的准确程度;测量值越大,测量的准确程度。
5、相对误差是和之比,表示为。
6、满度相对误差又称为引用误差,它定义为绝对误差ΔX和仪器满度值X m之比,记为。
7、满度相对误差给出的是在其量程下的的大小。
8、满度相对误差适合用来表示电表或仪器的。
9、电工仪表是按的值来进行分级的。
10、常用电工仪表分为七个等级,它们是。
11、1.0级的电表表明r m。
12、根据满度相对误差及仪表等级的定义,若仪表等级为S级,则用该表测量所引起的绝对误差|ΔX| ;若被测量实际值为X0,则测量的相对误差|ΔX| 。
13、当一个仪表的等级选定以后,所产生的最大绝对误差与量程成。
14、在选择仪表量程时,一般应使被测量值尽可能在仪表满量程值的以上。
15、误差分成三类:、和。
16、测量的精密度决定于,测量的正确度决定于。
17、测量的精确度表征测量结果与被测量真值之间的。
18、随机误差造成测量结果的,一般用定量表达。
简答题、计算题1、试述测量和电子测量的定义。
答:测量是为确定被测对象的量值而进行的实验过程。
在这个过程中,人们借助专门的设备,把被测量与标准的同类单位量进行比较,从而确定被测量与单位量之间的数值关系,最后用数值和单位共同表示测量结果。
从广义上说,凡是利用电子技术进行的测量都可以说是电子测量;从狭义上说,电子测量是指在电子学中测量有关电的量值的测量。
2、比较触发扫描和连续扫描的特点。
答:连续扫描和触发扫描示波器扫描的两种方式。
为了更好地观测各种信号,示波器应该既能连续扫描又能触发扫描,扫描方式的选择可通过开关进行。
在连续扫描时,没有触发脉冲信号,扫描闸门也不受触发脉冲的控制,仍会产生门控信号,并启动扫描发生器工作;在触发扫描时,只有在触发脉冲作用下才产生门控信号。
对于单次脉冲或者脉冲周期长的信号采用触发扫描方式更能清晰观测。
3、锁相环有哪几个基本组成部分,各起什么作用?答:如图所示,基本锁相环是由基准频率源、鉴相器(PD)、环路滤波器(LPF)和压控振荡器(VCO)组成的一个闭环反馈系统。
鉴相器是相位比较器,它将两个输入信号U i 和U O 之间的相位进行比较, 取出这两个信号的相位差,以电压U d 的形式输出给低通滤波器(LPF )。
当环路锁定后,鉴相器的输出电压是一个直流量。
环路低通滤波器用于滤除误差电压中的高频分量和噪声,以保证环路所要求的性能,并提高系统的稳定性。
压控振荡器是受电压控制的振荡器,它可根据输入电压的大小改变振荡的频率。
4、测量上限为500V 的电压表,在示值450V 处的实际值为445V ,求该示值的:(1)绝对误差(2)相对误差(3)修正值(本题10分) 解:(1)绝对误差V V V A x x 5445450=-=-=∆(2)相对误差%11.1%1004505%100=⨯=⨯∆=x x x γ (3)修正值V x c 5-=∆-=5、欲用电子计数器测量一个x f =400Hz 的信号频率,采用测频(选闸门时间为 1s )和测周(选时标为 0.1μs )两种方法,试比较这两种方法由 ±1 误差所引起的测量误差。
第一章电子测量基础知识目录1、1电子测量与仪器得基本知识 (1)1、1。
1 电子测量得意义1ﻩ1、1。
2 电子测量得内容ﻩ11.1、3电子测量得特点................................................................................... 错误!未定义书签。
1。
2电子测量方法得分类2ﻩ1.2。
1 按测量方式分类2ﻩ1。
2、2 按被测信号性质分类 (3)1、3 测量误差得基本概念....................................................................................................................... 31、3。
1 重要概念 (3)1.3。
2 测量误差得表示方法 (4)1、3.3测量误差得来源与分类 (6)1。
4 测量结果得表示与有效数字7ﻩ1。
4.1 测量结果得表示.................................................................................................................. 71。
4、2 有效数字与有效数字位. (7)1。
4.3数字得舍入规则 (7)1、5 电子测量仪器得基本知识............................................................................................................... 81.5.1电子测量仪器得分类 (8)1、5、2电子测量仪器得误差9ﻩ1、5.3 电子测量仪器得正确使用9ﻩ1、6 参考文献 (10)1。
1电子测量与仪器得基本知识测量就是人类对客观事物取得数量概念得认识过程、测量结果=数值(大小及符号)+单位。
电子测量基础知识培训电子测量基础知识:首先我们应该了解我们要测量的是什么东西,然后应该了解该如何测量该物体,然后要了解具体测量的时候该做哪些事情?无论做什么事情,这是一个方法学,即先了解为什么?再是如何做?然后是做什么?即Why to do? How to do? What to do?其中要做好这三件事,还有一•个基础,就是know to do.知道要做什么。
因此,我们将按照这四个步骤来展开我们的讲解。
首先我们要了解进行电子测量,需要了解测最的对象是什么?那要了解这些对象,就必须了解这些对象冇哪些特性,各个特性Z间冇没冇联系,没冇特性受到哪些因索的影响?这些都是属于测量的基本知识。
只有了解的这些基础的东西,才能对更深刻的电路测量有好的理解。
即我们要“做的东西”。
做到“知己知彼,百战不殆”。
1、基本概念(1)什么是电路?电路的作用:(1)电路中,通过电流的通过,将其他形式的能力转变成电能、电能的传输和分配,以及将电能转换成所需耍的其他形式的能量的过程。
如发电厂;(2)信号的处理。
通过电路将信号(激励)变化成其他需要的输出(响应)。
如收咅机:构成电路的元器件以及电路本少的尺辰远小于电路工作是的电磁波的波长,或认为电磁波通过电路的时间是瞬时的,着电磁场理论和实践证明在任意时刻流入各个元器件任一端子的电流和电压是一个单值的量。
(理想导线)电路的结构+组成电路的元器件。
(直流电路,交流电路)电路的结构:电路的模型。
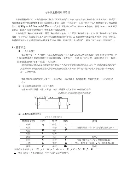
(点与面的结合)(2)电路的基本组成元素:电子元器件基本的电子元器件:电阻,电感,电容,晶体管,变压器等举例说明:电路如图所示,求出电路屮的电压和电流(3)基本术语的物理意义电气参数、单位和标准缩写表物理量名称符号单位缩写注释电荷Q库仑C电流I安培A(电荷的流动)安/秒:正电荷的流动方向。
电压U伏特V电阻R欧姆功率P瓦特W伏*安电容C法拉F电流不能突变。
I与U的变化成正比。
白感L亨特H电压不能突变,磁通,U与I的变化成正比频率F赫兹HZ周/秒常用的标准前缀:p(・12),n(・9),u(・6),m(・3),k(3),M(6),G(9)A、电流(欧姆):电荷的流动。