附常见导线允许穿管根数与相应最小管径对照表
- 格式:doc
- 大小:23.50 KB
- 文档页数:1
穿线管规格及选型标准建筑电气部分常用电线管规格及穿线管径选择表以下是常用的建筑电气部分电线管规格及穿线管径选择表。
一、标准型金属桥架规格表以下是标准型金属桥架规格表,但也可以制作非标准规格。
序号宽(W)高(H)1 50 252 100 503 150 754 200 1005 250 1256 300 1507 400 2008 500 2009 600 20010 800 200二、普通碳素钢镀锌电线管规格及重量以下是普通碳素钢镀锌电线管规格及重量表。
序号公称直径(mm)外径(mm)壁厚(mm)理论重量(M/㎏)1 1/2 12.70 1.60 0.4382 5/8 15.88 1.60 0.5813 3/4 19.05 1.80 0.7664 1 25.40 1.80 1.0485 1又1/4 31.75 1.80 1.3296 1又1/2 38.10 1.80 1.6117 2 50.80 2.00 2.4078 2又1/2 63.50 2.50 3.7609 3 76.20 3.20 5.761三、可挠金属电线保护管规格表以下是可挠金属电线保护管规格表。
规格内径(mm)外径(mm)每卷长度每卷重量10# 9.2 13.3 50 米 11.5 ㎏12# 11.4 16.1 50 米 15.5 ㎏15# 14.1 19.0 50 米 18.5 ㎏17# 16.6 21.5 50 米 22.0 ㎏24# 23.8 28.8 25 米 16.25 ㎏30# 29.3 34.9 25 米 21.8 ㎏38# 37.1 42.9 25 米 24.5 ㎏50# 49.1 54.9 25 米 35.25 ㎏63# 62.6 69.1 10 米 20.6 ㎏76# 76 82.9 10 米 25.4 ㎏83# 81 88.1 10 米 26.8 ㎏101# 100.2 107.3 5 米 15.6 ㎏四、焊接钢管规格及重量表以下是焊接钢管规格及重量表。
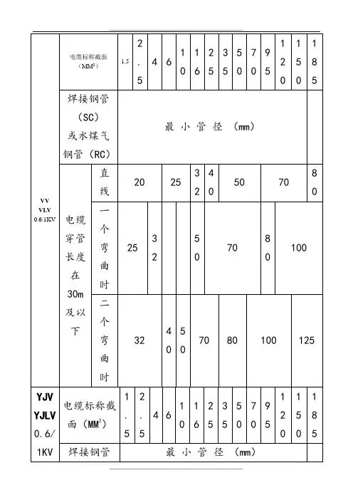
VV VLV 0.6/1KV电缆标称截面(MM2)1.52.5 4 6 10 16 25 35 50 70 95 120 150 185 焊接钢管(SC)或水煤气钢管(RC)最小管径(mm)电缆穿管长度在30m及以下直线20 25 32 40 50 70 80一个弯曲时25 32 50 70 80 100二个弯曲时32 40 50 70 80 100 125YJV YJLV 0.6/1KV电缆标称截面(MM2)1.52.5 4 6 10 16 25 35 50 70 95 120 150 185 焊接钢管(SC)或水煤气钢管(RC)最小管径(mm)电缆穿管长度在30m及以下直线15 20 25 32 40 50 70一个弯曲时15 20 25 32 40 50 70 80二个弯曲时32 20 25 32 40 50 70 80ZQD ZLQD 0.6/1KV电缆标称截面(MM2)16 25 35 50 70 95 120 150 185 240 焊接钢管(SC)或水煤气钢管(RC)最小管径(mm)电缆穿管长度在30m及以下直线32 40 50 70 80 一个弯曲时40 50 70 80 100二个弯曲时50 70 80 100 125VV VLV 0.6/1KV电缆标称截面(MM2) 1.5 2.5 4 6 10 16 25 35 50 70 95 120 聚氯乙烯硬质电线管(PC)最小管径(mm)电缆穿管长度在30m及以下直线20 25 32 40 50 63 一个弯曲时20 25 32 40 50 63二个弯曲时25 32 40 50 63YJV YJLV 0.6/1KV电缆标称截面(MM2) 1.5 2.5 4 6 10 16 25 35 50 70 95 120 聚氯乙烯硬质电线管(PC)最小管径(mm)电缆穿管长度在30m及以下直线20 25 32 40 50 63 一个弯曲时20 25 32 40 50 63二个弯曲时25 32 40 50 63ZQD ZLQD电缆标称截面(MM2)16 25 35 50 70 95 120 聚氯乙烯硬质电线管(PC)最小管径(mm)电缆穿管长度直线32 40 50YJV* YJLV* 0.6/1KV 电缆标称截面(MM2)1.52.5 4 6 10 16 25 35 50 70 95 120 150 185焊接钢管(SC)或水煤气钢管(RC)最小管径(mm)电缆穿管长度在30m及以下一个弯曲时25 32 40 50 70 100二个弯曲时25 32 40 50 70 80 1008.7/10KV 一个弯曲时80 100 125二个弯曲时100 125ZQD* ZLQD* 0.6/1KV电缆标称截面(MM2)16 25 35 50 70 95 120 150 185 焊接钢管(SC)或水煤气钢管(RC)最小管径(mm)电缆穿管长度在30m及以下一个弯曲时70 80 100二个弯曲时70 80 1008.7/10KV一个弯曲时80 100 125二个弯曲时100 12502,03,22,23,32,33,4102,03,22,23,32,33,41注:适用于三芯、三芯+N及四芯等截面电缆穿墙保护管。