GBT 车载视频行驶记录系统编制说明
- 格式:pdf
- 大小:426.51 KB
- 文档页数:12
国家标准《汽车行驶记录仪》(征求意见稿)编制说明标准编制组2019年6月国家标准《汽车行驶记录仪》(征求意见稿)编制说明一、工作简况1、任务来源根据国家标准化管理委员会《关于下达2017年第四批国家标准制修订计划的通知》(国标委综合[2017]128号)要求,由公安部交通管理科学研究所承担国家标准《汽车行驶记录仪》的修订工作,计划编号为:20173919-T-312。
2、起草单位情况本标准负责起草单位:公安部交通管理科学研究所。
本标准参加起草单位:中国汽车技术研究中心有限公司、中国公路学会客车分会、上海市公安局交通警察总队、常州公路运输集团有限公司、航天科技控股集团股份有限公司、杭州中导科技开发有限公司、上海本安仪表系统有限公司。
3、主要工作过程1) 编制准备阶段(2018年2月至2018年8月)2018年2月至6月,标准工作组先后赴广东、江苏等地公安交通管理部门、道路运输企业开展产品应用情况调研,收集对标准修订的相关意见建议;2018年7月公安部交通管理科学研究所在无锡召开第一次工作会议,同时邀请杭州海康威视数字股份有限公司等16家产品生产企业代表参会,收集行业对产品技术和应用的建议;2018年8月,在收集相关行业意见基础上,工作组初步研究提出标准修订原则和主要修订内容,在此基础上完成标准修订草案稿。
2)起草阶段(2018年9月至2019年6月)2018年11月,工作组在杭州召开第二次工作会议,研讨标准修订原则和主要修改内容意见,讨论标准草案稿主要内容,在此基础上工作组根据任务分工开展具体功能和技术指标的研究;2019年3月,工作组在上海召开第三次工作会议,汇总前阶段研究结果,对标准草案稿内容逐条进行讨论修改,对重点技术内容进行集中研讨;2019年6月,工作组对标准的附录协议等部分内容进行了完善,在此技术上形成标准修订征求意见稿。
二、编制原则标准主要修订原则为:一是先进性原则。
标准修订须充分适应卫星定位、数据通信、视频识别、数据安全等新技术在行驶记录领域的应用。
车载视频行驶记录系统标准技术要求分析摘要:现如今,随着我国经济的飞速发展,而车安全一直是社会生活中的研究热点问题之一,车载视频行驶记录系统的英文简称DVR是On-board DrivingVideo Recording System的缩写。
目前DVR前装产品较少,多是消费者后装的行车记录仪,产品形态、技术规格多种多样。
DVR是记录行车状态准确分析道路交通事故发生过程的有力工具,越来越受消费者青睐,普及率快速提高。
我国机动车安全方面重要的强制性国标GB7258-2017规定,乘用车应配备能记录碰撞等特定事件发生时的车辆行驶速度、制动状态等数据信息的事件数据记录系统(EDR),若配备了符合标准规定的车载视频行驶记录装置,应视为满足要求。
关键词:车载视频;行驶记录;系统标准技术引言为满足人们日益增长的汽车安全性能要求,主动安全技术被广泛地应用到汽车上。
目前主动安全技术包括:车道偏离预警系统、全景环视系统、盲点警示系统、并道辅助系统、驾驶员疲劳检测系统等。
机器视觉具有检测信息量大、适应范围广、成本低等优点,目前已成为主动安全技术中信息获取手段的主要途径。
车载视频处理系统作为主动安全的硬件平台,其可靠性直接关系到主动安全系统的性能。
1充分发挥机车视频分析的安全管理作用1.1缩短视频分析覆盖周期关于机车视频分析覆盖率现有两个规定:一是机车覆盖率,规定每季度覆盖所有机车;二是指导队机班覆盖率,规定指导司机每季度覆盖指导队所有机班。
这样的周期跨度,会导致机车乘务员的作业信息和机车视频的质量信息不能及时发现,问题不能及时整改。
早期视频文件是通过摘取硬盘获得的,进行一次分析十分不便,所以制定了一个比较长的覆盖周期。
现在通过U盘转储视频文件,直接从服务器获得视频文件,分析的便捷性得到较大的提高,给缩短视频分析覆盖周期创造了条件。
因此,科学合理地缩短视频分析覆盖周期对于提高机车视频安全管理效能会起到明显效果。
1.2加大管理人员分析定量各机务段制定的机车视频管理办法均明确规定了各级管理人员的视频文件分析定量,但普遍存在分析定量过低的问题,尤其是指导司机的分析定量,最多的机务段也仅仅要求每月不少于6个机班。
车载监控系统方案编写1. 引言车载监控系统是一种安装在汽车上的设备,旨在提供车辆追踪、数据记录和安全保障。
本文档将介绍车载监控系统的设计方案,包括系统的基本功能、硬件需求、软件架构和系统实现细节。
2. 系统功能车载监控系统的主要功能包括:•实时定位:通过全球定位系统(GPS)技术获取车辆的实时位置信息,并在地图上显示。
•车辆追踪:记录车辆的轨迹信息,包括行驶路线、速度、里程等。
•实时视频监控:通过摄像头获取车内外的视频图像,以实时监控车辆周围环境。
•报警功能:当车辆发生异常情况(如碰撞、开启车门等)时,系统将自动触发报警。
•数据存储:将定位、追踪和视频数据存储在本地或云端服务器上,以供后续分析和查阅。
3. 硬件需求为实现车载监控系统的功能,需要以下硬件设备:•GPS模块:用于获取车辆的实时位置信息。
•摄像头:用于拍摄车内外的视频图像。
•存储设备:用于存储定位、追踪和视频数据。
•传感器:用于检测车辆的状态,如加速度传感器用于检测碰撞事件。
•网络设备:用于将数据传输至云端服务器。
4. 软件架构车载监控系统的软件架构可分为前端和后端两部分。
4.1 前端前端主要负责与用户的交互和数据展示,包括以下模块:•实时定位模块:通过调用GPS模块获取车辆的实时位置信息,并在地图上显示车辆位置。
•追踪模块:根据GPS模块提供的数据,绘制车辆的轨迹图,并显示行驶路线、速度和里程等信息。
•视频监控模块:通过调用摄像头获取车内外的视频图像,并在前端界面上显示实时视频。
•报警模块:监测传感器数据,当发生碰撞或其他异常情况时,触发报警操作。
•数据展示模块:将定位、追踪和视频数据以可视化的形式展示给用户。
4.2 后端后端主要负责数据存储和远程控制,包括以下模块:•数据存储模块:将定位、追踪和视频数据存储在本地或云端服务器上,以便后续分析和查阅。
•远程控制模块:通过网络设备与前端通信,接收用户指令,并控制前端模块的操作。
5. 系统实现细节5.1 前端实现前端可以使用Web技术开发,如HTML、CSS和JavaScript。
毕业论文(设计)题目汽车行驶信息监控系统的设计系部机械与电气工程系专业班级机械设计制造及其自动化学生姓名学号指导教师日期 2015-5-4汽车行驶信息监控系统的设计目录一、前言概述----------------------------------3二、设计思想----------------------------------3三、系统设计原则------------------------------4四、设计范围----------------------------------5五、车载监控系统组成--------------------------6六、系统网络示意图----------------------------7七、车载监控系统功能--------------------------8八、车载智能管理系统--------------------------9九、设备介绍----------------------------------10十、前端系统主要功能--------------------------22十一、设备安装--------------------------------23十二、系统功能特点----------------------------25十三、设备配置方案----------------------------31十四、系统设备清单----------------------------35十五、设计依据--------------------------------36十六、结束语----------------------------------36前言概述现今,运输方式越来越多,海陆空齐备,最为广泛重要的还是陆地道路运输。
随着科技的发展进步,车辆在人们的生活充当不可缺少的一份,做为一个载人工具伴随人们出现在各种场所。
伴着公交事业的不断发展,公交车公司在运营中安全与管理的重要性也越来越突出。
汽车行驶记录仪国家标准1 范围本标准规定了汽车行驶记录仪(以下简称记录仪)的定义、要求、试验方法、检验规则、安装、标志、标签和包装等内容。
本标准适用于记录、存储、显示、打印输出车辆有关行驶状态信息的汽车行驶记录装置。
2 规范性引用文件下列文件中的条款通过本标准的引用而成为本标准的条款。
凡是注日期的引用文件,其随后所有的修改单(不包括勘误的内容)或修订版均不适用于本标准,然而,鼓励根据本标准达成协议的各方研究是否可使用这些文件的最新版本。
凡是不注日期的引用文件,其最新版本适用于本标准。
GB/T 2423.1-2001 电工电子产品环境试验第2部分:试验方法试验A:低温GB/T 2423.2-2001 电工电子产品环境试验第2部分:试验方法试验B:高温GB/T 2423.3-1993 电工电子产品环境试验第2部分:恒定湿热试验方法GB/T 2423.5-1995 电工电子产品环境试验第2部分:试验方法试验Ea和导则:冲击GB/T 2423.10-1995 电工电子产品环境试验第2部分:试验方法试验Fc和导则:振动(正弦)GB 4094-1999 汽车操纵件、指示器和信号装置的标志GB/T 12534-1990 汽车道路试验方法通则GB/T 12678-1990 汽车可靠性行驶试验方法GB/T 16736-1997 道路车辆车辆识别代号(VIN)内容与构成GB/T 17626.2-1998 电磁兼容试验和测量技术静电放电抗扰度试验GB/T 17626.3-1998 电磁兼容试验和测量技术射频电磁场辐射抗扰度试验GA 36 中华人民共和国机动车号牌QC/T 413 汽车电气设备基本技术条件3 术语和定义下列术语和定义适用于本标准。
3.1汽车行驶记录仪vehicle travelling data recorder对车辆行驶速度、时间、里程以及有关车辆行驶的其他状态信息进行记录、存储并可通过接口实现数据输出的数字式电子记录装置。
3.1车载视频监控系统技术要求如下:(1)监控系统基本要求1)安装监控系统时,监控系统及相配套的部件和装配要完全符合需方所购置客车的技术要求。
监控系统在交车检验(或验收移交)时必须完好,无破损,配置与本要求要求相符。
数量、质量及性能不低于本要求。
2)监控系统配置的零部件要确保体现统一性和通用性,要完全满足本要求,并对所提供的监控系统技术要求不限于以下各项。
对满足本要求有差异的,必须招标人确认。
3)由于监控系统设计、制造和安装不当所引发的设备故障、损坏及客车安全事故责任由中标人负责。
4)监控系统在交车检验(或验收移交)时,如发现配置有属于国家规定应报废或不合格总成及零部件的,或属未能按本要求配置各总成及零部件与附件的,按违约处理。
5)监控系统的技术配置要求,一定要符合并满足国家规定的该系统产品目录技术参数及有关法规要求(国家3C强制要求获得证书、GB/T19056-2012《汽车行驶记录仪》标准、JT/T808协议标准、交通部JT/T 794北斗认证等);若发生第三方提出的侵犯其专利权、商标权或其他知识产权的起诉和安全运行事故时,经招标人认定属中标人责任的,中标人要按有关法规承担经济责任。
(2)监控系统主要功能要求*1)播放传输功能a.本地播放,包括但不限于能通过日历和进度条方式,清楚快速显示有视频内容的日期、车号、速度和地图信息;能快速定位到指定的时段;图像及声音播放效果清晰流畅;支持快速及慢速播放;支持播放过程中的抓拍及录像;支持从车载硬盘中下载及导出视频内容。
b.远程播放,包括但不限于支持远程查看车辆支持即时视频内容;图像及声音播放效果清晰流畅;支持远程查看过程中的抓拍及录像,支持远程下载历史视频内容(可方便地指定时段);支持BD/GPS双模定位,支持内置3G传输模块;具有设备故障远程提示功能;具有摄像头遮挡报警功能。
c.包括但不限于:适用电信3G方式,信号传输稳定;通过3G传输功能,能自动实时地把主机、硬盘、摄像头等主要配件的故障信息,以及遮挡摄像头等各种报警信息远程上传,在远程监控平台上能方便地查看。
ICS 号中国标准文献分类号团体标准T/CAAMTB XXXX- 2020汽车驾驶员行为监测系统技术要求Technical requirements for automobile driver behavior monitoring system(征求意见稿)xl-xx-xx发布xxxx-xx-xx 实施中国汽车工业协会发布目录前言 (II)1范围 (1)2规范性引用文件 (1)3术语和定义 (1)4技术要求 (2)5检测方法 (7)6、检验规则 (9)7、包装、标识、存储、运输 (10)参考文献 (13)前言本文件按照GB/T 1.1—2020《标准化工作导则第1 部分:标准化文件的结构和起草规则》的规定起草。
请注意本文件的某些内容可能涉及专利。
本文件的发布机构不承担识别专利的责任。
本文件由中国汽车工业协会提出并归口。
本文件起草单位:本文件主要起草人:本文件为首次发布。
汽车驾驶员行为监测系统技术要求1范围本标准规定了汽车驾驶员行为监测系统的术语和定义、技术要求、测试方法、检验规则、包装和标识等要求。
本标准适用于商用车及乘用车驾驶员行为监测系统。
2规范性引用文件下列文件中的内容通过文中的规范性引用而构成本文件必不可少的条款。
其中,注日期的引用文件,仅该日期对应的版本适用于本文件;不注日期的引用文件,其最新版本(包括所有的修改单)适用于本文件。
GB/T 28046.3-2011 道路车辆电气及电子设备的环境条件和试验第3 部分:机械负荷GA/T 1126-2013 近红外人脸识别设备技术要求JT/T 794-2019 道路运输车辆卫星定位系统车载系统技术要求JT/T1076-2016 道路运输车辆卫星定位系统车载视频终端技术要求EN 62471-2008 灯具和灯具系统的光生物安全性(Photobiological safety of lamps and lamp systems)3 术语和定义下列术语和定义适用于本文件。
A
B
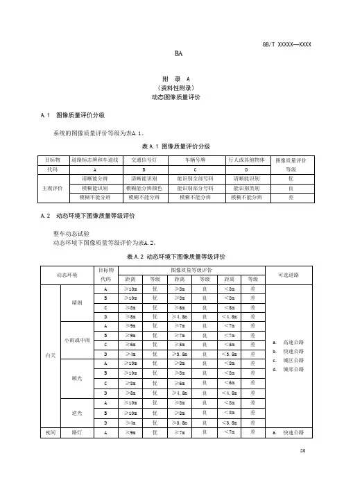
附录 A
(资料性附录)
动态图像质量评价
A.1 图像质量评价分级
系统的图像质量评价等级为表A.1。
表A.1 图像质量评价分级
A.2 动态环境下图像质量等级评价
整车动态试验
动态环境下图像质量等级评价为表A.2。
表A.2 动态环境下图像质量等级评价
A.3 动态车速下图像质量等级评价
整车动态试验。
动态车速下的图像质量等级评价为表A.3。
表A.3 动态车速下的图像质量等级评价
A.4 动态图像质量等级综合评价结论
A.4.1 动态图像质量等级综合评价
根据表A.2动态环境和表A.3车速、时间,逐项进行实车图像质量等级综合评价。
系统的动态图像质量等级综合评价分为以下等级:
优——表A.2和表A.3中各项等级评价均为优;
良——表A.2和表A.3中各项等级评价为优和良或全部为良;
差——表A.2和表A.3中只要有一项等级评价为差。
A.4.2 动态图像质量等级综合评价结论
系统的动态图像质量等级综合评价结论需达到A.4.1中的优或良。
A.4.3 动态图像质量等级综合评价报告
系统的动态图像质量等级综合评价报告中需完整记录以下内容:
a) 系统的名称、系统型号或代码、制造商;
b) 搭载系统的车型名称、车型型号、VIN代码、制造商;
c)表A.2和表A.3中的时间、环境、气象、道路、路灯照度和分项图像质量等级等信息;
动态图像质量等级综合评价结论。
_________________________________。
车载视频监控及系统方案车载视频监控及系统方案一、概述车载视频监控及系统方案是一种应用于车辆的监控系统,通过视频监控设备和相关软件,实现对车辆内部和周围环境的监控和录像功能。
本文将详细介绍车载视频监控系统的各个组成部分、系统方案的设计和实施。
二、系统组成1.视频监控设备1.1 车载摄像头:车载摄像头安装在车辆内部或外部,用于实时录制车内和车外的画面。
1.2 驾驶员摄像头:驾驶员摄像头用于监控驾驶员的行为和状况,提供安全驾驶保障。
1.3 云台摄像头:云台摄像头可以通过远程操作调整摄像头的方向和视角,扩大监控范围。
2.视频存储设备2.1 硬盘录像机(DVR):DVR用于存储车载摄像头和驾驶员摄像头录制的视频数据。
2.2 移动存储设备:移动存储设备如SD卡或固态硬盘,用于临时存储视频数据,便于后续查看和管理。
3.视频传输设备3.1 无线视频传输设备:无线视频传输设备用于将车辆内部和外部的视频信号传输到中控室或方式上,实现远程监控和管理。
3.2 有线视频传输设备:有线视频传输设备用于将视频信号通过有线网络传输到监控中心,保证高质量的视频传输。
4.控制中心4.1 监控中心:监控中心用于实时监控车辆内部和外部的视频信号,提供视频预览、录像回放等功能。
4.2 远程监控平台:远程监控平台可以通过互联网实现对车辆的远程监控和管理,提供实时视频、历史录像的回放和等功能。
5.软件系统5.1 视频管理软件:视频管理软件用于对车载视频监控系统进行配置和管理,包括视频设备管理、数据存储管理等功能。
5.2 远程监控软件:远程监控软件用于远程管理和监控车载视频监控系统,可通过方式、平板电脑等终端实现远程监控和管理。
三、系统方案设计1.确定监控区域和目标1.1 内部监控区域:确定需要监控的车辆内部区域,如驾驶室、乘客区域等。
1.2 外部监控区域:确定需要监控的车辆外部区域,如前后方、侧面等。
2.选择合适的视频监控设备2.1 根据监控区域和目标选择适合的车载摄像头和驾驶员摄像头。
车载视频监控方案1. 引言随着交通平安意识的不断提高和车辆数量的增加,车辆平安监控系统在现代交通中起着至关重要的作用。
车载视频监控系统可以记录驾驶过程中发生的交通违规行为、事故以及其他异常情况,为车主和交通管理部门提供有力的证据,并促使驾驶员在道路上遵守交通规那么。
本文将介绍一种车载视频监控方案,描述其根本原理、硬件配置和软件设计。
2. 方案原理车载视频监控方案的根本原理是通过安装在车辆上的摄像头,实时捕捉车辆前方和周围的图像,并将图像数据传输到中央处理器进行处理和存储。
车载监控系统通常由以下几个组件组成:2.1 摄像头摄像头是车载视频监控系统的核心组件,通常安装在车辆的前部、后部和侧面,用于捕捉不同角度的图像。
摄像头应具备高清晰度、宽动态范围和防抖功能,以确保在不同条件下都能获得清晰、稳定的图像。
2.2 中央处理器中央处理器是车载视频监控系统的主要控制单元,用于接收来自摄像头的图像数据并进行处理。
处理器应具备较高的计算能力和存储容量,以应对大量的图像数据。
同时,中央处理器还需要提供实时视频展示功能,并支持视频存储和回放。
2.3 存储设备存储设备用于存储车载监控系统的图像数据,包括实时视频流和事件录像。
存储设备可以采用硬盘、固态硬盘或存储卡等形式,容量应根据实际需求进行选择,并具备高速读写能力和数据可靠性。
2.4 视频传输视频传输是车载监控系统中的关键技术之一,主要用于将摄像头捕获的图像数据传输到中央处理器进行处理和存储。
视频传输可以采用有线或无线方式,有线传输通常使用高速数据线,而无线传输通常使用Wi-Fi、蓝牙或4G网络等技术。
3. 硬件配置车载视频监控系统的硬件配置主要包括摄像头、中央处理器、存储设备和视频传输设备。
3.1 摄像头在车载视频监控系统中,通常需要安装多个摄像头以实现全方位的监控。
摄像头应根据车辆的具体情况进行布置,如前部、后部和侧面等。
摄像头应具备高清晰度和低光补偿功能,以适应不同环境下的拍摄需求。
目录车载监控系统概述-------------------------- [第2页]车载监控系统组成--------------------------[第3页]前端设备功能设计------------------------- [第4页]车载监控系统功能------------------------- [第4页]主要产品技术指标------------------------- [第5-6页]产品优势及设计原则----------------------- [第7-9页]项目实施计划------------------------------[第9页]售后服务计划----------------------------- [第10-13页]车载监控系统概述想一想,您或您的企业是否为碰到以下几种情况,而感到一筹莫展?1.司机违规驾驶车辆,沿途随意上下客,超载运营,怎么办?2.乘务员对乘客少给票或不给票,中饱私囊,怎么办?3.乘客与司乘人员发生纠纷,各说各有理,怎么办?4.司乘人员对工作积极性不高,消极怠工,出现滥竽充数,怎么办?5.当客车上发生乘客的财物被盗、被抢而不能及时报警或因没有证据协助警方破案,而备受指责,怎么办?这一切都是因为客运车辆在外,企业不能有效对客车的运行状况和司乘人员的工作进行监控,对司机和司乘人员进行有效的考核也就无从谈起了。
那要如何去解决这些问题呢?通过在客运车辆上安装车载监控系统,可以有效解决客运企业遇到的上述难题。
客运车载监控系统能对客车的运行状况和司乘人员的工作进行全过程监控和录像,防止司机违规操作,还可以在司乘人员与乘客发生纠纷时作为区分责任的证据,监督司乘人员在树立公司良好形象等维护公司和乘客的利益,给乘客提供更优质的服务,同时对车上的不法分子起震慑作用,提高车内治安环境,提升客运企业的竞争力。
车载监控系统组成整个系统分为前端车载监控系统、监控平台两大部分,前端车载监控系统又包括车载硬盘或者SD卡或者SD卡录像机、监控摄像机、监听头、传输介质、各类接口、显示设备等。
行包列车监控系统使用说明书铁道科学研究院机车车辆研究所目录第一章概述 (3)1.1 产品概述 (3)1.2 产品特点 (3)1. 3硬件 (3)1.4软件安装 (10)第二章主界面 (11)2.1视频显示区域 (12)2.2设备列表区域 (12)2.3日志信息显示和控制区域 (13)2.4操作控制区域 (14)2.5画面字幕和配置区域 (15)2.6退出系统区域 (16)第三章系统设置 (16)3.1服务器设置 (17)3.2摄像机设置 (17)3.2.1修改摄像机属性 (18)3.2.2修改摄像机视音频参数 (18)3.2.3设置视频运动感知 (19)3.2.4设置时间叠加 (19)3.2.5设置掩盖区域 (19)3.2.6设置叠加图片 (19)3.2.7定义云台控制器的协议 (19)3.2.8设置A V传输模式 (20)3.2.9刷新摄像机配置 (20)3.3摄像机工作时间表 (20)3.3.1设置报警录像、自动录像、动态感知录像和视频丢失报警工作时间表 (21)3.3.2录像参数设置 (23)3.3.3节假日定义 (24)3.3.4快捷操作方式 (24)3.4服务器录像工作表 (25)3.5 用户管理 (26)3.5.1增加和删除用户,修改用户的密码 (26)3.5.2设置用户权限 (26)3.5.3设置用户的服务器密码表 (27)第四章检索与回放 (27)4.1播放窗口及分割模式操作按钮 (28)4.2播放控制按钮 (29)4.3文件导览条操作 (29)4.4检索选择按钮 (31)4.5图像效果调节和备份控制按钮 (31)4.6退出系统区域 (32)第一章概述1.1 产品概述2路网络编码器集视频采集、视频压缩编码、网络传输、客户端远程访问控制、输入输出控制等功能于一体,采用最新的MPEG4压缩编码,支持1-2路视频输入,可以在IP网络上以每秒25帧(PAL)传送高质量FULL D1 MPEG4图像,还可以通过ISDN/PSTN/xDSL 在局域网、广域网或者国际互连网上方便地实现视频传播、具有高可靠性、高集成度的鲜明特点。
车载监控系统配置方案1、车载视频监控系统总体描述一、3g车载监控系统在车辆上安装车载移动视频监控终端,对车内视频数据进行实时采集、压缩,使用大容量硬盘驱动器对行驶车辆内部的视频信号进行存储,存储的历史数据可保证在十五天以上;视频数据上传至指挥中心,采用无线网络和高速磁盘备份两种方式实现,无线网传立足于实时指挥,传输车上实时视频或图像信号;高速磁盘备份功能备份高清晰的视频录像信号,主要用于事后调查取证。
二、系统在公司布置监控指挥中心,指挥中心可通过无线网络实时浏览汽车行驶中的视频图像数据、车辆行驶状况、车辆所在位置和车辆行驶状况等信息,为公司领导指挥调度提供第一手的信息资料;另外指挥中心还布置了数据分析存储系统,用于数据的集中管理。
三、无线网传视频传输系统构建在无线运营商(中国电信或中国联通)的网络平台上,具备远程无线报警、无线视频传输、车辆行驶信息传输等功能,可实时上传每秒5帧以上的无线视频流传输和高清晰的照片传送。
2、平台系统图3、车载监控系统介绍二、安装步骤1、安装,连接摄像头1个或2个半球摄像头呆装在车内驾驶位置朝驾驶室内或车前方监控;2个防水摄像头可安装在汽车车顶两侧,均由前向后箱监控,具体位置参照,摄像头电源直接取自录像机12V电源输出2、连接电源录像机从汽车电瓶直接获取电源输入,并通过汽车总电源开关来控制录像机开关。
连接示例:注意1.录像机使用直流电源,连接电源时请注意电源正负极性。
2.录像机输入电压范围是8V~32V,请勿接入超出此范围的电源。
电压过低将导致录像机无法正常工作,电压过高则会损坏录像机。
3.建议将录像机直接接于车上电瓶电源输出。
请注意,不要接车上发电机电源输出,因为发电机输出在启动时可能产生瞬时高压,损坏录像机。
4.录像机接上硬盘后,启动功率超过60瓦(根据硬盘消耗功率不同而异)。
电源必须能提供60瓦以上的功率。
5.由车上电源至录像机的所有电源连接线必须保证线径足够粗,能承受超过60瓦的功率。
部标行驶记录仪方案1. 引言行驶记录仪是一种能够记录车辆行驶轨迹和相关数据的设备。
近年来,随着交通平安意识的提高以及相关法律法规的出台,行驶记录仪在车辆行驶过程中的作用越来越重要。
为了标准行驶记录仪的技术标准和使用要求,中国汽车技术研究中心制定了部标行驶记录仪方案。
2. 方案概述部标行驶记录仪方案主要包括硬件设备和软件系统两局部。
硬件设备局部采用定位导航技术和数据采集技术,通过安装在车辆上的设备,实现车辆行驶轨迹的记录和相关数据的采集。
软件系统局部采用云计算和大数据分析技术,对采集到的数据进行存储、分析和管理。
3.1 定位导航技术部标行驶记录仪采用全球卫星定位系统〔GPS〕和北斗导航系统结合的定位导航技术。
通过接收卫星信号,确定车辆的位置和行驶轨迹,并将相关数据传输给行驶记录仪设备进行记录和存储。
3.2 数据采集技术部标行驶记录仪采用多传感器数据采集技术。
包括车速传感器、加速度传感器、转向传感器等。
这些传感器能够实时采集车辆的速度、加速度、转向角度等数据,并与定位导航技术获取的位置信息进行关联记录。
行驶记录仪硬件设备需要安装在车辆内部,一般安装在前挡风玻璃上方或后视镜下方的位置。
安装过程需要遵循相关标准和要求,确保设备固定牢固且不影响驾驶视野。
4. 软件系统部标行驶记录仪软件系统包括数据存储、数据分析和数据管理三个模块。
4.1 数据存储行驶记录仪通过云计算技术将采集到的数据上传到云端进行存储。
云端存储可以方便用户随时访问和管理数据,并且可以进行多地备份,提高数据平安性。
4.2 数据分析行驶记录仪软件系统可以对上传到云端的数据进行分析。
通过对车辆行驶轨迹、速度、加速度等数据的分析,可以判断驾驶行为是否合规,并提供相关提示和建议。
同时,还可以对大量数据进行统计和分析,为交通管理部门提供参考依据。
4.3 数据管理行驶记录仪软件系统提供用户管理界面,用户可以通过该界面对自己的行驶记录进行管理。
包括查询历史行驶轨迹、导出行驶数据、设置行驶记录仪参数等功能。
车辆行驶记录仪(Drive Recorder NG)用 户 手 册发布日期:2006-6-1Drive Recorder NG声明本用户手册仅用于意昂科技为客户提供培训之用。
由于翻译水平有限,其中难免有些内容与英文原版Operating Manual有所偏差,还望读者不吝批评指正。
偏差之处,请以“Operating Manual” Version dated 24.11.2003 对应内容为准。
为了便于读者阅读和对比参考,本手册章节编排与“Operating Manual” Version dated 24.11.2003 保持一致。
目录1 简述 (1)1.1 Drive Recorder NG系统-简述 (1)1.2 基本操作流程 (2)2 测量准备 (2)2.1 PC系统要求 (2)2.2 存储卡驱动安装 (2)2.3 安装软件包 (2)3 Drive Recorder (3)3.1 Drive Recorder-前面板 (3)3.2 Drive Recorder-后面板 (3)3.3 Drive Recorder菜单-结构和方位 (4)3.3.1 主菜单-结构 (4)3.3.1.1 设备状态(第1行) (4)3.3.1.2 测量状态(第2行) (4)3.3.2 子菜单 (5)3.3.2.1 测量子菜单 (5)3.3.2.2 系统子菜单 (5)3.3.2.3 专家子菜单 (6)3.3.2.4 故障子菜单 (6)3.3.2.5 高级用户子菜单 (6)3.4 Flash卡格式化 (6)3.5 固件升级 (6)3.6 错误显示 (6)3.7 关闭电源 (6)3.8 触发前测量 (7)3.9 触发后测量 (7)3.10 LED指示灯 (7)3.10.1 Slot LED (7)3.10.2 状态LED (7)3.10.3 手动触发LED (7)4 配置软件 (7)4.1 简述 (7)4.1.1 菜单 (8)4.1.1.1 编辑菜单 (8)4.1.1.2 选项菜单 (10)4.1.1.3 帮助菜单 (11)4.1.2 工具栏 (11)4.2 接口选项 (11)4.2.1 A/D(Analogue/Digital)项 (11)4.2.2 CAN项 (11)4.2.2.1 载入描述文件 (11)4.2.2.2 信号多路技术 (12)4.2.2.3 硬件参数浏览 (13)4.2.3 K-Line项 (13)4.2.3.1 载入描述文件 (13)4.2.3.3 KWP2000协议参数 (14)4.2.3.4 McMess协议参数 (14)4.3 配置测量任务 (14)4.3.2 记录数据 (15)4.3.2.1 Ring Buff记录模式 (15)4.3.2.2 触发操作模式 (15)4.3.3 Global 项 (15)4.3.4 Event 项 (15)4.3.5 CAN Log项 (16)4.3.6 记录数字输入状态 (17)4.3.7 测量设置 (17)4.3.7.1 激活/失效一个测量组 (17)4.3.7.2 激活一个ring buffer (17)4.3.7.3 Fast measurement模式/constant rate 模式 (18)4.3.7.4 储存模式 (18)4.3.7.5 测量序列 (19)4.3.8 编辑触发条件 (19)4.3.8.1 定义一个常量 (21)4.3.8.2 定义timeout (21)4.3.8.3 编辑条件 (21)4.3.8.4 定义flags (23)4.3.8.6 触发条件 (23)4.3.8.7 当事件触发一个测量序列后启动Post-trigger (24)4.3.9 保存配置文件/初始化测量运行 (24)5 转化软件 (25)5.1 载入读数 (25)5.2 可能的设置 (26)5.3 选择并转化测量序列 (27)5.4 设置菜单 (27)5.5 MDF time stamp的测量精度 (28)6 在线数据显示 (28)6.1 建立通信 (30)6.2 加载配置文件 (30)6.3 选择通道 (32)6.4 设置 (33)6.5 其他程序菜单 (33)6.5.1 Communication菜单 (33)6.5.2 Help 菜单 (34)6.5.3 工具栏 (34)1 简述Drive Recorder 是一款功能强大的测试系统,它用来进行耐久性试验,已经被指定为车载电控系统的专用测试设备。
推荐性国家标准《车载视频行驶记录系统》征求意见稿编制说明1工作简况1.1.任务来源近年来,随着我国汽车行业的快速发展,乘用车保有量持续增加,随之而来的道路交通事故逐年增多。
为了改善乘用车安全性能,准确分析道路交通事故发生的过程,GB 7258-2017《机动车运行安全技术条件》在修订过程中提出了“乘用车应配备能记录碰撞等特定事件发生时的车辆行驶速度、制动状态等数据信息的事件数据记录系统(EDR);若配备了符合标准规定的车载视频行驶记录装置,应视为满足要求”。
为了配合GB 7258-2017的要求,全国汽车标准化技术委员会于2017年在工业和信息化部的指导下,启动该项标准的研究与制定工作。
2019年7月8日,国家标准化管理委员会发布了GB/T《车载视频行驶记录系统》标准制定计划(国标委发(2019)22号),计划编号为20192316-T-339,主要起草单位包括中国汽车技术研究中心有限公司等。
1.2.主要工作过程受汽车行业主管部门工业和信息化部委托,全国汽车标准化技术委员会汽车电子与电磁兼容分技术委员会于2017年6月启动推荐性国家标准《车载视频行驶记录系统》(以下简称“系统”)标准研究工作。
中国汽车技术研究中心有限公司(以下简称“中汽中心”)作为牵头起草单位与公安部交通管理科学研究所、深圳市豪恩汽车电子装备股份有限公司等国内外整车企业、零部件企业和研究机构,共同成立标准起草组,按照工业和信息化部的要求完成相关研究任务。
2017年6-7月,标准起草组开展了走访调研和预研交流工作,深入了解系统的技术水平和应用状态,并在汽车电子与电磁兼容分标委和车载电子工作组会议上对标准立项草案的主要技术架构进行了介绍,听取了分标委委员和企业专家对标准制定的意见和建议。
2017年9月,起草组第一次会议在深圳召开。
来自中汽中心、公安部交通管理科学研究所、中国信息通信研究院以及国内外整车和零部件企业的30多位专家参加了本次会议。
会议确定标准名称为《车载视频行驶记录系统》。
经会议讨论,标准应至少包含:自检及故障报警要求、车辆行驶前方的视频采集最小范围要求、合理的视频图像质量要求、日期和时间等信息叠加要求、最低连续录像时长要求和合理的视频文件存储方案等;标准对视频图像性能的评价方法应充分考虑与QC/T《汽车用摄像头》的协调一致。
2017年11月,起草组讨论会在天津召开,来自中汽中心、中国信息通信研究院、深圳豪恩汽车电子装备股份有限公司、杭州海康汽车技术有限公司以及国内外知名存储器企业的20多位专家参加了本次会议。
会议围绕标准的存储方案进行了专题讨论,由于当前外置存储器没有车规级产品,其可靠性无法保证,而内置存储器可依据国际汽车电子协会(Automotive Electronics Council)的AEC-Q汽车电子可靠性系列标准进行验证。
因此,为了保证视频流数据在车规环境下的可靠性,标准考虑视频流数据应存储在系统的内置存储器中。
2018年1月,车载电子工作组2018年第一次工作会议在北京召开,来自国内外整车及零部件企业、行业相关机构的110余位专家参加了此次会议。
起草组对标准草案进行了专题介绍,并听取了与会专家对标准的意见与建议,对与会专家提出的问题进行了解释说明。
2018年4月,起草组第二次会议在杭州召开,来自国内外整车、零部件企业及行业相关技术机构的60余位专家参加了此次会议。
与会专家围绕标准总体内容和核心技术要求进行了逐条的讨论与交流,明确了标准的功能要求、视野范围要求、图像性能要求和车规级环境评价要求。
2018年6月,起草组讨论会在天津召开。
来自中汽中心、中国信息通信研究院和国内零部件企业的20余位专家先后参加了此次会议。
此次会议就视野范围、指示符号、信息叠加和存储方案等问题进行了深入探讨。
2018年8月,标准起草组第三次会议在重庆召开。
来自国内外整车企业、零部件企业和技术机构的70余名代表参加会议。
会议逐条审议了标准征求意见稿草案,并讨论了标准验证工作等事宜,深圳豪恩、杭州海康、德赛西威提出设计和生产符合标准的系统样机,提交至起草组参与标准验证工作。
2018年9月,中汽中心与公安部交通管理科学研究所就事故分析的管理需要进行了专项技术交流。
经讨论,确定加入对系统显示功能的要求,加入对系统安装的原则性要求,增加对摄像头出现故障的报警提示要求,增加通过USB 等外部读取设备无法删除或覆盖视频数据的要求。
同时,考虑到系统现有技术的限制,删除叠加毫秒级时间精度的要求、删除对数据合法性校验的要求、删除断电保护5s的要求。
2019年4月,起草组讨论会在深圳召开,会议对该标准验证试验方案进行了讨论。
此次验证试验分别由深圳豪恩、海康汽车、德赛西威和重庆君歌提供验证试验样品,验证试验预计在6月-8月期间进行。
2019年6月,标准验证试验委托中汽研汽车检验中心(天津)有限公司进行,6月期间完成了图像和功能部分试验。
同月,起草组在天津召开了讨论会,对标准验证试验的结果进行了讨论与复核,确定了标准试验方案的可行性。
2标准编制原则和主要技术内容2.1 编制原则1)标准文本依据GB/T 1.1-2009给出的规则起草;2)本标准不限制技术路线,不限制产品形态,重点规定技术要求及测试方法;3)本标准依据目前国内外使用的视频图像评价方法和车规级环境评价要求,结合产业实际现状,提出DVR的要求及试验方法。
本标准在编制过程中,充分考虑了行业管理部门、整车企业、相关零部件配套企业、检测机构和存储器企业等相关方对于DVR产品的设计、验证、生产、使用和管理的实际需求。
2.2 主要技术内容2.2.1 标准范围本标准适用于M1类车辆使用的车载视频行驶记录系统,其它类车辆使用的系统可参照本标准执行。
2.2.2 技术要求2.2.2.1 整车视野范围系统安装在整车上后,需满足垂直视野范围、水平视野范围和静止参照物的要求。
系统的垂直视野范围如图1所示,视频采集单元正前方L为8m、高H为0.5m~0.7m处,图像的清晰度应能满足目视对测试图卡信息的识别;视频采集单元正前方 L1为 7m 高 H1为 5m 处,图像应能满足对测试图卡信息的识别。
系统的水平视野范围如图2所示,在视频采集单元正前方距离 L2 为 4m 处,图像应能完整清晰地覆盖到左右两侧的边界线上的测试图卡(边界线宽度依据我国车道宽度的最大值3.75m给出)。
系统的静止参照物如图3所示,系统所拍摄的视频中,本车车身的静止参照物I的高度应不小于所拍摄视场高H的5%。
图1 垂直视野范围图2 水平视野范围图3 静止参照物2.2.2.2 功能要求1)系统指示符号:整车点火开关处于ON或ON以前,系统应进行自检,自检结束后,若出现故障,指示符号应提示故障,提示的故障类型应至少包括视频采集单元故障和内置存储器故障。
故障提醒方式应在产品说明书中予以说明。
2)信息叠加:视频流中应叠加日期、时间、VIN码信息,且叠加信息应不影响视频流主画面的观看。
3)持续录像:系统内置存储器中可存储连续8h的视频流数据。
4) 存储管理:系统的内置存储器应能保存不小于8h的视频流数据,数据循环可覆盖,且内置存储器中的视频流文件不可通过外置端口进行篡改、删除和覆盖;系统应具备TF卡槽,支持内置存储数据导出功能,系统支持最小不低于64G的TF卡,移动存储器端口应设置在便于插装和取出的部位。
5)最大记录时间间隔:系统应能分段记录和存储视频流数据,相邻两视频流数据最大时间间隔应不大于0.04s。
6)编码格式:系统的视频流数据可采用H.264或其它编码,以MP4格式存储。
7)断电保护:系统应具备断电时数据保护功能,在外部供电断电情况下完成数据保存,避免数据丢失。
2.2.2.3 图像质量要求1)帧率:系统的帧率应不小于25帧/秒。
2)视场角:系统安装在不同的车型和位置时,对于视场角的要求不同,因此该指标表仅作为设计数据记录在试验报告中,不作要求。
3)MTF值:本标准采用MTF50P作为评价指标,该指标是衡量镜头成像质量的重要参数,在中心视场区域,MTF50P应不小于800LW/PH,在70%场区域,MTF50P 应不小于560LW/PH。
4)SNR(信噪比):系统的SNR应不小于30dB。
5)动态范围:系统的动态范围应不小于85dB。
6)最高照度:在被拍摄对象表面的照度不低于100,000lux的条件下,图像应显示正常,无滚屏、花屏、水波纹、偏色、画面泛白等现象。
7)最低照度:系统在照度为(2±0.2)lux的光照条件下,MTF值应不低于正常光照条件下的70%,图像不能有干扰、水波纹等现象。
8)自动增益:系统在不同光源切换后的响应时间应不大于1s。
9)白平衡:拍摄马克贝斯24色彩色试验图卡的中性色块不能有明显色差,图像不能产生偏色现象,24色彩色试验图卡第#21,#22两块(中间两块)灰度卡HSV中的色饱和度(S)值应小于15%。
10)色彩还原:色彩还原基于CIE 1976色度空间色调角,在测试过程中,各色块与白色块的实测色度误差的欧几距离应不小于0.02。
11)炫光:当镜头在极端的亮光照射下所产生的光斑面积应不大于显示面积的25%。
12)鬼像:若鬼像与视场的面积占比为1%~8%,其鬼像与原像的峰值亮度比值应不大于50%;若鬼像与视场的面积占比大于8%,其鬼像与原像的峰值亮度比值应不大于30%。
2.2.2.4 环境评价要求1)电气性能:包含直流供电电压、过电压、叠加交流电压、供电电压缓降或缓升、供电电压缓降和快升、供电电压瞬态变化、反向电压、短时中断供电、开路、短路保护、绝缘电阻、参考接地和供电偏移等极端电压条件下的要求。
2)电磁兼容:包含静电放电产生的电骚扰、由传导和耦合引起的电骚扰、对电磁辐射的抗扰性、无线电骚扰特性。
3)机械性能:包含机械振动、机械冲击、自由跌落、碎石冲击、镜头耐磨和线束拉脱力。
4)防尘防水:系统的防尘防水等级如表1所示。
表1 分区域防尘防水等级5)环境耐候性:系统的贮存环境条件和工作环境条件应满足表2。
表2 环境条件对系统进行环境试验的内容包括:低温贮存、低温工作、高温贮存、高温工作、温度梯度、温度循环、快速温变、湿热循环、温度/湿度组合循环、稳态湿热、冰水冲击、盐雾腐蚀和气候老化。
6)化学腐蚀:系统应按照不同的安装位置,选择试剂和暴露条件进行化学腐蚀试验,试验后表面不应有起泡、龟裂、脱落、锈蚀和机械损伤,镜头表面不应有气泡、划痕、裂纹缺陷。
7)耐久性要求:系统在高温条件下耐久性要求为1000h。
2.2.2.5 动态图像质量评价要求在系统实际装车匹配过程中,整车动态图像质量评价占有十分重要的地位。
由于目前没有规范的动态图像质量评价体系,本标准提出了一种基于主观评价的动态图像质量评价方法,作为资料性附录参考和使用。