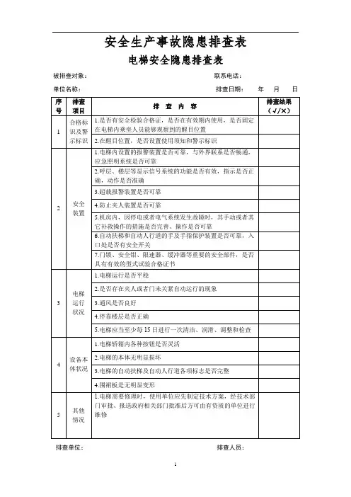
电梯安全隐患排查表
- 格式:doc
- 大小:77.00 KB
- 文档页数:2
风险点登记台账—电梯
(记录受控号)单位:№:
填表人:日期:审核人:日期:
填表说明:
1、风险点名称:以“位置+电梯名称”形式填写;
2、种类、类别、品种,按《特种设备目录》要求填写。
1
风险分级管控清单
2
3
4
5
6
7
8
9
10
11
12
13
注:表格内容仅为示例,使用单位根据电梯使用环境等实际情况合理确定。
14
基础管理类隐患排查清单—电梯、自动扶梯自动人行道
15
16
17
使用现场类隐患排查清单
使用单位可参照表F.1项目进行日常隐患排查。
表F.1使用现场类隐患日常排查清单
18
表F.1 使用现场类隐患日常排查清单(续)
19
表F.1 使用现场类隐患日常排查清单(续)
20
使用单位可参照表F.2格式进行专项排查。
表F.2使用现场类隐患专项排查清单-载人(货)电梯
注:1.控制措施应为自行专业检查或通过日常排查、定期维保、定期检验等方式发现安全隐患并采取措施;
2.专项检查中涉及到半月维保、季度维保、半年维保、年度维保的内容,应当由安全管理员对维保单位的工作情况进行确认,必要时进行抽查。
21
大隐患排查治理台账
单位:
22。
升降电梯安全隐患排查记录一、前言升降电梯是一种方便快捷的交通工具,在日常生活中被广泛使用。
然而,由于电梯本身结构复杂,使用频繁,存在一定的安全隐患。
为了保障乘客的安全乘梯,我们公司对升降电梯进行了一次全面的安全隐患排查。
本次排查旨在发现潜在的安全隐患,及时进行整改,确保电梯的安全使用。
二、排查范围本次排查范围包括公司内所有使用的升降电梯,共计10部。
其中包括在办公楼、住宅楼、商业楼等地方的使用。
排查内容包括机械结构、电气设备、安全装置、使用环境等各方面。
三、排查人员及工作计划排查工作由公司安全部门负责,安排了专业的电梯维保人员、工程技术人员以及安全管理人员参与。
排查时间为每周六上午,排查工作需持续进行1个月,以确保排查工作的全面和深入。
四、排查内容1. 电梯结构和机械部件的检查检查电梯机房、轿厢、井道等结构是否完整,有无损坏、腐蚀现象。
对电梯主机、门系统、传动装置等机械部件进行彻底检查,排查机械部件的螺丝松动、零件损坏等情况。
2. 电气设备的检查检查电梯的控制系统、电气线路、传感器等设备是否正常运行。
排查电气设备的接地问题、绝缘问题、接线端子松动等情况。
3. 安全装置的检查检查电梯的安全门、限速器、紧急制动装置、防坠安全器等安全装置是否正常。
排查安全装置的工作原理是否符合要求,保证在紧急情况下能够及时起到作用。
4. 使用环境的检查检查电梯周围环境,包括井道的清洁、通风、照明等情况。
排查是否有异物堵塞、水浸等现象,保证电梯使用环境符合安全要求。
五、排查结果经过一个月的排查工作,我们发现了一些电梯的安全隐患,并进行了及时整改。
具体情况如下:1. 公司A大厦的电梯1号发现电梯井道内存在堆积的杂物,影响了通风情况。
立即进行清理,确保电梯井道内的环境清洁。
2. 公司B住宅楼的电梯3号发现电梯门系统存在开合不畅的情况,可能会造成夹人危险。
立即对电梯门系统进行维修,保证其正常工作。
3. 公司C商务楼的电梯7号发现电梯传动装置存在轴承松动问题,可能会导致电梯运行时的异响。
办公楼电梯安全隐患排查表一、楼层及电梯数量楼层名称:____________________________电梯数量:____________________________二、电梯操作设备- [ ] 电梯按钮是否齐全、清晰可见,并且功能正常。
- [ ] 电梯内部内呼按钮是否齐全、清晰可见,并且功能正常。
- [ ] 电梯内部紧急呼叫装置是否齐全、清晰可见,并且功能正常。
- [ ] 电梯外部紧急呼叫装置是否齐全、清晰可见,并且功能正常。
三、电梯轿厢- [ ] 轿厢门是否打开顺畅,关闭是否牢固。
- [ ] 音效和显示屏是否正常(如有)。
- [ ] 轿厢内是否有灭火器、急救箱等安全设备,并且是否完好。
- [ ] 轿厢内是否有防滑地板。
四、电梯井道和轿厢- [ ] 井道门是否打开顺畅,关闭是否牢固。
- [ ] 井道内是否有排水系统,是否畅通。
- [ ] 井道内是否有灭火器、急救箱等安全设备,并且是否完好。
- [ ] 电梯井道内是否有杂物和积水。
五、电梯保养和维护- [ ] 电梯保养和维护记录是否齐全。
- [ ] 电梯保养和维护是否按照规定定期进行。
- [ ] 电梯保养和维护是否由合格的专业人员进行。
- [ ] 电梯故障是否及时修复,是否存在频繁故障。
六、其他安全隐患- [ ] 电梯运行时是否有过载警报。
- [ ] 电梯运行中是否有异常噪音或振动。
- [ ] 电梯运行是否平稳,是否有不良气味。
七、安全隐患整改计划- [ ] 对于发现的安全隐患,应当制定整改计划,并在合理的时间内完成整改。
- [ ] 整改计划应包括整改内容、整改责任人、整改时限等。
以上是办公楼电梯安全隐患排查表,应定期进行检查,保障办公楼电梯的安全使用。
如发现任何安全隐患,请立即进行整改,确保员工和访客的安全。
电梯隐患排查记录表模板背景介绍为了确保电梯的安全运行,保障乘客出行安全,以及提高电梯设备的使用寿命,对电梯进行定期的隐患排查是至关重要的。
本文档提供了一份电梯隐患排查记录表的模板,旨在帮助管理人员和维保人员进行电梯隐患排查工作。
排查记录表模板序号隐患类别隐患描述整改情况备注1 电梯轿厢轿厢内部灯光不亮已整改无2 电梯轿厢按键失灵待整改需更换按键面板3 电梯井道井道内墙面脱落已整改已重新粘贴4 电梯井道井道照明灯不亮已整改更换灯管5 电梯门区开门速度过快已整改调整开门速度使用说明1.序号:根据实际排查情况,逐项填写序号,序号由小到大递增。
2.隐患类别:具体描述隐患的类别,如电梯轿厢、电梯井道、电梯门区等。
3.隐患描述:详细描述该隐患的具体情况,尽量准确描述问题。
4.整改情况:记录该隐患的整改情况,包括已整改、待整改、已延期等情况。
5.备注:对于该隐患的其他补充说明或处理意见。
填写示例序号隐患类别隐患描述整改情况备注1 电梯轿厢轿厢内部灯光不亮已整改无2 电梯轿厢按键失灵待整改需更换按键面板3 电梯井道井道内墙面脱落已整改已重新粘贴4 电梯井道井道照明灯不亮已整改更换灯管5 电梯门区开门速度过快已整改调整开门速度注意事项•根据实际情况增减排查项,保持记录表的准确性和完整性。
•排查过程中应有专业人员进行操作,并严格按照电梯使用和维护规范进行检查。
•针对发现的隐患,及时进行整改和记录,确保隐患得到妥善解决。
•记录表应进行规范管理,方便后续查询和跟踪排查进度。
结语电梯是现代化城市生活中不可或缺的交通工具,确保电梯设备的安全运行对于保障乘客的出行安全至关重要。
通过使用电梯隐患排查记录表,能够及时发现和整改电梯存在的安全隐患,从而保障乘客的安全出行,并延长电梯设备的使用寿命。
让我们共同致力于电梯安全工作,共同营造安全、便捷的城市交通环境。
房屋电梯安全隐患排查表一、电梯基本情况1. 电梯型号:2. 电梯编号:3. 电梯安装地点:4. 电梯制造厂家:5. 电梯年检情况:6. 电梯使用年限:二、电梯外观检查1. 电梯门是否完好,无破损:2. 电梯门开闭是否顺畅:3. 电梯门的密封性是否良好:4. 电梯外观有无锈蚀现象:5. 电梯的外观有无裂缝或变形:三、电梯内部检查1. 电梯内部是否整洁:2. 电梯内部照明是否正常:3. 电梯内部按键是否灵敏:4. 电梯内部无异味或异响:5. 电梯内部有无破损或丢失部件:四、电梯运行检查1. 电梯运行是否平稳无颠簸:2. 电梯运行中是否有卡顿或抖动现象:3. 电梯上下行的速度是否正常:4. 电梯是否能准确停靠在每层楼:5. 电梯是否有异常声响:五、电梯安全装置检查1. 电梯的紧急按钮是否可用:2. 电梯的意外故障报警系统是否正常:3. 电梯是否配备了安全门锁装置:4. 电梯的防止超载装置是否可靠:5. 电梯的应急开门系统是否正常:六、电梯维保记录和合格证1. 电梯维保记录是否完整:2. 电梯维保人员是否持有资格证书:3. 电梯维保单位是否具有相关资质:4. 电梯维保周期是否按时执行:5. 电梯维保人员维修记录是否规范齐全:七、应急预案和救援手段1. 电梯意外故障时的紧急救援方法:2. 电梯应急电话是否正常使用:3. 电梯内应急照明是否工作正常:4. 电梯内配备的救援工具是否齐全:5. 电梯事故后的强制停车程序是否规范:八、其他问题1. 电梯使用人员对电梯的日常保养情况:2. 电梯使用人员对电梯问题的反馈和处理情况:3. 电梯使用人员对电梯使用安全的意识情况:4. 电梯使用人员对电梯安全知识的掌握情况:5. 电梯使用人员是否定期接受安全培训:以上为房屋电梯安全隐患排查表,希望能帮助大家更好地排查和检查房屋电梯的安全状况,保障大家的生命安全。
同时也提醒大家在日常生活中要关注电梯的安全问题,发现问题及时反馈给相关部门,共同维护电梯的安全使用环境。
电梯安全隐患排查表以下是一个简单的电梯安全隐患排查表的示例。
排查人员:__________ 日期:__________
一、设备信息
●电梯型号:____________________
●使用年限:____________________
●维护记录最后一次更新日期:______________
二、安全隐患排查
1.门系统
●门锁是否正常工作?
●门间隙是否过大?
●门关闭力度是否适中?
2.曳引机和机房
●曳引机是否正常工作?
●曳引机是否有异常声音或振动?
●机房环境是否符合标准(温度、湿度等)?
3.控制系统
●控制柜是否正常工作?
●信号指示是否准确?
●紧急呼叫系统是否正常工作?
4.导向系统
●导轨是否磨损或变形?
●靴衬是否磨损或脱落?
5.安全保护装置
●超速保护装置是否正常工作?
●限速器是否正常工作?
●安全钳是否正常工作?
6.轿厢和重量平衡系统
●轿厢是否平稳运行?
●对重块是否稳固放置?
7.电气系统
●电缆是否有破损或老化?
●紧急电源是否正常工作?
8.维护和保养记录
●是否有完整的维护和保养记录?
●记录中的所有工作是否都已完成?
9.其它:__________ (请根据具体情况添加其他安全隐患)
整改措施及建议:__________ (针对已发现的安全隐患,提出具体的整改措施和建议)。
电梯故障隐患排查表以下是一个电梯故障隐患排查表的示例,用于定期检查和排查电梯的安全隐患:电梯故障隐患排查表日期:________ 检查人:________ 电梯编号:________一、电梯运行状态检查:启停运行:[ ] 启动和停止过程中是否有明显异响或震动?[ ] 是否出现启动后立即停止或急停情况?平层精度:[ ] 电梯是否能准确停在每层门口位置?开关门运行:[ ] 门的开启和关闭是否平稳?[ ] 门的运行过程中是否存在异常声音?电梯运行速度:[ ] 电梯运行速度是否正常?[ ] 是否存在明显的速度波动?二、电梯机房和井道检查:机房设备:[ ] 电梯机房内设备是否正常运行,无异常噪音?[ ] 是否存在设备异味或烟雾?井道照明:[ ] 井道照明是否正常?[ ] 紧急情况下是否有备用照明?井道清洁:[ ] 井道内是否有异物或杂物?[ ] 井道是否清洁,无积水或漏水情况?三、电梯门系统检查:开关门装置:[ ] 门的开启和关闭是否灵敏,无卡滞?[ ] 是否存在开门后无法关闭或关门后无法打开的情况?门锁系统:[ ] 门锁装置是否牢固可靠?[ ] 是否存在门锁失灵或误动作情况?门间隙:[ ] 门的开启状态下,门与门框之间的间隙是否符合标准?四、紧急救援设备检查:报警系统:[ ] 报警按钮是否正常,按下后是否有响应?[ ] 是否存在误报警情况?紧急通信装置:[ ] 紧急通信装置是否正常运行?[ ] 是否存在通信不清晰或中断的情况?五、其他检查事项:[ ] 电梯是否贴有合格检验标识?[ ] 电梯内外是否有相关安全告示牌和紧急联系电话?六、备注:(可以在此处记录检查人员发现的其他问题或需要特别注意的事项)此检查表可根据具体电梯的型号和运行特点进行调整,用于定期巡检和排查电梯运行中可能存在的隐患,确保电梯的安全可靠运行。
杂牌电梯安全隐患排查表1. 电梯外观及入口1.1 电梯外观是否完好,有无破损、划伤等现象?1.2 电梯入口处是否有明显的安全警示标志和警示语?如“站稳扶好”,“禁止超员”等。
1.3 电梯入口是否有扶手?1.4 电梯入口是否有防止儿童进入的设施?2. 电梯内部设施2.1 电梯内是否有完整的操作按钮和指示灯?2.2 电梯内的地板是否平整、无裂缝、凹凸等问题?2.3 电梯内是否有遮挡视线的物品或装饰?2.4 电梯内是否配备了紧急通话装置和灭火器?3. 电梯运行3.1 电梯运行时是否有异常的响声或颠簸感?3.2 电梯运行是否流畅,有无卡顿或突然停止的情况?3.3 电梯运行时是否有异味或烟雾?3.4 电梯是否有定期的维护保养记录?4. 安全装置4.1 电梯是否配备了安全门?4.2 电梯是否具备紧急制动装置?4.3 电梯是否配备了应急救援工具,如安全锤、逃生绳等?4.4 电梯是否有安全检修报告和定期检修记录?5. 电梯使用规定5.1 电梯是否有使用规定和安全须知的说明牌?5.2 电梯是否有使用年限和载重限制说明?5.3 电梯是否有定期检修和维护的通知标识?5.4 电梯是否配备有定期维护和保养的合同记录?6. 潜在安全隐患6.1 电梯周围是否有易燃易爆材料?6.2 电梯是否普遍存在超员现象?6.3 电梯周围是否有堆放杂物或垃圾?6.4 电梯是否存在受电气设备影响的安全隐患?7. 电梯紧急救援7.1 电梯内是否配备了紧急通话设备,是否通畅?7.2 电梯内是否有应急救援电话号码的标识?7.3 电梯内是否有逃生指引图示和逃生设备?7.4 电梯内是否有人员被困的应急处理流程说明?8. 其他8.1 电梯未来维保是否定期更新?8.2 电梯是否有相关证件齐全,包括检验合格证、保险凭证等?8.3 电梯的制造和维护单位资质是否合规?8.4 电梯周围是否有完整的安全设施,包括消防器材、应急照明等?以上便是一份杂牌电梯的安全隐患排查表,通过对以上内容的检查和排查,我们可以全面了解电梯的安全状况,及时发现并处理潜在的安全隐患,确保电梯的安全使用。
电梯安全隐患排查表完整版电梯安全隐患排查表使用单位:XXX设备名称:HUA16H-TTMS2A-HUAS8Q8-HUAH1688设备注册代码:(空白)使用证编号:(空白)制造单位:(空白)制造日期:年月日(空白)设备所在地:(空白)所属行业:□公众聚集场所□其它场所序号项目检查内容检查结果整改情况备注1 使用登记是否有使用登记证□有使用登记证□存在问题描述。
2 定期检验是否在检验有效期内□在检验有效期内□存在问题描述。
3 电梯安全管理人员是否至少有一名持证在岗□电梯安全管理员持证上岗,另有持证的安全管理员人□存在问题描述。
是否对安全管理人员进行安全教育和技能培训□对安全管理人员进行了安全教育和技能培训并有记录4 操作规程是否根据电梯运行特点,制定了操作规程□制定了电梯操作规程□存在问题描述。
是否认真贯彻执行规程□认真贯彻执行操作规程5 设备维护保养是否有有效的维保合同□维保合同有效□维保周期符合规定,并有维护保养记录是否按规定至少每15日进行设备维护保养,并有维保记录□维保作业人员在规定时间内抵达现场进行维护保养并有维保记录□存在问题描述。
6 安全检验合格标志及警示标记是否有安全检验合格标志,并按规定固定在电梯的显着位置□有安全检验合格标志,并按规定固定在电梯的显着位置,粘贴的检验合格标志在检验有效期内安全注意事项和警示标志是否置于易于为乘客注意的显着位置□安全注意事项和警示标志置于易于为乘客注意的显着位置□存在问题描述。
7 机房效期内是否机房门上锁,手动松闸装置齐全□机房门未上锁,手动松闸装置齐全是否配备灭火器□配备灭火器限速器是否在有效期内□限速器已校验在有效期内曳引机是否有漏油□曳引机无漏油有无堆放其他物品或安装其他设备,通道是否通畅□无此项□存在问题描述。
8 应急设备是否报警电话联系畅通□报警电话联系畅通警铃是否会响□警铃会响应急灯能否亮□应急灯能亮理报告日期:XXXX年XX月XX日排查人员:XXX单位负责人(签字):XXX单位盖章本次排查旨在检查电梯设备的安全性能,以下是排查结果:1.呼层、楼层等显示信号系统功能有效,指示正确,召唤按钮无损坏。