钻孔灌注桩模板
- 格式:docx
- 大小:44.46 KB
- 文档页数:13
钻孔灌注桩资料怎么做?钻孔桩监—02表工程分项开工申请批复单监-07表中间交工证书桥评—02表钢筋加工及安装质量检验评定表桥评-13表钻孔灌注桩质量检验评定表监—03表检验申请批复单桥施—02-1表钻孔记录表(冲击钻)桥施—02-2表钻孔施工原始记录(回旋钻进)桥检—02表灌注桩成孔检查原始记录监-03表检验申请批复单桥施-05表钢筋施工原始记录桥检-01表钻孔桩终孔后灌注混凝土前检查表监-03表检验申请批复单桥施—06-1表混凝土施工原始记录桥施—04表水下混凝土灌注施工原始记录时间方面记住开钻前的时间和下钢筋笼的时间钻孔灌注桩资料最主要的还是钻孔原始记录和水下砼灌注原始记录试验和测量方面的问你们项目部相应人员钢筋这一块的话看你们的设计要求要多少根和多大直径的焊接多少等等说句难听的就是编钻孔桩当然是一根桩一个资料,包含开孔通知,钻孔记录表、隐蔽工程验收记录、清空记录表、混凝土灌注记录,另外还有测量放线、技术复核、混凝土灌注桩钢筋笼检验批等等的资料!钻孔灌注桩资料需要做哪些表格?1、桩基地质柱状图,2、孔位偏移的测量资料,3、孔深、泥浆比重等资料,4、钢筋原材料的加工资料,5、钢筋的连接和安装资料,7、混凝土的原材料资料,8、混凝土的配合比资料,9、混凝土的施工及养护资料.我们这边的铁路桥梁桩基就是这么多,共9个表格钻孔灌注桩要做哪些资料?按工序来啊1、测量放样;2、护筒埋设;3、钻孔记录;4、成孔检查;测量方面要报审一份桩位基准线。
施工方面:开钻通知单、钻进记录表、测孔冲孔灌注桩验收需上交哪些资料,需要准备哪些资料?他们说的太笼统了,我给你列一下你:冲孔桩施工记录表、水下砼施工记录表、钢筋笼验收记录表、钢筋笼制作验收检验批、完工报验单(单桩)、混凝土浇注令、混凝土灌注申请单、钢筋笼隐蔽验收记录、桩隐蔽记录、冲孔灌注桩检验批.这些就是一条桩的资料。
另外你还得提供静载、抽芯、轻触等检验报告。
海南房建资料里钻孔灌注桩资料都有哪些1、施工单位资质报审、检验中心资质报审(以前有)、混凝土资质报审;施工人员报审(特种人员:桩机操作员、电焊工、强弱电工);2、各种方案:钻孔桩施工方案、临时用电用水方案、三防方案(忘了几防了)、安全文明施工方案等各种乱七八糟的方案;3、钢筋原材检验报告(注意出报告的日期哦)、焊条也是要报的4、桩检验资料:单桩3天同条件、单桩28天标养试压报告;桩试压报告;桩抽芯报告、桩轻触报告(以上这三项是看设计上要求,有的抽芯,有的轻触不一样)、温度记录表;混凝土强度评定表;5、钻孔桩单桩施工资料:施工记录表、水下砼灌注记录表、单桩完工报验单(钻孔灌注桩施工检验批)、钢筋笼报验单(钢筋原材检验批、灌注桩钢筋笼制作检验批、钢筋笼隐蔽验收记录表)、浇注令、现浇记录表、混凝土进场报验;6、分部分项完工验收单;钻孔灌注桩施工资料,施工单位要做哪些资料,什么顺序(目录)。
钻孔灌注桩资料材料模板一、工程概况1、工程名称:_____2、工程地点:_____3、建设单位:_____4、设计单位:_____5、监理单位:_____6、施工单位:_____7、工程规模:包括桩的数量、桩径、桩长、桩顶标高、桩底标高等。
二、施工准备资料1、施工方案及审批详细的钻孔灌注桩施工方案,包括施工工艺、施工流程、质量控制措施、安全保障措施等。
施工方案应由施工单位编制,并经监理单位审批。
2、技术交底施工前对施工人员进行的技术交底记录,包括施工要点、质量标准、安全注意事项等。
3、原材料检验报告水泥、钢筋、砂、石等原材料的质量检验报告,确保原材料符合设计和规范要求。
应包括原材料的品种、规格、生产厂家、检验日期、检验结果等。
4、施工机械设备检验报告钻孔桩机、电焊机、起重机等施工机械设备的检验报告,确保设备性能良好,满足施工要求。
应包括设备名称、型号、规格、检验日期、检验结果等。
三、施工过程资料1、测量放线记录桩位的测量放线记录,包括测量日期、测量人员、测量仪器、桩位坐标等。
应附测量放线图。
2、钻孔记录钻孔过程中的各项记录,包括钻孔日期、桩号、钻孔深度、钻孔速度、泥浆比重、地质情况等。
每钻进一定深度应记录一次。
3、钢筋笼制作与安装记录钢筋笼的制作记录,包括钢筋的品种、规格、数量、焊接质量等。
钢筋笼安装记录,包括安装日期、桩号、钢筋笼长度、主筋间距、箍筋间距、保护层厚度等。
4、混凝土灌注记录混凝土灌注过程中的各项记录,包括灌注日期、桩号、混凝土强度等级、坍落度、灌注量、灌注时间、导管埋深等。
应记录每车混凝土的灌注情况。
四、质量检验资料1、桩身完整性检测报告采用低应变法、声波透射法等方法对桩身完整性进行检测的报告。
应包括检测日期、检测方法、检测桩号、检测结果等。
2、单桩承载力检测报告采用静载试验、高应变法等方法对单桩承载力进行检测的报告。
应包括检测日期、检测方法、检测桩号、检测结果等。
3、混凝土强度检验报告混凝土试块的抗压强度检验报告,应符合设计和规范要求。
2、当做分项工程施工技术交底时,应填写"分项工程名称"栏,其他技术交底可不填写。
2、当做分项工程施工技术交底时,应填写"分项工程名称"栏,其他技术交底可不填写。
2、当做分项工程施工技术交底时,应填写"分项工程名称"栏,其他技术交底可不填写。
2、当做分项工程施工技术交底时,应填写"分项工程名称"栏,其他技术交底可不填写。
2、当做分项工程施工技术交底时,应填写"分项工程名称"栏,其他技术交底可不填写。
2、当做分项工程施工技术交底时,应填写"分项工程名称"栏,其他技术交底可不填写。
2、当做分项工程施工技术交底时,应填写"分项工程名称"栏,其他技术交底可不填写。
2、当做分项工程施工技术交底时,应填写"分项工程名称"栏,其他技术交底可不填写。
2、当做分项工程施工技术交底时,应填写"分项工程名称"栏,其他技术交底可不填写。
2、当做分项工程施工技术交底时,应填写"分项工程名称"栏,其他技术交底可不填写。
2、当做分项工程施工技术交底时,应填写"分项工程名称"栏,其他技术交底可不填写。
旋挖钻孔灌注桩单桩施工记录工程名称:雨花污水处理厂厂外配套管网及泵站施工工程第一标段施工单位:湖南高岭建设集团股份有限公司砼设计强度等级:C30旋挖钻孔灌注桩单桩施工记录工程名称:雨花污水处理厂厂外配套管网及泵站施工工程第一标段施工单位:湖南高岭建设集团股份有限公司砼设计强度等级:C30旋挖钻孔灌注桩单桩施工记录工程名称:雨花污水处理厂厂外配套管网及泵站施工工程第一标段施工单位:湖南高岭建设集团股份有限公司砼设计强度等级:C30旋挖钻孔灌注桩单桩施工记录工程名称:雨花污水处理厂厂外配套管网及泵站施工工程第一标段施工单位:湖南高岭建设集团股份有限公司砼设计强度等级:C30旋挖钻孔灌注桩单桩施工记录工程名称:雨花污水处理厂厂外配套管网及泵站施工工程第一标段施工单位:湖南高岭建设集团股份有限公司砼设计强度等级:C30旋挖钻孔灌注桩单桩施工记录工程名称:雨花污水处理厂厂外配套管网及泵站施工工程第一标段施工单位:湖南高岭建设集团股份有限公司砼设计强度等级:C30旋挖钻孔灌注桩单桩施工记录工程名称:雨花污水处理厂厂外配套管网及泵站施工工程第一标段施工单位:湖南高岭建设集团股份有限公司砼设计强度等级:C30旋挖钻孔灌注桩单桩施工记录工程名称:雨花污水处理厂厂外配套管网及泵站施工工程第一标段施工单位:湖南高岭建设集团股份有限公司砼设计强度等级:C30(B型桩)旋挖钻孔灌注桩单桩施工记录工程名称:雨花污水处理厂厂外配套管网及泵站施工工程第一标段施工单位:湖南高岭建设集团股份有限公司砼设计强度等级:C30旋挖钻孔灌注桩单桩施工记录工程名称:雨花污水处理厂厂外配套管网及泵站施工工程第一标段施工单位:湖南高岭建设集团股份有限公司砼设计强度等级:C30旋挖钻孔灌注桩单桩施工记录工程名称:雨花污水处理厂厂外配套管网及泵站施工工程第一标段施工单位:湖南高岭建设集团股份有限公司砼设计强度等级:C30旋挖钻孔灌注桩单桩施工记录工程名称:雨花污水处理厂厂外配套管网及泵站施工工程第一标段施工单位:湖南高岭建设集团股份有限公司砼设计强度等级:C30旋挖钻孔灌注桩单桩施工记录工程名称:雨花污水处理厂厂外配套管网及泵站施工工程第一标段施工单位:湖南高岭建设集团股份有限公司砼设计强度等级:C30旋挖钻孔灌注桩单桩施工记录工程名称:雨花污水处理厂厂外配套管网及泵站施工工程第一标段施工单位:湖南高岭建设集团股份有限公司砼设计强度等级:C30旋挖钻孔灌注桩单桩施工记录工程名称:雨花污水处理厂厂外配套管网及泵站施工工程第一标段施工单位:湖南高岭建设集团股份有限公司砼设计强度等级:C30旋挖钻孔灌注桩单桩施工记录工程名称:雨花污水处理厂厂外配套管网及泵站施工工程第一标段施工单位:湖南高岭建设集团股份有限公司砼设计强度等级:C30旋挖钻孔灌注桩单桩施工记录工程名称:雨花污水处理厂厂外配套管网及泵站施工工程第一标段施工单位:湖南高岭建设集团股份有限公司砼设计强度等级:C30旋挖钻孔灌注桩单桩施工记录工程名称:雨花污水处理厂厂外配套管网及泵站施工工程第一标段施工单位:湖南高岭建设集团股份有限公司砼设计强度等级:C30旋挖钻孔灌注桩单桩施工记录工程名称:雨花污水处理厂厂外配套管网及泵站施工工程第一标段施工单位:湖南高岭建设集团股份有限公司砼设计强度等级:C30旋挖钻孔灌注桩单桩施工记录工程名称:雨花污水处理厂厂外配套管网及泵站施工工程第一标段施工单位:湖南高岭建设集团股份有限公司砼设计强度等级:C30旋挖钻孔灌注桩单桩施工记录工程名称:雨花污水处理厂厂外配套管网及泵站施工工程第一标段施工单位:湖南高岭建设集团股份有限公司砼设计强度等级:C30旋挖钻孔灌注桩单桩施工记录工程名称:雨花污水处理厂厂外配套管网及泵站施工工程第一标段施工单位:湖南高岭建设集团股份有限公司砼设计强度等级:C30旋挖钻孔灌注桩单桩施工记录工程名称:雨花污水处理厂厂外配套管网及泵站施工工程第一标段施工单位:湖南高岭建设集团股份有限公司砼设计强度等级:C30旋挖钻孔灌注桩单桩施工记录工程名称:雨花污水处理厂厂外配套管网及泵站施工工程第一标段施工单位:湖南高岭建设集团股份有限公司砼设计强度等级:C30旋挖钻孔灌注桩单桩施工记录工程名称:雨花污水处理厂厂外配套管网及泵站施工工程第一标段施工单位:湖南高岭建设集团股份有限公司砼设计强度等级:C30旋挖钻孔灌注桩单桩施工记录工程名称:雨花污水处理厂厂外配套管网及泵站施工工程第一标段施工单位:湖南高岭建设集团股份有限公司砼设计强度等级:C30旋挖钻孔灌注桩单桩施工记录工程名称:雨花污水处理厂厂外配套管网及泵站施工工程第一标段施工单位:湖南高岭建设集团股份有限公司砼设计强度等级:C30旋挖钻孔灌注桩单桩施工记录工程名称:雨花污水处理厂厂外配套管网及泵站施工工程第一标段施工单位:湖南高岭建设集团股份有限公司砼设计强度等级:C30旋挖钻孔灌注桩单桩施工记录工程名称:雨花污水处理厂厂外配套管网及泵站施工工程第一标段施工单位:湖南高岭建设集团股份有限公司砼设计强度等级:C30旋挖钻孔灌注桩单桩施工记录工程名称:雨花污水处理厂厂外配套管网及泵站施工工程第一标段施工单位:湖南高岭建设集团股份有限公司砼设计强度等级:C30旋挖钻孔灌注桩单桩施工记录工程名称:雨花污水处理厂厂外配套管网及泵站施工工程第一标段施工单位:湖南高岭建设集团股份有限公司砼设计强度等级:C30旋挖钻孔灌注桩单桩施工记录工程名称:雨花污水处理厂厂外配套管网及泵站施工工程第一标段施工单位:湖南高岭建设集团股份有限公司砼设计强度等级:C30旋挖钻孔灌注桩单桩施工记录工程名称:雨花污水处理厂厂外配套管网及泵站施工工程第一标段施工单位:湖南高岭建设集团股份有限公司砼设计强度等级:C30旋挖钻孔灌注桩单桩施工记录工程名称:雨花污水处理厂厂外配套管网及泵站施工工程第一标段施工单位:湖南高岭建设集团股份有限公司砼设计强度等级:C30旋挖钻孔灌注桩单桩施工记录工程名称:雨花污水处理厂厂外配套管网及泵站施工工程第一标段施工单位:湖南高岭建设集团股份有限公司砼设计强度等级:C30旋挖钻孔灌注桩单桩施工记录工程名称:雨花污水处理厂厂外配套管网及泵站施工工程第一标段施工单位:湖南高岭建设集团股份有限公司砼设计强度等级:C30旋挖钻孔灌注桩单桩施工记录工程名称:雨花污水处理厂厂外配套管网及泵站施工工程第一标段施工单位:湖南高岭建设集团股份有限公司砼设计强度等级:C30旋挖钻孔灌注桩单桩施工记录工程名称:雨花污水处理厂厂外配套管网及泵站施工工程第一标段施工单位:湖南高岭建设集团股份有限公司砼设计强度等级:C30旋挖钻孔灌注桩单桩施工记录工程名称:雨花污水处理厂厂外配套管网及泵站施工工程第一标段施工单位:湖南高岭建设集团股份有限公司砼设计强度等级:C30旋挖钻孔灌注桩单桩施工记录工程名称:雨花污水处理厂厂外配套管网及泵站施工工程第一标段施工单位:湖南高岭建设集团股份有限公司砼设计强度等级:C30旋挖钻孔灌注桩单桩施工记录工程名称:雨花污水处理厂厂外配套管网及泵站施工工程第一标段施工单位:湖南高岭建设集团股份有限公司砼设计强度等级:C30旋挖钻孔灌注桩单桩施工记录工程名称:雨花污水处理厂厂外配套管网及泵站施工工程第一标段施工单位:湖南高岭建设集团股份有限公司砼设计强度等级:C30旋挖钻孔灌注桩单桩施工记录工程名称:雨花污水处理厂厂外配套管网及泵站施工工程第一标段施工单位:湖南高岭建设集团股份有限公司砼设计强度等级:C30旋挖钻孔灌注桩单桩施工记录工程名称:雨花污水处理厂厂外配套管网及泵站施工工程第一标段施工单位:湖南高岭建设集团股份有限公司砼设计强度等级:C30旋挖钻孔灌注桩单桩施工记录工程名称:雨花污水处理厂厂外配套管网及泵站施工工程第一标段施工单位:湖南高岭建设集团股份有限公司砼设计强度等级:C30旋挖钻孔灌注桩单桩施工记录工程名称:雨花污水处理厂厂外配套管网及泵站施工工程第一标段施工单位:湖南高岭建设集团股份有限公司砼设计强度等级:C30旋挖钻孔灌注桩单桩施工记录工程名称:雨花污水处理厂厂外配套管网及泵站施工工程第一标段施工单位:湖南高岭建设集团股份有限公司砼设计强度等级:C30旋挖钻孔灌注桩单桩施工记录工程名称:雨花污水处理厂厂外配套管网及泵站施工工程第一标段施工单位:湖南高岭建设集团股份有限公司砼设计强度等级:C30旋挖钻孔灌注桩单桩施工记录工程名称:雨花污水处理厂厂外配套管网及泵站施工工程第一标段施工单位:湖南高岭建设集团股份有限公司砼设计强度等级:C30。
施工组织设计1 工程概况拟建钻孔灌注桩工程场地位于郑州市花园路以西,纬一路以北,纬一路一号院内。
本工程设计桩型为后压浆钻孔灌注桩,有效桩长23。
00m,桩径φ500mm,桩数48根,砼强度等级C30。
2主要施工方案2.1成孔工艺2。
1。
1钻机的选择及钻进方法根据工程场地的地质条件,结合本工程特点,我们计划采用GPS—12型钻机。
该桩机的特点是效率高,带液压自移装置,且自打自灌,机械技术设计性能完全能够满足该桩基工程设计技术要求。
采用正循环回转钻进工艺成孔.正循环钻进参数:钻压:10-15KN转速:20—50r/min泵量:108m3/h2。
1。
2埋设护筒与设备安装为保证桩位偏差在规范允许范围之内,埋设护筒前用经纬仪定位,水准仪找平,并打下控制桩,使护筒中心与控制十字线重合.护筒采用6mm钢板卷制,内径为φ700mm,长度1.0m.钻机就位时,在钻机转盘中心拉十字线,使之与控制十字线交点重合。
(根据工程地质情况,没必要埋设护筒的,可以不埋设护筒) 设备安装时,做到水平、稳固,使天车、转盘中心与桩位三点一线,以保证钻孔垂直度达到设计要求。
2.1。
3泥浆性能设计根据工程勘察报告提供资料,该施工场地成孔深度范围内主要为粉质粘土和粉细砂,不需再为本工程施工另造泥浆。
2.1.3.1始终保证泥浆性能达到设计要求;2.1.3.2任何情况下,泥浆都应充满钻孔,尤其在安装钢筋笼和因故停待时,钻孔内不可缺浆,以保持一定的静水压力防止塌孔。
2.1.3.3严格控制泥浆失水量和泥皮厚度,以保证桩身侧摩擦力。
2.1.3.4加强施工管理,加快单桩施工速度,减少泥浆对地层的浸泡时间。
2.1。
3。
5在粉细砂层中钻进,除要保证孔壁的稳定外,还要对循环系统中沉淀下来的砂进行勤捞.2。
1.4钻机钻进及清孔作业为保证桩孔垂直,开孔时轻压慢转,合理利用泥浆,控制泵量,钻进到6m左右时,采用正常钻进参数钻进。
为保证桩径,应时常检查钻头直径。
达到设计成孔深度后,应严格按照操作规程进行清孔.可先将钻头稍提离孔底,开泵冲净孔底沉渣,然后逐渐调稀泥浆,直至泥浆性能达到如下要求:比重小于1。
CB18工序/单元工程施工质量报验单(中国电建[2018]质报号)合同名称:奉贤区金汇镇白沙村美丽乡村水系配套整治工程合同编号:监理机构意见复核结果:□同意进入下一工序□不同意进入下一工序□同意进入下一单元工程□不同意进入下一单元工程附件:监理复核支持材料。
监理机构:(名称及盖章)监理工程师:(签名)日期: 年月日本表一式份监理机构复核后,监理机构份、返承包人份。
钻孔灌注桩开孔通知单施-基-01工程名称:奉贤区金汇镇白沙村美丽乡村水系配套整治工程桩号:编号:(1).±0标高相当于绝对标高(m)(2).护筒口标高(m)(3)。
磨盘标高(m)机余(m)轨面标高(m)地高(m)(4).设计桩顶标高(m)(5)。
设计桩底标高(m)(6).钻孔深度(m)(7)。
浮桩长度(m)(8).设计孔径(mm)(9)。
钻孔垂直度(钻机平整度)(10).钻孔对中偏差(mm)(11).钻机机型、编号(12)。
泥浆泵型号(13)。
泥浆性能:(一)成孔(二)清孔后备注:钻孔灌注桩钻进成孔班报表施-基—02工程名称奉贤区金汇镇白沙村美丽乡村水系配套整治工程主动钻杆长度桩号钻杆根数总长(m)钻机编号钻头类型、直径、长度班组长: 质检员:技术负责人:年月日钻孔灌注桩成孔后灌注前检查记录表钻孔灌注桩钢筋笼验收单施-基—03工程名称:奉贤区金汇镇白沙村美丽乡村水系配套整治工程桩号:顶笼长:(m)钢筋笼直径(mm) 中笼长:(m)节钢筋笼总长(m) 底笼长:(m)钻孔灌注桩混凝土灌注记录施-基-05工程名称:奉贤区金汇镇白沙村美丽乡村水系配套整治工程施工单位:中国水利水电第十四工程局有限公司分部工程:计算砼数量(m3) 砼开始灌注时间时分桩号:实际混凝土量(m3)二次清孔至初灌时间间隔分设计桩孔直径(mm) 充盈系数砼强度设计桩顶标高(m)计算砼初灌量(m3) 水泥品种标号实际桩底标高(m)实际砼初灌量(m3)灌注耗时时分浮桩桩顶标高(m) 二次清孔测沉淤时间钢筋笼放入后距灌注时间人:监理员:年月日工序施工质量检验表(灌注桩成孔)检—05—01备注:D为桩的设计直径(mm);L为桩长(mm)。
夹北线大山一号、二号特大桥改建工程
桥梁钻(挖)孔灌注桩基础施工工序质量控制签认表
夹北线大山一号、二号特大桥改建工程
工程申报表(TA8)
注:本表一式3份,承包单位2份,项目监理机构1份
夹北线大山一号、二号特大桥改建工程
泥浆测试记录表
注:试验类型按以下情况填写:①孔外造浆;②孔内造浆;③工序检查;④验孔检查。
钻孔记录表
审核:施工负责人:年月日
夹北线大山一号、二号特大桥改建工程
桥梁钻孔桩成孔检查表
编号:
夹北线大山一号、二号特大桥改建工程
钻孔检验批质量验收记录表
[钻孔桩]
夹北线大山一号、二号特大桥改建工程
工程申报表(TA8)
注:本表一式3份,承包单位2份,项目监理机构1份
夹北线大山一号、二号特大桥改建工程钢筋(原材料及加工)检验批质量验收记录表(I)
[钻(挖)孔桩]
夹北线大山一号、二号特大桥改建工程钢筋(连接及安装)检验批质量验收记录表(Ⅱ)
[钻(挖)孔桩]
夹北线大山一号、二号特大桥改建工程
工程申报表(TA8)
注:本表一式3份,承包单位2份,项目监理机构1份
夹北线大山一号、二号特大桥改建工程
钻孔桩内浇筑水下混凝土记录表
夹北线大山一号、二号特大桥第墩号桩
记录:复核:主管工程师:年月日
夹北线大山、二号特大桥改建工程混凝土(原材料)检验批质量验收记录表(Ⅰ)
[钻(挖)孔桩]
混凝土(配合比和施工)检验批质量验收记录表(Ⅱ)
[钻(挖)孔桩] 03010405□□□□
混凝土(成桩和强度)工程检验批质量验收记录表(Ⅲ)
[钻(挖)孔桩] 03010405□□□□。
隐蔽工程报验单
隐蔽工程验收记录
施工单位:编号:
单位工程隐蔽项目钢筋工程验收部位#桩基础验收日期
验收数量1根记录编号
隐蔽工程容及简图
本构件根据池州长九(神山)灰岩矿项目矿山建设一期工程设计图纸:;进行施工,构件型号及编号:
1、钢筋的品种、规格:
现申请隐蔽验收!
施工
单位
检查
意见
技术负责人:质量检查员:
年月日
(钢筋笼)检验批质量检验记录表
灌注桩成孔施工记录
工程名称:
施工单位:
桩位: #编号:
灌注桩隐蔽验收记录工程名称:
施工单位:
砼浇筑报审表
工程名称:
编号:分部工程:分项工程:
灌注桩水下混凝土施工记录工程名称:
施工单位:
(灌注桩)检验批质量检验记录表。
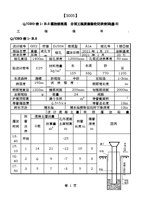
【S005】Q/CSG表1- B.8灌注桩根底分项工程质量验收记录表(线基8)工程编号:Q/CSG表1- B.8设计桩号GN2杆塔DJ334根底型A1a桩孔号Ⅰ腿①桩现场负责高春成孔方式钻孔灌注日期2021年1月19 浇制温度技术负责任伟2021年1月28 ℃钻孔直径1400m钻孔深度12000mm孔底沉淀层厚度50 mm砼设计标号C25材料用量kg/m3水水泥砂石1853367701108水泥品种海螺砂规格中砂石粒径1-3cm坍落度198mm试块强度:Mpa钢筋笼长度m钢筋笼直径1288m箍筋间距200mm加强筋间距2000m 主筋规格φ数量24间距护筒顶标高漏斗体积m3导管截面积2导管编组情 6.5+5×4 导管总长度13m 封水方法隔水栓隔水栓剪断拉线时下降深度13m设计混凝土量实际灌注砼量灌注时间拆管次序混凝土灌注量孔内混凝土面标高m拆管长度m埋管深度m图例斗数折算量m313:40开场-2515:1011421-12103 16:40269-753 17:50357-352Q/CSG表1- B.8灌注桩根底分项工程质量验收记录表(线基8)工程编号: 1.2.2-03 Q/CSG表1- B.8222376734992水泥品种海螺砂规格中砂石粒径1-3cm坍落度200mm试块强度:33.5Mpa钢筋笼长度m钢筋笼直径1240m箍筋间距200mm加强筋间距2000m 主筋规格φ数量28间距护筒顶标高漏斗体积m3导管截面积2导管编组情 6.5+5×4 导管总长度m 封水方法隔水栓隔水栓剪断拉线时下降深度m设计混凝土量实际灌注砼量43灌注时间拆管次序混凝土灌注量孔内混凝土面标高m拆管长度m埋管深度m图例斗数折算量m313:20开场-2515:0011421-12103 16:30269-753 17:30357-352 18:30完毕0Q/CSG表1- B.8灌注桩根底分项工程质量验收记录表(线基8)工程编号: 1.2.2-07 Q/CSG表1- B.8时间管次序斗数折算量m3土面标高m长度m深度m16:00开场-2518:1011421-1210318:55269-75319:40346-35220:50完毕0监理单位验收意见:验收单位质量验收结论签名班组年月日施工队年月日项目部年月日监理年月日备注此记录每根桩填写一份【S005】Q/CSG表1- B.8灌注桩根底分项工程质量验收记录表(线基8)工程编号: 1.2.2-01 Q/CSG表1- B.8设计桩号A44杆塔5G2W根底型GJA44桩孔号Ⅰ腿④桩现场负责朱加成孔方式钻孔灌注日期2021年1月浇制温度技术负责李小2021年1月16 ℃钻孔直径1400m钻孔深度25200mm孔底沉淀层厚度50 mm砼设计标号C25材料用量kg/m3水水泥砂石222376734992水泥品种海螺砂规格中砂石粒径1-3cm坍落度200mm试块强度:33.2Mpa钢筋笼长度m钢筋笼直径1240m箍筋间距199mm加强筋间距2000m 主筋规格φ数量28间距护筒顶标高漏斗体积m3导管截面积2导管编组情 6.5+5×4 导管总长度m 封水方法隔水栓隔水栓剪断拉线时下降深度m设计混凝土量实际灌注砼量灌注时间拆管次序混凝土灌注量孔内混凝土面标高m拆管长度m埋管深度m图例斗数折算量m38:30开场-2510:0011421-12103 11:00269-753 12:40346-352 13:30完毕0Q/CSG表1- B.8灌注桩根底分项工程质量验收记录表(线基8)工程编号: 1.2.2-11 Q/CSG表1- B.8水泥品种海螺砂规格中砂石粒径1-3cm坍落度198mm试块强度:32.2Mpa钢筋笼长度m钢筋笼直径1240m箍筋间距200mm加强筋间距2000m 主筋规格φ数量28间距护筒顶标高漏斗体积m3导管截面积2导管编组情 6.5+5×4 导管总长度m 封水方法隔水栓隔水栓剪断拉线时下降深度m设计混凝土量实际灌注砼量灌注时间拆管次序混凝土灌注量孔内混凝土面标高m拆管长度m埋管深度m图例斗数折算量m314:30开场-2516:10115916:50269517:4035-254 18:00完毕0监理单位验收意见:Q/CSG表1- B.8灌注桩根底分项工程质量验收记录表(线基8)工程编号: 1.2.2-09 Q/CSG表1- B.814:开场-253016:11116-15462017:268-10561018:0345-754519:4468-254520:3完毕5监理单位验收意见:验收单位质量验收结论签名班组年月日施工队年月日项目部年月日监理年月日备注此记录每根桩填写一份Q/CSG表1- B.8灌注桩根底分项工程质量验收记录表(线基8)工程编号: 1.2.2-15 Q/CSG表1- B.8设计桩号A44杆塔5G2W根底型GJA44桩孔号Ⅱ腿③桩现场负责王文成孔方式钻孔灌注日期2021年2月1浇制温度技术负责李小2021年2月19℃钻孔直径1400m钻孔深度25200mm孔底沉淀层厚度35 mm砼设计标号C25材料用量kg/m3水水泥砂石222376734992水泥品种海螺砂规格中砂石粒径1-3cm坍落度200mm试块强度:30.1Mpa钢筋笼长度m钢筋笼直径1240m箍筋间距200mm加强筋间距2000m 主筋规格φ数量28间距护筒顶标高漏斗体积m3导管截面积2导管编组情 6.5+5×4 导管总长度m 封水方法隔水栓隔水栓剪断拉线时下降深度m设计混凝土量实际灌注砼量灌注时间拆管次序混凝土灌注量孔内混凝土面标高m拆管长度m埋管深度m图例斗数折算量m314:30开场-2516:1011421-12103 17:05269-753 18:00369-253 18:50完毕0Q/CSG表1- B.8灌注桩根底分项工程质量验收记录表(线基8)工程编号: 1.2.2-13 Q/CSG表1- B.8坍落度200mm试块强度:29.7Mpa钢筋笼长度m钢筋笼直径1240m箍筋间距200mm加强筋间距2000m 主筋规格φ数量28间距护筒顶标高漏斗体积m3导管截面积2导管编组情 6.5+5×4 导管总长度m 封水方法隔水栓隔水栓剪断拉线时下降深度m设计混凝土量实际灌注砼量灌注时间拆管次序混凝土灌注量孔内混凝土面标高m拆管长度m埋管深度m图例斗数折算量m315:40开场-2517:1011421-12103 18:00269-753 19:25357-352 20:20完毕0监理单位验收意见:Q/CSG表1- B.8灌注桩根底分项工程质量验收记录表(线基8)工程编号: 1.2.2-10 Q/CSG表1- B.813:开场-254015:11421-121030016:269-7532517:369-2531018:完毕025监理单位验收意见:验收单位质量验收结论签名班组年月日施工队年月日项目部年月日监理年月日备注此记录每根桩填写一份Q/CSG表1- B.8灌注桩根底分项工程质量验收记录表(线基8)工程编号: 1.2.2-14 Q/CSG表1- B.8设计桩号A44杆塔5G2W根底型GJA44桩孔号Ⅲ腿②桩现场负责王文成孔方式钻孔灌注日期2021年1月31浇制温度技术负责李小2021年1月3119 ℃钻孔直径1400m钻孔深度25200mm孔底沉淀层厚度40 mm砼设计标号C25材料用量kg/m3水水泥砂石222376734992水泥品种海螺砂规格中砂石粒径1-3cm坍落度200mm试块强度:32.3Mpa钢筋笼长度m钢筋笼直径1240m箍筋间距200mm加强筋间距2000m 主筋规格φ数量28间距护筒顶标高漏斗体积m3导管截面积2导管编组情 6.5+5×4 导管总长度m 封水方法隔水栓隔水栓剪断拉线时下降深度m设计混凝土量实际灌注砼量灌注时间拆管次序混凝土灌注量孔内混凝土面标高m拆管长度m埋管深度m图例斗数折算量m314:15开场-2515:1511421-12103 16:10269-753 17:00346-353 18:20完毕0Q/CSG表1- B.8灌注桩根底分项工程质量验收记录表(线基8)工程编号: 1.2.2-12 Q/CSG表1- B.8钢筋笼直径1240m箍筋间距200mm加强筋间距2000m 主筋规格φ数量28间距护筒顶标高漏斗体积m3导管截面积2导管编组情 6.5+5×4 导管总长度m 封水方法隔水栓隔水栓剪断拉线时下降深度m设计混凝土量实际灌注砼量灌注时间拆管次序混凝土灌注量孔内混凝土面标高m拆管长度m埋管深度m图例斗数折算量m314:00开场-2516:0011421-1210316:40269-75317:25357-35217:45完毕0监理单位验收意见:验收单位质量验收结论签名班组年月日施工队年月日项目部年月日监理年月日备注此记录每根桩填写一份【S005】Q/CSG表1- B.8灌注桩根底分项工程质量验收记录表(线基8)工程编号: 1.2.2-16 Q/CSG表1- B.8设计桩号A44杆塔5G2W根底型GJA44桩孔号Ⅲ腿④桩现场负责蔡绍成孔方式钻孔灌注日期2021年2月2浇制温度技术负责李小2021年2月215 ℃钻孔直径1400m钻孔深度25200mm孔底沉淀层厚度30 mm砼设计标号C25材料用量kg/m3水水泥砂石222376734992水泥品种海螺砂规格中砂石粒径1-3cm坍落度200mm试块强度:31.6Mpa钢筋笼长度m钢筋笼直径1240m箍筋间距199mm加强筋间距2000m 主筋规格φ数量28间距护筒顶标高漏斗体积m3导管截面积2导管编组情 6.5+5×4 导管总长度m 封水方法隔水栓隔水栓剪断拉线时下降深度m设计混凝土量实际灌注砼量灌注时间拆管次序混凝土灌注量孔内混凝土面标高m拆管长度m埋管深度m图例斗数折算量m314:15开场-25Q/CSG表1- B.8灌注桩根底分项工程质量验收记录表(线基8)工程编号: 1.2.2-04Q/CSG表1- B.8设计桩号A44杆塔5G2W根底型GJA44桩孔号Ⅳ腿①桩现场负责李小成孔方式钻孔灌注日期2021年1月18 浇制温度技术负责王文2021年1月16 ℃钻孔直径1400m钻孔深度25200mm孔底沉淀层厚度45 mm砼设计标号C25材料用量kg/m3水水泥砂石222376734992水泥品种海螺砂规格中砂石粒径1-3cm坍落度199mm试块强度:29.5Mpa钢筋笼长度m钢筋笼直径1240m箍筋间距200mm加强筋间距2000m 主筋规格φ数量28间距护筒顶标高漏斗体积m3导管截面积2导管编组情 6.5+5×4 导管总长度m 封水方法隔水栓隔水栓剪断拉线时下降深度m设计混凝土量实际灌注砼量42灌注时间拆管次序混凝土灌注量孔内混凝土面标高m拆管长度m埋管深度m图例斗数折算量m313:30开场-2515:1011421-12103 16:50269-753 17:40357-352 18:20完毕0Q/CSG表1- B.8灌注桩根底分项工程质量验收记录表(线基8)工程编号: 1.2.2-06 Q/CSG表1- B.8主筋规格φ数量28间距护筒顶标高漏斗体积m3导管截面积2导管编组情 6.5+5×4 导管总长度m 封水方法隔水栓隔水栓剪断拉线时下降深度m设计混凝土量实际灌注砼量灌注时间拆管次序混凝土灌注量孔内混凝土面标高m拆管长度m埋管深度m图例斗数折算量m313:20开场-2514:5011421-1210316:10246-817:30369-3518:15完毕0监理单位验收意见:验收单位质量验收结论签名班组年月日施工队年月日项目部年月日监理年月日备注此记录每根桩填写一份【S005】Q/CSG表1- B.8灌注桩根底分项工程质量验收记录表(线基8)工程编号: 1.2.2-02 Q/CSG表1- B.8设计桩号A44杆塔5G2W根底型GJA44桩孔号Ⅳ腿③桩现场负责王文成孔方式钻孔灌注日期2021年1月13 浇制温度技术负责李小2021年1月16 ℃钻孔直径1400m钻孔深度25200mm孔底沉淀层厚度35 mm砼设计标号C25材料用量kg/m3水水泥砂石222376734992水泥品种海螺砂规格中砂石粒径1-3cm坍落度200mm试块强度:32.7Mpa钢筋笼长度m钢筋笼直径1240m箍筋间距200mm加强筋间距2000m 主筋规格φ数量28间距护筒顶标高漏斗体积m3导管截面积2导管编组情 6.5+5×4 导管总长度m 封水方法隔水栓隔水栓剪断拉线时下降深度m设计混凝土量实际灌注砼量灌注时间拆管次序混凝土灌注量孔内混凝土面标高m拆管长度m埋管深度m图例斗数折算量m315:10开场-25Q/CSG表1- B.8灌注桩根底分项工程质量验收记录表(线基8)工程编号: 1.2.2-08Q/CSG表1- B.8设计桩号A44杆塔5G2W根底型GJA44桩孔号Ⅳ腿④桩现场负责蔡绍成孔方式钻孔灌注日期2021年1月24浇制温度技术负责李小2021年1月2415 ℃钻孔直径1400m钻孔深度25200mm孔底沉淀层厚度30 mm砼设计标号C25材料用量kg/m3水水泥砂石222376734992水泥品种海螺砂规格中砂石粒径1-3cm坍落度200mm试块强度:31.5Mpa钢筋笼长度m钢筋笼直径1240m箍筋间距200mm加强筋间距2000m 主筋规格φ数量28间距护筒顶标高漏斗体积m3导管截面积2导管编组情 6.5+5×4 导管总长度m 封水方法隔水栓隔水栓剪断拉线时下降深度m设计混凝土量实际灌注砼量灌注时间拆管次序混凝土灌注量孔内混凝土面标高m拆管长度m埋管深度m图例斗数折算量m313:30开场-2515:2011218-1456 16:05269-956 17:10369-456 18:00完毕0。
钻孔灌注桩水下混凝土灌注记录表工程名称:墩号:桩位编号:设计钻孔直径: m,设计桩底标高: m,设计桩顶标高: m计算砼数量: m3,,灌注前孔底标高: m,灌注毕桩砼顶标高: m 护筒顶标高: m,测探基点标高: m,强度等级: Mpa导管分节,导管长度: m ,实测坍落度: cm 水泥品种、标号:普硅32.5 每盘方数: m3 , C-2-15-2记录:工地负责人:承包人:监理员:监理工程师:日期:钻孔灌注桩施工记录表工程名称:阜宁县南恒河整治工程施工二标施工单位:江苏省水利建设工程有限公司桩径:800mm 编号:记录人:质检员:现场监理: 2013年月日施工方案一、工程概况该工程为阜宁县南恒河整治工程施工Ⅱ标的单位工程:码头工程。
位于阜宁县恒河油脂有限公司厂区北侧,南恒河南岸,总长度为336米,其中码头长度为313.86米,设计为3个泊位,分别为西侧1个泊位K0+000~K0+085,长85米,独立布置,上设8t固定式吊机一座。
东侧两个泊位,K0+169.94~K0+313.86,长143.92米,上设10t固定式吊机2座。
二、设计标准1、本工程安全等级为二级,设计使用年限五十年。
2、码头吨位:千吨级。
3、设计下部结构为C25砼钻孔灌注桩,上部为C25砼盖梁、面层。
三、工程地质钻探深度范围内的土层可分为9个工程地质层(沿线建筑物分层编号与河道一致),详见以下描述:1层:素填土(Q4ml)。
以暗黄色、灰色砂壤土或壤土为主,夹腐植物、螺壳及植物根须等杂质。
层厚1.0~1.9m。
2层:重粉质砂壤土(Q4al)。
黄色、灰黄色、暗黄色。
稍密-中密状。
层厚1.5~1.7m。
3层:粘土(Q4al)。
灰色。
可塑状,局部软塑状。
层厚2.3~3.2m。
局部软塑状。
层厚5.4~5.8m。
4层:淤泥质粉质粘土(Q4al)。
灰色、灰黄色。
软塑-流塑状。
层厚7.5~8.2m。
4-1层:轻粉质壤土,夹砂壤土(Q4al)。
6.2 旋挖钻孔灌注桩施工方案一、钻孔桩施工工艺流程二、成桩工序示意图下图为旋挖钻孔灌注桩从护筒打设、钻机就位钻进作业、静态泥浆护壁、吊放钢筋笼、灌注水下砼、振拔护筒等一系列的施工过程。
三、测量放线1、在测定桩位前,先复核基点,闭合测量。
搞清基点与红线关系,符合要求后,再测定桩位。
复核桩位坐标,确认设计图纸提供的桩位数据。
2、放样与护筒埋设:①由专职测量人员采用全站仪对桩位采用坐标法进行实地放样。
②沿桩中心呈“十”字型引出四个桩位点用来控制桩位,作为单桩护桩③单桩护桩采用短钢筋,高度30cm,埋入地下15cm。
④桩位处清理完塘渣后,再由专职测量人员进行复核,确保桩位偏差在规范允许范围内.3复核:①施工员自检:施工员用几何尺寸方法复核桩位,开孔前对桩位复核一次,若短钢筋被破坏或发生位移及时通知测量进行复测.②测量员:测定桩位分三次,在挖埋护筒前测量一次,在埋设护筒后复测一次使护筒中心与桩位偏差不大于50mm,并做好桩位标志.然后用水准仪测量护筒标高,做好测量记录,第三次测量,在钻机就位前进行,并检查钻机是否对准桩心标记.四、泥浆制备由于钢护筒长度有限,当钻头进入护筒以下土体时,由于旋挖钻机成孔速度快,孔壁上形成较明显的螺旋线,使孔壁无法形成泥皮,护壁性欠佳,容易产生缩颈、垮孔。
为了防止坍孔,稳定孔内水位及便于挟带钻渣,采用黏土或膨润土制备成泥浆注入孔内,利用静态泥浆的液柱压力来保持孔壁稳定。
泥浆的配合比应根据地基土层的状况、钻机、工程条件来定。
膨润土制备泥浆性能指标参见《2004浙G23》图集,如下表:五、钻机就位钻机就位时,要事先检查钻机的性能状态是否良好。
保证钻机工作正常。
通过测设的桩位准确确定钻机的位置,并保证钻机稳定,通过手动粗略调平以保证钻杆基本竖直后,即可利用自动控制系统调整钻杆保持竖直状态。
六、钻进成孔1、旋挖钻机的设置及调整施钻时,将钥匙开关打到电源档,旋挖钻机的显示器显示旋挖钻机标记画面,按任意键进入工作画面。
钻孔灌注桩合同模板甲方(委托方): [甲方全称]乙方(承包方): [乙方全称]签订日期: [签订日期]签订地点: [签订地点]一、工程概况1. 工程名称: [工程名称]2. 工程地点: [工程地点]3. 工程内容:钻孔灌注桩施工,包括但不限于钻孔、钢筋笼制作与安装、混凝土浇筑等。
二、合同价款1. 合同总价: [大写金额](¥[小写金额]元)2. 支付方式: [具体支付方式,如进度付款、一次性付款等]3. 付款条件: [具体付款条件,如按工程进度、验收合格后等]三、工程质量1. 质量标准:符合国家及地方相关工程质量标准。
2. 验收标准: [具体验收标准,如桩基检测报告等]四、工程期限1. 开工日期: [开工日期]2. 竣工日期: [竣工日期]3. 延期条件: [具体延期条件,如不可抗力等]五、甲乙双方的权利与义务1. 甲方权利与义务:- 负责提供施工场地、施工图纸及相关技术资料。
- 按合同约定支付工程款。
- 对工程进度和质量进行监督。
2. 乙方权利与义务:- 按照合同约定完成工程施工。
- 保证工程质量,达到约定标准。
- 负责施工过程中的安全文明施工。
六、违约责任1. 甲方违约:如未按时支付工程款,应按[具体比例]支付违约金。
2. 乙方违约:如未按期完成工程或工程质量不符合标准,应承担[具体责任]。
七、争议解决双方因履行本合同发生争议,应首先通过协商解决;协商不成时,可提交[具体仲裁机构名称]进行仲裁,或向[具体法院名称]提起诉讼。
八、其他约定1. [其他约定事项]2. [其他约定事项]九、合同生效本合同自双方授权代表签字盖章之日起生效。
十、合同附件本合同附件包括但不限于:- 施工图纸- 技术规范书- 工程量清单甲方(盖章): [甲方公章]授权代表签字: [甲方授权代表签字]乙方(盖章): [乙方公章]授权代表签字: [乙方授权代表签字][注:本模板仅供参考,具体合同内容应根据实际情况制定,并建议由专业法律顾问审核。
隐蔽工程报验单
工程名称:编号:
本表一式三份,业主(建设单位)、监理、承包人各一份
隐蔽工程验收记录
施工单位:编号:
隐蔽工程内容及简图
本构件根据池州长九(神山)灰岩矿项目矿山建设一期工程设计图纸:;进行施工,构件型号及编号:
1、钢筋的品种、规格:
现申请隐蔽验收!
施工
单位
检查
意见
技术负责人:质量检查员:
年月日
监理
或
建设
单位
验收
意见代表签字:
年月日
(钢筋笼)检验批质量检验记录表
编号:
灌注桩成孔施工记录
工程名称:
施工单位:
桩位: # 编号:
技术负责人: 班组长: 记录人:
灌注桩隐蔽验收记录
工程名称:
施工单位:
桩位编号:编号:
砼浇筑报审表
工程名称:
编号:分部工程:分项工程:
本表一式三份,业主(建设单位)、监理、承包人各一份
灌注桩水下混凝土施工记录
工程名称:
施工单位:
桩位:编号:
技术负责人:班组长:记录人:
(灌注桩)检验批质量检验记录表
编号:。