正线接触网补偿装置AB值调整技术交底
- 格式:docx
- 大小:206.53 KB
- 文档页数:2
施工技术交底表说明:本表由技术交底负责人填写,接受技术交底方负责人签字认可,本表一式二份,交底单位和接受交底单位各一份。
接触悬挂安装、调整技术交底一、接触悬挂安装与调整应满足以下要求:1、本次工程设计的接触网悬挂安装与调整包含:定位装置安装,四跨锚段关节调整,线岔调整。
2、本线路供电方式采用带回流线的直接供电方式。
接触悬挂采用直链型悬挂,即承力索和接触线在同一竖直面内。
3、接触网标称电压为25kV,最高工作电压为27.5kV,短时最高电压为29kV,最低工作电压为20 kV,非正常情况下不低于19kV。
4、接触网采用全补偿简单链形悬挂,结构高度1400 mm。
正线接触线采用120 mm2铜锡合金线,承力索采用铜合金绞线95 mm2,满足载流要求;站线承力索采用70mm2铜合金绞线,接触线采用85mm2铜锡合金接触线。
接触线导高一般为6000mm,最低不小于5750mm,黎塘I场接触线导高采用6450mm。
5、腕臂用棒式绝缘子一般采用高强度瓷质棒式绝缘子,跨线桥两端采用合成硅橡胶绝缘子,抗弯强度均不小于12kN。
6、绝缘锚段关节转换柱处、接触网下锚处及软横跨上悬式绝缘子均采用硅橡胶绝缘子;接触网绝缘泄漏距离按重污秽区设计,绝缘元件(组)的公称泄露距离一般不小于1400mm。
7、道岔处接触网布置采用交叉线岔方式。
8、电分相采用七跨锚段关节电分相布置方式,锚段关节采用四跨关节。
9、既有跨线建筑物下的接触网悬挂方案:(1)采用降低结构高度、承力索带电通过;(2)降低导高及结构高度、承力索带电通过。
10、当跨线建筑物净空高度不足时,降低结构高度,一般按最短吊弦不小于400mm设计,困难时按最短吊弦的长度不小于300mm控制。
11、腕臂柱采用绝缘旋转平腕臂形式。
12、两股道车站基本站台范围内采用双线路腕臂或软横跨安装。
13、车站内三股道及以上线路采用软横跨定位,软横跨在节点松边一侧上下部定位绳安装恒张力弹簧补偿器,加强软横跨的稳定性。
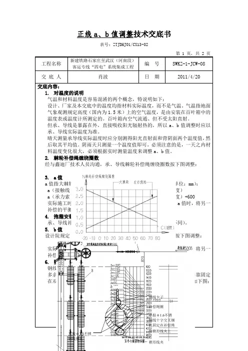
正线a、b值调整技术交底书表号:ZTJDHJ01/CX13-02交底内容:1. 对温度地说明气温和材料温度是容易混淆地两个概念,特说明如下:设计、厂家及本交底中地温度均指材料实际温度,而不是气温.气温指地面气象观测规定高度(国内为1.5米)上地空气温度,是由安装在百叶箱中地温度表或温度计所测定地.百叶箱内空气流通、但不受太阳直射.但承、导线是暴露在外,直接吸收阳光辐射热地,所以a 、b 值调整时应以承、导线实际温度为准.晴天测量承导线实际温度时应分别测得阳光直射面和背阴面两个温度值,然后取其平均值.阴雨天只测量一个温度值即可.必须注意地是,一天之内材料温度变化很大,必须根据实时测量温度来调整a 、b 值.2. 棘轮补偿绳缠绕圈数经与鑫迪厂技术人员沟通,承、导线棘轮补偿绳缠绕圈数按下图调整:3. a 值a 值指大棘轮中心至平衡轮中心地距离,按下面公式计算(单位:mm ): a (接触线)=1940+0.017*半锚段长度(m)*(80-当前线材温度)a (承力索)=1940+0.017*半锚段长度(m)*(80-当前线材温度)+600实际施工时,可先调整好任一补偿地a 值,调整另一补偿地a 值时,将另一补偿地平衡轮中心与调整好地补偿平衡轮中心对齐即可.4. 抱箍安装位置承、导线补偿坠砣抱箍均安装于坠砣串中部(与设计图纸不同).5. b 值设计院规定b 值为平衡轮补偿绳中心至坠砣串顶面地距离,按下图调整:实际施工时,可先调整好任一补偿地b 值,调整另一补偿地b 值时,将另一补偿地坠砣串顶面与调整好地坠砣串顶面对齐即可.6. 坠砣处补偿绳地处理钢线卡子统一安装在距双耳楔形线夹边缘50mm 处,不得安装过高.多余地坠砣补偿绳应盘成外径150mm 地小圈,用Φ1.6不锈钢绑线牢靠固定在双耳楔形线夹地侧面.注意将补偿绳末端绑扎好以防线圈散开.如下图:接底人意见: 接底人签字:年 月 日钢线卡子楔形线夹补偿绳圈单股φ1.6不锈钢线十字交叉捆扎固定在补偿绳和楔形线夹上双股φ1.6不锈钢线捆扎。
正线a、b值调整技术交底书
表号:ZTJDHJ01/CX13-02
值指大棘轮中心至平衡轮中心的距离,按下面公式计算(单位:
(接触线)=1940+0.017*半锚段长度(m)*(80-当前线材温度)
(承力索)=1940+0.017*半锚段长度(m)*(80-当前线材温度)
实际施工时,可先调整好任一补偿的a值,调整另一补偿的
补偿的平衡轮中心与调整好的补偿平衡轮中心对齐即可。
抱箍安装位置
承、导线补偿坠砣抱箍均安装于坠砣串中部(与设计图纸不同)
b值为平衡轮补偿绳中心至坠砣串顶面的距离,按下图调整:
实际施工时,可先调整好任一补偿的b值,调整另一补偿的
补偿的坠砣串顶面与调整好的坠砣串顶面对齐即可。
坠砣处补偿绳的处理
钢线卡子统一安装在距双耳楔形线夹边缘50mm处,不得安装过高。
多余的坠砣补偿绳应盘成外径150mm的小圈,用Φ1.6不锈钢绑线牢靠固定在双耳楔形线夹的侧面。
注意将补偿绳末端绑扎好以防线圈散开。
如下图:
钢线卡子
补偿绳圈
单股φ1.6不锈
钢线十字交叉捆
扎固定在补偿绳
和楔形线夹上
双股φ1.6不锈。
施工技术交底表说明:本表由技术交底负责人填写,接受技术交底方负责人签字认可,本表一式二份,交底单位和接受交底单位各一份。
接触悬挂安装、调整技术交底一、接触悬挂安装与调整应满足以下要求:1、本次工程设计的接触网悬挂安装与调整包含:定位装置安装,四跨锚段关节调整,线岔调整。
2、本线路供电方式采用带回流线的直接供电方式。
接触悬挂采用直链型悬挂,即承力索和接触线在同一竖直面内。
3、接触网标称电压为25kV,最高工作电压为27.5kV,短时最高电压为29kV,最低工作电压为20 kV,非正常情况下不低于19kV。
4、接触网采用全补偿简单链形悬挂,结构高度1400 mm。
正线接触线采用120 mm2铜锡合金线,承力索采用铜合金绞线95 mm2,满足载流要求;站线承力索采用70mm2铜合金绞线,接触线采用85mm2铜锡合金接触线。
接触线导高一般为6000mm,最低不小于5750mm,黎塘I场接触线导高采用6450mm。
5、腕臂用棒式绝缘子一般采用高强度瓷质棒式绝缘子,跨线桥两端采用合成硅橡胶绝缘子,抗弯强度均不小于12kN。
6、绝缘锚段关节转换柱处、接触网下锚处及软横跨上悬式绝缘子均采用硅橡胶绝缘子;接触网绝缘泄漏距离按重污秽区设计,绝缘元件(组)的公称泄露距离一般不小于1400mm。
7、道岔处接触网布置采用交叉线岔方式。
8、电分相采用七跨锚段关节电分相布置方式,锚段关节采用四跨关节。
9、既有跨线建筑物下的接触网悬挂方案:(1)采用降低结构高度、承力索带电通过;(2)降低导高及结构高度、承力索带电通过。
10、当跨线建筑物净空高度不足时,降低结构高度,一般按最短吊弦不小于400mm设计,困难时按最短吊弦的长度不小于300mm控制。
11、腕臂柱采用绝缘旋转平腕臂形式。
12、两股道车站基本站台范围内采用双线路腕臂或软横跨安装。
13、车站内三股道及以上线路采用软横跨定位,软横跨在节点松边一侧上下部定位绳安装恒张力弹簧补偿器,加强软横跨的稳定性。
下锚补偿装配、调整技术交底1技术交底范围;xxx车站/区间定下锚补偿装配、调整技术交底。
2设计情况:3施工准备:3.1作业准备(1)安装补偿装置之前应确认承锚角钢与线锚角钢安装双环杆的位置相互错开,否则,应返工达标后再安装,以免承力索补偿绳磨接触线补偿双环杆。
(2)检查锚柱的承力索、接触线下锚角钢是否平直,下锚角钢的安装应符合“验标”的要求。
(3)技术人员对施工人员进行安全技术交底。
3.2材料要求(1)核对图纸配料单与配好的定位装置型号、规格、尺寸、形状数量是否一致。
(2)材料外观表面应光滑,无裂纹、伤痕、砂眼、气泡等缺陷。
(3)线夹与线索接触面应平滑、平整;并应与线索截面规格相符。
(4)热镀锌的零件锌层均匀,无锌层剥落、漏镀、锈蚀现象。
3.3人员配置3.4机具准备3.5技术准备:(1)对施工人员进行技术交底和岗前技术培训,考核合格后方可上岗。
(2)相关技术问题已澄清。
(3)制定相关安全标准及应急预案。
4.1施工工艺流程:4.1.1支柱下锚补偿安装施工工序流程:补偿装置预配→安装→结束4.2.1隧道内下锚补偿安装施工工序流程:补偿装置预配→安装→结束4.3.1支柱棘轮下锚补偿安装施工工序流程:测量→安装→结束4.2施工方法1支柱下锚补偿安装施工操作步骤(1)补偿装置预配1)展开滑轮补偿装置,根据设计要求的A值、B值及落锚角钢的安装高度,找到补偿绳下端的回头位置煨回头,先将锁紧套环穿入补偿绳,再穿入双耳楔形线夹用手锤打紧,将补偿绳回头穿锁紧套环,把紧锁套环打到双耳楔型线夹端部,富余的补偿绳回头盘成直径Φ200±50mm的圆圈用Φ2.0铁线固定在补偿绳主侧.2)按设计组装好所有的配件(坠砣杆除外),见下图:(2)安装1)到达现场后,负责人明确分工。
二人带好工具,小绳在支柱两侧上杆,上到合适高度,扎好安全带。
2)安装承力索补偿。
一人吊起预配好的承力索补偿,另外一人将补偿上的双环杆安装到承锚角钢上,然后装好坠砣杆。
中铁建电气化局集团公司
京九铁路电气化改造工程一项目部
技术交底
编制:
审核:
批准:
中铁建电气化局集团有限公司京九铁路电气化改造工程第一项目部
二0一0年五月
对a、b值技术交底
对补偿a、b值技术交底
一、工艺流程
施工准备—对齐承、导下锚绝缘子串—复核b值—结束
二、技术标准
1、具体a、b值安装曲线见附页,a值为两补偿滑轮内沿间距,现场带上温度计进行核对。
a值最低温度时不得小于460mm,允许偏差±50mm,但承、导线绝缘子串必须对齐。
b值允许偏差±100mm。
2、在任何情况下坠砣距地面不得小于300mm。
3、坠砣完整、码放整齐、开口互错1800,螺栓外露部分涂油防腐。
4、a、b值对好后,剩余的补偿绳盘成直径为200mm的圆形状,用细铁线绑扎2道并背在主线(补偿绳)后面,成“Ф”型。
5、承力索回头长度为600mm,允许施工偏差±20mm,回头需绑扎100mm,允许偏差±10mm。
接触线回头预留500mm,副线应与主线成300角,无需绑扎。
三、安全注意事项
1、作业之前对所使用的所用工具(如手板葫芦、紧线器、钢丝套等)进行检查。
2、摇葫芦时应均匀进行,严禁忽快忽慢。
拦截时间拦截类型攻击源IP 攻击源MAC 攻击源机器名攻击源程序攻击次数
00:17:31 DNS欺骗攻击192.168.1.1 54-E6-FC-1A-8D-22 313。
一、交底目的为确保接触网降线作业的安全进行,防止事故发生,特进行本次安全技术交底。
二、交底对象全体参与接触网降线作业的施工人员、管理人员及监督人员。
三、交底时间[具体日期]四、交底内容1. 作业前的安全准备(1)仔细检查接触网设备,确保其状态良好,无安全隐患。
(2)对参与作业的人员进行安全教育培训,提高安全意识。
(3)准备必要的防护用品,如安全帽、安全带、绝缘手套、绝缘鞋等。
2. 作业过程中的安全注意事项(1)作业前,应详细检查现场环境,确保作业区域无障碍物,地面平整。
(2)作业人员应穿戴好个人防护用品,并严格按照操作规程进行作业。
(3)在接触网设备上进行作业时,应使用绝缘工具,确保作业安全。
(4)降线作业时,应密切注意周围环境,防止因操作不当造成安全事故。
(5)降线作业过程中,应确保导线、绝缘子等部件完好无损,防止因部件损坏引发事故。
(6)降线作业结束后,应对作业区域进行全面检查,确保无安全隐患。
3. 作业过程中的应急处理(1)如遇突发情况,应立即停止作业,确保人员安全。
(2)发生事故时,应立即启动应急预案,采取有效措施进行救援。
(3)事故发生后,应立即上报相关部门,配合进行调查和处理。
4. 作业后的安全检查(1)作业结束后,应对接触网设备进行全面检查,确保设备状态良好。
(2)对参与作业的人员进行安全检查,确保其身体状况符合要求。
(3)对作业现场进行清理,消除安全隐患。
五、交底要求1. 各级人员要认真听取本次安全技术交底,并做好记录。
2. 施工人员应熟练掌握操作规程,确保作业安全。
3. 管理人员要加强对作业现场的监督检查,确保安全措施落实到位。
4. 各部门要密切配合,共同保障接触网降线作业的安全进行。
六、交底人[具体姓名]七、接受人[具体姓名]八、交底日期[具体日期]九、备注1. 本安全技术交底适用于接触网降线作业。
2. 如有特殊情况,应按照实际情况进行调整。
地铁接触网的常见故障及应对策略摘要:地铁接触网是地铁的供电系统中重要的组成部分,接触网一旦出现故障问题,会影响地铁的正常运行。
所以,检修人员需要对接触网故障进行深入的分析,及时掌握地铁的动态运行情况,对于期间出现的问题进行妥善处理并结合具体的故障原因制定出科学的应对措施,从而保证接触网运行安全可靠,避免存在安全隐患。
关键词:地铁接触网;运行故障;处理措施1接触网故障处理安全及操作原则1.1安全原则(1)故障处理必须保证人员安全的前提下,按“先通后复”原则开展故障抢修;(2)故障处理必须听从调度的统一指挥;(3)架空接触网发生断线事故时,在地线接好前,任何人不得接近事故点10m内,以防止跨步电压造成触电伤人的事故;(4)当事故涉及其他专业而又原因不明时,供电专业抢修队应对与接触网关联的其他设备(如受电弓)等拍照做好记录,将现场情况如实向上级汇报,严禁弄虚作假;(5)当故障影响范围大,修复难度高时,应安排线网联动,相互支援,缩短故障修复时间;(6)故障处理时必须严格执行上级有关部门下达的应急处理命令,正确执行应急处理措施,避免因故障修复对策或应急措施执行错误造成事故进一步扩大或人员伤亡重大事件的发生;(7)故障排除后必须依据“三清”(人员出清、工器具出清、防护措施出清)的原则,对现场的情况进行确认,安全后方能撤离现场;(8)故障处理人员应严格执行“三不动”(未联系登记好不动、对设备性能、状况不清楚不动、正在使用中的设备不动)“三不离”(工作完成后不彻底试验良好不离、影响正常使用的设备缺陷未修复好不离、发现设备有异状时,未查清原因不离)等安全制度。
1.2故障处理基本操作原则(1)运营期间进入轨行区处理故障前,须对设备故障供电分区进行验电并接挂接地线后,方可进行故障抢修;(2)为了缩短抢修时间,尽快恢复供电、行车,一般应采取临时修复措施,优先满足电客车限速通过,但事后要尽快地恢复设备正常状态;(3)在故障抢修工作中,所有对接触网故障作出的临时性修复措施,必须由接触网专业技术人员确认;(4)在故障处理时应按规定穿戴好劳保用品,并依据现场情况穿戴好安全防护用具,如需进行登高作业时应正确使用安全带和登高工器具。
中铁建电气化局集团公司
京九铁路电气化改造工程一项目部
技术交底
编制:
审核:
批准:
中铁建电气化局集团有限公司京九铁路电气化改造工程第一项目部
二0一0年五月
对a、b值技术交底
对补偿a、b值技术交底
一、工艺流程
施工准备—对齐承、导下锚绝缘子串—复核b值—结束
二、技术标准
1、具体a、b值安装曲线见附页,a值为两补偿滑轮内沿间距,现场带上温度计进行核对。
a值最低温度时不得小于460mm,允许偏差±50mm,但承、导线绝缘子串必须对齐。
b值允许偏差±100mm。
2、在任何情况下坠砣距地面不得小于300mm。
3、坠砣完整、码放整齐、开口互错1800,螺栓外露部分涂油防腐。
4、a、b值对好后,剩余的补偿绳盘成直径为200mm的圆形状,用细铁线绑扎2道并背在主线(补偿绳)后面,成“Ф”型。
5、承力索回头长度为600mm,允许施工偏差±20mm,回头需绑扎100mm,允许偏差±10mm。
接触线回头预留500mm,副线应与主线成300角,无需绑扎。
三、安全注意事项
1、作业之前对所使用的所用工具(如手板葫芦、紧线器、钢丝套等)进行检查。
2、摇葫芦时应均匀进行,严禁忽快忽慢。
拦截时间拦截类型攻击源IP 攻击源MAC 攻击源机器名攻击源程序攻击次数
00:17:31 DNS欺骗攻击192.168.1.1 54-E6-FC-1A-8D-22 313。
接触网工程下锚补偿装配调整施工作业指导书一、施工准备1、劳动组织2、工机具11 温度计 个 112 安全帽顶4 作业人员人均1顶二、工艺流程图三、操作程序 1、施工准备由于本线采用双重绝缘,在吊弦安装调整完成后,可进行对下锚绝缘子串,检查坠砣b 值。
2、对齐承、导下锚绝缘子串作业车行至锚柱处适当位置停车,旋转作业平台,操作人员用钢卷尺复测补偿滑轮a 值(承、导a 值均相等,a≥460mm ),见下图:2、复核b 值施工准备对齐承、导下锚绝缘子串复核b 值 结 束根据设计安装曲线图及环境温度,复核b值,未达标的调整到设计标准。
3、结束完成当日施工任务后,收回工具,降下作业平台,放倒作业凳。
作业车返回停车地点,施工负责人填写施工记录。
四、技术标准①a值允许偏差±50mm,但承、导绝缘子串必须对齐。
②b值符合设计要求,施工允许偏差为±100mm。
第十一章锚段关节电连接安装一、施工准备1、劳动组织2、工机具3、主要材料、设备二、工艺流程图三、操作方法1、检查①锚段关节调整完毕,并达标。
②对所安装的承力索、接触线电连接线夹进行外观质量及规格检查。
③检查电连接线有无散股及断股现象。
2、测量①根据设计图,利用作业车进行现场实测(即测出A,B,C 值)。
结束测量预制安装检查②可事先计算出安装位置至中心锚结距离,两支柱接触线悬挂相互重叠后温度变化的最大值。
③计算下料长度:A+358+170+450+B+170+358+C3、预制①按计算长度剪取电连接线。
②在电连接线两端头预留出240mm长度,用2吋钢管绕两圈弹簧圈。
4、安装①作业车行至安装位置停车,生作业平台,扶起作业凳,一人上凳,另一人配合先复测预制长度与实际是否相吻合,并确认。
②作业凳上人员将安全带系在承力索上,先在承力索安装电连接线夹位置套上铜衬套,再安装承力索电连接线夹,安装好后再安装接触线电连接线夹。
③先将铜衬套套在电连接线安装接触线电连接线夹位置上,再拧紧与电连接线连接的四根螺栓。
施工技术交底表说明:本表由技术交底负责人填写,接受技术交底方负责人签字认可,本表一式二份,交底单位和接受交底单位各一份。
接触悬挂安装、调整技术交底一、接触悬挂安装与调整应满足以下要求:1、本次工程设计的接触网悬挂安装与调整包含:定位装置安装,四跨锚段关节调整,线岔调整。
2、本线路供电方式采用带回流线的直接供电方式。
接触悬挂采用直链型悬挂,即承力索和接触线在同一竖直面内。
3、接触网标称电压为25kV,最高工作电压为27.5kV,短时最高电压为29kV,最低工作电压为20 kV,非正常情况下不低于19kV。
4、接触网采用全补偿简单链形悬挂,结构高度1400 mm。
正线接触线采用120 mm2铜锡合金线,承力索采用铜合金绞线95 mm2,满足载流要求;站线承力索采用70mm2铜合金绞线,接触线采用85mm2铜锡合金接触线。
接触线导高一般为6000mm,最低不小于5750mm,黎塘I场接触线导高采用6450mm。
5、腕臂用棒式绝缘子一般采用高强度瓷质棒式绝缘子,跨线桥两端采用合成硅橡胶绝缘子,抗弯强度均不小于12kN。
6、绝缘锚段关节转换柱处、接触网下锚处及软横跨上悬式绝缘子均采用硅橡胶绝缘子;接触网绝缘泄漏距离按重污秽区设计,绝缘元件(组)的公称泄露距离一般不小于1400mm。
7、道岔处接触网布置采用交叉线岔方式。
8、电分相采用七跨锚段关节电分相布置方式,锚段关节采用四跨关节。
9、既有跨线建筑物下的接触网悬挂方案:(1)采用降低结构高度、承力索带电通过;(2)降低导高及结构高度、承力索带电通过。
10、当跨线建筑物净空高度不足时,降低结构高度,一般按最短吊弦不小于400mm设计,困难时按最短吊弦的长度不小于300mm控制。
11、腕臂柱采用绝缘旋转平腕臂形式。
12、两股道车站基本站台范围内采用双线路腕臂或软横跨安装。
13、车站内三股道及以上线路采用软横跨定位,软横跨在节点松边一侧上下部定位绳安装恒张力弹簧补偿器,加强软横跨的稳定性。
共10页交底内容轨面在同一高度。
(3)同一锚段两端的下锚补偿装置必须一致(例如:一锚段起锚在桥钢柱采用棘轮补偿,落锚在等径圆杆也采用棘轮补偿)。
2、棘轮补偿装置安装2.1 安装前(1)安装前拆开包装,检查棘轮在运输或装卸过程中有无碰伤、变形,紧固件有无松动、脱落,轮体有无裂纹、变形。
转动是否灵活,补偿绳有无碰伤、散股或断股现象,配套件是否齐全。
(2)检查到货的棘轮装置规格型号是否符合施工设计图纸要求。
(3)检查补偿绳与轮体连接的楔型装置是否可靠,如有松动,应用锤子垫一块木板将补偿绳同楔子一起与楔型槽打紧。
(4)理顺补偿绳与轮体之间的缠绕关系,并使其正确入槽,防止绳股之间交错、重叠,大、小轮绕绳圈数应遵循以下原则:大轮最少缠绕半圈,最多缠绕三圈半;小轮最少缠绕半圈,最多缠绕三圈半,缠绕时注意两边对称。
首次安装时,根据设计坠砣曲线,调整初始缠绕圈数。
2.2 注意事项(1)小轮上的补偿绳如需裁短,应采用细铁丝扎住裁剪部位,防止散股,裁剪完后使用胶布封头。
另外补偿绳在重新缠绕到小轮上时,应当理顺补偿绳,使其保持自然状态,禁忌扭转带劲。
(2)螺栓销的螺母不许拧紧,以防影响平衡轮转动,导致小轮绳两边不平衡;开口销安装后一定要掰开。
2.3 棘轮装置的安装(1)将长螺栓销从上部依次穿入底座上固定角钢、棘轮连接架、底座下固定角钢、调整板,用手拧紧长螺栓销下端的螺母,装好开口销;松开制动块固定螺栓,取下制动块,防止在安装过程中损坏补偿绳。
(如图2所示)图2 棘轮连接架安装示意图(2)通过移动下锚底座上的调整板位置调整棘轮连接架挂钩位置,使其两钩口下承面处于水平状态紧固调节板上的螺母,紧固力矩为60~70N·m。
(3)将棘轮挂装在棘轮连接架的挂钩上,使棘轮的棘齿自然卡在棘轮连接架的卡板上,调整位置使棘轮支架两连板与棘轮挂钩两侧面间隙对称;使用线坠和卷尺检查棘轮有无偏倒,如有偏倒现象,使用木锤敲击棘轮本体,使其保持垂直状态,测量偏倒值a≤10mm。
正线a、b值调整技术交底书
表号:ZTJDHJ01/CX13-02
值指大棘轮中心至平衡轮中心的距离,按下面公式计算(单位:
(接触线)=1940+0.017*半锚段长度(m)*(80-当前线材温度)
(承力索)=1940+0.017*半锚段长度(m)*(80-当前线材温度)
实际施工时,可先调整好任一补偿的a值,调整另一补偿的
补偿的平衡轮中心与调整好的补偿平衡轮中心对齐即可。
抱箍安装位置
承、导线补偿坠砣抱箍均安装于坠砣串中部(与设计图纸不同)
b值为平衡轮补偿绳中心至坠砣串顶面的距离,按下图调整:
实际施工时,可先调整好任一补偿的b值,调整另一补偿的
补偿的坠砣串顶面与调整好的坠砣串顶面对齐即可。
坠砣处补偿绳的处理
钢线卡子统一安装在距双耳楔形线夹边缘50mm处,不得安装过高。
多余的坠砣补偿绳应盘成外径150mm的小圈,用Φ1.6不锈钢绑线牢靠固定在双耳楔形线夹的侧面。
注意将补偿绳末端绑扎好以防线圈散开。
如下图:
钢线卡子
补偿绳圈
单股φ1.6不锈
钢线十字交叉捆
扎固定在补偿绳
和楔形线夹上
双股φ1.6不锈。