某住宅楼桩基础设计计算书
- 格式:pdf
- 大小:182.16 KB
- 文档页数:11
基础工程计算书桩基础设计1.1设计资料 1.1.1上部结构资料某教学实验楼,上部结构为七层框架,其框架主梁、次梁、楼板均为现浇整体式,混凝土强度等级为C30。
底层层高3.4m (局部10m ,内有10t 桥式吊车),其余层高3.3m ,底层拄网平面布置及柱底菏载见图2.1。
1.1.2建筑物场地资料拟建建筑场地位于市区内,地势平坦,建筑平面位置见图2.2。
建筑场地位于非地震区,不考虑地震影响。
图2.2建筑物平面位置示意图单位:m场地地下水类型为潜水,地下水位离地表 2.1m,根据已有的分析资料,该场地底下水对混凝土无腐蚀性。
建筑地基的土层分布情况及其各土层的物理、力学指标见表2.1表2.1地基各土层物理、力学指标1.2选择桩型、桩端持力层、承台埋深1.2.1选择桩型因框架跨度大而且极不均匀,柱底荷载大,不宜采用浅基础。
根据施工场地、地基条件以及场地周围的环境条件,选择桩基础。
因钻孔灌注桩水泥排泄不便,为了减小对周围环境的污染,采用静压预制桩,这样可以较好的保证桩身质量,并在较短施工工期完成沉桩任务,同时,当地的施工技术力量、施工设备及材料供应也为采用静压桩提供了可能性。
1.2.2选择桩的几何尺寸及承台埋深依据地基土的分布,第④层土是较合适的桩端持力层。
桩端全断面进入持力层1.0m(>d2),工程桩进土深度为23.1m。
承台底进入第②层土0.3m,所以承台的埋深为2.1m,桩基的有效长度即为21m。
桩截面尺寸选用450m m×450m m,由施工设备要求,桩分为两节,上段长11m,下段长11m(不包括桩尖长度在内),实际桩长比有效桩长大1m,这是考虑持力层可能有一定的起伏以及桩需嵌入承台一定长度而留有的余地。
桩基及土层分布示意图见图2.3. 1.3确定单桩极限承载力标准值本设计属二级建筑桩基,采用经验参数法和静力触探法估算单桩承载力标准值。
根据单桥探头静力触探资料s P 按图1.2确定桩侧极限阻力标准值。
目录1设计任务 (2)1.1设计资料 (2)1.2设计要求 (3)2 桩基持力层,桩型,桩长的确定 (3)3 单桩承载力确定 (3)3.1单桩竖向承载力的确定 (3)4 桩数布置及承台设计 (4)5 复合桩基荷载验算 (6)6 桩身和承台设计 (9)7 沉降计算 (14)8 构造要求及施工要求 (20)8.1预制桩的施工 (20)8.2混凝土预制桩的接桩 (21)8.3凝土预制桩的沉桩 (22)8.4预制桩沉桩对环境的影响分析及防治措施 (23)8.5结论与建议 (25)9 参考文献 (25)一、设计任务书(一)、设计资料1、某地方建筑场地土层按其成因土的特征和力学性质的不同自上而下划分为5层,物理力学指标见下表。
勘查期间测得地下水混合水位深为2.1m,本场地下水无腐蚀性。
建筑安全等级为2级,已知上部框架结构由柱子传来的荷载。
承台底面埋深:D =2.1m。
(二)、设计要求:1、桩基持力层、桩型、承台埋深选择2、确定单桩承载力3、桩数布置及承台设计4、群桩承载力验算5、桩身结构设计和计算6、承台设计计算7、群桩沉降计算8、绘制桩承台施工图二、桩基持力层,桩型,桩长的确定根据设计任务书所提供的资料,分析表明,在柱下荷载作用下,天然地基基础难以满足设计要求,故考虑选用桩基础。
由地基勘查资料,确定选用第四土层黄褐色粉质粘土为桩端持力层。
根据工程请况承台埋深 2.1m,预选钢筋混凝土预制桩断面尺寸为450㎜×450㎜。
桩长21.1m。
三、单桩承载力确定(一)、单桩竖向承载力的确定:1、根据地质条件选择持力层,确定桩的断面尺寸和长度。
根据地质条件以第四层黄褐色粉土夹粉质粘土为持力层,采用截面为450×450mm的预置钢筋混凝土方桩,桩尖进入持力层1.0m;镶入承台0.1m,桩长21.1 m。
承台底部埋深2.1 m。
2、确定单桩竖向承载力标准值Quk可根据经验公式估算:Quk= Qsk+ Qpk=µ∑qsikli+qpkApQ——单桩极限摩阻力标准值(kN)skQ——单桩极限端阻力标准值(kN)pku——桩的横断面周长(m)A——桩的横断面底面积(2m)pL——桩周各层土的厚度(m)iq——桩周第i层土的单位极限摩阻力标准值(a kP)sikq——桩底土的单位极限端阻力标准值(a kP)pk桩周长:µ=450×4=1800mm=1.8m桩横截面积:Ap=0.45²=0.2025㎡桩侧土极限摩擦力标准值qsik:查表得:用经验参数法:粉质粘土层:L I=0.95,取qsk=35kPa淤泥质粉质粘土:qsk=29kPa粉质粘土:L I=0.70,取qsk=55kPa桩端土极限承载力标准值qpk,查表得:qpk=2200 kPa用经验参数法求得Quk1=1.8×(35×8.0+29×12.0+1.0×55) +2200×0.2025=1674.9KN用静力触探法求得Quk2=1.8×(36×8.0+43×12.0+1.0×111) +1784.5×0.2025=2008.4KN3、确定单桩竖向承载力设计值R,并且确定桩数n和桩的布置先不考虑群桩效应,估算单桩竖向承载力设计值R为:R=Qsk/rs+Qpk/rpR——单桩竖向极限承载力设计值,kNQ——单桩总极限侧阻力力标准值,kNskQ——单桩总极限端阻力力标准值,kNpkγ——桩侧阻力分项抗力系数sγ——桩端阻力分项抗力系数p用经验参数法时:查表rs=rp=1.65R1=Qsk/rs+Qpk/rp=1229.4/1.65+445.5/1.65=1015.09KN 用静力触探法时:查表rs=rp=1.60R2=Qsk/rs+Qpk/rp=1647/1.60+361.4/1.60=1255.25KNRz=min(R1,R2)= 1015.09 KN四、桩数布置及承台设计根据设计资料,以轴线⑦为例。
目录1设计任务 (2)1.1设计资料 (2)1.2设计要求 (3)2 桩基持力层,桩型,桩长的确定 (3)3 单桩承载力确定 (3)3.1单桩竖向承载力的确定 (3)4 桩数布置及承台设计 (4)5 复合桩基荷载验算 (6)6 桩身和承台设计 (9)7 沉降计算 (14)8 构造要求及施工要求 (20)8.1预制桩的施工 (20)8.2混凝土预制桩的接桩 (21)8.3凝土预制桩的沉桩 (22)8.4预制桩沉桩对环境的影响分析及防治措施 (23)8.5结论与建议 (25)9 参考文献 (25)一、设计任务书(一)、设计资料1、某地方建筑场地土层按其成因土的特征和力学性质的不同自上而下划分为5层,物理力学指标见下表。
勘查期间测得地下水混合水位深为2.1m,本场地下水无腐蚀性。
建筑安全等级为2级,已知上部框架结构由柱子传来的荷载。
承台底面埋深:D =2.1m。
(二)、设计要求:1、桩基持力层、桩型、承台埋深选择2、确定单桩承载力3、桩数布置及承台设计4、群桩承载力验算5、桩身结构设计和计算6、承台设计计算7、群桩沉降计算8、绘制桩承台施工图二、桩基持力层,桩型,桩长的确定根据设计任务书所提供的资料,分析表明,在柱下荷载作用下,天然地基基础难以满足设计要求,故考虑选用桩基础。
由地基勘查资料,确定选用第四土层黄褐色粉质粘土为桩端持力层。
根据工程请况承台埋深 2.1m,预选钢筋混凝土预制桩断面尺寸为450㎜×450㎜。
桩长21.1m。
三、单桩承载力确定(一)、单桩竖向承载力的确定:1、根据地质条件选择持力层,确定桩的断面尺寸和长度。
根据地质条件以第四层黄褐色粉土夹粉质粘土为持力层,采用截面为450×450mm的预置钢筋混凝土方桩,桩尖进入持力层1.0m;镶入承台0.1m,桩长21.1 m。
承台底部埋深2.1 m。
2、确定单桩竖向承载力标准值Quk可根据经验公式估算:Quk= Qsk+ Qpk=µ∑qsikli+qpkApQ——单桩极限摩阻力标准值(kN)skQ——单桩极限端阻力标准值(kN)pku——桩的横断面周长(m)A——桩的横断面底面积(2m)pL——桩周各层土的厚度(m)iq——桩周第i层土的单位极限摩阻力标准值(a kP)sikq——桩底土的单位极限端阻力标准值(a kP)pk桩周长:µ=450×4=1800mm=1.8m桩横截面积:Ap=0.45²=0.2025㎡桩侧土极限摩擦力标准值qsik:查表得:用经验参数法:粉质粘土层:L I=0.95,取qsk=35kPa淤泥质粉质粘土:qsk=29kPa粉质粘土:L I=0.70,取qsk=55kPa桩端土极限承载力标准值qpk,查表得:qpk=2200 kPa用经验参数法求得Quk1=1.8×(35×8.0+29×12.0+1.0×55) +2200×0.2025=1674.9KN用静力触探法求得Quk2=1.8×(36×8.0+43×12.0+1.0×111) +1784.5×0.2025=2008.4KN3、确定单桩竖向承载力设计值R,并且确定桩数n和桩的布置先不考虑群桩效应,估算单桩竖向承载力设计值R为:R=Qsk/rs+Qpk/rpR——单桩竖向极限承载力设计值,kNQ——单桩总极限侧阻力力标准值,kNskQ——单桩总极限端阻力力标准值,kNpkγ——桩侧阻力分项抗力系数sγ——桩端阻力分项抗力系数p用经验参数法时:查表rs=rp=1.65R1=Qsk/rs+Qpk/rp=1229.4/1.65+445.5/1.65=1015.09KN 用静力触探法时:查表rs=rp=1.60R2=Qsk/rs+Qpk/rp=1647/1.60+361.4/1.60=1255.25KNRz=min(R1,R2)= 1015.09 KN四、桩数布置及承台设计根据设计资料,以轴线⑦为例。
【题1】某试验大厅柱下桩基,柱截面尺寸为mm mm 600400⨯,地质剖面示意图如图1所示,作用在基础顶面的荷载效应基本组合设计值为F = 2035kN ,M=330kN·m ,H = 55kN ,荷载效应标准组合设计值为F k =1565kN ,M k =254kN·m ,H k =42kN ,试设计桩基础。
表1 土的物理力学性质表注:各层土的平均内摩擦角020=ϕ图1 地质剖面示意图1. 确定桩的规格根据地质勘察资料,确定第4层粘土为桩端持力层。
采用钢筋混凝土预制桩,桩截面为方桩,为400mm ×400mm ,桩长为9米。
承台埋深1.7米 ,桩顶嵌入承台0.1米,则桩端进持力层2.4米。
初步确定承台尺寸为2.4m ×2.4m 。
2. 确定单桩竖向承载力标准值Q根据公式p pk isik pk sk uk A q l quQ Q Q +=+=∑=4×0.4(60×2.0+38×4.5+82×1.5)+2500×0.4×0.4=902.4KN 取=uk Q 902.4 kN3. 确定桩基竖向承载力设计值R 并确定桩数n 及其布置按照规范要求,d S a 3≥,取d S a 4=,c b =2m ,l =9m 故=lb c0.22查表得,=sp η0.97。
查表得,=sp γ 1.60先不考虑承台效应,估算基桩竖向承载力设计值R 为sp uk sp Q R γη== 1.60902.40.97 ⨯ =547.08 kN 桩基承台和承台以上土自重设计值为G =2.4×2.4×1.7×20=195.84 kN 粗估桩数n 为n =1.1×(F+G)/R=(1565+195.84)/ 547.08=3.22根 取桩数n =4 根,桩的平面布置为右图所示,承台面积为2.4m ×2.4m ,承台高度为 0.9m ,由于n > 3,应该考虑群桩效应和承台效应确定单桩承载力设计值R 由d S a =4 ;lB c=0.25 查表得 ic η=0.155 ,ec η=0.75 由ic A =4 m ²,ec A =2.4²-2²=1.76 m ²得c ecc e c i c i cc A A A A ηηη+==76.576.175.076.54155.0+=η=0.337由=k f 60,得==k ck f q 2120 kPa ,查表得=c γ 1.7,所以考虑承台底土的抗力为nA q Q Q Q R c cck cspukspcckcspukspγηγηγηγη+=+= =(0.97×902.4÷1.60)+(0.337×120×2.4×2.4)÷(4×1.7)=581.34kN 按桩的静载荷试验取R =581.34kN 根据经验公式得∑+=p pk i sik uk A q l q u Q=4×0.4(60×2.0+38×4.5+82×1.5)+2500×0.4×0.4=902.4KN这说明,按桩的静载荷试验取R =581.34 是合理的。
本工程中fak=1000kPa1、当d=1400D=1300时,N max =D 2×3.14×f a /4=1327.321775kN192.422388kN则N =N max -N 1=1134.899388kNQ=1327.321775kNA p ×f c ×Ψc =10991.16677kN所以Q <Ap×fc×Ψc3078.7582mm 2选用钢筋为:16φ16N=16φ=16As=3216.98816 2、当d=1100D=1400时,N max =D 2×3.14×f a /4=1539.3791kN118.791372kN则N =N max -N 1=1420.587728kNQ=1539.3791kNA p ×f c ×Ψc =6785.363162kN所以Q <Ap×fc×Ψc1900.66195mm 2选用钢筋为:13φ14N=13φ=14As=2001.19283 3、当d=1200D=1500时,N max =D 2×3.14×f a /4=1767.144375kN141.37155kN则N =N max -N 1=1625.772825kNQ=1767.144375kNA p ×f c ×Ψc =8075.142936kN所以Q <Ap×fc×Ψc钢筋根数 N 钢筋直径mm 面积 As=N*(Pi*φ^2/4)配筋满足要求假设每根桩长5m,那么桩身自重N1为桩基础计算书桩的承载力计算桩的承载力计算假设每根桩长5m,那么桩身自重N1为桩身强度验算桩身强度验算按构造配筋,最小配筋面积应为配筋满足要求满足规范要求钢筋直径mm 面积 As=N*(Pi*φ^2/4)满足规范要求桩的承载力计算假设每根桩长5m,那么桩身自重N1为桩身强度验算满足规范要求按构造配筋,最小配筋面积应为钢筋根数 N2261.9448mm 2选用钢筋为:15φ14N=15φ=14As=2309.06865 4、当d=1500D=1900时,N max =D 2×3.14×f a /4=2835.284975kN220.893047kN 则N =N max -N 1=2614.391928kNQ=2835.284975kNA p ×f c ×Ψc =12617.41084kN所以Q <Ap×fc×Ψc3534.28875mm 2选用钢筋为:18φ16N=18φ=16As=3619.11168 5、当d=1600D=2000时,N max =D 2×3.14×f a /4=3141.59kN251.3272kN 则N =N max -N 1=2890.2628kNQ=3141.59kNA p ×f c ×Ψc =14355.80966kN所以Q <Ap×fc×Ψc4021.2352mm 2选用钢筋为:21φ16N=21φ=16As=4222.29696桩身强度验算面积 As=N*(Pi*φ^2/4)配筋满足要求满足规范要求按构造配筋,最小配筋面积应为钢筋根数 N 钢筋直径mm 按构造配筋,最小配筋面积应为钢筋根数 N 假设每根桩长5m,那么桩身自重N1为桩身强度验算满足规范要求按构造配筋,最小配筋面积应为钢筋直径mm 桩的承载力计算假设每根桩长5m,那么桩身自重N1为面积 As=N*(Pi*φ^2/4)桩的承载力计算配筋满足要求钢筋根数 N 钢筋直径mm 面积 As=N*(Pi*φ^2/4)配筋满足要求。
一:设计资料1.地形拟建建筑场地地势平坦,局部堆有建筑垃圾2.工程地质条件自上而下土层一次如下:①号土层,素填土,层厚1.6m,稍湿,松散,承载力特征值f ak=98kPa②号土层,淤泥质土,层厚3.1m,流塑,承载力特征值f ak=69kPa③号土层,粉砂,层厚6.3m,稍密,承载力特征值f ak=115kPa④号土层,粉质黏土,层厚4.5m,湿,可塑,承载力特征值f ak=170kPa⑤号土层,粉砂层,层厚未击穿,中密-密实,承载力特征值f ak=285kPa3.岩土设计技术参数地基岩土物理力学参数如表1.1和表1.2所示。
表3.1 地基岩土物理力学参数表3.2 桩的极限侧阻力标准值q sik和极限端阻力标准值q pk4.水文地质条件(1)拟建场地地下水对混凝土结构无腐蚀性。
(2)地下水位深度:位于地表下3.5m。
5.上部结构资料拟建建筑物为6层钢筋混凝土框架结构,室外地坪标高同自然地面,室内外高差350mm,柱截面尺寸均为500mmX500mm,横向承重,柱网布置如图1.1所示。
图1.1 柱网布置图二.计算1.对题号1荷载计算荷载选取如下表近似取荷载效应基本组合值为标准组合值的1.35倍,荷载效应准永久组合值标准组合值的0.8倍。
(1)确定桩基竖向承载力设计值R根据地质勘察资料,确定第5层粉砂层为桩端持力层。
采用钢筋混凝土预制桩,桩截面为方桩,为400mm ×400mm ,桩长为11米。
承台埋深1.6米 ,则桩端进持力层1.6米。
按经验参数法确定单桩竖向承载力极限承载力标准值:240.428 3.1+46 6.3 1.6610.4920905.92uk sk pk sik i pk pQ Q Q q l q A KN=++⨯⨯⨯⨯⨯⨯∑=u =(+)+=905.92452.9622k a Qu R KN ===(2)确定桩数和承台尺寸①确定A 轴桩数和承台尺寸按照规范要求,桩中心距d S a 3≥,取3a S d =,承台尺寸 2.0cB m =,桩基承台和承台以上土自重设计值为G =2.0×2.0×1.6×20=128 kN 桩数n 为n =(F+G)/R=(1256+128)/ 452.96=3.06根取桩数n =4 根,桩的平面布置为右图所示,承台面积为2.0m ×2.0m 。
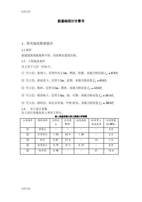
桩基础设计计算书1、研究地质勘察报告1.1地形拟建建筑场地地势平坦,局部堆有建筑垃圾。
1.2、工程地质条件 自上而下土层一次如下:① 号土层:素填土,层厚约为1.5m ,稍湿,松散,承载力特征值a ak KP f 95= ② 号土层:淤泥质土,层厚5.5m ,流塑,承载力特征值a ak KP f 65= ③ 号土层:粉砂,层厚3.2m ,稍密,承载力特征值a ak KP f 110=④ 号土层:粉质粘土,层厚5.8m ,湿,可塑,承载力特征值a ak KP f 165= ⑤ 号土层:粉砂层,钻孔未穿透,中密-密实,承载力特征值a ak KP f 280= 1.3、 岩土设计参数岩土设计参数如表1和表2所示。
表1地基承载力岩土物理力学参数表2桩的极限侧阻力标准值sk q 和极限端阻力标准值pk q 单位KPa1.4 水文地质条件⑴拟建场区地下水对混凝土结构无腐蚀性。
⑵地下水位深度:位于地表下4.5m 。
1.5 场地条件建筑物所处场地抗震设防烈度为7度,场地内无可液化沙土、粉土。
1.6 上部结构资料拟建建筑物为六层钢筋混凝土结构,长30m ,宽9.6m 。
室外地坪标高同自然地面,室内外高差450mm 。
柱截面尺寸均为400mm 400mm ,横向承重,柱网布置如图所示。
2. 选择桩型、桩端持力层 、承台埋深根据地质勘查资料,确定第⑤层粉砂层为桩端持力层。
采用钢筋混凝土预制桩,桩截面为方桩,400mm ×400mm 桩长为15.7m 。
桩顶嵌入承台70mm ,桩端进持力层1.2m 承台埋深为1.5m 。
3. 确定单桩竖向承载力3.1 确定单桩竖向承载力标准值Q根据静载力触探法公式:p pk i sik pk sk uk A q l q u Q Q Q +∑=+==4×0.4(×20×5.5+52×3.2+58×5.8+75×1.2)+2000×0.4×0.4 =1444.48 KN3.2 确定单桩竖向承载力设计值RaRa=K Q uk =248.1444=722.24 KN 式中安全系数K=24. 确定桩数n ,布置及承台尺寸4.1桩数n最大轴力标准值,KN F k 2280=初步估算桩数,由于柱子是偏心受压,考虑一定的系数,按规范取1.1~1.2。
10#楼桩基础计算书一、工程概况拟建场地位于河南省开封市西环路与东京大道交叉口北约1公里,原开封市福利院西侧,地貌单元为黄河冲积平原,地层主要由粉土、粉质粘土、粉细砂等组成,地基土均匀。
二、设计依据1、《建筑结构荷载规范》(GB 50009-2001)2006年版《建筑抗震设计规范》(GB 50011-2001)2008年版《建筑地基基础设计规范》(GB 50007-2002)《建筑地基处理技术规范》(JGJ 79-2002)《建筑桩基技术规范》(JGJ 94-2008)《高层建筑箱形与筏形基础技术规范》(JGJ 6-99)2、河南省有色工程勘察有限公司提供的《开封安联朗润园一期岩土工程勘察报告》(详堪阶段)(2010年04月18日)3、本工程的重要等级为二级,场地的复杂程度为二级场地(中等复杂场地),地基的复杂程度等级为二级地基(中等复杂地基),按照《建筑地基基础设计规范》,本工程地基基础设计等级为甲级。
三、计算过程1、10楼概况:地下一层,地上18层,计算荷载面积720m2,采用桩筏基础。
上部结构荷载标准值:285KN/m2筏板厚度取800mm :25x1=25 KN/m2上不结构荷载总值:310x720=223200KN2、本工程拟采用预应力混凝土管桩,选自国家建筑标准图集《预应力混凝土管桩》03SG409,暂取型号PHC-AB400(95)-25b,土层情况参见工程勘察报告(27~30,34~37号孔点),本工程单桩竖向承载力标准值采用《建筑桩基技术规范》JGJ94-2008提供的经验参数法,取第九层土为持力层。
岩土工程勘察报告提供预制桩设计参数见下表1表1注:Qsik为桩的极限侧阻力标准值Qpk为桩的极限端阻力标准值4、Quk=Qsk+Qpk=μ∑Qsik*Li+ Qpk*Ap=0.34*3.14*(45*0.4+60*2.5+50*6+54*3.5+3.5*70+1.7*75+8.4*80)+4000*3.14*0.2*0.2=2048KN安全系数K=2所以单桩竖向承载力特征值Ra取值为Ra= Quk/2=2048/2=1024KN5、本工程采用满堂布桩方式,所需桩数值为:N=223200/(1024-2.5*25)=232.5 取整为234颗本工程实际桩布置图见附图,总桩数为254颗,桩距为2000mm,为5倍桩径,满足规范及设计要求。
桩基础设计实例某城市中心区旧城改造工程中,拟建一幢18层框剪结构住宅楼。
场地地层稳定,典型地质剖面图及桩基计算指标见表8-5。
柱的矩形截面边长为400mm ×500mm ,相应于荷载效应标准组合时作用于柱底的荷载为:5840=k F kN ,180=xk M kN ·m ,550=yk M kN ·m ,120=xk H kN 。
承台混凝土强度等级取C30,配置HRB400级钢筋,试设计柱下独立承台桩基础。
表8-5 地质剖面与桩基计算指标解:(1)桩型的选择与桩长的确定人工挖孔桩:卵石以上无合适的持力层。
以卵石为持力层时,开挖深度达26m 以上,当地缺少施工经验,且地下水丰富,故不予采用。
沉管灌注桩:卵石层埋深超过26m ,现有施工机械难以沉管。
以粉质粘土作为持力层,单桩承载力仅240~340 kN ,对16层建筑物而言,必然布桩密度过大,无法采用。
对钻(冲)孔灌注桩,按当地经验,单位承载力的造价必然很高,且质量控制困难,场地污染严重,故不予采用。
经论证,决定采用PHC400-95-A (直径400mm 、壁厚95mm 、A 型预应力高强混凝土管桩),十字型桩尖。
由于该工程位于城市中心区,故采用静力法压桩。
初选承台埋深d =2m 。
桩顶嵌入承台0.05m ,桩底进入卵石层≥1.0m ,则总桩长L=0.05+1.0+10.4+3.5+9.3+1.0≈25.3m 。
(2)确定单桩竖向承载力 ①按地质报告参数预估∑+=i sia P p pa a L q u A q R()4596910.1803.9105.3304.1061254.044.055002+=⨯+⨯+⨯+⨯+⨯⨯⨯+⎪⎪⎭⎫⎝⎛⨯⨯=ππ =1150kN②按当地相同条件静载试验成果u Q 的范围值为2600 ~3000kN 之间,则 1500~13002/==u a Q R kN ,经分析比较,确定采用13502/==u a Q R kN 。
桩基础设计计算书柱下独立桩基,柱子的截面尺寸400600⨯()mm mm ⨯,该桩基的安全等级为二级,邻近较多的静载荷试验资料表明,单桩轴向受压承载力可以利用土性指标确定。
荷载效应基本组合情况下作用于承台顶面的竖向力设计值F=2480KN ,剪力设计值H=60KN ,力矩设计值M=350kN m •。
土层参数指标如下:○1填土,厚度1.5m ; ○2粉质粘土,厚度1.8m ,0.5,350,66L ck sk I q kPa q kPa ===; ○3-1粘土,厚度5.0m ,软塑,1121.0,0.8,36L sk I a MPa q kPa --===; ○3-2粘土,该土层为打穿,硬塑,0.25,82,2500L sk pk I q kPa q kPa ===。
试设计该桩基础。
(须考虑承台效应)需设计的主要参数指标:承台的埋置深度,桩端持力层,单桩承载力,承台下桩位布置及承台的平面尺寸,考虑承台效应的单桩承载力;须验算的指标:桩基竖向抗压承载力,承台的冲切、剪切、受弯和局部受压,单桩的水平承载力。
(1)承台埋深和桩端持力层的确定总和考虑土层资料及现场施工水平,拟选用混凝土预制桩,截面尺寸为300300mm mm ⨯,承台埋深1.5m ,即将其置于可塑状态的粉质粘土层上。
○3-1粘土呈软塑状态,且11120.80.5a MPa MPa ---=>,高压缩性土,不宜用作桩端持力层;○3-2粘土的厚度较大,呈硬塑状态,故以该土层作为桩端持力层。
桩端进入该层的深度取4 1.2d m =,这样承台底面以下桩长8l m =。
(2)估算所需桩数按估算,其中按式计算,先算出sk P 和pk P()40.366 1.836 5.082 1.2476.6sk ski iP U q l kN==⨯⨯+⨯+⨯=∑25000.30.3225.0pk pk p P q A kN ==⨯⨯=从《桩基规范》表5.2.2查得 1.63s p r r ==,故有476.6225.0425.21.65pk sk s p P P R kN r r +=+== 取 1.1,2480N kN μ==,则得24801.1 6.4425.2n =⨯= 取6n =,即采用6根桩。
桩基础课程设计计算书一、引言桩基础是土木工程中常用的一种基础形式,用于承受建筑物或其他结构的重力和水平力。
本文旨在通过桩基础课程设计计算书,对桩基础的设计和计算过程进行详细介绍。
二、桩基础设计原则1.选取合适的桩型:根据工程场地的地质条件和设计要求,选择适合的桩型,常见的桩型有钢筋混凝土灌注桩、预制桩和钢管桩等。
2.确定桩的数量和布置:根据建筑物或结构的荷载和地质条件,确定桩的数量和布置方式,以保证桩基础的稳定性和承载能力。
3.计算桩的承载力:根据桩的类型和地质条件,采用适当的计算方法计算桩的承载力,包括桩身承载力和桩端承载力。
4.考虑桩与土的相互作用:在桩基础设计中,需要考虑桩与土之间的相互作用,包括桩身的摩擦阻力和桩端的土的阻力等。
5.确定桩的长度和直径:根据桩的承载力和桩身的应力条件,确定桩的长度和直径,以满足设计要求。
三、桩基础设计计算书的内容1.工程概况:包括工程名称、地理位置、建设单位、设计单位等基本信息。
2.设计依据:包括国家相关标准、规范和技术要求等。
3.地质勘察报告摘要:根据地质勘察报告的结果,对地质条件进行简要描述。
4.荷载计算:根据建筑物或结构的荷载标准,计算垂直和水平荷载,包括永久荷载、活荷载和地震荷载等。
5.桩的类型和布置:根据地质条件和设计要求,确定桩的类型和布置方式。
6.桩身承载力计算:根据所选桩的类型和地质条件,计算桩身的承载力,包括桩身的摩擦阻力和桩身的承载力等。
7.桩端承载力计算:根据所选桩的类型和地质条件,计算桩端的承载力,包括桩端的土的阻力和桩端的承载力等。
8.桩的长度和直径计算:根据桩的承载力和桩身的应力条件,计算桩的长度和直径。
9.桩基础的稳定性分析:对桩基础的稳定性进行分析,包括桩身的稳定性和桩端的稳定性等。
10.施工及验收规范:根据国家相关标准和规范,列出桩基础施工的要求和验收标准。
四、桩基础设计计算书的编写要点1.准确性:设计计算书应准确描述桩基础的设计和计算过程,避免歧义或错误信息的出现。
土力学课程设计姓名:学号:班级:二级学院:指导老师:地基基础课程设计任务书[工程概况]某城市新区拟建一栋10层钢筋混凝土框架结构的办公楼,长24.0m ,宽9.6m ,其1-5轴的柱底荷载效应标准组合值如下所示。
建筑场地位于临街地块部·位,地势平坦,室外地坪标高同自然地面,室内外高差450mm 。
柱截面尺寸均为500mm ×500mm ,横向承重,柱网布置图如图1所示。
场地内地层层位稳定,场地地质剖面及桩基计算指标详见工程地质资料,如表1所示。
勘察期间测得地下水水位埋深为2.5m 。
地下水水质分析结果表明,本场地地下水无腐蚀性。
试按乙级条件设计柱下独立承台桩基础。
柱底荷载效应标准组合值1轴荷载:5417;85.m;60k k k F kN M kN V kN ===。
2轴荷载:5411;160.m;53k k k F kN M kN V kN ===。
3轴荷载:5120;88.m;63k k k F kN M kN V kN ===。
4轴荷载:5300;198.m;82k k k F kN M KN V kN ===。
5轴荷载:5268;140.m;60k k k F kN M kN V kN ===。
图1 框架结构柱网布置图(预制桩基础)--12土木1班工程概况某市新区钢筋混凝土框架结构的办公楼,长24.0米,柱距6米,宽9.6米,室内外地面高差0.45米。
柱截面500×500mm。
建筑场地地质条件见表1。
表1 建筑场地地质条件注:地下水位在天然地面下2.5米处目录地基基础课程设计任务书........................................................................................................ - 0 - 工程概况.................................................................................................................................... - 1 -1.设计资料................................................................................................................................. - 3 -2.选择桩型与桩端持力层、确定桩长和承台埋深................................................................. - 3 -3.确定单桩极限承载力标准值................................................................................................. - 4 -4.确定桩数和承台尺寸............................................................................................................. - 5 -5.桩顶作用效应验算................................................................................................................. - 5 -6.桩基础沉降验算..................................................................................................................... - 6 -6.1 求基底压力和基底附加压力..................................................................................... - 6 -6.2 确定沉降计算深度..................................................................................................... - 6 -6.3 沉降计算..................................................................................................................... - 6 -6.4 确定沉降经验系数..................................................................................................... - 7 - 8 承台设计计算........................................................................................................................ - 9 -8.1承台受冲切承载力验算.............................................................................................. - 9 -8.1.1.柱边冲切........................................................................................................... - 9 -8.1.2角桩向上冲切................................................................................................. - 10 -8.2承台受剪承载力计算................................................................................................ - 10 -8.3承台受弯承载力计算.................................................................................................- 11 - 参考文献...................................................................................................................................- 11 -桩基础课程设计计算书1.设计资料由上结构传至桩基的最大荷载设计值为:N=5268kN ,M=140 kN·m ,V=60kN表1 建筑场地地质条件2.选择桩型与桩端持力层、确定桩长和承台埋深根据表1地质条件,以粉砂土层为桩尖持力层,采用预制混凝土方桩,桩长L=20m ,截面尺寸为500mm 500mm ,桩尖进入粉砂土层为2m 。
桩基础课程设计计算书土力学课程设计姓名:学号:班级:二级学院:指导老师:地基基础课程设计任务书[工程概况]某城市新区拟建一栋10层钢筋混凝土框架结构的办公楼,长24.0m ,宽9.6m ,其1-5轴的柱底荷载效应标准组合值如下所示。
建筑场地位于临街地块部·位,地势平坦,室外地坪标高同自然地面,室内外高差450mm 。
柱截面尺寸均为500mm ×500mm ,横向承重,柱网布置图如图1所示。
场地内地层层位稳定,场地地质剖面及桩基计算指标详见工程地质资料,如表1所示。
勘察期间测得地下水水位埋深为2.5m 。
地下水水质分析结果表明,本场地地下水无腐蚀性。
试按乙级条件设计柱下独立承台桩基础。
柱底荷载效应标准组合值1轴荷载:5417;85.m;60k k k F kN M kN V kN ===。
2轴荷载:5411;160.m;53k k k F kN M kN V kN ===。
3轴荷载:5120;88.m;63k k k F kN M kN V kN ===。
4轴荷载:5300;198.m;82k k k F kN M KN V kN ===。
5轴荷载:5268;140.m;60k k k F kN M kN V kN ===。
图1 框架结构柱网布置图(预制桩基础)--12土木1班工程概况某市新区钢筋混凝土框架结构的办公楼,长24.0米,柱距6米,宽9.6米,室内外地面高差0.45米。
柱截面500×500mm。
建筑场地地质条件见表1。
表1 建筑场地地质条件注:地下水位在天然地面下2.5米处目录地基基础课程设计任务书........................................................................................................ - 0 - 工程概况.................................................................................................................................... - 1 -1.设计资料................................................................................................................................. - 3 -2.选择桩型与桩端持力层、确定桩长和承台埋深................................................................. - 3 -3.确定单桩极限承载力标准值................................................................................................. - 4 -4.确定桩数和承台尺寸............................................................................................................. - 5 -5.桩顶作用效应验算................................................................................................................. - 6 -6.桩基础沉降验算..................................................................................................................... - 7 -6.1 求基底压力和基底附加压力 ............................................................................... - 7 -6.2 确定沉降计算深度 ............................................................................................... - 7 -6.3 沉降计算 ............................................................................................................... - 7 -6.4 确定沉降经验系数 ............................................................................................... - 8 - 8 承台设计计算...................................................................................................................... - 10 -8.1承台受冲切承载力验算 ...................................................................................... - 10 -8.1.1.柱边冲切 .............................................................................................. - 10 -8.1.2角桩向上冲切....................................................................................... - 11 -8.2承台受剪承载力计算 .......................................................................................... - 12 -8.3承台受弯承载力计算 .......................................................................................... - 12 - 参考文献.................................................................................................................................. - 13 -桩基础课程设计计算书1.设计资料由上结构传至桩基的最大荷载设计值为:N=5268kN ,M=140 kN·m ,V=60kN表1 建筑场地地质条件2.选择桩型与桩端持力层、确定桩长和承台埋深根据表1地质条件,以粉砂土层为桩尖持力层,采用预制混凝土方桩,桩长L=20m ,截面尺寸为500mm 500mm ,桩尖进入粉砂土层为2m 。
(完整版)桩基础计算书桩基础计算报告书计算⼈校对⼈:审核⼈:计算⼯具:PKPM软件开发单位:中国建筑科学研究院设计单位:灌注桩计算说明书1.⽀架计算组件钢结构⽀架要在37m/s(基本风压0.85KN/m2)的风载作⽤下正常使⽤,应使其主要构件满⾜强度要求、稳定性要求,即横梁、斜梁、斜撑、拉杆、⽴柱在风载作⽤下不失稳且⽴柱弯曲强度满⾜要求。
组件⾃重19.5kg。
⽀架计算最⼤柱底反⼒:Fx max=5.6KN,Fy max=0.9KN,Fz max=12.1KNFx min= -6.9KN, Fy min= -0.9KN,Fz min= -7.29KN2.灌注桩设计2.1基桩设计参数成桩⼯艺: ⼲作业钻孔桩承载⼒设计参数取值: 根据建筑桩基规范查表孔⼝标⾼0.00 m桩顶标⾼0.30 m桩⾝设计直径: d = 0.25m桩⾝长度: l = 1.60 m根据《建筑地基基础设计规范》GB50007-2011,设计使⽤年限不少于50年时,灌注桩的混凝⼟强度不应低于C25;所以本次设计中混凝⼟强度选⽤C25。
灌注桩纵向钢筋的配置为3跟根Ф6,箍筋采⽤Ф4钢筋,箍筋间距选择300~400。
2.2岩⼟设计参数2.3设计依据《建筑桩基技术规范》(JGJ 94-2008) 以下简称桩基规范《建筑地基基础设计规范》GB50007-2011 《混凝⼟结构设计规范》GB50010-2010 《建筑结构载荷规范》GB50009-2012 《钢结构设计规范》GB50017-2003《混凝⼟结构⼯程施⼯质量验收规范》GB50204-2002(2011年版)《钢结构⼯程施⼯质量验收规范》GB50205-2001 2.4单桩竖向承载⼒估算当根据⼟的物理指标与承载⼒参数之间的经验关系确定单桩竖向极限承载⼒标准值时,宜按下式估算:式中——桩侧第i 层⼟的极限阻⼒标准值,按JGJ94-2008中表5.3.5-1取值,吐鲁番当地⼟质为⾓砾,属中密-密实状⼟层,查表得出⼲作业钻孔桩的极限侧阻⼒标准值为135~150;——极限端阻⼒标准值,按JGJ94-2008中表5.3.5-2取值,吐鲁番当地⼟质为⾓砾,属中密-密实状⼟层,查表得出⼲作业钻孔桩的极限端阻⼒标准值为4000~5500;µ——桩⾝周长; ——桩周第i 层⼟的厚度; ——桩端⾯积。
某住宅楼桩基础设计计算书一、工程概况本住宅楼位于_____,总建筑面积为_____平方米,地上_____层,地下_____层。
结构形式为_____,基础采用桩基础。
建筑物的安全等级为_____级,抗震设防烈度为_____度。
二、地质条件根据地质勘察报告,场地土层分布情况如下:1、第一层:填土,厚度约_____米,承载力特征值为_____kPa。
2、第二层:粉质黏土,厚度约_____米,承载力特征值为_____kPa。
3、第三层:粉砂,厚度约_____米,承载力特征值为_____kPa。
4、第四层:中砂,厚度约_____米,承载力特征值为_____kPa。
地下水水位埋深约_____米。
三、桩型选择综合考虑工程地质条件、建筑物荷载、施工条件等因素,本工程选用_____桩型。
该桩型具有承载力高、施工方便等优点。
四、单桩竖向承载力计算1、根据《建筑桩基技术规范》(JGJ 94 2008),单桩竖向极限承载力标准值按下式计算:Quk = Qsk + Qpk其中,Qsk 为总极限侧阻力标准值;Qpk 为总极限端阻力标准值。
2、总极限侧阻力标准值 Qsk 计算:Qsk =∑uqsikli式中,u 为桩身周长;qsik 为第 i 层土的极限侧阻力标准值;li 为第i 层土的厚度。
3、总极限端阻力标准值 Qpk 计算:Qpk = qpkAp式中,qpk 为极限端阻力标准值;Ap 为桩端面积。
通过计算,单桩竖向极限承载力标准值 Quk 为_____kN。
五、桩数确定1、建筑物的总竖向荷载标准值为_____kN。
2、考虑一定的安全系数,单桩竖向承载力特征值Ra =Quk /K,其中 K 为安全系数,取_____。
3、桩数n =建筑物总竖向荷载标准值/单桩竖向承载力特征值,计算得桩数 n 为_____根。
六、桩的布置桩在基础平面内呈_____布置,桩间距满足规范要求。
七、桩身结构设计1、桩身混凝土强度等级选用_____,根据规范要求,计算桩身承载力。