3D显示技术原理及发展(比较全面)
- 格式:pptx
- 大小:10.56 MB
- 文档页数:40
3D技术原理及发展状况和前景3D技术是指通过计算机技术、图像处理技术和各种显示技术,将现实世界中的物体或场景以立体的方式呈现给用户的一种技术。
它可以让用户感受到真实世界的深度和立体感,给人们带来更加沉浸式的视觉体验。
3D技术的原理主要是通过计算机生成的三维模型和图像处理的算法,结合不同的显示技术,如立体显示技术和3D眼镜等,将物体的立体信息呈现出来。
近年来,3D技术得到了快速发展和广泛应用,主要表现在以下几个方面:首先,3D技术在电影和游戏领域得到了广泛应用。
通过3D技术,电影和游戏可以给用户带来更加逼真的视觉感受,增加视觉冲击力和沉浸感。
例如,许多电影都会采用3D版本进行放映,在观众眼中呈现出更加真实和立体的画面效果。
同时,游戏领域也出现了许多使用3D技术的游戏,使玩家可以在游戏中获得更加真实的体验。
其次,3D技术在虚拟现实(VR)和增强现实(AR)领域的应用越来越广泛。
通过使用VR设备或AR眼镜,用户可以进入一个虚拟的世界或者在现实世界中叠加虚拟内容,从而实现更加真实的沉浸式体验。
这种技术在游戏、教育、医疗和设计等领域都有很大的应用潜力。
另外,3D技术也在制造业和建筑领域得到了广泛的应用。
通过使用3D打印技术,可以将设计师的三维模型直接打印出来,加快产品的开发和制造过程。
同时,建筑师可以使用3D建模软件来设计建筑物,并通过虚拟现实技术来展示给客户,帮助客户更好地理解和决策。
未来,3D技术有着广阔的发展前景。
随着计算机计算和图像处理能力的不断提高,3D技术的应用范围将会越来越广泛。
在娱乐领域,3D技术将会进一步提升电影和游戏的观影体验,让观众更加沉浸其中。
在教育领域,通过使用3D技术,学生可以更加直观地学习和理解各种知识。
在医疗领域,3D技术可以帮助医生更好地进行手术操作和疾病诊断。
总结起来,3D技术在不同领域得到了广泛应用,并且在不断发展和完善。
随着技术的进一步推动和创新,相信3D技术的应用将会更加广泛,给人们带来更加丰富和真实的体验。
3D技术原理及发展状况和前景1 3D技术起源及原理人眼产生3D视觉的秘密——偏光原理:人眼在看任何物体时,由于两只眼睛在空间有一定间距约为5cm,即存在两个视角。
这样形成左右两眼所看的图像不完全一样,称为视差。
这种细微的视差通过视网膜传递到大脑里,就能显示出物体的前后远近,产生强烈的立体感。
这是1839年,英国科学家温斯特发现的一个奇妙的现象,至今为止几乎任何3D 影像技术都是基于这个原理开发的。
2 3D技术发展状况2.1 3D成像技术种类3D成像技术有很多种,分为不闪式3D技术、互补色技术、时分法技术、光栅式技术、普式技术、全息式技术等。
而其中以时分法为当今所广泛应用,而不闪式技术和互补色技术也有着较为广泛的应用。
为了方便说明我们用互补色技术解释立体电影的形成(光的三原色原理——红、绿、兰)⑴互补色技术是目前比较多电影院采用的技术,依据人眼的成像原理,以两台摄影机模拟人眼左右眼所成的像。
再在放映过程中使用两台放映机它将不同视角上的成像用不同的颜色印刻1/ 7在同一副画面下,互补色3D眼镜采用的技术也就是色分法,色分法会将两个不同视角上拍摄的影像分别以两种不同的颜色印制在同一副画面中。
如果在这样的情况下,我们直接利用肉眼去观看红蓝、红绿等多种模式类的电影,就会出现模糊的重影图像。
这样我们就无法观看到红蓝、红绿等多种模式类的电影的立体效果。
再让用户通过红蓝立体镜片来观看到立体效果。
由于技术成熟而且眼镜造价相对低廉,所以广为当今的电影院所接受。
⑵时分法即是(快门法)通过提高屏幕刷新率把图像按帧一分為二,形成左右眼连续交错显示的两组画面,通过快门式3D 眼镜的配合,使得这两组画面分别进入左右双眼,最终在大脑中合成3D立体图像。
计算机可以用显卡将普通2D影像生成3D效果,成为未来用户接触3D视觉的主流设备。
它也包括红蓝色分法,但这只是为了让不具备硬件条件的用户也能体验3D视觉的次级方案,它主要是利用快门原理的时分法技术。
3d显示基本原理-回复3D显示基本原理是指在显示设备上呈现立体画面的技术原理。
它通过模拟人眼对物体的视觉感知,使观看者能够感受到深度和立体感。
本文将一步一步解释3D显示的基本原理,从产生3D景象的原始数据开始,到最终在显示设备上呈现真实感的3D画面。
首先,产生3D景象的原始数据是一张具有深度信息的图像或视频。
深度信息可以通过多种方式获取,如使用双目摄像头获取场景的深度图像,或者使用激光扫描仪来获取场景的三维点云数据。
这些深度数据可以告诉我们不同点在场景中的距离,并且用于后续的3D处理。
接下来,图像或视频数据会进入3D渲染引擎。
这个引擎负责将二维数据转换为适合3D显示的格式。
它会使用场景的深度信息以及其他的图像处理技术,如纹理映射和光照模型,来计算每个像素的物体在场景中的位置和亮度。
这个处理过程叫做渲染,它的目标是生成逼真的3D画面。
在渲染完成后,3D图像需要经过投影变换。
这个变换模拟了人眼对物体的视角和透视感知。
投影变换将渲染后的图像从三维空间转换为二维平面上的透视投影。
这个过程包括放大或缩小特定的物体、压缩远处的物体以及调整投射的角度和位置。
通过投影变换,3D图像可以在显示设备上看起来具有深度和逼真感。
在投影变换之后,3D图像将进入立体显示设备。
立体显示设备可以采用不同的技术来呈现立体画面,如立体投影、自动视差屏幕或者立体眼镜。
其中最常见的是立体眼镜技术,它通过控制每个眼睛看到的图像不同来模拟人眼的视差效果。
这样,观看者的左眼和右眼会看到不同的图像,产生深度感知和立体效果。
最后,观看者佩戴眼镜后,左眼和右眼分别接收到不同的图像。
这些图像通过视觉系统处理和合成后,将给人一种存在深度的感觉。
观看者会感到图像中的物体跳出屏幕,或者具有一定的远近关系。
这种深度感知是通过模拟人眼的双眼视差来实现的。
总结起来,3D显示基本原理是通过产生具有深度信息的原始数据、使用3D渲染引擎生成逼真的3D画面、投影变换模拟视角和透视感知、采用立体显示设备模拟人眼的视差效果,最终使观看者可以感受到立体和深度效果。
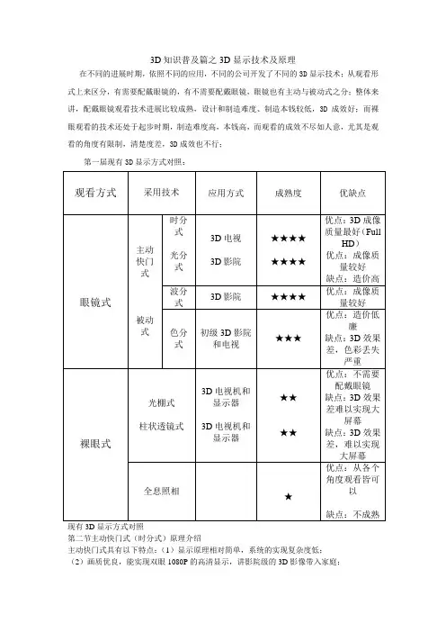
3D知识普及篇之3D显示技术及原理在不同的进展时期,依照不同的应用,不同的公司开发了不同的3D显示技术;从观看形式上来区分,有需要配戴眼镜的,有不需要配戴眼镜,眼镜也有主动与被动式之分;整体来讲,配戴眼镜观看技术进展比较成熟,设计和制造难度、制造本钱较低,3D成效好;而裸眼观看的技术还处于起步时期,制造难度高,本钱高,而观看的成效不尽如人意,尤其是观看的角度有限制,清楚度差,3D成效也不行;第一届现有3D显示方式对照:第二节主动快门式(时分式)原理介绍主动快门式具有以下特点:(1)显示原理相对简单,系统的实现复杂度低;(2)画质优良,能实现双眼1080P的高清显示,讲影院级的3D影像带入家庭;(3)本钱低,由2D升级到3D的要紧工作集中在驱动电路的升级,和有限的额外眼镜本钱;由于主动快门式3D显示的上述特点,当前主流的3D电视厂家纷纷采纳这种技术,如:Pana-sonic,Sony,Samsung等;另外也有3D影院系统采纳这种技术,如:XPAND;美中不足,这种技术要求观众佩带眼镜,稍有不便。
第三节光分式原理介绍“光分式”也被称为“偏振式”。
顾名思义,中技术利用了偏振光的特点。
光波咱们明白,光波是一种横波(震动方向垂直于传播方向),是由与传播方向垂直的电场和磁场交替转换的震动形成的。
咱们通常将其电场的振动方向称为光波的震动方向,自然光在各个方向上的震动是均匀的,因此被称为非偏振光。
若是一束光在任意一个特定的时刻只在一个特定的方向上振动,那么这束光确实是偏振光。
自然光偏振光能够通过偏振镜取得,偏振镜确实是一个栅栏,其具有振动方向。
当一束自然光通过偏振镜时,偏振镜指挥这一束自然光中与其振动方向一直的一部份通过,而其他不一致的部份都会被过滤掉。
圆偏振光振动方向而当一束偏振光通过偏振镜时,若是这束偏振光的振动方向与偏振镜的振动偏振光振动方向一致,这束偏振光那么全数许诺通过;反之,若是这束偏振光的振动方向与偏振镜的方向不一致,这束偏振光那么全数被过滤掉。
一、3D显示技术原理简介3D 技术原理分类1立体图像对技术:原理:先产生场景的两个视图或多个视图,然后用某种机制(如佩戴眼镜)将不同视图分别传送给左右眼,确保每只眼睛只看到对应的视图而看不到其他视图,从而产生立体视觉。
这种技术的本质只是在空间中产生两张或多张平面图像,通过“欺骗”人眼视觉系统而立体成像,会使人眼产生矛盾的晶状体焦距调节和视线汇聚调节,长时间观看会产生视觉疲劳。
目前市面上的3D显示技术都属于立体图像对技术范畴。
2体显示技术:此种技术是在物理上显示了三个维度,能在空间中产生真正的3D效果。
成像物体就像在空间中真实存在,观察者能看到科幻电影中一般“悬浮”在半空中的3D透视图像。
从数字图像处理技术来说,平面图像对应了二维数组,每个元素被称为像素;而三维图像对应三维数组,每个元素被称为体素。
体显示技术正是在空间中表现了这个三维数组。
3全息技术:全息技术是利用光波的干涉和衍射原理记录并再现物体的真实感的一种成像技术。
全息技术再现的图像立体感强,具有真实的视觉效应。
除用光波产生全息图外,现在已发展到可用计算机产生全息图,然而需要的计算量极其巨大。
全息术应该是3D显示的终极解决方案,但目前还有很多技术问题有待解决,短期内难有成熟产品量产。
图片中的女士即全息虚拟影像二、眼镜式3D技术1色差式最早出现3D显示技术就是色差式,从技术层面上来看也是最为初级的一种3D效果显示方法,这种3D显示的辅助设备只需购买一付红青(红淡蓝)色差眼镜就可以了。
成本也最为低廉。
色差式3D显示可以称为分色立体成像技术,是用两台不同视角上拍摄的影像分别以两种不同的颜色印制在同一副画面中。
用肉眼观看的话会呈现模糊的重影图像,只有通过对应的红蓝等立体眼镜才可以看到立体效果,就是对色彩进行红色和蓝色的过滤,红色的影像通过红色镜片蓝色通过蓝色镜片,两只眼睛看到的不同影像在大脑中重叠呈现出3D立体效果。
缺点:显示效果有限,3D效果体验不足但是其低廉的成本却使很多财力有限的3D影片爱好者选择他的一个主要原因。
3d显示屏原理3D显示屏原理引言:在现代科技发展的今天,3D显示技术已经逐渐成为人们生活中不可或缺的一部分。
无论是电影院还是电视机,我们都可以看到栩栩如生的3D影像。
那么,3D显示屏背后的原理是什么呢?一、3D显示屏的基本原理3D显示屏的基本原理是通过在屏幕上投射出两个不同的图像,让人眼产生立体感。
这需要借助于特殊的技术和装置来实现。
二、立体成像原理立体成像是3D显示屏最核心的部分,它是实现立体感的关键。
立体成像原理主要有两种:主动式和被动式。
1. 主动式立体成像原理主动式立体成像利用特殊的眼镜,通过快速切换屏幕上两个不同图像的显示,使每只眼睛只能看到其中一个图像。
在眼镜上有一个快速切换的装置,配合屏幕上的两个图像切换,以达到立体效果。
常见的主动式3D显示技术有LCD分屏和快速液晶切换技术。
2. 被动式立体成像原理被动式立体成像主要是利用特殊的滤光器,将屏幕上的两个图像分别投射到左右眼上。
被动式3D显示技术主要有偏振光技术和交错扫描技术。
其中,偏振光技术是通过屏幕上的特殊偏振滤光器,将左右眼的图像分别偏振,再通过佩戴特殊的偏振眼镜,使每只眼睛只能看到对应偏振方向的图像,从而产生立体效果。
交错扫描技术则是通过屏幕上的特殊线条或格子结构,将左右眼的图像分别交错显示,再通过佩戴特殊的眼镜,使每只眼睛只能看到对应的图像,从而产生立体效果。
三、3D显示屏的应用3D显示屏的应用非常广泛,在电影院、电视机、游戏设备等等领域都有涉及。
1. 电影院在电影院中,3D显示屏可以给观众带来更加真实的观影体验。
观众可以通过佩戴特殊的3D眼镜,享受到电影中栩栩如生的立体画面和身临其境的感觉。
2. 电视机3D显示技术已经逐渐应用到家庭电视机上。
通过佩戴3D眼镜,观众可以在家中享受到电影院般的3D观影体验,更加真实地感受到影像的立体效果。
3. 游戏设备游戏设备中的3D显示屏可以让玩家更加沉浸在游戏世界中。
玩家可以透过屏幕看到游戏中真实的立体画面,增强游戏的乐趣和体验感。
3D显示技术及原理目前,主流的3D显示技术主要包括以下几种:活动式立体显示技术(Active Stereo Display)、自动立体显示技术(Autostereoscopic Display)、延迟立体显示技术(Lenticular Display)、亮点调制立体显示技术(Parallax Barrier Display)和体感互动立体显示技术(Interactive Stereoscopic Display)。
下面对这几种技术进行详细介绍。
活动式立体显示技术是通过佩戴一副特殊的眼镜实现的。
这种眼镜通过活动式的方式,在用户的左右眼分别显示不同的图像,从而使得用户产生立体感。
这种技术的优点是成本相对较低,缺点是需要佩戴特定的眼镜才能够获得立体效果。
自动立体显示技术是一种无需佩戴额外设备就能够获得立体效果的技术。
这种技术利用了视差(parallax)原理,通过在屏幕上显示不同深度的图像,使得观众在不同角度观看时能够看到不同的图像。
这种技术的优点是使用方便,不需要额外设备,缺点是视角受限,仅适合单个观众使用。
延迟立体显示技术是通过在屏幕前方放置特殊的透镜来实现的。
这种透镜可以将左右眼的图像进行分隔,并且能够根据观众的位置调整透镜的倾斜程度,从而使得观众在不同位置观看时能够看到不同的图像。
这种技术的优点是观看角度较大,缺点是视角范围内存在图像的失真。
亮点调制立体显示技术是通过在屏幕上放置像素级的透镜来实现的。
这种透镜能够根据左右眼的视点位置调整透镜的透光率,从而使得观众的左右眼看到不同的图像。
这种技术的优点是图像清晰度高,缺点是成本较高,且需要较高的分辨率支持。
体感互动立体显示技术是将3D显示技术与体感技术相结合的一种显示技术。
这种技术通过传感器等设备获取观众的体感数据,根据观众的动作姿态来调整显示的立体图像,从而使得观众能够实现虚拟世界中的互动体验。
这种技术的优点是增强了用户的沉浸感和参与感,缺点是设备复杂且成本较高。
3D显示技术原理及前景摘要:本文将从目前市面上的3D显示技术出发,阐明3D 显示的各种原理和优缺点,同时介绍涉及关于3D 输入和显示方面的知识,例如HDMI 1.4A 规范中增加的3D 视频规格,以及3D 终端显示方面的知识,例如120Hz 和240Hz 屏的3D 处理、mini-LVDS、V-by-One、Internal DisplayPort (iDP™)等技术。
关键词:3D display;3D video Format; Blue-Ray 3D;HDMI 1.4a 3D Video;DisplayPort 1.2; V-by-One® HS Standard version 1.3 ; Internal DisplayPort (iDP™)。
3D显示技术原理1、色差式3D 立体成像色差式 3D 历史最为悠久,成像原理简单,实现成本低廉,但是3D 画面效果也是最差的,需要配合色差式3D 眼镜才能看到3D 效果。
色差式3D先由旋转的滤光轮分出光谱信息,使用不同颜色的滤光片进行画面滤光,使得一个图片能产生出两幅图像,人的每只眼睛都看见不同的图像。
目前我们较为最常见的滤光片颜色通常是红蓝,红绿,或者红青,目前采用这种技术的影院已经越来越少了,毕竟跟不上用户体验度的需求。
优点:技术难度低,成本低廉。
缺点:3D 画质效果不理想,图像和画面边缘容易偏色。
2、快门式3D 技术快门式3D 技术,使用一付主动式LCD 快门眼镜,交替开关左眼和右眼,让左右眼看到的两幅图像在我们的大脑中融合成一体来实现,从而产生单幅图像的3D 深度感。
目前三星、LG 、SONY等国际大厂所推出的3D 电视主要使用的就是这种3D 显示技术。
在PC 领域的NVIDIA 的3D stereo、在投影领域的德州仪器的DLP Link,XPAND 3D 系统也都是属于快门式3D 技术。
快门式3D 技术的原理是根据人眼对影像频率的刷新时间来实现的,通过提高画面的快速刷新率(至少要达到120Hz),左眼和右眼个60Hz 的快速刷新图象才会让人对图象不会产生抖动感,并且保持与2D 视像相同的帧数,观众的两只眼睛看到快速切换的不同画面,并且在大脑中产生错觉,便观看到立体影像。
3D显示技术的原理及其在LED显示屏上的具体运用阐述摘要:现代化科学技术发展背景下,3D显示技术逐渐发展,在各行各业中大的广泛推广和应用。
3D显示技术在LED显示屏上的有效性应用,可以显示出更高质量的3D图像,增加其整体性价比。
本文主要对3D显示技术的立体原理以及在LED显示屏上的应用路径进行探究,旨在进一步提升3D显示技术水平,使其在更广范围内进行使用。
关键词:3D显示技术立体原理 LED显示屏具体运用3D显示技术起源于上世纪末,随着科学技术的逐渐,其技术水平日渐提升,在投影设备、电视设备中得到广泛应用。
LED显示屏主要是利用图像显示设备呈现图像,其主要是三基色发光二级管构成,呈现的图像较为清晰,而且亮度较高,色彩鲜艳,可以在不同清晰度图像之间自由切换,在户外显示、舞台背景中广泛应用,提高了观看者的视觉体验。
[1]3D显示技术在LED显示屏中的合理应用,可以有效提升其图像质量,并让观众体验3D效果,促进其技术水平的全面性提升。
一、立体原理3D显示技术在LED显示屏上的使用,主要是通过左右眼、120Hz的方式进行处理。
其中左右眼是通过光栅处理实现,即通过视差障碍原理,使得LED显示屏上的影像仪交互排列的方式呈现,之后通过细长的纵列光栅后,能够利用左右眼达到观看目的。
视差障碍器会将左右眼中的纵向影像进行分离,因此左眼与右眼中捕捉的影像存在一定的偏离效果,从而在人大脑中形成立体三维图像。
光栅方法在LED显示屏上处理问题较大,其显示器主要是利用双视点技术,会降低LED显示屏的水平像素,甚至会加大应用成本;120Hz刷新率显示器主要是通过时间域调制技术基础上对3D显示技术进行使用,显示屏上的显示图像刷新频率存在一定的差异性,从而使左右眼画面轮流交替的在屏幕上显示,并在液晶眼镜开关形成的时间差的作用下,能够让左眼与右眼交替观看。
在此环节中,液晶眼镜与视频图像同步切换,每秒切换120帧,在人眼视觉存在一定的残留特性,左右眼看到的图像能够自动合成,形成3D立体显示效果。
3D立体显示技术的发展与应用一、引言立体显示技术是当今科技领域一个备受关注的热门话题。
随着人们对视觉体验的不断追求,立体显示技术正在以前所未有的速度迅猛发展。
本文将探讨3D立体显示技术的发展与应用,从技术原理、发展历程、应用场景等多个方面进行剖析。
二、技术原理3D立体显示技术是指通过特定的成像方式,使观看者感受到画面具有深度和逼真感。
目前,主要的3D显示技术包括立体影像显示、全息成像技术和体感交互技术。
立体影像显示是通过左右眼看到不同角度的图像来产生立体效果,全息成像技术则是通过载体上的全息图来还原真实物体的立体影像,体感交互技术则是通过利用人体动作或手势来进行3D空间内的交互。
三、发展历程3D立体显示技术的发展历程可以追溯到上世纪四十年代,当时科学家开始尝试用不同角度的图像来生成立体效果。
之后,立体眼镜的问世进一步促进了3D立体显示技术的发展。
随着计算机技术的快速进步,3D立体显示技术也得到了长足发展。
近年来,随着虚拟现实技术和增强现实技术的崛起,3D立体显示技术的应用领域进一步拓宽。
四、应用场景1. 娱乐领域:3D立体显示技术在电影、游戏等娱乐领域有着广泛的应用。
通过观影者戴上特殊的3D眼镜,就可以在电影院里体验到身临其境的视觉效果。
同时,游戏开发商也将3D立体显示技术引入到游戏中,提升玩家的沉浸感和参与感。
2. 医疗领域:在医疗诊断和手术操作中,3D立体显示技术也发挥着巨大的作用。
医生可以通过观看3D立体影像,更加清晰地了解病情,为患者提供更准确的诊断和治疗。
此外,一些复杂的手术操作也可以利用3D立体显示技术来进行模拟和指导。
3. 教育领域:3D立体显示技术在教育领域的应用也日益增多。
通过在教室中安装3D立体显示设备,教师可以实时呈现3D立体影像,让学生能够更加直观地理解和学习知识。
这种互动式的教学方法能够激发学生的学习兴趣,提高教学效果。
4. 工程设计领域:在工程设计和建筑设计中,3D立体显示技术也发挥着重要作用。
3D立体显示技术的发展与应用随着科技的不断进步,3D立体显示技术在近年来迅速发展并得到广泛应用。
本文将从技术发展、应用领域以及未来展望三个方面探讨3D立体显示技术的发展与应用。
一、技术发展3D立体显示技术的发展可以追溯到几十年前。
最初的3D技术是基于红蓝眼镜的原理,将两幅不同颜色的图像分别给左右眼观看,通过不同颜色的滤光片将对应的图像过滤出来,使得人眼产生立体的错觉。
然而,这种技术很容易导致观看者眼部疲劳,并且图像效果也不够清晰。
随着技术的进步,全息投影技术成为了新的研究重点。
全息投影技术利用激光光束在光敏材料上记录并再现物体三维信息,从而实现真正的三维效果。
这项技术在军事、医学以及教育等领域得到广泛应用,例如在医学中,全息投影可以帮助医生更好地观察病变组织,从而提高诊断效果。
另外,眼球跟踪技术也是3D立体显示技术的重要发展方向之一。
通过感知观看者眼球的位置和方向,系统可以调整图像的投射方向,使得观看者在不同角度下也能获得立体效果。
这种技术被广泛应用于游戏、虚拟现实等领域,提供了更加沉浸式的体验。
二、应用领域3D立体显示技术的应用领域非常广泛。
首先,电影和电视行业是3D显示技术最为常见的应用领域之一。
如今,许多影院都提供3D影片的放映,观众可以通过戴上特制的眼镜享受更加逼真的观影体验。
同时,许多电视制造商也推出了3D电视,观众可以在家中观看3D内容。
此外,3D立体显示技术还在教育和培训领域发挥重要作用。
通过3D投影仪或者虚拟现实设备,教师可以将生动的三维模型投影到课堂上,帮助学生更好地理解抽象的概念。
在培训中,3D立体显示技术可以模拟现实环境,提供更真实的训练体验,例如在飞行模拟器中,飞行员可以进行虚拟飞行培训。
除此之外,工业设计、建筑和医疗等领域也广泛应用3D立体显示技术。
工业设计师可以使用3D打印技术将设计图像转化为真实的产品模型,提高设计效率。
在建筑领域,通过使用3D建模软件和虚拟现实技术,建筑师可以更好地展示设计方案,并提供客户更直观的参考。
3D显示技术原理及发展一、3D显示技术的原理1.视差原理:人眼观察物体时,左右眼分别观察物体的角度不同,这种左右眼角度的差异造成了视差,从而形成了立体感。
2.立体成像原理:通过显示屏幕上的不同图像让左眼和右眼看到不同的图像,以模拟人眼观察物体时的视差现象。
3.眼镜技术:通常情况下,观看3D影片需要配戴特殊的眼镜,这些眼镜能够过滤掉特定频率的光线,使左眼只能看到左眼图像,右眼只能看到右眼图像。
二、3D显示技术的发展1.早期的3D显示技术主要是通过红蓝眼镜实现,这种技术的显示效果相对较差,容易导致观影者出现眼睛疲劳和不适感。
2.随着技术的进步,3D显示技术逐渐采用了更先进的极化技术和活动式眼镜技术。
极化技术将左眼和右眼的图像以不同的极性呈现,观众只需佩戴极化眼镜即可获得更好的立体效果。
活动式眼镜技术通过电子信号控制眼镜的透明度,在观看时,只有对应眼睛的镜片透明,从而实现左眼右眼的图像分离。
3.近几年来,自动立体显示技术取得了重要突破。
该技术无需佩戴任何眼镜,观众可以直接通过3D显示屏进行观看。
这种技术常用的原理包括互锁光栅和眼球追踪技术。
互锁光栅技术使用特殊的光学元件,使左右眼只能看到屏幕上的对应图像。
眼球追踪技术通过摄像头追踪观众的眼球位置,并根据眼球位置调整图像的显示方式。
4.3D显示技术在电影、电视和游戏等领域的应用不断扩大。
除了传统的电影院和电视屏幕外,现在还有3D虚拟现实设备和头戴式显示器,使用户能够身临其境地体验3D效果。
三、3D显示技术的未来发展趋势1.提高显示效果:未来3D显示技术将不断提高显示效果,使观众能够更清晰、逼真地观看3D影片。
2.无需佩戴眼镜:科技公司正在努力研发无需佩戴眼镜的3D显示技术,这将进一步提升观看体验和舒适度。
3.混合现实技术:3D显示技术与混合现实技术的结合将创造出新的观影体验。
观众可以与3D场景进行互动,获得更加真实的观影体验。
4.全息投影技术:全息投影技术将为观众带来真正的立体感,可以在空中投射出实体般的图像,使观众能够全方位地观看。