碳化硅微粉 日本工业标准 JIS R6001-1987
- 格式:doc
- 大小:45.50 KB
- 文档页数:1
国外:精细陶瓷(高级陶瓷、高级工业陶瓷)系列标准(日本)1、标准名称[中文]:精细陶瓷(高级陶瓷、高级工业陶瓷).使用电流中断技术的固体氧化物电化学电池用单个电池电极试验方法标准名称[英文]:Fine ceramics (advanced ceramics, advanced technical ceramics) -- Single cell polarization test method for solid oxide electrochemical cell by current interruption technique标准编号: JIS R1684-2008标准类型:发布单位: JP-JISC发布日期: 2008-1-1实施日期:开本页数: 14P;A4国际标准分类号: 81.060.30国别: 日本2、标准名称[中文]:精细陶瓷(高级陶瓷、高级工业陶瓷).光催化材料的空气净化性能的试验方法.第5部分:甲苯的清除标准名称[英文]:Fine ceramics (advanced ceramics, advanced technical ceramics) -- Test method for air purification performance of photocatalytic materials -- Part 5: Removal of methylmercaptan标准编号: JIS R1701-5-2008标准类型发布单位: JP-JISC发布日期: 2008-1-1实施日期:开本页数: 18P;A4国际标准分类号: 81.060.30国别: 日本关键词:3、标准名称[中文]:精细陶瓷(高级陶瓷、高级工业陶瓷).光催化材料的空气净化性能试验方法.第4部分:甲苯的清除标准名称[英文]:Fine ceramics (advanced ceramics, advanced technical ceramics) -- Test method for air purification performance of photocatalytic materials -- Part 4: Removal of formaldehyde标准编号: JIS R1701-4-2008标准类型:发布单位: JP-JISC发布日期: 2008-1-1开本页数: 16P;A4国际标准分类号: 81.060.30国别: 日本关键词:4、标准名称[中文]:精细陶瓷(高级陶瓷、高级工业陶瓷).光催化材料的空气净化性能的试验方法.第3部分:甲苯的脱除标准名称[英文]:Fine ceramics (advanced ceramics, advanced technical ceramics) -- Test method for air purification performance of photocatalytic materials -- Part 3: Removal of toluene标准编号: JIS R1701-3-2008标准类型:发布单位: JP-JISC发布日期: 2008-1-1实施日期:开本页数: 20P;A4中国标准分类号: Q30国际标准分类号: 81.060.30关键词:5、标准名称[中文]:精细陶瓷(高级陶瓷、高级工业陶瓷).光催化材料空气净化性能的试验方法.第2部分:乙醛的脱除标准名称[英文]:Fine ceramics (advanced ceramics, advanced technical ceramics) -- Test method for air purification performance of photocatalytic materials -- Part 2: Removal of acetaldehyde标准编号: JIS R1701-2-2008标准类型:发布单位: JP-JISC发布日期: 2008-1-1实施日期:开本页数: 20P;A4中国标准分类号: Q30国际标准分类号: 81.060.30国别: 日本关键词:6、标准名称[中文]:精细陶瓷(高级陶瓷、高级工业陶瓷).光致辐照下光催化产品抗菌活性的试验方法标准名称[英文]:Fine ceramics (advanced ceramics, advanced technical ceramics) -- Test method for antifungal activ ity of photocatalytic products under photoirradiation标准编号: JIS R1705-2008标准类型:发布单位: JP-JISC发布日期: 2008-1-1实施日期:开本页数: 20P;A4中国标准分类号: Q30国际标准分类号: 81.060.30国别: 日本关键词:7、标准名称[中文]:精细陶瓷(高级陶瓷和高级技术陶瓷).光催化材料的自清洁性能用试验方法.第1部分:水接触角的测量标准名称[英文]:Fine ceramics (advanced ceramics, advanced technical ceramics) -- Test method for self-cleaning performance of photocatalytic materials -- Part 1: Measurement of water contact angle标准名称[日文]:ファインセラミックス―ヒカリショクバイザイリョウノセルフクリーニングセイノウシケンホウホウ―ダイ1ブ:ミズセッショクカクノソクテイ标准编号:JIS R1703-1-2007发布单位: JP-JISC发布日期: 2007-1-1实施日期: 2007-1-1开本页数: 24P;A4中国标准分类号: Q32国际标准分类号: 81.060.30国别: 日本关键词:8、标准名称[中文]:、精细陶瓷(高级陶瓷和高级技术陶瓷).光催化材料的自清洁性能用试验方法.第2部分:湿亚甲蓝的分解标准名称[英文]:Fine ceramics (advanced ceramics, advanced technical ceramics ) -- Test method for self-cleaning performance of photocatalytic materials -- Part 2: Decomposition of wet methylene blue标准名称[日文]:ファインセラミックス―ヒカリショクバイザイリョウノセルフクリーニングセイノウシケンホウホウ―ダイ2ブ:シツシキブンカイセイノウ标准编号: JIS R1703-2-2007发布单位: JP-JISC发布日期: 2007-1-1实施日期: 2007-1-1开本页数: 24P;A4中国标准分类号: Q32国际标准分类号: 81.060.30国别:日本关键词:9、标准名称[中文]:精细陶瓷(高级陶瓷、高级工业陶瓷).通过测量活性氧的形成能力测定光催化材料的水净化性能的试验方法标准名称[英文]:Fine ceramics (advanced ceramics, advanced technical ceramics) -- Test method for water-purification performance of photocatalytic materials by measurement of forming ability of active oxygen标准名称[日文]:ファインセラミックス―カッセイサンソセイセイノウリョクソクテイニヨルヒカリショクバイザイリョウノスイシツジョウカセイノウシケンホウホウ标准编号: JIS R1704-2007发布单位: JP-JISC发布日期: 2007-1-1实施日期:开本页数: 16P;A4中国标准分类号:Q32国际标准分类号: 81.060.30国别:日本关键词:10、标准名称[中文]:精细陶瓷用精细氮化铝粉的化学分析方法标准名称[英文]:Methods for chemical analysis of fine aluminium n itride powders for fine ceramics标准名称[日文]:ファインセラミックスヨウチッカアルミニウムビフンマツノカガクブンセキホウホウ标准编号: JIS R1675-2007发布单位: JP-JISC发布日期: 2007-1-1实施日期:开本页数: 46P;A4中国标准分类号: Q32国际标准分类号: 71.040.40 81.060.30国别: 日本关键词:11、标准名称[中文]:高温下精细陶瓷弯曲疲劳性的测试方法标准名称[英文]:Testing method for bending fatigue of fine ceramics at elevated temperature标准名称[日文]:ファインセラミックスノコウオンマゲヒロウシケンホウホウ标准编号: JIS R1658-2008发布单位: JP-JISC发布日期: 2008-1-1实施日期:开本页数: 16P;A4中国标准分类号: Q32国际标准分类号: 81.060.30国别: 日本关键词:12、标准名称[中文]:室温下精细陶瓷弯曲疲劳性的测试方法标准名称[英文]:Testing method for bending fatigue of fine ceramics at room temperature标准名称[日文]:ファインセラミックスノシツオンマゲヒロウシケンホウホウ标准编号: JIS R1621-2008发布单位: JP-JISC发布日期: 2008-1-1实施日期:开本页数: 14P;A4采用关系: ISO 22214-2006,MOD中国标准分类号: Q32国际标准分类号: 81.060.30国别: 日本关键词:13、标准名称[中文]:精细陶瓷用碳化硅细粉末的化学分析方法标准名称[英文]:Methods for chemical analysis of fine silicon carbide powders for fine ceramics标准名称[日文]:ファインセラミックスヨウタンカケイソビフンマツノカガクブンセキホウホウ标准编号: JIS R1616-2007发布单位: JP-JISC发布日期: 2007-1-1实施日期: 2007-1-1开本页数: 58P;A4中国标准分类号: Q32国际标准分类号: 81.060.30国别:日本关键词:14、标准名称[中文]:精细陶瓷用氮化硅细粉末的化学分析方法标准名称[英文]:Methods for chemical analysis of fine silicon nitride powders for fine ceramics标准名称[日文]:ファインセラミックスヨウチッカケイソビフンマツノカガクブンセキホウホウ标准编号: JIS R1603-2007标准类型:发布单位: JP-JISC发布日期: 2007-1-1实施日期: 2007-1-1开本页数: 46P;A4中国标准分类号: Q32国际标准分类号: 81.060.10国别: 日本关键词:15、标准名称[中文]:多孔精细陶瓷球形缺口的测试方法标准名称[英文]:Testing method for sphere indentation of porous fine ceramics标准名称[日文]:ファインセラミックスタコウタイノキュウアツシオシコミシケンホウホウ标准编号: JIS R1681-2007发布单位: JP-JISC发布日期: 2007-1-1实施日期:开本页数: 12P;A4中国标准分类号: Q32国际标准分类号: 81.060.30国别:日本关键词:16、标准名称[中文]:多孔精细陶瓷用测定液体中颗粒保持力的测试方法标准名称[英文]:Testing method for determining particle retention in liquid for porous fine ceramics标准名称[日文]:ファインセラミックスタコウタイノエキチュウリュウシホソクセイノウシケンホウホウ标准编号: JIS R1680-2007发布单位: JP-JISC发布日期: 2007-1-1实施日期:开本页数: 14P;A4中国标准分类号: Q32国际标准分类号: 81.060.30国别:日本关键词:17、标准名称[中文]:室温下多孔性精细陶瓷的挠曲疲劳用试验方法标准名称[英文]:Testing method for bending fatigue of porous fine ceramics at room temperature标准名称[日文]:ファインセラミックスタコウタイノシツオンマゲヒロウシケンホウホウ标准编号: JIS R1677-2007发布单位: JP-JISC发布日期: 2007-1-1实施日期:开本页数: 16P;A4中国标准分类号: Q32国际标准分类号: 81.060.30国别:日本关键词:18、标准名称[中文]:多孔性精细陶瓷的抗热冲击用试验方法标准名称[英文]:Testing method for thermal shock resistance of porous fine ceramics标准名称[日文]:ファインセラミックスタコウタイノネツショウゲキシケンホウホウ标准编号: JIS R1676-2007发布单位: JP-JISC发布日期: 2007-1-1实施日期:开本页数: 10P;A4中国标准分类号: Q32国际标准分类号: 81.060.30国别:日本关键词:19、标准名称[中文]:多孔精细陶瓷液压当量直径和水渗透性的试验方法标准名称[英文]:Testing method for water permeability and hydraulic equivalent diameter of porous fine ceramics标准名称[日文]:ファインセラミックスタコウタイノミズトウカリツオヨビスイリョクトウカチョッケイシケンホウホウ标准编号: JIS R1671-2006发布单位: JP-JISC发布日期: 2006-1-1实施日期:开本页数: 12P;A4中国标准分类号: Q32国际标准分类号: 81.060.30国别:日本关键词:20、标准名称[中文]:多孔精细陶瓷液压当量直径和水渗透性的试验方法标准名称[英文]:Testing method for water permeability and hydraulic equivalent diameter of porous fine ceramics标准名称[日文]:ファインセラミックスタコウタイノミズトウカリツオヨビスイリョクトウカチョッケイシケンホウホウ标准编号: JIS R1671-2006发布单位: JP-JISC发布日期: 2006-1-1实施日期:开本页数: 12P;A4中国标准分类号: Q32国际标准分类号: 81.060.30国别:日本关键词:21、标准名称[中文]:精细陶瓷微观结构中粒度的试验方法标准名称[英文]:Testing method for grain size in microstructure of fine ceramics标准名称[日文]:ファインセラミックスノグレインサイズソクテイホウホウ标准编号: JIS R1670-2006发布单位: JP-JISC发布日期: 2006-1-1实施日期:开本页数: 16P;A4中国标准分类号: Q32国际标准分类号: 81.060.30国别:日本关键词:22、标准名称[中文]:精细陶瓷.滚动轴承球的氮化硅材料的基本特征和分类标准名称[英文]:Fine ceramics -- Fundamental characteristics and classification of silicon nitride materials for rolling bearing balls标准名称[日文]:ファインセラミックス―コロガリジクウケキュウヨウチッカケイソザイノキホントクセイオヨビトウキュウブンルイ标准编号: JIS R1669-2006发布单位: JP-JISC发布日期: 2006-1-1实施日期:开本页数: 8P;A4中国标准分类号: Q32国际标准分类号: 81.060.30国别:日本关键词:国外精细陶瓷(高级陶瓷、高级工业陶瓷)系列标准(英国)1、标准名称[中文]:精细陶瓷(高级陶瓷、高级工业陶瓷).陶瓷涂层粘附力评估用洛氏针入试验].标准名称[英文]:Fine ceramics (advanced ceramics, advanced technical ceramics) - Rockwell indentation test for evaluation of adhesion of ceramic coatings标准编号:BS ISO 26443-2008—2008发布单位: GB-BSI发布日期: 2008-1-1实施日期: 2008-1-1开本页数: 16P;A4采用关系: ISO 26443-2008,IDT国际标准分类号: 81.060.30国别: 英国关键词:粘附高级工业陶瓷分析陶瓷涂层陶瓷复合材料定义测定评估精整硬度测量解释层材料测试机材料测试测量测量技术金相学方法渗透探伤穿透深度防护覆层洛氏(硬度) 洛氏硬度测量抽样方法测试测试装置厚度Adhesion Advanced echnical ceramics Analysis Ceramic Ceramiccoatings Ceramics Compositematerials Definition Definitions Determination Evaluations Finishes Hardness measurement Interpretations Layers Material testing machines Materials testing Measureme2、标准名称[中文]:精细陶瓷(高级陶瓷、高级工业陶瓷).室温下整体陶瓷的抗拉强度用试验方法标准名称[英文]:Fine ceramics (advanced ceramics, advanced technical ceramics) - Test method for tensile strength of monolithic ceramics at room temperature标准编号:BS ISO 15490-2008—2008发布单位: GB-BSI发布日期: 2008-1-1实施日期: 2008-1-1开本页数: 18P.;A4采用关系: ISO 15490-2008,IDT中国标准分类号: Q32国际标准分类号: 81.060.30国别: 英国关键词:高级工业陶瓷室温陶瓷定义测定材料规范整体材料特性质量温度测量抗拉强度测试须晶Advanced echnical ceramics Ambienttemperatures Ceramics Definition Definitions Determination Materialsspecification Monolithic materials Properties Quality Temperature measurement Tensile strength Testing Whisker3、标准名称[中文]:精细陶瓷(高级陶瓷、高级工业陶瓷).使用微尺度磨损试验测定涂层的耐磨性标准名称[英文]:Fine ceramics (advanced ceramics, advanced technical ceramics) - Determination of the abrasion resistance of coatings by a micro-scale abrasion test标准编号:BS ISO 26424-2008—2008发布单位: GB-BSI实施日期: 2088-1-1开本页数: 24P;A4采用关系: ISO 26424-2008,IDT国际标准分类号: 81.060.30国别: 英国关键词:磨蚀抗磨性磨蚀试验高级工业陶瓷陶瓷涂层陶瓷涂层厚度涂层定义解释层材料试验数学计算测量耐力试样制备试验设备试验程序试验报告试验磨损试验Abrasion Abrasion resistance Abrasion tests Advanced technical ceramics Ceramic Ceramic coatings Ceramics Coatingthickness Coatings Definition Definitions Interpretations Layers Materialstesting Mathematical calculations Measurement Resistance Specimen4、标准名称[中文]:精细陶瓷(高级陶瓷、高级工业陶瓷).半导体光催化材料的空气净化性能用试验方法.一氧化氮的移除标准名称[英文]:Fine ceramics (advanced ceramics, advanced technical ceramics) - Test method for air-purification performance of semiconducting photocatalytic materials - Removal of nitric oxide标准编号: BS ISO 22197-1-2008发布单位: GB-BSI实施日期: 2008-1-1开本页数: 22P;A4采用关系: ISO 22197-1-2007,IDT国际标准分类号: 81.060.30国别: 英国关键词:高级工业陶瓷空气过滤空气净化催化催化剂定义光影响细陶瓷实验室器皿数学计算氧化氮一氧化氮光化反应半导体材料试验方法试件试验报告Advanced technical ceramics Air filtration Airpurification Catalysis Catalysts Definition Definitions Effect of light Fineceramics Laboratory ware Mathematical calculations Nitric oxide Nitrogenmonoxide Photochemical reactions Semiconductor materials T5、标准名称[中文]:精细陶瓷(高级陶瓷、高级工业陶瓷).用弯曲表面裂纹(SCF)法测定室温下单片陶瓷的断裂韧性标准名称[英文]:Fine ceramics (advanced ceramics, advanced technical ceramics) - Determination of fracture toughness of monolithic ceramics at room temperature by the surface crack in flexure (SCF) method标准编号: BS EN ISO 18756-2006发布单位: GB-BSI发布日期: 2006-1-1开本页数: 40P.;A4采用关系: EN ISO 18756-2005,IDT ISO 18756-2003,IDT中国标准分类号: Q32国际标准分类号: 81.060.30国别: 英国关键词:高级工业陶瓷环境温度弯曲样品断裂试验陶瓷定义裂纹断裂韧性努氏(硬度) 机械试验整体材料试样裂纹表面温度法试验方法试验韧性Advanced technical ceramics Ambient temperatures Bend specimens Breakingtests Ceramics Definition Definitions Flaws Fracture toughness Knoop Mechanical testing Monolithic materials Samples Surface cracking Temperature method Test method Testing Toughness6、标准名称[中文]:精细陶瓷(高级陶瓷、高级工业陶瓷).用比重计测定陶瓷粉末的绝对密度标准名称[英文]:Fine ceramics (advanced ceramics, advanced technical ceramics) - Determination of absolute density of ceramic powders by pyknometer标准编号: BS EN ISO 18753-2006发布单位: GB-BSI发布日期: 2006-1-1开本页数: 16P;A4采用关系: EN ISO 18753-2005,IDT ISO 18753-2004,IDT中国标准分类号: Q32国际标准分类号: 81.060.30国别: 英国关键词:高级工业陶瓷分析陶瓷粉末陶瓷定义密度测定法密度密度测定瓶密度瓶密度测量测定实验室试验材料试验机械试验比重瓶测量分析法试验方法试验Advanced technical ceramics Analysis Ceramicpowders Ceramics Definition Definitions Densimetry Density Density bottles Density measurement Determination Laboratory testing Materials testing Mechanicaltesting Pycnometric analysis Test method Testing7、标准名称(中文)精细陶瓷(高级陶瓷、高级工业陶瓷).室温下用单边预裂束法(SEPB)测定块体陶瓷破裂韧性的试验方法标准名称(英文)Fine ceramics (advanced ceramics, advanced technical ceramics) - Test method for fracture toughness of monolithic ceramics at room temperature by single edge precracked beam (SEPB) method标准编号: BS EN ISO 15732-2006发布单位: GB-BSI发布日期: 2006-1-1开本页数: 30P.;A4采用关系: EN ISO 15732-2005,IDT ISO 15732-2003,IDT中国标准分类号: Q32国际标准分类号: 81.060.30国别: 英国关键词:高级工业陶瓷环境温度抗弯强度抗弯应力破坏试验陶瓷定义挠性挠曲蠕变断裂韧性材料试验测量机械试验整体材料温度试验试验方法试验韧性Advanced technical ceramics Ambient temperatures Bending strength Bendingstress Breaking tests Ceramics Definition Definitions Flexibility Flexural creep Fracture toughness Materials testing Measurement Mechanical testing Monolithicmaterials Temperature。
日本JIS印制电路板新标准简介
沈新
【期刊名称】《航天标准化》
【年(卷),期】1994(000)005
【摘要】简介了日本近期制定、修订的9项有关印制电路板JIS标准,并对各项标准的主要内容作了说明。
【总页数】2页(P48-49)
【作者】沈新
【作者单位】
【正文语种】中文
【中图分类】F426.6
【相关文献】
1.日本JIS印制电路板新标准简介 [J], 沈新
2.日本印制电路板无电镀镀铜质量标准简介 [J], 沈新
3.强化对方针目标管理的管理——日本工业标准 JIS Q 9023:2003《管理体系绩效改进——方针管理指南》简介 [J], 邓镇非;刘冰
4.印制电路板用覆铜箔环氧纸芯玻璃布面复合基材层压板规范JIS C 6488-94 [J], 高艳茹[1];龚莹[2]
5.印制电路板用覆铜箔环氧玻纤纸芯玻璃布面复合基材层压板规范JIS C 6489-94 [J], 高艳茹[1];龚莹[2]
因版权原因,仅展示原文概要,查看原文内容请购买。
一、原材料质量控制1.1原材料名称绿碳化硅段砂1.3物理指标执行标准为98标准和日本标准GB/T2481。
2-1998日标JISR—6001化学指标执行标准为根据GB/T3045—2003标准进行检验①C游的测定——灼烧减量法。
要点试样在650℃高温下灼烧,其表面的C游被氧化成CO2,失去的重量,即为C游的质量.②SiC的测定——表面介质法。
要点试样经HF—H2SO4—HNO3加热处理,Si游和SiO2生成挥发性的SiF4逸出,残渣以热盐酸浸取,使其表面杂质铁溶解于其中,过滤、洗涤,残渣经灼烧后即为SiC含量,温度控制在750℃。
③Fe2O3的测定——络合滴定法要点在PH值1。
5—2。
0酸性溶液中Fe3+与磺基水杨酸根(SSal2- )作用生成紫红色络合物.Fe3++3SSal2—←→ [Fe(SSal)3]3—但此络合物不及EDTA与Fe3+形成的络合物稳定Fe3++H2γ2–→Feγ–+2H+用EDTA标准溶液滴定时,磺基水杨酸中的Fe3+被EDTA所夺取,游离出磺基水杨酸, 紫红色褪去,溶液呈黄色或无色.[Fe(SSal)3]3—+H2γ2–→ Feγ–+3SSal2-+2H+以此表示终点,求出试样中Fe2O3的含量。
二、酸洗工序质量控制除碳至每罐无碳为止,F.c<0。
18%然后除铁 Fe2O3<0。
20%为合格三、溢流工序质量控制3.1检验项目溢流分级粒度组成①溢流分级目前我公司产品分为GC#6000 GC#4000 GC#3000 GC#2500 GC#2000 GC#1500 GC#1200 GC#1000 GC#800 (共9个号段)其原理是不同粒径的微粉颗粒的沉降速度不同。
即通过调整给水速度,改变微粉的下沉速度,给水的速度超过微粉下降的速度,微粉就从分流槽流出,微粉颗粒越大下降速度越快,颗粒越小下降速度越慢。
在一定时间内持续稳定给水,使水位形成一定的上升速度,当水位上升速度大于微粉颗粒的沉降速度,这部分颗粒从溢流槽溢出,检测工通过显微镜观察,根据日标进行分级。
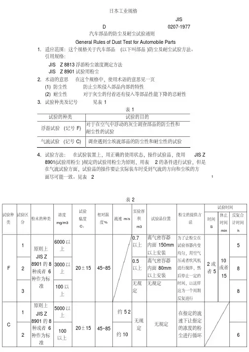
JIS日本工业标准序号标准编号标准名称1 JIS C 3306-1993 聚氯乙烯绝缘软线2 JIS C 5961:1997 光导纤维连接器试验方法3 JIS C 5101-10-1 电子设备用固定电容器通则4 JIS Z 3282:1999 软钎料合金化学成分和形式5 JIS C 3202-1994 漆包线6 JIS H 1421-1431-1979/4501-4502-1979/4511/4522/2104 电子管用镍材及其分析方法7 JIS B 1007-1987 自攻螺钉的螺纹形状及尺寸8 JIS C 5501-1978 锥形扬声器9 JIS C 0035:1996 环境试验第2部分:试验方法试验Z/ABDM:气候顺序10 JIS K 7124-2 塑料薄膜及薄板的落镖冲击试验方法第2部分:仪表计量法11 JIS Z 3197:1999 软钎焊用树脂型纤剂试验方法12 JIS Z 2611-2612-1977,K 0116-1979 光谱分析基础标准部分13 JIS C 2570:1998 直热型负温度系数热敏电阻通则14 JIS C 6409-1994 电子设备用氧化金属膜固定电容器15 JIS C 3306:2000 聚氯乙烯绝缘软线16 JIS C 0021:1995 (IEC 68-2-2:1974) 基本环境试验程序第2部分:试验试验B:干热17 JIS C 5974:1998 F05形单心光导纤维连接器18 JIS C 5101-9-1 电子设备用固定电容器通则19 JIS C 5504-1992 喇叭形扬声器20 JIS C 7041-1974 国外电子工业标准资料第17辑:双极性数字集成电路试验方法21 JIS C 0097:2001 环境试验方法22 JIS C 2330-2001 电容器用双轴取向取丙烯薄膜23 JIS C 8512-1996 二氧化锰锂原电池24 JIS C 3661-1:1998 电缆的电气试验方法第1部分:电压在450/750V以下(含450/750V)用电缆、芯线和电线的电气试验25 JIS K 2211-192 冷冻机油26 JIS B 1181-1993 六角ナツト27 JIS C 0036:1997 环境试验第2部分:试验方法试验Fh:振动、宽带随机(数控)和指南28 JISC 6281-1975 信息交换用盒式磁带信息记录格式29 JIS D 4207-1994 汽车用轮胎气门30 JIS C 3006:1999 纤维或绝缘线的试验方法31 JIS B 1044-1993 螺纹紧固件-电镀32 JIS C 0027-1988 基本环境试验规程第2-30部分:试验试验Db和指南循环湿热试验(12+12H循环)33 JIS C 0057:2002 环境试验34 JIS C 2520:1998 电热合金线及带35 JIS B 1055-1995 钢及不锈钢制自攻螺钉36 JIS C 5101-8 电子设备用固定电容器通则37 JIS B 1111-1996 十字槽小螺钉38 JIS C 5530-1978 锥形扬声器通则39 JIS B 1115-1996 一字槽自攻螺钉40 JIS K 7121-1987 塑料转变温度测定方法41 JIS C 0806-3:1999 电子元件的带状导线封装第3部分:表面安装元件42 JIS D 4211-1994 汽车轮胎气门芯43 JIS C 0096:2001 环境试验方法44 JIS C 0020:1995 环境试验程序第2部分:试验试验A:冷45 JIS K 5621:2002 一般用防锈油漆46 JIS C 3003:1999 漆包铜线及漆包铝线的试验方法47 JIS Z 3283-2001 流脂空心焊锡48 JIS H 1421-1432-1965 电子管用镍材料分析方法49 JIS B 1122-1996 十字槽自攻螺钉50 JIS C 5973:1998 F04型单心光导纤维连接器51 JIS K 6401:1997 软垫用柔软聚氨脂泡沫52 JIS Z 2381-1987 屋外暴露试验方法通则53 JIS C 0050:1996 电气电子环境试验方法锡焊试验54 JIS C 5102-1994 电子设备用固定电容器的试验方法55 JIS C 0025-1988 环境试验基本程序第2部分:试验试验N:温度的改变56 JIS K0801-1986 CONTINUIUS TURBIDIMETER57 JIS C 0040:1999 环境试验第2部分:试验试验Fc:振动(正弦)58 JIS K 0803-1995 CONTINUOUS DISSOLVED OXYGEN ANALYZER59 JIS C 5570 国外电子工业标准资料第48辑:磁带录象机60 JIS C 2524:1997 电热丝及带的寿命试验方法61 JIS C 0034:1996 环境试验第2部分:试验随机试验指南:水62 JIS C 0028-1988 环境试验第2部分:试验Z/AD:温度/湿度复合循环试验63 JIS G 3313:1998 电镀锌钢板及钢带64 JIS C 0022-1987 环境试验基本程序第2部分:试验试验Ca:高温、高湿(稳定性)试验65 JIS C 0056:2001 环境试验第2部分:试验试验Fe:振动正弦拍频法66 JIS C 6421-1994 收音机用中频变压器67 JIS MIL-STD,TOCT 国外电子工业标准资料第52辑:集成电路部分标准资料汇编68 JIS C 8303:1993 配线用插入式连接器69 JIS C 5532-1994 音响设备用的扬声器70 JIS C 3663-3:1998 额定电压450/750V及以下,橡皮绝缘电缆第3部分:耐热硅绝缘电缆71 JIS C 5202-1990 电子设备用固定电阻器的试验方法72 JIS C 0806-3:1999 电子元件的带状导线封装第3部分:表面安装元件73 JIS C 0053:1996 电气、电子环境试验方法软钎焊法(平衡法)74 JIS C 6481-1976 印刷电路用覆铜箔层压板试验方法75 JIS C 0024:2000 电气、电子环境试验方法盐雾(周期)试验76 JIS K 7124-1 塑料薄膜及薄板的落镖冲击试验方法第1部分:阶梯法77 JIS K 6745:2000 硬质氯乙烯板78 JIS C3005-2000 橡胶塑料绝缘电线试验方法79 JIS D 0207-1977 汽车零件防尘试验通则80 JIS C 0047-1995 环境试验第2部分:试验方法、振动、冲击及类似动态试验用的元件、设备和其他物品的安装81 JIS C 5442-1978 控制用小型电磁继电器试验方法82 JIS Z 9015-1980 国外电子工业标准资料.第66辑:技术调整型抽样检查83 JIS T 1140:1998 电子体温计84 JIS K 6850:1999 胶粘剂粘合张力强度的试验方法85 JIS K 6301-1995 硫化橡胶的物理试验方法86 JIS K 0802-1986 RECORDING PH METER87 JIS C 7072-1988 液晶显示板的测量方法88 JIS C 0806-2:1999 电子元件的带状导线封装第2部分89 JIS Z 8741-1997 Specular glossiness-methods of measurement90 JIS C 8282-1:1999 家用和类似用途插头和插座出口第1部分:一般要求91 JIS Z 3284:1994 焊剂92 JIS C 0023:2001 环境试验方法93 JIS K 0806:1997 AUTOMATIC CHEMICAL OXYGEN DEMAND METER94 JIS C 5970:1998 FO1形单心光纤维端子95 JIS H 1401-1402-68,67,TOCT 14315-14316-69 钨钼材料化学与光谱分析方法96 JIS C 8303-1993 家用和类似一般用途的插头和插座97 JIS C 0033:1993 环境试验第2-28部分:试验温热试验指南98 JIS C 5141-1991 电子设备用固定式铝壳非固态电解质电容器99 JIS K 0805-1988 CONTINUOUS TOTAL ORGARIC CARBON ANALYZER100 JIS C 5101-9 电子设备用固定电容器通则101 JIS C 3317:2000 600V两种聚氯乙烯绝缘电线102 JIS K 6911-1995 热固性塑料的一般试验方法103 JIS B 1196:2001 焊接螺母104 JIS B 1181:2001 六角ナツト(追捕1)105 JIS C 5402-1992 电子设备用连接器试验方法106 JIS C 5101-10 电子设备用固定电容器通则107 JIS H1680-1694-69,H-4701-69 钽材料的化学及光谱分析方法108 JIS C 0052:1995 电气、电子环境试验方法耐溶剂(浸泡)性试验109 JIS C 6480-1976 印刷电路用覆铜箔层压板通则110 JIS C 5531-1978 锥形扬声器的试验方法111 JIS C 0806-1:1999(IEC 60286-1:1997) 电子元件的带状导线封装第1部分112 JIS C 5102 电子设备用固定电容器的试验方法113 JIS C 5101-1998 电子设备用固定电容器通则。
碳化硅物理指标检测标准、检测仪器及流程产品执行标准:JIS R6001-1998检测仪器型号:美国贝克曼第三代库尔特电阻法粒度仪检测流程:1.取样准备,密封袋、取样器械2.查品控生产记录,记录产品名称、批次、数量、型号。
3.每吨取5个以上小样,分层次、差别性取样。
4.各个小样混合均匀,利用4等分法,混合均分4次。
5.称重,称出检验所需重量。
6.超声波分散,取微粉2g加入30ml的电解液,分散3min。
7.取样,取超声波分散瓶中部悬浮料,不准偏上或偏下。
8.库尔特分析,计数颗粒15000-20000颗粒分析较为准确。
9.完成报告化学分析执行标准、主要设备及方法执行标准:GB/T3045-20031.主要设备型号及用途:2.一般规定2.1仲裁分析时,同一试样平行份数不得少于3份。
分析结果的差值在允许范围时,取其算术平均值为最终分析结果。
2.2分析用试剂除注明特殊规格外,均应不低于分析纯。
作基准者应采用基准试剂或高纯试剂。
2.3除已指明溶液外,方法中所载之溶液,均系水溶液。
2.4方法中未注明浓度的液体试剂均指浓溶液,如盐酸(相对密度1.19),氨水(相对密度0.90);未注明的固体试剂,如苏打石灰,均指原试剂。
2.5溶液的百分浓度系指10 mL溶液中含溶质的质量(g),(1+1)、(1+2)……(V1+V2)等系指溶质体积与水体积之比。
2.6除特殊说明外,配制试剂及分析用水,均为蒸馏水或去离子水。
2.7所用分析天秤、砝码及容量器皿均须进行校正。
2.8除特殊说明外,所有操作均在玻璃器皿中进行。
2.9所载“灼烧至恒重”,系指经过连续两次灼烧并于干燥器中冷却至室温后,称量之差不超过0.2mg。
2.10所载“干过滤”,系指将溶液用干滤纸、干漏斗,过滤于干的容器中,干过滤均应弃去最初的滤液。
3 试样的制备3.1块状磨料用锤子在钢板上将结晶块打碎至直径小于2mm,用四分法缩分到50~60g,再用钢研钵粉碎至全部通过46号筛,用磁力10~15N的磁铁吸出粉碎时带入的铁质,然后放入试样袋中,在105~110℃烘箱中烘干1h,取出放入干燥器内冷却备用。
日本标准JIS大全序号标准号标准名称1 JIS K 8833-1978 糠醛(FURFURAL)2 JIS Z 3233 ERRA TUM 1-2001 惰性气体保护弧焊用钨焊条(勘误1)((Erratum 1))3 JIS G 3303 ERRATUM 1-2003 JIS G3303的技术勘误1(ERRATUM)4 JIS W 0812-1993 飞行设备的环境条件和试验程序(RTCA/DC-160C)(Airborne equipment -- Environmental conditions and test procedures (RTCA/DC - 160C))5 JIS B 8367-5-2002 液压气缸的安装尺寸第5部分:单棒10 MPa系列、方盖、带棒紧型液压气缸(钻孔40 mm 至200 mm) (Mounting dimensions for hydraulic cylinders -- Part 5: Single rod -- 10 MPa series square cover and tie rod tightend type (Bores from 40 mm to 200 mm))6 JIS K 9517-1992 锌(Zincon)7 JIS K 8370-1992 铜(III)乙酸酯(Copper (II) acetate monohydrate)8 JIS K 4814-1969 苦味酸(246-三硝基苯酚)(Picric acid)9 JIS K 9053-1993 L-赖氨酸-盐酸盐(L(+)-lysine hydrochloride)10 JIS K 8453-1994 二乙醇胺(22-Iminodiethanol)11 JIS K 8695-1981 苯并[F]喹啉(Benzo (f) quinoline)12 JIS H 2105-1955 铅锭(Pig lead)13 JIS K 8824-1992 D(+)葡萄糖(D(+)-glucose)14 JIS L 2401-1992 黄麻纱(Jute yarns)15 JIS X 5101-1982 25路数据电路端接设备与数据终端设备间的接口(The Interface between Data Circuit Terminating Equipment (DCE) and Data Terminal Equipment (DTE) (25-pin Interface))16 JIS F 3425-1999 船用信号旗滑车(Ships steel blocks for signal flags)17 JIS K 8879-1994 试镁灵(Magneson)18 JIS B 1196-2001 焊接螺母(Weld nuts)19 JIS K 9024-1991 磷钨酸(12 TUNGSTO(VI) PHOSPHORIC ACID N-HYDRATE (PHOSPHOTUNGSTIC ACID))20 JIS K 2219-1993 齿轮油(GEAR OILS)21 JIS B 9650-2 ERRA TUM 1-2003 JIS B9650-2的技术勘误1(ERRA TUM)22 JIS L 4112-2000 儿童开襟衬衣及青年开襟衬衣(Boys and youths open shirts)23 JIS F 3436-1980 船用小型钢索卷车(Ships small size wire reels)24 JIS B 9650-1 ERRA TUM 1-2003 JIS B9650-1的技术勘误1(ERRA TUM)25 JIS F 3443-1995 船用小型钢制滑轮(Ships small size steel blocks)26 JIS F 3430-1980 船用钢索卷筒(Ships wire reels)27 JIS B 2351-1990 25MPa(250Kgf/cm2)液压用卡套式管接头(25 MPa (250 kgf/cm2) bite type tube fittings for hydraulic use)28 JIS F 2416-1982 船用灭火器(Ships flame arresters)29 JIS F 2106-1995 船用普通链条(Ships chains for general use)30 JIS Q 10006 ERRATUM 1-2003 JIS Q10006的技术勘误1(ERRATUM)31 JIS A 1112 ERRATUM 1-2003 JIS A1112的技术勘误1(ERRA TUM)32 JIS K 9032-1995 间苯二酚(RESORCINOL)33 JIS T 5601-1993 牙科操作用椅(DENTAL OPERA TORS STOOL)34 JIS C 2805 ERRA TUM 1-2003 JIS C2805的技术勘误1(ERRATUM)35 JIS A 5422 ERRATUM 1-2003 勘误1((Erratum 1))36 JIS L 0216-1990 羽毛术语集(Glossary of terms used in feathers)37 JIS S 6037-2000 划线笔(Marking pens)38 JIS C 0364-4-41 AMD 2-2002 建筑物的电气装置第4部分:安全防护41章:电冲击防护(修改2)(Electrical installations of buildings -- Part 4: Protection for safety -- Chapter 41: Protection against electric shock (Amendment 2))39 JIS K 2541-1996 原油和石油产品硫含量的测定(Crude oil and petroleum products -- Determination of sulfur content)40 JIS R 3418-1991 窗扉和帷幔用玻璃纤维布窗帘(Textile glass fabric curtains for casement and drapery)41 JIS R 5203-1995 水泥的水合热的测试方法(Testing method for heat of hydration of cement)42 JIS Z 8809 ERRA TUM 1-2000 校准粘度计用标准液(勘误1)(Standard liquids for calibrating viscometers (Erratum 1))43 JIS B 9658-1990 精米机械安全及设计卫生标准(Design rules for safety and sanitation of rice milling machinery)44 JIS B 4142-2002 金刚石/CBN制品安全要求(Diamond/CBN products -- Safety requirements)45 JIS M 8231-1982 锰矿石中化合水含量的测定方法(Methods for determination of combined water in manganese ores)46 JIS T 5420-2000 牙周刮器Gr型(Periodontal curettes -- Gr-type)47 JIS T 6116-2000 牙科铸造用金合金(Dental casting gold alloys)48 JIS M 8213-1995 铁矿石酸溶铁(II)含量测定方法(Iron ores -- Method for determination of acid soluble iron (II) content)49 JIS L 2510 ERRA TUM 1-2000 尼龙缝纫线(勘误1)(Nylon sewing thread (Erratum 1))50 JIS Z 1703-1976 聚乙烯瓶(Polyethylene bottles)51 JIS R 1632-1998 精细陶瓷静态挠曲疲劳的试验方法(Test methods for static bending fatigue of fine ceramics)52 JIS P 5102-1992 打字机用复写纸(Stencil paper for typewriter)53 JIS K 2280-1996 石油产品燃料辛烷值、十六烷值的测定和十六烷系数的计算方法(Petroleum products -- Fuels -- Determination of octane number cetane number and calculation of cetane index)54 JIS T 1190-1987 重心稳定性测定仪(Stabilometers)55 JIS Z 0650-1995 成组货件系统的通用规则(GENERAL RULES FOR UNIT-LOAD SYSTEM)56 JIS Z 1624-1994 国际贸易用罐式液体和气体集装箱(Tank containers for liquids and gases for international trade)57 JIS S 5506-1994 办公用卷宗(文件夹和导卡)(Office files (Folder and guide))58 JIS Z 6000-1996 显微学词汇(Micrographics -- V ocabulary)59 JIS Z 4921-1994 X射线管电压测定器(Measuring devices for X-ray tube voltage)60 JIS Z 4819-1995 辐射屏蔽垫(Radiation shielding mats)61 JIS K 5101-1-4-2004 颜料试验方法第1部分:分散特性评估的分散方法第4节:钢珠研磨机(Test methods for pigments -- Part 1: Methods of dispersion for assessment of dispersion characteristics -- Section 4: A bead mill)62 JIS K 2204-1997 柴油燃料(Diesel fuel)63 JIS C 0447-1997 人机界面(MMI)驱动原理(Man-machine interface (MMI) -- Actuating principles)64 JIS K 7154-1-2002 塑料热固性粉末模塑复合物(PMCs)试样的注射模塑成形第1部分:一般原则和多用途试样的模塑成形(Plastics -- Injection moulding of test specimens of thermosetting powder moulding compounds (PMCs) -- Part 1: General principles and moulding of multipurpose test specimens)65 JIS T 1453-1998 高频外科手术(High frequency surgical equipment)66 JIS Z 8202-3-2000 量值和单位第3部分:力学(Quantities and units -- Part 3: Mechanics)67 JIS K 3363-1990 合成洗涤剂生物降解度的试验方法(Testing method for biodegradability of synthetic detergent)68 JIS Q 14010-1996 环境审核指南总原则(Guidelines for environmental auditing -- General principles)69 JIS K 8968-1980 硫酸钴(二价)七水化合物(Cobalt(ii) sulfate heptahydrate)70 JIS B 7432-1985 角度标准用多面镜(Optical polygons for angle standards)71 JIS A 5525-1994 钢管桩(Steel pipe piles)72 JIS Z 2342-2003 压力试验过程中压力容器的声波发射试验方法和试验结果的分类(Methods for acoustic emission testing of pressure vessels during pressure tests and classification of test results)73 JIS C 1010-1-1998 测量、控制和实验室用电气设备的安全要求第1部分:一般要求(Safety requirements for electrical equipment for measurement control and laboratory use -- Part 1: General requirements)74 JIS Q 9004 ERRATUM 2-2001 质量管理体系性能提高导则(勘误2)(Quality management systems -- Guidelines for performance improvements (Erratum 2))75 JIS R 7603-1999 碳纤维密度测定(Carbon fiber -- Determination of density)76 JIS A 1104-1999 集料的单容重和集料实积率的测定方法(Methods of test for bulk density of aggregates and solid content in aggregates)77 JIS Z 8719 ERRA TUM 1-2000 条件配色指数发光物颜色改变的条件配色度评价方法(勘误1)(Metamerism index -- Evaluation method of degree of metamerism for change in illuminant (Erratum 1))78 JIS C 6183-1992 纤维光学波谱分析仪的试验方法(Test methods of fiber-optic spectrum analyzer)79 JIS C 0364-4-473-1999 建筑物的电气安装第4部分:安全防护第47章:安全防护测量的应用第473节:过电流防护测量(Electrical installations of buildings Part 4: Protection for safety Chapter 47: Application of protective measures for safety Section 473: Measures of protection against overcurrent)80 JIS R 3203-1999 压花玻璃(Patterned glass)81 JIS B 7755-1993 金属材料用冲击试验机械装置(Impact testing machines for metallic materials -- Instrumentation)82 JIS A 5451-1995 石棉衬板(Rock wool sheathing boards)83 JIS A 6602-1996 联排式房屋用金属屋顶组件(Metal roof components for terrace)84 JIS K 5600-5-4 ERRATUM 2-2002 涂料试验方法第5部分:膜的机械特性第4节:刮擦硬度(铅笔法)(勘误1)(Testing methods for paints -- Part 5: Mechanical property of film -- Section 4: Scratch hardness (Pencil method) (Erratum 2))85 JIS A 6510-1994 建筑构件(钢制屋顶装配板)(Building components (Steel panel for roof))86 JIS A 8421-2-1998 土方机械装载机第2部分:规范的标准格式和试验方法(Earth-moving machinery -- Loaders -- Part 2: Standard form of specifications and testing methods)87 JIS F 7231-2003 造船钢制管形起动用压缩空气储罐(Shipbuilding -- Steel tube starting air reservoirs)88 JIS B 8279-2003 压力容器罩(Jacket for pressure vessels)89 JIS R 3416-2003 成品纺织玻璃纤维织物(Finished textile glass fabrics)90 JIS R 3422-1995 织物加工玻璃带(Textile finished glass tapes)91 JIS X 5802-1994 信息技术报文通信信息定向型文本交换系统(MOTIS)第2部分:整体结构(Information technology -- Text Communication -- Message -- Oriented Text Interchange Systems (MOTIS) -- Part 2: Overall Architecture)92 JIS C 5610-1996 集成电路术语汇编(Glossary of terms used in integrated circuits)93 JIS K 5101-11-2-2004 颜料试验方法第11部分:密度第2节:离心脱气法(Test methods for pigments -- Part 11:Density -- Section 2: Centrifugal degassing method)94 JIS Z 6001 ERRATUM 1-2000 缩微照相透明A6型缩微胶片图像排列(勘误1)(Micrographics -- Transparent A6 microfiche -- Image arrangements (Erratum 1))95 JIS H 4040 ERRATUM 2-2000 铝和铝合金杆材、棒材、丝材(勘误2)(Aluminium and aluminium alloy rods bars and wires (Erratum 2))96 JIS C 0031-1995 环境试验第2部分:试验试验Z/BM:干热、低压复合试验方法(Environmental testing Part 2: Tests test Z/BM: Combined dry heat/low air pressure tests)97 JIS K 6347-3-2003 液化石油气用橡胶软管第3部分:分配软管及软管组合件规范(Rubber hoses for liquefied petroleum gases (LPGs) -- Part 3: Dispensing hoses and hose assemblies -- Specification)98 JIS C 5101-18-1999 电子设备用固定电容器第18部分:分规范:用固体(MnO2)和非固体作为电解质的固定式铝电解质片层电容器(Fixed capacitors for use in electronic equipment Part 18: Sectional specification: Fixed aluminium electrolytic chip capacitors with solid (MnO2) and non-solid electrolyte)99 JIS C 0035-1996 环境试验第2部分:试验方法试验Z//ABDM:气候序列(Environmental testing Part 2: Test methods Test Z/ABDM: Climatic sequence)100 JIS C 8953-1993 光伏特性排列I-V的现场测量(On-site measurements of photovoltaic array I-V characteristics)序号标准号标准名称1 JIS S 6007-2001 黑板(Chalkboards)2 JIS C 0061-2000 火焰危害试验第2部分:试验方法第2节:针焰(喷射燃烧器)试验(Fire hazard testing -- Part 2: Test methods -- Section 2 --Needle-flame test)3 JIS K0107-2002 废气中氯化氢含量的测定方法(Methods for determination of hydrogen chloride in flue gas)4 JIS B 8656-2002 比例电动液压旁通流量控制阀试验方法(Test methods for electro-hydraulic proportional bypass flow control valves)5 JIS B 0135-1993 起重机术语分类(GLOSSARY OF TERMS RELATING TO CRANES - KINDS OF CRANES)6 JIS B 8623-2002 冷凝机组的试验方法(Testing methods of refrigerant condensing units)7 JIS K 6766-1977 金属表面的聚乙烯薄膜的试验方法(Testing methods for polyethylenecoatings on metals)8 JIS K 0115-1992 分子吸收光度分析方法通则(General rules for molecular absorptiometric analysis)9 JIS T 7324-1989 医疗用小型高压蒸汽灭菌器(High-pressure steam sterilizers for medical use (small size))10 JIS Z 4701-1997 医用X射线装置通则(General rules for medical X-ray equipment)11 JIS B 0176-3-2002 螺纹加工刀词汇第3部分:槽(Threading tools -- Vocabulary Part 3: Chaser)12 JIS G 3352-2003 冷弯波纹钢板(Steel Decks)13 JIS B 7222-1991 16mm电影胶片的卷取装置及影片盘用轴尺寸(Spindles for 16 mm motion picture film spools and reels -- Dimensions)14 JIS L 1018 ERRATUM 1-2001 针织物试验方法(勘误1)(Test methods for knitted fabrics (Erratum 1))15 JIS C 3662-6-2003 额定电压450/750V及以下的聚氯乙烯绝缘电缆第6部分:电梯电缆和软连接用电缆(Polyvinyl chloride insulated cables of rated voltages up to and including 450/750 V -- Part 6: Lift cables and cables for flexible connections)16 JIS B 7110-1993 照相摄影中用玻璃滤色镜通用规范(Photographic glass filters -- General requirement)17 JIS B 7164-1997 16mm电影放映机(16 mm motion-picture projectors)18 JIS A 1129-1993 灰浆和混凝土长度变化的试验方法(Methods of test for length change of mortar and concrete)19 JIS A 1226-2000 土壤灼烧损伤的试验方法(Test method for ignition loss of soils)20 JIS B 1091-2003 紧固件验收检验(Fasteners -- Acceptance inspection)21 JIS Z 8750-1994 真空计校准方法(Methods of calibration for vacuum gauges)22 JIS M 7653-1996 便携式可燃气检测器(Portable type combustible gas detector)23 JIS X 4350-3-2003 信息技术JPEG 2000图像编码系统第3部分:移动JPEG 2000(Information technology -- JPEG 2000 Image coding system -- Part 3: Motion JPEG 2000) 24 JIS M 7650-1993 测长式一氧化碳探测器(Detector tube type carbon monoxide measuring instruments (Length-of-stain))25 JIS M 8701-1996 铁矿石手工取样方法(Iron ores -- Increment sampling -- Manual method)26 JIS Z 7302-4 ERRATUM 1-2000 来自于密化垃圾的燃料第4部分:灰分的测试方法(勘误1)(Densified refuse derived fuel -- Part 4: Test method for ash (Erratum 1))27 JIS A 8306-1990 土方机械工作部件移动时间的测量方法(Earth-moving machinery -- Test method for measurement of tool movement time)28 JIS A 1455-2002 地板覆盖物和已安装地板的抗静电效果测量和评价方法(Anti-static effect of floor coverings and installed floors -- Methods of measurement and evaluation)29 JIS B 7725-1997 维氏硬度试验试验机的验证(Vickers hardness test -- Verification of testing machines)30 JIS B 7410-1997 石油产品试验用玻璃温度计(Liquid-in-glass thermometers for testing of petroleum products)31 JIS C 3005 ERRA TUM 1-2001 橡胶或塑料绝缘线及电缆的试验方法(勘误1)(Test methods for rubber or plastic insulated wires and cables (Erratum 1))32 JIS K 5600-2-4-1999 涂料试验方法第2部分:涂料的特性和稳定性第4节:密度(Testing methods for paints -- Part 2: Characteristics and stability of paints -- Section 4: Density)33 JIS Z 3420-2003 金属材料焊接过程的规范及认可总则(Specification and approval of welding procedures for metallic materials -- General rules)34 JIS K 6890-1995 聚四氟乙烯管材(POL YTETRAFLUOROETHYLENE TUBES)35 JIS A 5361 ERRA TUM 1-2000 预制混凝土制品分类、命名和标记的通用规则(勘误1)(Precast concrete products -- General rules for classification designation and marking (Erratum 1))36 JIS L 1917-2000 由于织物表面硫的燃烧的试验方法(Testing method for burning due to surface flash of textiles)37 JIS C 8280-2003 爱迪生螺口灯座(Edison screw lampholders)38 JIS K 7557-1996 X射线用测辐射胶片(Badge films for X-rays)39 JIS K 5600-4-2-1999 涂料试验方法第4部分:膜的视觉特性第2节:遮盖力(深色涂料用)(Testing methods for paints -- Part 4: Visual characteristics of film -- Section 2: Hiding power (for dark-coloured paints))40 JIS K 5600-1-1-1999 涂料的试验方法第1部分:一般规则第1节:一般试验方法(调合和方法) (Testing methods for paints -- Part 1: General rule -- Section 1: General test methods (conditions and methods))41 JIS Z 8102 ERRA TUM 1-2002 不发光体颜色的名字(勘误1)(Names of non-luminous object colours (Erratum 1))42 JIS K 7244-6-1999 塑料动态力学性能的测定第6部分:剪力振动非共振法(Plastics -- Determination of dynamic mechanical properties -- Part 6: Shear vibration -- Non-resonance method)43 JIS S 0012-2000 包括老年人和残疾人在内的人群指南消费产品的可用性(Guidelines for all people including elderly and people with disabilities -- Usability of consumer products)44 JIS K 5633-2002 浸蚀性底漆(Etching primer)45 JIS K 7384-2002 塑料试验用聚氯乙烯(PVC)糊状物的制备行星式混合器法(Plastics -- Preparation of PVC pastes for test purposes -- Planetary-mixer method)46 JIS B 0001 ERRA TUM 1-2000 机械工程技术制图(勘误1)(Technical drawings for Mechanical Engineering (Erratum 1))47 JIS K 4126-1995 苯甲醛(Benzaldehyde)48 JIS K1201-2-2000 工业用碳酸钠第2部分:250℃时非挥发性物质质量损失的测定(Sodium carbonate for industrial use -- Part 2: Determination of loss of mass and of non-volatile matter at 250 degree C)49 JIS A 5537 ERRATUM 1-2003 JIS A5537的技术勘误1(JIS A 5537:2003/Erratum)50 JIS K 4135-1995 7-氨基-4-羟基-2-萘磺酸(J-酸) (7-Amino-4-hydroxy-2-naphthalene sulfonic acid (j-acid))51 JIS T 1117-1988 长时间心电图携带式记录装置(电量心电仪)(Ambulatory ECG recording system (holter system))52 JIS D 5712-1973 汽车警报蜂鸣器(Warning buzzers for automobiles)53 JIS K 5600-4-4-1999 涂料试验方法:第4部分:膜的视觉特性第4节:比色法(原理)(Testing methods for paints -- Part 4: Visual characteristics of film -- Section 4: Colorimetry (Principles))54 JIS K 0142-2000 表面化学分析信息格式(Surface chemical analysis -- Information formats)55 JIS L 0868-1995 耐甲醛色牢度试验方法(Test method for colour fastness to formaldehyde)56 JIS M 8100-1992 松散物料取样方法通则(Particulate materials -- General rules for methods of sampling)57 JIS D 0111-1992 与汽车悬挂装置有关的术语汇编(Glossary of terms relating to suspension of automobiles)58 JIS B 9514-2002 记时器性能检验方法(Test methods for time recorders)59 JIS Z 4808-2002 操作放射性物质的手套箱(Glove box for handling of radioactive substance)60 JIS H 1067-2002 铜中氧含量的测定方法(Methods for determination of oxygen in copper)61 JIS K 1501-1993 甲醇(Methanol)62 JIS K 5600-3-6-1999 涂料试验方法第3部分:成膜性第6节:涂料弗里试验(Testing methods for paints -- Part 3: Film formability -- Section 6: Print free test)63 JIS K 7139-1996 塑料多用途试样(Plastics -- Multipurpose test specimens)64 JIS S 5002-1995 粗帆布靴和鞋(Canvas boots and shoes)65 JIS B 6157-1993 永磁卡盘(PERMANENT MAGNETIC CHUCKS)66 JIS C 3006 ERRATUM 1-2001 纤维或纸绝缘线的试验方法(勘误1)(Methods of test for fiber or paper insulated wires (Erratum 1))67 JIS K 5552-2002 富锌底漆(Zinc rich primer)68 JIS K 5101-1991 颜料试验方法(Methods of test for pigments)69 JIS C 8432-1999 非塑化聚氯乙烯(PVC-U)导管配件(Fittings of unplasticized polyvinyl chloride (PVC-U) conduits)70 JIS G 7125-2003 机械加工用空心钢棒(ISO规范)(Hollow steel bars for machining (ISO specifications))71 JIS A 1112-2003 新浇混凝土的冲洗分析试验方法(Method of test for washing analysis of fresh concrete)72 JIS X 0811 ERRATUM 1-2002 GEDI通用电子文献交换(勘误1)(GEDI -- Generic Electronic Document Interchange (Erratum 1))73 JIS K 7081-1993 碳纤维增强塑料暴露在自然气候下的试验方法(Testing method for exposure to natural weathering of carbon fibre reinforced plastic)74 JIS K 7240-1999 塑料酚-甲醛模塑游离酚的测定碘量法(Plastics -- Phenol-formaldehyde mouldings -- Determination of free phenols -- Iodometric method)75 JIS L 0212-2-1999 织物术语汇编(不包括衣物)第2部分:室内装饰品(Glossary of textile terms (except clothes) -- Part 2: Textile interior products)76 JIS K 2536-5-2003 液态石油产品成分的测试方法第5部分:用气相色谱法测定氧化物含量(Liquid petroleum products -- Testing method of components Part 5: Determination of oxygenate compounds by gas chromatography)77 JIS K 5628-2002 铅丹铬酸锌防腐涂料(Red-lead zinc chromate anticorrosive paint)78 JIS Z3198-4-2003 无铅焊剂的试验方法第4部分:用湿平衡法和接触角法测试钎焊性的试验方法(Test methods for lead-free solders -- Part 4: Methods for solderbility test by a wetting balance method and a contact angle method)79 JIS B 2704 ERRA TUM 1-2001 螺旋压缩与拉伸弹簧设计要求和性能试验方法(勘误1)(Helical compression and extension springs -- Requirements for design performance test method (Erratum 1))80 JIS C8283-1-2003 家用和类似通用器具耦合器第1部分:一般要求(Appliances couplers for household and similar general purposes -- Part 1: General requirements)81 JIS K9806 ERRA TUM 1-2002 三羟基(N-(三(羟基)甲基)甘氨酸)(勘误1)(Tricine(N-(Tris(hydroxymethyl)methyl)glycine) (Erratum 1))82 JIS K7085-1993 碳纤维增强塑料的多轴向冲击特性的试验方法(Testing method for multiaxial impact behaviour of carbon fibre reinforced plastics)83 JIS K8575-1994 氢氧化钙(CALCIUM HYDROXIDE)84 JIS K8980-1995 硫酸汞(II)试剂(MERCURY (II) SULFATE)85 JIS T3205-1980 尿道注入器(Urethral injection syringe)86 JIS K 5600-3-4-1999 涂料试验方法第3部分:成膜性第4节:涂于某一表面的产品的亲合性评估(Testing methods for paints -- Part 3: Film formability -- Section 4: Evaluation of the compatibility of product with a surface to be painted)87 JIS K 5600-4-6-1999 涂料试验方法:第4部分:膜的视觉特性第6节:比色法(颜色差别的计算)(Testing methods for paints -- Part 4: Visual characteristics of film -- Section 6: Colorimetry (Calculation of colour differences))88 JIS B 3700-225-2003 工业自动化系统和集成产品数据的表示和交换第225部分:应用协议:用明确形状表示的建筑部件(Industrial automation systems and integration -- Product data representation and exchange -- Part 225: Application protocol: Building elements using explicit shape representation)89 JIS K 4147-1995 5-氨基-2-氯甲苯-4-磺酸(C酸)(5-Amino-2-chlorotoluene-4-sulfonic acid(C acid))90 JIS D 0006-2-2000 土方机械引擎第2部分:柴油机试验方法和规范的标准格式(Earth-moving machinery -- Engines -- Part 2: Standard format of specifications and tests methods of diesel engines)91 JIS D9112-1991 自行车轮胎尺寸(Cycle -- Tyres -- Dimensions)92 JIS B 8605-2002 致冷装置的截止阀(Stop valves for refrigerants)93 JIS B 5119-2003 成型模用圆定位部件和垫块(Round locating elements and spacers for moulds)94 JIS K 4165-1995 7-苯胺基-4羟基-2-萘磺酸(苯基J 酸)(7-Anilino-4-hydroxy-2-naphthalenesulfonic acid (Phenyl J-acid))95 JIS K 1409-1994 化学纤维用二氧化钛(Titanium dioxide for chemical fiber)96 JIS Z 3060-2002 铁素体钢焊缝的超声检验方法(Method for ultrasonic examination for welds of ferritic steel)97 JIS K 3361-1979 化学纤维用高级醇类整理剂的试验方法(Method of testing for finishing agent of higher alcohols for synthetic fibers)98 JIS E 4010-1985 铁路车辆及铁路车辆零部件的符号(Symbols for railway rolling stock and railway rolling stock parts)99 JIS E 2101-1990 带沟硬铜滑接导线(Hard-drawn grooved trolley wires)100 JIS K 5600-5-4-1999 涂料试验方法:第5部分:膜的机械特性第4节:刮擦硬度(铅笔法)(Testing methods for paints -- Part 5: Mechanical property of film -- Section 4: Scratch hardness (Pencil method)序号标准号标准名称1 JIS Z 3201-2001 低碳钢用气焊条(Gas welding rods for mild steel)2 JIS K 7209-2000 塑料吸水率的测定(Plastics -- Determination of water absorption)3 JIS K 7113-1995 塑料抗拉伸性的试验方法(Testing method for tensile properties of plastics)4 JIS K 3810-2-2003 支原体检测方法第2部分:非直接DNA染色检验法(Mycoplasmadetection methods -- Part 2: Indirect DNA staining assay)5 JIS K 7363-1999 塑料风化试验中辐射的仪器测定通用指南和规范基础(Plastics -- Instrumental determination of radiant exposure in weathering tests -- General guidance and basic test method)6 JIS K 7372-2000 塑料氯乙烯乙酸基乙烯酯共聚物乙酸基乙烯酯的测定(Plastics -- Vinyl chloride-vinyl acetate copolymers -- Determination of vinyl acetate)7 JIS W 0113 ERRA TUM 1-2002 飞行动力学概念、量及符号第3部分:力、力矩及其系数的导数(Flight dynamics -- Concepts quantities and symbols -- Part 3: Derivatives of forces moments and their coefficients (Erratum 1))8 JIS C 3342 ERRA TUM 1-2001 600 V 聚氯乙烯绝缘铠装电缆(勘误1)(600 V Polyvinyl chloride insulated and sheathed cables (Erratum 1))9 JIS K 5600-5-10-1999 涂料试验方法:第5部分:膜的机械特性第10节:磨损抗性试验(往复试验控制板法)(Testing methods for paints -- Part 5: Mechanical property of film -- Section 10: Abrasion resistance (Reciprocating test panel method))10 JIS K 6304-1994 自行车用内胎(INNER TUBES FOR BICYCLES TYPES)11 JIS T 0601-1-2-2002 医用电气设备第1部分:安全的一般要求2辅助标准:电磁兼容性试验和要求(Medical electrical equipment -- Part 1: General requirements for safety -- 2 Collateral standard: Electromagnetic compatibility -- Requirements and tests)12 JIS Z 2101-1994 木材试验方法(METHODS OF TEST FOR WOOD)13 JIS K 4133-1995 对氨基萘磺酸钠(Sodium naphthionate)14 JIS K 0603-2000 免疫球蛋白定量分析方法(Proteins -- Immunoglobulin -- Methods for quantitative analysis)15 JIS K 5646 ERRATUM 1-2002 漆分树脂内层涂料(勘误1)(Cashew resin undercoats (Erratum 1))16 JIS K7313-1-2000 塑料聚苯醚(PPE)模塑和挤压材料第1部分:名称与符号系统和规范基础(Plastics -- Polyphenylene ether (PPE) moulding and extrusion materials -- Part 1: Designation system and basis for specifications)17 JIS K 1510-1993 季戊四醇(Pentaerythritol)18 JIS K 1201-4-2000 工业用碳酸钠第4部分:氯化钠含量的测定改进的伏哈德电位测量法(Sodium carbonate for industrial use -- Part 4: Determination of sodium chloride content -- Modified volhard method potentiometric method)19 JIS R 6211-14-2003 粘合磨料产品尺寸第14部分:在角度式砂轮机上用清理和去毛刺砂轮(Bonded abrasive products -- Dimensions -- Part 14: Grinding wheels for deburring and fettling/snagging on an angle grinder)20 JIS C 8309-1999 挠性金属管道(Pliable metal conduits)21 JIS K 4822-2001 爆炸物稳定性试验用试剂(Reagents for stability tests of explosives)22 JIS B 8325-2003 水池用潜水泵(Submersible motor pumps for sump)23 JIS K 7370-2000 塑料聚氯乙烯树脂压实视松装密度的测定(Plastics -- PVC Resins -- Determination of compacted apparent bulk density)24 JIS K 7559-1996 通用测辐射胶片(Universal Badge films25 JIS W 7203-1984 飞行器电气系统飞行试验一般要求(Flight testing of electric systems in aircraft general requirements for)26 JIS T 9111-1-2000 橡胶避孕套第1部分:要求(Rubber condoms -- Part 1: Requirements)27 JIS K 1427-1983 亚硝酸钠(Sodium nitrite)28 JIS A 1129-3-2001 灰浆和混凝土长度变化的试验方法第3部分:千分表法(Methods of test for length change of mortar and concrete Part 3: Method with dial gague)29 JIS K 4180-1995 邻-硝基茴香醚(ortho-Nitroanisole)30 JIS D 1036-2003 摩托车和机动自行车用惯性滑行法测定框架测力计上的道路荷载(Motorcycles and mopeds -- Road load setting on chassis dynamometer by coastdown method)31 JIS K 1321-1994 硫酸(Sulfuric acid)32 JIS K 5600-8-2-1999 涂料试验方法:第8部分:涂料涂层变坏的评价第2节:起泡程度标识(Testing methods for paints -- Part 8: Evaluation of degradation of paint coatings -- Section 2: Designation of degree of blistering)33 JIS W 0125-3-2000 航空流体系统词汇第3部分:与温度有关的术语和定义(Aerospace -- Fluid systems -- Vocabulary -- Part 3: General terms and definitions relating to temperature)34 JIS K 7111-1996 塑料摆式冲击强度测定(Plastics -- Determination of charpy impact strength)35 JIS K 7243-1996 环氧树脂中无机氯测定(Determination of inorganic chlorine in epoxide resins)36 JIS C 9335-2-15-2004 家用和类似用途电器的安全第2-15部分:加热液体用装置的特殊要求(Household and similar electrical appliances -- Safety -- Part 2-15: Particular requirements for appliances for heating liquids)37 JIS B 7951-1998 大气中一氧化碳的连续分析仪(Continuous analyzer for carbon monoxide in ambient air)38 JIS K 6751-1-1999 邻苯二甲酸脂的试验方法第1部分:总则(Testing methods for phthalic esters -- Part 1: General)39 JIS K 1200-9-1-2000 工业用氢氧化钠第9部分:镁含量的测定第1节:火焰原子吸收分光光度法(Sodium hydroxide for industrial use -- Part 9: Determination of magnesium content -- Section 1: Flame atomic absorption spectrometry)40 JIS K 4142-1995 氯苯胺类(邻氯苯胺、对氯苯胺)(Chloroanilines (ortho-Chloroanilinepara-Chloroaniline))41 JIS A 1480-2002 建筑物用隔热材料和产品测定标称和设计热值的方法(Thermal insulating materials and products for buildings -- Procedures for determining declared and design thermal values)42 JIS Z 2244-2003 维氏硬度试验试验方法(Vickers hardness test -- Test method)43 JIS B 3700-202-1998 工业自动化系统和集成电路产品数据表示和交换第202部分:应用协议:联合制图(Industrial automation systems and integration -- Product data representation and exchange -- Part 202: Application protocol: Associative draughting)44 JIS L 6312-1999 提花织造用带综眼丝综(Twin wire healds with inset mail for jacquard weaving)45 JIS K 7220-1999 泡沫塑料硬质材料的压缩试验(Cellular plastics -- Compression test for rigid materials)46 JIS B 8372-1-2003 液压动力压缩空气压力调节器和过滤器调节器第1部分:包括用户和产品制作要求资料中的主要特征(Pneumatic fluid power -- Compressed air pressure regulators and filter-regulators -- Part 1: Main characteristics to be included in literature from suppliers and product-making requirements)47 JIS Z 2285-2003 金属材料线性热膨胀系数的测量方法(Measuring method of coefficient of linear thermal expansion of metallic materials)48 JIS H 1611-2001 钛及钛合金化学分析方法通则(Titanium and titanium alloys -- General rules for chemical analysis)49 JIS B 3700-224-2003 工业自动化系统和集成产品数据的表示和交换第224部分:应用协议:利用机械加工特性的加工计划用机械产品定(Industrial automation systems and integration -- Product data representation and exchange -- Part 224: Application protocol: Mechanical product definition for process planning using machining features)50 JIS Z 9103-1995 安全色总规范(SAFETY COLOURS - GENERAL SPECIFICATION)51 JIS A1 101-1998 混凝土塌落度的试验方法(Method of test for slump of concrete)52 JIS K 5401-1969 用铅笔划痕的涂膜试验机(Pencil scratch tester for coated film)53 JIS Z2332-1993 压力变化测量漏泄用试验方法(Test method for leaks using the pressure change measurement)54 JIS L 4406-2000 瓷砖铺面(Tile carpet)55 JIS A 5364 ERRA TUM 1-2000 预制混凝土制品材料和制品方法的通用规则(Precast concrete products -- General rules of materials and product methods (Erratum 1))56 JIS B 7118-1994 照相机用三脚架(Tripods for cameras)57 JIS A1144-2001 新浇混凝土水中氯化物浓度的试验方法(Methods of test for chloride concentration in water of fresh concrete)58 JIS K 1560-1994 1112-四氟甲烷(HFC-134a) (1 1 1 2-Tetrafluoroethane (HFC-134a))59 JIS W 7007-1991 飞行器地面供给电源一般要求(Aircraft -- Ground support electrical supplies -- General requirements)60 JIS S3018-2002 燃油洗浴用锅炉(Oil burning bath boilers)61 JIS C 1603-1983 指示式电阻温度计(Indicating resistance thermometers)62 JIS B0671-3-2002 产品几何量技术规范(GPS)表面结构:轮廓法有分层功能特性的表面第3部分:利用材料概率曲线表征高度(Geometrical Product Specifications (GPS) -- Surface texture: Profile method; Surfaces having stratified functional properties -- Part 3: Height characterization using the material probability curve)63 JIS B 8238-1994 液化石油气用压力调节器(Pressure regulators for liquefied petroleum gas)64 JIS T2617-1980 眼科剪刀(Eye scissors)65 JIS K1200-8-1-2000 工业用氢氧化钠第8部分:钙含量的测定第1节:火焰原子吸收分光光度法(Sodium hydroxide for industrial use -- Part 8: Determination of calcium content -- Section 1: Flame atomic absorption spectrometry)66 JIS Z 6016-2003 纸本文献及缩微文献的的电子成像过程(Electronic imaging process of paper documents and microfilmed documents)67 JIS W2924-2002 航空航天液压液的清洁度分类(Aerospace -- Cleanliness classification for hydraulic fluids)68 JIS C1901-1987 可编程测量仪器用接口系统(An interface system for programmable measuring instruments)69 JIS A7801-1994 防火用水泥砂浆的粉刷方法(Method of plastering of cement mortar for fire protection)70 JIS A9511-2003 预制泡沫塑料保温材料(Preformed cellular plastics thermal insulation materials)71 JIS K5101-5-3-2004 颜料试验方法第5部分:分散特性的评估方法第3节:光泽度改变的评估(Test methods for pigments -- Part 5: Methods of assessment of dispersion characteristics -- Section 3: Assessment from the change in gloss)72 JIS R 1801-2002 用FTIR测量红外线加热器用陶瓷辐射材料频谱发射率的方法(Method of measuring spectral emissivity of ceramic radiating materials for infrared heaters by using FTIR) 73 JIS A 1419-2-2000 声学建筑物和建筑元件内声音隔绝的比率第2部分:楼板冲击声音隔绝(Acoustics -- Rating of sound insulation in buildings and of building elements -- Part 2: Floor impact sound insulation)74 JIS Z 2286-2003 金属材料高温旋转弯曲疲劳试验方法(Method for high temperature rotating bending fatigue testing of metallic materials)75 JIS B 8280-2003 非圆形横截面的压力容器(Pressure vessels of noncircular cross section)76 JIS B 7097-1986 摄影机镜头的ISO颜色组成指数(ISO/CCI)的测定(Determination of ISO colour contribution index (ISO/CCI) of camera lenses)77 JIS C 0364-5-551-1999 建筑物的电气设施第5部分:电气设备的安装和选择第55章:其它设备第551节:低电压发电装置(Electrical installations of buildings Part 5: Selection and erection of electrical equipment Chapter 55: Other equipment Section 551: Low-voltage generating sets) 78 JIS C 0364-5-52 AMD 1-2000 建筑物的电气设施第5部分:电气设备的选择和安装第52章:布线系统(修改件1)(Electrical installations of buildings Part 5: Selection and erection of electrical equipment Chapter 52: Wiring systems (Amendment 1))79 JIS C 1612-2000 辐射温度计的试验方法(Test methods for radiation thermometers)80 JIS C 1210-1979 功率表通则(General rules for electricity meters)81 JIS X 3009-2002 信息技术程序设计语言Ada(Information technology -- Programming languages -- Ada)82 JIS B 3502-1997 程序控制器设备要求和试验(Programmable controllers -- Equipment requirements and tests)83 JIS X 5731-1-2003 信息技术开放系统互连目录第1部分:概念、模型和服务的概述(Information technology -- Open Systems Interconnection -- The Directory -- Part 1: Overview of concepts models and services)84 JIS G 3115 ERRA TUM 1-2000 中温用途压力容器钢板(勘误1)(Steel plates for pressure vessels for intermediate temperature service (Erratum 1))85 JIS B 7137-1990 生物显微镜承物台千分尺(Stage micrometer for biological microscope)86 JIS C 0052-1995 电气电子环境试验方法耐溶剂(浸泡)性试验(Environmental testing procedure of electronic and electrical resistance to solvents (immersion in cleaning solvents))87 JIS K 6404-2-3-1999 橡胶或塑料涂覆织物的试验方法卷料参数的测定第3部分:厚度的测定方法(Testing methods for rubber-or plastics-coated fabrics -- Determination of roll characteristics -- Part 3: Method for the determination of thickness)88 JIS Z 4606-1995 工业X射线照相检验装置(Industrial X-ray apparatus for radiographic testing)89 JIS C 3663-3-2003 额定电压450/750V及以下的橡胶绝缘电缆第3部分:耐热硅绝缘电缆(Rubber insulated cables -- Rated voltages up to and including 450/750 V -- Part 3: Heat resistant silicone insulated cables)90 JIS C 1102-4-1997 直接动作指示模拟电气测量仪器及其附件第4部分:频率表的特殊要求(Direct acting indicating analogue electrical measuring instruments and their accessories Part 4: Special requirements for frequency meters)91 JIS C 0364-7-705-1999 建筑物的电气设施第7部分:定位或特殊安装的要求第705节:园艺场所的电气安装(Electrical installations of buildings Part 7: Requirements for special installations or locations Section 705: Electrical installations of agricultural and horticultural。
日本工业标准JIS标准—代号名称对照表【中文版】招聘(广告)管理提醒:本帖被tuzi123 执行锁定操作(2007-05-12)JIS B0001 ERRATUM 1-2000 机械工程技术制图(勘误1)JIS B0001-2000 机械工程技术制图JIS B0002-1-1998 技术制图.螺纹和螺纹部件.第1部分:通用规范JIS B0002-2-1998 技术制图.螺纹和螺纹部件.第2部分:螺纹嵌镶件JIS B0002-3-1998 技术制图.螺纹和螺纹部件.第3部分:简化表示JIS B0003-1989 齿轮的制图室实施规范JIS B0004-1995 技术制图.弹簧画法JIS B0005-1-1999 技术绘图.滚动轴承.第1部分:一般简化图解JIS B0005-2-1999 技术绘图.滚动轴承.第2部分:细节简化图解JIS B0006-1993 技术制图.花键和锯齿形花键的画法JIS B0011-1-1998 技术制图.管道的简化表示法.第1部分:通则和正交表示法JIS B0011-2-1998 技术制图.管道的简化表示法.第2部分:等角投影JIS B0011-3-1998 技术制图.管道的简化表示法.第3部分:通风和排水系统终端部件JIS B0021-1998 产品几何量技术规范(GPS).几何公差.形状、方向、位置和偏转公差JIS B0022-1984 几何公差的基准及基准系统JIS B0023-1996 技术制图.几何公差.最大和最小的实体公差要求JIS B0024-1988 技术制图.公差表示的基本原则JIS B0025-1998 机械制图.几何公差.位置公差JIS B0026-1998 技术制图.尺寸和公差.非钢性部件JIS B0027-2000 技术制图.剖面的尺寸和公差表示JIS B0028-2000 技术制图.尺寸和公差表示.锥形JIS B0029-2000 技术制图.方向和位置的公差表示.突出公差带JIS B0031-2003 产品几何量技术规范(GPS).技术产品文献表面结构标注方法JIS B0041-1999 技术绘图.中心孔简化图解JIS B0090-10-2001 光学元件和系统图的绘制.第10部分:表示透镜元件数据的表JIS B0090-11-2001 光学元件和系统图的绘制.第11部分:不包含公差的数据JIS B0090-1-2001 光学元件和系统图的绘制.第1部分:总则JIS B0090-12-2001 光学元件和系统图的绘制.第12部分:非球型表面JIS B0090-2-2001 光学元件和系统图的绘制.第2部分:材料缺陷.应力双折射JIS B0090-3-2001 光学元件和系统图的绘制.第3部分:材料缺陷.起泡和杂质JIS B0090-4-2001 光学元件和系统图的绘制.第4部分:材料缺陷.不均匀和擦痕JIS B0090-5-2001 光学元件和系统图的绘制.第5部分:表面形式公差JIS B0090-6-2001 光学元件和系统图的绘制.第6部分:中心校正公差JIS B0090-7-2001 光学元件和系统图的绘制.第7部分:表面缺陷公差JIS B0090-8-2001 光学元件和系统图的绘制.第8部分:表面结构JIS B0090-9-2001 光学元件和系统图的绘制.第9部分:表面处理和涂覆JIS B0100-1984 阀门术语JIS B0101-1994 螺纹和紧固件.词汇JIS B0102-1999 齿轮术语.与几何有关的定义JIS B0103-1996 弹簧词汇JIS B0104-1991 滚动轴承.词汇JIS B0105-1993 机床.设计.词汇JIS B0106-1996 机床.部件及操作方法.词汇JIS B0107-1991 单刃刀具.词汇JIS B0108-1-1999 往复式内燃机,词汇.第1部分:引擎设计和操作术语JIS B0108-2-1999 往复式内燃机.词汇.第2部分:引擎维护术语JIS B0109-1-1999 往复式内燃机.元件和系统词汇.第1部分:结构和外壳JIS B0109-2-1999 ?词侥谌蓟?元件和系统词汇.第2部分:主要运行齿轮JIS B0109-3-1999 往复式内燃机.元件和系统词汇.第3部分:阀门,凸轮轴驱动和起动机械JIS B0109-4-1999 往复式内燃机.元件和系统词汇.第4部分:增压和空气/排气管道系统JIS B0109-5-1999 往复式内燃机.元件和系统词汇.第5部分:冷却系统JIS B0109-6-1999 往复式内燃机.元件和系统词汇.第6部分:润滑系统JIS B0109-7-1999 往复式内燃机.元件和系统词汇.第7部分:控制系统JIS B0109-8-1999 往复式内燃机.元件和系统词汇.第8部分:起动系统JIS B0109-9-1999 往复式内燃机.元件和系统词汇.第9部分:控制和检测系统JIS B0110-1999 往复式内燃机.特殊元件词汇JIS B0111-1997 印刷机械.词汇JIS B0112-1994 锻压.词汇JIS B0113-1989 工业用燃烧装置术语JIS B0114-1997 木材加工机械.词汇JIS B0115-1991 电子式现金收入记录机术语JIS B0116-1978 填料和密封垫术语JIS B0117-1991 办公机械术语JIS B0119-1992 水轮机及双向泵水轮机.词汇JIS B0121-1999 国际齿轮符号表示法.几何数据符号JIS B0122-1978 金属加工工艺符号JIS B0123 ERRATUM 1-2000 螺纹命名体系(勘误1)JIS B0123-1999 螺纹标识系统JIS B0124-1994 滚动轴承.量值符号JIS B0125-1-2001 液压气动系统及元件.图形符号和电路图.第1部分:图形符号JIS B0125-2-2001 液压气动系统及元件.图形符号和电路图.第2部分:电路图JIS B0126-1994 火力发电厂术语汇编.锅炉和附属装置JIS B0127-2004 火力发电厂术语汇编.火力和地热发电厂的汽轮机和辅助设备JIS B0128-1995 火力发电厂.燃气轮机和附属装置.词汇JIS B0130-1989 火力发电术语.通用术语JIS B0131-2002 涡轮泵术语集JIS B0132-1984 鼓风机和压缩机术语JIS B0134-1998 工业操作机器人.词汇JIS B0137-1985 复印机术语JIS B0138-1996 工业机器人.机械结构的图形符号顶端Posted: 2007-03-24 08:34 | [楼主]tintyjin级别: 学徒工精华: 0发帖: 35威望: 5 点金钱: 317 机械币贡献值: 0 点注册时间:2006-11-08最后登录:2009-05-23小中大引用推荐编辑只看复制招聘(广告)JIS B0139-2000 复印机图形符号JIS B0140-1993 输送机的相关术语汇编.输送机的种类JIS B0141-1993 输送机的相关术语汇编.零部件、组件及其它JIS B0142-1994 液压和气动设备的相关术语汇编JIS B0143-1985 螺钉各部尺寸名称及符号JIS B0144-2000 PCB(印制电路板组装机器人.词汇JIS B0146-1-2000 起重机.词汇.第1部分:通则JIS B0146-2-2000 起重机.词汇.第2部分:汽车起重机JIS B0147-2004 埋头铆钉.术语和定义JIS B0148-1998 提升设备.术语JIS B0149-1990 发动机的术语和定义总汇.发电机组JIS B0151-2001 铁管和钢管配件.词汇JIS B0152-1997 离合器及制动器.词汇JIS B0153-2001 机械振动和冲击的术语汇编JIS B0154-1996 圆锥的词汇JIS B0155-1997 工业流程测量和控制.术语和定义JIS B0160 ERRATUM 1-2000 齿轮.齿轮齿的磨损.术语(勘误1)JIS B0160-1999 齿轮.齿轮齿的磨损和损害.术语JIS B0161-1999 园周滑动轴承.词汇JIS B0170-1993 切削工具.词汇.基本术语JIS B0171-1997 麻花钻.词汇JIS B0172-1993 铣刀术语汇编JIS B0173-2002 铰刀.词汇JIS B0174-1991 齿轮铣刀.词汇JIS B0175-1996 拉刀.词汇JIS B0176-1-2002 螺纹加工刀.词汇.第1部分:丝锥JIS B0176-2-2002 螺纹加工刀.词汇.第2部分:螺纹切削模JIS B0176-3-2002 螺纹加工刀.词汇.第3部分:槽JIS B0176-4-2002 螺纹加工刀具.词汇.第4部分:滚丝模JIS B0181-1998 工业自动化系统.机械的数值控制.词汇JIS B0182-1993 机床.试验代码.词汇JIS B0185-2002 智能机器人.词汇JIS B0186-2003 移动式遥控装置.词汇JIS B0190-1986 压力容器制造用术语总汇JIS B0191-1986 日本文字处理机的相关术语汇编JIS B0201-1973 微型螺纹JIS B0202-1999 圆柱管螺纹JIS B0203-1999 锥管螺纹JIS B0205-1-2001 ISO通用米制螺纹.第1部分:基本轮廓JIS B0205-2-2001 ISO通用米制螺纹.第2部分:总图JIS B0205-3-2001 ISO通用米制螺纹.第3部分:螺钉、螺栓和螺母的选择尺寸JIS B0205-4-2001 ISO通用米制螺纹.第4部分:基本尺寸JIS B0206-1973 统一粗牙螺纹JIS B0208-1973 统一细牙螺纹JIS B0209-1-2001 ISO通用米制螺纹.公差.第1部分:原则和基本数据JIS B0209-2-2001 ISO通用米制螺纹.公差.第2部分:通用外部和内部螺纹规格的限值.中等质量JIS B0209-3 ERRATUM 1-2002 ISO通用米制螺纹.公差.第3部分:结构螺纹的偏离(勘误1)JIS B0209-3-2001 ISO通用米制螺纹.公差.第3部分:结构螺纹的偏离JIS B0209-4-2001 ISO通用米制螺纹.公差.第4部分:与电镀后公差级为H或G的内部攻丝螺纹配合的热浸电镀外部螺纹的规格的限值JIS B0209-5 ERRATUM 1-2002 ISO通用米制螺纹.公差.第5部分:与电镀前最大公差级为h的热浸电镀外螺纹相配合的内螺纹的尺寸限值(勘误1)JIS B0209-5-2001 ISO通用米制螺纹.公差.第5部分:与电镀前最大公差级为h的热浸电镀外部螺纹配合的内部螺纹规格的限值JIS B0210-1973 统一粗牙螺纹的允许极限尺寸与公差JIS B0212-1973 统一细牙螺纹的允许极限尺寸与公差JIS B0216-1987 米制梯形螺纹JIS B0217-1980 米制梯形螺纹公差体系JIS B0218-1980 米制梯形螺纹的允许极限尺寸与公差JIS B0225-1960 自行车螺纹JIS B0251-1998 米制粗牙螺纹极限量规JIS B0253-1985 锥形管螺纹量规JIS B0254-1985 圆柱管螺纹量规JIS B0255-1998 统一粗牙螺纹极限量规JIS B0261-2004 平行螺纹量规.量规的测量方法JIS B0262-1989 锥形螺纹量规的检验方法JIS B0271-2004 螺纹测量用三线法和螺纹测量用四线法JIS B0401-1-1998 公差和配合的ISO系统.第1部分:公差、偏差和配合的基础JIS B0401-2 ERRATUM 1-2002 限值和配合的ISO体系.第2部分:孔和轴的标准公差等级和极限偏差表(勘误1)JIS B0401-2-1998 公差和配合的ISO系统.第2部分:孔和轴的标准公差级和极限偏差表JIS B0403-1995 铸件.尺寸公差和机械加工余量体系JIS B0405-1991 普通公差. 第1部分:无单个公差指示的线性及角度尺寸公差JIS B0408-1991 金属板冲压加工件一般尺寸公差JIS B0410-1991 金属板剪切件一般公差JIS B0411-1978 无公差指示的金属烧结件尺寸的允许偏差JIS B0415-1975 钢模锻件的尺寸公差(锤锻及压锻加工)JIS B0416-1975 钢模锻件的尺寸公差(镦锻加工)JIS B0417-1979 气割钢板未标注的可允许尺寸偏差JIS B0418-1999 自由锻造件的加工余量JIS B0419-1991 一般公差.第2部分:未标注公差零件的几何公差JIS B0601-2001 产品几何量技术规范.表面结构:轮廓法.术语、定义和表面结构参数JIS B0610-2001 产品几何量技术规范.表面结构:轮廓法.展成圆波纹度的定义和名称与符号顶端Posted: 2007-03-24 08:35 | 1 楼tintyjin级别: 学徒工精华: 0发帖: 35威望: 5 点金钱: 317 机械币贡献值: 0 点注册时间:2006-11-08最后登录:2009-05-23小中大引用推荐编辑只看复制招聘(广告)JIS B0612-2002 产品几何量技术规范.圆锥度和刃角系列JIS B0613-1976 中心距的允许偏差JIS B0614-1987 圆锥公差系统JIS B0615-2002 产品几何量技术规范.棱体的角度及斜度系列JIS B0616-1996 圆锥配合体系JIS B0621-1984 几何偏差的定义及名称和符号JIS B0631-2000 几何产品规范(GPS).表面纹理:断面法.花纹图案参数JIS B0632-2001 产品几何量技术规范(GPS).表面结构:轮廓法.相位校正过滤器的计量特征JIS B0633-2001 产品几何量技术规范(GPS).表面结构:轮廓法.表面特征评估规则和程序JIS B0641-1-2001 产品几何量技术规范(GPS).通过工件测量进行检验和测量设备.第1部分:判定是否符合技术要求的规则JIS B0651 ERRATUM 1-2002 产品几何量技术规范(GPS).表面结构:轮廓法.触针式仪器的标称特征(勘误1)JIS B0651-2001 产品几何量技术规范.表面结构:轮廓法.触针式仪器的标称特性JIS B0652-1973 光波干涉式表面粗糙度测定仪JIS B0659-1-2002 产品几何量技术规范(GPS).表面结构:轮廓法.测量标准.第1部分:材料测量JIS B0670-2002 产品几何量技术规范(GPS).表面结构:轮廓法.触针式仪器的校正JIS B0671-1-2002 产品几何量技术规范(GPS).表面结构:轮廓法.有分层功能特性的表面.第1部分:过滤和一般测量条件JIS B0671-2-2002 产品几何量技术规范(GPS).表面结构:轮廓法.有分层功能特性的表面.第2部分:利用线性材料比率曲线表征高度JIS B0671-3-2002 产品几何量技术规范(GPS).表面结构:轮廓法.有分层功能特性的表面.第3部分:利用材料概率曲线表征高度JIS B0672-1-2002 产品几何量技术规范(GPS).几何特性.第1部分:一般术语和定义JIS B0672-2-2002 产品几何量技术规范(GPS).几何特性.第2部分:圆柱体和圆锥体的提取中心线、提取中心面和提取要素的中心尺寸JIS B0701-1987 切削加工件的圆度和倒棱JIS B0702-1977 冲压件的倒圆角JIS B0703-1987 铸件的圆度JIS B0706-1987 锻件的棱和圆角(热壳和温壳锻件)JIS B0711-1976 磨削余量JIS B0712-1969 精整切削的机械加工留量JIS B0901-1977 轴的直径JIS B0902-2001 发动和从动机旋转轴高度JIS B0903-2001 圆柱形轴端JIS B0904-2001 锥度比例1:10的圆锥形轴端JIS B0905-1992 旋转电机.刚性转子的平衡质量要求JIS B0906-1998 机械振动.用非旋转部件上的测量法评定机械振动.一般导则JIS B0907-1989 转动机械及往复式机械的振动.振动强度测定器的要求JIS B0908-1991 振动及冲击传感器的校准方法.基本概念JIS B0909-1993 冲击和振动测量.地震拾波器特性JIS B0910-1999 非往复机器的机械振动.旋转轴的测量和评估标准.一般指南JIS B0911-2000 机械振动.不平衡设备的敏感度和灵敏性JIS B0951-1962 滚花JIS B0952-1999 机床工具台.T型槽和相应螺栓JIS B1001-1985 螺栓和螺纹用通孔与沉孔的直径JIS B1002-1985 螺钉头、螺母的对边宽度尺寸JIS B1003-2003 紧固件.ISO米制外螺纹部件端头JIS B1004-1975 螺纹底径JIS B1005-2003 一般用途的螺栓和螺钉.米制系列.端头半径JIS B1006-1985 外螺纹紧固件螺纹尾部长度与退刀槽JIS B1007-2003 攻丝螺钉螺纹JIS B1008-1988 螺栓、螺钉和螺柱的开口销槽和金属丝孔JIS B1009-1991 螺栓、螺钉和螺柱.一般用途螺栓的公称长度及螺纹长度JIS B1010-2003 紧固件的名称与符号体系JIS B1011-1987 中心孔JIS B1012-1985 螺钉头十字槽JIS B1013-1994 埋头螺钉.头部外形和量规JIS B1014-1994 埋头法兰头螺钉.第2部分:十字凹槽贯穿深度JIS B1015-2001 螺栓和螺钉的六小叶片内推进特性JIS B1021-2003 紧固件公差.第1部分:螺栓、螺钉、螺柱和螺母.产品等级A、B和C级JIS B1022-1999 紧固件公差.第3部分:螺栓,螺钉和螺母的垫圈.A级和C级产品JIS B1041-1993 紧固件.表面缺陷.第1部分:普通要求用螺栓、螺钉和螺柱JIS B1042-1998 紧固件.表面不连续性.第2部分:螺母JIS B1043-1993 紧固件.表面缺陷.第3部分:特殊要求用螺栓、螺钉和螺柱JIS B1044-2001 紧固件.电镀覆层JIS B1045-2001 紧固件.氢蚀致脆探测的预加负荷试验.滑动轴承表面法JIS B1051 ERRATUM 1-2001 碳素钢和合金钢紧固件的机械特性.第1部分:螺栓、螺钉和螺柱(勘误1)JIS B1051-2000 碳素钢和合金钢紧固件的机械特性.第1部分:螺栓、螺钉和螺柱JIS B1052-1998 钢制螺母的机械性能JIS B1053-1999 用碳钢和合金钢制成的紧固件的机械特性.不超过拉伸强度的紧固螺纹和类似螺纹紧固件JIS B1054-1-2001 耐腐蚀不锈钢紧固件的机械特性.第1部分:螺栓、螺钉和螺柱JIS B1054-2-2001 耐腐蚀不锈钢紧固件的机械特性.第2部分:螺母JIS B1054-3-2001 耐腐蚀不锈钢紧固件的机械特性.第3部分:无拉伸应力的定位螺钉和类似紧固件JIS B1055-1995 自攻螺钉.机械性能JIS B1056-2000 有效力矩型钢制六角头螺母.机械和操作性能JIS B1057-2001 有色金属紧固件的机械性能JIS B1058-1995 紧固件的机械特性.第7部分:扭力试验和标称直径为1 mm-10mm的螺栓和螺钉的最小转力JIS B1059-2001 带自攻螺钉螺纹的钻孔螺钉.机械和功能特性JIS B1060-2003 表面淬火和回火的米制螺纹轧制螺钉的机械和性能要求JIS B1071-1985 紧固件几何尺寸的测定方法JIS B1081 ERRATUM 1-2000 螺纹紧固件.轴向负荷疲劳试验.试验方法和结果评定(勘误1)JIS B1081-1997 螺纹紧固件.拉伸疲劳试验方法.试验方法和结果评定JIS B1082-1987 紧固件的应力面积和支撑面积JIS B1083-1990 螺纹紧固件的紧固通则JIS B1084-1990 螺纹紧固件的紧固试验方法JIS B1085-1995 螺母的圆锥装载试验JIS B1086-1998 螺母的加宽试验JIS B1087-2004 埋头铆钉.机械试验JIS B1091-2003 紧固件.验收检验JIS B1101-1996 槽头螺钉JIS B1107-2004 Hexalobular凹头螺钉JIS B1111-1996 十字槽螺钉JIS B1112-1995 十字槽木螺钉JIS B1115-1996 槽头自攻丝螺钉JIS B1116-1980 精密仪器用槽头机螺钉JIS B1117-1995 有槽定位螺钉JIS B1118-1995 方头定位螺钉JIS B1119-1995 眼镜框架用小螺钉和螺母JIS B1122-1996 十字槽自攻丝螺钉JIS B1123-1996 六角头自攻丝螺钉JIS B1124-2003 带攻丝螺钉螺纹的钻孔螺钉JIS B1125-2003 自钻孔自攻丝螺钉JIS B1126-1995 带垫圈六角头自攻螺钉JIS B1127 ERRATUM 1-2001 六角法兰头自攻螺钉(勘误1)JIS B1127-1995 六角自攻螺钉边缘JIS B1128-2004 Hexalobular凹头攻丝螺钉JIS B1129-2004 带平垫圈的攻丝螺钉垫圈组件JIS B1135-1995 有槽木螺钉JIS B1136-2004 Hexalobular内六角螺钉JIS B1163-2001 方螺母JIS B1166-1995 T型槽螺栓JIS B1167-2001 T型槽螺母JIS B1168-1994 吊环螺栓JIS B1169-1994 吊环螺母JIS B1170-2001 带槽六角螺母JIS B1171-1996 半圆头方颈螺栓顶端Posted: 2007-03-24 08:38 | 2 楼tintyjin级别: 学徒工精华: 0发帖: 35威望: 5 点金钱: 317 机械币贡献值: 0 点注册时间:2006-11-08最后登录:2009-05-23小中大引用推荐编辑只看复制招聘(广告)JIS B1173-1995 螺柱JIS B1174-2000 六角凹头螺钉JIS B1175-1988 六角凹头有肩螺钉JIS B1176-2000 六角凹头平头螺钉JIS B1177-1997 六角凹头紧定螺钉JIS B1178-1994 地脚螺钉JIS B1179-1994 平头螺钉JIS B1180-2004 六角头螺栓和螺钉JIS B1181-2004 六角螺母和六角薄螺母JIS B1182-1995 方头螺栓JIS B1183-2001 六角盖形螺母JIS B1184-1994 蝶形螺栓JIS B1185-1994 蝶形螺母JIS B1186-1995 摩擦连接用高强度六角螺栓、六角螺母及带垫圈平头螺钉系列JIS B1187-1995 带系紧垫圈的六角螺钉JIS B1188-1995 带系紧垫圈的十字槽螺钉JIS B1189-1999 六角法兰螺栓JIS B1190-1999 带法兰的六角螺母JIS B1192-1997 滚珠丝杠JIS B1193-2004 滚珠花键JIS B1194 ERRATUM 1-2000 六角套节埋头螺钉(勘误1)JIS B1194-2000 六角套节埋头螺钉JIS B1195-1994 焊接螺栓JIS B1196-2001 焊接螺母JIS B1198-1995 带头的螺柱JIS B1199-1-2001 一般扭矩型螺母.第1部分:带非金属螺孔塞的六角螺母JIS B1199-2-2001 一般扭矩型螺母.第2部分:全金属六角螺母JIS B1199-3-2001 一般扭矩型螺母.第3部分:带非金属螺孔塞的凸缘六角螺母JIS B1199-4-2001 一般扭矩型螺母.第4部分:全金属凸缘六角螺母JIS B1213-1995 冷成型铆钉JIS B1214-1995 热成型铆钉JIS B1215-1976 半管型铆钉JIS B1251 ERRATUM 1-2001 弹簧垫圈(勘误1)JIS B1251-2001 弹簧垫圈JIS B1256 ERRATUM 1-2002 普通垫圈(勘误1)JIS B1256-1998 平垫圈JIS B1301-1996 键及其键槽JIS B1351-1987 开口销JIS B1352-1988 圆锥销JIS B1353-1990 开口圆锥销JIS B1354-1988 平行销JIS B1355-1990 定位销(硬化平行销)JIS B1358-1990 锥形螺纹销JIS B1359-1990 内螺纹平行销JIS B1451-1991 法兰盘式刚性联轴器JIS B1452-1991 法兰盘式挠性联轴器JIS B1453-1988 齿轮形联轴器JIS B1454-1988 球形万向接头JIS B1455-1988 橡胶联轴器JIS B1456-1989 滚子链轮联轴器JIS B1501-1988 滚珠轴承用钢球JIS B1506-1991 滚柱轴承用滚柱JIS B1509-1987 滚动轴承的定位卡环JIS B1511-1993 滚动轴承.通则JIS B1512-2000 滚动轴承.主要尺寸JIS B1513-1995 滚动轴承.名称和符号JIS B1514-2000 滚动轴承.公差JIS B1515-1988 滚动轴承的测量方法JIS B1516-1987 滚动轴承和包装件的标记JIS B1517-1984 滚动轴承的包装JIS B1518-1992 滚动轴承的额定动力荷载及额定寿命JIS B1519-1989 滚动轴承的额定静负荷JIS B1520-1995 滚动轴承的径向游隙JIS B1521-1993 滚动轴承.深沟滚珠轴承JIS B1522-1993 滚珠轴承.角接触滚球轴承JIS B1523-1993 滚动轴承.自位滚珠轴承JIS B1532-1993 滚动轴承.平底止推滚珠轴承JIS B1533-1993 滚动轴承.圆柱滚柱轴承JIS B1534-1993 滚动轴承.圆锥滚柱轴承JIS B1535-1993 滚动轴承.自位滚柱轴承JIS B1536-1999 滚针轴承.针滚动轴承.尺寸和公差JIS B1539-1993 滚动轴承.自位止推滚柱轴承JIS B1548-1995 滚动轴承声压级测定方法JIS B1551-1995 滚动轴承配件.轴台轴承箱JIS B1552-1993 滚动轴承.接头组件和紧固套JIS B1554-1993 滚动轴承.防松螺母、锁紧垫圈和锁片JIS B1556-1993 滚动轴承.转接套和螺母JIS B1557-1995 滚动轴承.插入式轴承装置JIS B1558-1995 滚动轴承.插入式轴承JIS B1559-1995 滚动轴承.插入式轴承用铸造外壳和加压箱JIS B1566-1989 滚动轴承的安装尺寸和配合JIS B1575 ERRATUM 1-2001 油脂枪喷嘴(勘误1)JIS B1575-2000 油脂枪喷嘴JIS B1582-1996 轴颈轴承用轴衬JIS B1583-1999 滑动轴承.表面变化和损害原因及特性和术语JIS B1601-1996 带有定心孔的圆柱形轴用直边花键.尺寸、公差及检验JIS B1603-1995 渐开线花键的直线轨迹.适合边缘.概要、尺寸和检验顶端Posted: 2007-03-24 08:42 | 3 楼tintyjin级别: 学徒工精华: 0小中大引用推荐编辑只看复制招聘(广告)JIS B1701-1-1999 一般和重型机械用圆柱型齿轮.第1部分:标准基本齿条齿刨面图JIS B1701-2-1999 一般和重型机械用圆柱型齿轮.第2部分:模数JIS B1702-1-1998 圆柱齿轮.准确度的ISO体系.第1部分:齿轮啮合对应齿根面相应偏差的容许值和定义JIS B1702-2-1998 圆柱齿轮.准确度的ISO体系.第2部分:有关放射要素偏差度和输出信息相应偏差度的容许值和定义JIS B1704-1978 锥齿轮的准确度发帖: 35威望: 5 点金钱: 317 机械币贡献值: 0 点注册时间:2006-11-08 最后登录:2009-05-23 JIS B1705-1973 锥齿轮的齿隙JIS B1706-1-1999 一般机械用直伞型齿.第1部分:基本齿条JIS B1706-2-1999 一般和重型机械用直锥齿轮.第2部分:模数和直径齿节JIS B1723-1977 圆柱蜗轮尺寸JIS B1751-1976 检验用标准圆柱齿轮JIS B1753-1999 齿轮验收.由齿轮单元发出的空气传播的声音强度级别的测定JIS B1754-1998 齿轮验收规程.第2部分:验收试验过程中齿轮装置机械振动的测定JIS B1755-1999 斜齿轮和正齿轮的负载容量的计算.材料的强度和质量JIS B1801-1997 短齿距传动精度传动滚子链及套筒链JIS B1803-1998 输送机用双节距精密滚子链条JIS B1804-1993 片状链JIS B1810-1999 滚动链选择指南JIS B1852-1980 平带传动皮带轮JIS B1854-1987 老式V型皮带用带槽的皮带轮JIS B1855-1991 窄V型皮带用带槽皮带轮JIS B1856-1993 同步皮带传动.皮带轮JIS B1857-1-2001 通用电力传输用曲线式锯齿形同步皮带驱动系统.第1部分:皮带JIS B1857-2-2001 通用电力传输用曲线式锯齿形同步皮带驱动系统.第2部分:皮带轮JIS B2001-1987 阀门的公称直径和孔径JIS B2002-1987 阀门的结构尺寸JIS B2003-1994 阀门检查通则JIS B2004-1994 阀门的标志通则JIS B2007-1993 工业过程控制阀.检验和常规试验JIS B2011 AMD 1-2004 青铜闸阀、球阀、角阀和止回阀(修改件1) JIS B2011-2003 球形、直角形青铜阀和单向阀JIS B2031-1994 灰口铸铁阀JIS B2032-1995 圆片形橡胶板蝶阀JIS B2051-1994 10K可锻铸铁螺纹式阀JIS B2061-2004 龙头、球形旋塞和冲洗阀JIS B2062-1994 水管用闸阀JIS B2071-2000 钢阀JIS B2205 ERRATUM 1-2001 管法兰的计算基础(勘误1)JIS B2205-1991 管法兰的计算标准JIS B2206-1995 铝合金管法兰的计算标准JIS B2207-1995 具有全密封垫铝合金管法兰的计算基础JIS B2220-2004 钢管法兰JIS B2239-2004 铸铁管法兰JIS B2240-1996 铜合金管法兰通则JIS B2241-1986 铝合金管法兰基本尺寸JIS B2290-1998 真空技术.法兰尺寸JIS B2291-1994 21 MPA液压用松套焊接管法兰JIS B2292-1-2000 液压传动.正排量泵和发动机.法兰和轴端装配的尺寸和识别代码.第1部分:用米制单位表示的英寸系列JIS B2292-2-2000 液压传动.正排量泵和发动机.法兰和轴端装配的尺寸和识别代码.第2部分:两孔和四孔法兰及轴端.米制系列JIS B2292-3-2000 液压传动.正排量泵和发动机.法兰和轴端装配的尺寸和识别代码.第3部分:多边法兰(包括圆形法兰)JIS B2293-2000 真空技术.管道配件.装配尺寸JIS B2301-2004 螺纹式可锻铸铁管接头JIS B2302-1998 螺旋式钢管配件JIS B2303-1995 螺纹连接式排水管接头JIS B2308-2002 不锈钢螺纹配件JIS B2311 AMD 1-2001 一般用途钢制对焊管配件(修改件1)JIS B2311-1997 一般用途钢制对焊管配件JIS B2312 AMD 1-2001 钢制对焊管配件(修改件1)JIS B2312-1997 钢制对焊管配件JIS B2313 AMD 1-2001 钢板制对焊管配件(修改件1)JIS B2313-1997 钢板制对焊管配件JIS B2316-1997 钢制套筒式焊接管配件JIS B2321-1995 铝及铝合金对焊接管接头JIS B2351-1 ERRATUM 1-2000 液动和通用金属管接头.第1部分:24度SIGN压合配件(勘误1)JIS B2351-1 ERRATUM 2-2002 液压和通用金属管接头.第1部分:24度SIGN压合配件(勘误2)JIS B2351-1-2000 液压和通用金属管接头.第1部分.24度SIGN压合接头JIS B2351-5-2000 液压和通用金属管接头.第5部分.螺纹液压接头试验方法JIS B2352-1994 波纹管式伸缩管接头JIS B2355-1-2000 液压和通用金属管接头.带ISO261螺纹和O环密封孔和螺栓.第1部分:平头处有O环密封的孔JIS B2355-2-2000 液压和通用金属管接头.带ISO261螺纹和O环密封孔和螺栓.第2部分:重负载螺栓端.尺寸设计试验方法和要求JIS B2355-3-2000 液压和通用金属管接头.带ISO261螺纹和O环密封孔和螺栓.第3部分:轻负载螺栓端.尺寸设计试验方法和要求JIS B2356-1-2001 液动和通用接头.弹性密封或金属间密封的有ISO 2 61螺纹的孔和螺柱端头.第1部分:螺纹孔JIS B2356-2-2000 液压和通用金属管接头.带ISO 261螺纹和弹性体或金属对金属密封的孔和螺栓.第2部分:带弹性密封的螺栓末端JIS B2358-1-2001 液动和通用接头.有ISO 261螺纹和O形环密封的孔和螺柱端头.第1部分:在平端罩中使用O形环密封件的孔JIS B2401 ERRATUM 1-2001 O型密封圈(勘误1)JIS B2401-1999 O型密封圈JIS B2402-1-2002 旋转轴唇形密封件.第1部分:标准尺寸和公差JIS B2402-2-2002 旋转轴唇形密封件.第2部分:词汇JIS B2402-3-2002 旋转轴唇形密封件.第3部分:储存、加工和安装JIS B2402-4-2002 旋转轴唇形密封件.第4部分:性能试验方法JIS B2402-5-2002 旋转轴唇形密封件.第5部分:视觉缺陷定义JIS B2403-1995 V型密封件JIS B2404-1999 管法兰用螺旋衬垫的尺寸JIS B2405-2003 机械密封件.一般要求JIS B2406-1991 O型密封圈装配槽.设计标准JIS B2407-1995 O型密封圈的保护圈JIS B2408-1993 液体系统.密封装置.O形环.质量验收标准JIS B2409-2002 液压传动.密封设备.油压往复设备用密封件性能评定的标准试验方法JIS B2704 ERRATUM 1-2001 螺旋压缩与拉伸弹簧.设计要求和性能试验方法(勘误1)JIS B2704-2000 螺旋压缩与拉伸弹簧.设计要求和性能试验方法JIS B2706 ERRATUM 1-2001 碟形弹簧(勘误1)JIS B2706-2001 碟形弹簧JIS B2709-2000 螺旋扭转弹簧.设计要求和性能试验方法JIS B2710-2000 片簧.设计要求和性能试验方法JIS B2801-1996 卸扣JIS B2803-1996 吊钩JIS B2804 ERRATUM 1-2001 挡圈(勘误1)JIS B2804-2001 挡圈JIS B2808-1999 垂直弹簧销.凹槽型JIS B2809-1996 钢丝绳.钢丝绳或钢丝绞合线用线夹JIS B3000-1997 工厂自动化.词汇JIS B3102-2001 螺纹极限量规用块规JIS B3301-1989 莫氏锥形量规JIS B3401-1993 计算机辅助设计术语集JIS B3402-2000 计算机辅助设计制图JIS B3410-1996 技术制图.绘图机.词汇JIS B3411-1-1998 数字控制绘图机.性能评定制图试验.第1部分:矢量绘图器JIS B3411-2-2002 数字控制绘图机.性能评定制图试验.第2部分:单色栅格绘图机JIS B3412-2002 绘图仪.特别条款JIS B3420-1993 数字转换器.特别条款JIS B3500-1990 可编程序控制器术语集JIS B3501-1997 程序控制器.通用信息JIS B3502-1997 程序控制器.设备要求和试验顶端Posted: 2007-03-24 08:46 | 4 楼tintyjin级别: 学徒工精华: 0发帖: 35威望: 5 点金钱: 317 机械币贡献值: 0 点注册时间:2006-11-08最后登录:2009-05-23小中大引用推荐编辑只看复制招聘(广告)JIS B3503-1997 可编程序控制器.程序设计语言JIS B3511-1999 可编程序控制器.现场网络标准(1级)JIS B3512-1999 可编程序控制器.现场网络标准的试验和检定(1级)JIS B3521-2004 FA控制网络标准协议规范JIS B3551-1998 可编程序显示.词汇JIS B3600-2004 工业自动化系统.制造电文规范.第1部分:服务定义JIS B3601-2004 工业自动化系统.制造电文规范.第2部分:协议规范JIS B3651-2002 工业自动化系统和集成.生产自动化编程环境(MAPLE).功能结构JIS B3652-2002 工业自动化系统和集成.生产自动化编程环境(MAPLE).第2部分:服务和接口JIS B3700-101 Technical Corrigendum 1-2002 工业自动化系统和集成.产品数据的表示和交换.第101部分:综合应用资源:绘图(技术勘误1)JIS B3700-101-1996 工业自动化系统和集成电路.产品数据表示和信息交流.第101部分:综合应用方法:绘图JIS B3700-105-1998 工业自动化系统和集成电路.产品数据表示和交换.第105部分:综合应用方法:运动学JIS B3700-11 Technical Corrigendum 1-2002 工业自动化系统和集成.产品数据的表示和交换.第11部分:描述方法:EXPRESS语言参考手册(技术勘误1)JIS B3700-11-1996 工业自动化系统和集成电路.产品数据表示和信息交流.第11部分:描述方法:EXPRESS语言参考手册JIS B3700-1-1996 工业自动化系统和集成电路.产品数据表示和信息交流.第1部分:综述和基本原理JIS B3700-201-1997 工业自动化系统和集成电路.产品数据表示和信息交流.第201部分:应用协议:显绘图JIS B3700-202-1998 工业自动化系统和集成电路.产品数据表示和交换.第202部分:应用协议:联合制图JIS B3700-203 Technical Corrigendum 1-2002 工业自动化系统和集成.产品数据的表示和交换.第203部分:应用协议:布局受控设计(技术勘误1)JIS B3700-203-1997 工业自动化系统和集成电路.产品数据表示和信息交流.第203部分:应用协议:布局受控设计JIS B3700-21-1996 工业自动化系统和集成电路.产品数据表示和信息交流.第21部分:实现方法:信息交换结构的专用正文编码JIS B3700-214-2003 工业自动化系统和集成.产品数据的表示和交换.第214部分:应用协议:汽车机械设计工艺用核心数据JIS B3700-22-2000 工业自动化系统和一体化.产品数据表示和信息交流.第22部分:应用方法.标准数据通路接口JIS B3700-224-2003 工业自动化系统和集成.产品数据的表示和交换.。
作者: NULL
作者机构: NULL
出版物刊名: 标准生活
页码: 23-23页
主题词: 辅助设备;直接指示;特殊要求;照相机;电气;日本工业标准;模拟;试验方法;橡胶工业;
镜头焦距
摘要: 那人5323一卯挡土J.及护岸工程用混凝 土构件那B7仪抖一97照相机镜头焦距的侧定方 法邓B7(为5一97照相机镜头的有效孔径,光 .及相对孔径的侧定方法那B71肠一盯照相机镜头的光圈刻度邓B7lm一卯摄影术照相机镜头150透 光率的侧定那B7lll一叨照相机镜头前部附件的啮 ZS 口璐B7163一盯幻灯机那B7186一叨缩徽胶片阅读器及阅读器 打印机邓B7187一盯16~及35~银胶型缩徽 胶片的缩徽处理方法邓B7503一盯百分表那B7酬万一叨t规那B哭理3一卯净化间中衣服的污染粒子 的尺寸及数量侧定方法JISCll02一1一卯直接指示的模拟电气侧 t仪及其辅助设备第1部分:对于所有 部件。