2016年扬州大学843材料力学考研真题考研试题
- 格式:pdf
- 大小:128.95 KB
- 文档页数:3
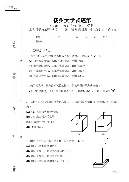
第1页扬州大学试题纸( 200 - 200 学年 第 学期)水利科学与工程 学院 级 班(年)级课程 材料力学 ( )卷答案一、选择题(10分)1.关于材料的冷作硬化现象有以下四种结论,正确的是( D )。
(A )由于温度降低,其比例极限提高,塑性降低; (B )由于温度降低,其弹性模量提高,泊松比减小; (C )经过塑性变形,其弹性模量提高,泊松比减小; (D )经过塑性变形,其比例极限提高,塑性降低。
2.关于低碳钢材料在拉伸试验过程中,所能承受的最大应力是( C )。
(A )比例极限p σ;(B )屈服极限s σ;(C )强度极限b σ;(D )许用应力[]σ。
3.某构件内两危险点的应力状态如图,由第四强度理论比较其危险程度,正确的是( C )。
(A)(a )点应力状态较危险; (B)(b )应力状态较危险; (C) 两者的危险程度相同; (D) 不能判定。
4.图示正方形截面偏心受压杆,其变形是( C )。
(A) 轴向压缩和斜弯曲的组合; (B) 轴向压缩、平面弯曲和扭转的组合; (C) 轴向压缩和平面弯曲的组合; (D) 轴向压缩、斜弯曲和扭转的组合。
(a)(b)5.图示截面为带圆孔的方形,其截面核心图形是(B )。
二、填空题(20分)1.一受扭圆轴,横截面上的最大切应力max40MPaτ=,则横截面上点A的切应力Aτ=__MPa3.33__。
2.悬臂梁受力如图示,当梁直径减少一倍,则最大挠度w max是原梁的__16___倍,当梁长增加一倍,而其他不变,则最大转角θmax是原梁的__4____倍。
3.铆接头的连接板厚度为δ,铆钉直径为d。
则铆钉切应力τ=__22Fdπ___,最大挤压应力bsσ=__Fdδ___。
(mm)(A) (B) (C) (D)第2页第3页4.由同一种材料组成的变截面杆的横截面面积分别为2A 和A ,受力如图示,弹性模量为E 。
截面D 水平位移为___EAFl2___。
扬州大学建筑科学与工程学院材料力学 课程试卷(A )2009 ╱ 2010年 第二学期题目 一 二 三 四 五 六 七 总分 得分一、选择题(共15分)1、对于没有明显屈服阶段的塑性材料,通常以 2.0σ表示屈服极限。
其定义有以下四个结论,正确的是哪一个?(A )产生2%的塑性应变所对应的应力值作为屈服极限; (B )产生0.02%的塑性应变所对应的应力值作为屈服极限; (C )产生0.2%的塑性应变所对应的应力值作为屈服极限; (D )产生0.2%的应变所对应的应力值作为屈服极限。
正确答案是 。
试题答案:答:C2、关于解除外力后,消失的变形和残余的变形的定义,以下结论哪个是正确的? (A )分别称为弹性变形、塑性变形; (B )通称为塑性变形;(C )分别称为塑性变形、弹性变形; (D )通称为弹性变形。
正确答案是 。
试题答案:答:A3、图示木接头,水平杆与斜杆成α角,其挤压面积为bs A 为 (A )bh ;(B )αtan bh ;(C )α cos bh; (D )αα sin cos ⋅bh 。
正确答案是 。
试题答案:答:CFhαba装 订线班级 土交 学号 姓名4、由惯性矩的平行移轴公式,2z I 的答案有四种: (A)4/312bh I I z z +=; (B)4/32bh I I z z +=; (C)32bh I I z z +=; (D)312bh I I z z +=。
答:C5、铁构件受力如图所示,其危险点的位置有四种答案:(A) A 点; (B) B 点; (C) C 点; (D) D 点。
A DCB F 1F 3F 2答:(D)二、填空题(共20分)1、木材的 纹拉伸强度高, 纹拉伸强度低。
答:顺、横。
2、弹性模量GPa 200=E 的试件,其应力-应变曲线如图示,A 点为屈服极限MPa 240s =σ。
当拉伸至B 点时,在试样的标距中测得纵向线应变为3103-⨯,试求从B 点卸载到应力为140 MPa 时,标距内的纵向线应变ε。
扬州大学建筑科学与工程学院材料力学 课程试卷(A )2009 ╱ 2010年 第二学期题目 一 二 三 四 五 六 七 总分 得分一、选择题(共15分)1、对于没有明显屈服阶段的塑性材料,通常以 2.0σ表示屈服极限。
其定义有以下四个结论,正确的是哪一个?(A )产生2%的塑性应变所对应的应力值作为屈服极限; (B )产生0.02%的塑性应变所对应的应力值作为屈服极限; (C )产生0.2%的塑性应变所对应的应力值作为屈服极限; (D )产生0.2%的应变所对应的应力值作为屈服极限。
正确答案是 。
试题答案:答:C2、关于解除外力后,消失的变形和残余的变形的定义,以下结论哪个是正确的? (A )分别称为弹性变形、塑性变形; (B )通称为塑性变形;(C )分别称为塑性变形、弹性变形; (D )通称为弹性变形。
正确答案是 。
试题答案:答:A3、图示木接头,水平杆与斜杆成α角,其挤压面积为bs A 为 (A )bh ;(B )αtan bh ;(C )α cos bh; (D )αα sin cos ⋅bh 。
正确答案是 。
试题答案:答:CFhαba装 订线班级 土交 学号 姓名4、由惯性矩的平行移轴公式,2z I 的答案有四种: (A)4/312bh I I z z +=; (B)4/32bh I I z z +=; (C)32bh I I z z +=; (D)312bh I I z z +=。
答:C5、铁构件受力如图所示,其危险点的位置有四种答案:(A) A 点; (B) B 点; (C) C 点; (D) D 点。
A DCB F 1F 3F 2答:(D)二、填空题(共20分)1、木材的 纹拉伸强度高, 纹拉伸强度低。
答:顺、横。
2、弹性模量GPa 200=E 的试件,其应力-应变曲线如图示,A 点为屈服极限MPa 240s =σ。
当拉伸至B 点时,在试样的标距中测得纵向线应变为3103-⨯,试求从B 点卸载到应力为140 MPa 时,标距内的纵向线应变ε。