平安工地考核评价实施细则
- 格式:doc
- 大小:159.50 KB
- 文档页数:33
平安工地考核评价制度一、制度背景随着社会经济的快速发展,建筑工地迅速增加,工地安全成为各界关注的焦点。
为了有效预防事故的发生,提高工地安全生产管理水平,制定和实施一套科学严谨的考核评价制度势在必行。
二、制度目的1.提高工地安全生产意识:促使所有工作人员树立并贯彻安全第一的理念,增强安全意识和责任感。
2.筑牢安全生产防线:通过评价制度,发现并纠正工地管理存在的问题,确保施工现场安全可控。
3.激励先进典型:对于表现突出的工地和个人,进行及时奖励,以激励先进典型,推动工地安全生产水平的快速提高。
三、制度内容1.考核指标(1)事故统计指标:对工地事故及事故损失进行统计和评价,包括发生的次数、人员伤亡情况、经济损失等。
(2)安全措施指标:对工地安全设备和措施的合理性和有效性进行评价,包括现场安全警示标识、应急救援设备等。
(3)人员素质指标:对工地管理人员的专业素质和安全意识进行评估,包括培训情况、安全知识掌握情况等。
(4)安全教育指标:对工地安全教育的开展情况进行评估,包括教育形式、内容和覆盖范围等。
(5)工地整体评价指标:对工地整体安全生产管理情况进行综合评估。
2.考核流程(1)定期考核:每个季度对工地进行一次综合考核评估,由工地管理人员按照考核指标,填写相关报表。
(2)随机抽查:定期对部分工地进行随机抽查,并根据考核结果,对工地进行奖惩。
(3)年度评选:每年从各工地中选取优秀典型进行评选,并在年度表彰大会上进行奖励。
四、考核奖励制度1.考核结果表现突出的工地,给予奖励,包括奖金、荣誉证书等。
2.考核结果表现一般的工地,进行培训和督促整改。
3.考核结果表现较差的工地,要求立即整改,并进行严肃批评。
五、制度推行为了实施平安工地考核评价制度,需要做好以下几个方面的工作:1.制定相应的文件和规定,明确考核指标和流程,使全体工作人员理解制度的重要性。
2.培训工地管理人员,提高他们的安全意识和安全管理能力。
3.定期组织检查和督导工地的安全生产状况,及时纠正存在的问题。
“平安工地”考核评价制度一、评价指标设置1.安全生产指标:包括事故发生率、伤亡事故率、保安设施完善度等指标,反映了工地的安全生产水平。
2.环境保护指标:包括噪音、粉尘、污水处理等指标,反映了工地的环境保护工作。
3.进度完成情况:包括工期完成情况、质量合格率等指标,反映了工地的施工效率和质量水平。
4.劳动保护指标:包括工人用品配备情况、劳动强度等指标,反映了工地的劳动保护水平。
5.管理制度执行情况:包括安全责任制度、文明施工制度等指标,反映了工地的管理水平。
二、评价方法1.定期检查:由相关部门组织对工地进行安全生产、环境保护、劳动保护等方面的检查。
2.自查自评:由工地负责人组织自查,对工地进行安全生产、环境保护、劳动保护等方面的评价,并提出整改意见。
3.现场评估:由专业评估人员对工地进行评估,综合考虑各方面的指标,进行综合打分。
三、考核结果利用1.奖惩措施:对于达到一定评价指标的工地,可以给予奖励,如荣誉称号、财政奖励等;对于不达标的工地,可以给予处罚措施,如罚款、停工整顿等。
2.信息公开:将评价结果进行公开,使公众了解工地的安全和环境状况,增加企业的社会责任感和形象。
3.效果反馈:将评价结果及时反馈给工地负责人和相关部门,帮助他们了解工地存在的问题,并提出改进意见,以提升工地的安全和施工管理水平。
四、改进措施1.完善培训机制:为工地负责人和相关人员提供培训,提高他们的安全生产和管理水平。
2.强化监督执法:加大对工地的监督执法力度,对违规行为进行严肃处理。
3.宣传教育:加强对工人和公众的安全教育,提高他们的安全意识和环保意识。
4.加强协同配合:建立工地各方的协调机制,形成合力,共同推进“平安工地”的建设。
以上是“平安工地”考核评价制度的主要内容,通过科学合理的评价指标和方法,可以提高工地的安全生产水平,保护工人的权益,同时也能促进工地的环保和施工管理工作。
2024年“平安工地”建设评价制度根据《广东省交通运输厅转发交通运输部关于开展公路水运工程“平安工地”考核评价工作____》(粤交基【____】____号)和《交通运输部关于开展公路水运工程“平安工地”考核评价工作____》《交质监发【____】____号》等相关文件精神,结合我公司和项目的实际情况,特制订“平安工地”考核评价制度。
一、考核评价组织机构及其职责组织机构:组长:何晓春(总监)。
副组长:王海兰(安全工程师)。
成员:黄锦华(路面专业监理工程师)、龙常康(测量专业监理工程师)。
考核领导小组主要职责是:1、总监为“平安工地”建设第一责任人,负责组织每季度的“平安工地“检查及自查工作;2、安全监理工程师及专业监理工程师主要负责施工单位的内业、外业检查工作,并对检查结果汇总上报建设单位。
3、安全监理工程师及专业监理工程师对检查中出现的有关问题告知施工单位,并跟踪督促施工单位进行整改,施工单位整改后应书面回复,安全监理工程师与专业监理工程师共同检查整改结果,并签署检查意见上报建设单位。
二、考核评价标准按照交通运输部和广东省交通运输厅发布的有关文件精神执行。
按照“平安工地考核评价表”中的项目进行考核评分,考核评分____分(含)以上为示范工程(合同段),评分____分(含)-____分为达标工程(合同段),评分70一下为不达标工程(合同段)。
三、考核评价内容1、督促检查项目部的安全责任制度建立、落实、完善情况。
安全责任制度的建立主要指项目部确定项目经理、总工的安全责任和安全员的安全责任;安全责任制度的完善是指个项目部对部门人员变动及时更新安全责任人,同时改进、增加安全责任制度的情况;安全责任制度的落实是指工区安全责任落实情况。
2、项目部设立专职安全员(兼管安全人员)及履行安全生产职责的情况。
3、安全内业工作落实情况:⑴安全生产责任,一级、二级、三级安全教育及台帐;⑵班前安全教育落实及台帐;⑶安全技术措施、危险施工专项措施的施工组织(包括基坑开挖、起重作业等)落实情况及台帐;⑷设备、用电、交通、防火、易燃易爆物品管理制度台帐;⑸安全例会台帐;⑹设备运行检查台帐;⑺作业人员登记情况台帐;⑻安全检查整改台帐。
附表3施工单位基础管理考核评价表(100分)项目名称:合同段:施工单位名称:123456789附表4施工单位施工现场考核评价表(100分)项目名称:合同段:施工单位名称:101112131415161719202122附表5监理单位考核评价表(140分)项目名称:合同段:监理单位名称:2324252627附表6建设单位考核评价表(140分)项目名称:建设单位名称:28293031附件2:“平安工地”考核评价档案管理制度为完整记录“平安工地”建设活动全过程,使考核评价更加科学化、标准化、制度化,如实反应本工程安全生产条件和安全生产管理过程,建立“平安工地”考核评价工作长效机制,特制订本制度。
一、总体要求1、筹建处、总监办、各驻地办、各施工单位都要设立“平安工地”档案专柜,并指定专人对档案资料进行管理。
2、对档案的考核同样纳入“平安工地”考核范围,对档案资料管理不到位的单位,在总分内直接扣除5-10分。
3、所有留存资料必须为原件,若为上级单位下发的资料,应盖红色资料章以示区分。
二、归档范围1、上级下发与“平安工地”有关的文件、办法、标准;2、“平安工地”建设活动档案;3、施工单位自考自评、问题整改落实档案;4、监理查验结果、督促整改落实档案;5、筹建处核查结果档案;6、考核评比、资料报备档案;7、其他档案三、档案资料管理1、资料必须目录清晰,摆放规整,方便管理及查阅。
2、资料借阅时,必须由本单位“平安工地”主管领导签字,并由借阅人确认。
3、借还档案、文件、资料时,双方要认真清点页数,避免缺失。
4、借阅的档案绝对不准折卷、扯页、取照片、转借,不得污染,不得在卷内文件上用笔勾画、圈点等,要保持档案原样。
5、复印档案资料,一律按复印文件规定,并经主管领导签字后方可进行。
6、对收进的档案应及时入库保管并办理交接手续,外借归还的档案应及时入库放回原处便于查调。
7、任何组织或个人未经允许无权随意销毁档案资料;若确需销毁的,须经主管领导批准后,由专人监督,方可销毁;经批准销毁的处档案,档案人员要认真填写、编制销毁清单。
附件《公路水运工程“平安工地”考核评价标准》(试行)1为强化公路水运工程安全生产管理,规范从业行为,落实安全责任,深入推进“平安工地”建设活动,有序开展“平安工地”考核评价工作,特制定本标准。
2各级交通运输主管部门应按照本标准组织开展考核评价,建设、监理和施工单位参照本标准组织开展自查考核评价。
2.1“平安工地”考核评价按照百分制计算得分。
考核评价评分90分(含)以上为示范工程(合同段),评分70分(含)—90分为达标工程(合同段),评分70分以下为不达标工程(合同段),详见表1。
表1考核评价等级划分2.2各考核项目评分时采取扣分制,扣分限值为各考核项目总赋分值。
2.3工程项目“平安工地”考核评价计分按以下公式计算:2.3.1建设单位得分=(考核项目实得分/考核项目应得分)X1002.3.2监理单位得分=(考核项目实得分/考核项目应得分)X1002・3・3施工单位得分二施工单位基础管理得分X0.5+施工单位施工现场得分X0・5施工单位基础管理得分=(考核项目实得分/考核项目应得分)X100施工单位施工现场得分=(考核项目实得分/考核项目应得分)X1002・3・4工程项目阶段得分P二》监理单位得分5(施工单位得分X合同价)建设单位得分X0.2+X0.2+X0.6监理单位个数5施工单位合同价2・3・5工程项目综合得分C=开工前安全生产条件审查分5(分)+(5工程项目阶段得分/项目考核评价次数)X0.7+项目交工前考核评价得分X O.25。
注:1.工程项目开工前未开展安全生产条件审查,扣5分。
2.项目考核评价次数是指交通运输主管部门组织的考核评价次数(含复查不达标的次数)。
3.施工单位基础管理得分和施工现场得分均应达到70分(含)以上,否则不达标。
4.按照本标准开展考核评价时,考核评价单位可在相应考核项目内酌情扣分,扣分不超过该考核项目规定的权重分数。
5.计算得分精确到小数点后1位。
3在确保本标准表格(附后)中类别及权重不变的情况下,各省级交通运输主管部门可结合本地实际情况增加或细化考核项目,调整考核项目的分值(非黑体字考核项目)。
“平安工地”考核评价制度切实打造“平安工地”,制定“平安工地”考核评价(自评)制度。
(一)考核评价组织机构及职责考核评价领导小组:领导小组职责:1、负责“平安工地”考核评比活动的检查、考核工作;2、向业主、监理单位、公司汇报考评结果;3、对检查出现的问题及时处理;4、对完善“平安工地”工作提出咨询意见和建议;5、对考核评价优秀班组和个人给予奖励。
(二)考核评价标准参照业主下发的“平安工地”考核评价制度结合公司安全管理办法执行。
(三)考核评价内容1、项目各部门和班组安全责任制的建立、落实和完善情况;2、项目专职安全员和班组兼职安全员履行职责情况;3、安全教育培训考核与持证上岗情况;4、安全内业资料建档和管理情况,安全台账;5、施工现场a.机械设备,维修保养记录,安拆方案及交底记录,特种设备的报检和验证;b.危险品管理及入库、出库使用记录;c.施工消防责任区划分、责任人和消防器具的配置等;d.重大风险源书面告知及单元预警法的实施;e.临时用电;f.应急预案及演练;g.拌和站等区域分区明显。
拌和站地面硬化,排水系统完善,并封闭管理。
h.以及其他“平安工程”考核标准内所明确的所有内容。
(四)考核评价程序1、项目开工准备阶段考核评价领导小组严格按照考核标准的内容,认真组织开展项目安全生产条件自查自纠,并形成考评意见,准备相关资料报批,严禁安全生产条件不满足要求的前提下自行开工。
2、项目实施阶段严格落实日常巡查、检查、考核评比等项目安全管理制度,每月 24 日前,将考评结果上报监理工程师。
3、项目交工验收前严格按照要求组织全面自评,并整理出管理资料和考核备案资料,以备业主考核和备案。
(五)考核评价结果及奖罚1、项目将“平安工地”考核评价结果纳入项目部安全管理体系,考核结果与安全生产行为直接与个人绩效和班组经济结算挂钩;2、考核标准必须两个达标“安全达标”、“文明达标”,加强过程控制。
平安工地考核评价实施细则引言为了进一步提高工地安全生产管理水平,促进安全文明施工,保障职工健康安全,根据国家和地方有关法规,结合本单位实际,特制定实施细则。
一、考评内容1. 安全生产法规的认识要求工地负责人和员工必须具备安全生产法律法规知识,包括但不限于《安全生产法》、《建筑工程安全生产管理规定》、《建筑施工安全技术规程》等相关法规的认识和操作能力。
2. 安全生产组织与管理包括责任制度建立、交底安排、承包商管理、危险化学品管理、施工组织设计与周边安全防护等工作。
工地负责人必须对生产管理工作全面负责,并且合理安排资源,防范事故发生。
3. 事故处理和安全防范管理要求工地负责人和员工能够做到及时有效的事故处理工作,对事故原因进行深入分析,制订出对策和防范措施,杜绝类似事故再次发生。
4. 现场安全检查按照公司的规定要求开展现场安全检查,对工地存在的问题做出明确的处理和改进意见。
检查项目包括安全生产标志的设置、安全用具的配备、周边安全防护等,发现问题及时整改。
5. 安全生产意识教育安全生产意识是保障工地员工生命安全和职业健康的重要因素。
要求对员工进行安全生产意识教育,强化安全意识,让员工明确自己的安全生产责任。
二、考评方法考核分为年度考核和临时考核两种方式。
1. 年度考核年度考核以自然年度为标准,由总部与分公司共同组织实施。
具体实施方式如下:(1)将考评内容分为五个类别,每个类别按照一定比例占总分。
(2)在年初制定考评计划和目标,分别制定每个类别的月度和季度考核标准,中期进行准备工作;(3)由总部派出考评组对分公司安排的考核内容进行现场检查和综合评定;(4)对各分公司按照总分排名进行排名分配,最终进行公示和表彰。
2. 临时考核临时考核是指对某一单项或某些单项进行的考核,不按照比例计分,成绩直接影响相关人员考核等级。
具体实施方式如下:(1)工地负责人或员工发现存在安全隐患,需立即上报总部管理人员。
(2)总部组织专门人员进行现场检查和综合评定,发现问题将及时联合分公司进行整改和处罚。
“平安工地”创建管理和考核评价制度平安工地的创建、管理和考核评价制度是为了保障工地安全、提高施工质量和效率而制定的一系列规章制度。
下面是一个基本的“平安工地”创建管理和考核评价制度的框架:一、创建管理:1. 负责人责任:明确工地负责人的责任和权力,包括对工地安全和质量的全面管理和控制。
2. 监督机制:建立监督机制,确保所有相关人员遵守规定和执行操作程序。
3. 安全培训:组织安全培训,确保每个工人都具备相关安全知识和技能。
4. 安全设施:配备必要的安全设施,如安全帽、防护鞋、防护手套等。
5. 安全操作:制定安全操作规程,保证施工过程中的安全性。
6. 火灾预防:建立火灾预防措施和应急预案,定期进行消防器材的维护和检修。
二、考核评价:1. 安全指标:确立安全指标和考核标准,如事故率、违规行为等。
2. 报告系统:建立安全报告系统,记录和分析工地相关事故和违规事件。
3. 审查和评估:定期进行工地的平安工地评估,以评估工地整体安全性和管理水平。
4. 奖惩措施:对达标的工地进行奖励,对不达标的工地进行惩罚或整改。
5. 经验总结:对工地的安全管理经验进行总结和分享,以提高管理水平和防范措施。
以上是一个基本的“平安工地”创建管理和考核评价制度的框架,可以根据实际情况进行具体的细化和完善。
“平安工地”创建管理和考核评价制度(二)第一章总则第一条为了加强对工地安全管理的规范和监督,确保工人的生命安全和财产安全,促进安全文明施工,创造良好的工作环境,提高建筑工地管理水平,制定本制度。
第二条本制度适用于所有建筑施工工地,工地在进行施工前必须按照本制度的要求进行各项规划和安全措施的制定。
第三条工地的主要责任人必须严格按照本制度的要求,贯彻执行并对工地的安全管理工作负责。
第四条工地的安全管理委员会是工地的最高管理机构,负责监督和指导工地的安全管理工作。
第五条工地的安全管理人员必须具备相应的安全管理知识和技能,按照工地的规定,参与工地的安全管理工作。
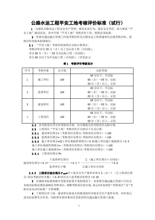
公路水运工程平安工地考核评价标准(试行)1 为强化公路水运工程安全生产管理,规范从业行为,落实安全责任,深入推进“平安工地”建设活动,有序开展“平安工地”考核评价工作,特制定本标准。
2各级交通运输主管部门开展考核评价及公路水运工程参建单位自我考核评价、复核评价均按本标准执行。
2.1“平安工地”考核评价按照百分制计算得分。
考核评价评分85分(含)以上为示范工程(合同段),评分65分(含)—85分为达标工程(合同段),评分65分以下为不达标工程(合同段)。
(详见表1)表1 考核评价等级划分2.2各考核项目评分时采取扣分制,扣分限值为各考核项目总赋分值。
2.3工程项目“平安工地”考核评价计分按以下公式计算:2.3.1建设单位得分=(考核项目实得分/考核项目应得分)×1002.3.2监理单位得分=(考核项目实得分/考核项目应得分)×1002.3.3 施工单位得分=施工单位基础管理得分×0.5+施工单位施工现场得分×0.5施工单位基础管理得分=(考核项目实得分/考核项目应得分)×100施工单位施工现场得分=(考核项目实得分/考核项目应得分)×1002.3.4工程项目得分P=Σ监理单位得分∑(施工单位得分×合同价)建设单位得分×0.2+————————×0.2 + ———————————×0.6监理单位个数∑施工单位合同价2.3.5 工程项目综合得分P综合=开工前安全生产条件审查分5(分)+ (∑工程项目得分/项目考核评价次数)×0.6+项目交工前考核评价得分×0.353 在确保本标准表格中类别及权重不变的情况下,各省级交通运输主管部门可结合本地实际情况增加或细化考核项目,调整考核项目的分值。
标记*及加黑的“考核项目”及“考核内容及评价标准”不得调整。
4工程项目开工前,建设单位按表3的要求组织开展安全生产条件审查,对审查记录及结论署名并负责,同时将审查结果向负责监管的交通运输主管部门备案。
“平安工地”考核评价制度范本一、背景与目的在建筑工地上,安全是第一位的重要原则。
为了确保施工工地的安全运营,监督和管理,公司决定通过实施“平安工地”考核评价制度,来评估工地的安全管理水平,提高工地安全管理水平,确保工人的安全和健康。
二、考核内容1.施工工地的安全管理制度与流程是否完善并得到有效落实;2.施工工地现场是否配备必要的安全设施;3.施工工地内是否存在明显的安全隐患,并是否采取有效措施进行预防和处理;4.施工工地的安全教育和培训是否到位,并是否能够满足工人的需求;5.施工工地的事故记录和报告是否准确、及时,以及是否对事故进行了及时处理。
三、考核指标与权重1.安全管理制度与流程的完善程度及有效落实情况(权重:30%)2.安全设施的配备情况(权重:20%)3.安全隐患的发现和处理情况(权重:20%)4.安全教育和培训的质量和实施情况(权重:20%)5.事故记录和报告的准确性、及时性以及事故处理情况(权重:10%)四、考核结果与等级划分根据考核指标的权重,计算得出总分,按照以下等级划分:1.优秀(90分以上)2.良好(80-89分)3.合格(70-79分)4.不合格(低于70分)五、考核流程与周期1.进行考核前,工地负责人需要收集和整理相关资料并进行自查,确保工地的安全措施和制度落实到位;2.公司安全管理部门进行现场考核,并填写考核报告;3.考核报告需要经过工地负责人的确认和签字,并提交给公司高层进行综合评审;4.根据综合评审结果,对工地进行等级划分,并及时向工地负责人进行反馈;5.考核周期为每季度一次,即每年进行四次考核,并根据考核结果进行奖惩和改进。
六、考核奖惩措施1.优秀工地将获得公司的表彰和奖励,包括奖金、荣誉证书等;2.良好工地将得到公司的肯定和赞扬,鼓励其继续保持并进一步完善;3.合格工地将根据具体情况,进行适当奖励或提出改进建议;4.不合格工地将受到公司的批评和警告,并限期整改,如整改不到位,将采取其他行政措施,如罚款、停工等。
平安工地考核评价实施细则一、考核指标的制定1.安全责任制度的建立和执行情况:包括工地安全组织架构、安全生产责任制、安全教育培训制度和安全操作规程等;2.安全文明施工措施的实施情况:包括施工现场的防护设施、作业人员的防护用品、临时用电与用火的安全管理等;3.危险源控制和事故隐患整改情况:包括施工现场存在的危险源、事故隐患的整改措施和整改效果等;4.安全培训教育的开展情况:包括安全培训的内容、培训的次数和培训的对象等;5.安全投入和管理费用的使用情况:包括安全设施的购置和维护费用、安全培训的费用以及其他与安全相关的费用等。
二、考核评分标准的确定1.指标的权重分配:根据不同指标的重要程度和关联程度,给予不同的权重;2.各指标的分值范围:根据实际情况确定各指标的满分和最低及格分值,并确定每个评价级别的得分范围;3.考核评分标准:参照政府、行业和企业的相关规定和标准,确定每个评价级别的要求和具体得分标准。
三、考核评价的具体内容1.定期开展检查和随机抽查:由专业的安全督查人员定期对工地进行检查和考核,并随机抽查现场安全措施的执行情况;2.安全隐患排查和整改:每周开展一次安全隐患排查,及时发现并整改安全隐患;3.建立奖惩机制:对安全工作表现优秀的工地进行奖励,对存在严重违规行为的工地进行惩罚;4.统计和分析考核结果:定期统计和分析各个工地的考核结果,及时发现问题并采取措施予以改进;5.公示和通报:对考核结果进行公示和通报,倒逼企业和工地提高安全生产管理水平。
四、考核结果的运用1.对考核结果进行综合评价:根据工地的考核结果,对其安全施工情况进行综合评价;2.结果的应用和借鉴:通过考核结果,总结经验和教训,并推广运用到其他工地,提高整体施工安全管理水平;3.考核结果的考核评价:对考核结果的评价和运用情况进行跟踪监管,确保考核结果的准确性和有效性。
上述是平安工地考核评价的实施细则,通过对工地的安全施工情况进行全面评价和考核,可以促使工地管理者和从业人员提高安全意识,切实做好施工安全工作,保障工人的生命财产安全。
“平安工地”创建管理和考核评价制度一、指导思想以____为指导,坚持“安全第一、预防为主、综合治理”的方针,坚持“以人为本、安全发展”的理念,坚持“抓基础、抓示范、抓关键”的原则,结合施工现场日常安全生产管理,落实工程建设各方安全生产主体责任和管理部门的安全监管责任,严格贯彻执行安全生产法和规章制度,认真解决突出问题,有效防范和遏制安全事故的发生,大力推动云南云岭高速公路建设集团有限公司云南小龙高速公路土建一标项目建设安全管理标准化进程。
二、工作目标“平安工地”建设“围绕一个目标、健全两个机制、提高三个能力”,即:以“平安工地”建设活动为载体,紧紧围绕“杜绝重特大事故、遏制较大事故、控制和减少一般事故”这一目标,将安全生产法律法规、技术标准落实到基层,将各项安全生产工作措施真正落到实处,逐步建立健全项目部安全管理责任机制,全面夯实安全生产工作基础,做到施工现场安全防护标准化、场容场貌规范化、安全管理程序化,建设各方安全生产责任落实,安全培训教育,坚持有效地对施工安全风险得到有效控制,使安全监管能力、应急救援能力和安全技术保障能力不断提高,努力创建“零伤亡”工程,全面提升项目部的安全生产管理水平。
二、适用范围及时间1.本制度适用于小龙高速公路土建一标项目。
2.本活动从开工建设至工程结束。
三、考核评价标准及等级1.按照《____开展公路水运工程“平安工地”考核评价工作____》(交质监发〔____〕____号)及《公路水运工程“平安工地”考核评价标准》(试行)的要求进行考核评价。
2.“平安工地”考核评价按照百分制计算得分。
考核评价评分____分(含)以上为示范工程(合同段),评分____分(含)-____分为达标工程(合同段),评分____分以下为不达标工程(合同段)。
四、活动内容(一)建立健全安全生产管理制度,落实安全生产责任各分管领导、职能部门、现场工程师按实际分工,落实安全生产责任,明确岗位职责;建立健全各项安全管理规章制度及各项操作规程,安全管理制度包括安全生产教育培训制度、安全生产检查制度、安全生产费用保障制度、特种作业人员持证上岗制度、安全技术交底制度、专项施工方案审查制度、特种作业设备验收登记制度、安全事故应急救援制度和安全事故报告制度等。
平安工地考核评价制度平安工地考核评价制度是为了确保工地的安全生产,保障工人的生命财产安全,维护社会的稳定和谐而制定的一套评价和考核标准。
该制度旨在帮助工地管理层和安全生产人员评估工地的安全状况和工作人员的安全意识,及时发现并解决潜在的安全隐患,减少事故的发生。
一、制定目的1.提高工地的安全生产意识和安全管理能力;2.减少和防止生产安全事故的发生;3.加强安全工作的监督和评估;4.落实企业安全生产责任。
二、考核内容1.安全生产管理措施的完善程度;2.安全设施的配置和使用情况;3.工人安全操作规范的执行情况;4.应急预案的制定和执行情况;5.事故发生和处理的情况。
三、考核方式1.定期检查:每季度或半年度对工地进行全面检查,由安全生产人员和相关监管部门进行,检查内容包括各项安全管理制度的执行情况、设施的完好程度和操作规范的执行情况等。
2.专项评估:根据工地具体情况,进行针对性的评估工作,如临时工地的审核、新项目的安全预评价等。
四、考核评分标准1.定量评分:根据考核内容的具体事项,对每个事项制定相应的分值,如安全设施的配置齐全加5分,安全设施存在问题扣除2分等。
2.定性评价:对工地整体的安全状况进行综合评定,分为优秀、良好、及格和不合格等级。
五、考核结果的处理根据考核结果,对工地进行分类管理和辅导指导:1.优秀和良好:对工地进行表扬,给予相关奖励或激励措施,同时鼓励其继续保持良好的安全生产状况和管理水平;2.及格:对工地进行督促和整改,强化安全教育和培训,加强现场管理,提升安全文明施工水平;3.不合格:对工地进行通报批评,责令停工整改并限期复工,同时将不合格情况纳入企业安全信用档案,并按照相关规定给予处罚。
六、考核结果的公示和交流工地的考核结果需要向社会公示,主要通过媒体报导、企业内部通知和公告栏等渠道进行,同时也可以组织考核经验交流会议,让不同工地之间相互借鉴经验,提高整体的安全管理水平。
通过平安工地考核评价制度的实施,可以有效提高工地的安全生产管理水平,加强对工人的安全教育和培训,减少和防止生产安全事故的发生,促进工地的可持续发展。
平安工地考核评价实施细则一、背景随着城市化进程的推进,建筑工地在规划、设计、监管和管理等各个方面均面临着越来越严峻的挑战。
在这一过程中,工地安全问题是一个至关重要的环节,因为存在着许多潜在的危险和风险。
事故的发生不仅给工地建设带来了极大的损失,还威胁到施工人员的生命安全和身体健康。
为了确保工地安全和建设顺利,国家出台了一些政策和标准,其中最重要的是平安建设工地考核评价实施细则。
二、意义1. 促进工地安全管理。
平安工地考核评价实施细则的最大意义在于推动了工地安全管理,确保施工人员的生命安全和身体健康。
通过制定考核评价标准,督促施工管理人员重视工地安全,并采取措施防范工地安全问题的发生。
2. 提高工地品质。
平安工地考核评价实施细则涉及到很多方面,以标准化的考核评价标准为基础,推行工地品质的提升。
这意味着在工地管理和施工过程中都需要保证符合社会公众和业主的期望,从而提高施工成果的质量和效果。
3. 鼓励诚信守法。
平安工地考核评价实施细则也鼓励了诚信守法。
通过制定有关安全管理、环境管理、文明施工和质量标准等方面的考核标准,鼓励企业和施工人员诚信守法、规范施工、文明施工,提高其社会责任感和社会形象。
三、实施细则平安工地考核评价实施细则主要包括以下内容:1. 安全标准:该标准涉及到建设工程中所涉及的所有安全问题,从现场安排到维护设施,以及对进出工地的人员和设备的控制,全面检查现场安全部署和安全保证措施是否符合要求。
2. 环境标准:环境标准涉及建设工程中的所有环保问题,包括污水和废水排放、废气排放、噪声污染、粉尘污染等。
通过严格的评价标准,管控施工单位的环境保护,防止环境污染。
3. 文明施工标准:该标准主要针对建筑工地施工过程中的文明施工问题,考核施工人员的文明素质、行为、文明用语、设施、物资管理等方面,在施工现场设立相应的标志和文明施工标识,促进文明施工。
4. 质量标准:该标准关注的是建设工程的质量。
通过检查施工单位的质量保障流程、控制技术和检查体系等方面的标准,确保建设工程的质量符合要求。
平安工地考核评价实施细则1. 背景为加强对建设工地的管理,减少安全事故的发生,保障工人的安全,人死亡、设备损失和资金浪费等不良后果,于是,出现了平安施工标准化管理。
平安工地考核评价就是平安施工标准化管理的一种实施方法,它通过对工地安全生产现状的评估,提供一种动态监管手段,从而促进工地的改进,达到提高工地安全生产水平的目的。
2. 考核评价体系平安工地考核评价体系是以监管部门要求为依据,工地实际制定和开展,重点考核建设工地的安全生产管理情况,内容包括以下几方面:2.1 安全管理措施指管理单位或承建单位制订并执行的各项安全措施管理制度,包括岗前安全培训、班前会、安全交底、安全日报等制度。
2.2 现场安全情况包括安全设施齐全、卫生洁净、易燃、易爆物品存放安全、作业现场安全环境符合相关要求等方面的情况。
2.3 安全操作过程具体反映工人在作业中是否严格执行安全操作规程、工具机器是否符合要求、照明、通风、紧急疏散等安全设施是否符合要求等方面的情况。
2.4 安全事故情况反映一段时间内工地的安全事故事故情况,包括安全事故发生率、安全事故直接威胁到的人员或机器设备等情况。
3. 考核评价内容以评价指标为主线,综合考虑监管部门的要求和工地的实际情况,考核评价内容可以分为四个阶段:3.1 准备阶段考评人员准备好相关的资料和考评表格,再将要考评的内容详细讲解给工作人员,让大家理解考评的目的和意义。
3.2 考评阶段根据考评表格的设定,以监管部门要求为依据,对工地安全生产管理情况进行逐一考评,包括现场制度、施工设备操作、安全防范、安全事故记录等。
3.3 汇总阶段将考评数据进行汇总,分析考评范围内的各项指标评价,然后制定相应的改进方案进行实施。
并且人为把各项评分汇总生成总综合得分,并设定阶段性目标。
3.4 反馈阶段根据考评的结果,对工作人员进行总分上的评价并及时通报考评情况,弥补工地管理中存在的漏洞和不足,为下一步的管理提供有效的信息反馈。
附表3
施工单位基础管理考核评价表(100分)项目名称:合同段:施工单位名称:
1文档来源为:从网络收集整理.word版本可编辑.
2文档来源为:从网络收集整理.word版本可编辑.
3文档来源为:从网络收集整理.word版本可编辑.
4文档来源为:从网络收集整理.word版本可编辑.
5文档来源为:从网络收集整理.word版本可编辑.
6文档来源为:从网络收集整理.word版本可编辑.
7文档来源为:从网络收集整理.word版本可编辑.
8文档来源为:从网络收集整理.word版本可编辑.
附表4
施工单位施工现场考核评价表(100分)项目名称:合同段:施工单位名称:
9文档来源为:从网络收集整理.word版本可编辑.
10文档来源为:从网络收集整理.word版本可编辑.
11文档来源为:从网络收集整理.word版本可编辑.
12文档来源为:从网络收集整理.word版本可编辑.
13文档来源为:从网络收集整理.word版本可编辑.
14文档来源为:从网络收集整理.word版本可编辑.
15文档来源为:从网络收集整理.word版本可编辑.
16文档来源为:从网络收集整理.word版本可编辑.
17文档来源为:从网络收集整理.word版本可编辑.
18文档来源为:从网络收集整理.word版本可编辑.
19文档来源为:从网络收集整理.word版本可编辑.
20文档来源为:从网络收集整理.word版本可编辑.
21文档来源为:从网络收集整理.word版本可编辑.
22文档来源为:从网络收集整理.word版本可编辑.
附表5
监理单位考核评价表(140分)
项目名称:合同段:监理单位名称:
23文档来源为:从网络收集整理.word版本可编辑.
24文档来源为:从网络收集整理.word版本可编辑.
25文档来源为:从网络收集整理.word版本可编辑.
26文档来源为:从网络收集整理.word版本可编辑.
附表6
27文档来源为:从网络收集整理.word版本可编辑.
建设单位考核评价表(140分)
项目名称:建设单位名称:
28文档来源为:从网络收集整理.word版本可编辑.
29文档来源为:从网络收集整理.word版本可编辑.
30文档来源为:从网络收集整理.word版本可编辑.
文档来源为:从网络收集整理.word版本可编辑.欢迎下载支持.
31文档来源为:从网络收集整理.word版本可编辑.
附件2:
“平安工地”考核评价档案管理制度
为完整记录“平安工地”建设活动全过程,使考核评价更加科学化、标准化、制度化,如实反应本工程安全生产条件和安全生产管理过程,建立“平安工地”考核评价工作长效机制,特制订本制度。
一、总体要求
1、筹建处、总监办、各驻地办、各施工单位都要设立“平安工地”档案专柜,并指定专人对档案资料进行管理。
2、对档案的考核同样纳入“平安工地”考核范围,对档案资料管理不到位的单位,在总分内直接扣除5-10分。
3、所有留存资料必须为原件,若为上级单位下发的资料,应盖红色资料章以示区分。
二、归档范围
1、上级下发与“平安工地”有关的文件、办法、标准;
2、“平安工地”建设活动档案;
3、施工单位自考自评、问题整改落实档案;
4、监理查验结果、督促整改落实档案;
5、筹建处核查结果档案;
6、考核评比、资料报备档案;
7、其他档案
三、档案资料管理
1、资料必须目录清晰,摆放规整,方便管理及查阅。
2、资料借阅时,必须由本单位“平安工地”主管领导签字,并由借阅人确认。
3、借还档案、文件、资料时,双方要认真清点页数,避免缺失。
4、借阅的档案绝对不准折卷、扯页、取照片、转借,不得污染,不得在卷内文件上用笔勾画、圈点等,要保持档案原样。
5、复印档案资料,一律按复印文件规定,并经主管领导签字后方可进行。
6、对收进的档案应及时入库保管并办理交接手续,外借归还的档案应及时入库放回原处便于查调。
7、任何组织或个人未经允许无权随意销毁档案资料;若确需销毁的,须经主
管领导批准后,由专人监督,方可销毁;经批准销毁的处档案,档案人员要认真填写、编制销毁清单。
四、资料归档
1、每年的第一季度要完成上一年的文件资料的整理归档工作。
2、归档的文件要齐全、完整。
3、工程完工后,所有资料要按照竣工文件编制办法进行统一编制入册。