CAD制图员中级操作理论试卷A
- 格式:doc
- 大小:76.50 KB
- 文档页数:7
中级cad考试题及答案中级CAD考试题及答案1. 单选题:以下哪个选项是CAD软件中用于创建直线的命令?A. LINEB. CIRCLEC. ARCD. RECTANGLE答案:A2. 多选题:在CAD中,以下哪些工具可以用于修改对象?A. ERASEB. MOVEC. COPYD. ROTATE答案:A, B, C, D3. 判断题:在CAD中,使用ARRAY命令可以创建对象的阵列。
答案:正确4. 填空题:在CAD中,使用命令 ________ 可以测量两点之间的距离。
答案:DISTANCE5. 简答题:请描述在CAD中如何使用HATCH命令创建填充图案。
答案:要使用HATCH命令创建填充图案,首先需要定义一个边界,然后选择HATCH命令,选择边界对象,接着选择一个填充图案,最后指定填充的密度和角度,完成填充。
6. 计算题:给定一个矩形,其长为100mm,宽为50mm,请计算其面积。
答案:面积 = 长× 宽= 100mm × 50mm = 5000mm²7. 操作题:请在CAD中绘制一个直径为80mm的圆形,并将其复制到距离原圆心100mm的位置。
答案:首先使用CIRCLE命令,以圆心为起点,输入直径80mm。
然后使用COPY命令,选择刚刚绘制的圆形,指定基点为圆心,然后输入@100,0(假设复制方向为水平方向)。
8. 综合题:请根据以下尺寸绘制一个简单的房屋平面图:房间1的尺寸为3m×4m,房间2的尺寸为2m×3m,房间3的尺寸为3m×3m,门宽1m。
答案:首先绘制房间1,使用RECTANGLE命令,指定左下角点为(0,0),宽度为3m,高度为4m。
接着绘制房间2,以房间1的右上角为起点,宽度为2m,高度为3m。
最后绘制房间3,以房间2的右上角为起点,宽度为3m,高度为3m。
在房间1和房间2之间绘制一个宽度为1m的门。
以上即为中级CAD考试题及答案的全部内容。
中级CAD等级考证试题A卷(考试时间为120分钟)第一题、文件操作。
(5分)1、在“我的电脑”中F盘根目下新建立一个文件夹,文件夹的名称为考生准考证号的后七位数和考生的姓名。
例如考生的准考证0341078610024085535,姓名为张五,则考生文件夹名为4085535张五,正确启动AutoCAD软件。
2、打开E盘:CAD中级考试\CADTK中的SCAD1-1.dwg文件。
3、删除图形中的线宽不为0的对象,再将整个图放大两倍,再将其改名存到考生自己的子目录,名称为Tcad1-1.dwg。
第二题:基本图形的绘制。
(10分)1、在CAD环境下将E盘:CAD中级考试\A卷\CADTK文件中的Scad1-2.dwg拷入考生自己的子目录,并以该文件作原形图或打开该文件,再完成后面的工作。
2、按图中给出的圆心点的坐标和半径,分别绘制两个圆。
3、绘出该圆的两条公切线。
4、用文本命令完成如图所示的文字(文字的着色为红色),文字高度10个单位。
5、完成的图形存入考生自己的目录,名称为Tcad1-2.dwg.第三题、属性设置。
(15分)建立AutoCAD新文件,完成下面的样图。
1、设置光标大小为100,设置最近所用文件数为5,设置自动保存分钟数为5。
2、设立一个块,如图1示。
定义的属性块中的文本为0.8,文本高度为10。
完成后如图2所示。
3、新建一个名为“CAD新样式”样式,并设置为当前。
将完成的图形以TCAD-3.dwt为文件名存入考生自己的子目录。
图1 图2第四题、图形编辑。
(10分)在CAD环境下将E盘:CAD中级考试\A卷\CADTK文件中的Scad1-4中的图形,要求用extend 、mirror、array、trim、erase等命令完成以下图形,并Tcad1-4.dwg 保存到考生自己的子目录下。
第五题、精确绘图。
(20分)按图形的尺寸精确绘图(尺寸标注、文字注释不画),绘图方法、图形编辑方法不限,注意使用辅助线(用后删去),未明确要求线宽的,线宽为0。
制图员中级理论知识试卷及答案注意事项:1.考试时间为120分钟。
2.本试卷按照2001年颁布的《制图员国家职业标准》命制。
3.请在试卷的标封处填写姓名、准考证号和所在单位名称。
4.仔细阅读题目要求,在规定位置填写答案,不要乱写乱画,不要在标封区填写无关内容。
一、单项选择(第1题~第160题,每题分值0.5分)1.职业道德能调节本行业内人与人之间、本行业与其他行业之间,以及各行业集团与社会之间的关系,以维持其职业的存在和发展。
选项B。
2.职业道德主要概括本职业的职业业务和职责,反映本职业的特殊利益和要求。
选项D。
3.职业道德是制图员自我完善的必要条件。
选项D。
4.爱岗敬业包括两层含义,其一是指工作质量,其二是指人品。
选项A。
5.制图国家标准规定,图框格式分为横装和竖装两种,但同一产品的图样只能采用一种格式。
选项A。
6.制图国家标准规定,图纸的标题栏必须配置在图框的右下角位置。
选项C。
7.若某图纸上字体的宽度为5/2mm,则该图纸选用的是7号字体。
选项C。
8.目前,在机械图样中仍采用中规定的8种线型。
选项C。
9.叙述错误的是对称中心线用细点画线表示。
选项B。
10.尺寸线终端形式有箭头和圆圈两种形式。
选项B。
11.当标注直径尺寸时,尺寸线必须与所注的线段平行。
选项C。
12.在图样中,尺寸数字不能与任何图线相交,如果不可避免,则必须将其断开。
选项A为尺寸线,选项B为尺寸界线,选项C为图线,选项D为数字。
13.当标注角度尺寸时,尺寸数字应水平书写,尺寸界线应沿径向引出,并画成圆弧,圆心为角的顶点。
选项A为尺寸线,选项B为尺寸界线,选项C为尺寸线及其终端,选项D为尺寸数字。
14.在使用圆规画圆时,应尽可能使钢针和铅芯垂直于纸面。
选项A为纸面,选项B为圆规,选项C为比例尺,选项D为直线笔。
15.在绘图中,使用铅芯的硬度规格要比画直线的铅芯软一级。
选项A为分规,选项B为圆规,选项C为绘图笔,选项D为绘图机。
16.工程上常用的绘图方法有中心投影法和平行投影法。
cad中级考试题库及参考答案1. 单选题:在CAD中,以下哪个命令用于创建直线?A. LINEB. CIRCLEC. ARCD. RECTANGLE答案:A2. 多选题:在CAD中,以下哪些选项是图层属性?A. 颜色B. 线型C. 线宽D. 打印样式答案:A, B, C, D3. 判断题:在CAD中,使用“COPY”命令可以复制对象,但无法指定复制的数量。
答案:错误。
使用“COPY”命令时,可以指定复制的数量。
4. 填空题:在CAD中,使用“_”命令可以创建一个矩形对象。
答案:RECTANGLE5. 简答题:请简述如何在CAD中设置对象的线型比例。
答案:在CAD中,可以通过“LTSCALE”命令来设置全局线型比例,或者通过对象属性管理器来单独设置每个对象的线型比例。
6. 操作题:请描述如何在CAD中使用“ARRAY”命令创建一个4x4的矩形阵列。
答案:首先选择要阵列的对象,然后输入“ARRAY”命令,选择矩形阵列,输入行数4和列数4,最后指定阵列的中心点。
7. 计算题:如果一个圆的直径为10单位,求该圆的半径。
答案:半径 = 直径 / 2 = 10 / 2 = 5单位8. 绘图题:请在CAD中绘制一个半径为50单位的圆,并将其复制到原位置的右侧,距离原圆100单位。
答案:首先使用“CIRCLE”命令绘制半径为50单位的圆,然后使用“COPY”命令,选择该圆,指定复制数量为1,然后指定基点为圆心,最后指定复制后圆的圆心位置,使其距离原圆100单位。
9. 综合题:请描述在CAD中如何创建一个由直线和圆弧组成的复杂形状,并将其保存为DWG文件。
答案:首先使用“LINE”命令绘制直线,然后使用“ARC”命令绘制圆弧,通过连接直线和圆弧来创建复杂形状。
创建完成后,使用“SAVEAS”命令保存图形为DWG文件格式。
10. 案例分析题:假设你正在设计一个机械零件,需要在CAD中绘制一个长100单位、宽50单位的矩形,并在矩形的中心位置绘制一个直径为20单位的圆,圆的中心与矩形的中心重合。
cad中级考试试题「附答案」cad2017中级考试试题「附答案」一、判断题(以下各题你认为对的填写“T”,认为错的填写“F”)1.所有的图层都能被删除。
(F )2.用设置线型比例(Ltscale)命令可调整中心线、虚线等不连续线型在屏幕上显示的间隙大小。
( T )3.在绘图时,一旦打开正交方式ORTHO后,屏幕上只能画水平线和垂直线。
(T)4.特殊点一定要在执行绘图命令和编辑命令等后才能捕捉。
(T )5.执行重画(Redraw)和重生成图形(Regen)命令的结果是一样的。
(F )6.执行ZOOM(屏幕缩放)命令后,图形在屏幕上放大缩小的结果和执行SCALE(缩放)命令结果一样。
( T)7.Mirror(镜像),Offset(偏移复制),Array(阵列)命令实际上都是广义的实体复制命令。
( )8.对于实体颜色和线型均为BYIAYER特性的0层块,无论其插入到哪一层,其颜色和线型特性都使用插入层的颜色和线型。
( F)9.在同一张图纸上不能同时存在不同字体的文字。
(F )10.图块在插入到图中时可调整图块中图形的大小和角度。
(T )11.LENGTHEN(改变长度)命令不能改变圆弧的长度。
( F)12.用MLINE(多线)命令只能同时绘制两条线。
(F )13.在AUOTOCAD中插入块时用户可以在X、Y、Z三个坐标方向上分别定义不同的缩放比例。
( T)14.在执行PAN(屏幕平移)命令将实体移动位置后,其坐标保持不变。
(T )15.RECTANG(绘制矩形)命令可在屏幕上绘出带有一定线宽和圆角的`实体。
(T )16.除0层外,用户自定义的图层均可被冻结。
(F )17. ZOOM-EXTENTS命令可将当前文件内的所有图形在视区内极大限度地显示出来。
(T )18.在一张图中不能用DTEXT命令写不同样式的文字。
(F )19. STRETCH命令只能将实体拉长。
(F )20.用BLOCK命令建立的图块是外部图块,可插入到不同的图形文件中去。
CAD中级制图员(机械)中级操作技能考核试卷一、选择题1. 道德是指人与人、个人与集体、个人与社会以及人对待自然的( B )的总和。
A、法律法规B、行为规范C、宪法D、人生观2. 职业道德是指从事一定职业的人们在职业实践活动中所应遵循的职业原则和规范,以及与之相应的(B)、情操和品质。
A、企业标准B、道德观念C、公司规定D、工作要求3. 优良的(B)是新时期制图员从事高标准、高效率工作的动力。
A、企业文化B、职业道德C、制图软件D、竞争机制4. 爱岗敬业就是要把尽心尽责做好本职工作变成一种自觉行为,具有从事制图员工作的(B)。
A、职业道德B、自豪感和荣誉感C、能力D、热情5. (C)是指一个人在政治思想、道德品质、知识技能等方面所具有的水平。
A、基本素质B、讲究公德C、职业道德D、个人信誉6. 下列叙述正确的是(A)。
A、图框格式分为不留装订边和留有装订边两种B、图框格式分为横装和竖装两种C、图框格式分为有加长边和无加长边两种D、图框格式分为粗实线和细实线两种7. 关于图纸的标题栏在图框中的位置,下列叙述正确的是(B)。
A、配置在任意位置B、配置在右下角C、配置在左下角D、配置在图中央8. 斜度的标注包括(A) 、斜度符号、斜度值。
A、指引线B、斜度C、数字D、字母9. 锥度的标注包括指引线、(C) 、锥度值。
A、锥度B、符号C、锥度符号D、字母10. 圆弧连接的要点是求圆心、求(A) 、画圆弧。
A、切点B、交点C、圆弧D、圆点11. 同心圆法是已知椭长短轴做椭圆的(B)画法。
B、精确C、类似D、正确12. 物体由前向(A)投影,在正投影面得到的视图,称为主视图。
A、后B、右C、左D、下13. 平面基本体的特征是每个表面都是(D)。
A、正多边形B、三角形C、四边形D、平面14. 曲面基本体的特征是至少有(C)个表面是曲面。
A、3B、2C、1D、415. 截平面与立体表面的(A)称为截交线。
A、交线B、轮廓线C、相贯线D、过度线16. 截平面与圆柱体轴线垂直时截交线的形状是(B)。
《工程制图与CAD 》期终考试试卷(A 卷) 适用专业:一、填空题(每小题1分,共10分)1、一个完整的尺寸应由 、 和 组成。
2、阴影图案:是 或 按特定的 和的阴影线构成的一种图案。
3、、机械制图中通常以图形的 、 、 作为尺基准。
二、判断题(每题1分,共15分) 1、机械制图中尺寸标注时尺寸数字不得被任何图线通过,当无法避免时,必须把图线断开。
( ) 2、AutoCAD 的新版本可以打开旧版本的图形文件,但旧版本不能打开新版本的图形文件。
( ) 3、AutoCAD 中同一图形文件中只能有一种点样式。
当改变点样式,重新生成图形后,图中绘制的所有点的样式都随之改变。
( ) 4、在插入时,块可以被缩放或旋转 ( ) 5、用矩形命令不能绘制带圆角的矩形图形 ( ) 6、镜像图形时,原图形可删除也可保留。
( ) 7、我们所讲的三视图包括右视图。
( )8、图样中所标注的尺寸,为该图样所示机件的最后完工尺寸,否则应另加说明。
()9、设置文字的“倾斜角度”是指文字反向。
()10、两立体表面相交产生的表面交线,称为相贯线。
()11、绘图的比例5:1是缩小的比例。
()12、对于螺纹来说,线数、直径、螺距是决定螺纹结构最基本的要素,称为螺纹的三要素。
()13、使用椭圆命令绘制椭圆时,根据圆心和长轴即可以绘制出椭圆()14、在执行拉伸命令时应该使用的选择对象的方式是交叉窗口。
()15、AutoCAD中删除命令可逆向操作,即先选择要删除的对象,再输入删除命令。
()三、选择题(每题1分,共30分)1、按照剖切范围分,剖视图分为()种A、一B、二C、三D、四2、AutoCAD操作中缩放对象时,如果比例因子在( )之间,则缩小对象。
A、0B、0―1 C、>1D、<13、要重复输入一个命令,可在命令行出现“命令:”提示符后,按()A、F1键B、空格键或回车键C、鼠标左键D、Ctrl+F1键4、截交线具有下列基本性质:共有性和()A、垂直性B、封闭性C、平行性5、在同一张图样中,相同的尺寸一般只标注( ) 次。
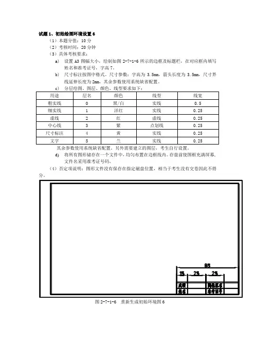
试题1、初始绘图环境设置6(1)本题分值:10分(2)考核时间:20分钟(3)具体考核要求:a) 设置A3图幅大小,绘制如图2-7-1-6所示的边框及标题栏,在对应框内填写姓名和准考证号,字高7。
b) 尺寸标注按图中格式。
尺寸参数:字高为3.5mm,箭头长度为3.5mm,尺寸界线延伸长度为2mm,其余参数使用系统缺省配置。
其余参数使用系统缺省配置。
另外需要建立的图层,考生自行设置。
d) 将所有图形储存在一个文件中,均匀布置在边框线内。
存盘前使图框充满屏幕,文件名采用准考证号码。
(4)否定项说明:图形文件没有保存在指定磁盘位置,相当于考生没有交卷因此不得分。
图2-7-1-6 重新生成初始环境图6试题2、使用计算机绘图软件抄画平面图形(1)本题分值:15分(2)考核时间:30分钟(3)具体考核要求:读懂平面图形各项内容,使用计算机绘图软件抄画平面图形。
能够按照不同类型图线或其它要求设置图层、使用图层,分层绘图,能熟练使用计算机绘图软件的绘图及编辑功能,正确绘制平面图形。
能熟练够使用计算机绘图软件的工程标注功能,按照图中格式标注尺寸,将平面图形和初始设置以及零件图储存在一个文件中,均匀布置在边框线内。
存盘前使图框充满屏幕,文件名采用准考证号码。
图 2-8-2-3软件抄画下列平面图形试题3、抄画"箱体零件图"(1)本题分值:35分;(2)考核时间:50分钟(3)具体考核要求:(见图2-9-4-3)a) 按尺寸1:1抄画零件图(各种线型粗度按默认值)。
b) 抄注尺寸及技术要求(字体按3.5号字,箭头长度按5mm,粗糙度符号按默认值)。
c) 视图布局要恰当。
d) 将零件图、初始设置以及其他的图形均存在一个文件中,均匀布置在边框线内。
存盘前使图框充满屏幕,文件名采用准考证号码。
图2-9-4-3箱体零件图。
cad中级考试试题及答案文库一、选择题(每题2分,共20分)1. CAD软件中,用于绘制直线的命令是?A. LINEB. CIRCLEC. ARCD. RECTANGLE答案:A2. 在CAD中,如何快速复制对象?A. 使用COPY命令B. 使用MOVE命令C. 使用ARRAY命令D. 使用MIRROR命令答案:A3. 以下哪个不是CAD软件中的图层属性?A. 颜色B. 线型C. 线宽D. 填充图案答案:D4. CAD中,哪个命令用于创建圆弧?A. CIRCLEB. ARCC. ELLIPSED. SPLINE5. 在CAD中,如何测量两点之间的距离?A. 使用DIST命令B. 使用MEASURE命令C. 使用LENGTHEN命令D. 使用AREA命令答案:A6. CAD中,哪个命令用于绘制矩形?A. RECTANGLEB. POLYGONC. BOXD. SQUARE答案:A7. 在CAD中,如何修改对象属性?A. 使用PROPERTIES命令B. 使用CHANGE命令C. 使用MODIFY命令D. 使用EDIT命令答案:A8. CAD中,哪个命令用于绘制多边形?A. POLYGONB. RECTANGLEC. CIRCLED. ELLIPSE答案:A9. 在CAD中,哪个命令用于创建等距线?B. ARRAYC. MIRRORD. COPY答案:A10. CAD中,哪个命令用于绘制圆?A. CIRCLEB. ARCC. ELLIPSED. SPLINE答案:A二、填空题(每题2分,共20分)1. 在CAD中,使用____命令可以创建一个新的图层。
答案:LAYER2. 如果要将一个对象的颜色设置为红色,可以在属性栏中选择颜色为____。
答案:13. 在CAD中,使用____命令可以快速选择多个对象。
答案:WINDOW4. CAD中,使用____命令可以对对象进行缩放。
答案:SCALE5. 如果需要将一个对象移动到指定位置,可以使用____命令。
一、单项选择题(本大题共20小题,每小题1分,共20分)在每小题列出的四个备选项中只有一个是最符合题目要求的,请将其代码写在题后的括号内。
1、在2010AutoCAD中,用户在缺省情况下进入该界面时绘图区是【】A、红色B、黑色C、白色D、绿色2、2010AutoCAD自动保存间隔分钟数的缺省值为:【】A、1分钟B、2分钟C、5分钟D、10分钟3、按哪个键可切换正交状态和非正交状态:【】A、F2B、F8C、F3D、F54、所有装订图纸的左边宽装订边宽留:【】A、25mmB、10 mmC、5 mmD、2 mm5、要绘制一条构造线,将一个角二等分的命令是:【】A、输入命令ML;再输入不C;B、输入命令ML;再输入不B;C、输入命令XL;再输入不B;D、输入命令XL;再输入不D。
6、在三面投影体系中,三面投影的“三等”规律是:【】A、长对正、高平齐、宽相等;B、高对正、长平齐、宽相等;C、长对正、宽平齐、高相等;D、宽对正、高平齐、长相等。
7、绘制定数等分点对象的命令:【】A、DIVIDEB、MEASUREC、DDD、ME8、指定一个相对于上一个点为60度方向上500个单位点的命令:【】A、@500,60B、@60<500C、@500<60D、60<5009、绘制圆环对象时,要将圆环的实心部分显示出来,则:【】A、FILLMODE的值设为0;B、FILLMODE的值设为1;C、FILLMODE的值设为-1;D、FILLMODE的值设为210、打开或关闭格栅的功能键为:【】A、F2B、F3C、F5D、F7错误!未找到引用源。
《工程制图与CAD》错误!文档中没有指定样式的文字。
卷系(院): 专业: 年级及班级: 姓名: 学号: . 密 封 线 重庆文理学院试卷 错误!未找到引用源。
B 、外部参照的块; C 、从属的块; D 、嵌套块; E 、块中包含0层上的对象 23、如果将极轴追踪的增量角设置为60°,附加角设为5°,则在绘图过程中,系统可以追踪的角度方向包括: 【 】 A 、65° B 、120° C 、60° D 、5° E 、0° 24、下列关于“修剪”命令的说法正确的是: 【 】 A 、命令名为TRIM ; B 、不能修剪不相交的二维图形对象; C 、只能修剪由直线构成的图形对象; D 、可以在“修剪”命令中进行延伸操作; E 、可以修剪空间相交的实体。
一、单项选择题(共15题,每题1分)1、C2、D3、C4、D5、C6、D7、B8、C9、D 10、B 11、D 12、A 13、C 14、D 15、B1、设置AUTOCAD图形边界的命令是 C 。
A、GRIDB、SNAP和GRIDC、LIMITSD、OPTIONS知识点:1.12、在“创建图纸集”向导中,图纸集可以创建。
A.从图纸集样例B.从现有图形文件C.从图形样板文件D.A和B知识点:1.13、将绘制的图形保存为样板文件的文件名为。
A *.dwgB *.dxfC *.dwtD *.dwf知识点:1.34、AUTOCAD的坐标体系包括世界坐标系和。
A、绝对坐标系B、平面坐标系C、相对坐标系D、用户坐标系知识点:2.15、若图面已有一点A (2,2) ,要输入另一点B (4,4) ,以下方法不正确的是。
A、4,4B、@2,2C、@4,4D、@2<45知识点:2.26、移动圆对象,使其圆心移动到直线中点,需要应用。
A、正交B、捕捉C、栅格D、对象捕捉知识点:2.37、在输入一条长度为200的直线时,命令行出现了创建零长度的提示信息,并在某点绘制了一条长度为0的直线,这种情况可能造成的原因是。
A、坐标数据输入的优先级设置为“键盘输入”B、坐标数据输入的优先级设置为“对象捕捉”C、坐标数据输入的优先级设置为“键盘输入,脚本例外”D、“Windows标准加速键”被关闭知识点:3.48、在AutoCAD 2008中,用CIRCLE命令在一个三角形中画一内接圆,在提示3P/2P/TTR<Center Point>下,应采用的最佳方式是。
A、2P方式B、TTR方式C、3P方式D、先手工计算好圆心坐标、半径、用圆心、半径方式知识点:4.29、在AutoCAD 2008中绘制正多边形时,下列方式错误的是。
A、内接正多边形B、外切正多边形C、确定边长方式D、确定圆心、正多边形点的方式知识点:4.310、下列编辑工具中,不能实现“改变位置”功能的是。
机械工业职业技术鉴定CAD制图员中级工理论知识试卷(A卷)注意事项1.请首先按要求在试卷的标封处填写您的姓名、准号证号和所在单位的名称。
2.请仔细阅读各类题目的回答要求,在规定的位置填写您的答案。
3.请用蓝(或黑色)钢笔、圆珠笔答卷;不要在试卷内填写与答题无关的内容。
4.本试卷满分为100分,考试时间为90分钟。
一是非题,判断题(每题1分,共30分)一、所有的命令都可以采用键盘输入(即快捷方式)以提高画图制度,快捷方式的字母可由用户自己来概念。
二、利用编辑图形命令时(如移动、阵列等)可以先点命令,再选图形,也可首先选图形,再点命令。
3、利用外部块命令时,当外部块图形改变时,引用部会也会随之改变。
4、CAD设计与常规设计方式相较,有利于产品的标准化、排列化、通用化。
()五、机械制图中,GB/T为推荐性国家标准的代号,一般可简称为“国标”()六、国家标准中。
A4图纸的幅面尺寸为210X297,A3的图纸的幅面尺寸为295X420()7、在标准制图中,每张图纸都应该画出题目栏,题目栏的位置应位于图样的右下角()八、在机械制图中,2:1的比例成为放大的比例,如实物的尺寸为10,那么图中图形应画5()九、在机械制图中,投影采用的是正投影法,即投射线与投影面相垂直的平行投影法。
()10、平面四边形与投影面倾斜时,其投影变小,投影的形状有可能会变成三角形()11、在三面投影体系中,主视图,俯视图,左视图之间维持长对正,高平齐,宽相等的原则()1二、一个平面图形在三面投影体系中的投影有可能是一个点、一条直线或一个平面()13、任何复杂的物体,仔细分析起来,都可看成是由若干个大体几何体组合而成的()14、为了将尺寸标注的完整,在组合体的视图上,一般需要标注定形尺寸、定位尺寸、整体尺寸等尺寸。
()1五、为了使图形清楚,应尽可能将尺寸注在视图的外面,以避免尺寸线、数字和轮廓线相交。
()1六、在制图中画出的粗实线,虚线是在实物上面真正存在的轮廓线()17、波浪线在制图中一般应用在断裂处的边界限,视图和剖视的分解线()1八、将机件的某一部份向大体投影面投射所取得的视图,称为局部视图,所以局部视图必然会使某个基本视图的一部分。
中级CAD绘图员考试试题(八套试题,附样图).中级CAD 绘图员考试标准试题第一单元文件的操作1-1说明:机械类和建筑类(通用)【操作要求】1.建立新文件:运行AutoCAD软件,建立新模板文件,模板的图形范围是120×90,0层颜色为红色(RED)。
2.保存:将完成的模板图形以KSCAD1-1.DWT为文件名保存在#SubPath# 中。
请关闭autocad应用软件后再点击进入下一题。
1-2说明:机械类和建筑类(通用)【操作要求】1.建立新文件:运行AutoCAD软件,建立新模板文件,模板的图形范围是1200×900,加载线型为acad_iso03w100,设此线型为当前线型,设置合理的线型比例。
2.保存:将完成的模板图形以KSCAD1-2.DWT为文件名保存在#SubPath# 中。
请关闭autocad应用软件后再点击进入下一题。
1-3说明:机械类和建筑类(通用)【操作要求】1.建立新文件:运行AutoCAD软件,建立新模板文件,模板的图形范围是4200×2900,网格(grid)点距为100。
2.保存:将完成的模板图形以KSCAD1-3.DWT为文件名保存在#SubPath# 中。
请关闭autocad应用软件后再点击进入下一题。
1-4说明:机械类和建筑类(通用)【操作要求】1.建立新文件:运行AutoCAD软件,建立新模板文件,模板的图形范围是4200×2900,光标捕捉(snap)间距为100,并打开光标捕捉。
2.保存:将完成的模板图形以KSCAD1-4.DWT为文件名保存在#SubPath# 中。
请关闭autocad应用软件后再点击进入下一题。
1-5说明:机械类和建筑类(通用)【操作要求】1.建立新文件:运行AutoCAD软件,建立新模板文件,模板的图形范围是4200×2900,设置单位为Meters,长度、角度单位精确度为小数点后3位。
cad中级考试题库及参考答案1. 单选题:在CAD中,以下哪个命令用于绘制直线?A. LINEB. CIRCLEC. ARCD. ELLIPSE参考答案:A2. 多选题:CAD中,哪些工具可以用于创建圆?A. CIRCLEB. ARCC. ELLIPSED. POLYGON参考答案:A, B, C3. 判断题:在CAD中,使用“MIRROR”命令可以创建对象的镜像。
参考答案:正确4. 填空题:在CAD中,使用“_”命令可以测量两点之间的距离。
参考答案:DIST5. 简答题:描述在CAD中如何创建一个矩形。
参考答案:在CAD中创建矩形,可以使用RECTANGLE命令,然后根据提示指定矩形的一个角点,接着输入矩形的长度和宽度值,最后按回车键完成矩形的绘制。
6. 综合题:请列出在CAD中修改对象属性的三种方法。
参考答案:在CAD中修改对象属性可以通过以下三种方法:1) 使用“PROPERTIES”命令直接在属性面板中修改;2) 使用“CHPROP”或“CHANGE”命令选择对象后修改其属性;3) 使用“MATCHPROP”命令将一个对象的属性复制给其他对象。
7. 计算题:给定一个圆的半径为50单位,计算其面积。
参考答案:圆的面积计算公式为A = πr²,其中r为半径。
将半径r=50代入公式,得到A = π * 50² = 2500π 平方单位。
8. 绘图题:根据给定的尺寸,绘制一个长为100单位,宽为50单位的矩形,并在矩形内部绘制一个直径为60单位的圆。
参考答案:首先使用RECTANGLE命令绘制一个长100单位,宽50单位的矩形。
然后使用CIRCLE命令,以矩形中心为圆心,绘制一个直径为60单位的圆。
9. 案例分析题:分析以下CAD图纸中存在的问题,并提出修改建议。
参考答案:(此处应根据实际图纸内容进行分析和回答,由于没有提供图纸,无法给出具体答案。
)10. 论述题:论述在CAD中图层管理的重要性及其应用。
大学cad中级考试试题及答案一、选择题(每题2分,共20分)1. 在AutoCAD中,以下哪个命令用于绘制圆?A. CIRCLEB. LINEC. RECTANGLED. POLYGON答案:A2. 以下哪个选项不是AutoCAD中的图层属性?A. 颜色B. 线型C. 线宽D. 文本答案:D3. 在AutoCAD中,要创建一个矩形,应该使用哪个命令?A. RECTANGB. POLYGONC. CIRCLED. ELLIPSE答案:A4. 如果需要在AutoCAD中修改对象的属性,应该使用哪个命令?A. PROPERTIESB. CHANGEC. MODIFYD. EDIT答案:A5. 在AutoCAD中,要将一个对象复制到另一个位置,可以使用以下哪个命令?A. COPYB. MOVEC. OFFSETD. ARRAY答案:A6. 在AutoCAD中,以下哪个命令用于绘制多段线?A. LINEB. POLYLINEC. SOLIDD. SPLINE答案:B7. 在AutoCAD中,要创建一个等距的平行线,应该使用哪个命令?A. OFFSETB. ARRAYC. MIRRORD. ROTATE答案:A8. 在AutoCAD中,要将多个对象组合成一个单一的复合对象,应该使用哪个命令?A. GROUPB. UNIONC. SUBTRACTD. INTERSECT答案:A9. 在AutoCAD中,要测量两点之间的距离,应该使用哪个命令?A. DISTB. MEASUREC. LENGTHEND. AREA答案:A10. 在AutoCAD中,要将一个对象沿指定轴旋转到特定角度,应该使用哪个命令?A. ROTATEB. MIRRORC. SKEWD. ALIGN答案:A二、填空题(每题2分,共20分)1. 在AutoCAD中,使用命令________可以创建一个块。
答案:BLOCK2. 使用命令________可以打开AutoCAD的属性管理器。
中级CAD 绘图员考试标准试题第一单元文件的操作1-1说明:机械类和建筑类(通用)【操作要求】1.建立新文件:运行AutoCAD软件,建立新模板文件,模板的图形范围是120×90,0层颜色为红色(RED)。
2.保存:将完成的模板图形以KSCAD1-1.DWT为文件名保存在#SubPath# 中。
请关闭autocad应用软件后再点击进入下一题。
1-2说明:机械类和建筑类(通用)【操作要求】1.建立新文件:运行AutoCAD软件,建立新模板文件,模板的图形范围是1200×900,加载线型为acad_iso03w100,设此线型为当前线型,设置合理的线型比例。
2.保存:将完成的模板图形以KSCAD1-2.DWT为文件名保存在#SubPath# 中。
请关闭autocad应用软件后再点击进入下一题。
1-3说明:机械类和建筑类(通用)【操作要求】1.建立新文件:运行AutoCAD软件,建立新模板文件,模板的图形范围是4200×2900,网格(grid)点距为100。
2.保存:将完成的模板图形以KSCAD1-3.DWT为文件名保存在#SubPath# 中。
请关闭autocad应用软件后再点击进入下一题。
1-4说明:机械类和建筑类(通用)【操作要求】1.建立新文件:运行AutoCAD软件,建立新模板文件,模板的图形范围是4200×2900,光标捕捉(snap)间距为100,并打开光标捕捉。
2.保存:将完成的模板图形以KSCAD1-4.DWT为文件名保存在#SubPath# 中。
请关闭autocad应用软件后再点击进入下一题。
1-5说明:机械类和建筑类(通用)【操作要求】1.建立新文件:运行AutoCAD软件,建立新模板文件,模板的图形范围是4200×2900,设置单位为Meters,长度、角度单位精确度为小数点后3位。
2.保存:将完成的模板图形以KSCAD1-5.DWT为文件名保存在#SubPath# 中。
大学cad中级考试试题及答案一、选择题(每题2分,共20分)1. 在CAD中,以下哪个命令用于绘制直线?A. LINEB. CIRCLEC. ARCD. RECTANGLE答案:A2. 如何在CAD中创建一个圆?A. 输入CIRCLE命令B. 输入LINE命令C. 输入ARC命令D. 输入RECTANGLE命令答案:A3. 在CAD中,哪个命令用于创建矩形?A. RECTANGLEB. CIRCLEC. LINED. ARC答案:A4. 如何在CAD中修改一个对象的属性?A. 使用PROPERTIES命令B. 使用COPY命令C. 使用MOVE命令D. 使用ROTATE命令答案:A5. 在CAD中,哪个命令用于绘制圆弧?A. LINEB. CIRCLEC. ARCD. RECTANGLE答案:C6. 如何在CAD中复制一个对象?A. 使用COPY命令B. 使用MOVE命令C. 使用ROTATE命令D. 使用SCALE命令答案:A7. 在CAD中,哪个命令用于绘制多边形?A. POLYGONB. CIRCLEC. LINED. RECTANGLE答案:A8. 如何在CAD中旋转一个对象?A. 使用ROTATE命令B. 使用COPY命令C. 使用MOVE命令D. 使用SCALE命令答案:A9. 在CAD中,哪个命令用于创建样条曲线?A. SPLINEB. CIRCLEC. LINED. RECTANGLE答案:A10. 如何在CAD中缩放一个对象?A. 使用SCALE命令B. 使用COPY命令C. 使用MOVE命令D. 使用ROTATE命令答案:A二、填空题(每题2分,共20分)1. 在CAD中,使用________命令可以打开对象捕捉功能。
答案:SNAP2. 要将CAD图纸保存为PDF格式,可以使用________命令。
答案:PLOT3. 在CAD中,________命令允许用户输入特定的长度来绘制线段。
机械工业职业技能鉴定CAD制图员中级工理论知识试卷(A卷)注意事项1.请首先按要求在试卷的标封处填写您的姓名、准号证号和所在单位的名称。
2.请仔细阅读各种题目的回答要求,在规定的位置填写您的答案。
3.请用蓝(或黑色)钢笔、圆珠笔答卷;不要在试卷内填写与答题无关的内容。
4.本试卷满分为100分,考试时间为90分钟。
一是非题,判断题(每题1分,共30分)1、所有的命令都可以采用键盘输入(即快捷方式)以提高绘图制度,快捷方式的字母可由用户自己来定义。
2、使用编辑图形命令时(如移动、阵列等)可以先点命令,再选图形,也可首先选图形,再点命令。
3、使用外部块命令时,当外部块图形改变时,引用部会也会随之改变。
4、CAD设计与常规设计方法相比,有利于产品的标准化、分列化、通用化。
()5、机械制图中,GB/T为推荐性国家标准的代号,一般可简称为“国标”()6、国家标准中。
A4图纸的幅面尺寸为210X297,A3的图纸的幅面尺寸为295X420()7、在标准制图中,每张图纸都应该画出标题栏,标题栏的位置应位于图样的右下角()8、在机械制图中,2:1的比例成为放大的比例,如实物的尺寸为10,那么图中图形应画5()9、在机械制图中,投影采用的是正投影法,即投射线与投影面相垂直的平行投影法。
()10、平面四边形与投影面倾斜时,其投影变小,投影的形状有可能会变成三角形()11、在三面投影体系中,主视图,俯视图,左视图之间保持长对正,高平齐,宽相等的原则()12、一个平面图形在三面投影体系中的投影有可能是一个点、一条直线或一个平面()13、任何复杂的物体,仔细分析起来,都可看成是由若干个基本几何体组合而成的()14、为了将尺寸标注的完整,在组合体的视图上,一般需要标注定形尺寸、定位尺寸、总体尺寸等尺寸。
()15、为了使图形清晰,应尽量将尺寸注在视图的外面,以免尺寸线、数字和轮廓线相交。
()16、在制图中画出的粗实线,虚线是在实物上面真正存在的轮廓线()17、波浪线在制图中一般应用在断裂处的边界线,视图和剖视的分解线()18、将机件的某一部分向基本投影面投射所得到的视图,称为局部视图,所以局部视图一定会使某个基本视图的一部分。
()19、将机件向不平行于任何基本投射面的平面投射所得到的视图,称为斜视图。
斜视图是基本视图的一部分。
()20、在局部视图和斜视图中,任何情况下都要做断裂位置的标识,视图方向的标识和视图位置的标识()21.较长的机件(轴、型材、连杆等)沿长度方向的形状一致或按一定规律变化时,可断开后缩短绘制。
()22.我们国家标准规定,当采用第三视角画法时,必须在图样中画出第三角画法的识别符号()23.一个竖立摆放的右旋弹簧,如果将它上下倒置摆放,会变成左旋弹簧()24.螺纹要素全部相同的内、外螺纹方能连接()25.两个互相配合的齿轮,一定会保持齿形相同,模数相等的关系,在装配时节圆保持相切()26.将一根自由长度为50mm的弹簧,拉伸到52mm,所需要的力和将这根弹簧压缩到48mm所需要的力是不一样的()27.选择一个零件的主视图一般会考虑到表现形体特征,表现加工位置和表现工作位置等原则()28.在电脑中,可以将在一台电脑上画好的图形,原封不动的复制到另外一台电脑上(对)29.AUTOCADR14版本的图形,可以用AUTOCAD2004打开,同样道理,AUTOCAD2004版本的图形,可以直接用AUTOCAD R14打开()30、因为COPY、OFFSET、MIRROR、ARRAY等命令都能复制实体,因此它们是一样的。
()二、单项选择题。
(每题1分,共30分)1.在CAD网络系统中,以下说法不正确的是()a.设计资料可以共享b.硬件可以共享c.电脑文件可以共享d.可以方便管理设计进度2.在CAD命令输入方式中以下不可采用的方式有()a.点取命令图标b.在菜单栏点取命令c.用键盘直接输入d.利用数字键输入3.在绘制直线时,可以使用以下快捷输入方式()a.c b.Lc.pan d.E4.在工作移动图形时,可利用以下方式实现()a.利用ctrl+p键b.利用shifl+p键c.按住鼠标中键拖动d.滚动鼠标中键移动5.以下关于打断命令说法错误的是()a.打断命令可以将-5图分成两个相等部分b.打断命令可以部分删除图元c.打断命令可以利用键盘输入“br”启动d.打断命令可以将一条直线分成两段相连部分6.关于心寸标注,以下说法正确的是()a.在尺寸标注时,不可以直接输入公差,需在村注样式中修改公差值b.在引线标注时,文字标注的位置可以在尺寸线上面,中间线下面c.在修改尺寸文字后,线性尺寸会随着尺寸的变化而变化,如直线为5、若改为10、则直线的长度为动设为10d.可通过设置在尺寸标注时,由用户控制尺寸置位置7.在设置点样式时可以()a.选择【格式】【点样式】命令b.右击鼠标,在弹出的快捷菜单中单击【点样式】命令c.选取该项点后,在其对应的【特性】对话框中进行设置d.单击【图案填充】按钮8.要创建与3个对象相切的圆可以()a.选择【绘图】【圆】【相切、相切、相切】命令b.选择【绘图】【圆】【相切、相切、半径】命令c.选择【绘图】【圆】【三点】命令d.单击【圆】按钮,并在命令行内输入3P命令9.要从键盘上输入命令,只须在命令行中输入下列()形式的命令名。
a.用小写字母b.用大写字母c.或a或b或两者相结合d.不能通过键盘输入命令10.下述方法中不能够创建圆的是()a.2P b.3Pc.4P d.圆心、半径11.下面关于选取对象的说法正确的是()a.直接单击所要选取的对象b.在选取对象时先确定左上角,再向右下角拖动,框在选择框内的对象被选中c.交叉选取对象时先确定右上角,再向右下角拖动,框在选择框内的对象被选中d.多边形选取对象的方法是单击移动+按钮,命令行内输入WP,然后确定选择范围12.下面的操作中不能实现复制操作的是()a.复制b.镜像c.偏移d.分解13.下面关于拉伸对象的说法不正确的是()a.直线在窗口内的端点不动,在窗口外的端点移动b.在对区域填充部分拉伸对象时,窗口外的端点不动,窗口内的端点移动c.在拉伸圆弧时,圆弧的弦高不变,主要调整圆心的位置和圆弧的起始角和终止角d.多段线两端的宽度、切线方向以及曲线及拟合信息均不改变14.有一实物的某个尺寸为10,绘图是采用的比例为2:1。
标注是应标注( ) a.5 b.10c.20 d.5mm15.在机械制图中,一般要求字体为:( )a.仿宋体b.宋体c.长仿宋体d.黑体16、计算机辅助设计的英文缩写是()a) CAD b) CA M c) CAE d) CAT17、“Windows xp是一个多任务操作系统”指的是()a) Windows可运行多种类型各异的应用程序b) Windows可同时运行多个应用程序c) Windows可供多个用户同时使用d) Windows可同时管理多种资源18、在AUTOCAD软件使用过程中,为查看帮助信息,应按的功能键是( )A) F1 B) F2 C) F6 D) F1019、在Windows xp中,打开上次最后一个使用的文档的最直接途径是( )A) 单击“开始”按钮,然后指向“文档” B) 单击“开始”按钮,然后指向“查找”C) 单击“开始”按钮,然后指向“收藏” D) 单击“开始”按钮,然后指向“程序”20、在Windows xp 资源管理器中,选定文件后,打开文件属性对话框的操作是( )A) 单击“文件”→ “属性” B) 单击“编辑”→ “属性”C) 单击“查看”→ “属性” D) 单击“工具”→ “属性”21、在Windows98 xp中,下列关于添加硬件的叙述正确的是( )A) 添加任何硬件均应打开“控制面板”B) 添加即插即用硬件必须打开“控制面板”C) 添加非即插即用硬件必须使用“控制面板”D) 添加任何硬件均不应使用“控制面板”22、在AUTOCAD画图状态下,只想复制选定图形的内容而不需要复制未选定的图形,则应( )A) 直接使用粘贴按钮B) 选择“编辑”→“选择性粘贴”操作C) 选择“编辑”→“复制”→“粘贴”操作D) 在指定位置按鼠标右键23、Windows xp中,右击C盘根目录中某文件,在弹出的快捷菜单中选择“发送到”子菜单,不能将该文件发送到( )A) 软盘B)打印机C)“我的文档” D)“启动”菜单中24、不用鼠标,执行Windows xp资源管理器“编辑(E)”下拉菜单中的“复制(C)”命令的方法是( )A) 按Alt+E,然后按Alt+C B) 按Alt+E,然后按CC) Ctrl+C D) 只按Alt+E25、用TEXT命令书写公差符号时应使用()。
A.%%C B.%%D C.%%P D.U26、AutoCAD中模板文件的扩展名是_()。
A.CFG B.DWG C.SHX D.DWT27、打开/关闭正交方式的功能键为_()。
A.F1 B.F8 C.F6 D.F928、设置图形编辑窗口背景颜色的操作为_()。
A.LAYER/COLOR B.COLOR C.Options/Display/Colors D.Options/Printer29、AutoCAD中的图层数最多可设置为()。
A.10层B.没有限制C.5层D.256层30、在Select objects操作中,想选择最近编辑过的物体,应键入()。
A.W B.P C.L D.ALL三、多项选择题(每题2分,共10分)1.对外部块的正确描述是__ ____。
A.用WBLOCK命令建立外部块B.外部块的文件扩展名为DWGC.外部块用INSERT命令可插入到当前图形文件中D.外部块只能插入到0层E.外部块插入时也可以缩放或旋转2.用LINE命令画直线时,可用哪些输入点的方式__ ____。
A.绝对坐标B.相对坐标C.捕捉特殊点D.点(坐标)过滤E.极坐标3.在绘制一张包含多种线型的机械图时应作以下几种设置_ _____。
A.根据图形大小设置图形界限B.设置不同颜色和图层C.设置好线型比例因子LTSCALE D.给图形起个名字保存起来4.在AutoCAD中以下哪些方法能调用命令__ _____。
A.打开NEW对话框来调用命令B.通过下拉菜单调用命令C.通过工具条来调用命令D.在COMMAND命令行键入命令5.下列哪些属于PLINE命令中的选项__ ____。
A.ARC B.LENGTH C.CLOSE D.JOIN E.WIDTH F.UNDO四、填空题。
(每题1分,共30分)1.AutoCAD2005的界面主要由标题栏、菜单栏、工具栏、光标、坐标系统图标、命今窗口、状态栏及( )等部分组成。
2.按打开效果分,菜单有右边带小三角的菜单项、带省略号的及( )三种类型。