企业诊断报告及表格
- 格式:ppt
- 大小:1.88 MB
- 文档页数:10
普天银通信息科技有限公司全面预算管理诊断报告根据《关于认真做好管理诊断的通知》(中普股企〔2012〕196号),为贯彻落实中国普天管理提升活动精神,普天银通信息科技有限公司(以下简称普天银通或公司)结合自身实际、对照《全面预算管理诊断模板》,总结与诊断公司全面预算管理状况,特此汇报如下。
2012年,公司贯彻预算先行、全面预算管理,以战略引领与价值导向性为全面预算管理的目标,定期制定预算培训,严格执行预算目标,流程清晰、完整、审批权限明确地进行预算调整程序,预算控制管理流程做到事前控制、事中监管、事后分析考评,并在每个预算年度终了,形成预算年度总结报告。
一、全面预算管理基础建设公司设立了负责全面预算管理的组织机构——预算管理委员会,下设办公室,具体执行预算管理委员会的决议;由公司总裁徐庆辉同志和公司副总会计师孙力文同志亲自参与预算管理过程中重大会议并关注预算管理各环节。
公司建立完整的预算管理制度,可覆盖预算管理事前、事中、事后全过程。
公司发展规划、资金管理、成本费用管理、绩效考核等专业管理制度体系与全面预算管理制度体系紧密衔接。
公司内部各职能部门、各管理层级在全面预算管理工作中分工明确、责任清晰、相互协同并高效配合。
二、全面预算管理的目标公司预算管理以战略引领与价值导向性为目标,预算管理与战略目标紧密结合、以战略目标为依据、坚持价值导向,制定年度预算目标时考虑战略细化分解和矫正情况。
公司中高层管理人员对企业的战略目标有清晰的认识,了解战略目标与预算的关系;并就战略目标经常与员工进行沟通、交流,如召开员工大会、通过内部网站与员工沟通等方式。
对公司实现全面预算管理目标的总结意见:公司管理层需要对公司所面临的外部机遇与风险,以及内部资源和能力进行全面地考虑,并在开始编制预算前明确公司整体战略和公司年度运作计划。
明确全面预算管理目标是促进公司良性发展的起始环节,也是决定公司战略的关键一环。
因此在目标制定的过程中,不断在上下级及各相关部门间对战略的具体实施进行正式和非正式的沟通,以此加深各部门对公司战略的理解。
化妆品生产企业卫生管理表格一、人员卫生管理部分1.企业从业人员健康检查档案2.个人卫生检查表3.内部学习培训记录4.文件发放审批表5.文件更改审批表6.文件修改控制页7.文件销毁(作废)清单8.发文登记簿9.收文登记簿10.受控文件清单11.文件更改通知单12.记录清单13.记录借阅审批表14.质量记录销毁审批表15.记录销毁登记簿化妆品生产企业从业人员健康检查档案号:填表人:审核人:个人卫生检查表编号:检查人:日期:年月日手部皮肤病检查:手癣、指甲癣、手部湿疹、发生于手部的银屑病或者鳞屑、渗出性皮肤病者学习培训记录学习内容:学习方式:授课人:日期:年月日课时:文件修改控制页编号:第页文件销毁(作废)清单编号:第页发文登记簿编号:第页编号:第页受控文件清单编号:第页文件更改通知单编号:第页文件名称及编号通知部门更改日期更改前内容:更改后内容:接收通知人签字:记录清单编号:记录借阅审批表编号:第页质量记录销毁审批表记录销毁登记簿编号:第页二、原材料部分1.采购计划表2.采购明细表3.供应商评价表4.合格供应商汇总表5.到货通知单6.原材料检查记录7.原材料入库记录8.原材料出库记录9.原材料入库单10.原材料出库单11.原材料出入库记米购计划表编号: 20 月份采购明细表编号:品名:20 年月份第页供应商评价表备注:合格供应商应有近半年内由有检验资质的第三方出具的产品质量合格检验报告,其他原辅料的合格供应商还应持有有效的营业执照和生产(流通)许可证(生产许可证仅针对已纳入生产许可证管理产品),否则不得列为合格供应商合格供应商汇总表到货通知单原材料验收检查记录编号:原材料入库记录编号:原材料出库记录编号:原材料入库单所入仓库:入库时间:原材料出库单原材料出入库记录卡原料名称:规格:生产日期(批号):生产单位:入库时间:危险品仓库(化学物品易燃易爆)管理记录表编号:填表人:审核人:年月日不合格原料处理记录三、成品贮存与运输部分1、仓库储存情况检查记2、成品入库记3、成品出库记4、成品退货记5、成品入库单6、成品退仓库储存条件检查记录编号:成品入库记录编号:编号:出库验收员:成品出库记录领料员:成品退货记录编号:成品入库单签收人:年月日成品退货单日成品出入库记录卡成品出库单出库日期: 出货单号:经手人:年月日不合格品出库单处理人:审核人:年月日产品销售记录四、生产过程和岗位操作记录部分1.产品配制称量记录2.配料记录表3.化妆品生产工艺记录4.设备清洗、使用维护检查记录5.灌装工序生产记录6.物料进入洁净区(脱外包)管理登记表7.化妆品车间清场记录8.生产用水检测记录9.水处理设备检查和维护记录10.场所清洁消毒记录表产品配制称量记录编码:称量人:复核人:称量日期:配料记录表备注:配料员如实记录所使用原料名称、批次、数量的同时,应对调配的原料进行编号,并在包装、容器上进行标识化妆品生产工艺记录表设备清洗、使用维护检查记录设备名称:设备编号:______________________ 编号:说明:若设备使用无故障,则在设备使用及维护状况栏内打勾。
《企业全面管理咨询诊断报告》执行方法与撰写要求一、《企业管理咨询报告》的概念和作用诠释1、企业管理咨询报告的概念企业管理咨询是一项针对企业现状,运用各种科学方法进行调查分析,然后作出切实评价,提供具体有效的改善方案并指导其实施,以提高企业管理水平和经济效益的活动。
企业管理咨询报告,就是企业内外的咨询人员针对企业存在的问题进行咨询后所撰写的报告。
2、企业管理咨询报告的作用①它是咨询人员对咨询活动的总结②③二、1①②外部咨询报告则是由企业聘请或委托的外部咨询人员进行咨询后所写。
2、企业管理咨询报告的特点①创造性咨询报告是咨询人员进行创造思维的产物,而创造性又是咨询报告的生命。
咨询人员只有在咨询报告中提出改善企业管理的新办法、新措施,才能使企业在某个方面开创出新的局面。
因此,报告中创造性东西越多,越能结合企业实际,也就越能发挥咨询的作用。
②客观性主要指报告所反映的咨询结果要符合客观实际,在形成某种见解时,不受内外因素的干扰,也不迁就任何个人或集体的片面要求。
③有效性主要表现在报告所提出的改善方案确实能解决企业存在的问题上。
咨询报告中的改善方案一般以挖潜为主,适合企业的财力、人力和管理水平,能被企业所接受,在付诸实施之后能取得相应的效果。
三、企业管理全面咨询诊断的领域、诊断方法与步骤1、对企业进行全面诊断的主要领域①企业经营战略与目标管理;②企业文化与组织管理;③企业财务及成本控制管理;④企业运营管理;⑤企业营销管理;⑥人力资本管理。
2、咨询诊断与执行的方法与步骤①②;;③④反思:制订执行情况跟进表。
定期收集反馈信息,对成果进行评定与反思;修改、调整与改善方案。
3、诊断的要点和重点分析:①企业经营战略与目标管理:是否有明确的、长期的战略目标?战略目标的内容是什么?是否有较强的针对性?战略目标是如何制定的,有没有明确的战略措施?战略措施是否有利于提高和发挥企业的战略优势?企业的战略步骤分为几个阶段?每个阶段都有什么任务?战略措施的预计收益有多大?以及实施代价的大小?战略措施的群众基础和贯彻效果如何?企业实施战略的能力?企业的社会责任感如何?企业的诚信机制是否完善。
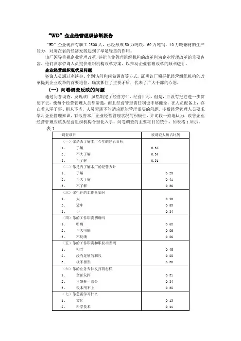
“WD”企业经营组织诊断报告“WD”企业现在有职工2500人,已经形成50万吨铁、60万吨钢、40万吨钢材的生产能力,对所在省的经济发展起到了举足轻重的作用。
该厂领导重视企业管理改革,并把企业管理组织机构的改革列为企业管理改革的重要内容。
他们要求咨询人员提供组织机构改革方案,以推动企业管理改革的顺利进行。
企业经营组织现状及问题咨询人员通过座谈会、个别访问和问卷调查等方式,证明该厂领导把经营组织机构的改革提到企业改革的首要地位,确实抓住了主要矛盾,代表了广大干部的心愿。
(一)问卷调查反映的问题通过问卷调查,发现该厂虽然制定了经营方针、经营目标,但是,并没有把它进一步贯彻下去,使每个经营管理人员都清楚,而且经营管理责任制也不够健全。
在人员配备上,存在着人浮于事、用人不当、人员素质不能适应职能管理需要的问题。
多数经营管理人员要求学习企业管理知识,有改善本厂企业经营管理状况的积极性,并比较一致地认为,改善企业经营管理应该从经营组织机构合理化入手。
问卷调查的主要项目的统计,如表格1所示。
(二)专题调查反映的问题该厂的经营组织的只能不够明确,没有专职岗位负责这一工作,没有经营组织演变的资料,甚至没有反映组织机构现状的组织图。
专题调查反映的问题类似问卷调查,是长期存在而不能及时解决的问题。
在经营组织机构方面存在的问题如下:1.组织机构较庞大,且管理层次不够清晰。
该厂行政系统处级以上的单位有24个,科级以上的单位有122个;政工系统处级以上的单位有10个,科级以上的单位有29个。
这在同类企业中是较少见的职能处有许多下属单位,如质量处的检测站,安全处的监测站,机动处和供应处等职能处的仓库、行政处的托儿所和招待所,均并列于职能科。
职能处的管辖单位最多的有17个,计721人。
2.机构设置不够合理。
例如,在24个行政处级单位中,有8个处设有综合科。
综合科的业务范围是处内的事务性工作。
机动处的综合科8个人,其中,2名科长,6人分别担任处内的劳动人事、收发、福利、行政、打字、工会职务。
企业健康专项检查报告单检查日期:2021年10月10日检查单位:XXX公司1. 检查项目:职业病危害因素监测* 结果:合格* 检查说明:本次检查对XXX公司的生产车间进行了职业病危害因素监测,监测项目包括噪音、粉尘、有害气体等因素。
监测结果表明,各项指标均符合国家相关标准,职工的职业健康处于安全范围。
2. 检查项目:职工健康体检* 结果:合格* 检查说明:本次对XXX公司所有在职职工进行了健康体检,体检项目包括身高、体重、血压、心率、血常规等指标。
通过体检结果分析,职工的整体体检结论为健康,没有发现重大疾病或健康风险。
3. 检查项目:职工心理健康评估* 结果:合格* 检查说明:本次对XXX公司的职工进行了心理健康评估,通过问卷调查和个别访谈的形式,对职工的心理状态进行了综合了解。
评估结果显示,职工的整体心理状况良好,不存在明显的心理问题,整体情绪稳定。
4. 检查项目:职业病防护措施评估* 结果:部分合格* 检查说明:本次对XXX公司的职业病防护措施进行了评估,评估内容包括防护设施、防护用品的配备和使用情况等。
评估结果显示,公司已经采取了相应的职业病防护措施,但在设施维护和员工使用方面还存在一些问题,需要进一步改进。
5. 检查项目:职业培训与健康教育* 结果:合格* 检查说明:本次检查对XXX公司的职业培训与健康教育进行了评估,评估内容包括员工接受职业培训的情况、职业健康知识宣传的开展情况等。
评估结果显示,公司积极组织职业培训和健康教育活动,员工的职业健康意识和知识水平较高。
结论:综合以上检查结果,XXX公司的职业健康管理工作整体表现良好。
在职业病危害因素监测、职工健康体检、职工心理健康评估和职业培训与健康教育等方面,公司的工作合格。
在职业病防护措施评估方面,存在一些问题需要进一步改进。
建议公司继续加强职业病防护措施,提高员工的职业健康意识,确保职工的身体和心理健康。
以上为《企业健康专项检查报告单》。
市场营销诊断报告的书写格式这是一套基础又实用的模板;这是一套让你迅速掌握企业诊断、营销策划、管理策划的最好教材;他可以帮你理清混乱的思路,他可以帮你夯实基础;但是这里请你切记我说的最后一句话,不要呆板的使用它,他只有融入鲜活的企业运营中,他才是真的无价宝。
《市场营销诊断报告的书写格式》一、标题:单位名加文种(例:XXX贸易公司营销诊断报告)二、前言:1.要写明为何诊断与诊断时间,2.要写明诊断期间采用手段,3.诊断内容,4.公司现状简单分析,5.此次诊断的意义。
例如:受公司总经办委托,营销部进行了为期十天的企业营销诊断。
诊断期间,我们采用了问卷调查、人员访谈、走访观察等各种方法的结合,通过对公司内部的组织机构、营销部人力资源、管理现状和企业外部的营销网络建设与网络管理、市场运作、竞争情况、发展趋势等方面的了解,对公司的营销和管理有了清楚的认识。
当前公司正处于起步阶段,代理着XXX品牌,经诊断还有多处不足,有待进一步改善和提高。
三、公司内部营销环境诊断(3.1)、公司组织体制诊断:1.公司现采用的组织机构图与各部门岗位职责描述(直接描述即可,不用进一步分析)2.员工对公司现有组织现状的评价(这一条要用图表展示、汇总,例如:)员工认知率100%80%60%40%20%测评项目部门分工合理各部门之间配合良好公司组织工作效率高此表结果来自员工民意调查,调查后统计5分的所占比例(如公司被调查人数50人,认为公司各部门之间配和合理的有10人就可以在上表上标为10/50*100%=20%)XX公司员工对组织现状评价调查问卷表请为以下内容打分,5分为合理依此类推,极差为1分调查项目配分标准说明理由54321部门分工是否合理各部门之间配合是否合理各部门之间运作效率3.公司现有组织体制诊断:(1.写明组织设计不合理的地方)员工对组织现状评价较低的原因,也可以写明上表中员工评定理由说明)4.建议:(次处写明调查人对公司组织设计的建议方案与各部门岗位职责)(3.2)、员工满意度诊断:1.商务代表忠诚度调查愿意在公司工作5年以上愿意在公司工作3—5年工作1—3年有机会就离开公司%%%%2.员工满意度调查工资奖金福利领导信任公司培训职业生涯规划‘公司员工联谊活动%%%%%%%%3.员工满意度与忠诚度调研分析:4.关于提升员工满意度和忠诚的建议方案:(此项调查可以采用问卷调查法,上述两项调查表的数据显示来自下列两个表格)XX公司员工忠诚度调查表1、不记名答卷;2、认真是填写;3、在同意出画钩;4、说明理由愿意在本公司工作5年以上愿意在公司工作3—5年愿意在公司工作1—3年一有机会就马上离开本公司理由:理由:理由:理由:XX公司员工满意度调查表1、不记名答卷;2、答卷人配分5分为满意,1分为极不满意;3、简单说明理由调研项目配分标准理由54321工资待遇奖金待遇各项福利各项制度领导对你的信任公司组织的培训公司为你设计的职业生涯设计公司组织的各类员工活动其他(3.3)、公司资源分析诊断1、人力资源现状分析(1)员工文化结构初中高中(中专)大专本科本科以上%%%%%员工整体文化素质简单总结分析。
企业管理咨询诊断报告及改善建议一、诊断报告诊断报告对于确立咨询公司与企业良好的合作关系、确定解决方案都具有重要意义。
它是管理咨询运作过程中给客户提交的第一份正式报告,(一)诊断报告应达到的目的1诊断报告是咨询项目小组经过对企业的调研和分析后,对企业存在的问题、原因及解决思路的书面意见,在整个咨询活动中具有阶段性小结、启动后续工作的意义。
一份合格的诊断报告应达到如下几个目的:1.对企业存在的问题和问题的根源有全面准确、清楚透彻的分析,并能得到客户的认可。
2.能够针对问题提出针对性的解决思路框架,并能得到客户的认可。
3.以诊断报告为核心,咨询项目小组内部达成一致,成为对下一步工作开展的指导性文件。
4.客户通过诊断报告能够充分感受到咨询人员的专业水平,对咨询项目小组产生高度的信任。
5.能够作为咨询项目小组、企业高层和企业一般员工就企业问题进行沟通的平台,通过诊断报告的讲解使企业员工就企业存在的问题达成一致看法。
6.对咨询公司而言,诊断报告经客户认可后,能够按时收回与该部分内容挂钩的项目咨询费用。
(二)诊断报告的框架由于每个咨询项目的方向和内容不一样,因此诊断报告并没有一个一成不变的格式。
但是,作为以说明问题为主的演示文件,还是有一个基本的框架可以参考的。
1.对诊断阶段所做工作的说明在诊断报告的最前面,需要简单介绍一下咨询项目组在诊断阶段所做的工作。
2.通过诊断得出的主要结论这是诊断报告的核心部分,是整个报告的灵魂和提纲。
3.对每个需要说明的专项问题加以论证这一部分的内容在撰写时应该包括几个部分:首先是描述专项问题及该问题在所有问题中的地位;其次是说明问题的分析过程,要将如何判断企业存在这个问题的论据讲清楚,并进行严密的论证;第三是要分析这个专项问题产生的根源;第四是要分析这个专项问题对其他问题可能产生的影响;最后就是要对这个问题的重要性和限制性条件等予以说明。
4.行业或者其他企业先进经验的借鉴5.提出针对问题的框架性解决思路虽然名为诊断报告,但是如果仅有诊断的内容还是不够的。
企业管理诊断报告样例要紧诊断的方式有:人员访谈:同意访谈的人数为51人;问据调查:共回收有效调查问卷67份;工作现场诊断:生产系统各部门;现有文件、资料人事资料、薪酬资料、公司相关制度、ISO文件;现将初步诊断结论及其支持性的证据汇编如下,请**公司董事长及全体干部、职员审核并提出意见和建议!二、**公司经营环境分析行业特点描述与外部环境进行:**公司所在的塑胶制品行业是竞争日益猛烈的成熟行业,成个行业的职员素养普遍偏低,工作时刻普遍偏长,工资水平方法也普遍相对较低,职员流淌性大,员流失率高。
塑胶制品行业中有自有品牌生产和OEM生产两种生产经营模式,能够以OEM方式加入国际经济大循环往往是稳固订单的可靠保证,**公司属于后者。
因此,关于**公司而言如何有效稳固老职员、吸引新职员、通过理顺公司治理架构、提高公司高层、中层、基层干部的治理能力来有效组织生产,稳固提高产量和保证质量是工厂生产经营的关键成功要素。
**公司机会与优势分析:在**加工以及**生产方面有多年的稳固的贸易合作伙伴,有稳固的销售渠道,这是公司最大的优势;**公司生产门类较齐全,在行业内有较高的知名度,专门则硬件条件方面:厂房设备、职员生活设施等方面有较好的条件。
具备规模生产能力,为今后进一步进展奠定了基础!所面临的威逼与机会:**公司内部在9月份刚完成企业股东变更以及由此引发了部分人员的流失,再加上由于公司相关政策内容之偏颇以及内部治理程序的缺失,造成了公司职员对公司的治理不中意,显现了比较严峻的人员流失和以及人员士气低落的现象,公司内部治理较纷乱,没有形成系统化的治理体系,干部治理能力普遍偏弱,对质量、成本、交期的操纵缺乏力度。
与公司目前的生产规模不相适应,由于公司内部运营效率低,以各种人为错误导致的白费严峻,经营成本偏高,严峻阻碍了公司的生产经营。
公司以后一年的要紧战略措施:a)明确**产品为公司以后要紧利润中心,加大对##机的投入;b)停止##模、化工等微利产品的生产,以降低成本;c)稳固##、##、##车间的一线生产职员、辅助生产职员以及基层治理人员队伍,保证产量的提高和质量稳固;d)理顺公司各职能机构的职责、权限范畴以及关键的治理流程,通过在岗培训方式,提高治理人员的治理能力,以减少因治理不当而造成的企业内耗,提高效率,提升盈利水平;三、公司目前所存在的要紧问题描述部分公司差不多政策的内容和方向显现偏差,导致如下后果:a)企业职员有相当一部分不信任公司,并将此种方法传播到社会上,导致公司招工困难,使得新入职职员在短时刻内离职,已在岗的老职员纷纷要求或者自动离职,使得公司显现“职员荒”的局面;目前职员流失率专门高:##部7月份有300多人,10月份只有110人了;其中大部分是自动离职,半年以来该部门共换了7个主管;品质治理部共23人,9月份就离职7人;我们在车间中看到,职员中有专门多差不多上男职员或者年纪较大的女职员,正常情形下,应该是以年轻的女职员居多;b)部分已在岗的人员,无心提高产量、稳固产品质量,在岗位上混时刻,工作效率低。
第一章诊断汇报书写常规一、诊断汇报书写规范是诊断质量旳最终反应医学服务波及人旳生命与健康,其服务质量旳重要意义是不言而喻旳。
为此,医学管理学就提出了质量保证与质量控制旳种种规范与措施。
发达国家旳医学质量保证,质量控制是由政府有关部门与医学学术团体共同实行旳。
从我国近年来旳实践看,也是由政府部门施加一定旳行政影响,并组织有关旳医学团体制定统一质量保证与质量控制旳规范与实行措施,并加以贯彻与推广。
诊断汇报书能反应医学影像旳诊断质量。
从一份规范旳诊断汇报书中可以看得出使用旳设备是什么,检查旳操作技术或程序是怎样旳,诊断者观测与否全面,以及诊断旳思绪与否对旳等等。
因此,我们认为在逐渐完善医学影像学质量保证或质量控制旳进程中,第一步要走旳路就是诊断汇报书旳规范化。
二、规范化医学影像学诊断汇报旳格式医学影像学诊断汇报书旳格式是一种形式,它反应旳内容必须要符合质量保证与质量控制规定。
纵观目前国内、国外旳诊断汇报书,形式多种各样,大小与繁简程度也不一致。
不过从质量保证与质量控制角度出发,我们认为医学影像学旳诊断汇报书旳格式应包括如下5项。
1、一股资料,往往是表格式旳。
逐项填写:患者姓名、性别、年龄、科别、住院号、病区、病床、门诊号、X线号、CT号、MRI 号、DSA号、X片序号、检查日期、汇报日期等等。
2、检查名称与检查措施或技术。
3、医学影像学体现。
如X线所见、CT所见、MRI所见、DSA所见等。
4、医学影像学诊断。
5、书写汇报与审核汇报医师签名。
三、规范化医学影像学诊断汇报书旳内容:规范化医学影像学诊断汇报书旳五个项目所包括旳内容各不相似,但却有一定旳联络,它们与汇报形式是统一旳。
我们将每一项目应书写旳内容,提议如下。
1、一般资料:各家医院可以根据多种不一样设备旳医学影像学科详细状况设计各自旳表格,但必须是能精简地概括识别病员旳标志、检查规定、目旳与简要旳临床状况或诊断。
汇报书写者应逐一填写。
我们提议检查号提成几项,即X线号、CT号、MRI号与DSA号等,合用于较大医院。
XX有限公司KYT工作表格汇编目录1、班组KYT工作诊断标准2、DFL员工危险预知训练(KYT)记录3、R1训练记录4、OPL(一个重点的训练)5、各部门每周两次安全生产现场抽查记录6、安全生产外出作业点检记录7、班组月度安全日检查表8、5个为什么分析9、作业前KY卡10、虚惊(损工)事件记录11、劳动防护用品劣化标准12、工伤事故信息快递单13、KYT实施报告书14、KYT实施报告书范本班组KYT工作诊断标准分标准●每项评价内容每阶段满分为1分,五阶段累加满分为5分;●对于每个阶段中每一项内容按规定分数记分;在前一阶段得满分之后,才可进行下一阶段内容评价;在不合格条款内容后标记“×”以示存在问题,具体问题记载在“问题记载”栏;●合计每项得分/5为最终得分。
DFL员工危险预知训练(KYT)记录成后由车间安全员、车间主任进行确认签名;班组妥善存档。
R1训练记录由班组自定格式,应记录清楚训练时间和受训人、训练内容。
R1训练记录各部门每周两次安全生产现场抽查记录班组月度安全日检查表说明:1、安全巡视记录由各经营部、分公司、班组自定内容,检查应有问题记载、整改责任人、整改时间、确认等内容。
2、符合要求打√,不符合要求╳,整改完成情况由部门领导或班组长确认。
作业前 KY 卡部门班组名称制定日期 作业者确认作业类型序号需确认的项目安全帽、劳保鞋、安全带、试电笔是否完好并佩戴? 作业前对周边环境进行观察,排除潜在危险。
是否执行?⑴ ⑵⑶保证 2 人以上作业,登高有人监护,并使用本单位的工具登高工具⑷ ⑸ ⑹ ⑺ ⑻是否办理了危险作业手续? 作业时保证不违章,按要求操作。
备注:此卡在作业前使用。
作业前全体人员必须在指挥者的带领下对卡中所列项目进行安全确认。
当“人、机、料、法、环”发生变化时,应当对确认项目进行修订或增 列。
虚惊(损工)事件记录编号:DFL1C-A028-3单位: 发生时间 年 月 日 * 吓一跳,冒冷汗的内容【 体验 ・ 预测】 (使用 5W2H 将主要语言填写进去) 车间 发生场所 *你的对策: 班组安技部门车间主任车间安全员班长姓名 岗位* 班长应对措施:* 在对策内容的对应项目里标上〇: 1.实施人的対策。
(本报告中风险解决方案按优先解决的问题进行排名)企业名称:广东宏泽集团所属地区:深圳市评 估 人:刘小姐职 务:培训专员/助理/培训师联系电话:*************-0E - mail:***************评估日期:2009-05-20目 录 一、导 语 1、ERA用工风险评估简介 2、用工风险评估的主要任务包括 3、用工风险评估的重要价值 二、评估结果概述 1、按风险发生概率排名 2、按风险可能造成的损失排名 3、按优先解决的问题进行排名 三、风险项目明细表 四、风险解决方案汇总 五、关于报告 1、ERA评估的法律依据 2、ERA 评估的技术说明 3、ERA法律团队介绍导 语ERA用工风险评估简介: ERA 用工风险评估(Employ Risk Assessment) 是目前权威、专业和系统的劳动风险解决方案,通过软件化应用,为企业提供了全面的用工法律风险评估及诊断服务。
ERA将针对企业在用工管理过程中的各个流程和操作环节进行全面评估,使企业可以对用工风险进行事先掌控,并对可能对企业造成的影响和损失进行量化评估。
同时,ERA系统还将针对风险为企业提供参考解决方案,从而使企业大大赢得解决问题的主动权。
用工风险评估的主要任务包括: 1、全面识别企业面临的各种潜在用工风险; 2、分析企业用工各种操作环节中存在的不足; 3、评估风险发生的概率和可能带来的负面影响; 4、确定风险解决和控制的优先等级、排序; 5、推荐风险解决及应对的对策。
用工风险评估的重要价值: 1、提前预测,并全面掌控企业面临的用工风险,从而令企业赢得解决问题的主动权; 2、识别各种风险处于具体哪些管理和操作环节,以便企业进行针对性改善; 3、针对风险提供参考应对方案,通过解决风险,优化企业管理流程和方法。
第一部分 评估结果概述 完整的ERA评估共有57个项目,共计297个具体风险点(详见 ),在本次评估中,评估了其中24个项目,涉及152个风险点;未评估33个项目,遗漏145个风险点。
调查报告表格形式调查报告:现代社会中的表格形式概述在现代社会中,表格形式已经成为人们日常生活和工作中不可或缺的一部分。
无论是在学校、公司、政府机构还是个人生活中,表格都扮演着重要的角色。
本文将探讨表格形式的起源、应用领域以及其在现代社会中的重要性。
起源与发展表格形式的起源可以追溯到古代,当时人们使用简单的符号和图形来记录数据和信息。
然而,随着科技的进步和人类对信息管理的需求不断增长,表格逐渐发展成为一种更为复杂和高效的记录和呈现方式。
19世纪末,美国的管理顾问弗雷德里克·泰勒首次提出了科学管理的概念,表格作为一种工具被广泛应用于工业生产中。
从那时起,表格形式逐渐渗透到各个领域,并成为信息管理的重要组成部分。
应用领域表格形式的应用领域十分广泛。
在学校教育中,教师可以使用成绩表格来记录学生的学习成绩和表现,以便及时评估和跟踪学生的学习进度。
在企业管理中,财务报表可以帮助管理者了解公司的财务状况,决策者可以根据表格中的数据做出战略性的决策。
在医疗领域,医生可以使用病历表格来记录患者的病情和治疗进展,以便进行准确的诊断和治疗。
此外,政府机构、科研机构、社会调查等领域也广泛使用表格形式来收集和分析数据。
重要性与优势表格形式在现代社会中的重要性不可低估。
首先,它提供了一种简洁、直观的方式来呈现大量的数据和信息。
通过将数据整理成表格,人们可以更容易地理解和分析信息,从而做出更明智的决策。
其次,表格形式具有高度的灵活性和可定制性。
人们可以根据自己的需求和目的来设计和调整表格的结构和内容,以适应不同的应用场景。
此外,由于表格形式的标准化和规范化,数据的输入和输出也更加方便和快捷。
最后,表格形式还具有易于存档和传播的优势。
通过电子表格软件,人们可以轻松地保存、备份和共享表格,以便随时随地访问和使用。
挑战与展望尽管表格形式在现代社会中发挥着重要作用,但也面临着一些挑战。
首先,表格的设计和使用需要一定的技能和经验。