搅拌站验收项目与表格
- 格式:docx
- 大小:22.59 KB
- 文档页数:14
水泥搅拌站检查验收表
概述
该检查验收表用于水泥搅拌站的检查和验收,以确保设备和工
作环境符合相关要求。
本文档包含必要的检查项目和评估标准。
1. 设备检查
- 确保搅拌机和输送带等设备完好无损,没有明显的故障或磨损。
- 检查各个设备的电气系统是否正常工作,并且符合安全标准。
2. 安全要求
- 确保安全设备齐全,如紧急停车按钮、防护罩等。
- 检查消防设施是否完备,包括灭火器、喷淋系统等。
3. 工作环境
- 检查工作区域的通风和排水是否良好,避免积水或异味。
- 检查搅拌站周边的环境是否对居民或附近设施构成影响。
4. 资质和证照
- 确认搅拌站所需的相关资质和证照是否获取并有效。
- 合法注册、审批和许可文件是否齐全。
5. 卫生和环保
- 确保搅拌站内部和周边区域的卫生状况良好,无垃圾和污物积存。
- 检查搅拌站是否有噪音、空气污染等环境问题。
6. 检查结果与评估
在每一项检查细目后,对设备和工作环境进行评估,判断是否符合要求,并记录评估结果。
7. 备注
在适当的位置记录任何需要特别注明的情况,如发现明显缺陷或需要进一步改善的地方。
结论
依据以上检查和评估,确认水泥搅拌站是否通过验收,具备使用条件并符合相关要求。
桂林东昌建材有限责任公司沥青混合料搅拌站项目竣工环境保护验收监测报告表建设单位:桂林东昌建材有限责任公司编制单位:广西桂林金桂环境监测有限公司二〇一九年九月1原料堆场地磅化粪池地面硬化排水沟垃圾桶厨房(集气罩)2办公楼配电房废弃水箱燃油锅炉排气筒沥青废气排气筒目录前言 (1)表一建设项目竣工环境保护验收基本概况 (2)表二工程建设情况 (4)表三主要污染源、污染物处理和排放流程 (11)表四环评报告表主要结论及审批部门批复 (12)表五验收监测质量保证及质量控制 (16)表六验收监测内容 (17)表七验收监测结果 (21)表八验收监测结论 (24)附图:附图1:项目地理位置图附图2:项目平面布置图附件:附件1:环评批复附件2:监测报告附表:三同时信息登记表前言桂林东昌建材有限责任公司沥青混合料搅拌站项目由桂林东昌建材有限责任公司建设。
项目位于灵川县灵川镇灵勃路老知青农场。
桂林东昌建材有限责任公司创建于2006年2月,前身为原灵川县东风水泥厂,始建于1992年,位于桂林市灵川县322线国道灵勃路口两公里处,占地127亩。
本项目2017年7月开工建设,2018年11月建成,员工工作制度为一班倒,每天工作8小时,能达到原环评设计生产能力年产30万吨沥青混凝土。
广西宇宏环保咨询有限公司受桂林东昌建材有限责任公司委托编制桂林东昌建材有限责任公司沥青混合料搅拌站项目环境影响评价报告表,灵川县环境保护局于2017年7月17日下发了灵环管表【2017】10号《关于桂林东昌建材有限责任公司沥青混合料搅拌站项目环境影响报告表的批复》。
按《建设项目环境保护设施竣工验收管理规定》(国家环保总局[2001]第13号令)、《建设项目竣工环境保护验收暂行办法》的要求,桂林东昌建材有限责任公司对该项目环评报告表提出的环保措施落实情况、环保审批意见落实情况以及环境保护管理措施的实施情况等进行了全面检查,通过现场踏勘对项目环保设施设计、建设和运行情况进行了调查核实,编写了建设项目环境保护验收自查报,并委托广西桂林金桂环境监测有限公司编制桂林东昌建材有限责任公司沥青混合料搅拌站项目竣工环境保护验收监测方案,委托广西科瀚环境科技有限公司对项目废气、噪声环境进行现场监测,在此基础上广西桂林金桂环境监测有限公司在整理分析监测数据及调查结果的基础上,编制了《桂林东昌建材有限责任公司沥青混合料搅拌站项目竣工环境保护验收监测报告表》。
郑许市域铁路(许昌段)工程混凝土拌合站验收管理办法第一章总则第一条为规范郑许市域铁路(许昌段)工程混凝土拌合站正式运营前的验收程序,统一检查标准,特制定本办法。
第二条本办法适用于郑许市域铁路(许昌段)工程承包单位工地自建混凝土拌合站的验收和评价。
第三条本办法所称“验收”均是指对拌和站的资源配置、资质条件和工作环境等是否符合国家有关规定、是否符合投标承诺、是否满足工作需要、是否满足质量控制要求等方面的综合对标检查。
第二章拌合站验收第四条验收程序(一)拌合站建设前,承包单位应先将拌合站建设方案上报监理单位,经总监理工程师审批后,报建设单位核备后实施。
(二)拌合站建设后,达到相关规范、文件标准要求及环保局等相关部门许可时,经承包单位自检合格后,提出书面验收申请,上报监理部初验。
(三)拌合站初验合格后,初验结果报建设单位将适时组织正式验收,验收合格后,方可投入使用。
(四)正式验收流程:由拌合站负责人简短汇报拌合站建设情况,验收组对拌合站所有人员进行资质认证考核,对设备、设施及环保等进行验收,验收结果由参加验收的人员签字确认,对验收中存在的问题,根据问题情况,确定结论评价。
对可以使用的,监理部负责对限期整改的问题进行复查,合格后报建设单位核准使用;对结论为不可以使用的,问题整改后由承包单位自验,再走验收程序。
第五条验收标准(一)自检验收和初步验收。
施工单位按照场地设施建设、人员设备配置、原材料质量控制、生产过程控制及环境保护五个方面进行自评验收,具体详见混凝土拌合站验收评分表(附件2)。
验收内容包括主控项目和一般项目,主控项目必须全部满足验收标准要求,一般项目采用百分制,经验收总分达到90分及以上方可评定合格。
(二)正式验收。
正式验收项目分主控项目(主控)和一般项目(一般),每个拌合站验收的全部项目必须同时满足下列条件,才可评价该拌合站为合格,同意投入使用(见附件3:混凝土拌合站验收检查表)。
合格标准为:1.主控项目:每一项指标全部符合要求。
水泥土搅拌桩地基工程检验批质量验收记录表表格格式
预览说明:预览图片所展示的格式为文档的源格式展示,下载源文件没有水印,内容可编辑和复制
水泥土搅拌桩地基工程检验批质量验收记录表
GB50202—2002
说明
010314 主控项目:
1、水泥及外掺剂质量。
按设计要求选用,并按规定进行检测试验。
检查产品合格证及试验报告。
2、水泥用量。
符合设计要求。
检查水灰比及查看流量表。
3、桩体强度。
按设计要求进行检查。
4、地基承载力。
按规定方法检查。
一般项目:
1、机头提升速度:≤0.5m/min。
量机头上升距离及时间。
2、桩底标高:±200mm。
量测机头深度计算。
3、桩顶标高:+100mm,50mm。
水准仪检查(最上部500mm不计入)。
4、桩位偏差:<50mm。
尺量检查,根据设计桩位点位置。
5、桩径:<0.04D。
尺量检查桩的直径。
6、垂直度:≤1.5%。
用经纬仪检查。
7、搭接:>200mm,尺量检查。
施工前检查水泥及外掺剂的质量、桩位、搅拌机工作性能及各种计量设备完好程度。
施工中检查机头提升速度、水泥浆或水泥注入量、搅拌桩的长度及标高。
施工结束后检查桩体强度,桩体直径及地基承载力。
强度检查:承重桩取90天后的试件;支护桩取28天后的试件。
检查后形成施工记录或检验报告。
检查施工记录和检验报告。
施工监理单位工地试验室搅拌站验收办法施工监理单位工地试验室搅拌站验收办法为统一验收标准,规范验收程序,确保工程检测质量,建设一流客运专线。
现将施工监理单位项目部工地试验室(中心试验室)、下属各工区(分部)工地试验室(分室)及混凝土搅拌站的验收要求规定如下,请遵照执行。
一、项目部工地试验室(中心试验室)验收项目及注意事项工地试验室应由具有规定资质等级并经计量认证的母体试验室授权,并应通过有关方面的检查验收,其试验检验能力应与工程性质和规模相适应。
试验检验人员应经过专门培训,取得规定资格后,持证上岗。
试验检验所用的仪器设备应按需要配置齐全,其技术性能满足使用要求,工作状态良好,并且必须按规定的周期进行检定、校验。
试验检验的方法和环境条件必须符合相关标准的规定。
1.基本验收项目⑴母体试验室资质证书复印件及附件(正本),验证原件;⑵被授权人的授权书复印件(含授权检测项目的清单),验证原件;⑶被授权人的工作简历,全部试验室人员的名单简历表及学历证书、技术职称证、上岗证复印件,验证原件;⑷试验检测报告批准人(签发人)必须是经局集团公司报铁道部批准的母体试验室合法授权签字人,验证原件;⑸试验仪器台账(送检、自检分列),所配试验仪器设备与投标承诺相一致,满足工程需要;⑹试验仪器设备的计量检定证书复印件,证书上应有检定结论及测试数据附件,验证原件;(7)委外单位资质、合同及试验项目清单;(8)岗位责任制、管理制度、工作制度、操作规程、自校规程等应齐全;(9)试验仪器设备摆设合理,并附有标识牌;(10)水泥室、土工室、集料室、混凝土室要分设;(11)标准养护室必须采用自控仪(温度、湿度);操作间应符合温、湿度的要求;(12)试验检测用的标准、规范、规程齐全;(13)试验室概况、试验室平面布置图、人员分工方框图等。
2 、验收程序⑴自验:授权单位及项目部应对工地试验室进行自查自验,并出具自验评估报告,合格后方可签发授权书;⑵初验:监理项目部审核施工单位报验资料(含自检结论),审查合格后,监理站派员现场核实试验仪器设备、试验人员和环境条件是否满足使用要求,进行初步验收,提出意见;⑶验收:通过初验后,由建设单位组织,监理单位参加的正式验收。
搅拌站复工检查记录表检查项目检查内容检查结果备注
1. 人员情况
1.1 从业人员持证情况
1.2 特种作业人员情况
1.3 工人劳动防护用品情况
2. 设备情况
2.1 生产设备运行状况
2.2 安全防护装置完好情况
2.3 仪表计量设备检定情况
3. 原材料情况
3.1 水泥、砂石等原材料供应情况
3.2 原材料质量合格证明
4. 安全生产条件
4.1 安全生产制度及应急预案
4.2 安全设施及消防设施配备
4.3 危险源辨识及风险评估
4.4 特种作业人员持证情况
5. 环境保护
5.1 环保设施运行情况5.2 污染物排放情况5.3 噪声控制情况
6. 其他
检查人员签字:
复工审批人签字:
日期:。
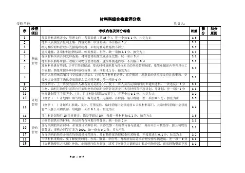
材料科综合检查评分表序检查项目考核内容及评分标准权重得分扣分原因1基础管理各类资料表格齐全:管理文件、各类表格(共25个);差一个扣0.1分,扣完为止0.52 材料人员岗位责任制上墙,内容简要,职责明确,不合格计0分0.13 制定相应材料管理补充措施或制度,未制定补充措施的不得分0.24 建库建帐,各项材料挂牌标识,帐面规范、科学,缺一项扣0.1分,扣完为止0.25 各项材料买卖合同复印备案,材料管理制度交底齐全完整。
缺一项计0分0.16 材料科长熟练掌握、理解公司物资管理制度,能简单阐述内容。
不合格计0分0.17 对材料员进行培训,并有月培训记录,要求材料员熟悉与岗位相关的物资管理制度,能简单阐述内容和具体工作流程,熟练掌握各种材料验收标准。
缺一项扣0.1分,扣完为止0.28 磅房人员应规范填写《交接班记录表》,注明各项材料的进货、库存情况、所联系的供应商及应注意事项,交接双方必须签字确认交接清楚之后才能下班。
差一项计0分0.19 交接班时,上一班要为接班人准备好充足的备料,使下一班人员有足够的时间来通知进料。
一次违反计0分0.110计划管理主材、油料月物资计划和自行采购材料的临时物资计划齐全,大宗材料有年度计划、月计划。
差一项计0分0.111 物资计划签字手续齐全。
(注:月主材计划需站长签字),不齐全扣0.1分,扣完为止0.212 《物资()计划单》填写规范,编号清楚,无漏项,有封面,装订成册。
差一项扣0.1分,扣完为止0.313 《物资()计划单》准确、及时、有预见性。
临时采购计划须提前1天报材料部门,大宗材料采购计划须提前7天报公司物资部。
每晚报一天扣0.1分,扣完为止0.214 月主材计划每月25日前提交,偏差不超过15%,每超一种材料扣0.1分,扣完为止0.515采购管理由物资部供应的材料,各站应有合同复印件备案。
缺一份计0分0.116 自行采购的所有材料,必须签订采购合同,内容完整(有质保内容与措施),并由站长审核签字,报公司物资部备案。
混凝土搅拌站检验批验收记录表1. 概述本文档旨在记录混凝土搅拌站检验批的验收情况,包括混凝土品质、设备运行状态和安全管理等方面的检查结果。
2. 验收时间与地点验收时间:[填写验收时间]验收地点:[填写验收地点]3. 检验批信息- 检验批编号:[填写检验批编号]- 检验批数量:[填写检验批数量]- 生产日期:[填写生产日期]- 生产周期:[填写生产周期]4. 检查内容及结果4.1 混凝土品质- 验收标准:[填写验收标准]- 检测项目及结果:- 强度测试:[填写强度测试结果]- 施工性能测试:[填写施工性能测试结果]- 备注:[填写备注]4.2 设备运行状态- 验收标准:[填写验收标准]- 检测项目及结果:- 设备完好性:[填写设备完好性结果]- 运行稳定性:[填写运行稳定性结果]- 备注:[填写备注]4.3 安全管理- 验收标准:[填写验收标准]- 检测项目及结果:- 安全设施:[填写安全设施结果]- 作业人员安全培训:[填写作业人员安全培训结果]- 备注:[填写备注]5. 验收结论根据以上检查结果,本次混凝土搅拌站检验批的验收结论如下:- 混凝土品质合格- 设备运行状态合格- 安全管理合格6. 验收人员签名验收人员1:[填写验收人员1签名]验收人员2:[填写验收人员2签名]7. 附件[列举附件清单]- 附件1:[填写附件1名称]- 附件2:[填写附件2名称]以上为混凝土搅拌站检验批验收记录表。
注意:本文档仅作为验收记录,由验收人员签署后生效。
沥青搅拌站建设验收表
1. 概述
本文档为沥青搅拌站建设验收表,旨在确认沥青搅拌站建设项目的完成情况和符合相关标准要求。
2. 建设项目信息
- 建设项目名称:
- 建设单位:
- 建设地点:
- 建设日期:
- 建设规模:
3. 验收内容
3.1 设备验收
- 沥青搅拌设备是否完好无损?
- 配套设备(如储存仓、输送设备等)是否齐全并运行正常?
- 设备安装是否符合相关标准要求?
3.2 环境验收
- 沥青搅拌站是否属于规划允许的建设项目?
- 建设现场是否符合环保要求?
- 噪音、污染等环境因素是否得到合理控制?
3.3 安全验收
- 沥青搅拌站的安全设施是否完备?
- 是否建立相关的安全管理制度?
- 是否对安全风险进行评估并采取相应的措施?
4. 验收结果
4.1 建议
根据对沥青搅拌站建设项目的验收情况,提出相应的建议和改进意见。
4.2 验收结论
基于验收结果和建议,对沥青搅拌站建设项目的验收结果进行评定,并做出相应决策。
5. 签署
5.1 建设单位
- 签字:
- 日期:
5.2 监理单位
- 签字:
- 日期:
5.3 验收单位
- 签字:
- 日期:
注:本文档仅作为沥青搅拌站建设项目的验收依据,具体验收标准和要求由相关法规和标准文件确定。
重庆市江习高速公路项目施工单位:**总承包部土建第*分部合同号:监理单位:**监理有限公司编号:**土建第*分部*# 拌和站建设验收表表A-1施工单位意见年月日(盖章) 监理单位意见年月日(盖章)重庆市江习高速公路项目施工单位:合同号:监理单位:编号:钢筋加工场建设验收表表A-2施工单位意见:年月日(盖章)监理单位意见:年月日(盖章)重庆市江习高速公路项目施工单位:合同号:监理单位:编号:预制场建设验收表表A-3施工单位意见年月日(盖章) 监理单位意见年月日(盖章)重庆市江习高速公路项目施工单位:合同号:监理单位:编号:试验室建设验收表表A-4施工单位意见年月日(盖章) 监理单位意见年月日(盖章)重庆市江习高速公路项目施工单位:合同号:监理单位:编号:原材料、半成品、成品存放场检查表表A-6施工单位意见年月日(盖章) 监理单位意见年月日(盖章)重庆市江习高速公路项目施工单位:合同号:监理单位:编号:库房建设验收表表A-7施工单位意见年月日(盖章) 监理单位意见年月日(盖章)重庆市江习高速公路项目施工单位:合同号:监理单位:编号:施工便道(便桥)验收表表A-8施工单位意见年月日(盖章) 监理单位意见年月日(盖章)重庆市江习高速公路项目施工单位:合同号:监理单位:编号:小型构件预制场建设验收表表A-9施工单位意见年月日(盖章) 监理单位意见年月日(盖章)重庆市江习高速公路项目施工单位:合同号:监理单位:编号:办公生活区建设验收表表A-13施工单位意见:年月日(盖章) 监理单位意见:年月日(盖章)。
混凝土拌和站验收项目及方法1.申请混凝土拌和站验收提交材料分数一式三份,待审查合格后,施工单位、监理单位和建设单位各留一份。
2.提交材料项目2.1申请表(见附页)2.2拌和站人员从业资格证书。
现场对照人员查看证件和身份证。
2.3设备检定证书。
现场查看证件和实地标签。
2.4混凝土外加剂试验报告。
现场查看试验报告和记录。
2.5执行的标准、规范、规程及管理文件清单。
现场查看清单和实物。
以上证书提交申请材料时可以是复印件或扫描件,在现场复查时提交原件。
3.验收项目3.1组织机构及人员组织机构设置合理,分工明确;配置检测试验机构和专业人员;混凝土搅拌操作人员、特殊工种和试验人员应持证上岗,其它人员应参加过相关培训学习。
现场对照人员查看证书和身份证,以及有关培训或学习记录。
3.2仪器设备符合项目要求,全部通过检定。
现场查看证件和实物标签。
3.3搅拌站工作规章制度。
至少应建立以下规章制度,并做到思路清晰、内容全面、方法流程正确、责任明确、操作性强,并由负责人审批。
3.3.1组织与管理机构图。
现场查书面和上墙图文。
3.3.2工作程序与质量管理。
现场查书面和上墙图文。
3.3.3岗位责任制。
现场查书面和上墙图文。
3.3.4仪器设备操作规程、保养维修及管理。
现场查书面和上墙图文。
3.3.5仪器设备的计量检定、校准及管理。
现场查书面和上墙图文。
3.3.6搅拌站安全、卫生、环保管理知道。
现场查书面和上墙图文。
3.3.7文档资料管理制度。
现场查书面和上墙图文。
3.3.8有关标准、规范、流程、方法等技术文件齐全。
现场查目录清单和实物。
3.3.9混凝土配合比控制和管理制度。
现场查书面和上墙图文。
3.3.10混凝土生产、运输和调度管理制度。
现场查书面和上墙图文。
3.3.11原材料质量控制措施。
现场查书面和上墙图文。
3.4现场管理3.4.1料场场地和行车道路必须进行地基处理和表明硬化,并满足重载车辆通行要求;场地应排水设施完善、排水畅通,无明显积水和坑凹现象。
混凝土搅拌站原材料验收制度本搅拌站的原材料验收标准和程序,旨在确保原材料的质量符合国家和行业标准,并保证混凝土生产的质量和安全。
二、原材料验收标准1.砂石料的杂质含量包括泥量、泥块含量、鹅卵石等,必须符合国家和行业标准。
2.矿粉、粉煤灰的含水率、细度、比表面积、活性指数等指标必须符合国家和行业标准。
3.外加剂的质量必须符合国家和行业标准。
三、原材料验收程序1.砂石料验收程序①、进场后目测砂石料杂质含量,合格准予卸车,并取样检测水分。
②、目测不合格,取样检测,根据验收标准进行扣吨或拒收。
③、合格河砂卸车后,由收料员在出门证上盖章,砂车司机过空车后,收料员及时输入检测结果,并开具验收单。
砂车司机以验收单到地磅房换取检斤单。
④、填写砂石料验收台帐并将检测结果输入电脑。
2.矿粉、粉煤灰验收程序①、粉料车进厂后由收料员负责监督司机取样并检测,检测结果及时登记。
②、检测合格后方可安排卸料,卸料过程中可随时抽样检测。
抽检不合格,立即停止打料,留好试样,做好检测记录,并通知领导及采购办。
对供应商进行处罚。
③、合格粉料卸车完毕后,由收料员开具验收单,准予出厂,并填写粉料验收台帐及输入检测结果。
3.外加剂收程序①、外加剂进厂后,由试验工取样并检测。
②、检测结果合格后方可打入仓内,打料时试验工监督检查,禁止打错仓,防止撒漏。
③、检测结果不合格,按照验收规定进行扣吨或拒收。
并做好记录。
④、每次检测后必须留样,贴好标签,以备复查。
四、考核办法1.砂石料验收考核办法①、车辆进厂后未按规定进行检测,每次考核收料员50元。
②、站领导检查发现砂石料质量较差,要求取样检测,检测结果超标,考核责任人100元/次。
③、资料台账未及时填写或电脑数据录入错误,每次考核20元。
④、连续三个月工作未出现错误,奖励责任人100元。
2.粉料验收考核办法①、发现收料员未按规定取样、检测,每次考核50元。
②、未按规定做好记录或数据录入错误,每次考核20元。
水泥搅拌站建设验收表
简介
本文档为水泥搅拌站建设验收表,旨在对水泥搅拌站的建设过程进行全面评估和验收。
本表格包含了对水泥搅拌站各个方面的评估指标和验收要求。
项目信息
- 项目名称:
- 建设地点:
- 建设单位:
- 建设日期:
验收指标
1. 原料准备
- 验收要求:
- 原料类型及规格:
- 原料供应商资质:
- 原料存储设施:
- 原料采购和储存管理制度是否健全:
2. 设备安装
- 验收要求:
- 设备类型及规格:
- 设备安装是否符合要求:
- 设备运行稳定性:
- 设备维修保养制度是否健全:
3. 生产工艺
- 验收要求:
- 生产工艺流程是否合理:
- 生产工艺操作规范是否制定:
- 生产工艺设备运行参数是否符合要求:- 生产工艺排放是否符合环保要求:
4. 人员培训
- 验收要求:
- 培训计划是否制定:
- 培训内容与目标是否明确:
- 培训记录是否完整:
- 培训效果评估:
5. 安全管理
- 验收要求:
- 安全生产标准制定情况:
- 安全设施是否完善:
- 安全生产教育宣传是否到位:
- 安全事故处理与记录:
验收结论
根据对以上验收指标的评估,我们对水泥搅拌站的建设情况进行综合评价,结论如下:
- 符合验收要求,建设合格。
- 部分指标未达到要求,建设存在不足。
建设验收人员
- 验收人员1:
- 验收人员2:
- 验收日期:
签字确认
- 建设单位负责人:- 验收人员1:
- 验收人员2:。
混凝土拌和站验收项目及方法
1.申请混凝土拌和站验收提交材料分数
一式三份,待审查合格后,施工单位、监理单位和建设单位各留一份。
2.提交材料项目
申请表(见附页)
拌和站人员从业资格证书。
现场对照人员查看证件和身份证。
设备检定证书。
现场查看证件和实地标签。
混凝土外加剂试验报告。
现场查看试验报告和记录。
执行的标准、规范、规程及管理文件清单。
现场查看清单和实物。
以上证书提交申请材料时可以是复印件或扫描件,在现场复查时提交原件。
3.验收项目
组织机构及人员
组织机构设置合理,分工明确;配置检测试验机构和专业人员;混凝土搅拌操作人员、特殊工种和试验人员应持证上岗,其它人员应参加过相关培训学习。
现场对照人员查看证书和身份证,以
及有关培训或学习记录。
仪器设备
符合项目要求,全部通过检定。
现场查看证件和实物标签。
搅拌站工作规章制度。
至少应建立以下规章制度,并做到思路清晰、内容全面、方法流程正确、责任明确、操作性强,并由负责人审批。
3.3.1组织与管理机构图。
现场查书面和上墙图文。
3.3.2工作程序与质量管理。
现场查书面和上墙图文。
3.3.3岗位责任制。
现场查书面和上墙图文。
3.3.4仪器设备操作规程、保养维修及管理。
现场查书面和上墙图文。
3.3.5仪器设备的计量检定、校准及管理。
现场查书面和上墙图文。
3.3.6搅拌站安全、卫生、环保管理知道。
现场查书面和上墙图文。
3.3.7文档资料管理制度。
现场查书面和上墙图文。
3.3.8有关标准、规范、流程、方法等技术文件齐全。
现场查目
录清单和实物。
3.3.9混凝土配合比控制和管理制度。
现场查书面和上墙图文。
3.3.10混凝土生产、运输和调度管理制度。
现场查书面和上墙图
文。
3.3.11原材料质量控制措施。
现场查书面和上墙图文。
现场管理
3.4.1料场场地和行车道路必须进行地基处理和表明硬化,并满
足重载车辆通行要求;场地应排水设施完善、排水畅通,无
明显积水和坑凹现象。
现场实地查看。
3.4.2砂子、碎石必须实行分区存放,按“待检区”和“合格区”
分别设置,并每个区内应按不同品种和规格用隔离墙分离,同时设置或预留必要的冲洗或筛分设施。
现场实地查看。
3.4.3“合格区”的砂子、碎石应采用牢固的棚架进行遮挡防护,
达到遮阳、放雨、防尘等目的,并设置或预留夏季降温和冬
季保温措施,保证混凝土温度符合要求。
现场实地查看。
3.4.4所用水泥、粉煤灰应妥善保管,防止受潮、变质。
实地
查看。
3.4.5各种原材料要求进行产品标识,做到标识内容齐全、醒
目和规范。
现场实地查看。
混凝土试拌。
在报审钱必须进行混凝土试拌,报监理工程师旁站并形成记录和签认。
现场查看试验报告和记录。
生产能力。
设备配置和生产能力满足供应管段工程需要。
与管段工程量、工期等进行对比分析。
拌和站申报材料内容
1.混凝土拌和站验收申报表
2.混凝土拌和站供应范围和时间
3.混凝土拌和站基本情况
4.试验工作开展的说明
5.相关标准规范
6.搅拌站技术性能参数
7.搅拌站管理制度
搅拌站仪器设备管理制度
事故分析与处理制度
搅拌站环境、安全检测制度
质量保证体系框图
混凝土搅拌站设备选型
搅拌站拌制混凝土工艺及质量控制流程图混凝土搅拌站部门职责
搅拌站防污、排污环保措施
搅拌站停电预案
搅拌站防火安全措施
搅拌站治安防盗管理措施
搅拌站组织机构管理图
混凝土拌和站验收申请表
申请单位:(项目部名称及章)
拌和站名称:
混凝土拌和站基本情况
拌和站验收报审表
工程名称:施工合同段:编号:
拌和站验收检查表(一)
被检单位:日期:
拌和站验收检查表(二)
被检单位:日期:
拌和站验收检查表(三)
被检单位:日期:
拌和站验收检查表(四)
被检单位:日期:。