AC4602杰理蓝牙音响标准原理图
- 格式:pdf
- 大小:85.16 KB
- 文档页数:1
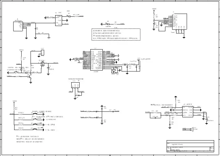
+3.3VSD_CMD SD_CLK SD_DATCD 10D07VDD 4CLK 5VSS 6D18D3/CS 2CMD 3WP 9D21Sheet11TF1SD-TF+M1MICC18104MICDACVDDDACLR27.5KPA 、PowerKey 、LED SD 1bypass 2IN+3IN-4OUT-5VDD 6GND 7OUT+8U2XPT4871C14225R333KVMCUSPK+SPK-SPK+SPK-C13104LPFC4105R114.7RR151KVIND3REDD2BLUE R123.3K C9105C6105C5105MCUMIC 、TF-CARDR106.8KC15NC注:原理图中注释说明设计时需特别注意C17NCJ1SPKC16NCD1IN4148VBATVIN GND5LIN_R 4AGND 3LIN_L 26+5V 1666J2BT13.4V~4.2VLIN_L/R VMCUFM_ANTL 41K @100M H ZLEDS6SWDACLMIC DACVDD VCOM AGND FMIP +3.3VGND C32.7PBT_ANT BT_ANTL3NCL10R C12105C8105VMCU BT_AVDD GNDC1NCC2NCBTOSCO BTOSCI Y124MBTOSCO BTOSCI USBDP USBDM GND PC5/SD1CLK 1PC4/SD1CMD 2VDDIO 12ADC11/AUX2R/SD0CLK/PB1213ADC8/PB916LDO_IN 18ADC10/AUX2L/SD0CMD/PB1114ADC9/SD0DAT/PB1015FMIP 10DACVSS 11DACVDD 8PB13/MIC/PA3/AUX1L 5USBDM/PC3/SD0DAT 3USBDP/PA4/AUX1R 4BT_OSCI 23BT_OSCO 24BT_RF 21AVSS122BT_AVDD 19DACR 6DACL 7VCOM 9AVSS220VSSIO 17U1AC6905A_QSOP24SD_CLKSD_CMD SD_DAT C7105C10102F M _A N TL2100nHC1124pFFM_ANT LIN_L/RMUTE LED ADKEY 晶振选型:封装:可兼容3225,M49S ,HC49S 等不同封装要求:稳定性、一致性要好,频偏偏差:±10PPM 以内电容:晶振匹配电容位置请预留R1100KVMCUMUTER134.7RQ18850C/9015CR1410KVBATR9NC+3.3VR422KR53K R69.1K R724K S1P/P/FM_SCANS2PREV/V-/CH-S3NEXT/V+/CH+S4MODE 0.4V1.0V 0V 1.7VADKEY R847KS5TALK2.2VR613100R放电电阻,请预留GND 、AGND 在电源入口处短接在一起!C19NC/100PC20100uF/6.3V设计注意事项:1、主控所有电源的退耦电容必须靠近芯片放置,退耦电容的回路地必须最短回到该电源地2、FM 匹配电路请接AGND 。
AC1082杰理MP3芯片ic方案详细介绍AC1082方案说明AC1082是一款支持MP3、WAV格式硬解码方案的单芯片,SOP16封装,最高支持320kbs的MP3文件解码播放,芯片可以通过软件实现外接U盘和TF卡,以及收音和遥控功能,支持标准的windows推荐的FAT 和FAT32格式的文件系统一、参考原理图1、以下方案图,是我们整理的一个标准版图纸,用户可以直接按照此方案画板2、请一定看清楚我们给出的原理图的注意事项二、芯片的管脚说明1、KT2083这颗芯片,本身是可以编程的,这里我们给出的资料是我们的标准软件,也就是说我们出货都是默认烧录程序了。
用户可以直接贴板自己测试了,非常简单2、KT2083除了实现以上说明的功能,还可以实现很多其它的功能。
因为这颗芯片是可编程的3、KT2083只是整个芯片家族的一个型号而已,还有更多的芯片,欢迎和我们沟通交流方案,我们必定能满足您的需求4、技术支持:[QQ:2491352264]三、功能说明:1、支持TF卡和U盘播放[最大支持32G]2、支持外接24C02作为断点记忆。
支持外挂收音机芯片[RDA5807或者BK1080]3、支持10个按键,每一个按键分配一个电阻。
4、播放过程无任何杂音和爆破音。
5、按键的功能列表如下:阻值[22K上拉]短按长按按着不松抬起00-220K--3V单曲循环01-100K--2.7V EQ02-51K--2.3V下一曲音量+03-33K--2V上一曲音量-04-24K--1.7V模式键05-15K--1.3V音量+06-9K1--1V音量-07-6K2--0.7V下一曲快进08-3K--0.3V上一曲快退09-0R--0V播放暂停备注:为空的表示无功能[QQ:2491352264]6、软件支持USB更新TF卡里面的文件,支持声卡模式[就是连接电脑,播放电脑的音频]7、软件支持外接功放的静音控制【14脚】。
来消除开机、关机、中间切换歌曲,播放暂停带来的杂音。
AC4602杰理开发说明
一、简介
AC4602作为一个单芯片的蓝牙解决方案,广泛应用于蓝牙音箱,蓝牙耳机。
是珠海杰理科技推出的一款性价比比较高的产品
二、AC4602的特点
●小型封装SSOP28。
2面出脚。
生产加工和调试非常方便
●支持USB设备、TF卡、FM、AUX、蓝牙。
●支持遥控功能
●按键稳定支持10个[正常的产品,软件可设],上一曲、下一曲。
可以随意扩展
●可以带显示的插卡方案,另外高达5个可用的GPIO,可以组成很多功能
1、AC4602的管脚说明
2、芯片资源介绍
3、芯片代码划分
三、AC4602标准原理图
文档下载下来看更清晰。
同时清晰版的原理图以及相关的文档,可以联系我们索取
四、杰理方案分类图
杰里的所有系列的芯片,都是一个晶圆,只是根据不同的需求,进行不同方式的封装,也就是说AC460N 系列里面SSOP24和LQFP48封装的晶圆是一样的
注意,AC460N系列的芯片是可以反复烧录的,有想法的朋友可以自己摸索的
五、特别说明:
●芯片为可编程,由于程序是烧录在芯片内部的flash中,所以可以重复擦除
●感兴趣的朋友,可以自己开发,因为AC460N系列不需要开发板,不需要烧录器
●如果要自己开发的话,最好要买一个现成的板子,引出基本的gpio和串口、USB口就可以了。