不锈钢理论重量计算公式[全面]
- 格式:doc
- 大小:53.00 KB
- 文档页数:6
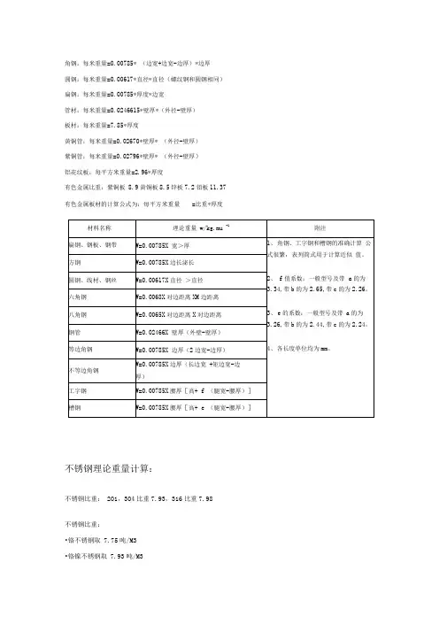
角钢:每米重量=0.00785*〔边宽+边宽-边厚〕*边厚圆钢:每米重量=0.00617*直径*直径(螺纹钢和圆钢一样〕扁钢:每米重量=0.00785*厚度*边宽管材:每米重量=0.0246615*壁厚*〔外径-壁厚〕板材:每米重量=7.85*厚度黄铜管:每米重量=0.02670*壁厚*〔外径-壁厚〕紫铜管:每米重量=0.02796*壁厚*〔外径-壁厚)铝花纹板:每平方米重量=2.96*厚度有色金属比重:紫铜板8.9黄铜板8.5锌板7.2铅板11.37有色金属板材的计算公式为:每平方米重量=比重*厚度-1材料名称理论重量w/kg.mu附注扁钢、钢板、钢带W=0.00785×宽×厚1、角钢、工字钢和槽钢的准确计算公式很繁,表列简式用于计算近似方钢W=0.00785×边长×边长值。
圆钢、线材、钢丝W=0.00617×直径×直径2、f值系数:一般型号及带a的为六角钢W=0.0068×对边距离×对边距离3.34,带b的为2.65,带c的为2.26。
八角钢W=0.0065×对边距离×对边距离钢管W=0.02466×壁厚〔外壁-壁厚〕3、e的系数:一般型号及带a的为3.26,带b的为2.44,带c的为2.24。
等边角钢W=0.00785×边厚〔2边宽-边厚〕4、各长度单位均为mm。
W=0.00785×边厚〔长边宽+矩边宽-边不等边角钢厚〕工字钢W=0.00785×腰厚[高+f〔腿宽-腰厚〕]槽钢W=0.00785×腰厚[高+e〔腿宽-腰厚〕]-----------------------------------------------------------------------------------------------------------------------------------------------------------------不锈钢理论重量计算:不锈钢比重:201,304比重7.93,316比重7.98不锈钢比重:●铬不锈钢取7.75吨/M3●铬镍不锈钢取7.93吨/M3●铁取7.87吨/M3---------------------------------------------------------------------------------------------------------------------------------------------------------------------------------------------不锈钢板理论重量计算公式钢品理论重量重量〔kg〕=厚度〔mm〕×宽度〔mm〕×长度〔mm〕×密度值密度钢种7.93201,202,301,302,304,304L,305,3217.75405,410,4207.98309S,310S,316S,316L,347---------------------------------------------------------------------------------------------------------------------------------------------------------------------------------------------不锈钢元棒,钢丝,理论计算公式★直径×直径×0.00609=kg/m〔适用于410420420j2430431〕例如:¢5050×50×0.00609=15.23Kg/米★直径×直径×0.00623=kg/m〔适用于301303304316316L321〕例如:¢5050×50×0.00623=15.575Kg/米---------------------------------------------------------------------------------------------------------------------------------------------------------------------------------------------不锈钢型材,理论计算公式◆六角棒对边×对边×0.0069=Kg/米◆方棒边宽×边宽×0.00793=Kg/米---------------------------------------------------------------------------------------------------------------------------------------------------------------------------------------------不锈钢管,理论计算公式○〔外径-壁厚〕×壁厚×0.02491=Kg/米例如¢57×3.5(57-3.5)×3.5×0.02491=4.66Kg/米---------------------------------------------------------------------------------------------------------------------------------------------------各种钢管(材)重量计算通用公式钢管的重量=0.25×π×外(径平方-内径平方)×L×钢铁比重其中:π=3.14L=钢管长度钢铁比重取7.8 所以,钢管的重量=0.25×3.14×(外径平方-内径平方)×L×7.8*如果尺寸单位取米〔M〕,那么计算的重量结果为公斤〔Kg〕---------------------------------------------------钢的密度为:7.85g/cm3钢材理论重量计算钢材理论重量计算的计量单位为公斤〔kg〕。
角钢:每米重量=0.00785* (边宽+边宽-边厚)*边厚圆钢:每米重量=0.00617*直径*直径(螺纹钢和圆钢相同)扁钢:每米重量=0.00785*厚度*边宽管材:每米重量=0.0246615*壁厚* (外径-壁厚)板材:每米重量=7.85*厚度黄铜管:每米重量=0.02670*壁厚* (外径-壁厚)紫铜管:每米重量=0.02796*壁厚* (外径-壁厚)铝花纹板:每平方米重量=2.96*厚度有色金属比重:紫铜板8.9黄铜板8.5锌板7.2铅板11.37有色金属板材的计算公式为:每平方米重量=比重*厚度不锈钢理论重量计算:不锈钢比重:201,304比重7.93,316比重7.98不锈钢比重:•铬不锈钢取7.75吨/M3•铬镍不锈钢取7.93吨/M3•铁取7.87吨/M3不锈钢板理论重量计算公式钢品理论重量重量(kg )=厚度(mm )x宽度(mm )x长度(mm )x密度值密度钢种7.93 201,202,301,302,304,304L,305,3217.75 405,410,4207.98 309S,310S,316S,316L,347不锈钢元棒,钢丝,理论计算公式★ 直径X直径>0.00609 = kg/m (适用于410 420 420j2 430 431 )例如:C 50 50 X50X0.00609=15.23Kg/ 米★直径 >直径X0.00623 = kg/m (适用于301 303 304 316 316L 321 )例如:C 50 50 X50X0.00623=15.575Kg/ 米不锈钢型材,理论计算公式♦六角棒对边X对边X).0069=Kg/米♦方棒边宽X边宽X).00793=Kg/米不锈钢管,理论计算公式O (外径—壁厚) X壁厚X0.02491 = Kg/米例如C 57X3.5 (57 — 3.5) X.5 X0.02491 = 4.66Kg/ 米各种钢管(材)重量计算通用公式钢管的重量=0.25 XnX外径平方-内径平方)X_X钢铁比重其中:n = 3.14 L=钢管长度钢铁比重取7.8所以,钢管的重量=0.25 X3.14 X外径平方-内径平方)X_X7.8 *如果尺寸单位取米(M ),则计算的重量结果为公斤(Kg)钢的密度为:7.85g/cm3钢材理论重量计算钢材理论重量计算的计量单位为公斤(kg )。
不锈钢型材比重及理论重量简易计算公式
一、不锈钢型材的比重及含义:
二、常见不锈钢型材的比重:
1. 不锈钢板材的比重一般在7.9-8.0g/cm³之间;
2. 不锈钢方管的比重一般在7.93g/cm³左右;
3. 不锈钢圆管(无缝管)的比重一般在7.98g/cm³左右。
三、不锈钢型材理论重量的简易计算公式:
理论重量(kg)= 长度(m)× 宽度(m)× 厚度(mm)× 比重(g/cm³)
其中,长度、宽度和厚度需要按照实际尺寸进行计算,比重需要根据具体的不锈钢材料来确定。
例如,计算一块规格为3米长、1米宽、2mm厚的不锈钢板的理论重量:
理论重量(kg)= 3 × 1 × 2 × 比重(g/cm³)
比重可以根据不锈钢板材的具体成分和密度来确定,假设比重为
7.9g/cm³,则计算得出的理论重量为:
理论重量(kg)= 3 × 1 × 2 × 7.9 = 47.4kg。
角钢:每米重量=0.00785* (边宽+边宽-边厚)*边厚圆钢:每米重量=0.00617*直径*直径(螺纹钢和圆钢相同)扁钢:每米重量=0.00785*厚度*边宽管材:每米重量=0.0246615*壁厚*(外径-壁厚)板材:每米重量=7.85*厚度黄铜管:每米重量=0.02670*壁厚* (外径-壁厚)紫铜管:每米重量=0.02796*壁厚* (外径-壁厚)铝花纹板:每平方米重量=2.96*厚度有色金属比重:紫铜板8.9黄铜板8.5锌板7.2铅板11.37 有色金属板材的计算公式为:每平方米重量=比重*厚度不锈钢理论重量计算:不锈钢比重:201,304比重7.93,316比重7.98不锈钢比重:•铬不锈钢取7.75吨/M3•铬镍不锈钢取7.93吨/M3•铁取7.87吨/M3不锈钢板理论重量计算公式钢品理论重量重量(kg )=厚度(mm )x宽度(mm )x长度(mm )x密度值密度钢种7.93 201,202,301,302,304,304L,305,3217.75 405,410,4207.98 309S,310S,316S,316L,347不锈钢元棒,钢丝,理论计算公式★ 直径X直径>0.00609 = kg/m (适用于410 420 420j2 430 431 )例如:C 50 50 X50X0.00609=15.23Kg/ 米★直径 >直径X0.00623 = kg/m (适用于301 303 304 316 316L 321 )例如:C 50 50 X50X0.00623=15.575Kg/ 米不锈钢型材,理论计算公式♦六角棒对边X对边X0.0069=Kg/米♦方棒边宽X边宽X0.00793=Kg/米不锈钢管,理论计算公式O (外径—壁厚)X壁厚X0.02491 = Kg/米例如C 57X3.5 (57 —3.5)X.5 X0.02491 = 4.66Kg/ 米各种钢管(材)重量计算通用公式钢管的重量=0.25 XnX外径平方-内径平方)X_X钢铁比重其中:n = 3.14 L=钢管长度钢铁比重取7.8 所以,钢管的重量=0.25 X3.14 X外径平方-内径平方)X_X7.8 *如果尺寸单位取米(M ),则计算的重量结果为公斤(Kg)钢的密度为:7.85g/cm3钢材理论匝域计算钢材理论就量计算的讣量单位为公斤(kg )。
不锈钢产品理论重量计算不锈钢钢板/钢带参考公式:不锈钢板重量(kg)=长(m)*宽(m)*厚(mm)*密度ρ(g∕cr113)0不锈钢圆棒/钢丝参考公式:不锈钢圆棒重量(kg)=(直径(mm)∕2)*值径(mm)∕2)F*长(m)*密度p(g∕cm3)∕1000o不锈钢圆管参考公式:不锈钢圆管重量(kg)=((外径(mm)∕2)*(外径(mm)∕2)√内径(mm)∕2)*(内径(mm)∕2))*n*长(m)*密度p(g∕cm3)/100O;壁厚(mm)=(外径(mm)-内径(mm))∕20不锈钢方管参考公式:不锈钢方管重量(kg)=(截面长度(mm)*2•截面宽度(mm)*2■壁厚(mm)*4)*壁厚(mm)*长(m)*密度p(g∕cm3)/:1000。
不锈钢等边角钢参考公式:不锈钢等边角钢重量(kg)=(截面边长(mm)*2•边厚(mm)*长(m)*密^p(g∕cm3)∕1000;口]依据等边角钢国家标准GB/T706-2008,角钢实际重量计算公式较为复杂。
因GB/T706-2008中注明角钢截面中的边端内圆弧半径(rl)与内圆弧半径(r)不作为交货条件,结合生产流通中的角钢实际交货状态,给出此参考公式;0根据GB/T706-2008中给出的等边角钢截面面积计算公式:S=d*(2*b-d)+0.215*(r2-2rl2),精确的不锈钢等边角钢理论重量(kg)=截面面积S(mm2)*长(m)*密度p(g∕cm3)/IOo0。
不锈钢不等边角钢参考公式:不锈钢等边角钢重量(kg)=(截面边长l(mm)+截面边长2(mm)-边厚(mm))*长(m)*密度p(g∕cm3)/100o;[1]依据不等边角钢国家标准GBΛ706-2008,角钢实际重量计算公式较为复杂。
因GBΛ706-2008中注明角钢截面中的边端内圆弧半径(rl)与内圆弧半径⑺不作为交货条件,结合生产流通中的角钢实际交货状态,给出此参考公式;[2]根据GB/T706-2008中给出的不等边角钢截面面积计算公式:S=d*(B+b-d)+0.215*(r2-2rl2),精确的不锈钢不等边角钢理论重量(kg)二截面面积S(mm2)*长(m)*密度p(g∕cm3)/1000。
不锈钢理论重量计算公式
不锈钢的理论重量计算公式是根据不锈钢的密度和形状来确定的。
不
锈钢的密度可以根据材料的种类和成分来确定,一般在7.93 g/cm³至
8.00 g/cm³之间。
对于不锈钢板材,由于其形状比较规则,可以使用以下的公式来计算
其理论重量:
在该公式中,长、宽和厚度的单位都是毫米(mm),密度的单位是克
每立方厘米(g/cm³),结果的单位是千克(kg)。
例如,如果有一块不锈钢板材,其尺寸是2000mm×1000mm×3mm,密
度是7.93g/cm³,那么根据上述公式,它的理论重量可计算如下:对于不规则形状的不锈钢,可以将其分解为几个较为规则的几何形状,然后分别计算其重量,最后将各个部分的重量相加得到总重量。
需要注意的是,以上公式计算出来的是不锈钢的理论重量,实际上由
于加工、切割等因素的存在,实际重量可能会有所偏差。
因此,在实际应
用中,还需要考虑到这些因素,确保计算结果的准确性。
不锈钢理论重量计算公式全面不锈钢的理论重量可以通过以下公式计算:重量(kg)= 钢材密度(g/cm³)× 断面积(cm²)× 长度(cm)其中,钢材密度是根据具体的不锈钢材料确定的。
以下是一些常见不锈钢材料的密度:- 不锈钢304的密度为7.93 g/cm³- 不锈钢316的密度为7.98 g/cm³- 不锈钢430的密度为7.7 g/cm³断面积是指钢材的横截面积,可以通过以下公式计算:断面积(cm²)= π × (外径² - 内径²)/ 4其中,外径和内径是钢材的外径和内径,如果是圆柱形的钢材,则外径和内径相等。
长度是指钢材的长度,通常以厘米为单位。
举例来说,假设我们要计算一根不锈钢304材料的圆柱形管子的重量,其外径为10 cm,内径为8 cm,长度为100 cm。
首先计算断面积:断面积(cm²)= π × (10² - 8²)/ 4 = π × (100 - 64) /4 = 36π / 4 = 9π ≈ 28.27 cm²然后根据不锈钢304的密度计算重量:重量(kg)= 7.93 g/cm³ × 28.27 cm² × 100 cm ÷ 1000 =18.82 kg所以,这根不锈钢304材料的圆柱形管子的理论重量为18.82 kg。
注意,以上公式是针对常见形状的不锈钢材料的重量计算公式,对于其他复杂形状的不锈钢材料,需要根据具体情况使用相应的公式进行计算。
不锈钢材料理论重量计算方法
1.确定材料的密度:不锈钢材料的密度会根据不同的成分和型号而变化。
可通过参考不锈钢材料的相关标准或从供应商处获取所需不锈钢材料的密度数值。
2.确定材料的体积:计算不锈钢材料的体积可以通过以下公式进行计算:
体积=长度x宽度x厚度
确定不锈钢材料的尺寸,并将其代入上述公式。
3.计算理论重量:理论重量计算公式为:
理论重量=密度x体积
将上一步得到的体积值代入公式中,并将不锈钢材料的密度值代入公式中即可得到理论重量。
需要注意的是,该方法计算所得的是理论重量,实际重量可能会受到不同加工工艺和表面处理的影响而略有偏差。
不锈钢理论重量计算公式表-r16不绣钢重量不锈钢理论重量计算公式表 r16 不锈钢重量一、不锈钢的基本概念不锈钢是一种具有耐腐蚀性的合金钢,其主要成分包括铁、铬、镍等元素。
根据不同的化学成分和组织结构,不锈钢可以分为多种类型,如奥氏体不锈钢、铁素体不锈钢、马氏体不锈钢等。
二、不锈钢理论重量计算公式不锈钢的理论重量计算公式通常基于其密度和尺寸。
一般来说,不锈钢的密度约为 793 克/立方厘米。
对于板材,其重量计算公式为:重量(千克)=长度(米)×宽度(米)×厚度(毫米)×793对于管材,其重量计算公式为:(1)圆管重量(千克)=(外径壁厚)×壁厚×002491×长度(米)(2)方管重量(千克)=((边长+边长)×2÷314 壁厚)×壁厚×002491×长度(米)对于棒材,其重量计算公式为:重量(千克)=直径(毫米)×直径(毫米)×000623×长度(米)三、r16 不锈钢的重量计算假设我们要计算一段长度为 5 米,外径为 16 毫米,壁厚为 2 毫米的 r16 不锈钢圆管的重量。
首先,计算圆管的外径和壁厚的差值:16 2×2 = 12(毫米)= 12 厘米然后,将单位转换为米:12÷10 = 0012 米接下来,计算壁厚:2 毫米= 02 厘米= 0002 米根据圆管重量计算公式:重量=(0016 0002)×0002×002491×5= 0014×0002×002491×5= 0000006978×5= 000003489 (千克)四、影响不锈钢重量计算的因素1、尺寸精度不锈钢材料的尺寸精度会对重量计算产生影响。
如果实际尺寸与标称尺寸存在偏差,那么计算出的重量也会相应地产生误差。
角钢:每米重量=0.00785*(边宽+边宽-边厚)*边厚圆钢:每米重量=0.00617*直径*直径(螺纹钢和圆钢相同)扁钢:每米重量=0.00785*厚度*边宽管材:每米重量=0.0246615*壁厚*(外径-壁厚)板材:每米重量=7.85*厚度黄铜管:每米重量=0.02670*壁厚*(外径-壁厚)紫铜管:每米重量=0.02796*壁厚*(外径-壁厚)铝花纹板:每平方米重量=2.96*厚度有色金属比重:紫铜板8.9黄铜板8.5锌板7.2铅板11.37 有色金属板材的计算公式为:每平方米重量=比重*厚度例如:¢50 50×50×0.00609=15.23Kg/米★直径×直径×0.00623=kg/m(适用于301 303 304 316 316L 321)例如:¢50 50×50×0.00623=15.575Kg/米---------------------------------------------------------------------------------------------------------------------------------------------------------------------------------------------不锈钢型材,理论计算公式◆六角棒对边×对边×0.0069=Kg/米◆方棒边宽×边宽×0.00793=Kg/米---------------------------------------------------------------------------------------------------------------------------------------------------------------------------------------------不锈钢管,理论计算公式○(外径-壁厚)×壁厚×0.02491=Kg/米例如¢57×3.5 (57-3.5)×3.5×0.02491=4.66Kg/米---------------------------------------------------------------------------------------------------------------------------------------------------各种钢管(材)重量计算通用公式钢管的重量=0.25×π×(外径平方-内径平方)×L×钢铁比重其中:π = 3.14 L=钢管长度钢铁比重取7.8 所以,钢管的重量=0.25×3.14×(外径平方-内径平方)×L×7.8 * 如果尺寸单位取米(M),则计算的重量结果为公斤(Kg)---------------------------------------------------------------------------------------------------------------------------------------------------------------------------------------------钢的密度为:7.85g/cm3钢材理论重量计算钢材理论重量计算的计量单位为公斤(kg )。
各种不锈钢产品的理论重量计算公式304不锈钢方管的理论重量计算公式(边宽Χ4÷3.14-厚度)Χ厚度Χ0.02491 (密度)密度值7.93 适用于201 202 301 302 304 304L 305 321密度值7.75适用于405 410 420密度值7.98适用于309S 310S 316S 316 316L 347不锈钢元棒,钢丝,理论计算公式★直径×直径×0.00609=kg/m(适用于410 420 420j2 430 431)例如:¢50 50×50×0.00609=15.23Kg/米★直径×直径×0.00623=kg/m(适用于301 303 304 316 316L 321)例如:¢50 50×50×0.00623=15.575Kg/米不锈钢型材,理论计算公式◆六角棒对边×对边×0.0069=Kg/米◆方棒边宽×边宽×0.00793=Kg/米不锈钢管,理论计算公式○(外径-壁厚)×壁厚×0.02491=Kg/米例如¢57×3.5 (57-3.5)×3.5×0.02491=4.66Kg/米无氧退火丝--计算方法每米重(kg)=0.00617×丝径×丝径板材重量计算方法板材:每米重量=7.85*厚度金属计算重量计算公式1. 铁线:直径mm*直径mm*0.00617*长度mm/1000=重量(kg)2. 铁板:厚度mm*宽度mm*长度mm*0.00785/1000=重量(kg)3. 圆管:(外径mm-厚度mm)*厚度mm*长度mm*0.02466/1000=重量(kg)4. 长方管:[(长边+短边)*2/3.1416-厚度]mm*厚度mm*长度mm*0.02466/1000=重量(kg)5. 正方管:(边长*4/3.1416-厚度)mm*厚度mm*长度mm*0.02466/1000=重量(kg)以上重量X材料单价为材料费.加上表面处理+每个工艺流程的工时费+包装材料+出货费+税金+利率= 报价(FOB钢材重量计算方法角钢:每米重量=0.00785*(边宽+边宽-边厚)*边厚圆钢:每米重量=0.00617*直径*直径(螺纹钢和圆钢相同)扁钢:每米重量=0.00785*厚度*边宽管材:每米重量=0.02466*壁厚*(外径-壁厚)板材:每米重量=7.85*厚度黄铜管:每米重量=0.02670*壁厚*(外径-壁厚)紫铜管:每米重量=0.02796*壁厚*(外径-壁厚)铝花纹板:每平方米重量=2.96*厚度有色金属比重:紫铜板8.9黄铜板8.5锌板7.2铅板11.37有色金属板材的计算公式为:每平方米重量=比重*厚度一米宽两米长,厚1毫米的铝板重量是多少啊?怎样算的啊?首先算体积咯,把铝板看做一个柱体体积V=长*宽*高=1*2*0.001=0.002 立方米然后算质量质量m=体积V*密度=0.002*密度(看你用的具体是哪种铝,纯铝、还是铝合金?如果是纯铝(如果是这是一道中学物理题目,不然纯铝不适合)的话就是2700千克每立方米。
不锈钢理算计重公式不锈钢理算计重公式(值得收藏)1不锈钢板2卷价卷价=平板价格*理论厚度/实际厚度一开平费例如,4*1535*C,参考厚度3.5mm,卷重9876公斤的卷,当日平板价格18500元/吨,开平费80元/吨,计算其成本?公式:毛边卷成本价=市场基价*实际厚度/理论厚度+开平费+边丝成本=18500*3.5/4+80+200=16467.53平板价平板价=卷价*实际厚度/理论厚度+开平费4圆钢圆钢=(直径>直径)0.00623=Kg/M5不锈钢管不锈钢管=(外径一壁厚)翅S厚>0.0249仁Kg /m1卷板理重=过磅重量滲厚(实际厚度)>理论厚度2卷板开平板理重=长宽如度>厚度址匕重3中板理重=长度血度>理论厚度扯匕重4卷长卷长=实际重量就度厚度(参厚)灶匕重例如,304/N01,10*1500*C ,参考厚度9.5mm,卷重8682公斤的卷,比重为 7.93,现在要开平出10*1500*8.195平板,能开多少块,剩下多长的尾板?公式:总长=总重/宽/实际厚度/比重=8682/1.5/9.5/7.93=76.83公式:块数=总长/块长=76.83/8.195=9.37 块取整剩下尾板:(9.37-9 ) *8.195*1500*10=10*1500*35切边卷的实际厚度切边卷=卷重~宽度卷长总匕重例如,6*1500*C,参考厚度5.6,卷重8566公斤的卷,当日市场价格 18700元/吨,开平费60元 /吨,计算每吨成本价?公式:切边卷成本价=市场基价*实际厚度/标厚度+开平费=18700*5.6/6+60=17513.336毛边卷的实际厚度毛边卷=(卷重一边丝重)今宽度唱卷长灶匕重例如,304/N01,10*1500*C ,,卷重8682公斤的卷,比重为7.93,现在开平出,10*1500*8.195 三块;10*1500*6200,一块;10*1500*7.85,两块;10*1500*6000,五块;10*1500*2050 尾板一块,现在计算实际厚度?公式:实际厚度=总重/宽/总长/比重=8682/1.5/78.54/7.93=9.297平板价格平板价格=(卷重*市场基价一边丝金额+开平费)/开平板总重来源:我的钢铁不锈钢网。
角钢:每米重量=0.00785*(边宽+边宽-边厚)*边厚圆钢:每米重量=0.00617*直径*直径(螺纹钢和圆钢相同)扁钢:每米重量=0.00785*厚度*边宽管材:每米重量=0.0246615*壁厚*(外径-壁厚)板材:每米重量=7.85*厚度黄铜管:每米重量=0.02670*壁厚*(外径-壁厚)紫铜管:每米重量=0.02796*壁厚*(外径-壁厚)铝花纹板:每平方米重量=2.96*厚度有色金属比重:紫铜板8.9黄铜板8.5锌板7.2铅板11.37有色金属板材的计算公式为:每平方米重量=比重*厚度-----------------------------------------------------------------------------------------------------------------------------------------------------------------不锈钢理论重量计算:不锈钢比重: 201,304比重7.93,316比重7.98不锈钢比重:●铬不锈钢取7.75吨/M3●铬镍不锈钢取7.93吨/M3●铁取7.87吨/M3---------------------------------------------------------------------------------------------------------------------------------------------------------------------------------------------不锈钢板理论重量计算公式钢品理论重量重量(kg)=厚度(mm)×宽度(mm)×长度(mm)×密度值密度钢种7.93 201,202,301,302,304,304L,305,3217.75 405,410,4207.98 309S,310S,316S,316L,347---------------------------------------------------------------------------------------------------------------------------------------------------------------------------------------------不锈钢元棒,钢丝,理论计算公式★直径×直径×0.00609=kg/m(适用于410 420 420j2 430 431)例如:¢50 50×50×0.00609=15.23Kg/米★直径×直径×0.00623=kg/m(适用于301 303 304 316 316L 321)例如:¢50 50×50×0.00623=15.575Kg/米---------------------------------------------------------------------------------------------------------------------------------------------------------------------------------------------不锈钢型材,理论计算公式◆六角棒对边×对边×0.0069=Kg/米◆方棒边宽×边宽×0.00793=Kg/米---------------------------------------------------------------------------------------------------------------------------------------------------------------------------------------------不锈钢管,理论计算公式○(外径-壁厚)×壁厚×0.02491=Kg/米例如¢57×3.5 (57-3.5)×3.5×0.02491=4.66Kg/米---------------------------------------------------------------------------------------------------------------------------------------------------各种钢管(材)重量计算通用公式钢管的重量=0.25×π×(外径平方-内径平方)×L×钢铁比重其中:π = 3.14 L=钢管长度钢铁比重取7.8 所以,钢管的重量=0.25×3.14×(外径平方-内径平方)×L×7.8 * 如果尺寸单位取米(M),则计算的重量结果为公斤(Kg)---------------------------------------------------------------------------------------------------------------------------------------------------------------------------------------------钢的密度为: 7.85g/cm3钢材理论重量计算钢材理论重量计算的计量单位为公斤( kg )。
其基本公式为:W(重量,kg )=F(断面积mm2)×L(长度,m)×ρ(密度,g/cm3)×1/1000---------------------------------------------------------------------------------------------------------------------------------------------------------------------------------------------各种钢材理论重量计算公式如下:圆钢盘条(kg/m)W= 0.006165 ×d×dd = 直径mm直径100 mm 的圆钢,求每m 重量。
每m 重量= 0.006165 ×1002=61.65kg---------------------------------------------------------------------------------------------------------------------------------------------------------------------------------------------螺纹钢(kg/m)W= 0.00617 ×d×dd= 断面直径mm断面直径为12 mm 的螺纹钢,求每m 重量。
每m 重量=0.00617 ×12 ×12=0.89kg---------------------------------------------------------------------------------------------------------------------------------------------------------------------------------------------方钢(kg/m)W= 0.00785 ×a ×aa= 边宽mm边宽20 mm 的方钢,求每m 重量。
每m 重量= 0.00785 ×202=3.14kg-------------------------------------------------------------------------------------------------扁钢(kg/m)W= 0.00785 ×b ×db= 边宽mmd= 厚mm边宽40 mm ,厚5mm 的扁钢,求每m 重量。
每m 重量= 0.00785 ×40 ×5= 1.57kg---------------------------------------------------------------------------------------------------------------------------------------------------------------------------------------------六角钢(kg/m)W= 0.006798 ×s×ss= 对边距离mm对边距离50 mm 的六角钢,求每m 重量。
每m 重量= 0.006798 ×502=17kg---------------------------------------------------------------------------------------------------------------------------------------------------------------------------------------------八角钢(kg/m)W= 0.0065 ×s ×ss= 对边距离mm对边距离80 mm 的八角钢,求每m 重量。
每m 重量= 0.0065 ×802=41.62kg---------------------------------------------------------------------------------------------------------------------------------------------------------------------------------------------等边角钢(kg/m)= 0.00785 ×[d (2b – d )+0.215 (R2 – 2r 2 )]b= 边宽d= 边厚R= 内弧半径r= 端弧半径求20 mm ×4mm 等边角钢的每m 重量。
从冶金产品目录中查出4mm ×20 mm 等边角钢的R 为3.5 ,r 为1.2 ,则每m 重量= 0.00785 ×[4 ×(2 ×20 – 4 )+0.215 ×(3.52 – 2 ×1.2 2 )]=1.15kg-------------------------------------------------------------------------------------------------不等边角钢(kg/m)W= 0.00785 ×[d (B+b – d )+0.215 (R2 – 2 r 2 )]B= 长边宽b= 短边宽d= 边厚R= 内弧半径r= 端弧半径求30 mm ×20mm ×4mm 不等边角钢的每m 重量。