防火门验收记录
- 格式:doc
- 大小:75.50 KB
- 文档页数:1
1
234
1
高级
121314-5-6-7-8-9
3 注:本表由施工项目专业质量检查员填写,监理工程师(建设单位项目技术负责人)组织项目专业质量(技术)负责人 等进行验收。
监理工程师(建设单位项目技术负责人): 年 月
主控项目
一般项目
实测项目
施工单位检查评定结果
监理(建设)单位验收结论
项目专业质量检查
门扇与门框贴合门隙
3
共实测 点,其中合格 点、不合格 点,合格点率 %
门扇与侧框间留缝4门扇与下框间或地面留缝9双扇多扇门扇之间缝隙3门扇与上框间留缝3框与扇、扇与扇接缝高低差2门扇对口缝
1.5-
2.5
普通门扇与门框的搭接尺寸3门框的正、侧面垂直度2防火门配件的型号、规格、数量应符合设计要求,安装应牢固位置应正确,功能应满足使用需求。
防火门扇开启力应不大于80N,在特殊场合使用的防火门除外
允许偏差(留缝限值)防火门的品种、类型、规格、开启方向、安装位置及连接方式应符合设计要求
防火门框的安装必须牢靠。
防火框固定点的数量、位置及固定方法应符合设计要求。
防火门扇必须安装牢固,并应开关灵活,关闭严密无倒翘。
执行标准名称及编号
检查项目
分包单位分包项目经理
施工单位项目经理
防火门
工程名称分项工程名称
防火门检验批验收记录
防火门验收部位
专业工长
施工班组长
GB12955-2008
施工单位自查评定记录
实测值
量检查员: 项目专业质量(技术)负责人: 年 月 日年 月 日
监理(建设)单位验收记录。
防火门工程质量验收记录【原创实用版】目录1.防火门工程质量验收记录的重要性2.防火门工程质量验收记录的内容3.如何填写防火门工程质量验收记录4.防火门工程质量验收记录的注意事项正文一、防火门工程质量验收记录的重要性防火门是建筑物防火系统中的重要组成部分,其质量直接关系到建筑物的防火安全。
因此,在防火门工程完成后,对其进行质量验收并记录,是保障建筑物防火安全的重要环节。
防火门工程质量验收记录是对防火门工程质量进行客观评价的依据,也是监理单位、建设单位和施工单位之间明确责任的重要文件。
二、防火门工程质量验收记录的内容防火门工程质量验收记录应包括以下内容:1.工程概况:包括工程名称、工程地点、工程规模、工程用途等基本信息。
2.验收标准:应按照国家相关法律法规、标准和规范进行验收,如《建筑防火门技术规范》GB 12955-2008 等。
3.验收内容:包括防火门的外观质量、尺寸、耐火性能、启闭功能等。
4.验收结果:对防火门的各项性能进行评价,确定是否符合验收标准。
5.验收结论:根据验收结果,给出防火门工程的质量评价,明确是否达到验收标准。
6.验收日期和验收人员:记录验收日期和验收人员,以便日后查询。
三、如何填写防火门工程质量验收记录1.仔细阅读验收标准和相关规范,了解验收要求。
2.对防火门进行现场检查,确认其外观质量、尺寸、耐火性能、启闭功能等。
3.按照验收标准和规范,对防火门的各项性能进行评价,判断是否符合验收要求。
4.如实填写验收记录,明确验收结果和结论。
5.验收记录应由建设单位、监理单位和施工单位共同签字盖章,以示认可。
四、防火门工程质量验收记录的注意事项1.验收记录应真实、准确、完整,不得篡改或伪造。
2.验收记录应由有关单位和验收人员签字盖章,以示负责。
3.验收记录应归档保存,以备日后查询和审计。
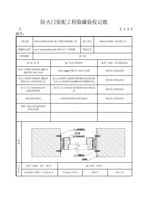
防火门装配工程隐藏验收记载
C 2.4.3.3 编号:
工程名称南昌昌南国际机场扩建工程航站楼幕墙工程施工单位珠海兴业幕墙工程有限公司隐藏验收部位A1区A1A-A1N/A1-A7轴防火门工程隐藏隐检时光
隐检根据施工图
隐检内容施工单位自检情形监理(扶植)单位验收看法
防火门预埋件和锚固件.螺栓的
规格.数目.地位.间距
采取15mm厚镀锌片,地位详见图相符设计规范请求
防火门预埋件和锚固件.螺栓的埋设方法.与框的衔接方法防火门预埋件与锚固件采取钢钉固定的衔接
方法,与主体衔接采取60*8的拉暴螺栓固定
相符设计规范请求
防火门与主体衔接部位的防腐.嵌填处理门防火门与主体部位的防腐相符设计规范请
求
相符设计规范请求
密封材料的粘结密封材料的粘结应用发泡剂相符设计规范请求
塑料门窗内衬加强型材的
壁厚及设置
/
附
图
会签栏
监理(扶植)单位(签章)施工单位(签章)
专业监理工程师(专业负责人)专业技巧负责人质检员专业工长。
火灾自动报警系统防火门监控器现场部件调试检测检验批质量验收记录1.项目名称:火灾自动报警系统防火门监控器现场部件调试、检测检验批质量验收2.项目编号:XXXX-XXXX3.建设单位:XXX公司4.施工单位:XXX公司5.监理单位:XXX公司1.项目概述:该项目旨在对火灾自动报警系统中的防火门监控器现场部件进行调试、检测,并进行质量验收。
2.调试、检测范围:-防火门监控器的外观检查-防火门监控器的电气连接检查-防火门监控器的功能测试-防火门监控器联动测试3.调试、检测设备:-电压表-电流表-多功能测试仪4.1外观检查:对防火门监控器的外壳进行检查,包括外观是否完好、面板按钮是否灵活、接线端子是否牢固等。
4.2电气连接检查:使用电压表和电流表检查防火门监控器的接线是否正确,是否符合设计要求。
4.3功能测试:连接防火门监控器的电源,测试其各项功能是否正常,包括打开、关闭防火门的功能、监控门状态的功能等。
4.4联动测试:对防火门监控器与其他相关设备进行联动测试,确保其与火灾自动报警系统的联动功能正常。
5.质量验收标准:5.1外观检查:防火门监控器外观完好、面板按钮灵活、接线端子牢固。
5.2电气连接检查:防火门监控器接线正确,符合设计要求。
5.3功能测试:防火门监控器功能正常,能够按要求打开、关闭防火门,并能够监控门状况。
5.4联动测试:防火门监控器与其他相关设备联动功能正常。
经过以上调试、检测步骤,防火门监控器现场部件的外观良好,电气连接正确,功能正常,与其他设备联动功能正常。
7.质量验收结论:防火门监控器现场部件经过调试、检测,符合质量验收标准。
可以进行下一步的安装和使用。
8.验收人员签名:建设单位代表签名:________________施工单位代表签名:________________监理单位代表签名:________________9.备注:本次调试、检测涉及的设备、人员、时间、地点等具体信息详见相关记录单。
防火门安装分项工程检验批质量验收记录1. 项目概况项目名称防火门安装分项工程建设单位XXX工程有限公司监理单位XXX监理有限公司施工单位XXX建设有限公司工程地址XXX街道XXX号工程负责人张三2. 检验批情况检验批编号日期FHM01 2022年1月1日FHM02 2022年1月5日FHM03 2022年1月10日3. 检验依据•《建筑工程防火门安装及验收规范》(GB 12955-2008)•《建筑门、窗、幕墙工程质量验收规范》(GB/T 8478-2008)4. 检验内容4.1 矿棉芯板1.矿棉芯板外观无损坏、发霉等现象。
2.材质符合要求。
3.相邻两块矿棉芯板接缝处矩形度≤ 1mm。
4.2 铰链1.铰链数量符合设计要求。
2.铰链表面光洁、无裂纹、无损伤。
3.铰链装配牢固,无松动现象。
4.3 锁具1.锁具数量符合设计要求。
2.锁具表面光洁、无裂纹、无损伤。
3.锁具装配牢固,无松动现象。
5. 检验结果经过检验,上述3个检验批的防火门安装分项工程符合以下要求:1.以上3个检验批的矿棉芯板外观完好,材质符合要求,相邻两块矿棉芯板接缝处矩形度≤ 1mm。
2.以上3个检验批的铰链数量符合设计要求,表面光洁、无裂纹、无损伤,装配牢固,无松动现象。
3.以上3个检验批的锁具数量符合设计要求,表面光洁、无裂纹、无损伤,装配牢固,无松动现象。
4.经检验,以上3个检验批的防火门安装分项工程达到设计要求,合格。
6. 不合格项整改情况经检验,以上3个检验批的防火门安装分项工程未发现不合格项。
7. 监理工程师意见本次防火门安装分项工程的施工质量较好,符合设计要求和技术规范。
建议施工单位加强质量管理,确保后续工程质量不断提升。
8. 检验单位意见按照《建筑工程防火门安装及验收规范》(GB 12955-2008)和《建筑门、窗、幕墙工程质量验收规范》(GB/T 8478-2008)的要求,对防火门安装分项工程进行检验,检验结果表明该工程符合设计要求和技术规范。
防火卷帘、防火门、防火窗工程质量控制资料核查记录防火卷帘、防火门、防火窗工程质量验收记录表A-2防火卷帘施工安装质量的验收标准规范条文:1. 钢质防火卷帘的帘板装配完毕后应平直,不应有孔洞或缝隙;相邻帘板串接后应转动灵活,摆动90°不应脱落;帘板两端挡板或防窜机构应装配牢固,卷帘运行时,相邻帘板窜动量不应大于2mm;无机纤维复合防火卷帘帘面应通过固定件与卷轴相连;帘面两端应安装防风钩。
2. 防火卷帘帘板或帘面嵌入导轨的深度应符合下表的规定。
导轨间距大于表的规定时,导轨间距每增加1000mm,每端嵌入深度应增加10mm,且卷帘安装后不应变形;导轨顶部应成圆弧形,其长度应保证卷帘正常运行;导轨的滑动面应光滑、平直。
帘片或帘面、滚轮在导轨内运行时应平稳顺畅,不应有碰撞和冲击现象;单帘面卷帘的两根导轨应互相平行,双帘面卷帘不同帘面的导轨也应互相平行,其平行度误差均不应大于5mm;卷帘的导轨安装后相对于基础面的垂直度误差不应大于1.5mm/m,全长不应大于20mm;卷帘的防烟装置与帘面应均匀紧密贴合,其贴合面长度不应小于导轨长度的80%;防火卷帘的导轨应安装在建筑结构上,并应采用预埋螺栓、焊接或膨胀螺栓连接。
导轨安装应牢固,固定点间距应为600mm~1000mm。
帘板或帘面嵌入导轨的深度应保证帘面具有适当悬垂度。
4. 门楣安装应牢固,固定点间距应为600mm~1000mm;门楣内的防烟装置与卷帘帘板或帘面表面应均匀紧密贴合,其贴合面长度不应小于门楣长度的80%,非贴合部位的缝隙不应大于2mm;5. 传动装置安装,卷轴与支架板应牢固地安装在混凝土结构或预埋钢件上;卷轴在正常使用时的挠度应小于卷轴的1/400。
6. 卷门机应按产品说明书要求安装,且应牢固可靠;卷门机应按产品说明书要求安装,且应牢固可靠。
7. 防护罩尺寸的大小应与防火卷帘洞口宽度和卷帘卷起后的尺寸相适应,并应保证卷帘卷满后与防护罩仍保持一定的距离,不应相互碰撞;防护罩靠近卷门机处,应留有检修口,耐火性能应与防火卷帘相同。
2#防火门安装分项工程检验批质量验收记录检验批次信息
检验批号:20191203B
安装时间:2019年12月3日
验收时间:2019年12月5日
安装单位:XX建筑公司
检验依据
•《钢质防火门》(GB12955-2008);
•《建筑装饰装修防火规范》(GB50168-2018);
•《建筑门与窗》(GB/T7106-2008)。
检验项目
序
号检验项目验收标准
1 防火门电
气功能测
试
开门、关门、紧闭、防火检测等电气功能均正常
2 防火门外
观质量
无划痕、变形、掉漆等表面缺陷
3 防火门密
封性能
门扇与门框紧密接触,门框无缝隙、无松动、无脱落现象4 防火门尺
寸
门扇开启部分与门框间隙≤2mm
5 防火门用
力试验门扇在关闭状态时,加力45N,门扇不能发生任何移动并应紧密关闭;门扇在开启状态时,加力200N,门扇不能发生任何移动并应紧密关闭
检验结果
本次检验项目共有5项,全部合格。
不合格项处理
无不合格项。
验收
本次防火门安装分项工程经过质量检验合格,符合设计要求,达到了相应的标
准及规定,可以投入使用。
验收人员签名:
•建设工程项目质量监督检测报告编号:XXXXXXXXXXXXXX
•建设工程项目竣工验收报告编号:XXXXXXXXXXXXXX
备注
验收人员应在验收上签字,并注明建设工程项目质量监督检测报告编号及建设
工程项目竣工验收报告编号。
如有不合格项,应在此项目下列出,并说明处理措施。
本文档仅供内部文件参考使用,请勿外传。
物业接管验收文件--------《防火门验收记录》 (共 页)
防火门验收记录
楼层 位置 编号 闭门器 顺序器 门锁方向 门把手 防爆玻璃 门合页及 螺丝 合页润滑 油漆 门插 电磁门 吸联动 备
注
正常 异常 正常 异常 正常 异常 正常 异常 正常 异常 正常 异常 正常 异常 正常 异常 正常 异常 正常 异
常
检验记录人 (签字): 审核人(签字): 2005年 月 日
工程主管(签字): 项目经理(签字): 2005年 月 日