可追溯性管理规定
- 格式:doc
- 大小:78.00 KB
- 文档页数:7
第一章总则第一条为加强食品厂生产过程的管理,确保食品安全,保障消费者权益,根据《中华人民共和国食品安全法》及相关法律法规,结合本厂实际情况,制定本制度。
第二条本制度适用于本厂所有食品生产活动,包括原料采购、生产加工、包装、储存、运输、销售等环节。
第三条本制度遵循以下原则:(一)全过程追溯:确保食品从原料采购到销售每个环节的信息可追溯;(二)责任明确:明确各部门、岗位在可追溯体系中的职责;(三)信息真实:确保追溯信息真实、准确、完整;(四)持续改进:不断完善可追溯体系,提高食品安全管理水平。
第二章组织机构与职责第四条成立食品厂可追溯性管理领导小组,负责可追溯性管理制度的制定、实施、监督和改进。
第五条领导小组下设办公室,负责具体实施可追溯性管理制度,其主要职责如下:(一)制定可追溯性管理制度及实施细则;(二)组织实施可追溯性管理系统;(三)监督各部门、岗位落实可追溯性管理制度;(四)收集、整理、分析追溯信息;(五)对可追溯性管理过程中出现的问题进行整改。
第六条各部门、岗位职责:(一)采购部门:负责原料采购的追溯信息记录,确保原料来源可追溯;(二)生产部门:负责生产加工过程中的追溯信息记录,确保生产过程可追溯;(三)质量检验部门:负责对生产过程中及成品进行质量检验,确保产品质量可追溯;(四)包装部门:负责包装过程中的追溯信息记录,确保包装信息可追溯;(五)仓储部门:负责储存过程中的追溯信息记录,确保储存条件可追溯;(六)销售部门:负责销售过程中的追溯信息记录,确保销售信息可追溯;(七)其他部门:根据工作职责,配合各部门落实可追溯性管理制度。
第三章可追溯性管理系统第七条本厂建立食品可追溯性管理系统,包括以下内容:(一)原料采购追溯:建立原料采购档案,记录原料供应商、品种、批次、数量、价格、采购日期等信息,确保原料来源可追溯。
(二)生产加工追溯:建立生产加工档案,记录生产日期、班次、生产线、操作人员、原料用量、工艺参数、设备运行状态等信息,确保生产过程可追溯。
产品标识和可追溯性管理规定一、目的为利用适当的标识,区分不同类型、不同过程、不同状态的物料及产品,以便在各过程阶段能够正确地鉴别出物料及产品的状态,并追溯到各阶段的质量状况和追溯到整车各关键零部件。
二、适用范围适用于公司来料、贮存、生产、检验、试验、成品至顾客信息反馈等各阶段的产品标识和可追溯性。
三、职责(一)质量管理部1、负责物料或产品检验、试验状态标识,检验记录保存,负责产品标识执行的监督。
2、外检人员进货检验时负责确认关键零部件所带二维码是否齐全、标识是否清晰;3、总装过程检验人员负责根据各车型配置的不同,确认整车关键零部件追溯表单上粘贴的二维码是否齐全、无误,并进行关联;4、车辆入库后,排查出的问题需车间返修更换关键零部件时,需质管部总装质量门关联人员重新对车辆进行关联;(二)物资管理部1、物资管理部负责仓库物料的标识及管理。
2、物流人员负责入库和拆包时,确认关键零部件所带二维码是否齐全、标识是否清晰;(三)生产车间生产各车间负责现场产品标识管理。
(四)总装车间1、总装发件组人员负责抽检确认关键零部件所带二维码是否齐全、标识是否清晰;2、总装装配人员负责确认关键零部件组装前所带二维码标识是否清晰、齐全,并负责把二维码粘贴到《整车关键零部件可追溯表单》上指定位置;3、总装返修人员负责因车辆返修需更换关键零部件后,把零部件所带的二维码在追溯表单上进行更新替换,如有外来厂家对关键零部件进行返修更换时,由质管部外检人员负责通知厂家把零部件所带的二维码在追溯表单上进行更新替换;四、管理内容(一)产品标识方法1.各检验阶段、各生产过程阶段及物流仓库贮存阶段的所有材料、外购/外协件、在制品(包括半成品)成品等,各部门均需根据产品实际所需的标识状况和本部门实际的生产状况对其以适当的标识方法进行标识;标识应清晰和易于识别。
2.产品标识方法(1)画线定置区域。
(2)竖立或悬挂标识牌。
(3)填写标签。
(4)制作标识卡片。
1 目的规定了产品各阶段标识的要求和方法,防止不同产品的混淆和混用。
当合同中有追溯性要求时,对产品形成过程实现追溯。
2 范围适用于公司产品的标识。
3 职责3.1 负责产品标识和可追溯性的归口管理,监督检查实施情况。
3.2 设计人员负责对设计文件、图样进行标识,并在图样中规定产品允许标识的部位和要求。
3.3 工艺人员负责工艺文件的标识,并在工艺文件中规定产品在生产过程中的标识方法、要求和时机。
3.4 生产人员负责过程中的产品和出入半成品库产品标识,按照工艺文件要求进行标识。
3.5 负责产品的批次管理,负责对外包和顾客提供产品的标识。
3.6 物负责外购产品的标识。
由库房管理人员负责外购产品的出入库、贮存状态标识,保护好外购产品的原始标识。
3.7 检验人员对产品实现过程中零部件进行检验、检验状态的标识。
4 程序4.1产品标识要求4.1.1产品标识是为了说明产品技术状态和质量状况而附在产品表面或者特殊部位的文字、数字、字母或者符号,具有证明作用和追溯作用。
4.1.2 产品从原材料、元器件、零部/组件直至最终产品(包括文件)均有适当的标识。
4.1.3产品标识必须清楚、易于识别和追溯。
由于加工时原有标识消失时,操作人员应(按工艺文件规定)进行恢复。
4.1.4产品标识一般直接制作在产品上,不能直接制作产品上时,允许制造在包装物或适当的载体上,该类标识在产品生产过程中与产品同步流转。
4.2 产品的标识方法产品的标识方法应在工艺文件中规定,没有明确规定时,可根据具体情况在下列规定方法中选用。
a)打钢印或者电笔刻字;b)贴标签;c)挂牌或者在包装物上标识;d)涂染或者色标;e)各种文字记录;f)分区存放。
4.3产品标识的实施4.3.1设计人员对所设计的产品图样、技术文件,按照相关规定,表明产品名称、产品代号、阶段等,并对实物产品的标识要求和允许标识的部位做出明确规定。
4.3.2工艺人员按照设计文件、图样、技术要求,在工艺文件中规定对产品标识的要求、方法和时机。
1、目的为对产品实现的全过程进行标识,实现全过程可追溯性,确保满足标准和顾客的可追溯性要求,制定本文件。
2、管理规定2.1车间、仓库通过标识和记录做到产品在进料、生产、贮存、调运、交付时具有可识别和可追溯性。
2.2质量保证部定期或不定期对车间现场、仓库标识的实施情况进行监督、检查,当产品出现严重质量时,组织对其追溯。
2.3生产部、车间负责所属区域内产品标识,负责将不同状态的产品分区摆放,负责对所有标识适当维护,每一种、每一批产品都应有唯一标识。
2.4产品在进料至生产全过程中用下列方法进行识别:a仓库内材料可用物资卡标识,由仓库保管员对每批经检验合格的材料填写物资卡,注明进料批号,进料批号用进料日期表示。
b车间从仓库领取材料,仓库保管员在材料出库单上注明材料进货批号。
c过程产品的标识通过产品生产过程流转卡(随工单)进行和实现,由操作者填写,包括进料批号和生产批号,其中生产批号以按计划生产投料日期表示。
d产品生产加工完毕经检验合格,由车间与仓库间办理入库手续,保管员在产品入库单上注明生产批号。
e入库后的成品,由仓库保管员用物资卡标识品名规格、数量,并注明生产批号。
成品出库时,保管员在成品出库单及产品合格品证上注明生产批号。
2.5产品通过材料物资卡、材料出库单、生产过程流转卡、产品入库单、成品出库单及产品合格证等记录和批号标识实现追溯,当产品标识发生丢失、损坏或污染时必须由标识部门标识的记录进行恢复。
2.6顾客退回产品时通过产品合格证及产品上的生产批号标识查找成品出库单、产品入库单、生产过程流转卡(各工序、生产人员/日期、检验人员/日期),再查找到材料出库单、材料物资卡,最终依据生产批号和进料批号的唯一性标识实现从顾客反馈到进料的全过程追溯。
3、其它说明3.1各相关部门和人员应严格按本规定进行产品和可追溯性标识,并及时记录和妥善保存唯一性标识,确保通过标识和记录实现可追溯性。
3.2生产部对产品和可追溯性标识管理负责,质量保证部负责指导和监督产品可追溯性工作。
工程安装可追溯管理制度第一章总则第一条为了规范工程安装行为,保障工程质量和安全,提高工程管理水平,营造良好的工程安装环境,制定本制度。
第二条本制度适用于工程安装项目的施工过程中安装企业的行为管理。
第三条工程安装项目应当根据本制度的要求建立可追溯管理制度,并将其作为日常管理的重要内容加以执行。
第四条工程安装可追溯管理制度应当与工程项目的质量管理体系相互配合,相互促进,共同推动工程安装工作的规范化和标准化。
第二章可追溯管理的基本要求第五条工程安装项目应当对安装过程进行可追溯管理,包括从材料采购、到现场施工、再到竣工验收的全过程。
第六条安装企业应当聘请具有相关资质和经验的技术人员负责可追溯管理工作,提供相应的技术支持和指导。
第七条安装企业应当建立健全的安装档案管理制度,对安装过程中的各项资料进行及时、完整、准确地记录和保存。
第八条安装企业应当建立安装过程中的关键控制点,对施工过程进行详细的记录和监控,并及时采取纠正措施。
第九条安装企业应当建立完善的质量跟踪反馈机制,对施工过程中出现的问题及时进行整改和处理,确保施工质量。
第十条安装企业应当建立安装现场的安全管理制度,确保施工过程中的安全生产,保障工人的生命安全和身体健康。
第十一条安装企业应当建立相应的培训机制,对施工现场的工作人员进行技术培训和安全教育,提高工人的素质和技能。
第三章可追溯管理的实施流程第十二条安装企业在施工前应当进行施工计划编制和技术方案设计,明确安装的施工步骤和关键节点。
第十三条安装企业应当对施工现场的布置和环境进行评估和检测,确保安全施工条件的具备。
第十四条安装企业应当对所用材料和设备进行质量检验和验收,做好材料的追溯记录和档案管理。
第十五条安装企业应当对施工现场的施工过程进行详细的记录和监控,对每个关键节点的工作进行核实和确认。
第十六条安装企业应当对施工现场的工人进行安全教育和操作培训,确保工人的安全生产意识和技术水平。
第十七条安装企业应当对施工现场的安全生产管理进行定期检查和评估,对施工过程中的安全隐患及时进行整改和处理。
可追溯性管理规定1. 目的通过对***全过程进行批次号标识管理,有效控制在制产品的流转,加强上下工序的衔接,加强信息反馈,实现生产过程中半成品、在制品和成品的动态管理。
确保****在传递加工过程时质量、数量统计准确、流转有序,当***出现质量问题或需要时可实现追溯,查明原因、界定责任。
2. 职责1. 库房负责产品接收、贮存、出厂及服务过程的有效性标识和可追溯性的控制。
2. 调度室负责自制部分在生产过程中的有效性标识和可追溯性的控制。
3. 流程一、生产加工1.自制结构件在生产过程中的每道工序做好记录。
记录内容包括:1、造单;2、数量;3、操作者姓名;4、日期;5、批次号。
批次号依据时间顺序依次按年(两位)+操作者工号+数量编写标识。
2.销轴等零件在生产过程中记录好加工者姓名、数量、时间、造单及批次号。
一、入库1.外购件、外委件进入车间,经检验合格后,库管员应做好记录。
记录内容应包含如下六点:1、供应商名称;2、产品名称3、批次号;4、数量;5、到货日期。
批次号依据时间顺序依次按年(两位)+月份(两位)+数量编写标识。
2.自制件入库,库管员应做好记录。
记录内容应包含如下六点:1、造单;2、产品名称;3、数量;4、批次号。
3. 外购件、外委件、自制件放在指定位置,库管员做好产品标识。
二、出库物品支领:组装人员根据组装需求填写支领单,支领单内容包括:1、名称;2、数量;3、图号;4、批次号;5、日期。
库管员做好记录并填写***组装记录表,卧底机编号依据时间顺序依次按年(四位)+组装顺序号编写,开头。
如:201405,表示该***是2014年组装的第5台。
三、发货库管员做好发货记录,记录内容包括:1、****编号;2、发往单位;3、发货日期。
四、库房的日常管理1.根据各种物品的不同种类及其特性,结合库房实际条件,采取不同方法分别存放,既要保证物资免受损害,又要保证物资的进出和盘点方便。
2.库管员结合生产实际定期对库房剩余物品进行统计统,计好后包给调度室。
1.目的对原材料,在制品和成品进行适当标识,以进行区分、识别、跟踪和追溯,防止非预期的使用。
2.适用范围适用于原材料、在制品和成品的标识和可追溯性管理。
3.工作内容3.1原材料的标识3.1.1原材料外包装应有产品名称、产品编号、规格、批号、厂商名称信息,以便于识别;3.1.1经检验合格的原材料,品管加盖“合格检验章”(附件一)标识,办理入库;3.1.2经检验不合格的原材料,品管贴上红色“不合格标签”(附件二),以便于区分,防止误用。
3.2在制品品管在生产过程中发现不良,及时在对应的钢台车上贴上红色“不合格标签”,并反馈给工位长进行纠正处理,返工后达到标准要求由品管人员移除不良标示。
3.3成品的标识3.3.1成品的标识分为准用证标识、印章标识、喷码标识准用证和印章标示为标准标识方法,如项目有特殊要求进行喷码,则取代印章标示。
3.3.2准用证标识标准名称使用“准用证”,项目有特殊要求的使用“合格证”。
所有脱模后的构件成品应及时贴上准用证标识,准用证标识要求:3.3.2.1内容及位置示例准用证内容:包括LOGO、项目名称、构件型号、楼层、外形尺寸、生产日期、重量。
具体如下图所示:如项目有特殊要求,则不限于以下内容。
墙板类准用证张贴位置示例:距底边 1400mm(靠标签底边)、且牢固。
具体如下图示:准用证标识外框尺寸:(长)100mm *(宽)60mm。
具体各类型构件准用证标签张贴位置根据《XXX 产品标准》要求。
墙板准用证张贴位置示例图3.3.2.2准用证材质使用防水不干胶贴纸,用条码打印机进行打印。
3.3.2.3标签填写说明:a.张贴标签的名称,原则各工厂统一用准用证,如客户有要求,则结合客户要求讨论后再确定;b.如项目仅一个户型,则户型可不用填写,如有不同户型,则需依要求填写户型;c.标签内容的批次,即此型号生产的层数,如生产至第二层,即 02,第 15 层,即 15;d.标签字体统一用黑色,字体及大小依系统设定,禁止修订;e.标签已规定的项目,禁止变更,但可依工厂实际需要,增加项目,但需排版整齐,易识别;3.3.3印章标识:准用证和盖章标示为标准要求,如项目有特殊要求进行喷码,则取代盖章标示。
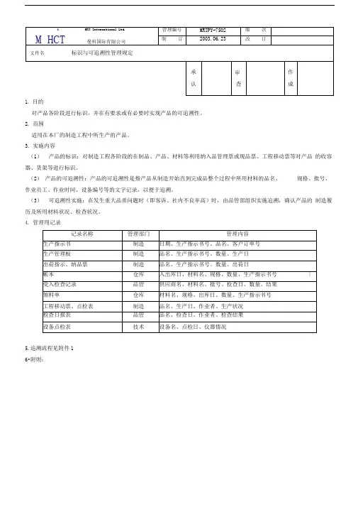
1.目的
对产品各阶段进行标识,并在有要求或有必要时实现产品的可追溯性。
2.范围
适用在本厂的制造工程中所生产的产品。
3.实施内容
(1)产品的标识:对制造工程各阶段的在制品、产品、材料等利用纳入品管理票或现品票、工程移动票等对产品的收容器、货架等进行标识。
(2)产品的可追溯性:产品的可追溯性是指产品从制造开始直到完成品整个过程中所用材料的品名、规格、批号、作业员工、作业时间、设备编号等的文字记录,以便于追溯。
(3)可追溯性实施:在发生重大品质问题时(即客诉、社内不良率高)时,由品管部组织实施追溯,确认产品的制造履历及所用材料状况、检查状况。
4.管理用记录
5.追溯流程见附件1
6•附则:
MRT MRT International Ltd.
曼科国际有限公司管理编号MRTPY-7502 版次制订2003.06.23 改订
文件名标识与可追溯性管理规定
1
现品票(品名、日期)、生产批号、注文番号、收货日、出荷批号
出荷指示、纳品票(品名、生产指示书号、客户订单号、出荷日、数量)
a —
出荷履历表、检查日报表(品名、检查日期、检查作业员)
工程移动票、检查报告书、生产管理板(生产日、作业员、生产状况)
a r
点检表(设备、检查仪器、特殊项目等管理状况)
V 领料单(材料名、出库日、数量、生产指示书号)
帐本(材料名、规格、入库日、数量、生产指示书号)
a
受入检查记录(供应商名、材料名、批号、检查日、数量、检查结果)
供应商资料(供应商生产状况、检查状况、设备状况)。
产品可追溯性合规规定引言本文档旨在制定产品可追溯性的合规规定,以确保公司的产品符合相关法律法规要求,并为产品的监管提供参考指南。
定义- 可追溯性:指能够追踪产品从原材料采购到最终销售的整个生产和供应链过程的能力。
可追溯性:指能够追踪产品从原材料采购到最终销售的整个生产和供应链过程的能力。
目标确保公司的产品具备以下合规要求:1. 产品的生产和供应链信息可追溯到原材料采购环节;2. 记录和保留生产和供应链信息的合规性;3. 向监管机构提供必要的产品追溯信息。
要求1. 产品追溯系统:公司应建立完善的产品追溯系统,包括记录和追踪原材料采购、生产过程、质量检验以及最终销售等关键环节的信息。
产品追溯系统:公司应建立完善的产品追溯系统,包括记录和追踪原材料采购、生产过程、质量检验以及最终销售等关键环节的信息。
2. 供应商管理:对供应商进行合规审核和评估,确保其符合相关的可追溯性要求,并建立与供应商的信息共享机制。
供应商管理:对供应商进行合规审核和评估,确保其符合相关的可追溯性要求,并建立与供应商的信息共享机制。
3. 记录和保留:公司应确保所有与产品相关的信息记录准确完整,并按照法律法规要求进行保留。
记录和保留:公司应确保所有与产品相关的信息记录准确完整,并按照法律法规要求进行保留。
4. 追溯能力:公司应具备追溯产品的能力,包括配备相应的技术手段和人员,以及建立可有效运作的追溯流程。
追溯能力:公司应具备追溯产品的能力,包括配备相应的技术手段和人员,以及建立可有效运作的追溯流程。
5. 合规报告:公司应根据监管机构要求,向其提供符合可追溯性要求的报告。
合规报告:公司应根据监管机构要求,向其提供符合可追溯性要求的报告。
监管和检查监管机构有权对公司的产品进行合规性检查和监督,公司应配合并向其提供法定的产品追溯信息。
结论本文档规定了产品可追溯性的合规要求和措施,公司应根据本文档的要求制定具体的产品追溯政策,并确保其有效实施,以遵守相关法律法规并为产品的监管提供支持和便利。
产品可追溯性维护规定目标本文档旨在确保产品具备可追溯性,以便在需要时能够追溯产品的来源、制造过程以及流通渠道。
通过执行本规定,我们可以提高产品安全性,保护消费者权益,并满足监管要求。
范围本规定适用于所有产品生产、分销和销售环节,包括供应商、制造商、分销商和销售商。
安全标识1. 所有产品必须标注独特的安全标识,用于确保产品的可追溯性。
2. 安全标识中应包含以下信息:- 产品名称- 制造商或供应商名称- 生产日期和时间- 批次号或序列号文档记录1. 制造商或供应商应保留以下文档记录:- 产品生产过程和流通渠道的记录- 相关供应商和分销商的信息- 原材料和零部件的来源信息- 技术规格和质量控制文件追溯性管理1. 制造商或供应商应建立追溯性管理系统,用于记录和管理产品的追溯信息。
2. 追溯性管理系统应包含以下内容:- 产品安全标识码的生成和管理- 追溯信息的记录和存储- 追溯查询的响应和追踪- 异常情况的处理和报告审查与测试1. 执行相关的审查和测试以确保产品的可追溯性。
2. 审查和测试的内容包括:- 产品安全标识的正确性和可读性- 追溯信息的准确性和完整性- 追溯查询的可行性和有效性违规处罚1. 如发现有违反本规定的行为,将采取相应的纠正措施和处罚。
2. 违规行为可能包括:- 未标注安全标识或故意伪造安全标识- 未记录或故意篡改追溯信息- 拒绝提供追溯查询和追踪监督与改进1. 监督部门将定期对执行本规定的各环节进行审核和检查。
2. 根据监督结果,制定改进措施,确保规定的有效执行。
免责声明本规定不负责因产品可追溯性不足而导致的其他法律责任或纠纷。
以上即为本文档的内容。
如有任何疑问,请及时与我们联系。
谢谢!。
产品可追溯性执行规定目标本执行规定的目标是确保公司产品的可追溯性,以满足法律和监管要求,并提供更高的产品质量和安全保障。
背景在全球范围内,越来越多的国家和地区要求企业在生产和销售产品时提供可追溯性的信息。
可追溯性是指能够追踪和验证产品的源头、制造过程和分销环节的能力。
这种要求是为了确保产品的质量和安全性,保护消费者的权益,防止伪劣产品的流通。
执行规定根据公司的战略目标和法律要求,以下是产品可追溯性的执行规定:1. 所有生产和销售的产品都必须能够提供可追溯性信息。
包括但不限于产品的批次号、生产日期、供应商信息等。
2. 公司将建立和维护一套产品可追溯性管理体系,确保产品的源头信息可追溯、制造过程可追溯、分销环节可追溯。
3. 在生产过程中,必须记录关键的生产数据和质量信息,包括原材料的来源、加工过程的环境条件、产品的检测结果等。
4. 公司将与供应商建立合作关系,并要求供应商提供可追溯性的相关信息。
5. 公司将进行定期的内部审核和监测,确保产品可追溯性执行规定的有效实施。
6. 产品可追溯性信息必须在产品包装上明确标示,以便消费者和监管机构进行核查。
7. 在产品出现质量问题或召回事件时,公司应能够快速定位问题源头,并及时采取措施进行处理和通知。
效益通过执行产品可追溯性规定,公司将获得以下效益:1. 提高产品质量和安全性,增强消费者对产品的信任度。
2. 遵守法律和监管要求,降低法律风险和商誉风险。
3. 优化供应链管理,减少供应链风险。
4. 提高公司形象和品牌价值。
结论产品可追溯性执行规定是保证产品质量和安全性的重要措施。
公司应严格执行这些规定,并持续改进产品可追溯性管理体系,以实现长期的可持续发展和市场竞争力。
产品可追溯性管理规定
产品可追溯性文件
本文件旨在建立一条产品追溯通道,以便在已交货至客户之产品发生品质异常时,能够迅速追溯异常品之制造日期、数量及对应的原材料,并采取有效的应对措施。
适用范围包括本公司内购入的原材料、外协外购件进料和生产的产品。
产品批号应按照以下填写规范进行管理:
1.钢印号+生产班次+材料批号
2.生产日期+生产班次+材料批号
3.来料日期
4.材料批号
5.18/04()A。
1810.001-999
职责权限方面,质量中心负责产品追溯号的确定和监督过程中的批号正确性验证,制造部负责按照制定的批号实施生产
并对相关记录标签的正确性负责,质量中心负责按照供应商制定的批号填写相关记录并对过程中的批号正确性进行监督。
批号的定义是在生产中,每一批投料生产出来的产品,在质量和性能上还是有差异的。
为了便于事后追踪产品当时状态,避免混杂不清,故对每一批产品或者材料制定批号编制和追溯原则。
按照填写规范,批号应包含材质、材料、厂家、炉号、产品名称、客户厂家、日期和数量。
工作流程包括批号登录原则,对应的记录和填写方式/内
容来源如下:
1.原材料入库单:材料批号(来源:质保书、材料标示卡)
2.外协件产品出库单:批号(来源:产品入库单、产品标
示卡)
3.过程生产件:批号(来源:产品入库单、产品标示卡)
以上是本公司对产品追溯的管理规范,以确保产品质量和客户满意度。
产品可追溯性管理办法为了确保产品质量符合顾客的要求,避免产品符合性状态的混淆,确保质量控制,同时明确各过程、工序的责任,以便进行原因分析实施持续改进,特制定本管理办法;1职责1.1造型车间负责铸造过程的产品标识,包括铸件铸字更换标识用字和快换字贴及质量记录;1.2以后各过程以铸件铸字的生产日期和班次作为产品批次号,清砂班工人填写标识卡的时候必须据实认真填写,作为此后抛丸、热处理、喷漆、外协过程、库存、加工、检验发货各过程填写质量记录的依据;清砂班长负责监督检查标识卡的填写;1.3各生产、流转过程的部门、班组对本过程的产品标识的正确性负责;对标识卡及产品批次号的准确性和确保正常传递负责;1.4如果产品质量发生问题,企管部责成相关技术质量部依据实物产品铸字标识、标识卡和相关记录追溯质量问题或责任人,同时查清相关类同产品的质量状况,确保不合格品不出厂,不转交下道工序;1.5责任部门必须针对产生的问题进行原因分析,制定防止再次发生的措施和对策并落实实施;1.6对标识卡的填写、传递执行“生产过程标识卡填写要求”规定;1.7铸造技术质量部检查组负责对在线各种产品铸字内容填写在看版上,造型班长据此制作快换字帖或准备塑料字;1.8技术质量部的质量负责部门负责产品质量发生问题的追溯;1.9毛坯库保管员对出库产品在出库单上标识出库产品的批次号;1.10加工部负责加工过程到送检前的产品批次号跟踪标识和现场质量状态的标识;1.11毛检班、成检班对发货产品的批次号进行记录,确保可追溯性;2铸造过程的实施2.1铸造部造型班长负责每天铸件铸字标识的计划工作;计划依据产品及浇冒口每箱所需铁水重量,计算出每包铁水的产品数和当日生产该产品数所需铁水的包数,再依据所需铁水包数确定铁水包次号;客户没有要求的可以不标注包次号;2.2造型班长每班根据客户要求按看版制作快换字帖号码或准备塑料字,没有要求的,按年号最后2位数标识,月和日数各以2位为准,遇一位时前边加0,顺延排序;包次号以英文字母A开头到Z共26个英文字母为序,班长将快换字贴或塑料字准备足量,交给相关工人并做好发放记录;2.3铸件毛坯生产过程中,客户对产品的标识有要求的,按客户的要求进行标识;对班次的标识由铸造部确定班次代号,潮模砂造型分X班和Y班,各班用本班的代号进行标识;铸造部确定以上内容以后要对相关部门发布通知;铸字位置根据图纸要求或由工程师确定,班长落实检查;如果客户同意,可以贴在能够永久保留的位置,如果需加工的铸件应贴在非加工处;树脂砂造型白班浇注的标识1,夜班浇注的标识2;如果因为特殊原因调整了浇注班次,造型班长要在铸工生产记录中标记清楚;清砂班、毛检班在理化检测结果之前不得将产品混淆;如果材质结果不合格按常规隔离或报废处理;2.4铸造技术质量部在编写工艺卡片时,应明确铸字的贴放位置;对第一次生产该类产品的工人应进行相关的技术交底,确保铸字位置的正确性;2.5造型班长要对所发放铸字使用的正确性进行检查,发现问题及时纠正;2.6浇铸铁水时,由造型班长依据计划的安排分配铁水,每包铁水应浇铸同一包次号产品,浇注的同时,认真填写浇注记录,包括生产日期和时间、产品名称、编号、造型工人姓名、铁水包次号、所浇注产品的箱数;2.7铸造生产标识的生产日期6位阿拉伯数字和班次,作为产品的可追溯性批次号;2.8对有包次标识及有化验要求的应先化验,先出结果,如果经化验说明包次产品质量合格,应书面通知清砂班可以进行常规填写标识卡;2.9理化室如经化验有质量不合格的铁水,理化室应立即书面通知清砂班、毛检班,将不合格包次铁水浇注的产品立即隔离,由铸造技术质量总负责人判定报废与否;2.10如经炉前测验发现铁水不合格时,能够及时调整的必须调整合格后再出炉;如果不能调整的,铁水已经进行了浇注,炉前检测人应立即通知造型班长,隔离该包次铁水浇铸的产品;该批产品扒活后必须存放隔离区,由铸造技术质量总负责人判定报废与否;2.11凡在浇铸后扒活前就需要隔离的产品;一律采用白粉划线的方式进行隔离,并由造型班长监督扒活、存放、标识,并书面转达清砂班隔离摆放;3清砂、毛检过程3.1清砂过程应保持铸造产品批次和标识,应依据铸工生产记录分批分配清砂工人进行清理和磨件加工;清砂工人对所砸件清砂的产品填写标识卡;3.2对磨件加工完毕的产品送毛检班检验,由清砂班负责人依据铸工生产记录和产品批次号、造型工人姓名、清砂工人姓名为内容,填写铸件检查记录,并将填写的标识卡和四联铸件检查记录随产品送毛检当场交代;3.3毛检班负责人根据产品数量、特点、技术要求,分配检验员对产品进行检验;检验完毕后将检验结果填写在铸件检查记录和标识卡上;3.4对检出的不合格品由毛检班长进行全检,并对质量缺陷进行记录分类和确定,记录时应对产品批次号、造型、清砂、熔炼各自责任分清记录,并反馈相关班组,以求改进;3.5对经检验合格的产品,由毛检班长按抽样方法进行抽样复查;经复查合格的产品装箱入库如需喷漆的应尽快喷漆避免生锈,毛检班长在复查时,应同时复查产品批次号、各工序生产者等内容对照标识卡核对是否正确,确保其标识和可追溯性的准确;3.6如果在毛检班发货产品,应由技术质量部检查组进行装箱前抽检,抽检记录同时标注被抽检产品的批次号等内容,并在标识卡上的相关表格内记录签字;3.7装箱单应标识该批产品的批次号,发货箱号应该填写在标识卡上;3.8毛检班负责收集发货后的标识卡,按质量记录控制程序的规定执行,4入库及流转过程4.1入库出库时,均应在相关单据上填写该批产品的批次号,同时在标识卡上填写保管员及出入库人员和相关日期;库存管理必须遵照先进先出的原则进行出入库;4.2如果同一箱产品有多个批次号时,应将多个批号的产品及相关标识卡都填写完整,标识清楚;4.3外协清砂产品或外协加工后送毛检班的产品,标识卡必须随货同行;5加工部生产过程5.1加工部或外协加工户从毛坯库出库时,如果由于批次的数量较大,而出库不能一次性全部领出,可以分批领取;分批领取时,由仓库保管员在原始标识卡上记录该批次已领出数量和剩余数量;在出库单的备注栏内写清批次追溯号,同时出库领料员在标识卡验证确认并签名;外协加工领料如果有类似情况可以参照执行;5.2毛坯库将各批次产品全部出库后,由仓库保管员将标识卡收集起来保存,每半年一次向档案室归档,作为可追溯性记录;5.3加工部领取产品后,必须对产品和与之对应的批次追溯号的准确性负责,确保此后各过程的记录都标明正确的批次追溯号,直至发货装箱;5.4加工过程必须将产品批次号如实填写在工序流转单上,加工班长对首件检验时,应同时记录被检产品的批次号;加工班长在记录工序流转单时,必须检查产品批号与记录和出库单的一致性,如有疑问应查明原因纠正;5.5如果批次数量较少,而后序加工批次量较大,后序加工各工序不得将各批次混淆,必须按要求送检,直到装箱发货;5.6加工过程的状态标识采用状态标识卡的方法和在产品上直接进行标识;加工过程必须遵照先出库先加工、先流转、先发货的原则,确保批次准确不乱;6成品检验过程6.1成检班验收送检产品时,必须检验随产品送检的记录是否填写了批次追溯号,如没有或不合格,成检班出具不合格报告;6.2成检班发货时,必须在相应的检查记录上标记发货箱号,将发货箱号填写在检查记录上,相应的装箱单上标明该批产品的批次号,确保产品的可追溯性;检查记录按记录控制程序要求归档保存;6.3检验过程的状态标识采用状态标识卡的方法进行标识;对确认的废品必须立刻移向废品区,必须对废品的批次号进行标识;对工废的产品标识要随产品退回铸造检查组;7如因标识卡或工序流转单丢失,须后补时,必须由上序相关人员及部门负责人确认,并在丢失工序旁填写“补”字;确保可追溯的准确性;所有涉及的质量记录,均要符合质量记录控制程序文件的规定,不得随意销毁;8不可贴标产品的标识不可贴标产品包括顾客要求外观不贴字和表面完全加工的产品;该类产品用快换字帖标识生产日期;如果发货为毛坯产品,在清砂过程将铸字打磨掉;如果发货为加工产品,在加工过程将铸字加工掉;对该类产品的标识,主要依靠浇铸生产记录和标识卡进行标注,产品流转过程中,确保标识卡随货同行直至入库;出库及出库以后按上述第五条规定执行;对该类产品的流转过程,以标识卡的批次号和生产者、加工者、检验人员作为标注内容进行随产品同行标注,不得丢失和漏标;随产品同行的标识卡应严密保存,以达到顾客产生追溯时有据可查;9、追溯方法成品发货产生的追溯可根据发货箱号追查成品检查记录,可查出检验责任人,根据检查记录的批次号可查出加工过程的责任人,分析问题的根源;如果属于清砂部过程,可以根据批次号查出标识卡,标识卡上可以全面反映铸造、清砂各过程责任人,可椐此分析问题的根本原因;加工过程产生追溯可根据加工生产流转单进行追溯;毛坯发货产品可根据发货箱号、装箱单查得该批产品的批次号,由批次号可查得该批产品的标识卡,标识卡上可以全面反映铸造、清砂各过程责任,可椐此分析问题的根本原因,以便及时彻底解决;材质方面的追溯,可以根据批次号查得浇注产品记录,根据浇注产品记录查得熔炼记录的该批产品的炉次号,据此可以在理化室查得该批产品的理化检测各项指标;产品上有生产日期铸字的,可根据铸字查得该批产品的标识卡,根据标识卡的内容查得所需资料进行分析和改进;编制:审批:年月日。
第1篇第一章总则第一条为加强产品质量安全监管,保障消费者权益,提高产品质量,根据《中华人民共和国产品质量法》、《中华人民共和国食品安全法》等相关法律法规,结合本地区实际情况,制定本规定。
第二条本规定适用于本行政区域内所有涉及产品质量安全的产品生产、流通、使用环节的可追溯性管理。
第三条可追溯性管理应当遵循以下原则:(一)全面覆盖原则:对所有涉及产品质量安全的产品实施可追溯性管理。
(二)全过程管理原则:从原材料采购、生产、流通、使用到回收处置等全过程进行可追溯性管理。
(三)责任明确原则:明确各环节相关责任主体的责任和义务。
(四)信息共享原则:建立信息共享机制,实现产品信息跨部门、跨行业共享。
(五)技术保障原则:采用先进技术手段,提高可追溯性管理的效率和准确性。
第二章可追溯性管理体系第四条建立可追溯性管理体系,包括以下内容:(一)组织机构:成立可追溯性管理领导小组,负责统筹协调、组织实施可追溯性管理工作。
(二)制度规范:制定可追溯性管理制度、操作规程等,明确各环节的责任和义务。
(三)技术标准:制定可追溯性技术标准,规范产品标识、编码、数据采集、存储、传输等环节。
(四)信息系统:建立可追溯性信息系统,实现产品信息全流程跟踪。
(五)人员培训:对相关人员进行可追溯性管理培训,提高其业务水平。
第三章产品标识与编码第五条产品标识与编码应当遵循以下要求:(一)统一编码:采用国家标准或行业标准规定的编码体系,确保编码的唯一性。
(二)标识规范:产品标识应当清晰、准确、易于识别,包括产品名称、规格型号、生产日期、批号等信息。
(三)标签要求:标签应当符合国家相关法律法规和标准要求,标注产品追溯信息。
第四章数据采集与存储第六条数据采集与存储应当遵循以下要求:(一)实时采集:在产品生产、流通、使用等环节,实时采集产品相关信息。
(二)完整存储:对采集到的数据应当进行完整存储,确保数据的准确性和完整性。
(三)安全防护:加强数据安全管理,防止数据泄露、篡改和丢失。
1、目的满足整车产品对关键、重要零部件(以下简称追溯零部件)质量可追溯的要求。
本规定适用于公司整车生产及使用过程中的可追溯管理。
2、范围本规定适用于公司所有汽车产品的生产过程控制。
3、术语和定义追溯零部件:对整车性能起关键作用、危及顾客人生或财产安全的汽车零部件。
公司整车应追溯的零部件见附录A《追溯零部件清单》追溯标签:用文字和(或)条形码记录零部件生产厂家代码、零部件名称、零件号、生产批次号等信息的卡片。
4、权限与职责4.1、质量部门负责追溯管理的总体协调和组织实施工作,负责制定和修订《零部件清单》。
4.2、生产部门负责生产车间产品的追溯相关工作。
4.2.1、负责零部件追溯标签在整车上实施和管理。
4.2.2、负责整车和追溯标识的记录保存。
4.3、采购部负责管理配套供应零部件的追溯并要求供应商保持追溯性的记录。
4.4、销售服务部负责产品在使用维修过程中可追溯件维修、变更记录的保存。
5、内容和要求5.1、产品可追溯信息的标识方法及要求5.1.1、车身总成承载式车身按车身制造厂工艺要求打刻车辆VIN号。
5.1.2、发动机、车架生产厂家在适当位置标记永久性厂家标识和生产序号。
5.1.3、其它追溯零部件5.1.3.1、采用追溯标签进行标识。
对于国产零部件,由配套厂家负责制作追溯标签并粘贴在追溯零部件上;对于进口零部件,由仓库负责追溯标签的制作和粘贴。
5.1.3.2、追溯标签大小、具体格式和要求按国家有关汽车零部件标识相关规定执行。
5.2、可追溯控制要求5.2.1、对追溯零部件,车间仓库必须安装先进先出的原则分批管理,不能随便混淆,如有特殊情况必须做好记录。
5.2.2、采购部应要求零部件配套厂家严格按照批次管理进行生产,并保留生产批次、数量、质量状况的原始记录。
质量部应保留追溯件的批次号和对应数量的记录。
记录保存期限在追溯期限的基础上增加一年。
5.2.3、冲压、组焊工序的片件和散件由生产部实施批次管理和编号。
江苏常盛钢结构工程有限公司
编号:Q/CS3.07.01
企业标准版本:B
标记与可追溯性管理规定
标记与可追溯性管理方法
江苏常盛钢结构工程有限公司
编制:罗晓华日期:2008.12.20
1.主题内容和适用范围
本文规定了企业的标记的种类及其标注(移植)的要求等内容。
本文适用于公司产品制造过程中的标记与可追溯性管理,意在提升企业品质管理水平。
2.标记种类
a)工程编号标记
b)原料厂编号标记;
c)主焊缝焊工标记;
d)构件编号标记;
e)检验状态标记;
f)焊接试板标记;
g)物理试件标记;
B、如果客户指定项目编号的,则执行客户指定的项目编号。
4. 各类标记构成及其标注(种、移植)要求
4.1 厂编号(批号)标记
4.1.2 要求与职责
a) 厂编号由仓管员在进料检验时根据所用工程名称及材料类别编制,检验合格后,仓管员负责在
该批材料上用白色记号笔标明厂编号或批号、材质、规格尺寸。
板材类:板厚16mm以上每板一个厂编号;板厚16mm及以下每批次一个编号,可在每批次最上面一张板上标清材质、规格尺寸、批号,发货时需在库存料和发出料上同步移植。
b) 下料工应按规定在号料切割(剪切)前移植厂编号标记,并根据排版图用白色记号笔标记构件号、规格尺寸、材质、工程名称。
余料必须全部标清工程名称、厂编号、材质、规格尺寸,方可通知仓库办理退料手续。
若余料需直发小件车间,也应先通知仓库验收(按排版图应退多少料)并办理退料手续,由仓库验收后直接通知小件车间办理领料手续。
小件车间下料时也必须按要求标记批号(厂编号)、材质、构件号、规格尺寸,若仍有余料按上述余料标识方法操作。
(需预喷砂件由喷砂前一道工序负责移植)
型钢类(除600mm以上宽度H型钢,由仓库直接发给各包工队外),原则上由切割工段统一下料,下料时必须标记批号(厂编号)、构件号、规格尺寸、材质。
特殊情况需各工段领用小型钢下料时,标记要求相同。
所有型钢下料由切割工段负责追踪生产记录单,并负责监督余料的退料情况,仓库负责追踪余料退料。
以上切割下料作业都应填写生产记录单(含厂编号或批号、构件号、规格尺寸、工程名称、自检情况等)。
(需预喷砂件由喷砂前一道工序负责移植)c)以有利于追溯为原则,由品质部掌握厂编号(批号)与质保书(或复检报告)上炉批号(或生产批号)的一一对应关系。
可追溯顺序为:构件号→厂编号→炉批号(或生产批号)。
标记管理若合同有约定或客户有明确要求的,则按其要求的标注方式、标注位置执行,确保材料的可追溯性。
4.1.3 一般工程的钢结构的标记移植范围
a)构件的本体BH的三块板或BOX的四块板;
b)构件的本体H型钢;
c)长度≥1m的牛腿;
d)1平方米以上的节点板。
4.1.4 对特殊工程的钢结构应按要求对所有零件作移植或按客户要求进行移植。
4.2 主焊缝焊工标记
4.2.1 钢结构主焊缝包括:
a)焊制H、T型钢的拼板对接焊缝及翼、腹板组合的角焊缝;
b)梁或柱与主要连接板(三组群孔以上的连接板)组合的对接、角接焊缝;
c)牛腿长度≥1米的筋板与主体连接的角接焊缝;
d)根据产品特点或合同(协议)的特殊规定或受载情况由工艺文件指定的其它主要焊缝。
4.2.2 焊工标记
Y 5-8-7 D)
4.3.1构件编号由技术部依据技术图纸编定排版图,并在工艺文件上列出。
4.3.2各制作工段要求(移植范围:梁、柱等主要构件钢印移植,非受力部件、通用零件色笔标明)
a)切割下料作业在切割前必须核对材质、厂编号、规格尺寸,正确无误后方可下料作业,并用白
色记号笔标明材质、厂编号、规格尺寸、构件号(需预喷砂零部件必须敲钢印)。
其他工段在操作前也应先核对材质、厂编号、规格尺寸、构件号等各类标记,标记模糊不清的应核对补全。
b)构件需组装时,由组装人员用白色记号笔在腹板距边缘50mm处标明构件号、规格尺寸、焊脚尺
寸(如△16)。
不要求组装,单件下料即可销售的标记由下料工制作;
4.3.3 成品标记要求
a)大的主要构件标记内容包括收货单位、合同号、工程号(生产令号)、组件代号、包装号、净重、
外形尺寸,采用字母(数字)孔板喷漆制作,漆色应与构件面漆色差显著;一般构件用色笔标构件号、包装号。
构件编号以钢印标记在构件上平面左端距边缘500mm处。
b)通用小零件打包后统一用色笔标构件号、包装号;若客户有明确要求时,按其要求执行。
4.4 检验标记
4.4.1 生产过程中各工段自检、互检后,由品质部进行抽检,抽检合格,用白色记号笔标记:工段名称+OK+QC号(加框)。
无损检测合格在焊工钢印旁标检测方法代号+OK(如MT+OK),并用白色加框。
构件的半成品必须在品质部检验合格并贴上“准予喷砂”的标签后,方可进行喷砂作业。
成品检验合格贴“准予发运”标签后,方可发运。
4.4.2 质量确认标记是构件的半成品和成品合格的象征,由品质部监督实施;客户有明确要求时,则按
客户的要求执行。
4.5 不合格(不符合)品标记
轻微不合格用白色记号笔圈划不合格部位并在旁边标注不合格项目及检验员QC号(加框)。
一般不合格和严重不合格用红色笔圈划不合格部位。
4.6 焊接试板标记
焊接试板有两种:产品(构件)拖带焊接试板和试验(考核)用试板。
4.6.1 产品拖带焊接试板标记
a)产品拖带焊接试板的制作要求按工艺文件规定。
试板上必须有工作令、材质标记、焊工标记;
b)同一工程有多块试板时应标明试板序号。
4.6.2 试验(考核)用焊接试板由试验(考核)部门参照“a”条款进行,同时标明工程编号。
4.6.3要求
a)材质标记由下料人员在下料时依据工艺文件制作,一对试板各一组标记位置在远离焊缝的边
缘和端部。
下料工区长应督促和检查材质标记的移植;
b)施焊焊工在施焊结束后应作好工程编号和焊工标记;
c)焊接检验员(或产品检验员)必须按要求检验试板的制作并记录;
焊接试板委托摄片和物理、力学试验的委托书、检测报告、试验报告上至少要注明试板的工程、编号和试板序号等。
4.7 物理试件标记
4.7.1
试件
试件批号
试件月份
试验年份
试验类别(M—金相)
4.7.2 要求
a)所有试件必须先编号后试验,试验委托书和报告书必须标明试件的标记;
b)试件标记一律采用6#或4#钢字敲在试件的非破坏部位(淬硬试件允许用漆色书写标记)
小试件在试件上只标试件号,其他标记内容在试样袋上标明。
5、各类标记可追溯性的监督管理
5.1建立库存料及余料编号有效性的监督机制,仓库每一个月对库存料编号的可识别性进行监督
检查,发现问题及时纠正,确保库存料及余料的长期可识别性。
5.2公司质保体系部门需进一步提升对产品可追溯性的监督管理,每三个月对原料的追溯性管理
检查监督一次,开展长期自我提升机制。