钢管常用规格表
- 格式:docx
- 大小:29.32 KB
- 文档页数:4
常用钢管规格型号一览表在各类工程建设、工业生产以及日常生活中,钢管是一种被广泛应用的材料。
了解常用钢管的规格型号,对于正确选材、施工以及保障工程质量都具有重要意义。
下面为您详细列出一些常见的钢管规格型号。
一、无缝钢管无缝钢管是一种具有中空截面、周边没有接缝的长条钢材。
1、结构用无缝钢管(GB/T8162-2018)外径:10mm 426mm壁厚:1mm 50mm常用规格如:外径 25mm,壁厚 3mm;外径 57mm,壁厚 4mm 等。
2、流体输送用无缝钢管(GB/T8163-2018)外径:8mm 630mm壁厚:1mm 70mm例如:外径 89mm,壁厚 5mm;外径 325mm,壁厚 8mm 等。
3、低中压锅炉用无缝钢管(GB3087-2008)外径:10mm 530mm壁厚:2mm 50mm常见的有:外径 159mm,壁厚 6mm;外径 219mm,壁厚 8mm 等。
4、高压锅炉用无缝钢管(GB5310-2017)外径:16mm 820mm壁厚:2mm 100mm比如:外径 273mm,壁厚 10mm;外径 508mm,壁厚 16mm 等。
二、焊接钢管焊接钢管是指用钢带或钢板弯曲变形为圆形、方形等形状后再焊接成的、表面有接缝的钢管。
1、直缝电焊钢管(GB/T13793-2016)外径:10mm 1420mm壁厚:05mm 16mm像外径 48mm,壁厚 3mm;外径 114mm,壁厚 4mm 等是较为常用的规格。
2、螺旋缝埋弧焊钢管(SY/T5037-2018)外径:219mm 2220mm壁厚:5mm 25mm常见规格有:外径 630mm,壁厚 8mm;外径 820mm,壁厚 10mm 等。
3、螺旋缝高频焊钢管(SY/T5038-2012)外径:159mm 2190mm壁厚:4mm 16mm例如外径 325mm,壁厚 6mm;外径 529mm,壁厚 8mm 等。
三、不锈钢钢管不锈钢钢管具有良好的耐腐蚀性能,常用于化工、食品、医疗等领域。
常用钢管规格型号一览表
常用钢管
钢管每米理论重量计算公式:
W=3.1416*ρδ(D—δ)/1000
W——钢管每米理论重量kg/m;
ρ——钢的密度kg/dm-3;7.81、7.85、7.91
D——钢管的公称外径mm;
δ——钢管的公称壁厚mm;
1 英寸=25.4毫米=8英分
1/2 是四分(4英分) DN15
3/4 是六分(6英分) DN20
2分管DN8
4分管DN15
6分管DN20
1′DN25
1.2′DN32
1.5′DN40
2′DN50
2.5′DN65
3′DN80
4′DN100
5′DN125
6′DN150
8′DN200
10′ DN250
12′ DN300
GB/T50106-2001
2.4管径
2.4.1管径应以mm为单位。
2.4.2管径的表达方式应符合下列规定:
1 水煤气输送钢管(镀锌或非镀锌)、铸铁管等管材,管径宜以公称直径DN表示;
2 无缝钢管、焊接钢管(直缝或螺旋缝)、铜管、不锈钢管等管材,管径宜以外径×壁厚表示;
3 钢筋混凝土(或混凝土)管、陶土管、耐酸陶瓷管、缸瓦管等管材,管径宜以内径d 表示;
4 塑料管材,管径宜按产品标准的方法表示;
5 当设计均用公称直径DN表示管径时,应有公称直径DN与相应产品规格对照表。
建筑排水用硬聚氯乙烯管材规格用de(公称外径)×e(公称壁厚)表示(GB 5836.1-92)
给水用聚丙烯(PP)管材规格用de×e表示(公称外径×壁厚)。
钢管尺寸规格表
钢管是现代建筑和工程中的重要材料,无论是在民用、工业还是军事领域,都有广泛的应用。
不同的应用场合需要采用不同规格、不同材质的钢管,因此了解钢管尺寸规格表是非常必要的。
以下是常用的钢管尺寸规格表。
1. 焊接钢管
常规规格:Φ219-Φ1420mm
壁厚:6 - 25mm
长度:3 -12m
材质:Q235、Q345、L245、L290、L360、X42-X80等
2. 精密钢管
常规规格:Φ4-Φ127mm
壁厚:0.5 - 25mm
长度:3 -12m
材质:10#、20#、45#、16Mn、25Mn、27SiMn、40Cr、Cr5Mo、12CrMoV等
3. 管道钢管
常规规格:Φ33.4-Φ1420mm
壁厚:2.5 - 50mm
长度:6 - 12m
材质:20#、16Mn、12CrMo、15CrMo、12Cr2Mo等
4. 高压锅炉管
常规规格:Φ12 - Φ914mm
壁厚:1.5 - 120mm
长度:6 - 12.5m
材质:20G、15CrMoG、12Cr1MoVG、10CrMo910等
5. 液压管
常规规格:Φ4 - Φ76mm
壁厚:0.5 - 13mm
长度:3 -12m
材质:27SiMn、ST45、CK45、45#、E355、ST52等
以上是常用的钢管尺寸规格表,不同应用场合的具体规格还需要根据实际情况进行选择。
在使用钢管时,一定要严格按照规格要求进行选择和使用,以确保施工和使用的安全性和稳定性。
常用钢管规格及用途
备注:
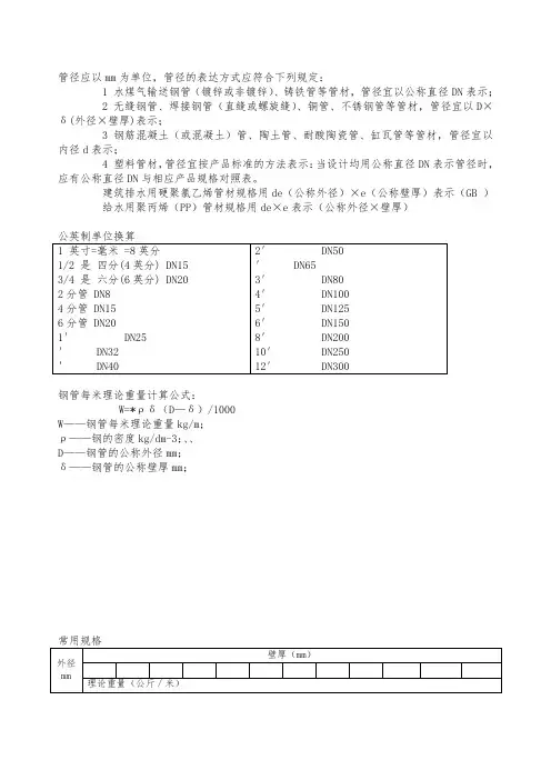
管径应以mn为单位,管径的表达方式应符合下列规定:
1水煤气输送钢管(镀锌或非镀锌)、铸铁管等管材,管径宜以公称直径DN表示;
2无缝钢管、焊接钢管(直缝或螺旋缝)、铜管、不锈钢管等管材,管径宜以D XS (外径x 壁厚)表示;
3钢筋混凝土(或混凝土)管、陶土管、耐酸陶瓷管、缸瓦管等管材,管径宜以内径d 表示;
4塑料管材,管径宜按产品标准的方法表示:当设计均用公称直径DN表示管径时,应有公称直径DN与相应产品规格对照表。
建筑排水用硬聚氯乙烯管材规格用de (公称外径)x e (公称壁厚)表示(GB5836.1-92 )
给水用聚丙烯(PP管材规格用de xe表示(公称外径x壁厚)
公英制单位换算
钢管每米理论重量计算公式:
W=3.1416* p8(D—8) /1000 W——钢管每米理论重量kg/m;
P——钢的密度kg/dm-3 ; 7.81、7.85、7.91 D ---- 钢管的公称外径mm
s—钢管的公称壁厚mm
用途。
常用钢管规格型号一览表以下是常用的钢管规格型号一览表,供您参考:1. DN15钢管- 外径:21.3mm- 壁厚:2.8mm- 材质:碳钢2. DN20钢管- 外径:26.9mm- 壁厚:2.8mm- 材质:碳钢3. DN25钢管- 外径:33.7mm- 壁厚:3.2mm- 材质:碳钢4. DN32钢管- 外径:42.4mm- 壁厚:3.5mm- 材质:碳钢5. DN40钢管- 外径:48.3mm - 壁厚:3.5mm - 材质:碳钢6. DN50钢管- 外径:60.3mm - 壁厚:3.6mm - 材质:碳钢7. DN65钢管- 外径:76.1mm - 壁厚:3.6mm - 材质:碳钢8. DN80钢管- 外径:88.9mm - 壁厚:4.0mm - 材质:碳钢9. DN100钢管- 外径:114.3mm - 壁厚:4.0mm- 材质:碳钢10. DN150钢管- 外径:168.3mm - 壁厚:4.0mm - 材质:碳钢11. DN200钢管- 外径:219.1mm - 壁厚:4.5mm - 材质:碳钢12. DN250钢管- 外径:273mm - 壁厚:5.0mm - 材质:碳钢13. DN300钢管- 壁厚:5.8mm - 材质:碳钢14. DN350钢管- 外径:355.6mm - 壁厚:6.4mm - 材质:碳钢15. DN400钢管- 外径:406.4mm - 壁厚:6.4mm - 材质:碳钢16. DN450钢管- 外径:457mm - 壁厚:6.4mm - 材质:碳钢17. DN500钢管- 外径:508mm- 材质:碳钢18. DN600钢管- 外径:610mm- 壁厚:6.4mm- 材质:碳钢以上是常用钢管的规格型号一览表,不同的规格适用于不同的工程需求。
在选择钢管时,请根据具体的使用环境、压力要求和材料要求来确定合适的规格型号。
如需更加详细的信息,请咨询钢管生产厂家或供应商,以确保选择到合适的钢管规格。
管径应以mm 为单位,管径的表达方式应符合下列规定: 1 水煤气输送钢管(镀锌或非镀锌)、铸铁管等管材,管径宜以公称直径DN 表示; 2 无缝钢管、焊接钢管(直缝或螺旋缝)、铜管、不锈钢管等管材,管径宜以D ×δ(外径×壁厚)表示;3 钢筋混凝土(或混凝土)管、陶土管、耐酸陶瓷管、缸瓦管等管材,管径宜以内径d 表示;4 塑料管材,管径宜按产品标准的方法表示:当设计均用公称直径DN 表示管径时,应有公称直径DN 与相应产品规格对照表。
建筑排水用硬聚氯乙烯管材规格用de (公称外径)×e (公称壁厚)表示(GB ) 给水用聚丙烯(PP )管材规格用de ×e 表示(公称外径×壁厚)钢管每米理论重量计算公式:W=*ρδ(D —δ)/1000 W ——钢管每米理论重量kg/m ; ρ——钢的密度kg/dm-3;、、 D ——钢管的公称外径mm; δ——钢管的公称壁厚mm ;低中压锅炉管10、20GB3087-1999低中压锅炉过热用管、沸水管、机车大小烟管∮10-530×2-40流体管20、Q345GB/T8163-1999流体输送∮8-630×结构管10、20、35、45、16Mn、Q345BGB/T8162-1999一般结构用∮6-610×1-70石油裂化管2012CrMo15CrMoGB9948-88石油炼精厂的炉管、热交换管、管道用无缝管∮×化肥设备用高压无缝管20、16Mn、Q345GB6479-2000化肥设备、管道∮25-426×6-40液压支柱管27SiMn GB/T17396-1998液压支架液压支柱∮70-377×4-40船用管410GB/T5312-1999制造船舶专用耐压管、锅炉及过热器用管∮14-426*管线管B级API石油、天然气工业输送气、水、油∮60-630×。
常用钢管尺寸规格一览表在建筑、机械制造、石油化工等众多领域,钢管是一种被广泛应用的材料。
了解常用钢管的尺寸规格对于正确选材、设计和施工至关重要。
下面就为大家详细介绍一下常用钢管的尺寸规格。
一、无缝钢管无缝钢管是一种没有焊缝的钢管,具有较高的强度和良好的密封性。
1、外径尺寸常见的无缝钢管外径尺寸范围较广,从 6mm 到 630mm 不等。
其中,小口径无缝钢管的外径通常在 6mm 至 32mm 之间,适用于精密仪器和仪表等领域;中等口径的无缝钢管外径一般在 38mm 至 159mm 之间,常用于机械制造和石油化工行业;大口径无缝钢管的外径则在 168mm至 630mm 左右,主要用于大型管道工程和压力容器制造。
2、壁厚规格无缝钢管的壁厚规格根据外径的不同而有所差异。
一般来说,小口径无缝钢管的壁厚在 1mm 至 4mm 之间;中等口径无缝钢管的壁厚在4mm 至 20mm 左右;大口径无缝钢管的壁厚则可达到 20mm 至 80mm甚至更厚。
二、焊接钢管焊接钢管是通过将钢带或钢板弯曲并焊接而成的钢管。
1、外径尺寸焊接钢管的外径尺寸也较为丰富,常见的有 8mm 至 1220mm 。
其中,外径在 8mm 至 42mm 的焊接钢管通常用于小型结构和装饰;外径在 48mm 至 219mm 的焊接钢管适用于一般性的管道输送;外径在273mm 至 1220mm 的焊接钢管则多用于大型管道工程。
2、壁厚规格焊接钢管的壁厚一般在 15mm 至 20mm 之间。
小外径的焊接钢管壁厚相对较薄,大外径的焊接钢管壁厚则较厚。
三、不锈钢钢管不锈钢钢管具有良好的耐腐蚀性,常用于化工、食品、医药等对卫生和耐腐蚀要求较高的行业。
1、外径尺寸不锈钢钢管的外径范围通常在 6mm 至 530mm 之间。
2、壁厚规格壁厚从 05mm 至 30mm 不等,具体的壁厚选择取决于使用场景和要求。
四、矩形钢管矩形钢管在结构工程中应用较多,具有良好的抗弯性能。
常用钢管规格及用途
备注:
管径应以mn为单位,管径的表达方式应符合下列规定:
1水煤气输送钢管(镀锌或非镀锌)、铸铁管等管材,管径宜以公称直径DN表示;
2无缝钢管、焊接钢管(直缝或螺旋缝)、铜管、不锈钢管等管材,管径宜以DXS (外径x
壁厚)表示;
3钢筋混凝土(或混凝土)管、陶土管、耐酸陶瓷管、缸瓦管等管材,管径宜以内径 d 表示;
4塑料管材,管径宜按产品标准的方法表示:当设计均用公称直径DN表示管径时,应有
公称直径DN与相应产品规格对照表
建筑排水用硬聚氯乙烯管材规格用de (公称外径)x e (公称壁厚)表示(GB )
给水用聚丙烯(PP管材规格用dexe表示(公称外径x壁厚)
公英制单位换算
钢管每米理论重量计算公式:
W=* pS( D—S) /1000
W——钢管每米理论重量kg/m;
P --- 钢的密度kg/dm-3;、、
D -- 钢管的公称外径mn、
S—钢管的公称壁厚mn; 用途。
镀锌板:50.5 =7.85kg/张(2m2 ) 50.6 =9.42kg/张(2m2 ) 5 0・75=1L78kg/张51.0=15.7kg/张(2m2 ) 51.2=18.84kg/张(2m2 )钢板重量计算公式:G=LxBxHx7.85 G :U,L :长,B :宽,代厚 计算时注意保证单位一致9 6----0.222呼 8----0.395910---0.617 912---0.888 9 14---1.219 16---1.58(p16—1.58商用空调各类场所应用经验常用型材的理论重量(Kg/m)扁钢:- 25x3……0.59 - 30x3……0.71 - 40x4 ---- 1.76 (2m2 )角钢:—25x3……1.24 Z30x3……1.373 “0x4……2.422 —50x5……3.77槽钢:6.3# ----- 6.338# ----- 8.05 10# --- 10.00 12# --- 12.02行业场所方案实例餐厅:空间不大,规模较小的餐厅可以使用低静压管道机组,以达到经济实惠的效果。
而高档次的餐厅可以使用嵌入式空调机组,以体现整体环境的高雅大方。
空间开阔和包房较多的餐厅应选择不同的空调,具体可参照娱乐场所的选择方案。
便利店:便利店的空间有限,使用低静压管道机组和嵌入式空调机组就能很好地满足此类场所的空调要求。
而且空调悬挂于空间顶部,不会占据任何营业空间。
娱乐场所:空间开阔的娱乐场所建议使用高静压风管机组,以达到送风均匀,快速制冷的效果。
而有较多包间的场所可以使用风冷热泵机组,以方便每个房间单独控制。
汽车展示厅:汽车展示厅通常可分为展示区域和办公区域,展示部分可以选用高静压管道机组,而办公部分可以使用风冷热泵机组,以分别满足两个区域不同的空调要求。
小型办公楼:建议使用风冷热泵机组以便于分层控制,或者分区域控制。
工厂:水冷柜机由于其价格性能比高,是工厂选用空调的最佳选择。
国标钢管规格表
国标钢管规格表(一)
一、规格:
1. 直径:4-426mm
2. 壁厚:0.6-12mm
3. 长度:6-12m
二、材质:Q195、Q215、Q235、Q345B、20#、16Mn、ST37、ST52等
三、生产工艺:冷拔、热轧、冷卷、锻造、挤压等
四、表面处理:热镀锌、电镀锌、黑色喷漆、防锈油、磷化等
五、适用范围:建筑、机械、石油化工、高铁、航空航天等领域
国标钢管规格表(二)
一、规格:
1. 直径:8-720mm
2. 壁厚:0.6-30mm
3. 长度:6-12m
二、材质:Q195、Q215、Q235、Q345B、20#、16Mn、ST37、ST52、X42-X80等
三、生产工艺:冷拔、热轧、冷卷、锻造、挤压、焊接等
四、表面处理:热镀锌、电镀锌、黑色喷漆、防锈油、磷化、喷砂等
五、适用范围:建筑、机械、石油化工、高铁、航空航天、城市燃气等领域
国标钢管规格表(三)
一、规格:
1. 直径:8-1422mm
2. 壁厚:0.6-120mm
3. 长度:6-18m
二、材质:Q195、Q215、Q235、Q345B、20#、16Mn、
ST37、ST52、X42-X80等
三、生产工艺:冷拔、热轧、冷卷、锻造、挤压、焊接、冷弯等
四、表面处理:热镀锌、电镀锌、黑色喷漆、防锈油、磷化、喷砂等
五、适用范围:建筑、机械、石油化工、高铁、航空航天、城市燃气、供热等领域。
钢管常用规格表 Company number:【WTUT-WT88Y-W8BBGB-BWYTT-19998】
常用钢管规格表
管径应以mm为单位,管径的表达方式应符合下列规定:
1 水煤气输送钢管(镀锌或非镀锌)、铸铁管等管材,管径宜以公称直径DN 表示;
2 无缝钢管、焊接钢管(直缝或螺旋缝)、铜管、不锈钢管等管材,管径宜以D×δ(外径×壁厚)表示;
3 钢筋混凝土(或混凝土)管、陶土管、耐酸陶瓷管、缸瓦管等管材,管径宜以内径d表示;
4 塑料管材,管径宜按产品标准的方法表示:当设计均用公称直径DN表示管径时,应有公称直径DN与相应产品规格对照表。
建筑排水用硬聚氯乙烯管材规格用de(公称外径)×e(公称壁厚)表示(GB )
给水用聚丙烯(PP)管材规格用de×e表示(公称外径×壁厚)
公英制单位换算
钢管每米理论重量计算公式:
W=*ρδ(D—δ)/1000
W——钢管每米理论重量kg/m;
ρ——钢的密度kg/dm-3;、、
D——钢管的公称外径mm;δ——钢管的公称壁厚mm;常用规格
用途。