混凝土原材料及配合比检验质量标准和检验方法
- 格式:doc
- 大小:181.00 KB
- 文档页数:30
混凝土质量检验标准要求一、引言混凝土是一种常见的建筑材料,广泛应用于各种建筑结构中。
为确保混凝土的质量,必须进行质量检验。
混凝土质量检验标准是一套用于评估混凝土质量的标准,它规定了混凝土的检验方法、检验项目和检验结果的判定标准。
本文将详细介绍混凝土质量检验标准的要求,包括混凝土的原材料、混凝土的配合比、混凝土的浇筑、混凝土的养护等方面的内容。
二、混凝土原材料的质量检验混凝土是由水泥、砂、石头、水和其他添加剂组成的。
这些原材料的质量对混凝土的质量有着决定性的影响。
因此,在混凝土生产过程中,必须对原材料进行质量检验。
1.水泥:水泥是混凝土的主要胶凝材料,其质量直接影响混凝土的强度和耐久性。
水泥的检验应包括外观、标称强度、初凝时间、终凝时间、比表面积、含水量等项目。
2.砂:砂是混凝土中的细集料,其质量影响混凝土的流动性和强度。
砂的检验应包括外观、颗粒形状、粒度分析、含泥量、含碳酸盐量等项目。
3.石子:石子是混凝土中的粗集料,其质量影响混凝土的强度和耐久性。
石子的检验应包括外观、颗粒形状、粒度分析、含泥量、含碳酸盐量等项目。
4.水:水是混凝土中的溶剂,其质量影响混凝土的流动性和强度。
水的检验应包括外观、PH值、含盐量、溶解氧含量等项目。
5.其他添加剂:其他添加剂包括减水剂、增稠剂、防冻剂、颜料等,其质量影响混凝土的性能。
其他添加剂的检验应包括外观、化学成分、使用效果等项目。
三、混凝土配合比的质量检验混凝土配合比是混凝土中各种原材料的配合比例和使用量的比例。
配合比的质量检验是确保混凝土质量的重要步骤。
1.混凝土配合比的制定:混凝土配合比的制定应根据混凝土的工作性能、强度等要求进行。
混凝土配合比的制定应符合国家和地方的相关标准。
2.混凝土配合比的检验:混凝土配合比的检验应包括原材料的使用量、混凝土的配合比例、混凝土的强度等项目。
检验结果应符合国家和地方的相关标准。
三、混凝土浇筑的质量检验混凝土浇筑是混凝土施工的重要环节,其质量直接影响混凝土的强度和耐久性。
混凝土制品质量检验技术规程一、前言本规程是为确保混凝土制品质量,规范混凝土制品检验,保障建筑工程安全而编制的技术规程。
二、适用范围本规程适用于生产和使用混凝土制品的企事业单位,包括但不限于混凝土块、混凝土管、混凝土板、混凝土砖等混凝土制品的生产和使用。
三、质量控制要求1.原材料的质量控制(1)水泥的质量要求:水泥的种类和标号应符合设计要求,生产日期应在6个月内,且未过期。
应对水泥进行试验,检测其初凝时间、终凝时间、强度等指标。
水泥应存放在干燥、通风、遮阳的库房内,避免潮湿和高温。
(2)骨料的质量要求:骨料应符合设计要求,经过筛选、清洗后方可使用。
应对骨料进行试验,检测其颗粒级配、含泥量、吸水率等指标。
骨料应存放在干燥、通风的库房内,避免受潮。
(3)混凝土外加剂的质量要求:应选择符合国家标准的外加剂,生产日期应在6个月内,且未过期。
应对外加剂进行试验,检测其掺量、混凝土强度、流动性等指标。
外加剂应存放在干燥、通风的库房内,避免受潮。
2.混凝土配合比的质量控制应根据设计要求,合理制定混凝土配合比,确保混凝土强度、流动性、耐久性等指标符合要求。
在制定配合比时,应考虑原材料的质量、环境条件、施工工艺等因素。
3.混凝土制品成型的质量控制(1)模具的质量要求:模具应符合设计要求,制作材料应有足够的强度和硬度,且表面应光滑平整。
在模具制作过程中,应注意尺寸精度和角度度数的控制,以保证混凝土制品的几何尺寸和表面质量。
(2)混凝土搅拌的质量要求:混凝土应在搅拌机中充分搅拌,确保混凝土的均匀性和流动性。
在搅拌过程中,应注意混凝土的水灰比和搅拌时间,以确保混凝土的强度和耐久性。
(3)混凝土制品成型的质量要求:混凝土应在模具中成型,成型时应注意混凝土的均匀性和密实度,以确保混凝土制品的强度和表面质量。
在成型过程中,应注意模具的震动和压实,以保证混凝土制品的致密性和尺寸精度。
4.混凝土制品养护的质量控制混凝土制品成型后应进行养护,以确保混凝土强度和耐久性。
混凝土原材料标准和检测方法介绍一、水泥▲标准:GB 175-2007《通用硅酸盐水泥》1、硅酸盐水泥熟料是指以主要含CaO、SiO2、Al2O3、Fe2O3的原料,按适当比例磨成细粉烧至部分熔融所得、以硅酸钙为主要矿物成分的水硬性胶凝物质。
其中硅酸钙矿物含量不小于66%(以质量计),氧化钙和氧化硅质量比不小于2.0。
2、普通硅酸盐水泥中熟料含量不低于80%且小于95%,也就是说,允许活性混合材料的掺加量大于5%且不超过20%,其中允许不超过8%的非活性混合材料或不超过5%的窑灰代替(窑灰符合JC/T742)。
3、只有P•Ⅱ硅酸盐水泥允许添加不超过5%的石灰石。
4、水泥中氯离子含量不大于0.06%。
5、普通硅酸盐水泥中没有32.5和32.5R。
6、水泥粉磨时允许加入不大于水泥质量0.5%的助磨剂。
助磨剂应符合 JC/T 667的规定。
7、硅酸盐水泥分6个强度等级,普通硅酸盐水泥分4个强度等级,其他水泥分6个强度等级。
P•O42.5、P•O42.5R水泥的3d抗压强度分别不低于17MPa、22 MPa,3d抗折强度分别不低于3.5MPa、4.0MPa。
8、普通硅酸盐水泥氧化镁含量不超过5.0%,三氧化硫不超过3.5%。
9、水泥中碱含量按Na2O+0.658K2O来折算,低碱水泥中的碱含量应不大于0.60%或由买卖双方协商确定。
10、普通硅酸盐水泥的初凝时间不小于45min,终凝不大于600min(硅酸盐水泥为390min)。
11、硅酸盐水泥和普通硅酸盐水泥的比表面积(细度)不小于300m2/kg。
(地铁工程要求小于350 m2/kg)12、当用户需要时,生产者应在水泥发出之日起7d内寄发除28d强度以外的各项检验结果(检验报告),32d内补报28d强度的检验结果(报告)。
13、水泥安定性仲裁检验应在取样之日起10d内完成。
14、依据GB 50204-2002《混凝土结构工程施工质量验收规范》规定,散装水泥按同一生产厂家、同一等级、同一品种、同一批号且连续进场的水泥,以不超过500t为一批;依据DB11/385-2006《预拌混凝土质量管理规程》规定,同厂家、同品种、同强度等级每1000t抽检不少于一次。
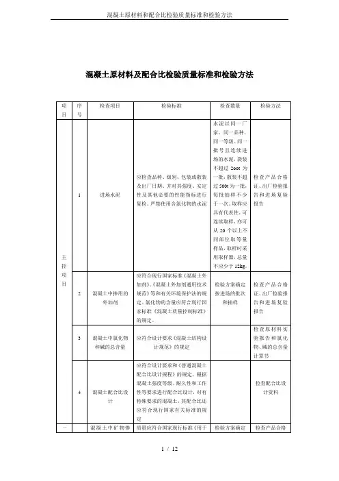
混凝土原材料及配合比检验质量标准和检验方法注:1、将所取样品充分混合后通过方孔筛,均分为试验样和封存样,封存样加封条,密封保管3个月。
2、安定性:体积安定性不良主要是指水泥硬化和产生不均匀的体积变化。
一般是由于熟料中所含的游离氧化钙、游离氧化镁、或掺入的石膏过多。
3、不合格品和废品:凡氧化镁、三氧化硫、初凝时间、安定性中任一项不符合标准规定时,均为废品;凡细度、终凝时间中的任一项不符合标准规定或混合材料掺加量超过最大限和强度低于商品强度等级的指标时为不合格品。
水泥包装标志中水泥品种、强度等级、生产者名称和出厂编号不全的也属于不合格品。
4、混凝土的取样:每100盘,且不超过100m3的同配合比的混凝土,取样次数不得少于一次;每一工作班拌制的同配合比的混凝土不足100盘时,其取样次数不得少于一次;一次浇筑1000m3以上同配合比的混凝土,每200m3取样次数不得少于一次;每层楼或每工作台班浇筑浇筑同配合比的混凝土时,其取样次数不得少于一次。
混凝土抽样在浇筑地点随机抽取。
混凝土施工工程质量检验标准及检验方法现浇混凝土结构外观质量和尺寸偏差检验标准及检测方法现浇结构外观质量缺陷注:用于检查结构构件混凝土强度的试件,应在混凝土的浇筑地点随机取样,取样与留置应符合下列规定:①每拌制100盘且不超过100m3的同配合比混凝土,取样不得少于一次。
②每工作班拌制的同一配合比混凝土不足100盘时,取样不得少于一次。
③每一次浇筑超过1000m3时,同一配合比的混凝土每200m3取样不得少于一次。
④每一楼层、同配合比的混凝土,取样不得少于一次。
⑤每次取样至少留置一组标准养护试件,同条件养护试件的留置组数应根据实际需要确定。
预应力原材料质量检验标准和检查方法预应力筋制作与安装工程质量检验标准和检测方法预应力张拉、放张、灌浆及封锚工程质量检验标准与检查方法。
混凝土检验报告一、检验目的。
本次检验旨在对混凝土的质量进行全面检测,确保混凝土达到设计要求的强度和耐久性,保障工程质量和安全。
二、检验依据。
本次检验依据国家相关标准和规范,包括《混凝土结构工程施工质量验收规范》(GB 50204-2015)、《混凝土强度检验标准》(GB/T 50081-2002)等。
三、检验内容。
1. 混凝土配合比和原材料检验。
2. 混凝土试块抗压强度检验。
3. 混凝土抗渗性能检验。
4. 混凝土抗冻融性能检验。
5. 混凝土收缩性能检验。
6. 混凝土外观质量检验。
四、检验方法。
1. 混凝土配合比和原材料检验,采用实验室化验分析方法,对混凝土原材料进行化学成分分析和配合比设计验证。
2. 混凝土试块抗压强度检验,按照标准要求,制作混凝土试块进行抗压强度检测。
3. 混凝土抗渗性能检验,采用水压渗透试验和阴干试验相结合的方法,对混凝土的抗渗性能进行检测。
4. 混凝土抗冻融性能检验,采用冻融循环试验,评定混凝土的抗冻融性能。
5. 混凝土收缩性能检验,通过试验方法,评定混凝土的收缩性能。
6. 混凝土外观质量检验,对混凝土表面质量进行目测和检测分析。
五、检验结果。
1. 混凝土配合比和原材料检验结果符合设计要求,原材料质量良好,配合比合理。
2. 混凝土试块抗压强度检验结果表明,混凝土强度达到设计要求。
3. 混凝土抗渗性能检验结果良好,混凝土密实性和抗渗性能良好。
4. 混凝土抗冻融性能检验结果良好,混凝土抗冻融性能满足设计要求。
5. 混凝土收缩性能检验结果表明,混凝土收缩性能满足设计要求。
6. 混凝土外观质量检验结果良好,表面平整、无明显裂缝和砂眼。
六、结论。
本次混凝土检验结果符合设计要求,混凝土质量良好,达到工程要求的强度和耐久性标准。
建议在施工过程中严格按照设计要求进行操作,确保混凝土质量稳定。
七、检验单位。
xxx检测中心。
八、检验人员。
xxx(检验员)。
九、备注。
本报告仅针对混凝土质量进行检验,不包括混凝土结构的安全性评估,如有需要请另行委托检测单位进行评估。
混凝土原材料及配合比检验质量标准和检验方法注:1、将所取样品充分混合后通过0.9mm方孔篩,均分为试验样和封存样,封存样加封条,密封保管3个月。
2、安定性:体积安定性不良主要是指水泥硬化和产生不均匀的体积变化。
一般是由于熟料中所含的游离氧化钙、游离氧化镁、或掺入的石膏过多。
3、不合格品和废品:凡氧化镁、三氧化硫、初凝时间、安定性中任一项不符合标准规定时,均为废品;凡细度、终凝时间中的任一项不符合标准规定或混合材料掺加量超过最大限和强度低于商品强度等级的指标时为不合格品。
水泥包装标志中水泥品种、强度等级、生产者名称和出厂编号不全的也属于不合格品。
4、混凝土的取样:每100盘,且不超过100m3的同配合比的混凝土,取样次数不得少于一次;每一工作班拌制的同配合比的混凝土不足100盘时,其取样次数不得少于一次;一次浇筑1000m3以上同配合比的混凝土,每200m3取样次数不得少于一次;每层楼或每工作台班浇筑浇筑同配合比的混凝土时,其取样次数不得少于一次。
混凝土抽样在浇筑地点随机抽取。
混凝土施工工程质量检验标准及检验方法现浇混凝土结构外观质量和尺寸偏差检验标准及检测方法现浇结构外观质量缺陷注:用于检查结构构件混凝土强度的试件,应在混凝土的浇筑地点随机取样,取样与留置应符合下列规定:①每拌制100盘且不超过100m3的同配合比混凝土,取样不得少于一次。
②每工作班拌制的同一配合比混凝土不足100盘时,取样不得少于一次。
③每一次浇筑超过1000m3时,同一配合比的混凝土每200m3取样不得少于一次。
④每一楼层、同配合比的混凝土,取样不得少于一次。
⑤每次取样至少留置一组标准养护试件,同条件养护试件的留置组数应根据实际需要确定。
预应力原材料质量检验标准和检查方法预应力筋制作与安装工程质量检验标准和检测方法注:压花锚是预应力固定端的新型锚具。
预应力张拉、放张、灌浆及封锚工程质量检验标准与检查方法。
混凝土施工中的质量控制规范要求与检验方法混凝土在建筑施工中扮演着重要角色,其质量控制是确保建筑结构安全性和持久性的关键。
为了达到高质量的混凝土施工,我们需要遵循一系列规范要求并采用适当的检验方法。
本文将探讨混凝土施工中的质量控制规范要求以及一些常用的检验方法。
一、材料选择与储存在混凝土施工前,需要对原材料进行选择和储存,以确保其质量符合规范要求。
具体要求如下:1. 水泥:选择符合国家标准的水泥,确保其品质稳定。
水泥应储存于干燥通风的仓库中,避免与湿度高的环境接触。
2. 砂子与骨料:选择骨料质量优良、无结块和杂物的砂子与骨料。
储存时应进行分类储存,避免混淆。
3. 水:选用洁净、无污染的水源,严禁使用含有有害物质的水。
二、配合比设计混凝土配合比的设计是混凝土质量控制的基础,其合理性将直接影响混凝土的性能。
以下是一些常用的配合比设计要求:1. 根据工程要求和使用环境,确定设计强度等级和抗渗等级。
配合比应合理配制,确保混凝土的强度和耐久性。
2. 根据所选用的材料特性和实验室试验结果,确定配合比中各材料的用量比例。
3. 配合比中应考虑到施工操作性能要求,如流动性、坍落度等。
三、施工工艺与控制混凝土施工的每一个环节都需要进行严格的控制,以确保混凝土质量符合规范要求。
以下是一些常用的施工工艺与控制要求:1. 浇筑前的准备工作:需要对模板、支撑、钢筋等进行检查和确认,确保施工前的准备工作完善。
2. 混合设备:混凝土搅拌设备应保持良好状态,并经过定期的维护与检修。
3. 浇筑工艺:在混凝土浇筑过程中,需控制浇筑的均匀性、连续性和稳定性。
同时,要确保混凝土与模板有良好的粘结性,并在浇筑后采取必要的养护措施。
四、混凝土质量检验方法混凝土的质量检验是评估混凝土性能和施工质量是否符合规范要求的重要手段。
以下是一些常用的混凝土质量检验方法:1. 骨料检验:包括骨料颗粒形状、粒径分布、含水率、吸水率等的检验。
2. 水泥检验:包括水泥标号、初凝时间、终凝时间、比表面积等的检验。
混凝土施工质量检验方法一、前言混凝土是现代建筑中常用的材料之一,其施工质量直接关系到建筑物的使用寿命和安全性。
因此,混凝土施工质量检验是建筑工程的重要环节之一。
本文将详细介绍混凝土施工质量检验的方法。
二、材料准备1. 混凝土试块模具和压力机:用于混凝土试块的制作和强度测试。
2. 混凝土搅拌机:用于混凝土的搅拌和调制。
3. 测量工具:如尺子、水平仪、直角尺等,用于测量混凝土工程的尺寸和平整度。
4. 钢筋、钢筋连接件等:用于混凝土工程中的钢筋加工和连接。
三、混凝土配合比检验混凝土的配合比决定了混凝土的强度、耐久性和施工性能。
因此,在施工前,需要对混凝土的配合比进行检验,以确保其符合设计要求。
具体方法如下:1. 取样:从混凝土搅拌站中随机取3个样品进行检验。
2. 材料检测:对混凝土中的水泥、砂子、骨料进行化学成分和物理性能的检测。
3. 混凝土试块制作:按照设计要求,将混凝土试块模具填充混凝土,用压力机进行压实。
4. 试块强度测试:在混凝土试块制作后的28天内,使用压力机测试试块的抗压强度,以确定混凝土的质量。
四、混凝土浇筑检验混凝土浇筑是混凝土施工的重要环节,其质量直接影响到混凝土工程的使用寿命和安全性。
因此,在混凝土浇筑前、中、后应进行不同的检验。
具体方法如下:1. 浇筑前检验:(1)检查混凝土模板的平整度和尺寸是否符合设计要求;(2)检查混凝土搅拌机的搅拌时间和搅拌强度是否符合要求;(3)检查混凝土的浇筑顺序、浇筑坡度和浇筑密度是否符合设计要求。
2. 浇筑中检验:(1)检查混凝土的坍落度和流动性是否符合设计要求;(2)测量混凝土的厚度、宽度和长度是否符合设计要求;(3)检查混凝土的震动是否充分,以排除混凝土内部的空隙。
3. 浇筑后检验:(1)检查混凝土表面的平整度和光洁度是否符合要求;(2)检查混凝土表面是否有裂缝、起泡、空洞等缺陷;(3)检查混凝土的强度是否符合设计要求。
五、混凝土钢筋检验混凝土工程中的钢筋加工和连接质量直接影响混凝土工程的安全性和使用寿命。
混凝土施工质量检查混凝土施工是建筑工程中的重要环节之一,对于工程质量和使用寿命具有重要影响。
为了确保工程施工的顺利进行,保证混凝土的质量符合标准要求,需要进行严格的质量检查。
本文将从混凝土配合比、原材料检查、施工过程监督等方面介绍混凝土施工质量的检查内容与方法。
一、混凝土配合比检查混凝土的配合比是指混凝土中各组成部分的比例关系。
合理的配合比能够保证混凝土的强度、抗裂性和耐久性等性能指标。
在混凝土施工前,需要对配合比进行检查,确保其满足设计要求。
1.检查配合比设计文件:根据设计文件中的要求,核对配合比的设计参数,包括水灰比、胶凝材料种类和用量、骨料种类和粒径等。
必要时,进行配合比设计的修改与调整。
2.检查原材料的质量:对胶凝材料、骨料和掺合料等原材料进行检查,包括材料的标准规定、质量检验合格证明、灰分、含泥量、石粉控制等指标的检测。
二、原材料检查原材料对混凝土的质量和性能有着重要的影响,因此需要进行原材料的检查和验收。
以下是混凝土原材料的检查要点:1.水泥:检查水泥的种类、品牌、包装和运输状况,确保符合工程设计要求,未过期和未结块。
2.骨料:检查骨料的种类、标号、粒径分布、含泥量等指标,并进行取样送实验室检测。
3.掺合料:检查掺合料的种类、用量和质量,并查验相应的检验报告。
4.水:检查水的来源、质量和用量,确保无污染或盐碱。
三、施工过程监督施工过程监督是混凝土施工质量检查的重要环节,主要包括对浇筑、振捣、养护等环节的监督与检查。
以下是施工过程中需进行监督的要点:1.浇筑前的准备工作:检查模板的布置是否符合要求,检查模板支撑设施的稳定性和安全性。
检查是否进行试块的制作,及试块标识的正确与否。
2.混凝土浇筑过程:检查混凝土的搅拌与运输设备的质量和运行状态,核对浇筑的时间、温度和湿度控制等要求。
监督混凝土的均匀浇筑和顺利排气。
3.混凝土振捣:检查振捣设备的类型和质量,确保振捣的频率、时间和强度符合要求。
混凝土质量评定标准及方法一、引言混凝土是建筑中重要的材料之一,其质量对建筑的安全性和经济性具有重要影响。
因此,制定科学合理的混凝土质量评定标准及方法十分必要。
本文将从以下四个方面介绍混凝土质量评定标准及方法:混凝土材料的性质及要求、混凝土强度的评定、混凝土耐久性的评定和混凝土工程质量检测。
二、混凝土材料的性质及要求1. 水泥:水泥应符合国家标准GB/T 175-2007《普通硅酸盐水泥》的要求。
2. 砂、石:砂、石应符合国家标准GB/T 14684-2011《混凝土用细集料》和GB/T 14685-2011《混凝土用粗集料》的要求。
3. 水:水应符合国家标准GB/T 50123-1999《混凝土用水质检验标准》的要求。
4. 混凝土配合比:混凝土配合比应按照设计要求进行配合,严禁私自改变配合比。
5. 混凝土拌合时间:混凝土拌合时间应按照国家标准GB/T 50107-2010《混凝土拌合时间和混凝土拌合强度检验方法》的要求进行。
三、混凝土强度的评定1. 混凝土强度等级:混凝土强度等级应按照国家标准GB/T 50081-2002《建筑结构用混凝土强度检验标准》的要求进行划分。
2. 试块制备:试块制备应按照国家标准GB/T 50080-2002《混凝土试块制备和养护》的要求进行。
3. 试块的养护:试块的养护应按照国家标准GB/T 50082-2009《混凝土强度试验方法》的要求进行。
4. 强度检验:强度检验应按照国家标准GB/T 50081-2002《建筑结构用混凝土强度检验标准》的要求进行。
四、混凝土耐久性的评定1. 抗渗性:抗渗性应按照国家标准GB 50119-2003《混凝土抗渗性能检验方法》的要求进行检测。
2. 抗冻性:抗冻性应按照国家标准GB/T 50082-2009《混凝土强度试验方法》中的抗冻性检验方法进行。
3. 耐久性检测:耐久性检测应按照国家标准GB/T 50367-2006《混凝土耐久性检验规程》的要求进行。
建筑水泥及混凝土制品的质量标准和检验方法建筑水泥及混凝土制品是建筑物中常用的材料之一,其质量直接关系到建筑物的安全和使用寿命。
因此,建筑水泥及混凝土制品的质量标准和检验方法非常重要。
本文将就建筑水泥及混凝土制品的质量标准和检验方法进行详细介绍。
建筑水泥是建筑水泥及混凝土制品中的重要组成部分,其质量标准主要包括以下几个方面:1. 化学成分:建筑水泥主要由硅酸盐、铝酸盐等化合物组成,其化学成分应符合国家标准的要求。
相关检验方法包括化学分析和物理性能测试。
2. 强度指标:建筑水泥的强度是衡量其质量的重要指标之一。
常见的强度指标包括抗压强度、抗折强度和抗拉强度等。
强度的检验方法主要有试块制备和强度测试。
3. 硫酸盐含量:建筑水泥的硫酸盐含量对于混凝土的耐久性有着重要影响。
硫酸盐含量的检测常用化学分析方法。
混凝土制品是建筑水泥及混凝土制品中的典型代表,其质量标准主要包括以下几个方面:1. 成分配合比:混凝土的成分配合比直接影响到其力学性能和使用寿命。
不同的工程要求对于混凝土的成分配合比有不同的要求,如强度等级、耐久性等级等。
成分配合比的检验方法包括材料试验和拌和试验等。
2. 强度等级:混凝土制品的强度等级是衡量其质量的重要指标之一。
强度等级的检验方法主要有试块制备和强度测试。
3. 硫酸盐含量:混凝土制品中的硫酸盐含量对于其耐久性有着重要影响。
硫酸盐含量的检测常用化学分析方法。
4. 外观质量:混凝土制品的外观质量包括表面平整度、表面缺陷等方面,其检验方法主要有目测法和检测仪器法。
建筑水泥及混凝土制品的质量检验方法主要包括以下几个方面:1. 抽样检验:根据国家标准规定的抽样方法,从生产线上或现场随机抽取建筑水泥及混凝土制品进行检验。
2. 物理性能测试:包括抗压强度、抗折强度、抗拉强度等力学性能测试,以及干燥收缩性、抗冻性、耐久性等非力学性能测试。
3. 化学分析:对建筑水泥及混凝土制品中的化学成分进行分析,包括元素含量分析和化合物含量分析等。
混凝土材料的质量检验流程引言混凝土作为一种重要的建筑材料,广泛应用于各类建筑工程中。
为了确保混凝土材料的质量和安全性,质量检验流程显得尤为重要。
本文将对混凝土材料的质量检验流程进行详细的论述,以期能够帮助读者更好地了解混凝土材料的质量检验过程。
一、原材料的准备混凝土材料主要由水泥、骨料和掺合料组成。
在进行混凝土材料的质量检验前,首先需要对原材料进行准备。
水泥的检验包括外观检验、细度检验和强度检验等,以保证水泥的质量符合相关标准。
骨料的检验主要包括颗粒形状检验、粒径分布检验和含泥量检验等,以确保骨料在混凝土中的稳定性。
掺合料的检验一般包括活性检验和粒径分布检验等,以保证掺合料对混凝土的性能起到良好的改善作用。
二、混凝土配合比的确定混凝土配合比是指混凝土中各种原材料的比例关系。
在进行混凝土材料的质量检验前,需要根据工程要求和性能需求确定合理的配合比。
配合比的确定一般涉及到水灰比、骨料用量和掺合料用量等方面。
其中,水灰比的确定是混凝土性能的关键之一,需要根据混凝土的强度、耐久性和可施工性等因素进行综合考虑。
三、混凝土的试制根据确定的配合比,进行混凝土的试制是混凝土材料质量检验的核心环节。
试制过程包括材料的搅拌、振实和养护等步骤。
搅拌过程需要注意搅拌时间、搅拌速度和搅拌均匀度等因素,以确保混凝土材料的均一性和稳定性。
振实过程是指将混凝土倒入模具,并使用振动器将其中的气泡和空隙排除,以确保混凝土的密实性。
养护过程则是指对试制的混凝土进行湿养护或蒸汽养护,以促进混凝土的早期硬化和强度发展。
四、混凝土的性能检验混凝土的性能检验主要包括强度检验和耐久性检验等。
强度检验是指通过对试制的混凝土进行压缩强度测试、抗折强度测试或抗拉强度测试等,以评估混凝土的力学性能。
耐久性检验则是指通过对混凝土的抗渗性、耐久性和耐久性等性能进行测试,以确保混凝土在使用过程中的性能稳定性。
五、混凝土的质量验收混凝土材料的质量验收是指在混凝土的试制和性能检验后,对混凝土材料的质量进行总结和验收。
混凝土质量检验标准要求一、前言混凝土是现代建筑中常用的一种建筑材料,其质量的好坏直接影响到建筑物的安全性和使用寿命。
因此,为了保证建筑物的质量和安全性,混凝土的质量检验显得尤为重要。
本文将从混凝土的材料、配合比、施工工艺等方面详细阐述混凝土的质量检验标准要求。
二、材料检验1.水泥(1)外观检验:水泥应为细粉末状,无结块、附着物和外观不良现象。
(2)初凝时间:初凝时间不得小于45min。
(3)抗压强度:水泥28d抗压强度应不小于42.5MPa。
2.砂(1)颗粒分析:应符合规定的颗粒分布范围。
(2)含泥量:不得超过3%。
(3)含水率:应控制在5%以下。
3.骨料(1)颗粒分析:应符合规定的颗粒分布范围。
(2)含泥量:不得超过1%。
(3)含水率:应控制在2%以下。
4.水(1)清洁度:应为清洁无杂质的自来水或深层地下水。
(2)pH值:应控制在6-9之间。
(3)含泥量:不得超过0.1%。
三、配合比检验1.水灰比水灰比应控制在0.4-0.6之间。
2.砂率砂率应控制在40%-50%之间。
3.石灰石粉掺量石灰石粉掺量应控制在10%-15%之间。
四、施工工艺检验1.混凝土浇注前应检查模板是否符合设计要求,模板表面应平整、清洁。
2.混凝土浇注前应进行试块制作,试块数量不少于3块,按照规定时间进行抗压强度检验。
3.混凝土浇注时应控制好浇注速度和振捣频率,确保混凝土的均匀性和密实度。
4.混凝土浇注后应及时进行养护,养护时间不得少于7天。
五、检验方法1.混凝土强度检验(1)试块制作:按照规定的配合比制作试块,试块数量不得少于3块。
(2)试块养护:试块养护时间不得少于7天。
(3)试块检验:按照规定的检验标准进行试块抗压强度检验,取平均值作为混凝土的抗压强度。
2.混凝土含水率检验(1)试样制备:从混凝土中取一定量的试样,进行干燥处理,称重得到试样的干重。
(2)试样称重:将试样放入烘箱中,烘干至恒重,称重得到试样的干重。
(3)计算含水率:含水率=(试样湿重-试样干重)/试样干重×100%。
混凝土浇筑前的检验方法一、前言混凝土浇筑是建筑工程中不可或缺的一环,而混凝土的质量直接影响到建筑物的稳定性和耐久性。
因此,在进行混凝土浇筑前,必须进行严格的检验,以保证混凝土的质量。
本文将介绍混凝土浇筑前的检验方法,希望能对读者有所帮助。
二、检验方法1、原材料检验混凝土的原材料包括水泥、砂、石子等,在进行混凝土浇筑前,必须对这些原材料进行检验。
具体方法如下:(1)水泥检验①外观检验:应为灰白色,无结块、凝固、霉变等现象。
②标志检验:应符合国家标准,标志应清晰、完整。
③质量检验:应检验水泥的初凝时间、终凝时间、强度等指标,以保证水泥的质量。
(2)砂石检验①外观检验:应为均匀、无结块、无泥块、无破碎等现象。
②质量检验:应检验砂石的粒度分布、硬度等指标,以保证砂石的质量。
2、混凝土配合比检验混凝土的配合比直接影响混凝土的强度和耐久性。
因此,在进行混凝土浇筑前,必须对混凝土的配合比进行检验。
具体方法如下:(1)水灰比检验水灰比是混凝土中水和水泥的比值,直接影响混凝土的强度和耐久性。
因此,应对水灰比进行严格检验。
(2)砂率检验砂率是混凝土中砂和石子的比值,直接影响混凝土的强度和耐久性。
因此,应对砂率进行严格检验。
(3)骨料检验骨料是混凝土中石子的重要组成部分,直接影响混凝土的强度和耐久性。
因此,应对骨料进行严格检验。
3、混凝土试块制作和强度检验混凝土的强度是衡量混凝土质量的重要指标之一。
因此,在进行混凝土浇筑前,应制作试块并进行强度检验。
具体方法如下:(1)试块制作试块应按照设计要求制作,应选取混凝土浇筑中的典型部位进行制作。
(2)试块养护试块在制作后应进行养护,以保证试块的强度。
(3)强度检验试块养护期结束后,应进行强度检验,以保证混凝土的强度达到设计要求。
4、混凝土浇筑前的现场检验混凝土浇筑前的现场检验是保证混凝土质量的重要环节。
现场检验应包括以下内容:(1)模板检验模板应符合设计要求,无变形、开裂、变形等现象。
混凝土质量检验方法和标准的全面介绍混凝土质量检验方法和标准的全面介绍引言:混凝土是建筑工程中常见的材料之一,其质量直接影响到工程的安全性和持久性。
为了确保混凝土的质量,需要进行有效的质量检验。
本文将全面介绍混凝土质量检验的方法和标准,包括常见的试验方法、检验标准,以及对混凝土质量控制的重要性和实施过程。
一、混凝土质量检验方法1. 配合比设计配合比是指混凝土中各成分的比例关系,它直接影响到混凝土的强度和耐久性。
配合比设计的目标是根据工程要求和材料性能确定合理的成分比例,以保证混凝土的质量。
常见的配合比设计方法包括细集料模量法、干湿质量比法和相对密度法等。
2. 原材料检验混凝土的原材料包括水泥、骨料、粉煤灰等。
通过对原材料的检验,可以判断其符合国家标准和工程要求,以确保混凝土的质量。
原材料检验的内容包括外观检查、化学成分分析、物理性能测试等。
3. 砂浆试块检验砂浆试块是用于评估混凝土的初凝性能和强度发展趋势的一种试验方法。
砂浆试块的制备和试验过程应符合国家标准,包括试块制备、试块养护和试块强度测试等。
4. 活性氧化铝试验活性氧化铝试验用于评估混凝土中氧化铝含量的变化情况,以判断其抗硫酸盐侵蚀性能。
该试验方法主要包括试样制备、试样浸泡和试样质量变化的测量等步骤。
5. 强度试验混凝土的强度是衡量其质量的重要指标之一。
常见的混凝土强度试验方法包括压力试验、抗折试验和抗拉试验等。
这些试验方法旨在评估混凝土的抗压强度、抗折强度和抗拉强度等性能。
二、混凝土质量检验标准1. GB/T 50081-2002《混凝土抗压强度试验方法标准》该标准规定了混凝土抗压强度试验的方法和技术要求。
它包括试件制备、试件养护、试件加载和强度计算等步骤。
该标准适用于评估混凝土的抗压强度。
2. GB/T 50107-2010《混凝土结构工程施工质量验收标准》该标准规定了混凝土结构工程施工质量验收的技术要求和检验方法。
它包括混凝土抗压强度、抗折强度、抗渗性能等方面的验收标准。
(一)混凝土原材料的检测要求混凝土原材料通常包含了水泥、砂石、粉煤灰、外加剂等,由于原材料来源广泛,原材料的质量直接影响混凝土质量。
对混凝土配合比原材料所进行的检测工作,主要是水泥、粉煤灰、砂、碎石以及外加剂的性能。
(1)水泥质量检测项目包括凝结时间、安定性、胶砂强度等;(2)砂子质量检测项目包括颗粒级配、细度模数、含泥量等;(3)碎石的检测项目包括颗粒级配、针片状颗粒含量、含泥量、压碎值指标;(4)粉煤灰质量检测包括细度、需水量比、活性等指标,矿粉主要检测流动度比、比表面积、活性等指标;(5)外加剂质量检测包括掺外加剂混凝土性能和外加剂匀质性。
混凝土性能方面的检测主要是减水率、凝结时间差和抗压强度比;外加剂匀质性的检测主要是外加剂对水泥的适应性。
(二)混凝土原材料质量控制在对混凝土配合比原材料进行质量控制时,需掌握以下几个要点:(1)水泥的质量控制在水泥采购时还需对供应商的资质进行严格审查,保障水泥的质量。
水泥品种与强度等级的选用应根据设计、施工要求以及工程所处环境确定。
水泥应按不同厂家、不同品种和强度等级分批存储,并采用防潮措施;水泥厂应在水泥发出之日起7d内,寄出除28d强度以外的各项检验结果,32d内补报28d强度的检验结果。
水泥出厂超过3个月应进行复检,合格后方可使用。
(2)砂的质量控制当对混凝土中砂进行选取时,天然砂应选择中砂。
天然砂中含泥量会对混凝土质量产生不利影响,天然砂中含泥量应为:当≥C60混凝土,砂的含泥量应<2.0%,当混凝土强度为C55~C30时,砂的含泥量应<3.0%,而当低于C30的混凝土,砂的含泥量应<5.0%;(3)碎石的质量控制碎石的粒形和级配对混凝土的和易性影响较大。
当对混凝土中碎石进行选取时,初次使用某个石场的碎石应测定其压碎值,压碎值大的石子不能用于生产高标号混凝土。
针片状多、级配不好的碎石空隙率大,导致混凝土可泵性差,需要较多砂和水泥填充,经济性差,应避免使用。
混凝土原材料及配合比检验批质量验收记录一、项目概况项目名称:建筑工程建设单位:建设公司承建单位:建筑工程有限公司检验单位:质量检验中心检验日期:XXXX年XX月XX日二、检验目的为确保混凝土原材料及配合比的质量符合相关标准和要求,进行原材料及配合比的检验和验收。
三、检验内容本次质量验收主要包括以下内容:1.混凝土原材料的检验,包括水泥、骨料、石灰石、黏聚土、膨胀剂等;2.配合比的检验,包括水灰比、砂率、石率、掺合料掺量等;3.检验混凝土原材料和配合比是否符合相关标准和要求。
四、检验方法1.混凝土原材料的检验方法:(3)石灰石的检验:按照GB/T5121《石灰石化学分析方法》进行检验。
(5)膨胀剂的检验:按照GB/T8077《膨胀剂检验方法》进行检验。
2.配合比的检验方法:(3)掺合料掺量的检验:根据设计要求和标准用量进行检验。
五、检验结果1.混凝土原材料的检验结果:(1)水泥:合格,符合相关标准和要求。
(2)骨料:合格,符合相关标准和要求。
(3)石灰石:合格,符合相关标准和要求。
(4)黏聚土:合格,符合相关标准和要求。
(5)膨胀剂:合格,符合相关标准和要求。
2.配合比的检验结果:(1)水灰比:合格,符合设计要求。
(2)砂率和石率:合格,符合设计要求。
(3)掺合料掺量:合格,符合设计要求。
六、质量验收结论本次混凝土原材料及配合比的质量验收结果符合相关标准和要求,可以继续进行后续施工工作。
七、存在问题和建议1.检验中未发现混凝土原材料及配合比存在明显问题,建议继续保持现有的质量控制措施,严格按照设计要求和标准进行施工。
2.建议施工单位加强对混凝土原材料及配合比的质量管控,确保原材料和配合比的稳定性和一致性。
八、检验人员签字检验人员1:检验人员2:备注:本次检验报告仅针对混凝土原材料及配合比的质量进行了检验和验收,其他混凝土工程质量方面的检验和验收需在后续进行。
混凝土原材料及配合比检验质量标准和检验方法
注:1、将所取样品充分混合后通过0.9mm方孔篩,均分为试验样和封存样,封存样加封条,密封保管3个月。
2、安定性:体积安定性
不良主要是指水泥硬化和产生不均匀的体积变化。
一般是由于熟料中所含的游离氧化钙、游离氧化镁、或掺入的石膏过多。
3、不合格品和废品:凡氧化镁、三氧化硫、初凝时间、安定性中任一项不符合标准规定时,均为废品;凡细度、终凝时间中的任一项不符合标准规定或混合材料掺加量超过最大限和强度低于商品强度等级的指标时为不合格品。
水泥包装标志中水泥品种、强度等级、生产者名称和出厂编号不全的也属于不合格品。
4、混凝土的取样:每100盘,且不超过100m3的同配合比的混凝土,取样次数不得少于一次;每一工作班拌制的同配合比的混凝土不足100盘时,其取样次数不得少于一次;一次浇筑1000m3以上同配合比的混凝土,每200m3取样次数不得少于一次;每层楼或每工作台班浇筑浇筑同配合比的混凝土时,其取样次数不得少于一次。
混凝土抽样在浇筑地点随机抽取。
混凝土施工工程质量检验标准及检验方法
现浇混凝土结构外观质量和尺寸偏差检验标准及检测方法
现浇结构外观质量缺陷
注:用于检查结构构件混凝土强度的试件,应在混凝土的浇筑地点随机取样,取样与留置应符合下列规定:①每拌制100盘且不超过100m3的同配合比混凝土,取样不得少于一次。
②每工作班拌制的同一配合比混凝土不足100盘时,取样不得少于一次。
③每一次浇筑超过1000m3时,同一配合比的混凝土每200m3取样不得少于一次。
④每一楼层、同配合比的混凝土,取样不得少于一次。
⑤每次取样至少留置一组标准养护试件,同条件养护试件的留置组数应根据实际需要确定。
预应力原材料质量检验标准和检查方法
预应力筋制作与安装工程质量检验标准和检测方法
注:压花锚是预应力固定端的新型锚具。
预应力张拉、放张、灌浆及封锚工程质量检验标准与检查方法。