(完整word版)三相异步电动机顺序控制线路实验五
- 格式:doc
- 大小:635.51 KB
- 文档页数:4
实验报告三相异步电动机连续控制
本实验是通过对三相异步电动机进行连续控制,来探究其运行特性和控制方法。
实验
过程中,我们使用了三相交流电源、三相异步电动机、控制电路等设备,通过控制电路来
调整电机的转速、运行方向以及运行状态等。
首先,我们对电机进行了正逆转的测试。
在控制电路中设置了正反转开关,通过控制
开关的状态来控制电机的正反转。
实验结果表明,电机能够较为稳定地在正反转状态下运行。
接着,我们进行了电机的转速控制实验。
在控制电路中设置了一个可变电位器,通过
调整电位器的电阻值来改变电机的转速。
实验结果表明,电机的转速显著受到电位器电阻
值的影响,电阻值越大,电机转速越慢,反之亦然。
最后,我们进行了电机的运行状态控制实验。
在控制电路中设置了一个自动控制开关,通过改变自动控制开关的状态来改变电机的运行状态。
实验结果表明,电机的运行状态可
以通过控制电路的设置来实现自动控制,例如实现电机的自动启停等。
总之,通过对三相异步电动机进行连续控制实验,我们深入了解了电机的运行特性和
控制方法,以及控制电路的配置方法和参数调整技巧。
这对于我们今后的工程实践和应用
研究都有着重要的意义。
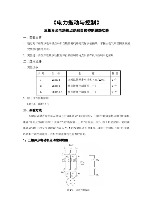
《电力拖动与控制》三相异步电动机点动和自锁控制线路实验一、实验目的1、通过对三相异步电动机点动和自锁控制线路的实际安装接线,掌握由电气原理图变换成安装接线图的知识。
2、实验进一步加深理解点动控制和自锁控制的特点以及在机床控制中的应用。
二、选用组件1、实验设备序号型号名称数量1 LGDJ35 三相鼠笼异步电动机(△/220V) 1 件2 LGDJ13 继点接触控制挂箱(一) 1 件3 LGDJ13-1 继点接触控制挂箱(一) 1 件2、屏上挂件排列顺序LGDJ13、LGDJ13-1三、实验方法实验前要检查控制屏左侧端上的调压器旋钮须在零位,下面的“直流电机电源”的“电枢电源”开关及“励磁电源”开关须在“关”断位置。
开启“电源总开关”,按下启动按纽,旋转调压器旋钮将三相交流电源输出端U、V、W的线电压调到220伏,再按下控制屏上的“关”按钮以切断三相交流电源。
以后在实验接线之前都应如此。
1、三相异步电动机点动控制线路图1-1 点动控制线路按图1-1接线。
图中SB1、KM1选用LGDJ13上元器件,Q1、FU1、FU2、FU3、FU4选用LGDJ13上元器件,电机选用GDJ35(△/220V)。
接线时,先接主电路,它是从220V三相交流电源的输出端U、V、W开始,经三刀开关Q1,熔断器FU1、FU2、FU3,接触器KM1主触点到电动机M的接线端A、B、C的电路,用导线按顺序串联起来,有三路。
主电路检查无误后,再接控制电路,从熔断器FU4插孔V开始,经按钮SB1常开接触器KM1到插孔W。
线接好经指导老师检查无误后,按下列步骤进行实验:(1)按下控制屏上“开”按钮。
(2)先合Q1,接通三相交流220V电源。
(3)按下启动按钮SB1,对电动机M进行操作,比较按下SB1和松开SB1时电动机M的运转情况。
2、三相异步电动机自锁控制线路图1-2 自锁控制线路按下控制屏上的“关”按钮以切断三相交流电源。
按图1-2接线。
西南科技大学学生实验报告实验课程名称机电控制技术基础开课实验室学院制造专业机械班级1303 学生姓名明可富学号20132029开课时间2015 至2016 学年第二学期制造科学与工程学院制机电控制技术试验报告实验一三相异步电动机自锁控制实验一.实验目的1.通过对三相异步电动机自锁控制线路的模拟安装接线,掌握由电气原理图转换成实际操作电路的知识。
2.通过实验进一步加深理解自锁控制的特点。
二.实验器件三相交流异步电机1台;负荷开关1个;熔断器:主回路3个,控制回路1个;接触器1个;热继电器1个;按钮2个。
三.实验步骤与内容①在实验前先熟悉电路图。
②根据实验要求,按图用鼠标接线。
③合上负荷开关,按下启、停按钮观察电机运行和各个电器元件的动作。
四.电气控制原理图五.实际接线六.实验总结采用接触器自锁控制线路,由于接触器自锁触头和主触头在电源断电时已经断开,使控制电路和主电路都不能接通。
所以在电源恢复供电时,电动机就不能自行启动运转,保证了人身和设备的安全。
实验二三相异步电动机两地实验一.实验目的1.通过模拟接线,掌握由电气原理图转换成实际操作电路的知识。
2.通过实验进一步加深理解两地控制的特点。
二.实验器件三相交流异步电机1台;负荷开关1个;熔断器:主回路3个,控制回路1个;接触器1个;热继电器1个;常开常闭按钮各2个。
三.实验步骤与内容①在实验前先熟悉电路图。
②根据实验要求,按图用鼠标接线。
③合上负荷开关,按下启、停按钮观察电机运行和各个电器元件的动作。
四.电气控制原理图五.实际接线六.实验总结在比较大的机床设备中,可以通过将分散在各个操作站上的启动按钮引线并联,停止按钮的引线串联,使人能够在多个地点进行控制,保证操作安全。
实验三三相异步电动机Y-Δ降压启动控制实验一.实验目的1.通过模拟接线,掌握由电气原理图转换成实际操作电路的知识。
2.进一步熟悉三相异步电动机Y-Δ降压启动的控制原理、特点及功能实现。
三相异步电动机正反转控制电路实验报告示例文章篇一:《三相异步电动机正反转控制电路实验报告》嗨,大家好!今天我要和大家分享一下我们做的三相异步电动机正反转控制电路实验,这可太有趣啦!一、实验目的我们为啥要做这个实验呢?那就是要搞清楚三相异步电动机正反转是怎么控制的呀。
就像我们想要知道一辆汽车怎么向前开又怎么向后倒一样,电动机的正反转在好多地方都特别重要呢。
比如说,工厂里的一些机器,有时候需要正转来加工东西,有时候又得反转来调整或者做其他操作。
要是不搞明白这个控制电路,就像你想让玩具车跑起来,却不知道怎么控制方向一样,那可不行!二、实验器材做这个实验,我们得有好多东西才行。
首先就是三相异步电动机啦,这可是主角呢!它就像一个大力士,只要电路一通,就能呼呼地转起来。
然后还有接触器,这东西可神奇啦,就像是电动机的指挥官。
还有按钮,这就是我们给电动机下命令的小工具,按一下,就像跟电动机说“嘿,你该正转啦”或者“你快反转吧”。
还有熔断器呢,这就像是电动机的小保镖,如果电流太大,它就会“挺身而出”,把电路切断,保护电动机不被烧坏。
这就好比你出门的时候,有个保镖在你身边,要是有危险,保镖就会保护你一样。
三、实验步骤1. 连接电路刚开始连接电路的时候,我可紧张啦。
我和我的小伙伴们小心翼翼的,就像在给一个超级精密的机器人组装零件一样。
我们先把电动机的三根线按照电路图接好,这时候我就在想,要是接错了会不会电动机就“发脾气”不转了呢?然后再把接触器也接上去,那些线就像小辫子一样,得一根一根地梳理好,接到正确的地方。
我们一边接,一边互相提醒,“这个线是不是应该接这儿呀?”“你看,这个接头是不是没拧紧呀?”就像一群小蚂蚁在齐心协力地建造自己的小窝一样。
2. 检查电路接好电路后,可不能马上就通电呀,就像你出门前要检查一下自己的东西有没有带齐一样。
我们得仔仔细细地检查电路,看看有没有线接错了,有没有接头没接好。
这时候我的心跳得可快啦,就怕有什么问题。
桂林电子科技大学
实验报告
2015 -2016 学年第二学期
开课单位海洋信息工程学院
适用年级、专业14级机械设计制造及其自动化
课程名称《机电传动与控制实验》
主讲教师周旋
课程序号1520624
课程代码BS1601054X0
实验名称《三相异步电动机顺序控制线路实验》学号1416010516
姓名林亦鹏
三相异步电动机的顺序控制线路实验报告
SB3选用刀开关与按钮模块上的三个按钮,KM1、KM2
只接触器,FR1、FR2选用能耗制动与热继电器模块上的2只热继电器,装置电源箱内置。
电机M1选用ZQ20异步电动机接成△型。
双速异步电动机(△/220V)。
按下电源控制单元上的启动按钮将相电压调到,接通三相交流220V电源。
SB3选用刀开关与按钮模块上的三个按钮,KM1、KM2
只接触器,FR1、FR2选用能耗制动与热继电器模块上的2只热继电器,装置电源箱内置。
电机M1选用ZQ20异步电动机接成△型。
双速异步电动机(△/220V)。
按下电源控制单元上的启动按钮将相电压调到,接通三相交流220V电源。
,观察并记录电动机运行情况及接触器运行状态。
,观察并记录电动机运转及各接触器运行状态。
三相异步电动机的正反转控制实验报告2页2页实验报告实验目的:了解三相异步电动机的正反转控制原理,掌握正反转控制电路的设计方法和程序控制方法。
实验器材:三相异步电动机、交流电源、直流电源、电容、功率电阻、三相电机接线板、万用表、逻辑电路板、光耦隔离器、继电器等。
实验原理:三相异步电动机的正反转控制原理是利用三相电机的相序控制实现正反转。
相序反转时电机的运转方向也会反转。
相序控制可以通过电容、功率电阻、交换相线和三相全波可控硅等方式实现。
实验内容和步骤:1. 实验设备连接。
将三相电机连接在三相电机接线板上,将功率电阻和电容连接在交流电源的输出端。
将逻辑电路板和光耦隔离器连接在直流电源上。
2. 正转控制电路设计。
将逻辑电路板和光耦隔离器连接在一起,按照电路图连接电源和继电器线圈。
连接光电耦合器输入端和逻辑电路输出端。
3. 反转控制电路设计。
将逻辑电路板和光耦隔离器连接在一起,按照电路图连接电源和继电器线圈。
连接光电耦合器输入端和逻辑电路输出端。
4. 程序控制电路设计。
使用逻辑电路板和光耦隔离器进行控制,将正转和反转控制电路分别连接在输出端口上。
使用开关控制正转和反转。
5. 实验操作和结果。
根据线路连接图进行电路连接,正确接线后,按下控制开关进行正、反转控制,电机能够正常启动和停止,并且能够正、反转。
实验结论:通过本次实验,我们了解了三相异步电机的正反转控制原理和方法,掌握了正反转控制电路的设计方法和程序控制方法。
我们成功地实现了三相异步电机的正反转操作,并且能够通过控制开关进行控制。
实验中还需注意安全问题,例如使用交流电源时,要注意接线的正确性和电路的绝缘性能,避免发生电击事故。
异步电动机的顺序控制实验报告实验名称:异步电动机的顺序控制实验实验目的:1.了解异步电动机的构造和工作原理;2.学习异步电动机的顺序控制原理和方法;3.掌握异步电动机的顺序控制实验操作和数据分析方法。
实验设备:1.三相异步电动机;2.PLC控制器;3.电源;4.电压表、电流表;5.开关按钮;6.三相电动机软启动器。
实验原理:实验步骤:1.将三相异步电动机、PLC控制器、电源和电压表、电流表等设备按实验连线图连接好;2.启动电源,设置合适的电压和频率;3.使用PLC控制器控制电动机的接线方式,实现电动机的正反转;4.通过开关按钮控制电动机的启动和停止;5.使用三相电动机软启动器,实现电动机的平稳启动和制动。
实验结果与数据分析:根据实验操作,经过多次实验,可以得到如下实验结果和数据:1.通过PLC控制电动机的接线方式,实现了电动机的正反转,验证了顺序控制原理的可行性。
2.通过开关按钮,成功控制了电动机的启动和停止,实现了手动控制电动机的运行状态。
3.使用三相电动机软启动器,实现了电动机的平稳启动和制动,保护了电动机和电网的安全稳定运行。
通过实验数据的分析,比较了不同控制方式下电动机的功耗、效率等参数。
通过逐步优化控制方式和参数,可以提高电动机的工作效率和节能性。
实验结论:通过本次实验,深入了解了异步电动机的构造和工作原理,学习了异步电动机的顺序控制原理和方法。
实际操作中,通过PLC控制器和开关按钮,成功实现了电动机的正反转和启动停止控制。
通过三相电动机软启动器,实现了电动机的平稳启动和制动。
通过实验数据的分析,得出了优化控制方式和参数的结论。
实验结果验证了异步电动机顺序控制的可行性,并为电动机的实际应用提供了参考依据。
实验中遇到的问题和改进建议:1.在实验过程中,可能会出现电动机接线不准确导致无法启动的情况。
应在实验前进行仔细检查,确保接线准确。
2.在进行电动机正反转切换时,可能会出现电流突降导致电动机停转。
三相异步电动机的正反转控制实验报告实验报告:三相异步电动机的正反转控制
一、实验目的
1.学习三相异步电动机的正反转控制原理;
2.了解三相异步电动机的工作特性及控制要点;
3.掌握三相异步电动机正反转控制的实验方法和步骤。
二、实验原理
实验设备包括三相异步电动机、三相变压器、电动机控制面板和电源等。
三、实验步骤
1.将三相异步电动机连接到电源上,调整电压为额定电压;
2.将三相变压器连接到电源上,并调整相序开关为正序;
3.打开电源,观察电动机的运行方向,确认为正转;
4.关闭电源,并将相序开关调整为反序;
5.再次打开电源,观察电动机的运行方向,确认为反转;
6.关闭电源,将相序开关调整为正序;
7.打开电源,观察电动机的运行方向,确认为正转。
四、实验结果与分析
在实验过程中,我们通过改变电源的相序来控制三相异步电动机的正反转。
当相序为正序时,电动机按照正向旋转;当相序为反序时,电动机按照反向旋转。
五、实验总结
通过本次实验,我们学习了三相异步电动机的正反转控制原理,并掌握了改变电源相序来实现电动机正反转的实验方法。
三相异步电动机的正反转控制在现实生活中具有广泛应用,包括机械传动、工业生产等领域。
掌握了正反转控制的方法,可以实现对电动机运行方向的灵活控制,提高机械系统的工作效率和生产效益。
1.《电机与拖动》,潘晓军著,清华大学出版社;
2.《电气传动与控制技术》,方仕贤主编,机械工业出版社。
实验一三相异步电动机的正反转控制线路
一、实验目的
1.掌握三相异步电动机正反转的原理和方法。
2.掌握手动控制正反转控制、接触器联锁正反转、按钮联锁正反转控制线路的不同接法。
二、实验设备
三相鼠笼异步电动机、继电接触控制挂箱等
三、实验方法
1.接触器联锁正反转控制线路
(1) 按下“关”按钮切断交流电源, 按下图接线。
经指导老师检查无误后, 按下“开”按钮通电操作。
(2) 合上电源开关Q1, 接通220V三相交流电源。
(3) 按下SB1, 观察并记录电动机M的转向、接触器自锁和联锁触点的吸断情况。
(4) 按下SB3, 观察并记录M运转状态、接触器各触点的吸断情况。
(5) 再按下SB2, 观察并记录M的转向、接触器自锁和联锁触点的吸断情况。
220V
图1 接触器联锁正反转控制线路
3.按钮联锁正反转控制线路
(1)按下“关”按钮切断交流电源。
按图2接线。
经检查无误后, 按下“开”按钮通电操作。
(2) 合上电源开关Q1, 接通220V 三相交流电源。
(3) 按下SB1, 观察并记录电动机M 的转向、各触点的吸断情况。
(4) 按下SB3, 观察并记录电动机M 的转向、各触点的吸断情况。
(5) 按下SB2, 观察并记录电动机M 的转向、各触点的吸断情况。
四、分析题
1.接触器和按钮的联锁触点在继电接触控制中起到什么作用?
Q 1
220V。
[精品]12_三相异步电机的启保停控制线路_实验报告
一、实验目的:
1.进一步学习和掌握接触器以及其它控制元器件的结构、工作原理和使用方法:
2.通过三相异步电动机的启、停控制电路的实验,进一步学习和掌握接触器控制电路的结构、工作原理。
二、实验内容及步骤:
电路的基本工作原理是:首先合上电源开关QF5,再按下“启动”按钮,KM5得电并自锁,主触头闭合,电动机得电运行。
按下“停止”按钮,KM5失电,主触头断开,电动机失电停止。
实验步骤:
1.完成控制电路的接线:
2.经老师检查认可后才可进行下面操作!
3.合上断路器QF5观察电动机和接触器的工作状态:
4.按下操作控制面板上“启动”按钮,观察接触器和电动机的工作状态;
5.按下操作控制面板上“停止”按钮,观察接触器和电动机的工作状态。
6.当未合上断路器
QF5时,进行4和5步操作,观察结果。
三,实验说明及注意事项
1.本实验中,主电路电压为380VAC请注意安全。
四,实验前的准备
预习实验报告,复习教材的相关章节。
五.实验报告要求
1.记录实验中所用异步电动机的名牌数据:
2.弄清QF5型号和功能;
3.比较实验结果和电路工作原理的一致性:
4.说明6步的实验结果并分析原因。
六.思考题
1.控制回路的控制电压是多少?
2.接触器是交流接触器,还是直流接触器?接触器的工作电压是多少
3.如果将A点的连线改接在B点,电路是否能正常工作?为什么?
4.控制电路是怎样实现短路保护和过载保护的?
5.电动机为什么采用直接启动方法?。
实验教案三相异步电动机连续控制第一篇:实验教案三相异步电动机连续控制实验课学案课题三相异步电动机连续控制线路一、实验目的1、熟悉控制电路中各元件的结构,工作原理,使用方法。
2、掌握三相异步电动机连续控制电路的原理,加深对自锁的了解。
3、掌握三相异步电动机的接线方法。
4、检测同学们的协作意识,团队合作精神。
二、实验装置及实验工具三相异步电动机1台断路器(QF)个接触器(KM)1个热继电器(FR)1个三相熔断器1个按钮个剥线钳或剪线钳1把实验导线若三、实验原理图下图为三相异步电动机连续控制电路,左边部分为主回路,右边部分为控制回路。
主电路控制电路图三相异步电动机连续控制电路四、实验步骤1、熟悉,检查电器元件。
2、按图接线。
3、检查电路。
4、{1}:通电检查:电动机连续运行,停止控制,合上电源开关QS,接通电源,按下按钮SB2,观察接触器KM的动作情况以及电动机运作情况,放开按钮SB2,接触器KM的动合辅助触点闭合,实现自锁,电动机仍继续运行。
{2}:热继电器的触点动作对电路的影响,可用手动断开热继电器FR的动断触点,观察电动机停转情况。
{3}:故障的分析及排除,实验过程中若出现异常现象,应立即切断电源,并记录下故障现象,分析并排除故障,在通电实验。
{4}:结束实验,实验完成后,先切断电源在拆线并清点整理电器元件和实验器材。
五、布线工艺{1}:按连续控制接线图确定的走线方向进行布线,可先布主路线,然后控制电路。
{2}:工作台上各电器元件接线端子引出的导线必须进入元件上面的行线槽,且完全置于行线槽内。
{3}:各电器元件与行线槽之间的外露导线,应走线合理,并尽可能的做到横平竖直,尽可能的避免交叉。
{4}:一个接线端子一般只能连接一根导线,电器元件接线桩一般只能连接两根导线,每根导线的两端都必须套上线号。
六、注意事项:{1}把电路接好后,先进行自检,经老师检查无误后在通电实验。
{2}实验中如发现有接触器振动,有噪声,主触点燃弧严重,电动机不能正常起动等异常现象,应立即切断电源,分析原因,排除故障后在通电试验。
三相异步电动机实验报告
三相异步电动机实验
一、实验目的
1、掌握电机定子绕组的连结方法
2、掌握电机的启动方式及实现正反转的方法
二、实验器材
电动机、按钮、交流接触器、起子片
三、实验原理及实验电路
1、判断电机绕组的接线柱
用Ω表测量
U V W
2、电机直接启动
1)、正反转的方法
对调任意两相线
2)、点动控制电路
①、按钮ST SB
②、交流接触器KM KM
线圈常开触头KM 常闭触头
③、按下ST >交流接
触器线圈KM 获电。
>交流接触器的常开
触头闭合>电机主干
线电路通电>电机转
动
松下按钮ST>线圈KM 断电>常开触头在复位弹簧作用下断开>电机停转
3、长动自锁电路工作
流程按下SB 1>线圈KM 获电>所有的常开KM 闭合>电机运转松下SB 1由于3-5的
KM 闭合而实现自锁
电机一直运转(故而称
长动控制)
按下SB STOP >线圈KM 断电>所有的KM 断电>电机停转四、思考题
1、电机在启动时,如果缺一相电,电机能否启动,现象如何?若电机在运转时,如果缺一相电,电机能否转动,现象如何? ST m KM 3~
SB
STOP SB 1 KM 3 5 m KM 3~
2、查铭牌数据,求出该电机的相电压及磁极对数如何?。
三相异步电动机的直接起动、点动控制实验报告(精选)第一篇:三相异步电动机的直接起动、点动控制实验报告(精选)三相异步电动机的直接起动、点动控制实验报告姓名:杨宇学号:091542 班级: 10931 专业:数控指导老师:申爱民2011.4.18一、实验目标1.熟悉常用低压电器、仪表的使用及接线。
2.熟悉三相异步电动机的铭牌数据、并能正确接线。
3.训练三相异步电动机直接起动、点动控制线路的正确接线和调试。
4.学习熔断器、接触器、空气开关、热继电器及按钮的使用方法。
二、实验器材1.三相交流电源380V、220V2.三相异步电动机1台3.交流接触器1个4.空气开关1个5.熔断器4个6.热继电器1个7.常闭开关1个,常开开关1个8.电工工具1套9.导线若干 10.欧姆表1个三、实验原理1.三相鼠笼式电动机的转动原理是,在通电的情况下在电动机的内部产生一种磁场,而电动机的转子要切割磁感线而产生运动,从而把电能转化为机械能。
2.去掉KM辅助触点,可以除去自锁功能,实现电机的点动。
3.图1—1是异步电动机直接启动的控制电路图。
四、实验内容和步骤1.认识常用低压电器和三相异步电机的铭牌标记,了解结构和工作原理及其接线方法。
五、实验总结1.控制电路接线要先接串联电路,再接支路。
2.控制电路中的自锁由接触器的辅助触点实现。
它的作用是在按下SB2后,SB2有弹簧作用下恢复到常开状态,这时KM为自锁状态,仍可以保证控制电路形成闭合回路。
3.故障及原因1).接通电源后,按起动按钮,接触器吸合,但电动机不转且发出“嗡嗡”声响;或者虽能起动,但转速很慢。
这种故障大多是主回路一相断电或电源缺项。
2).接通电源后,按起动按钮,若接触器通断频繁,且发出连续的噼啪声或吸合不牢,发出颤动声,此类故障原因可能是:a、线路接错,将接触器线圈与自身的动断触头串在一条回路上了。
b、自锁触头接触不良,时通时断。
c、接触器铁心上的短路环脱落或断裂。
实训一 三相异步电动机接触器点动控制 实训一 三相异步电动机接触器点动控制一、训练目的1.通过观察实物,熟悉按钮和接触器的结构和使用方法。
2.通过实践,掌握具有短路保护的点动控制电路安装接线与检测方法。
3.掌握使用万用表检查电路的方法。
三、电气原理点动控制电路中,电动机的启动、停止,是通过手动按下或松开按钮来实现的,电动机的运行时间较短,无需过载保护装置。
控制电路如图2-1所示,合上电源开关QS ,只要按下点动按钮SB ,使接触器KM 线圈得电吸合,KM 主触点闭合,电动机即可起动;当手松开按钮SB 时,KM 线圈失电,而使其主触点分开,切断电动机M 的电源,电动机即停止转动。
PE 为电动机保护接地线。
四、安装与接线点动控制的各电器安装位置如图2-2所示。
图2-3为点动控制的电气接线图。
具体实施安装时,原理图、位置图、接线图应一并使用,相互参照。
在通电试车前,应仔细检查各线端连图1-2图1-1 点动控制电气原理图接是否正确、可靠,并用万用表的欧姆档检查控制回路是否短路或开路(按下起动控制按钮时,控制电路的两端电阻应为吸引线圈的直流电阻)、主电路有无开路或短路等。
图1-3 点动控制电路接线图实训二 三相异步电机接触器自锁控制线路在点动控制的电路中,要使电动机转动,就必须用手按住按钮不放,这不适合电动机长时间连续运行的控制场合,而必需具有接触器自锁的控制电路。
二、训练目的1.通过实践训练,熟悉热继电器的结构、原理和使用方法。
2.通过实践训练,掌握具有过载保护的接触器自锁电路安装接线与检测。
3.进一步熟练万用表的使用。
三、电气原理因电动机是连续工作,必须加装热继电器以实现过载保护,具有过载保护的自锁控制电路的电气原理如图2-1所示,它与点动控制电路的不同之处在于控制电路中增加了一个停止按钮SB1,在启动按钮的两端并联了一对接触器的常开触头,增加了过载保护装置(热继电器FR )。
电路的工作过程:按下启动按钮SB2→接触器KM 线圈通电→KM (3-4)闭合自锁,同时KM 主触头闭合,电动机M 起动运行。
桂林电子科技大学
实验报告
2015 -2016 学年第二学期
开课单位海洋信息工程学院
适用年级、专业14级机械设计制造及其自动化
课程名称《机电传动与控制实验》
主讲教师周旋
课程序号1520624
课程代码BS1601054X0
实验名称《三相异步电动机顺序控制线路实验》学号1416010516
姓名林亦鹏
三相异步电动机的顺序控制线路实验报告
SB3选用刀开关与按钮模块上的三个按钮,KM1、KM2
只接触器,FR1、FR2选用能耗制动与热继电器模块上的2只热继电器,装置电源箱内置。
电机M1选用ZQ20异步电动机接成△型。
双速异步电动机(△/220V)。
按下电源控制单元上的启动按钮将相电压调到,接通三相交流220V电源。
SB3选用刀开关与按钮模块上的三个按钮,KM1、KM2
只接触器,FR1、FR2选用能耗制动与热继电器模块上的2只热继电器,装置电源箱内置。
电机M1选用ZQ20异步电动机接成△型。
双速异步电动机(△/220V)。
按下电源控制单元上的启动按钮将相电压调到,接通三相交流220V电源。
,观察并记录电动机运行情况及接触器运行状态。
,观察并记录电动机运转及各接触器运行状态。