深基坑工程专项检查记录表V1(1)(2)
- 格式:doc
- 大小:971.50 KB
- 文档页数:3
深基坑检查记录表
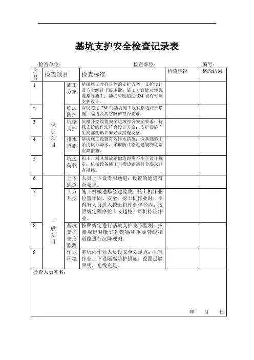
1-2月份基坑支护安全检查记录表
检查人:XXX。
检查部位:污水处理站基坑
序号检查项目检查标准检查情况整改结果
1 施工方案施工方案经过上级审批,针对性强,能指导施工。
基坑深度超过5米的施工方案进行了专家论证。
符合要求无问题
2 临边防护临边深度超过2米的基坑施工设有临边防护措施,临边及其它防护符合要求。
符合要求无问题
3 支护设施坑槽开挖设置安全边坡符合安全要求;特殊支护的作法符合设计方案;支护设施产生局部变形立即采取措施调整。
符合要求无问题
4 排水措施排水基坑施工设置有效排水措施;深基础施工措施采用坑外降水,采取防止临近建筑物危险沉降措施。
符合要求无问题
5 堆放物料坑边积土、料具堆放距槽边距离不小于设计规定;机械设备施工与槽边距离符合要求并有措施。
符合要求
无问题
6 通道设置上下人员上下设专用通道;设置的通道符合要求。
符合要求无问题
7 机械作业施工机械进场经过验收;挖土机作业位置牢固、安全;挖土机作业时,不得有人员进入挖土机作业半径内;按照规定程序挖土或超挖;司机持证作业。
符合要求无问题
8 监测作业按照规定进行基坑支护变形监测;按照规定对毗邻建筑物和重要管线和道路进行沉降观测。
符合要求无问
题
一般项目基坑内作业人员设安全立足点;垂直环境作业
上下设隔离防护措施;设置足够照明,光线充足。
符合要求
无问题
注:本次检查未发现问题,无需整改。
基坑支护安全检查记录表
合同是适应私有制的商品经济的客观要求而出现的,是商品交换在法律上的表现形式。
商品生产产生后,为了交换的安全和信誉,人们在长期的交换实践中逐渐形成了许多关于交换的习惯和仪式。
这些商品交换的习惯和仪式便逐渐成为调整商品交换的一般规则。
随着私有制的确立和国家的产生,统治阶级为了维护私有制和正常的经济秩序,把有利于他们的商品交换的习惯和规则用法律形式加以规定,并以国家强制力保障实行。
于是商品交换的合同法律形成便应运而生了。
古罗马时期合同就受到人们的重视。
签订合同必须经过规定的方式,才能发生法律效力。
如果合同仪式的术语和动作被遗漏任何一个细节,就会导致整个合同无效。
随着商品经济的发展,这种繁琐的形式直接影响到商品交换的发展。
在理论和实践上,罗马法逐渐克服了缔约中的形式主义。
要物合同和合意合同的出现,标志着罗马法从重视形式转为重视缔约人的意志,从而使商品交换从繁琐的形式中解脱出来,并且成为现代合同自由观念的历史渊源。
项目名称建设单位施工单位支护结构简介序检查号项目参建各方行1为责任主体检查内容深度超过 5m 的基坑是否委托专项基坑支护设计是否委托具有资质的单位施工是否委托具有资质的单位监理是否委托具有资质的第三方单位监测基坑支护设计方案是否经过咨询论证是否对专项方案进行审批是否执行监督、检查、见证取样及隐蔽验收;关键工序是否旁站是否对第三方变形监测成果进行分析是否编制专项施工方案是否按规定对专项方案咨询论证年月日设计单位监理单位检查方法检查情况(存在问题)查是否有设计图纸查施工单位资质查监理单位资质查监测单位资质查基坑支护设计专家论证意见查方案审批表查监理日记及相关资料查监理日记及相关资料查支护及土方开挖专项方案查专项方案专家论证意见检查时间监理单位建设单位设计单位施工单查看交底记录及询问相关人员查检查记录查方案内容及审批程序查监测成果查监测成果查现场坑边材料、机具堆放情况基坑支护周边是否按规定进行临边防护;基坑安全通道是否符合要求,是否按设计要求及现场实际设置有效的降、排水设施4是否有防止临近建筑危险沉降的措施是否进行了含沙率测试支护结构是否按规定经验收符合规范及设计要求是否进行了原材料、 试块(件)的常规检测是否进行了护壁质量检测 (如桩完整性 位 是否向操作班组和工人进行详细的安全技术交底是否进行了公司及项目安全检查监 是否编制有针对性的监测方案 测 是否按规定频率及项目进行监测 单 是否及时对监测数据进行分析并位 向相关单位通报检查 项目 坑边 荷载 临边 防护降、排 水措施及 施工支护 结构 质量检查设计文件查测试结果查支护结构内业验收资料是否齐全查现场基坑安全防护、安全通道坑边堆放荷载是否小于设计规定检查情况(存在问题)检查施工现场查检测成果查检测成果检查内容 检查方法 序 号235检测)是否按照审批的土方开挖专项方案要6 7 8土方开挖基坑支护变形监测应急预案措施求开挖,是否按规定程序挖土,是否出现超挖。
深基坑施工安全专项检查表工程名称合同段施工单位监理单位检查时间编号序号检查项目检查内容检查(验收)结果(不符合项说明原因)1资料部分基坑工程是否编制专项施工方案,是否按照设计尺寸开挖;专项施工方案是否未按规定审核、审批;超过一定规模条件的基坑工程专项施工方案是否未按规定组织专家论证;基坑周边环境或施工条件发生变化,专项施工方案是否重新进行审核、审批。
专项施工方案实施前,是否对作业人员进行安全教育培训及技术交底;2基坑支护人工开挖的狭窄基槽,开挖深度较大或存在边坡塌方危险是否采取支护措施;自然放坡的坡率是否符合专项施工方案和规范要求;基坑支护结构是否符合设计要;支护结构水平位移达到设计报警值是否采取有效措施。
3降排水基坑开挖深度范围内有地下水是否采取有效的降排水措施;基坑边沿周围地面是否设排水沟或排水沟设置施工符合规范要求;放坡开挖对坡顶、坡面、坡脚是否采取降排水措施;基坑底四周是否设置排水沟和集水井或排积水是否及时;深基础施工采用坑外降水,未采取防止临近建筑和管线沉降措施扣4基坑开挖支护结构是否达到设计要求的强度开挖下层土方;是否按设计和施工方案的要求分层、分段开挖或开挖不平衡;基坑开挖过程中是否采取防止碰撞支护结构或工程桩的有效措施;机械在软土场地作业,是否采取铺设渣土、砂石等硬化措施;5坑边荷载积土、料具堆放距槽边距离是否满足设计规定;机械设备施工与槽边距离是否符合要求且采取措施;6安全防护开挖深度2m及以上的基坑周边是否按规范要求设置防护栏杆或栏杆设置不符合规范要求;基坑内是否设置供施工人员上下专用梯道或梯道设置不符合规范要求;降水井口是否设置防护盖板或围栏;7基坑监测是否按要求进行基坑工程监测;基坑监测项目是否符合设计和规范要求;监测的时间间隔是否符合监测方案要求或监测结果变化速率较大未加密观测次数;是否按设计要求提交检测报告或监测报告内容不完整;8支撑拆除基坑支撑结构的拆除方式、拆除顺序是否符合专项施工方案要求;机械拆除作业时,施工荷载是否小于支撑结构承载能力;人工拆除作业时,是否按规定设置防护措施;采用非常规拆除方式是否符合国家现行相关规范要求;9作业环境基坑内土方机械、施工人员的安全距离是否符合规范要求;上下垂直作业是否采取防护措施,基坑内作业人员是否有足够安全作业面;在各种管线范围内挖土作业是否设置专人监护;作业区光线是否良好;10应急预案是否按要求编制基坑工程应急预案或应急预案内容不完整;应急组织机构是否健全,应急物资、器材、工具是否符合应急预案要求。
深基坑工程专项巡视检查记录表
工程名称现场形象进度一、支护构造状况
护壁桩支护构造成型质量未发现显然外观缺点;存在以下外观缺点:
冠梁、钢构造内撑有无裂痕出现未发现肉眼可见裂痕;以下地点发现裂痕:
- 未发现肉眼可见变形;以下地点发现变形:内撑、立柱有无较大变形
核对监测报告,以下点位变形较大:
止水帷幕有无开裂、渗漏未发现;以下地点发现开裂、渗漏:
围护体后土体有无裂痕、沉陷及未发现;以下地点发现异样:
滑移
基坑有无涌土、流砂、管涌未发现;以下地点发现异样:
二、施工工况
土质状况与勘探报告有无差别未发现;以下地点发现异样:
基坑开挖能否与设计及方案一未发现;以下地点发现异样:
致,有无超长、超深开挖
地下水位能否正常,基坑降水等正常;发现以下地点发现异样:
设备运行状况
基坑周边地面有无超载无;以下地点堆放过多:
基坑底地面能否有异样状况未发现;发现异样:
三、周边环境状况
地下管道有无损坏、泄露状况未发现;以下地点发现异样:
周边建(构)筑物有无新增裂痕未发现;以下地点发现新增裂痕:
周边道路(地面)有无裂痕、沉未发现;以下地点发现新增裂痕、沉陷:
陷
巡视结果
或结论施工单位监理单位建设单位。
表7.3.2
工程名称
一、支护结构情况
支护结构成型质量
冠梁、围檩、支撑有无裂缝出现
支撑、立柱有无较大变形
止水帷幕有无开裂、渗漏
围护体后土体有无裂缝、沉陷及滑移
基坑有无涌土、流砂、管涌
二、施工工况
土质情况与勘察报告有无差异
基坑开挖是否与设计及方案一致,有无超长、超深开挖地表水、地下水排放是否正常基坑降水等设施运转情况
基坑周边地面有无超载
三、周边环境状况
地下管道有无破损、泄漏情况
周边建(构)筑物有无新增裂缝
周边道路(地面)有无裂缝、沉陷
四、监测设施状况
基准点、监测点状况
有无影响观测工作的障碍物
采取措施及处理情况:
深基坑工程巡视检查记录表
现场形象进度
未发现明显外观缺陷;存在以下外观缺陷:
未发现肉眼可见裂缝;以下位置发现裂缝:
- 未发现肉眼可见变形;以下位置发现变形:
查对监测报告,下列点位变形较大:
未发现;以下位置发现开裂、渗漏:
未发现;以下位置发现异常:
未发现;以下位置发现异常:
未发现;以下位置发现异常:
未发现;以下位置发现异常:
正常;发现以下位置发现异常:
无;以下位置堆放过多:
未发现;以下位置发现异常:
未发现;以下位置发现新增裂缝:
未发现;以下位置发现新增裂缝、沉陷:
完好;以下点位发现异常:
无;以下点位发现异常:
值班负责人:
检查日期:年月日。
深基坑工程监理专项巡视检查记录表深基坑工程监理专项巡视检查记录表工程名称:监理单位:施工单位:巡视时间:天气情况:巡视检查内容:1.施工方面是否编制了专项方案,专项方案是否按程序审核并签字?开挖前是否进行了条件验收?是否设置了告知牌和验收牌?开挖时混凝土支撑强度是否达到设计强度?钢支撑是否经过检测合格?基坑支护是否及时?钢支撑与围护结构连接、防坠落措施是否符合设计和方案要求?施工进度是否符合要求?2.方案及条款方面是否编制了专项方案,并经专家评审并按专家意见修改?预应力施加是否符合设计和方案要求?支护结构拆除或换撑是否符合设计和方案要求?3.验收方面是否进行了件验收,并符合要求?4.收排水方面是否编制了降水专项方案?是否进行了降水试验?是否设置了有效的排水、截水、封堵、防倒流措施?围护结构是否漏水?基坑底是否积水、涌水?基坑降水、回灌设施运转是否正常?5.土方开挖方面是否违反方案规定的顺序、方式开挖?是否存在超长、超宽、超深开挖?开挖面边坡是否符合安全要求?6.机械设备方面施工机械是否碰撞、损伤支护结构?机械设备施工与坑边距离是否符合要求?7.监测方面是否编制了专项监测方案?施工方案是否按规定的程序组织专家论证和审批?监测点设置及保护措施是否符合方案要求?监测点破坏是否及时恢复?是否按规定的监测频率及时对各监测项目进行监测?是否及时处理并反馈监测数据并用以指导施工?是否对达到预警或报警值的监测数据按程序及时进行处理?8.安全方面临边深度超过2m的基坑是否设置了临边防护措施?防护临边防护措施是否符合要求?上下人员上下是否有专用通道?通道专用通道是否符合要求?弃土、料具堆放距坑边距离是否符合要求?机械设备施工与坑边距离是否符合要求?基坑内作业人员是否有安全立足点?垂直交叉作业是否有有效的隔离防护措施?是否设置足够的照明?坑壁或支撑上是否存在可能脱落的混凝土块或其他物料?坑外安全范围外堆放的料具是否有牢靠的防滑落措施?地下管道有无破损、泄露情况?周边建(构)筑物有无裂缝出现?备注:46.检查周边道路(地面)是否有裂缝或沉陷的情况。