给水排水工程表格
- 格式:doc
- 大小:905.00 KB
- 文档页数:52
给排水资料目录
室外给排水工程工程概况表
建筑给排水及采暖工程质量操纵资料核查记录
建筑给排水及采暖工程平安和功能查验资料核查及要紧功能抽查记录
建筑给排水及采暖工程观感质量检查记录
设备进场验收记录
材料(设备)合格证明文件汇总表
监理工程师技术负责人: 质量检查员:
管道工程隐蔽验收记录
管道支、吊架安装记录
管道焊接查验记录
楼板(屋面)立管洞盛水实验记录
钢管伸缩器预拉伸安装记录
塑料排水管伸缩器安装预留伸缩量记录
管道焊接查验记录
管道保温记录
设备单机试运转记录
锅炉烘炉记录
锅炉煮炉记录
阀门、散热器安装前水压实验记录
承压管道系统(设备)强度和周密性水压实验记录
非承压管道灌水实验记录
给水、热水及采暖管道系统冲洗记录
塑料排水管伸缩器安装预留伸缩量记录
地漏排水实验记录
室内排水管道通球实验记录
给水、排水系统及卫生器具交付利用前通水实验记录
放开水箱满水实验记录
消火栓系统试射实验记录
采暖系统试运行和调试记录
平安阀及报警联动系统动作测试记录
室内给水系统子分部工程质量验收记录
给水管道及配件安装分项工程质量验收记录
给水管道及配件安装工程查验批质量验收记录
室内消火栓系统安装分项工程质量验收记录
室内排水管道及配件安装分项工程质量验收记录
SN3.2.1
SN3.2.2
续表
SN3.2.3
SN3.2.4
续表
管道及配件安装分项工程质量验收记录
SN3.4.1。
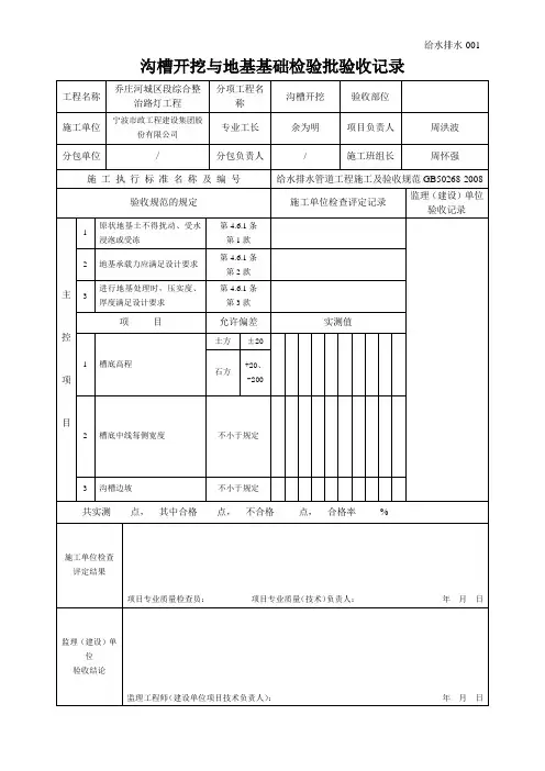
沟槽开挖与地基基础检验批查收记录工程名称分项工程名查收部位沟槽开挖称施工单位专业工长项目负责人分包单位分包负责人施工班组长施工执行标准名称及编号给水排水管道工程施工及查收规范GB50268-2008查收规范的规定监理(建设)单位施工单位检查评定记录查收记录1 原状地基土不得扰动、受水第 4.6.1 条浸泡或受冻第 1 款2 地基承载力应知足设计要求第 4.6.1 条主第 2 款3 进行地基办理时,压实度、第 4.6.1 条厚度知足设计要求第 3 款控项目同意误差实测值项土方±201 +20、槽底高程石方-200目2 槽底中线每侧宽度不小于规定3 沟槽边坡不小于规定施工单位检查评定结果项目专业质量检查员:项目专业质量(技术)负责人:年月日监理(建设)单位查收结论监理工程师(建设单位项目技术负责人):年月日工程名称 分项工程名称 查收部位施工单位 专业工长 项目负责人分包单位分包负责人 施工班组长施 工 执 行 标 准 名 称 及 编 号给水排水管道工程施工及查收规范GB50268-2008查收规范的规定监理(建设) 单位施工单位检查评定记录查收记录支撑方式、支撑资料切合设计要 第 4.6.2 条1第 1 款主 求控支护结构强度、刚度、稳固性符 第 4.6.2 条项 2第 2 款合设计要求目第 4.6.2 条1横撑不得阻碍下管和稳管第 3 款一支撑构件安装应坚固、安全靠谱, 第 4.6.2 条2第 4 款 般 地点正确项 支撑后,沟槽中心线每侧的净宽 第 4.6.2 条 目3第 5 款不该小于施工方案设计要求钢 板 桩 的 轴 线 位 移 不 得 大 于 第 4.6.2 条 4第 6 款50mm ;垂直度不得大于 1.5%施工单位检查评定结果项目专业质量检查员:项目专业质量 (技术)负责人: 年 月 日监理(建设)单位查收结论监理工程师(建设单位项目技术负责人): 年 月 日工程名称分项工程名称沟槽回填查收部位施工单位专业工长项目负责人分包单位分包负责人施工班组长施工执行标准名称及编号给水排水管道工程施工及查收规范GB50268-2008查收规范的规定监理(建设)单位施工单位检查评定记录查收记录第4.6.3 条1回填资料切合设计要求第1 款2 沟槽不得带水回填,回填应密第 4.6.3 条主实第 2 款柔性管道的变形率不得超出设控3 计要求或本规范第 4.5.12 条的第 4.6.3 条规定,管壁不得出现隆起、环第 3 款项向扁平易其余变形状况回填土压实度应切合设计要目求,设计无要求时,应切合表第4.6.3 条4 ,表的规定,柔第4 款性管道沟槽回填部位与压实度见图1 回填应达到设计高程,表面应第4.6.3 条平坦第5 款一回填时管道及隶属修建物无损第4.6.3 条般 2伤、沉降、位移第6 款项目施工单位检查评定结果项目专业质量检查员:项目专业质量(技术)负责人:年月日监理(建设)单位查收结论监理工程师(建设单位项目技术负责人):年月日管道基础检验批质量查收记录工程名称施工单位分包单位1 主控2 项目312一3 般项目45分项工程名称管道基础查收部位专业工长项目负责人分包负责人施工班组长施工执行标准名称及编号给排水管道工程施工及查收规范GB 50268-2008监理(建设)单位查收规范的规定施工单位检查评定记录查收记录第5.10.1 条原状地基的承载力切合设计要求第1 款第6.2.8 条混凝土基础的强度切合设计要求第 2 款砂石基础的压实度切合设计要求第 5.10.1 条或本规范的规定第 3 款原状地基、砂石基础与管道外壁间第 5.10.1 条接触均匀,无缝隙第 4 款混凝土基础外光内实,无严重缺第 5.10.1 条陷;混凝土基础的钢筋数目、地点第 5 款正确项目同意误差( mm)实测值中线每侧宽度不小于设计要求垫层高压力管道± 30程无压管道0, -15厚度不小于设计要求平中线每侧宽度+10, 0高程0, -15混凝土基基础、厚度不小于设计要求管座管肩宽+10,-5座肩高± 20高压力管道± 30土(砂及程无压管道0、 -15砂砾)平基厚度不小于设计要求基础土弧基础腋角高度不小于设计要求共实测点,此中合格点,不合格点,合格率%施工单位检查评定结果项目专业质量检查员:项目专业质量(技术负责人):年月日监理(建设)单位查收结论监理工程师(建设单位项目技术负责人):年月日钢管接口连结检验批质量查收记录分项工程名工程名称查收部位称施工单位专业工长项目负责人分包单位分包负责人施工班组长施工执行标准名称及编号给水排水管道工程施工及查收规范GB 50268-2008查收规范的规定监理(建设)单位施工单位检查评定记录查收记录管节及管件、焊接资料等的质量第条1第 1 款应切合 5.3.2 条规定主接口焊缝坡口应切合规定第第条2第 2 款5.3.7 条控焊口错边切合规范第 5.3.8 条第条3第 3 款规定,焊口无十字型焊缝项焊口焊接质量应切合规范第第条4第 4 款5.3.17 条规定和设计要求目法兰接口的法兰应与管道齐心,螺栓自由穿入,高强度螺栓的终第条5第 5 款拧扭矩应切合设计要乞降有关标准的规定接口组队时,纵、环缝地点应符第条1第 6 款合规范第 5.3.9 条规定管节组队前,坡口及内外侧焊接第条2影响范围内表面应无油、漆、垢、第7 款锈、毛刺等污物不一样壁厚的管节对策应切合规第 5.10.2 条3第 8 款一范第 5.3.10 条规定焊缝层次有明确规准时,焊接层般数、每层厚度及层间温度应切合第条4第 9 款焊接作业指导书的规定,且层间项焊缝质量均应合格法兰中轴线与管道中轴线的允目许误差应切合: Di 小于或等于第条5300mm时,同意误差小于或等于第10 款1mm;Di 大于 300mm时,同意偏差小于或等于 2mm连结的法兰之间应保持平行,其同意偏差不大于法兰外径的第条6第 11 款1.5 ‰,且不大于 2mm;螺孔中心同意误差应为孔径的 5%共实测点,此中合格点,不合格点,合格率%施工单位检查评定结果项目专业质量检查员:项目专业质量(技术负责人:年月日监理(建设)单位查收结论监理工程师(建设单位项目技术负责人):年月日钢管内防腐层检验批质量查收记录工程名分项工程名称查收部位称施工单专业工长项目负责人位分包单分包负责人施工班组长位施工执行标准名称及编号给水排水管道工程施工及查收规范GB50268-2008监理(建设)查收规范的规定施工单位检查评定记录单位查收记录内防腐层材料应切合国家有关标准的规定和设计要求;给水管道第 5.10.3 条1第 1 款内防腐层材料的卫生性能应符合国家有关主标准的规定控水泥沙浆抗压强度符第 5.10.3 条项2合设计要求,且不低于第 2 款目30Mpa液体环氧涂料内防腐层表面应平坦、圆滑,第 5.10.3 条3第 3 款无气泡、无划痕等,湿膜应无流淌现象项目同意误差( mm)实测值1 裂痕宽度≤0.8一≤管道的周长,且≤ 2.0m2裂痕沿管道纵向长度般3 平坦度<2项Di ≤ 1000±2目4 防腐层厚度1000<Di±3 ≤ 1800+4 Di>1800-35麻点、空窝等表面缺点的深度6缺点面积7空鼓面积项目8液体环氧涂料内防腐层9电火花试验漏点数精选文档Di ≤ 1000 21000<Di 3 ≤1800Di>1800 4≤500mm2不得超出 2 处,且每处≤ 10000mm2 同意误差( mm)普通≥200级加强≥250级特加强≥300级普通 3级加强 1级特加强0级共实测点,此中合格点,不合格点,合格率%施工单位检查评定结果项目专业质量检查员:项目专业质量(技术负责人:年月日监理(建设)单位查收结论监理工程师(建设单位项目技术负责人):年月日钢管外防腐层检验批质量查收记录工程名称分项工程名查收部位称施工单位专业工长项目负责人分包单位分包负责人施工班组长施工执行标准名称及编号给水排水管道施工及查收规范 GB 50268-2008查收规范的规定监理(建设)单位施工单位检查评定记录查收记录外防腐层资料(包含补口、修理资料)、结构等1应切合国家有关标准的规定和设计要求主控项目项目同意误差(mm)1 厚度切合本规范第2 电火花检漏 5.4.9 条的有关规定3粘结力1钢管表面除锈质量等级应切合设计要求管道外防腐层(包含补口、补一2 伤)的外观质量应切合本规范第 5.4.9 条般的有关规定管体外防腐层资料搭接、补口第 5.10.4 条3搭接、补伤搭策应切合要求第 5 款项目共实测点,此中合格点,不合格点,合格率%施工单位检查评定结果项目专业质量检查员:项目专业质量(技术负责人:年月日监理(建设)单位查收结论监理工程师(建设单位项目技术负责人):年月日钢管阴极保护工程检验批质量查收记录工程名称分项工程名称查收部位施工单位专业工长项目负责人分包单位分包负责人施工班组长施工执行标准名称及编号给水排水管道施工及查收规范 GB 50268-2008查收规范的规定监理(建设)单位施工单位检查评定记录查收记录钢管阴极保护所用的资料、设备第5.10.5 条1等应切合国家有关标准的规定第1 款和设计要求主控管道系统的电绝缘性、电连续性第 5.10.5 条2第 2 款项经检测知足阴极保护的要去目3 阴极保护的系统参数测试应符第 5.10.5 条合规定第 3 款管道系统中阳极、协助阳极的安第 5.10.5 条1 装应切合规范第、第 4 款条规定一所有连结点应按规定做好防腐第 5.10.5 条2 办理,与管道连结处的防腐资料第 5 款般应与管道同样项3 阴极保护系统的测试装置及附第 5.10.5 条属设备的安装应切合要求第 6 款目共实测点,此中合格点,不合格点,合格率%施工单位检查评定结果项目专业质量检查员:项目专业质量(技术负责人:年月日监理(建设)单位查收结论球墨铸铁管接口检验批质量查收记录分项工程工程名称名称施工单位专业工长分包负责分包单位人施工执行标准名称及编号查收规范的规定1 管节及管件的产质量量应切合规范第 5.10.6 条第 5.5.1 条的规定第 1 款承插接口连结时,两管节中轴线应主 2 保持齐心,承口、插口部位无损坏、第 5.10.6 条变形、开裂;插口推入深度应切合第 2 款控要求法兰接口连结时,插口与承口法兰项压盖的纵向轴线一致,连结螺栓终第 5.10.6 条3 拧扭矩应切合设计或产品使用说明第 3 款要求;接口连结后,连结部位及连目接件应无变形、损坏橡胶圈安装地点应正确,不得歪曲、第 5.10.6 条4 外露;沿圆周各点应与承口端面等第 4 款距,其同意误差应为±3mm1 连结后管节间平顺,接口无崛起、第 5.10.6 条突弯、轴向位移现象第 5 款一接口的环向空隙应均匀,承插口间第 5.10.6 条2的纵向空隙不该小于 3mm 第 6 款般法兰接口的压兰、螺栓和螺母等连项 3 接件应规格型号一致,采纳钢制螺第 5.10.6 条栓和螺母时,防腐办理应切合设计第 7 款目要求管道沿曲线安装时,接口转角应符第 5.10.6 条4合规范第 5.5.8 条规定第 8 款查收部位项目负责人施工班组长给水排水管道工程施工及查收规范GB50268-2008监理(建设)单施工单位检查评定记录位查收记录共实测点,此中合格点,不合格点,合格率%施工单位检查评定结果项目专业质量检查员:项目专业质量(技术负责人:年月日监理(建设)单位查收结论监理工程师(建设单位项目技术负责人):年月日钢筋混凝土管、预(自)应力混凝土管、预应力钢筒混凝土接口连结检验批质量查收记录工程名称分项工程名称查收部位施工单位专业工长项目负责人分包单位分包负责人施工班组长施工执行标准名称及编号给水排水管道工程施工查收及规范GB 50268-208查收规范的规定监理(建设)施工单位检查评定记录单位查收记录管及管件、橡胶圈的产质量量应切合规范第 5.10.7 条1第 1 款第、、5.6.5 条规定主控项柔性接口的橡胶圈地点正确,无歪曲、外第 5.10.7 条2露现象;承口、插口无损坏、开裂;双道第 2 款橡胶圈的单口水压试验合格目刚性接口的强度切合设计要求,不得有开第 5.10.7 条3第 3 款裂、空鼓、零落现象柔性接口的安装地点正确,其纵向空隙应第 5.10.7 条1第 4 款切合规范第、 5.7.2 条的有关规定刚性接口等等宽度、厚度切合设计要求;其相邻管接口错口同意误差:Di 小于一700mm 时,应在施工中自检;Di 大于第 5.10.7 条2第 5 款700mm,小于或等于 1000mm 时,应不大般于 3mm;Di 大于 1000mm 时,应不大于5mm项管道沿曲线安装时,接口转角应切合规范第 5.10.7 条3第 6 款第 5.7.5 条的有关规定目管道接口的填缝应切合设计要求,密实、第 5.10.7 条4第 7 款光洁、平坦共实测点,此中合格点,不合格点,合格率%施工单位检查评定结果项目专业质量检查员:项目专业质量(技术负责人:年月日监理(建设)单位查收结论化学建材管接口连结检验批质量查收记录工程名称分项工程名查收部位称施工单位专业工长项目负责人分包单位分包负责人施工班组长施工执行标准名称及编号给水排水管道工程施工及查收规范GB50268-2008查收规范的规定监理(建设)施工单位检查评定记录单位查收记录1 管节及管件、橡胶圈等的产质量量第 5.10.8 条应切合第、5.9.1 条规范第 1 款主承插、套筒式连结时,承口、插口部位及套筒连结密切,无损坏、变第 5.10.8 条2 形、开裂等现象;插入后胶圈应位控第 2 款置正确,无歪曲等现象;双道橡胶圈的单口水压试验合格项3 聚乙烯管、聚丙烯管接口熔焊连结第 5.10.8 条应切合规定第 3 款目卡箍连结、法兰连结、钢塑过渡接头连结时,应连结件齐备、地点正第 5.10.8 条4确、安装坚固,连结部位无歪曲、第 4 款变形承插、套筒式接口的插入深度应符1 合要求,相邻管口的纵向空隙应不第 5.10.8 条小于 10mm ;环向空隙应均与一致承插式管道沿曲线安装时的接口转一角,玻璃钢管的不该大于第 5.8.3 条2 规定;聚乙烯管、聚丙烯管的接口第 5.10.8 条第 6 款转角应不大于 1.5°;硬聚氯乙烯管般的接口转角应不大于 1.0°熔焊连结设备的控制参数知足焊接项工艺要求;设备与待连结收的接触第 5.10.8 条3 面无污物,设备及组合件组装正确、第 7 款坚固、符合;焊后冷却时期接口未目受外力影响卡箍连结、法兰连结、钢塑过渡连4 接件的钢制部分以及钢制螺栓、螺第 5.10.8 条母、垫圈的防腐要求应切合设计要第 8 款求共实测点,此中合格点,不合格点,合格率%施工单位检查评定结果项目专业质量检查员:项目专业质量(技术负责人:年月日监理(建设)单位查收结论监理工程师(建设单位项目技术负责人):年月日管道铺设检验批质量查收记录工程名称分项工程名称施工单位专业工长分包单位分包负责人施工执行标准名称及编号查收规范的规定管道埋设深度、轴线地点应第 5.10.9 条1 切合设计要求,无压力管道第 1 款禁止倒坡主2 刚性管道无结构贯穿裂痕第 5.10.9 条控和显然缺损状况第 2 款项柔性管道的管壁不得出现第 5.10.9 条3 纵向隆起、环向扁平易其余目第 3 款变形状况4 管道铺设安装一定坚固,管第 5.10.9 条道安装后应线形平直第 4 款管道内应光洁平坦,无杂第 5.10.9 条1 物、油垢;管道无显然渗水第 5 款和水珠现象2 管道与井室洞口之间无渗第 5.10.9 条漏水第 6 款一 3 管道内外防腐层完好,无破第 5.10.9 条损现象第 7 款般4 钢管管道开孔应切合规范第 5.10.9 条第 5.3.11 条规定第 8 款项项目同意误差( mm )5 无压管道15目水平轴线压力管道30Di≤ 1000无压管道± 10压力管道± 306管底高程无压管道± 15Di>1000压力管道± 30查收部位项目负责人施工班组长给水排水管道工程施工规范GB50268-2008监理(建设)单施工单位检查评定记录位查收记录实测值共实测点,此中合格点,不合格点,合格率%施工单位检查评定结果项目专业质量检查员:项目专业质量(技术负责人:年月日监理(建设)单位查收结论监理工程师(建设单位项目技术负责人):年月日工作井检验批质量查收记录工程分项工程名称查收部位名称施工专业工长项目负责人单位分包分包负责人施工班组长单位施工执行标准名称及编号给水排水管道工程施工及查收规范GB50268-2008查收规范的规定监理(建设)单位施工单位检查评定记录查收记录工程原资料、成品、半成品的产品第6.7.2 条1质量应切合国家有关标准规定和第1 款主设计要求工作井结构的强度、刚度和尺寸应控第 6.7.2 条2 知足设计要求,结构无滴漏和线流项第 2 款现象目混凝土结构的抗压强度等级、抗渗第 6.7.2 条3第 3 款等级切合设计要求第6.7.2 条1结构无显然渗水和水珠现象第4 款顶管顶进工作井、盾构始发工作井第 6.7.2 条一 2 的后背墙应竖实、平坦;后座与井第 5 跨壁后背墙联系密切两导轨应顺直、平行、等高,盾构3 基座及导轨的夹角切合规定;导轨第 6.7.2 条与基座连策应坚固靠谱,不得在使第 6 款般用中产生位移检查项目同意误差( mm)项顶管、夯管+3, 0定面高程盾构+5, 0 井内4 导轨目安装3顶管、夯管中心水平地点盾构 5顶管、夯管±2两轨间距盾构±5高程±10盾构5后座管片水平轴线±10矩形每侧长、宽井尺不小于设6计要求寸圆形半径中心地点207进、出井预留洞口内径尺寸±208 井底板高程±30垂直度0.1%H顶管、盾构工作井9后背墙水平扭转度0.1%L共实测点,此中合格点,不合格点,合格率%施工单位检查评定结果项目专业质量检查员:项目专业质量(技术负责人):年月日监理(建设)单位查收结论监理工程师(建设单位项目技术负责人):年月日顶管管道检验批质量查收记录工程名称分项工程名称查收部位施工单位专业工长项目负责人分包单位分包负责人施工班组长施工执行标准名称及编号给水排水管道工程施工及查收规范GB50268-2008查收规范的规定监理(建设)单位施工单位检查评定记录查收记录管节及附件等工程资料的产质量量第6.7.3 条1应切合国家有关标准的规定和设计第1款要求主接口橡胶圈安装地点正确,无位移、零落现象;钢管的接口焊接质量应第6.7.3 条控 2第2 款切合第 5章有关规定,焊缝无损探伤检验切合设计要求项无压管道的管底坡度无显然反坡现第6.7.3 条3象;曲线顶管的实质曲率半径切合目设计要求第3 款管道接口端部应无损坏、顶裂现象,接口处第6.7.3 条4第4 款无滴漏管道内应线形平顺、无突变、变形现象;一般缺点部位,应修理密实、第条1第 5 款表面光洁;管道无显然渗水和水珠现象管道与工作井出、进洞口的空隙连第条2第 6 款接坚固,洞口无渗漏水钢管防腐层及焊缝处的外防腐层及第条3第 7 款内防腐层质量查收合格一有内防腐层的钢筋混凝土管道,防第条4第 8 款腐层应完好、附着密切般第条5管道内应洁净,无杂物、油污第9 款项顶管施工贯穿后管道同意误差( mm)目顶管长度 <300m 50直线顶管300m≤顶进长度 <1000m 100 7水平轴线顶进长度≥ 1000m L/10 直线Di<1500 +30, -408 顶管顶进长度 <300m+40, -50内底Di ≥ 1500高程曲线顶管9水平轴线曲线顶管10内底高程精选文档300≤顶进长度 <1000m +60, -80顶进长度≥ 1000m +80,-100水平曲线150R≤竖曲线150 1500Di复合曲线200水平曲线150R>150Di 竖曲线150复合曲线150水平曲线+100, -150R≤竖曲线+150, -200 1500Di复合曲线±200水平曲线+100, -150 R>150Di 竖曲线+100, -150复合曲线±200钢管、玻璃钢管≤211相邻管间错口15%壁厚,且钢筋混凝土管≤ 2012 钢筋混凝土管曲线顶管相邻管间接≤△ S 口的最大空隙与最小空隙之差13 钢管、玻璃钢管道竖向变形≤0.03Di14 对顶时两头错口50共实测点,此中合格点,不合格点,合格率%施工单位检查评定结果项目专业质量检查员:项目专业质量(技术负责人:年月日监理(建设)单位查收结论监理工程师(建设单位项目技术负责人):年月日精选文档垂直顶升管道检验批质量查收记录工程名称分项工程名称查收部位 施工单位专业工长项目负责人分包单位分包负责人施工班组长施 工 执 行 标 准 名 称 及 编 号给水排水管道工程施工及查收规范 GB50268-2008查收规范的规定施工单位检查评定记录监理(建设) 单位查收记录1管节及附件的产质量量应切合国家 第 6.7.4 条有关标准的规定和设计要求第 1 款主 管道直顺,无损坏现象;水平特别管控 2节及相邻管节无变形、损坏现象;顶 第 6.7.4 条项 升管道底座与水平特别管节的连结第 2 款目切合设计要求3管道防水、防腐化办理切合设计要 第 6.7.4 条求;无滴漏和线流现象第 3 款1 管节接口连结件安装正确、完好第 6.7.4 条第 4 款2防水、防腐层完好,阴极保护装置符第 6.7.4 条合设计要求第 5 款3 管道无显然渗水和水珠现象第 6.7.4 条 一第 6 款项目同意误差实测值(mm )般4顶升管帽盖顶面高程±20顶 升 管 管节垂直度≤1.5‰ H项5≤1.5‰ D 0 且节安装管节连结端面平行度≤ 26 顶升管节间错口≤20目7 顶升管道垂直度0.5%H8沿水平管纵向 30顶升管道垂直度 沿水平管横向209开 口 顶管 升 口 中 沿水平管纵向 40心轴线沿水平管横向 30共实测点, 此中合格点, 不合格点, 合格率%施工单位检查评定结果项目专业质量检查员:项目专业质量(技术负责人:年 月日监理(建设)单位盾构管片制作检验批质量查收记录工程名称分项工程名称查收部位施工单位专业工长项目负责人分包单位分包负责人施工班组长施工执行标准名称及编号给水排水管道工程施工及规范GB50268-2008查收规范的规定监理(建设)单位施工单位检查评定记录查收记录工厂预制管片的产质量量应符第条1合国家有关标准的规定和设计第1 款要求2 现场制作的管片应切合规定第条第 2 款主3 管片的混凝土强度等级、抗渗第条等级切合设计要求第 3 款控管片表面应平坦,外观质量无严重缺点、且无裂痕;铸铁管第条4或钢制管片无影响结构和拼装第 4 款项的质量缺点5 单块管片尺寸的同意误差应符第条合表 6.7.5-2 规定第 5 款目钢筋混凝土管片搁置在专用试6 验架上,按设计要求水压恒压第条2h,渗水深度不得超出管片厚第 6 款度的 1/5 合格7 管片进行水平组合拼装检验时表应切合规定钢筋混凝土管片无缺棱、掉边、1 麻面和露筋,表面无显然气泡第条和一般质量缺点;铸铁管片或第 8 款一钢制管片防腐层完好般 2 管片预埋件齐备,预埋孔完好、第条地点正确第 9 款项防水密封条安装凹槽表面光第条3洁,线形直顺第 10 款目同意误差检查项目(mm)4 主筋间距± 105 骨架长、宽、高+5, -10畅达、内圆面6环、纵向螺栓孔平坦7 主筋保护层±38 散布筋长度± 109 散布筋间距±510 箍筋间距± 1011 预埋件地点±5共实测点,此中合格点,不合格点,合格率%施工单位检查评定结果项目专业质量检查员:项目专业质量(技术负责人:年月日监理(建设)单位查收结论监理工程师(建设单位项目技术负责人):年月日。
建筑给水、排水及采暖工程用表大全(含表格填写说明)建筑之家建筑给水、排水与采暖各子分部工程与分项工程与分项工程相关(GB50242-2002)表3注:本表●符号者为该子分部工程所含的分项工程分部(子分部)工程验收记录(GB50300-2001)表F.0.1编号:05□□注:除地基基础分部外,勘察单位可不参加分部(子分部)工程验收记录(GB50300-2001)表F.0.1编号:05□□注:除地基基础分部处,勘察单位可不参加分项工程质量验收表(GB50300-2001)表E.0.1编号:05□□室内给水管道及配件安装工程检验批质量验收记录(GB50242-2002)表4.2编号:050101□□注:表中*为实测数据值050101□□□说明强制性条文3.3.3地下室或地下构筑物外墙有管道穿过的,应采取防水措施。
对有严格防水要求的建筑物,必须采用柔性防水套管:3.3.16各种承压管道系统和设备应做水压试验,非承压管道系统和设备应做灌水试验。
4.1.2给水管道必须采用与管材相适应的管件。
生活给水系统所涉及的材料必须达到饮用水卫生标准。
主控项目4.2.1室内给水管道的水压试验必须符合设计要求。
当设计未注明时,各种材质的给水管道系统试验压力均为工作压力的1.5倍,但不得小于0.6MPa。
检验方法:金属及复合管给水管道系统在试验压力下观测10min,压力降不应大于0.020.6MPa,然后降到工作压力进行检查,应不渗不漏;塑料管给水系统应在试验压力下稳压1h,压力不得超过0.05MPa,然后在工作压力的1.15倍状态下稳压2 h,压力降不得超过0.03MPa,同时检查各连接处不得渗漏。
4.2.2给水系统交付使用前必须进行通水试验并做好记录。
检验方法:观察和开启阀门、水嘴等放水。
4.2.3生产给水系统管道在交付使用前必须冲洗和消毒,并经有关部门取样检验,符合国家《生活饮用水标准》方可使用。
检验方法:检查有关部门提供的检测报告。
建筑给水排水及采暖分部工程概况表提示概况表中可列出主要、关键项目中的重要设备。
对要求填写的内容栏目不够时,可另行附表。
建筑给水排水及采暖工程施工现场质量管理记录提示该表如栏目不够填写时,可另行附页。
建筑给水排水及采暖分部工程质量验收记录建筑给水排水及采暖工程质量控制资料核查记录建筑给排水及采暖工程安全和功能检验资料核查及主要功能抽查记录建筑给排水及采暖观感质量检查记录材料(设备)合格证明文件汇总表专业技术负责人:项目专业质检员:年月日提示建筑给水排水及采暖工程、材料、配件设备出厂合格证、质保书按下列范围整理:1镀锌管、排水塑料管、给水塑料管、复合管应有质保书或合格证;镀锌管质保书上应明确本单位工程中使用材料的型号、规格、数量、机械性能和化学成分,如物资公司使用抄件,应有原件编号,原件存放处,供货单位应盖公章,抄件人应签名。
建筑工程用给水排水塑料管应有试验报告,省建委推广证,给水塑料管,以及卫生部门认可的卫生许可证。
2阀门、水嘴、散热器、消防接合器、室外消火栓、室内消火栓箱、卫生器具、压力表、水位计、温度计、安全阀等配件以及保温材料等应有产品质量合格证。
3设备应包括锅炉、锅炉附属设备、水泵、风机、热交换、除尘器、分汽缸、水处理设备等应有产品质量合格证及有关随机重要说明。
4有防火要求的产品(如消火箱等)及配件应有消防部门认可的生产许可证。
5以上所述材料合格证,质保书及有关试验报告发档填写不够时,可另页附后。
6表中数量为合格证或质保书数量,不应填写材料或设备,附件数量。
材料、设备、成品、半成品进场验收记录管道工程隐蔽验收记录提示一、隐蔽内容中应包括隐蔽的数量、管道系统的规格及型号、固定方法、及接口型式等。
二、检查结果栏中应包括隐蔽的管道系统防腐、管道支承、固定、各种试验、管道坡度、埋深等必须检查,并有相应的验收记录。
管道支、吊架安装记录提示一、本表可与管道隐蔽记录配套使用。
二、埋地管道安装:1.管道应填写管下部垫层状态(如:细砂厚度≥100mm,宽度≥管径的倍,坡度与管道坡度相同,管顶回填细土或砂的厚度≥200mm。
(建筑给排水工程)给排水资料表格管道工程隐蔽验收记录SN2.3建筑给水排水及采暖工程施工现场质量管理记录SN1.1建筑给水排水及采暖分部工程质量验收记录SN1.2建筑给水排水及采暖子分部质量管理记录SN1.3(统表1)建筑给水排水及采暖分项工程质量验收记录SN1.4(统表2)建筑给水排水及采暖工程质量控制资料核查记录SN1.5建筑给水排水及采暖工程安全和功能检查资料核查及主要功能抽查记录SN1.6建筑给排水及采暖工程观感质量检查记录SN1.7设备进厂开箱检查记录SN2.1建筑给水排水及采暖工程材料、设备器具合格证、质保书、进场检(试)验报告汇总表SN2.2技术负责人:质量检查员:2007年月日管道支、吊架安装记录SN2.4管道焊接检验记录SN2.5楼板(屋面)立管洞盛水实验记录SN2.6塑料排水管伸缩器安装预留伸缩量记录SN2.8设备基础验收记录SN2.9管道保温验收记录SN2.10设备单机试运转记录SN2.11阀门及散热器安装前水压试验记录SN2.14承压管道系统(设备)强度和严密水压试验记录SN2.15非承压管道灌水试验记录SN2.16给水、热水及采暖管道系统冲洗记录SN2.17卫生器具满水试验记录SN2.18地漏排水试验记录SN2.19排水系统及卫生器具通水试验记录SN2.21(室内排水系统安装子分部工程质量验收记录)(室内给水系统子分部工程质量验收记录)(室内热水供应系统安装子分部工程质量验收记)(卫生器具安装子分部工程质量验收记录)统表1(室外供热管网子分部工程质量验收记录)(建筑中水系统及游泳池水系统安装子分部工程质量验收记录)(室内消火栓系统安装分项工程质量验收记录)(给水设备安装分项工程质量验收记录)(室内排水管道及配件安装分项工程质量验收记录)(室内雨水管道及配件安装分项工程质量验收表)(室内热水管道及配件安装分项工程质量验收表)(室内热水系统辅助设备安装分项工程质量验收表)(卫生器具安装分项工程质量验收记录卫生器具给水配件安装分项工程质量验收记录)(卫生器具排水管道安装分项工程质量验收记录(室内采暖系统管道及配件安装分项工程质量验收表)(建筑中水系统管道及辅助设备安装分项工程质量验收记录)给水管道及配件安装分项工程质量验收记录统表2(系统水压试验及调试分项工程质量验收记录)(管道及配件安装分项工程质量验收记录)排水管沟与井池分项工程质量验收记录材料(构配件)、设备进场使用报验单A3.2工程名称:南京有线电厂整体搬迁工程江苏省建设厅监制工序质量报验单A3.2 工程名称:江苏省建设厅监制承压管道系统(设备)强度和严密性水压试验记录SN2.15非承压管道灌水试验记录SN2.16给水、热水及采暖管道系统冲洗记录SN2.17卫生器具满水试验记录SN2.18地漏排水试验记录SN2.19室内排水管道通球式样记录SN2.20排水系统及卫生器具通水试验记录SN2.21敞开水箱满水试验记录SN2.22消火栓系统试射试验记录SN2.23给水管道及配件安装工程检验批质量验记录SN3.1.1室内消火栓系统安装检验批质量验收记录SN3.1.2给水设备安装工程检验批质量验收记录SN3.1.3室内排水管道及配件安装工程检验批质量验收记录SN3.2.1室内雨水管道及配件安装检验批质量验收记录SN3.2.2续表。
(建筑给排水工程)给排水资料表格管道工程隐蔽验收记录SN2.3建筑给水排水及采暖工程施工现场质量管理记录SN1.1建筑给水排水及采暖分部工程质量验收记录SN1.2建筑给水排水及采暖子分部质量管理记录SN1.3(统表1)建筑给水排水及采暖分项工程质量验收记录SN1.4(统表2)建筑给水排水及采暖工程质量控制资料核查记录SN1.5建筑给水排水及采暖工程安全和功能检查资料核查及主要功能抽查记录SN1.6建筑给排水及采暖工程观感质量检查记录SN1.7设备进厂开箱检查记录SN2.1建筑给水排水及采暖工程材料、设备器具合格证、质保书、进场检(试)验报告汇总表SN2.2技术负责人:质量检查员:2007年月日管道支、吊架安装记录SN2.4管道焊接检验记录SN2.5楼板(屋面)立管洞盛水实验记录SN2.6塑料排水管伸缩器安装预留伸缩量记录SN2.8设备基础验收记录SN2.9管道保温验收记录SN2.10设备单机试运转记录SN2.11阀门及散热器安装前水压试验记录SN2.14承压管道系统(设备)强度和严密水压试验记录SN2.15非承压管道灌水试验记录SN2.16给水、热水及采暖管道系统冲洗记录SN2.17卫生器具满水试验记录SN2.18地漏排水试验记录SN2.19排水系统及卫生器具通水试验记录SN2.21(室内排水系统安装子分部工程质量验收记录)(室内给水系统子分部工程质量验收记录)(室内热水供应系统安装子分部工程质量验收记)(卫生器具安装子分部工程质量验收记录)统表1(室外供热管网子分部工程质量验收记录)(建筑中水系统及游泳池水系统安装子分部工程质量验收记录)(室内消火栓系统安装分项工程质量验收记录)(给水设备安装分项工程质量验收记录)(室内排水管道及配件安装分项工程质量验收记录)(室内雨水管道及配件安装分项工程质量验收表)(室内热水管道及配件安装分项工程质量验收表)(室内热水系统辅助设备安装分项工程质量验收表)(卫生器具安装分项工程质量验收记录卫生器具给水配件安装分项工程质量验收记录)(卫生器具排水管道安装分项工程质量验收记录(室内采暖系统管道及配件安装分项工程质量验收表)(建筑中水系统管道及辅助设备安装分项工程质量验收记录)给水管道及配件安装分项工程质量验收记录统表2(系统水压试验及调试分项工程质量验收记录)(管道及配件安装分项工程质量验收记录)排水管沟与井池分项工程质量验收记录材料(构配件)、设备进场使用报验单A3.2工程名称:南京有线电厂整体搬迁工程江苏省建设厅监制工序质量报验单A3.2 工程名称:江苏省建设厅监制承压管道系统(设备)强度和严密性水压试验记录SN2.15非承压管道灌水试验记录SN2.16给水、热水及采暖管道系统冲洗记录SN2.17卫生器具满水试验记录SN2.18地漏排水试验记录SN2.19室内排水管道通球式样记录SN2.20排水系统及卫生器具通水试验记录SN2.21敞开水箱满水试验记录SN2.22消火栓系统试射试验记录SN2.23给水管道及配件安装工程检验批质量验记录SN3.1.1室内消火栓系统安装检验批质量验收记录SN3.1.2给水设备安装工程检验批质量验收记录SN3.1.3室内排水管道及配件安装工程检验批质量验收记录SN3.2.1室内雨水管道及配件安装检验批质量验收记录SN3.2.2续表。
给水排水-001 沟槽开挖与地基基础检验批验收记录工程名称乔庄河城区段综合整治路灯工程分项工程名称沟槽开挖验收部位施工单位宁波市政工程建设集团股份有限公司专业工长余为明项目负责人周洪波分包单位/分包负责人/ 施工班组长周怀强施工执行标准名称及编号给水排水管道工程施工及验收规范GB50268-2008验收规范的规定施工单位检查评定记录监理(建设)单位验收记录主控项目1原状地基土不得扰动、受水浸泡或受冻第4.6.1条第1款2 地基承载力应满足设计要求第4.6.1条第2款3进行地基处理时,压实度、厚度满足设计要求第4.6.1条第3款项目允许偏差实测值1 槽底高程土方±20石方+20、-2002 槽底中线每侧宽度不小于规定3 沟槽边坡不小于规定共实测点,其中合格点,不合格点,合格率%施工单位检查评定结果项目专业质量检查员:项目专业质量(技术)负责人:年月日监理(建设)单位验收结论监理工程师(建设单位项目技术负责人):年月日给水排水-002沟槽支护检验批验收记录工程名称分项工程名称验收部位施工单位专业工长项目负责人分包单位分包负责人施工班组长施工执行标准名称及编号给水排水管道工程施工及验收规范GB50268-2008验收规范的规定施工单位检查评定记录监理(建设)单位验收记录主控项目1支撑方式、支撑材料符合设计要求第4.6.2条第1款2支护结构强度、刚度、稳定性符合设计要求第4.6.2条第2款一般项目1 横撑不得妨碍下管和稳管第4.6.2条第3款2支撑构件安装应牢固、安全可靠,位置正确第4.6.2条第4款3支撑后,沟槽中心线每侧的净宽不应小于施工方案设计要求第4.6.2条第5款4钢板桩的轴线位移不得大于50mm;垂直度不得大于1.5%第4.6.2条第6款施工单位检查评定结果项目专业质量检查员:项目专业质量(技术)负责人:年月日监理(建设)单位验收结论监理工程师(建设单位项目技术负责人):年月日工程名称青川县乔庄镇污水处理厂及管网工程(厂区排水工程)分项工程名称沟槽回填验收部位W1~W2 C2施工单位宁波市政工程建设集团股份有限公司专业工长王成项目负责人张文京分包单位/ 分包负责人/ 施工班组长金品德施工执行标准名称及编号给水排水管道工程施工及验收规范GB50268-2008验收规范的规定施工单位检查评定记录监理(建设)单位验收记录主控项目1 回填材料符合设计要求第4.6.3条第1款符合要求2沟槽不得带水回填,回填应密实第4.6.3条第2款符合要求3柔性管道的变形率不得超过设计要求或本规范第4.5.12条的规定,管壁不得出现隆起、环向扁平和其他变形情况第4.6.3条第3款符合要求4回填土压实度应符合设计要求,设计无要求时,应符合表4.6.3-1,表4.6.3.2的规定,柔性管道沟槽回填部位与压实度见图4.6.3第4.6.3条第4款符合要求一般项目1回填应达到设计高程,表面应平整第4.6.3条第5款符合要求2回填时管道及附属构筑物无损伤、沉降、位移第4.6.3条第6款符合要求施工单位检查评定结果项目专业质量检查员:项目专业质量(技术)负责人:年月日监理(建设)单位验收结论监理工程师(建设单位项目技术负责人):年月日工程名称青川县乔庄镇污水处理厂及管网工程(排水工程)分项工程名称管道基础验收部位施工单位宁波市政工程建设集团股份有限公司专业工长王成项目负责人张文京分包单位/分包负责人/施工班组长金品德施工执行标准名称及编号给排水管道工程施工及验收规范GB 50268-2008验收规范的规定施工单位检查评定记录监理(建设)单位验收记录主控项目1 原状地基的承载力符合设计要求第5.10.1条第1款2 混凝土基础的强度符合设计要求第6.2.8条第2款3砂石基础的压实度符合设计要求或本规范的规定第5.10.1条第3款一般项目1原状地基、砂石基础与管道外壁间接触均匀,无空隙第5.10.1条第4款2混凝土基础外光内实,无严重缺陷;混凝土基础的钢筋数量、位置正确第5.10.1条第5款项目允许偏差(mm)实测值3 垫层中线每侧宽度不小于设计要求高程压力管道±30无压管道0,-15厚度不小于设计要求4混凝土基础、管座平基中线每侧宽度+10,0高程0,-15厚度不小于设计要求管座肩宽+10,-5肩高±205土(砂及砂砾)基础高程压力管道±30无压管道0、-15平基厚度不小于设计要求土弧基础腋角高度不小于设计要求共实测点,其中合格点,不合格点,合格率%施工单位检查评定结果项目专业质量检查员:项目专业质量(技术负责人:年月日监理(建设)单位验收结论监理工程师(建设单位项目技术负责人):年月日钢管接口连接检验批质量验收记录工程名称青川县乔庄镇污水处理厂及管网工程(排水工程)分项工程名称钢管接口验收部位施工单位宁波市政工程建设集团股份有限公司专业工长王成项目负责人张文京分包单位/分包负责人施工班组长金品德施工执行标准名称及编号给水排水管道工程施工及验收规范GB 50268-2008验收规范的规定施工单位检查评定记录监理(建设)单位验收记录主控项目1管节及管件、焊接材料等的质量应符合5.3.2条规定第5.10.2条第1款2接口焊缝坡口应符合规定第5.3.7条第5.10.2条第2款3 焊口错边符合规范第5.3.8条规定,焊口无十字型焊缝第5.10.2条第3款4 焊口焊接质量应符合规范第5.3.17条规定和设计要求第5.10.2条第4款5法兰接口的法兰应与管道同心,螺栓自由穿入,高强度螺栓的终拧扭矩应符合设计要求和有关标准的规定第5.10.2条第5款一般项目1 接口组队时,纵、环缝位置应符合规范第5.3.9条规定第5.10.2条第6款2管节组队前,坡口及内外侧焊接影响范围内表面应无油、漆、垢、锈、毛刺等污物第5.10.2条第7款3 不同壁厚的管节对接应符合规范第5.3.10条规定第5.10.2条第8款4焊缝层次有明确规定时,焊接层数、每层厚度及层间温度应符合焊接作业指导书的规定,且层间焊缝质量均应合格第5.10.2条第9款5法兰中轴线与管道中轴线的允许偏差应符合:Di小于或等于300mm时,允许偏差小于或等于1mm;Di大于300mm时,允许偏差小于或等于2mm第5.10.2条第10款6连接的法兰之间应保持平行,其允许偏差不大于法兰外径的1.5‰,且不大于2mm;螺孔中心允许偏差应为孔径的5%第5.10.2条第11款共实测点,其中合格点,不合格点,合格率%施工单位检查评定结果项目专业质量检查员:项目专业质量(技术负责人:年月日监理(建设)单位验收结论监理工程师(建设单位项目技术负责人):年月日钢管内防腐层检验批质量验收记录工程名称分项工程名称验收部位施工单位专业工长项目负责人分包单位分包负责人施工班组长施工执行标准名称及编号给水排水管道工程施工及验收规范GB50268-2008验收规范的规定施工单位检查评定记录监理(建设)单位验收记录主控项目1内防腐层材料应符合国家相关标准的规定和设计要求;给水管道内防腐层材料的卫生性能应符合国家相关标准的规定第5.10.3条第1款2水泥砂浆抗压强度符合设计要求,且不低于30Mpa第5.10.3条第2款3液体环氧涂料内防腐层表面应平整、光滑,无气泡、无划痕等,湿膜应无流淌现象第5.10.3条第3款一般项目项目允许偏差(mm)实测值1 裂缝宽度≤0.82 裂缝沿管道纵向长度≤管道的周长,且≤2.0m3 平整度<24 防腐层厚度Di≤1000 ±21000<Di≤1800 ±3Di>1800+4-35麻点、空窝等表面缺陷的深度Di≤1000 21000<Di≤1800 3Di>1800 4 6 缺陷面积≤500mm27 空鼓面积不得超过2处,且每处≤10000mm2项目允许偏差(mm)8 液体环氧涂料内防腐层普通级≥200加强级≥250特加强级≥3009 电火花试验漏点数普通级 3加强级 1特加强级0共实测点,其中合格点,不合格点,合格率%施工单位检查评定结果项目专业质量检查员:项目专业质量(技术负责人:年月日监理(建设)单位验收结论监理工程师(建设单位项目技术负责人):年月日钢管外防腐层检验批质量验收记录工程名称分项工程名称验收部位施工单位专业工长项目负责人分包单位分包负责人施工班组长施工执行标准名称及编号给水排水管道施工及验收规范GB 50268-2008验收规范的规定施工单位检查评定记录监理(建设)单位验收记录主控项目1外防腐层材料(包括补口、修补材料)、结构等应符合国家相关标准的规定和设计要求项目允许偏差(mm)1 厚度符合本规范第5.4.9条的相关规定2 电火花检漏3 粘结力一般项目1 钢管表面除锈质量等级应符合设计要求2管道外防腐层(包括补口、补伤)的外观质量应符合本规范的相关规定第5.4.9条3管体外防腐层材料搭接、补口搭接、补伤搭接应符合要求第5.10.4条第5款共实测点,其中合格点,不合格点,合格率%施工单位检查评定结果项目专业质量检查员:项目专业质量(技术负责人:年月日监理(建设)单位验收结论监理工程师(建设单位项目技术负责人):年月日钢管阴极保护工程检验批质量验收记录工程名称分项工程名称验收部位施工单位专业工长项目负责人分包单位分包负责人施工班组长施工执行标准名称及编号给水排水管道施工及验收规范GB 50268-2008验收规范的规定施工单位检查评定记录监理(建设)单位验收记录主控项目1钢管阴极保护所用的材料、设备等应符合国家有关标准的规定和设计要求第5.10.5条第1款2管道系统的电绝缘性、电连续性经检测满足阴极保护的要去第5.10.5条第2款3阴极保护的系统参数测试应符合规定第5.10.5条第3款一般项目1管道系统中阳极、辅助阳极的安装应符合规范第 5.4.13、5.4.14条规定第5.10.5条第4款2所有连接点应按规定做好防腐处理,与管道连接处的防腐材料应与管道相同第5.10.5条第5款3阴极保护系统的测试装置及附属设施的安装应符合要求第5.10.5条第6款共实测点,其中合格点,不合格点,合格率%施工单位检查评定结果项目专业质量检查员:项目专业质量(技术负责人:年月日监理(建设)单位验收结论监理工程师(建设单位项目技术负责人):年月日球墨铸铁管接口检验批质量验收记录工程名称分项工程名称验收部位施工单位专业工长项目负责人分包单位分包负责人施工班组长施工执行标准名称及编号给水排水管道工程施工及验收规范GB50268-2008验收规范的规定施工单位检查评定记录监理(建设)单位验收记录主控项目1管节及管件的产品质量应符合规范第5.5.1条的规定第5.10.6条第1款2承插接口连接时,两管节中轴线应保持同心,承口、插口部位无破损、变形、开裂;插口推入深度应符合要求第5.10.6条第2款3法兰接口连接时,插口与承口法兰压盖的纵向轴线一致,连接螺栓终拧扭矩应符合设计或产品使用说明要求;接口连接后,连接部位及连接件应无变形、破损第5.10.6条第3款4橡胶圈安装位置应准确,不得扭曲、外露;沿圆周各点应与承口端面等距,其允许偏差应为±3mm第5.10.6条第4款一般项目1连接后管节间平顺,接口无突起、突弯、轴向位移现象第5.10.6条第5款2接口的环向间隙应均匀,承插口间的纵向间隙不应小于3mm第5.10.6条第6款3法兰接口的压兰、螺栓和螺母等连接件应规格型号一致,采用钢制螺栓和螺母时,防腐处理应符合设计要求第5.10.6条第7款4管道沿曲线安装时,接口转角应符合规范第5.5.8条规定第5.10.6条第8款共实测点,其中合格点,不合格点,合格率%施工单位检查评定结果项目专业质量检查员:项目专业质量(技术负责人:年月日监理(建设)单位验收结论监理工程师(建设单位项目技术负责人):年月日钢筋混凝土管、预(自)应力混凝土管、预应力钢筒混凝土接口连接检验批质量验收记录工程名称青川县乔庄镇污水处理厂及管网工程(排水工程)分项工程名称钢筋混凝土管验收部位施工单位宁波市政工程建设集团股份有限公司专业工长王成项目负责人张文京分包单位/ 分包负责人/ 施工班组长金品德施工执行标准名称及编号给水排水管道工程施工验收及规范GB 50268-208验收规范的规定施工单位检查评定记录监理(建设)单位验收记录主控项目1管及管件、橡胶圈的产品质量应符合规范第5.6.1、5.6.2、5.6.5条规定第5.10.7条第1款2柔性接口的橡胶圈位置正确,无扭曲、外露现象;承口、插口无破损、开裂;双道橡胶圈的单口水压试验合格第5.10.7条第2款3刚性接口的强度符合设计要求,不得有开裂、空鼓、脱落现象第5.10.7条第3款一般项目1柔性接口的安装位置正确,其纵向间隙应符合规范第5.6.9、5.7.2条的相关规定第5.10.7条第4款2刚性接口等等宽度、厚度符合设计要求;其相邻管接口错口允许偏差:Di小于700mm时,应在施工中自检;Di大于700mm,小于或等于1000mm时,应不大于3mm;Di大于1000mm时,应不大于5mm第5.10.7条第5款3管道沿曲线安装时,接口转角应符合规范第5.7.5条的相关规定第5.10.7条第6款4管道接口的填缝应符合设计要求,密实、光洁、平整第5.10.7条第7款共实测点,其中合格点,不合格点,合格率%施工单位检查评定结果项目专业质量检查员:项目专业质量(技术负责人:年月日监理(建设)单位验收结论监理工程师(建设单位项目技术负责人):年月日化学建材管接口连接检验批质量验收记录工程名称青川县乔庄镇污水处理厂及管网工程(排水工程)分项工程名称化学建材管接口连接验收部位施工单位宁波市政工程建设集团股份有限公司专业工长王成项目负责人张文京分包单位/ 分包负责人/ 施工班组长金品德施工执行标准名称及编号给水排水管道工程施工及验收规范GB50268-2008验收规范的规定施工单位检查评定记录监理(建设)单位验收记录主控项目1管节及管件、橡胶圈等的产品质量应符合第5.8.1、5.9.1条规范第5.10.8条第1款2承插、套筒式连接时,承口、插口部位及套筒连接紧密,无破损、变形、开裂等现象;插入后胶圈应位置正确,无扭曲等现象;双道橡胶圈的单口水压试验合格第5.10.8条第2款3聚乙烯管、聚丙烯管接口熔焊连接应符合规定第5.10.8条第3款4卡箍连接、法兰连接、钢塑过渡接头连接时,应连接件齐全、位置正确、安装牢固,连接部位无扭曲、变形第5.10.8条第4款一般项目1承插、套筒式接口的插入深度应符合要求,相邻管口的纵向间隙应不小于10mm;环向间隙应均匀一致第5.10.8条2承插式管道沿曲线安装时的接口转角,玻璃钢管的不应大于第5.8.3条规定;聚乙烯管、聚丙烯管的接口转角应不大于1.5°;硬聚氯乙烯管的接口转角应不大于1.0°第5.10.8条第6款3熔焊连接设备的控制参数满足焊接工艺要求;设备与待连接管的接触面无污物,设备及组合件组装正确、牢固、吻合;焊后冷却期间接口未受外力影响第5.10.8条第7款4卡箍连接、法兰连接、钢塑过渡连接件的钢制部分以及钢制螺栓、螺母、垫圈的防腐要求应符合设计要求第5.10.8条第8款共实测点,其中合格点,不合格点,合格率%施工单位检查评定结果项目专业质量检查员:项目专业质量(技术负责人:年月日监理(建设)单位验收结论监理工程师(建设单位项目技术负责人):年月日管道铺设检验批质量验收记录工程名称青川县乔庄镇污水处理厂及管网工程(排水工程)分项工程名称管道铺设验收部位施工单位宁波市政工程建设集团股份有限公司专业工长王成项目负责人张文京分包单位/分包负责人/ 施工班组长金品德施工执行标准名称及编号给水排水管道工程施工规范GB50268-2008验收规范的规定施工单位检查评定记录监理(建设)单位验收记录主控项目1管道埋设深度、轴线位置应符合设计要求,无压力管道严禁倒坡第5.10.9条第1款2刚性管道无结构贯通裂缝和明显缺损情况第5.10.9条第2款3柔性管道的管壁不得出现纵向隆起、环向扁平和其他变形情况第5.10.9条第3款4管道铺设安装必须稳固,管道安装后应线形平直第5.10.9条第4款一般项目1管道内应光洁平整,无杂物、油垢;管道无明显渗水和水珠现象第5.10.9条第5款2管道与井室洞口之间无渗漏水第5.10.9条第6款3管道内外防腐层完整,无破损现象第5.10.9条第7款4钢管管道开孔应符合规范第5.3.11条规定第5.10.9条第8款项目允许偏差(mm)实测值5 水平轴线无压管道15压力管道306管底高程Di≤1000无压管道±10压力管道±30Di>1000无压管道±15压力管道±30共实测点,其中合格点,不合格点,合格率%施工单位检查评定结果项目专业质量检查员:项目专业质量(技术负责人:年月日监理(建设)单位验收结论监理工程师(建设单位项目技术负责人):年月日工作井检验批质量验收记录工程名称青川县乔庄镇污水处理厂及管网工程(排水工程)分项工程名称验收部位施工单位宁波市政工程建设集团股份有限公司专业工长项目负责人分包单位分包负责人施工班组长施工执行标准名称及编号给水排水管道工程施工及验收规范GB50268-2008验收规范的规定施工单位检查评定记录监理(建设)单位验收记录主控项目1工程原材料、成品、半成品的产品质量应符合国家相关标准规定和设计要求第6.7.2条第1款2工作井结构的强度、刚度和尺寸应满足设计要求,结构无滴漏和线流现象第6.7.2条第2款3混凝土结构的抗压强度等级、抗渗等级符合设计要求第6.7.2条第3款一般项目1 结构无明显渗水和水珠现象第6.7.2条第4款2顶管顶进工作井、盾构始发工作井的后背墙应竖实、平整;后座与井壁后背墙联系紧密第6.7.2条第5跨3两导轨应顺直、平行、等高,盾构基座及导轨的夹角符合规定;导轨与基座连接应牢固可靠,不得在使用中产生位移第6.7.2条第6款检查项目允许偏差(mm)4井内导轨安装定面高程顶管、夯管+3,0盾构+5,0中心水平位置顶管、夯管 3盾构 5两轨间距顶管、夯管±2盾构±55 盾构后座管片高程±10水平轴线±106 井尺寸矩形每侧长、宽不小于设计要求圆形半径7 进、出井预留洞口中心位置20内径尺寸±20 8 井底板高程±309 顶管、盾构工作井后背墙垂直度0.1%H水平扭转度0.1%L共实测点,其中合格点,不合格点,合格率%施工单位检查评定结果项目专业质量检查员:项目专业质量(技术负责人):年月日监理(建设)单位验收结论监理工程师(建设单位项目技术负责人):年月日顶管管道检验批质量验收记录工程名称分项工程名称验收部位施工单位专业工长项目负责人分包单位分包负责人施工班组长施工执行标准名称及编号给水排水管道工程施工及验收规范GB50268-2008验收规范的规定施工单位检查评定记录监理(建设)单位验收记录主控项目1管节及附件等工程材料的产品质量应符合国家有关标准的规定和设计要求第6.7.3条第1款2接口橡胶圈安装位置正确,无位移、脱落现象;钢管的接口焊接质量应符合第5章相关规定,焊缝无损探伤检验符合设计要求第6.7.3条第2款3无压管道的管底坡度无明显反坡现象;曲线顶管的实际曲率半径符合设计要求第6.7.3条第3款4管道接口端部应无破损、顶裂现象,接口处无滴漏第6.7.3条第4款一般项目1管道内应线形平顺、无突变、变形现象;一般缺陷部位,应修补密实、表面光洁;管道无明显渗水和水珠现象第6.7.3条第5款2管道与工作井出、进洞口的间隙连接牢固,洞口无渗漏水第6.7.3条第6款3钢管防腐层及焊缝处的外防腐层及内防腐层质量验收合格第6.7.3条第7款4有内防腐层的钢筋混凝土管道,防腐层应完整、附着紧密第6.7.3条第8款5 管道内应清洁,无杂物、油污第6.7.3条第9款顶管施工贯通后管道允许偏差(mm)7直线顶管水平轴线顶管长度<300m 50300m≤顶进长度<1000m 100顶进长度≥1000m L/108直线顶管内底顶进长度<300mDi<1500 +30,-40Di≥1500 +40,-50高程300≤顶进长度<1000m +60,-80 顶进长度≥1000m+80,-100 9曲线顶管水平轴线R ≤1500Di水平曲线150 竖曲线150复合曲线 200 R>150Di 水平曲线150竖曲线150复合曲线 150 10曲线顶管内底高程R ≤1500Di水平曲线+100,-150 竖曲线+150,-200复合曲线 ±200 R>150Di 水平曲线+100,-150竖曲线+100,-150复合曲线 ±200 11 相邻管间错口钢管、玻璃钢管≤2钢筋混凝土管15%壁厚,且≤20 12钢筋混凝土管曲线顶管相邻管间接口的最大间隙与最小间隙之差≤△S 13 钢管、玻璃钢管道竖向变形 ≤0.03Di 14 对顶时两端错口50共实测 点, 其中合格 点, 不合格 点, 合格率 %施工单位检查 评定结果项目专业质量检查员: 项目专业质量(技术负责人: 年 月 日监理(建设)单位验收结论监理工程师(建设单位项目技术负责人): 年 月 日垂直顶升管道检验批质量验收记录工程名称分项工程名称验收部位施工单位专业工长项目负责人分包单位分包负责人施工班组长施工执行标准名称及编号给水排水管道工程施工及验收规范GB50268-2008验收规范的规定施工单位检查评定记录监理(建设)单位验收记录主控项目1管节及附件的产品质量应符合国家相关标准的规定和设计要求第6.7.4条第1款2管道直顺,无破损现象;水平特殊管节及相邻管节无变形、破损现象;顶升管道底座与水平特殊管节的连接符合设计要求第6.7.4条第2款3管道防水、防腐蚀处理符合设计要求;无滴漏和线流现象第6.7.4条第3款一般项目1 管节接口连接件安装正确、完整第6.7.4条第4款2防水、防腐层完整,阴极保护装置符合设计要求第6.7.4条第5款3 管道无明显渗水和水珠现象第6.7.4条第6款项目允许偏差(mm)实测值4 顶升管帽盖顶面高程±205顶升管节安装管节垂直度≤1.5‰H管节连接端面平行度≤1.5‰D0且≤26 顶升管节间错口≤207 顶升管道垂直度0.5%H8 顶升管道垂直度沿水平管纵向30沿水平管横向209开口顶管升口中心轴线沿水平管纵向40沿水平管横向30共实测点,其中合格点,不合格点,合格率%施工单位检查评定结果项目专业质量检查员:项目专业质量(技术负责人:年月日监理(建设)单位验收结论监理工程师(建设单位项目技术负责人):年月日。
沟槽开挖与地基基础检验批验收记录
钢管接口连接检验批质量验收记录
钢管内防腐层检验批质量验收记录
钢管外防腐层检验批质量验收记录
钢管阴极保护工程检验批质量验收记录
球墨铸铁管接口检验批质量验收记录
钢筋混凝土管、预(自)应力混凝土管、预应力钢筒混凝土
接口连接检验批质量验收记录
化学建材管接口连接检验批质量验收记录
管道铺设检验批质量验收记录
工作井检验批质量验收记录
顶管管道检验批质量验收记录
垂直顶升管道检验批质量验收记录
盾构管片制作检验批质量验收记录
盾构掘进和管片拼装检验批质量验收记录
盾构施工管道的钢筋混凝土二次衬砌检验批质量验收记录
浅埋暗挖管道的土层开挖检验批质量验收记录
浅埋暗挖管道的初期衬砌应检验批质量验收记录
浅埋暗挖管道的防水层检验批质量验收记录
浅埋暗挖管道的二次衬砌检验批质量验收记录
定向钻施工管道检验批质量验收记录
夯管施工管道检验批质量验收记录
沉管基槽浚挖及管基处理检验批质量验收记录
组对拼装管道(段)的沉放检验批质量验收记录
沉放的预制钢筋混凝土管节制作检验批质量验收记录
沉放的预制钢筋混凝土管节接口预制加工(水力压接法)
检验批质量验收记录
预制钢筋混凝土管的沉放检验批质量验收记录
沉管的稳管及回填应符合检验批质量验收记录
桥管管道检验批质量验收记录
井室检验批质量验收记录
雨水口及支、连管检验批质量验收记录
给水排水-034 支墩检验批质量验收记录。
给水排水管道工程施工及验收全部检验批表格沟槽(基坑)土方开挖检验批质量检验记录表A.0.1编号:010001□□沟槽(基坑)支护检验批质量检验记录表 A.0.1 编号:010002□□沟槽(基坑)回填检验批质量检验记录表 A.0.1 编号:010003□□开槽施工检验批质量检验记录表 A.0.1 编号:020101□□/020201□□/020301□□/020401□□钢筋混凝土管接口连接检验批质量检验记录表 A.0.1 编号:020202□□020302□□钢筋混凝土类管道铺设检验批质量检验记录表 A.0.1 编号:020203□□020303□□砖砌井室检验批质量检验记录表 A.0.1 编号:030002□□钢管接口连接检验批质量检验记录表 A.0.1编号:020102□□021301□□金属类管道铺设检验批质量检验记录表 A.0.1 编号:020103□□020303□□钢管内防护层(水泥砂浆)检验批质量检验记录表 A.0.1 编号:020104□□021203□□021303□□钢管内防护层(环氧涂料)检验批质量检验记录表 A.0.1 编号:020104□□021203□□021303□□钢管外防护层检验批质量检验记录表 A.0.1 编号:020104□□021203□□021303□□钢管阴极保护检验批质量检验记录表 A.0.1 编号:020107□□020904□□021206□□021306□□球墨铸铁管接口连接检验批质量检验记录表 A.0.1 编号:020108□□化学建材管接口连接检验批质量检验记录表 A.0.1 编号:020402□□021201□□注:1、本表由施工项目专业质量检查员填写,监理工程师(建设单位项目技术负责人)组织项目专业质量检查员等进行验收,并应按上表进行记录。
柔性管道铺设检验批质量检验记录表 A.0.1 编号:020403□□灌渠基础检验批质量检验记录表 A.0.1 编号:020501□□020601□□020701□□灌渠模板检验批质量检验记录表 A.0.1 编号:020502□□注:1、本表由施工项目专业质量检查员填写,监理工程师(建设单位项目技术负责人)组织项目专业质量检查员等进行验收,并应按上表进行记录。