岩棉板检验报告
- 格式:xls
- 大小:16.00 KB
- 文档页数:2
玻镁岩棉板夹芯板隐蔽验收记录岩棉夹芯板薄抹灰外墙外保温工程施工验收应符合《建筑工程施工质量验收统一标准》GB50300,《建筑节能工程施工质量验收规范》GB50411等相关标准和本规程的规定。
岩棉夹芯板薄抹灰外墙外保温工程应在找平层质量验收合格后施工,施工过程中应及时进行质量检查、隐蔽工程验收和检验批验收,施工完成后应进行分项工程验收。
岩棉夹芯板薄抹灰外墙外保温工程应对下列部位或内容进行隐蔽工程验收,并应有详细的文字记录和必要的图像资料:保温层附着的基层及其表面处理;保温板粘结或固定;锚固件;增强网铺设;墙体热桥部位处理;被封闭的保温材料厚度。
岩棉夹芯板薄抹灰外墙外保温工程的检验批划分应满足下列要求:采用相同材料、工艺和施工做法的墙面,每500-1000平方米面积划分为一个检验批,不足500平方米也为一个检验批;检验批的划分也可根据与施工流程相一致且方便施工与验收的原则,由施工单位与监理(建设)单位共同商定。
岩棉夹芯板薄抹灰外墙外保温工程验收应提供下列文件:岩棉夹芯板薄抹灰外墙外保温工程的设计文件、图纸会审记录、设计变更和洽商记录;外墙外保温系统组成材料的型式检验报告及主要材料的产品合格证、出厂检验报告、进场验收记录、进场复验报告;隐蔽工程验收记录和相关图像资料;检验批质量验收记录;其他必须提供的资料。
岩棉夹芯板薄抹灰外墙外保温工程的检验批质量验收合格,应满足下列要求:检验批应按主控项目和一般项目验收;主控项目全部合格;一般项目应合格;当采用计数检验时,至少应有90%以上的检查点合格,且其余检查点不得有严重缺陷;应具有完整的施工操作依据和质量验收记录。
岩棉夹芯板薄抹灰外墙外保温分项工程质量验收合格,应满足下列要求:分项工程所含的检验批均应合格;分项工程所含检验批的质量验收记录应完整。
岩棉保温板验收要求
下载温馨提示:该文档是我店铺精心编制而成,希望大家下载以后,能够帮助大家解决实际的问题。
文档下载后可定制随意修改,请根据实际需要进行相应的调整和使用,谢谢!
Download tips: This document is carefully compiled by theeditor. l hope that after you downloadthem,they can help yousolve practical problems. The document can be customized andmodified afterdownloading,please adjust and use it according toactual needs, thank you!
岩棉保温板验收要求:
①外观检查:岩棉板表面平整,无明显破损、裂纹、污迹,尺寸、厚度符合设计标准。
②密度与强度:抽检岩棉板,确保密度均匀,压缩强度及抗拉强度达标,满足保温隔热性能。
③粘结质量:检查岩棉板与基层粘结是否牢固,无脱层、空鼓现象,粘结面积符合规范。
④锚固件安装:锚栓布置合理,数量、深度满足设计要求,拉拔试验合格。
⑤防水防潮:防水层完整,搭接严密,无渗漏,尤其是板缝、阴阳角处理得当。
⑥保温层厚度:测量保温层平均厚度,确保整体及局部不低于设计值,保温效果达标。
⑦排水排气:排水坡度正确,排气顺畅,无积水区域,防止雨水渗透及冬季冻胀破坏。
⑧质量文件:审查出厂合格证、检测报告、施工记录等文档齐全,符合工程档案要求。
通过细致验收,确保岩棉保温板施工质量,达到预期的节能、防火与使用寿命目标。
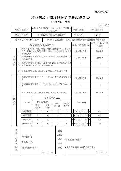
DBJ04-226-2003 板材隔墙工程检验批质量验收记录表
GB50210—2001
DBJ04-226-2003
板材隔墙工程检验批质量验收记录表
GB50210—2001
DBJ04-226-2003 说明
030501 一、板材隔墙工程的检验批应按下列规定划分:
同一品种的轻质隔墙工程每50间(大面积房间和走廊按轻质隔墙的墙面30m2为一间)应划分为一个检验批,不足50间也应划分为一个检验批。
二、板材隔墙工程的检查数量应符合下列规定:
每个检验批应至少抽查10%,并不得少于3间;不足3间时应全数检查。
三、主控项目的检验方法:
1.观察;检查产品合格证书、进场验收记录和性能检测报告。
2.观察;尺量检查;检查隐蔽工程验收记录。
3.观察;手扳检查。
4.观察;检查产品合格证书和施工记录。
四、一般项目的检验方法:
1.观察;尺量检查。
2.观察;手摸检查。
3.观察。
4.允许偏差的检验方法:
(1)立面垂直度,用2m垂直检测尺检查。
(2)表面平整度,用2m靠尺和塞尺检查。
(3)阴阳角方正,用直角检测尺检查。
(4)接缝高低差,用钢直尺和塞尺检查。
采光顶岩棉板隐蔽验收记录一、项目概况项目名称:采光顶岩棉板施工工程施工单位:XXX建筑工程有限公司施工人员:XXX施工队伍监理单位:XXX监理有限公司监理人员:XXX监理人员验收单位:XXX质量安全监督站二、验收时间:20XX年XX月XX日三、验收内容1.施工方提交的验收资料(1)采光顶岩棉板的材料合格证明;(2)采光顶岩棉板的施工图纸及技术要求;(3)施工过程中的质量检验记录。
2.施工方整改情况根据施工方提交的相关资料和记录,监理单位对施工过程进行了全程跟踪和监督,发现以下问题:(1)施工方在施工过程中存在材料使用不符合要求的情况,经监理人员提醒,施工方及时整改;(2)采光顶岩棉板的施工过程中,发现一些细节处理不到位,施工方立即进行了整改。
经过施工方的整改,以上问题已得到解决,并符合相关技术要求。
四、验收结果根据对施工方提交的资料和现场实际情况的评估,结合正常施工的要求,确认采光顶岩棉板的施工质量具备验收条件。
五、验收意见根据施工方提交的验收资料和整改情况,结合实际验收情况,对采光顶岩棉板进行了综合评估,并提出以下建议和意见:1.施工方应加强对材料的进货验收工作,确保采光顶岩棉板的材料质量符合要求;2.施工方应加强对施工人员的技术培训和管理,提高施工质量;3.在施工过程中,应进一步加强现场管理,确保施工过程的细节和要求得到有效执行。
六、结论经过全面的验收,确认采光顶岩棉板的施工质量符合要求,可以进行下一步的施工工作。
同时,对施工方及监理单位在施工过程中的付出表示肯定和感谢,希望施工方在以后的施工中继续保持良好的施工质量和技术水平。
七、附件1.采光顶岩棉板的材料合格证明2.采光顶岩棉板的施工图纸及技术要求3.施工过程中的质量检验记录以上是采光顶岩棉板隐蔽验收的记录,总字数1200字。
岩棉板厚度测量标准岩棉板是一种用于建筑保温、吸声和阻燃的材料,其厚度的准确测量对于确保其性能和工程质量非常重要。
制定一份关于岩棉板厚度测量标准是至关重要的,下面是一份2000字的岩棉板厚度测量标准的示例。
一、引言1.1 目的本标准的目的是规定岩棉板厚度的测量方法和要求,确保岩棉板的厚度可以准确、一致地测量。
1.2 适用范围本标准适用于岩棉板的厚度测量,包括建筑工程和工业设备等领域。
二、术语和定义2.1 岩棉板指一种由岩石矿石通过高温熔化和飞溅方式制成的纤维状产品。
2.2 厚度指岩棉板的纵向尺寸,垂直于岩棉板表面的距离。
三、测量工具和仪器3.1 测量工具3.1.1 金属直尺:用于测量岩棉板的厚度。
3.1.2 厚度规:用于测量岩棉板的厚度,具有较高的精度。
3.2 测量仪器3.2.1 电子千分尺:用于测量岩棉板的厚度,具有较高的精度和数字显示功能。
3.2.2 激光测距仪:用于测量岩棉板的厚度,具有较高的测量精度和快速测量的能力。
四、测量方法和要求4.1 准备工作4.1.1 检查测量仪器和工具的状态,确保其正常工作和精确度。
4.1.2 清洁岩棉板表面,确保无杂物影响测量结果。
4.1.3 选择合适的测量方法和仪器,确保测量结果准确可靠。
4.2 测量步骤4.2.1 使用金属直尺或厚度规测量岩棉板的厚度。
4.2.2 将测量仪器放置在岩棉板表面上,根据仪器的使用说明进行操作,并记录测量结果。
4.2.3 重复测量步骤,至少进行三次测量,取平均值作为最终测量结果。
4.3 测量要求4.3.1 测量结果的误差应控制在±1mm以内。
4.3.2 测量结果应记录在测量记录表格中,包括测量日期、测量位置和测量结果等信息。
4.3.3 完成测量后,应及时整理和存档测量记录,以备日后参考和查证。
五、质量控制5.1 校准5.1.1 定期校准测量仪器和工具,确保其精度和正确性。
5.1.2 校准过程应符合相关的国家和行业标准。
5.2 质量审查5.2.1 对测量结果进行质量审查和分析,及时发现和纠正可能存在的问题。
表C.0.9外墙节能构造钻芯检测报告
外墙节能构造检验报告报告编号委托编号检测日期
工程名称****办公楼内外装饰工程建设单位***公司委托人/联系电话
监理单位徐州市***监理有限
公司
检测依据
施工单位徐州**有限公司设计保温材料岩棉板节能设计单位设计保温层厚度80mm
检验结果
检验项目芯样1 芯样2 芯样3 取样部位轴线/1层轴线/1层轴线/1层芯样外观
完整/基本
完整/破碎
完整/基本
完整/破碎
完整/基本
完整/破碎保温材料种类岩棉板岩棉板岩棉板
保温层厚度10.5mm 11.8mm 10.5mm 平均厚度10.93mm
围护结构
分层做法
1、基层;
2、岩棉板;
3、螺栓;
4、网格布;
5、粘接剂;
6、抹面砂浆;
1、基层;
2、岩棉板;
3、螺栓;
4、网格布;
5、粘接剂;
6、抹面砂浆;
1、基层;
2、岩棉板;
3、螺栓;
4、网格布;
5、粘接剂;
6、抹面砂浆;照片编号01 02 03
结论:见证意见:
1抽样方法符合规
定;
2现场钻芯;
3芯样照片真实;
4其他:
见证人:批准审核检验
检验单位(印章)报告日期。
外墙岩棉拉拔试验检测标准
外墙岩棉拉拔试验检测标准主要依据《建筑装饰装修工程施工质量验收规范》GB50210和《抹灰砂浆技术规程》JGJ/T220-2010。
具体标准如下:
1. 检验批划分:相同材料、工艺和施工条件的室外抹灰工程每500~1 000m应划分为一个检验批,不足500m也应划分为一个检验批。
2. 检验方法:检查样板件粘结强度检测报告和施工记录。
3. 抹灰层拉伸粘结强度检测时,相同砂浆品种、强度等级、施工工艺的外墙,顶棚抹灰工程每5000m应为一个检验批,每个检验批应取一组试件进行检测,不足5000m也应取一组。
需要注意的是,这些标准适用于外墙岩棉保温拉拔试验。
对于外墙玻璃幕墙岩棉,虽然拉拔试验并非强制性要求,但为了确保工程质量和安全性,建议仍然进行拉拔试验检测。
FB岩(矿)棉板外墙外保温系统产品评估资料编制单位:上海丰慧节能环保科技有限公司编制日期:2011年6月1日星期三目录一、企业介绍二、执行标准三、系统构造四、生产检验设备五、保温系统型式检测报告六、设计七、施工工艺及验收八、工程应用及用户意见一、企业介绍企业简介为推进并发展岩(矿)棉板保温材料在房屋建筑节能保温工程中的应用,提高节能保温工程的防火性能和耐久性,并且规范(矿)岩棉板外墙外保温系统的应用技术,根据上海市建筑建材业市场管理总站沪建市管[2011] 号下达的项目,上海沪标工程建设咨询有限公司同上海丰慧节能环保科技有限公司在调查研究并总结已有工实践的基础上编制了本规程。
FB岩(矿)棉板外墙外保温系统是上海丰慧节能环保科技有限公司研究并开发应用的以岩(矿)棉板为保温隔热材料,采用粘、钉结合工艺施工的不燃型建筑节能保温系统。
该系统具有保温材料导热系数低、透气性好、燃烧性能级别高等优势,并且使用范围广,构造完善,可应用于新建、扩建、改建的居住建筑和公共建筑外墙的节能保温工程,包括外墙外保温、非透明幕墙保温和可燃型保温材料外保温系统的防火隔离带;工业建筑保温以及既有节能改造在技术条件相同时也可采用。
本规程主要技术内容有:1总则;2术语;3材料4;设计5施工;6质量验收。
为该系统在墙体节能保温工程中设计、施工与验收提供了技术依据。
有关单位在执行本规程时,如发现需要修改和补充之处,请与上海丰慧节能环保科技有限公司联系,以供今后修订时参考。
联系地址:上海市南汇区三灶都市工业园区宜秋路335号6区邮编:201300。
电话:;传真:。
主编单位:上海新标工程建设咨询有限公司参编单位:上海丰慧节能环保科技有限公司主要起草人:毕立新李生兵杨星虎赵海云彭圣钦王素梅贾铭林刘明明二、执行标准FB岩(矿)棉板外墙外保温系企标2.1 范围本标准规定了FB岩(矿)棉板外墙外保温系统产品的定义、分类和标记、要求、试验方法、检验规则、产品合格证和使用说明书,以及系统产品组成材料的包装、运输和贮存。
岩棉保温板环境影响评价报告表新格式一、引言岩棉保温板作为建筑材料中的一种常见选择,其环境影响评价一直备受关注。
随着社会发展和技术进步,评价报告表的格式也在不断更新和完善。
本文将围绕岩棉保温板环境影响评价报告表新格式展开探讨,并就其对环境影响的评价内容、形式以及发展趋势进行全面分析和评价。
二、岩棉保温板环境影响评价内容的新格式1.原料环境友好性评价岩棉保温板的生产过程中所使用的原料对环境的影响至关重要。
在新格式的评价报告表中,应当对原料的来源、资源消耗情况、自然环境影响以及可持续性进行详细的评估和分析。
2.生产工艺对环境的影响评价评价报告表还应包括生产工艺对环境的影响评价,包括生产过程中产生的废水、废气、固体废物等排放情况的记录,并就其对环境的潜在影响进行分析和预测。
3.产品使用阶段对环境的影响评价新格式的评价报告表还应加强对产品使用阶段对环境的影响评价,包括在使用过程中产生的污染物、能耗情况以及废弃物处理方式等内容的详细记录和评估。
三、岩棉保温板环境影响评价报告形式的新格式1.数据化呈现新格式的评价报告表更加注重数据化呈现,通过图表、数据统计等形式直观地展现岩棉保温板在不同环节对环境的影响情况,使评价结果更加明了。
2.可视化展示评价报告表还加强了可视化展示的形式,通过图片、图表等方式展现岩棉保温板与环境之间的关联,提高人们对评价结果的理解和接受度。
3.综合性呈现新格式的评价报告表更注重综合性呈现,将岩棉保温板在不同环节对环境的影响进行横向和纵向比较,以期全面把握其环境影响的全貌。
四、岩棉保温板环境影响评价报告的发展趋势1.多维度评价随着环保理念的不断深入人心,评价报告表将更加关注岩棉保温板在生命周期的各个阶段对环境的影响,实现全方位的多维度评价。
2.国际标准化评价报告表的格式将更加趋向于国际标准化,以便于与国际接轨,更好地参与国际竞争。
3.信息透明化评价报告表也将更加注重信息透明化,对数据来源、评价方法等进行公开,增强评价结果的可信度和公正性。
矿棉板质检报告1. 引言本报告旨在对矿棉板进行质检,评估其质量和性能,以确保其符合相关标准和要求。
矿棉板是一种常用于建筑和装饰材料的产品,因其具有良好的隔音、隔热、防火和耐久性而受到广泛应用。
2. 材料和方法2.1 材料•矿棉板样品:从不同生产批次中随机选择的10块矿棉板样品。
2.2 方法使用以下方法对矿棉板样品进行质检:1.外观检查:检查矿棉板的表面是否平整、无裂纹、无明显色差等。
2.尺寸测量:测量矿棉板样品的长度、宽度和厚度,确保其尺寸符合标准要求。
3.密度测量:使用密度计测量矿棉板样品的密度,以评估其质量。
4.弯曲强度测试:按照相关标准,对矿棉板样品进行弯曲强度测试,以评估其抗弯能力。
5.吸声性能测试:使用声学测试仪器对矿棉板样品的吸声性能进行测试,以评估其隔音效果。
6.阻燃性能测试:对矿棉板样品进行阻燃性能测试,以评估其抗火能力。
3. 结果和讨论经过上述测试和评估,以下是对矿棉板样品的质量和性能进行的评估:1.外观检查:所有矿棉板样品的表面均平整,无裂纹和明显的色差,符合外观要求。
2.尺寸测量:矿棉板样品的长度、宽度和厚度均符合标准要求。
3.密度测量:矿棉板样品的密度平均值为X kg/m³,符合标准范围。
4.弯曲强度测试:矿棉板样品的平均弯曲强度为X MPa,符合标准要求。
5.吸声性能测试:矿棉板样品的吸声性能达到X分贝,能有效隔音。
6.阻燃性能测试:矿棉板样品被测试后未发生明火燃烧,符合阻燃要求。
综合评估以上结果,矿棉板样品在外观、尺寸、密度、弯曲强度、吸声性能和阻燃性能等方面均符合相关标准和要求,可以放心使用。
4. 结论根据对矿棉板样品的质检结果,我们可以得出以下结论:•矿棉板样品的外观符合要求,表面平整,无裂纹和色差。
•矿棉板样品的尺寸符合标准要求,长度、宽度和厚度在允许范围内。
•矿棉板样品的密度、弯曲强度和吸声性能均达到标准要求。
•矿棉板样品具有良好的阻燃性能,在火灾情况下能有效阻止火势蔓延。
a级岩棉板参数
A级岩棉板是一种具有优异防火性能的保温材料,以下是其主要技术参数:
1. 材质:以玄武岩为主要原料,通过高温熔融加工制成。
2. 表观密度:岩棉板的表观密度通常在100-150 kg/m3之间。
3. 导热系数:岩棉板的导热系数在平均温度25℃时为0.040 W/(m·K)。
4. 燃烧性能:A级防火岩棉板具有优异的燃烧性能,可以达到A级防火标准。
5. 纤维直径:岩棉板的纤维直径通常在7μm左右。
6. 渣球含量:渣球含量小于10%。
7. 憎水率:憎水率大于98%。
8. 抗拉强度:抗拉强度在7.5 Kpa左右。
9. 压缩强度:压缩强度在40 Kpa(10%变形)左右。
10. 酸度系数:酸度系数为1.8。
以上参数仅供参考,实际产品可能因生产工艺和原材料的差异而略有不同。
在选购岩棉板时,请务必关注产品的实际性能指标。
岩棉板复检项目岩棉板是一种常用的保温材料,广泛应用于建筑、工业设备和船舶等领域。
为了确保岩棉板的质量和性能符合标准要求,进行岩棉板的复检是非常重要的。
本文将介绍岩棉板复检的相关项目和要求。
一、外观质量检验外观质量检验是岩棉板复检的第一步。
检验人员应对岩棉板的表面进行仔细观察,检查是否有明显的裂纹、变形、划痕等缺陷。
同时,还要检查岩棉板的颜色是否均匀,是否有明显的色差。
外观质量检验是确保岩棉板外观完好无损的重要环节。
二、尺寸和几何尺寸检验尺寸和几何尺寸检验是岩棉板复检的关键项目之一。
检验人员应使用测量工具,对岩棉板的长、宽、厚进行准确测量。
同时,还需检查岩棉板的平面度、平行度和垂直度。
这些检验项目的合格与否直接关系到岩棉板的安装和使用效果。
三、物理性能检验物理性能检验是岩棉板复检的核心内容。
主要包括岩棉板的密度、导热系数、吸水性、抗压强度等指标的检测。
密度是指岩棉板单位体积的质量,导热系数是指岩棉板导热能力的大小,吸水性是指岩棉板吸水的能力,抗压强度是指岩棉板抵抗压力的能力。
这些物理性能指标的检测结果直接反映了岩棉板的保温性能和耐久性能。
四、燃烧性能检验燃烧性能检验是岩棉板复检的重要环节。
岩棉板作为一种保温材料,其燃烧性能直接关系到建筑物的火灾安全性。
检验人员应将岩棉板样品置于特定的实验装置中,进行燃烧性能测试。
测试结果应符合相关标准要求,岩棉板的燃烧性能应达到一定的等级。
五、环境保护检验环境保护检验是岩棉板复检的重要内容。
岩棉板在生产和使用过程中产生的废气、废水和废渣等应符合环境保护要求。
检验人员应对岩棉板的环境影响进行评估,确保岩棉板的生产和使用不对环境造成污染。
六、其他项目检验除了上述几个主要项目外,岩棉板的复检还包括一些其他的项目,如化学成分检验、防潮性能检验、温度变化性能检验等。
这些项目的检测结果将进一步验证岩棉板的质量和性能。
岩棉板复检项目涵盖了外观质量、尺寸和几何尺寸、物理性能、燃烧性能、环境保护等多个方面。
岩棉板现场拉拔试验标准
一、试验目的
岩棉板现场拉拔试验的目的是测定岩棉板与基层墙体的粘结强度,以确保其能够满足设计要求和工程实际需要。
通过该试验,可以有效地评估岩棉板在工程中的性能表现,为后续施工提供可靠的依据。
二、试验原理
岩棉板现场拉拔试验采用千斤顶或手动液压泵作为动力源,通过连接的锚具对岩棉板进行拉拔。
在拉拔过程中,记录岩棉板的位移和受力情况,直至其从基层墙体上脱落。
通过分析试验数据,可以得到岩棉板与基层墙体的粘结强度。
三、试验步骤
1. 选取具有代表性的岩棉板,将其与基层墙体进行粘贴,并确保粘贴质量。
2. 安装千斤顶或手动液压泵,并将其与岩棉板连接的锚具相连接。
3. 启动千斤顶或手动液压泵,对岩棉板进行缓慢、均匀的拉拔。
4. 记录岩棉板的位移和受力情况,直至其从基层墙体上脱落。
5. 对试验数据进行整理和分析,计算出岩棉板与基层墙体的粘结强度。
四、试验结果分析
根据试验数据,对岩棉板与基层墙体的粘结强度进行评估。
如果粘结强度满足设计要求,则可以认为该批岩棉板的质量是可靠的。
如果粘结强度不满足设计要求,则需要对岩棉板的粘贴工艺进行改进或更换
材料。
五、试验注意事项
1. 在试验过程中,应确保操作人员的安全,避免因操作不当导致的伤害。
2. 对试验设备进行定期检查和维护,确保其正常运行和使用寿命。
3. 在选取岩棉板时,应确保其具有代表性,且粘贴质量符合要求。
4. 在拉拔过程中,应缓慢、均匀地进行加载,避免对岩棉板和基层墙体造成损伤。
5. 对试验数据进行认真分析和处理,避免因误操作导致的数据失真或丢失。