煤矿探放水钻孔布置 附图
- 格式:ppt
- 大小:1.57 MB
- 文档页数:25
煤矿井下探放水钻孔安全施工煤矿井下探放水钻探的施工朱明诚煤矿井下探放水钻探施工现场布设一般如下图所示:4567891011121332114岩体1-泥浆泵 2-蓄浆池 3-泥浆搅拌机 4-流量调节阀 5-泥浆管道6-水龙头 7-钻机8-钻杆 9-防突封孔器 10-高压闸阀 11-孔口管 12-钻孔 13-钻杆逆止阀14-钻头图1煤矿井下探放水钻探施工现场布设图与一般地面钻探不同,煤矿井下探放水钻探施工钻孔由于施工地点在地表以下,常常会受到突然钻到含水构造后的高压水水害威胁。
钻孔如果预防措施不足,就会造成施工人员伤害、施工安全失控的事故。
更严重的会造成由于探放水钻孔施工导致淹井事故。
这类事故以前在多处矿山发生过。
因此,煤矿井下探放水钻探施工比其他钻探施工多了钻孔孔口防突及保护措施。
上图中,就有孔口管安设、防突封孔器与高压闸阀二级孔口防护、钻杆逆止阀防突等钻孔施工的水害预防措施。
与一般地面钻探相同的是,煤矿井下探放水钻探施工钻孔根据地层条件的不同,需选用不同的钻进方法、破岩钻头材料及配套工艺。
煤矿井下探放水钻探在接到施工任务书后,一般需按照以下的工艺流程进行。
钻 孔 设 计钻场(窝)施工钻 机 稳 定开 孔孔口套管安设钻 进可 控 退 钻可控疏放水参数测量及取样注浆治理或封孔图2煤矿井下探放水钻探工艺流程钻孔设计是在煤矿探放水施工中有着特殊的意义,主要包含以下内容:探放水地点区域的水文地质条件预报。
其应包含探查水害的类型、水头高度(水压)、积水量、与其他含水层(积水区、地表水体)的水力联系等。
探放钻孔孔口安全装置及耐压要求、止水管长度、固结要求和施工技术要求等。
受水威胁地区信号联系和避灾路线。
通风措施和瓦斯检查制度,要制定防止在探水过程中瓦斯或其他有害气体涌出的防治措施。
防排水设施,如防水密闭、水闸墙等设计及水仓(窝)、水泵、管路、水沟等排水系统及能力的具体要求和安排。
钻探及放水安全施工技术措施、水情及避灾联系汇报制度、灾害处理措施和交接班制度等。
探放水钻孔单孔设计一、中心眼1、中心眼位置:中心眼眼口位于巷道中线底板向上1.0米处。
2、中心眼直径中心眼钻孔直径的大小,以既能使积水顺利排出,又能防止冲跨煤壁,保证遇到积水时,能加以控制为标准,选用探放水钻孔终孔直径不大于75mm(放水时孔径小于50mm为宜)。
3、中心眼长度根据要求,中心眼长度≮200m,可供向前掘进140米,超前距60m。
4、中心眼施工角度钻孔在水平面上沿掘进方向施工,在垂直面上以0°角钻进。
二、外斜眼1、外斜眼位置共施工2组4个外斜眼,眼口在平面上分别位于中心眼两侧距两帮1.0米处,垂直面上位于巷道底板向上1.0米和1.5米处。
2、外斜眼直径中心眼钻孔直径的大小,以既能使积水顺利排出,又能防止冲跨煤壁,保证遇到积水时,能加以控制为标准,选用探放水钻孔终孔直径不大于75mm(放水时孔径小于50mm为宜)。
3、外斜眼长度根据要求,外斜眼长度≮200m,可供向前掘进140米,超前距60m,帮距20米。
4、外斜眼角度在水平面上与中心眼成6°夹角,距底板1.5米的外斜眼在垂直面上分别以0°角钻进,距地板1米的外斜眼在垂直面上以俯角0°40′夹角钻进。
三、安全技术措施1、钻孔钻进时要严格按照地质技术人员、测量人员标定的孔位及施工措施中规定的方位、角度、孔深等进行施工,不经技术人员同意不得擅自改动。
2、打钻时,必须加强原有的支护,改变支护方式时,应制定安全措施,报有关部门批准后施工。
3、钻机等设备安装前要检查、整修设备,并检查加固钻场及其周围支架,防止冒顶片帮;清理各种脏杂物,挖好清水池和疏水沟。
4、钻机立轴对准钻孔位置,摆正钻机架,机座与地梁木之间用螺栓连接,固定于基台木上。
基台木要安放牢固、平稳,在四角打上压柱及戗柱固定。
使用木柱时,直径不小于18厘米。
5、机身安放平稳,上紧底固螺丝。
各种电气设备必须防爆,机械传动部分要安装防护栏、保护罩。
电器设备的安装、使用,必须严格执行《煤矿安全规程》和相关规定。
【2013】山西乡宁焦煤集团台头前湾煤业有限公司作业地点: 2113回风顺槽掘进工作面探放水设计编制人:防治水科长:防治水副总:总工程师:施工负责人:编制时间:2113回风顺槽探放水设计会审表会审时间会审地点主持人参加人员总工程师地测股矿长通风股安全副矿长安全股生产副矿长调度室机电副矿长机电股矿长助理探水队防治水副总会审意见:探放水设计会审意见整改落实表会审意见的整改意见:防治水科长:探水队队长:总工程师:时间:年月日目录第一章防治水管理机构及职责划分 (1)第二章设计目的 (2)第三章设计依据 (2)第四章巷道设计及四邻关系情况 (3)第五章施工地区地质及水文地质条件 (4)第六章施工地区水害分析 (5)第七章探放水设计 (5)(一)设计原则 (5)(二)井下物探设计 (5)(三)探水钻参数及探水钻孔设计 (6)(四)异常情况探放水设计说明 (9)(五)验收工作 (10)第八章钻探安全技术措施 (10)第九章通风与瓦斯检查安全技术措施 (16)第十章排水措施 (17)第十一章避灾措施 (18)附件:探放水设计附图1、探水钻孔平面布置示意图2、探水钻孔布置断面示意图3、探水钻孔布置预想剖面示意图4、2113回风顺槽掘进工作面避灾路线图5、2113回风顺槽掘进工作面通风系统图6、2113回风顺槽掘进工作面排水系统图7、2113回风顺槽掘进工作面四邻关系图8、2113回风顺槽掘进工作面巷道布置图9、煤层柱状图山西乡宁焦煤集团台头前湾煤业有限公司2113回风顺槽掘进工作面探放水设计第一章防治水管理机构及职责划分组长:靳敏捷(总工程师)副组长:李鹏(防治水副总工程师)成员:武文鹏(地测防治水科长)郑林林(防治水技术员)武文栋(防治水技术员)薛栋(地质专业技术员)探放水作业队伍机构探放水队队长:侯高红探放水队班组长:姚晋将李帅薛栋探放水队队员:冯云山张宏亮尉斌郭峰杨耀龙张建军张继红任栗胜张夏磊加万里卢波职责划分:矿长是矿井防治水工作第一责任人。
泸县雨坛镇铁丁山煤矿探放水钻孔设计泸县雨坛镇铁丁山煤矿探放水钻孔设计探水钻孔的布置(一)探放水的主要参数1.超前距探水时从探水线开始向前方打钻孔,一次打透积水情况少见,常是探水-掘时-再探水-再掘进,循环进行。
而探水钻孔终孔位置应始终超前掘进工作面一段距离,该距离称超前距)。
2允许掘时距离经探水证实无水害威胁,可以安全掘进的长度称允许掘进距离。
3.帮距帮距是指使巷道两帮与可能存在的老窑积水之间保持一定的安全距离,即呈扇布置的最外侧探水孔所制的范围与巷道帮的距离。
其值应与超前距相同,超前距一般采用20m在薄煤层中可缩短,但不得小于8m,也可用下式计算:式中a――超前距,m;A――安全系数,一般取2~5;L――巷道跨度(宽或高取大值),m;P――水头压力,MPa;Kp――煤的抗张强度,MPa。
4.钻孔密度(孔间距)它指允许掘进距离终点横剖面上探水钻孔之间的间距,不超过3m,以免漏掉老窑巷道。
(二)探放水孔布置方式探水钻孔的布置方式和巷道类型、煤层厚度与产状有关,情况不同时,布置方式也有所不同。
总的说来,探水钻孔的布置从平面上看,主要有扇形和半扇形两种。
1.扇形布置巷道处于三面受水威胁的地区,进行搜索性探放老窑水,其探水钻孔多按扇形布置,探水钻孔之间的平面夹角,一般在70~150,使巷道前进方向及左右两侧需要保护的煤层空间均有钻孔控。
2.半扇形布置对于积水肯定在巷道一侧的探水地区,探水钻孔可呈半扇形布置。
半扇形的钻孔向巷道一侧撒开,使巷道一侧需要保护范围内的煤层空间有钻孔控制。
(三)探水与掘进的配合1.双巷掘进交叉探水因积水区在上方,上山巷道三面受水威胁,一般应双巷掘进。
其中一条适当超前探水、泄水,另一条随后,用来安全撤人。
双巷之间每隔30m~50m掘一联络巷,并设挡水半墙,以便在其中一条上山出水时,水不会窜到另一条上山中去。
2.双巷掘进单巷超前探水在倾斜煤层中进平巷时,一般是用上方巷道超前探水,探水钻孔布置成扇形,下方巷道为泄水巷,两巷之间每隔30m~50m掘一联络巷。
探放水及探放有害气体安全措施一. 概况:本矿井属资源整合矿井,所开采煤田范围有相当区域有历史老空,且在本井田范围的东部区域原芋园煤矿井下发生过火灾。
故导致在本井田开采过程中历史老空不同程度有积水,且老空内可能积聚有一氧化碳等有害气体,故在掘进过程中必须坚持"先探后掘'的原则。
二.探放孔布置及施工:1.探孔与探放水孔直径35mm,深度不少于30m。
探孔布置如下示意图。
(附图见后)2.探孔必须由专人施工,打钻人员作业过程中必须携带便携式瓦斯检测仪及一氧化碳检测器,且会运用,会测定有毒有害气体。
3.探孔施工前必须检查作业地点20m范围内支护情况及围岩情况,检查瓦斯及有毒有害气体情况,在无任何隐患前提下方可施工。
打钻严格按照操作规程要求进行。
每个钻孔深度,角度符合要求,在打钻过程中需经常检查有毒有害气体浓度,当有异常时立即停止打钻,加强通风,进行处理或撤出相关范围内人员。
4.每个掘进工作面在先打30m探孔经检测无任何隐患后方可进行掘进工作,掘进时必须保证工作面前方探孔深度不小于5m,否则不得掘进。
5.打钻人员必须学习本措施及掘进作业规程,学习"一通三防'有关规定要求,严格按章作业。
三.安全技术措施:1.打钻人员经培训学习,考试合格持证上岗。
2.严格三大规程,杜绝三违现象。
3.打钻作业地点必须安全无任何隐患,打钻前必须先对作业地点进行全面检查,否则不许开钻。
4.打钻至少应三人进行,同时随时检查瓦斯及有毒有害气体情况,打钻过程中瓦检员,安检员应不定时检查,并作好各类记录。
5.打钻过程中若钻孔出水或向外喷水时,应立即停止打钻,同时不能拔出钻杆。
当水量极大,水压极高时应立即通知矿调度量及相邻区域人员撤退,同时就近关闭电源。
6.在打钻之前应先加固作业地点20m范围内的支护,同时坚持高帮问顶制度。
7.在已知前方有大量积水情况下,进行探放水时,在放水之前应先检查好全部排水设备,当排水系统无任何故障的前提下方可进行探放水工作。
探放水钻孔设计(一)探放水钻孔布置探放水钻孔布置原则是以控制掘进巷道前方一定范围内的立体空间采掘情况及积水情况为目的,保证掘进巷道前方不受水害威胁,确保生产安全。
钻孔布置形式分扇形布置和半扇形布置。
1、扇形布置巷道掘进前方可能处于三面采掘和积水情况不清,均可能受水害威胁,必须进行搜索性探测老空和积水,其探放水钻孔按扇形布置。
2、半扇形布置巷道掘进前方只有一侧采掘和积水情况不清,可能受水害威胁,另一侧帮距20m范围内已有巷道控制或已进行超前探测,其探水钻孔按半扇形布置。
(二)探放水钻孔参数1、超前距规定根据《煤矿防治水规定》,超前距是指探水钻孔终孔位置超前掘进工作面掌头的一段距离。
从三矿的煤岩层强度情况分析,规定钻孔超前距不得小于30m。
2、允许掘进距离是指经探水证实无任何水害威胁,可以安全掘进的长度,即钻孔实际施工长度-超前距(30m)。
3、帮距是指呈扇形布置的最外侧探水孔所控制的范围与巷道帮的距离。
帮距取20m。
4、探放水钻孔参数设计巷道掌头探放水钻孔共设计1组3个孔。
详细参数见表1及图1、图2、图3。
表1 探放水钻孔设计参数表(注:角度一列中α代表煤层顺巷伪倾角。
当煤层顺巷为上坡时,α为正值;当煤层顺巷为下坡时,α为负值。
)图1.探水钻孔分布图单位:cm5、钻孔单孔设计1)钻孔单孔设计参数(止水套管口必须安装控水阀门、三通及测压装置(见单孔设计图)(3)封孔工艺及耐压试验根据设计方位及角度,先用岩芯管取芯钻进10米后进行封孔,将裹有编织袋的止水套管塞入孔内,当聚胺脂液体由套管外环间隙返到孔口时,用碎布塞入管外壁与孔间隙内,捣实。
用封孔夹将止水套管夹实,并用锚杆将封孔夹锚固于煤帮上。
待凝固24小时后做耐压试验(试验压力不小于0.5MP),待稳定30分钟止水套管周围不渗水后方可继续钻进。
否则重新封孔。
掘进探水钻孔布置图及探放水措施探放水安全技术措施水害是煤矿五大自然灾害之一,井下防治水工作是矿井放治水工作的重要内容,是进行水害治理,确保矿井安全生产的主要手段,坚持“有掘必探,先探后掘”的原则是防止井下水害事故的基本保证。
为进一步加强2504准备工作面回风巷掘进的防治水管理工作,特制定如下探放水安全技术措施。
一概况:2504准备工作面位102采区,标高+1884水平,设计长度100米。
用于2504准备工作面的回风。
二、探放水安全技术措施:1、必须坚持“有掘必探,先探后掘”的原则,在2504准备工作面回风巷掘进过程中必须进行超前探放水。
2、防治水前必须做好防排水的一切准备工作:①加强钻场附近的巷道支护,并在工作面迎头打好坚固的主柱和拦板。
②清理巷道,挖好水沟。
探水钻孔位于巷道低洼处时,必须配备与防治水量相适应的排水设备。
③在打钻地点或附近安设专用电话。
④测量和防探水人员必须亲临现场,依据设计确定主要探水孔的位置、方位、角度、深度及钻孔数目。
3、采用750型探水钻进行探放水,孔深70m,每次探水打5个眼,圆形布置在掘进工作面,中孔距顶板1m、距两帮1m,平行巷道探进,两边孔距顶1m、距两帮0.5m,上下孔距顶分别是0.5m、.1.5米,距两帮0.5m,巷道掘进方向13度夹角钻进(详见附图)。
4、在打探放水钻的过程中,要注意观察,根据孔内的情况作出判断,采取措施处理,或者及时撤人。
探眼孔内水压增大时,应立即停止探放水工作。
先探后掘时,严格按措施布置的孔径、孔数、方位、角度、深度等规定操作实施。
5、探眼内水压增大时,应立即停止探放水工作,关闭电气设备、撤出人员,并通知井下人员全部撤到地面。
瓦斯检查员要及时对工作面区域孔内的有毒有害气体进行测试,并作好详细记录。
有毒有害气体经测定超限时,严格停止作业,及时撤出人员。
6、探放水过程中,现场由安全员或带班人认真观察是否有透水预兆,如淋水增大、顶板来压、煤壁挂红挂汗、空气变冷、煤邦(壁)有水叫声、出现雾气、顶板底板裂隙出现渗水、水有异味等,要及时撤出人员并通知受水域威胁区域人员撤出。
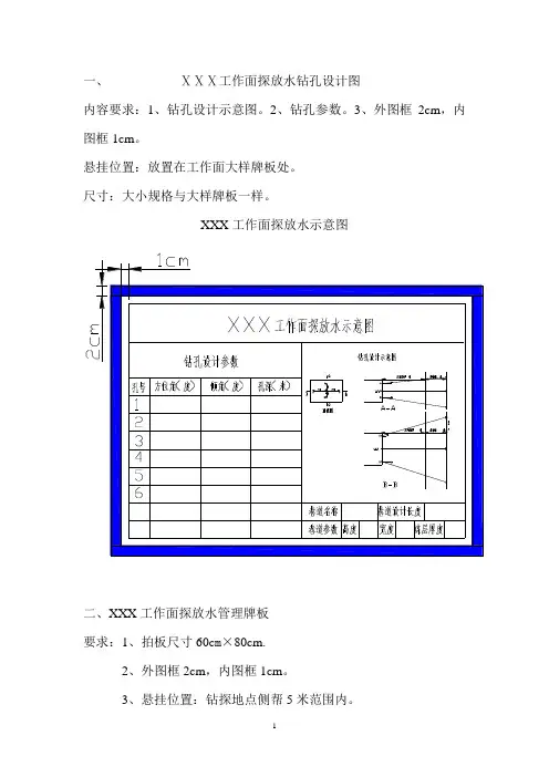
一、ⅩⅩⅩ工作面探放水钻孔设计图
内容要求:1、钻孔设计示意图。
2、钻孔参数。
3、外图框2cm,内图框1cm。
悬挂位置:放置在工作面大样牌板处。
尺寸:大小规格与大样牌板一样。
XXX工作面探放水示意图
二、XXX工作面探放水管理牌板
要求:1、拍板尺寸60c m×80cm.
2、外图框2cm,内图框1cm。
3、悬挂位置:钻探地点侧帮5米范围内。
XXX工作面探放水管理牌板
三、准掘牌板
要求:1、尺寸:45c m×35cm 。
2、外图框2cm,内图框1cm。
3、悬挂位置:交班时悬挂于工作面迎头永久支护5米范围内。
4、由掘进队组安检工负责填写。
四、探放水起始点牌板
要求:1、悬挂位置:钻探地点侧帮。
2、由钻探队负责悬挂。
3、尺寸:25cm×30cm。
4、外图框2cm,内图框1cm。
五、当班掘进起始点指示牌
要求:1、悬挂位置:交班时永久支护最前侧帮。
2、钢板喷漆
3、尺寸:10cm×50cm。