史上最全涂料涂装计算工具,果断收藏
- 格式:pdf
- 大小:936.54 KB
- 文档页数:13
涂料和涂装计算正方形正方形的长(高)和宽都是一样长的:A =H ⨯B 或者S =B2,S =H2注:在美国,是用高(H)和宽(B)的概念长方形长方形的长(高)和宽,边长不一样:A =H ⨯ B三角形三角形的面积计算为底边(W)乘以高(H),再乘以1/2或除以2:A =½ (W ⨯ H)梯形梯形的面积计算为(底边+上边)乘以高,再除以2:A =½ (底边+上边) ⨯高圆形圆形的计算,取圆周率3.14乘以半径的平方A =π⨯ r2其中:r为半径π为圆周率椭圆形椭圆形的面积,取圆周率3.14乘以主轴(D),乘以副轴(d),再除以4,即:A =¼ (π⨯ D ⨯d )涂料和涂装计算球体球体的表面积计算,取圆周率3.14乘以直径乘以直径,即:S =3.14 ⨯ D ⨯ D长方体/正方体长方体或正方体的表面积计算,实则六面个中,相对的两个面积是一样的,所以只要分别计算出相邻三个面的面积再乘以2,即:S =2 ⨯ [ (a ⨯ b )+ (a⨯c) + (b⨯ c) ]如果是正方体,因为每条边长都一样,面积为:S =6 ⨯ a 2圆柱体圆柱体的表面积为上下两个底面的面积加上圆周面积之和,即:S =2 (π⨯ r2)+(π⨯D)⨯ H其中:π为圆周率,取3.14r 为半径D为直径周长为π⨯D圆周面积为:周长乘以高(H)圆锥体圆锥体的表面积计算,取圆周率3.14,乘以圆底的直径,乘以斜边长,再除以2,即A = ½ (π⨯D ⨯ s)罐顶(半球体)储罐顶的的表面积计算罐2乘以圆周率,乘以顶高(H),再乘以半径(R),如下:A = 2 ⨯ 3.14 ⨯ R ⨯ H涂料和涂装计算型钢的表面积计算只要知道其尺寸(单位:mm),我们可以按计算出各类型钢的每米的面积和每吨的面积涂料和涂装计算水塔的面积计算容量(千加仑)水塔(直径/英尺)内部面积(平方英尺)外部面积(平方英尺)50 100 150 200 250 500 750 10004444445干8干83 1504 3005 1005 9006 70010 00013 60017 0006 5008 0009 90011 10012 70019 60029 10036 900注:外部面积包括立柱的面积换算:1加仑= 3.785升(美制)1英尺= 0.304米1平方英尺=0.929平方米。
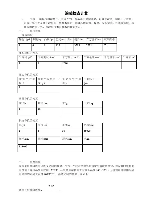
涂装检查计算一、引言防腐涂料涂装中,会涉及到一些基本的数学计算,内容并深奥,但是十分重要。
这些计算主要是基于涂料的一些基本概念,如体积固含量,膜厚,涂布量等。
扎实地掌握一些基本的数学计算,是涂料技术员基本的技能要求。
二、单位换算压力单位的换算长度单位的换算三、温度换算经常会用到摄氏与华氏义之间的换算。
作为一个技术员需要知道常见温度的换算,如涂料时底材的温度高于露点温度的数据,3℃/5℉,环氧树脂涂料施工时最低温度10℃/50℉,无机富锌底漆作为耐温底漆的可耐受温度400/752℉,两者之间的换算公式如下F-32从华氏度到摄氏度=-------------从摄氏度到华氏度F=+32四、膜厚的计算1、涂料的体积固体含量在中国涂料工业中,目前还习惯采用质量固体份来衡量一个涂料品质。
但是欧美国家体积固体含量,实际上更为科学和实用。
涂料的体积固体含量即为涂料中非挥发性成分与液态漆料的体积比。
这是一个非常重要的概念,液态涂料中的溶剂挥发后,真正留在被涂物表面成为漆膜的就是涂料中的非挥发分,即体含量。
大多数涂料生产商采用的计算方法是在实验室条件下,按照《油漆及颜料化学师(occa)》单行本中所述,即《涂料固体成分的含量确定(按体积计算)》来进行的,这个方法是测量漆膜干燥前的湿膜厚度(WFT)和干燥后的干膜厚度(DFT ),按以下公式来计算:干膜厚度体积固体含量=------------------------------------湿膜厚度例:某涂料产品,测得其湿膜厚度为200微米,干膜厚度为80微米,计算其体积固体含量:干膜厚度80体积固体含量=-------------------------------=----------------------= 40%湿膜厚度200即体积固体含量为40%.2、干膜厚度和湿膜厚度涂层厚度可在施工过程中进行测定,无论涂层是处于湿膜还是干膜状态。
干膜的厚度通常在涂装合同予以规定。
乳胶漆计算公式一、乳胶漆的基本概念和特点乳胶漆,又称水性漆,是一种以乳胶为基料的涂料。
与传统的油性漆相比,乳胶漆具有环保、无毒、无味、易于清洁等优点,因此在家庭装修和建筑装饰中得到了广泛应用。
乳胶漆的计算公式是指根据需要涂刷的面积和每平方米的涂刷量,计算出所需乳胶漆的用量。
正确使用乳胶漆计算公式可以帮助我们有效控制乳胶漆的用量,避免浪费和不足的情况发生。
二、乳胶漆计算公式乳胶漆的计算公式可以简单地表示为:乳胶漆用量 = 面积× 涂刷量其中,面积是指需要涂刷的墙面或天花板的总面积,单位一般为平方米;涂刷量是指每平方米需要涂刷的乳胶漆的用量,单位一般为升。
三、乳胶漆计算公式的应用1. 首先,我们需要测量需要涂刷的墙面或天花板的面积。
对于规则形状的墙面或天花板,可以直接使用尺子或卷尺测量,然后计算出面积;对于不规则形状的墙面或天花板,可以使用面积计算器或专业软件进行计算。
2. 其次,我们需要确定每平方米的涂刷量。
一般来说,乳胶漆的涂刷量与墙面或天花板的材料、质地、吸水性等因素有关。
通常情况下,对于新建的墙面或天花板,涂刷量为1.5-2升/平方米;对于旧墙面或天花板,涂刷量为2-2.5升/平方米。
当然,具体的涂刷量还需要根据实际情况进行调整。
3. 最后,根据乳胶漆的计算公式,将面积和涂刷量代入公式中,即可得出乳胶漆的用量。
例如,如果需要涂刷的墙面总面积为100平方米,每平方米的涂刷量为2升,则乳胶漆的用量为100平方米× 2升/平方米 = 200升。
四、注意事项1. 在使用乳胶漆计算公式时,要尽量准确地测量墙面或天花板的面积,避免因测量不准确导致乳胶漆用量的错误计算。
2. 在确定涂刷量时,要考虑墙面或天花板的实际情况,如吸水性、质地等因素,合理调整涂刷量,避免用量过多或过少。
3. 在涂刷乳胶漆时,要注意均匀涂刷,避免出现涂层厚薄不均的情况,以保证涂刷效果的一致性。
4. 在购买乳胶漆时,要根据计算出的乳胶漆用量合理购买,避免因购买不足或过多而造成浪费或不便。
涂装常用计算公式 Prepared on 22 November 2020涂装检查计算一、引言防腐涂料涂装中,会涉及到一些基本的数学计算,内容并深奥,但是十分重要。
这些计算主要是基于涂料的一些基本概念,如体积固含量,膜厚,涂布量等。
扎实地掌握一些基本的数学计算,是涂料技术员基本的技能要求。
二、单位换算液体容积面积单位的换算压力单位的换算质量单位的换算长度单位的换算三、温度换算经常会用到摄氏与华氏义之间的换算。
作为一个技术员需要知道常见温度的换算,如涂料时底材的温度高于露点温度的数据,3℃/5℉,环氧树脂涂料施工时最低温度10℃/50℉,无机富锌底漆作为耐温底漆的可耐受温度400/752℉,两者之间的换算公式如下F-32从华氏度到摄氏度=-------------从摄氏度到华氏度 F=+32四、膜厚的计算1、涂料的体积固体含量在中国涂料工业中,目前还习惯采用质量固体份来衡量一个涂料品质。
但是欧美国家体积固体含量,实际上更为科学和实用。
涂料的体积固体含量即为涂料中非挥发性成分与液态漆料的体积比。
这是一个非常重要的概念,液态涂料中的溶剂挥发后,真正留在被涂物表面成为漆膜的就是涂料中的非挥发分,即体含量。
大多数涂料生产商采用的计算方法是在实验室条件下,按照《油漆及颜料化学师(occa)》单行本中所述,即《涂料固体成分的含量确定(按体积计算)》来进行的,这个方法是测量漆膜干燥前的湿膜厚度(WFT)和干燥后的干膜厚度(DFT ),按以下公式来计算:干膜厚度体积固体含量=------------------------------------湿膜厚度例:某涂料产品,测得其湿膜厚度为200微米,干膜厚度为80微米,计算其体积固体含量:干膜厚度 80体积固体含量=-------------------------------=----------------------= 40%湿膜厚度 200即体积固体含量为40%.2、干膜厚度和湿膜厚度涂层厚度可在施工过程中进行测定,无论涂层是处于湿膜还是干膜状态。
乳胶漆使用量计算方法
一、乳胶漆使用量计算方法
1、按漆膜厚度计算:千克/平方米=涂装面积(平方米)×漆膜厚度(牙/米)÷1000
一般涂装厚度为:20~30μm(100~150牙/米),计算方法为:涂装面积(平方米)×漆膜厚度(牙/米)÷1000=所需涂料量(千克)
2、按面积敷开计算:千克/平方米=涂装面积(平方米)×涂料密度(千克/升)
(注意:一般乳胶漆的涂料密度为1.3~1.7千克/升)
涂装面积(平方米)×涂料密度(千克/升)=所需涂料量(千克)
三、一般涂装厚度
一般乳胶漆的涂装厚度为20-30μm(100-150牙/米)。
四、注意事项
1、乳胶漆敷涂面必须做好清理涂装前的准备工作,使涂装表面干净,无杂质。
2、尽量控制涂料撒溅,以减少浪费和污染,降低清洗工作的困难。
3、防止涂装时出现过多流挂,让涂料像雾状一样均匀地覆盖在表面上,涂抹时应按垂直或45度角方向涂料,这样才能涂得均匀、漆膜厚度和美观。
4、涂料的选择根据涂膜应用环境不同而定,一般乳胶漆用于室
内涂装,水性乳胶漆用于室外涂装。
涂装常用计算公式一、引言防腐涂料涂装中,会涉及到一些基本的数学计算,内容并深奥,但是十分重要。
这些计算主要是基于涂料的一些基本概念,如体积固含量,膜厚,涂布量等。
扎实地掌握一些基本的数学计算,是涂料技术员基本的技能要求。
二、单位换算液体容积加仑 /gal 夸脱/ qt品脱/ pt盎司/oz升/l毫升/ml立方厘米/ cc立方英寸/ cu.in 148128 3.78537853785231面积单位的换算平方码 yd2平方英尺 foot2平方英寸inch2平方毫米mm2平方厘米cm2平方米m2 191296836127.368361.270.83612压力单位的换算磅每平方英尺 /lf.ft-2磅每平方英寸/lb.in-2 或 psi千克每平方厘米 /kg.cm-2千帕斯卡/pka10.006940.0004880.0479质量单位的换算磅 /lb盎司 /oz克/ g千克/ kg116453.60.4563长度单位的换算码/yd 英尺 /ft英寸/in密耳/mil133636000微米/u m毫米/mm厘米/cm米/m914400914.491.440.9144三、温度换算经常会用到摄氏与华氏义之间的换算。
作为一个技术员需要知道常见温度的换算,如涂料时底材的温度高于露点温度的数据,3℃/5℉,环氧树脂涂料施工时最低温度10℃/50℉,无机富锌底漆作为耐温底漆的可耐受温度400/752℉,两者之间的换算公式如下F-32从华氏度到摄氏度=-------------1.8从摄氏度到华氏度 F=1.8C+32四、膜厚的计算1、涂料的体积固体含量在中国涂料工业中,目前还习惯采用质量固体份来衡量一个涂料品质。
但是欧美国家体积固体含量,实际上更为科学和实用。
涂料的体积固体含量即为涂料中非挥发性成分与液态漆料的体积比。
这是一个非常重要的概念,液态涂料中的溶剂挥发后,真正留在被涂物表面成为漆膜的就是涂料中的非挥发分,即体含量。
涂料的计算方法
涂料是一种用于保护建筑物、家具和其他物品的化学物质。
计算方法是指使用适当的工具和设备来计算涂料的用量。
以下是一些常见的计算方法:
1. 估算法:估算法是使用涂料的大致质量或使用量来估算所需的涂料数量。
例如,使用一个涂料的重量百分比或一个参考涂料配方来计算所需的涂料量。
2. 测量法:测量法使用精确的测量工具和设备来测量所需的涂料量。
这种方法适用于需要大量购买涂料的情况。
3. 比例法:比例法是将所需的涂料量与涂料的实际质量相比例。
例如,如果预计使用一个涂料配方,需要将涂料质量乘以所需的涂料量来计算所需的涂料数量。
4. 计算单位法:计算单位法是将涂料的质量转换为单位,以便更容易计算所需的涂料量。
例如,如果预计使用一个涂料配方,需要将涂料质量除以单位(例如千克或平方英尺)来计算所需的涂料量。
计算方法的选择取决于所需的涂料量、涂料的质量要求、购买时间和工具。
选择合适的计算方法可以帮助最大化使用涂料,并确保购买到符合要求的涂料。
涂装工艺涂装喷涂常用工具完美的喷漆修补工作基于哪些重要因素?❑洁净的压缩空气喷涂修补的艺术是掌握这三方面并适当地把他们运作起来!❑高质量的涂料❑先进的喷涂工具压缩空气对喷涂所起的作用是:喷涂的返工是昂贵的,并且会阻碍工厂的顺畅运行!压缩空气的净化●帮助输送涂料●使涂料雾化对压缩空气的质量要求●洁净(没有灰尘、污物及硅化物)●干燥(没有凝结水份和油)●充足的气量●恒定的气压压缩空气主管道的所需最小内径2 英寸1.5 英寸→30002 英寸1.25 英寸→2000 1.5 英寸1英寸→1500 1.25 英寸1英寸→1000相应加大1 英寸3/4 英寸→500150 米以上50 米以上150 米以下50 米以下按输送管道长度对应的最小管道内径压缩空气量(升/分钟)计算基准: 操作气压6 巴主输送管道应耐压15巴正确的喷涂气压是漆膜质量的关键2:42软管长度引起的气压下降对一般的修理厂我们建议使用内径9毫米的软管当软管长度超过10米,或需要高空气流量时,我们建议使用内径13毫米的软管除了足够的内径外, 软管应耐压,防静电, 不含硅, 结构坚固2.82.21.56 1.100.800.6060.920.630.4350.810.550.3440.600.380.233 2.51.91.35 2.21.61.04 1.81.20.7315 米10 米5 米巴不同软管长度下的气压下降操作气压软管内直径(毫米)因管道而产生的压降不足以有效地雾化油漆6mm 内径的10米长软管4巴2.4巴要获得最好的漆膜效果,应遵照油漆公司建议的喷涂气压SATA 调压表分类外置内置外接式枪尾调压表内置一体式亚当(adam )数字喷枪方便喷涂技师实施调节与监控最佳的喷涂气压,确保喷涂时喷枪的工作气压稳定,压缩空气的流量均衡,极大地提高喷涂质量。
因压缩空气质量差而引致的漆膜缺陷走珠(鱼眼)尘埃杂质底部锈蚀气压不均恒颜色及膜厚不一致SATA 0/444双过滤油水分离器100% 干燥及洁净的压缩空气●初级过滤5微米●二度过滤0.01微米●全自动排水装置开关阀门(10934)1/2英寸出口可配19 毫米气管SATA 0/400系列压缩空气过滤设备●于6巴的气压下空气流通量每分钟超过3600升●经防腐处理的金属制瓶体●模块式设计可按不同需要而组合●可更改安装方向●耐温度达120℃喷涂专业型气动工具呼吸空气喷涂SATA 喷枪的雾化技术HVLP 高流量低气压RP 优化减压SATAjet B/H传统高气压雾化气压高低传统高气压雾化技术过喷大, 涂料传递效率低高流量低气压HVLP 雾化技术低回弹, 涂料传递效率高HVLP与传统高气压雾化比较35-40%65%以上涂料传递效率比较SATA jet k3HVLP符合美国加州环保条例1151号规定以很低的气压(风帽位置只有0.7巴)来雾化涂料,减少过喷传递效率高于65%, 可节省涂料达10-30%建议喷涂气压2.5巴,稍为改变喷涂习惯, 建议喷涂距离19厘米初使用时感觉喷枪的后座力小需要较多及稳定的压缩空气来驱动, 在建议喷涂气压2.5巴时, 耗气量是560升/分钟数字型标准型ABAG institute (Baden Württemberg Waste Disposal Consultant Agency 废物处理顾问协会) 详细研究了采用不同喷涂技术以节省费用的可行性.他们选择的汽修厂有6 名漆工和2 名见习员工.主修各种碰撞, 每年大约修理4000 部轿车, 研究结果如下:SATA jet2000 HVLP高经济性喷涂技术:底漆和中途底漆传统喷枪HVLP HVLP 底色漆和清漆传统喷枪传统喷枪HVLP节省潜在力:涂料用量-9 %30 %14 %46 %14 %46 %7 %30 %烤漆房排风过滤绵损耗-涂料的散失-溶剂的散失-以使用近似的喷涂方法来比较计算:局部修补(使用大约1公斤涂料-底漆和面漆)材料节省价值:假设涂料传递效率增加10%1 公斤= 人民币180元HVLP 节省10% = 100 克18元SATA jet 2000HVLP能替你节省多少金钱?假如每年涂料消耗量1,000 公斤可节省约人民币? 元!!额外的空气消耗量约1千瓦的空气压缩机提供的空气量=100 升/分钟1千瓦空气压缩机每小时所需电费约为人民币1 元施喷时间6 分钟(0.1 小时)0.1元因为使用HVLP 技术而节省-每1 公斤涂料17.9元17900但又不想花钱更换供气设备及改变喷涂习惯....有办法吗??SATA jet RP想减少环境污染及节省每月喷漆成本....RP 是什么?SATA jet K3RPR educed P ressure 降低了的气压它代表......雾化气压在传统喷枪与HVLP 喷枪之间 涂料传递效率高于65%, 可节省涂料5-15% 不需改变喷涂习惯喷涂感受及速度与传统喷枪相同, 容易适应 灵活的使用弹性, 建议喷涂距离19厘米 耗气量非常低, 在建议喷涂气压2.5巴时约430升/分钟,快速风帽装卸设计压送式喷涂设备SATA jet K3高负荷压送式喷枪涂料连接方式●不锈钢涂料涂料滤网输送管●涂料滤网●涂料快速接头不锈钢涂料输送管涂料快速接头SATA涂料快速接头●快速更换喷枪或涂料管●铝金属制造, 轻巧坚固●双重式插头设计, 安全及持久的密封性●离合时涂料不会滴漏●可承受高达16巴的压力●有标准型号及内置过滤网型号●可选60、100 或200 目级数滤网SATA jet K3可选配置不锈钢涂料通道的型号以喷涂高侵蚀性涂料不锈钢涂料吸嘴不锈钢内枪体PVC 密封圈不锈钢喷嘴压缩气扰流板压缩气通道镀镍铝质枪体涂料室枪针密封垫圈SATA jet K3 特征与优点•完美的人体工程学设计-细小、灵巧、轻-扳机可用2或3根手指扳动-液晶数字气压调控(可选型号)-调节旋钮都设在枪体中央•涂料传递效率高> 65 %; 减少过度雾化-清洁的工作环境-节省涂料成本•高生产力-特快喷涂速度-特大扇面喷幅(40 厘米)•优异喷涂效果-最精细的雾化, 最平滑的漆膜-均匀的漆膜流平•低喷涂气压•坚固耐用–容易快捷清理–可靠质量自动调节的枪针密封圈-枪针防污设计,-快速更换风帽设计, 平滑的镀镍枪体-CCS 颜色辨别设计可将压缩空气关闭,调节涂料压力,使喷出的涂料柱水平长度为1米为最佳。
刷墙漆用量计算公式在装修房屋的过程中,刷墙漆是必不可少的一步。
但是很多人在刷墙漆的时候都会遇到一个问题,就是不知道需要购买多少量的漆料才够用。
其实,刷墙漆用量是可以通过一个简单的公式来计算的。
下面就让我们来学习一下刷墙漆用量的计算公式吧。
刷墙漆用量计算公式:刷墙漆用量 = (墙面面积窗户面积门面积)/ 每升漆可覆盖的面积。
首先,我们需要计算出需要刷漆的墙面的面积。
墙面的面积计算方法是,墙面的高度乘以墙面的长度。
如果房间有多面墙,那么需要将每面墙的面积都计算出来,然后相加得出总的墙面面积。
接下来,我们需要减去窗户和门的面积。
窗户和门的面积可以通过测量窗户和门的高度和宽度,然后相乘来得出。
将所有窗户和门的面积相加,然后减去总的墙面面积,就得到了需要刷漆的墙面面积。
最后,我们需要知道每升漆可以覆盖的面积。
这个数值通常可以在漆桶上找到,或者可以在购买漆料的时候询问店员。
一旦知道了每升漆可以覆盖的面积,就可以将需要刷漆的墙面面积除以每升漆可以覆盖的面积,得出需要购买的漆料的数量。
举个例子,假设一个房间的墙面面积是100平方米,窗户和门的面积加起来是10平方米,每升漆可以覆盖20平方米。
那么刷墙漆用量就是(100 10)/ 20 = 4升。
所以在这个例子中,需要购买4升的漆料才够用。
当然,这个公式只是一个大致的估算。
实际使用的时候还需要考虑一些其他因素。
比如漆料的吸附能力、墙面的吸水性、刷漆的技巧等等。
所以在实际使用的时候,最好多留一些余量,以防不够用。
另外,还需要注意的是,这个公式只适用于普通的墙面刷漆。
如果需要刷特殊的漆料,比如防水漆、防霉漆等等,那么需要根据具体的情况来计算用量。
总的来说,刷墙漆用量计算公式是一个简单而实用的工具,可以帮助我们在装修的时候更好地控制成本,避免浪费。
希望大家在使用这个公式的时候,能够顺利地完成墙面刷漆工作,让家变得更加美丽。
涂装工程涂料用量计算1. 涂料的体积固体份涂料的体积固体份(V olume Solids%)的含义是:涂料中的非挥发份与液态涂料的体积比。
传统上这个数据是根据涂料的配方得到的,但是由于没有考虑到其它的因素,如颜料的形体、残留的溶剂和漆膜的收缩等,计算值与实际值之间会有一定的差异。
为了克服这个困难,世界上的大多数涂料生产商使用了一种更为实用的方法来估算涂料的体积固体份。
这个方法就是测量漆膜干燥前和干燥后的厚度,然后按下面这个公式来推算出体积固体份:100⨯湿膜厚度干膜厚度体积固体份= 在产品说明书中体积固体份,是在规定的涂漆方法和环境条件下,干膜厚度与湿膜厚度的百分比。
这个数据是在实验室条件下,按《油及颜料化学师(OCCA )》单行本第四册中所述的方法,即《涂料固体成分的含量确定(按体积计算)》获得的。
2. 涂料的理论涂布率和实际用量涂料厂商在产品说明书中,对每个产品都会提供一个体积固体份的参数,供客户计算施工时的涂料用量。
体积固体份是计算涂料用量的基础。
最简单情况是,在完全光滑的无毛孔的玻璃板表面,倒上一公升涂料,毫无浪费地形成规定膜厚,这是每公升涂料能涂得的最大面积,也就是理论涂布率。
干膜厚度(微米)体积固体份公升)=理论涂布率(平方米/10⨯在实际的施工过程中,由于施工工件的形状,要求的漆膜厚度,施工方法,工人的技术,环境条件,天气等各种因素的影响,涂料的实际用量一定会大于施工面积除以理论涂布率得出的“理论用量”。
实际涂布率受到施工方法、工人技术、施工表面的形状、施工物的质地、漆膜厚度和工作条件等因素的影响而有差别。
因此,不可能在产品说明书中提供通用的确切数据。
实际用量和理论用量之间的差值,我们定义为“损耗”。
涂料实际用量与理论用量的比值,定义为“消耗因子”。
消耗因子数值的大小,可以通过对工程中各种造“损耗”的因素进行分析,而综合出来。
理论涂布率面积=涂料实际用量(公升)CF ⨯ CF :消耗因子 (Consumption Factor )3. 涂料的损耗涂料的损耗,主要由四种因素造成:工件表面的粗糙度通常,涂料是涂在经过喷砂具有一定粗糙度的表面上,比较起光滑表面,钢材表面积实际上被增加了,因此需要额外增订涂料用量。
涂装常用计算公式涂装是一个包含多个环节的复杂过程,其中计算公式是关键因素之一。
在涂装过程中,各种参数都需仔细测量和计算,以获得最佳的涂装效果和质量。
本文将讨论一些涂装常用的计算公式。
涂料用量涂装时涂料用量的计算直接关系到成本和效果。
下面是计算常用涂料用量的公式:1. 涂料总用量涂料总用量是指完成一次涂装所需的总量。
它由涂装材料的密度,表面积和厚度决定,其计算公式为:涂料总用量 (L) = 单位面积用量 (kg/m2) × 用量系数 × 表面积 (m2)其中,单位面积用量是指涂料在1平方米面积上的涂料用量,一般在涂料技术资料中给出;用量系数是考虑烘干后涂层的厚度和损耗等因素的调整系数。
2. 底漆用量底漆用量是指在涂装前需要上底漆层的涂料用量。
其计算公式为:底漆用量 (L) = 底漆层厚度 (mils) × 1.6 / 所选涂料各项数据3. 非镀金漆用量非镀金漆用量是指色漆或面漆的涂料用量。
其计算公式为:非镀金漆用量 (L) = (表面积+涂层附加损耗) × 标称干膜厚度 / 0.75/非溶剂型涂料的标称干膜厚度其中,涂层附加损耗是指底漆或中涂层、面漆涂料上的额外用量。
涂料施工在涂料施工中,需要考虑多种公式及参数。
下面是一些施工中常用的计算公式。
1. 涂料喷枪涂料喷枪是涂料施工的关键工具,其喷出的喷头口径和压力都会直接影响涂层的质量和效果。
下面给出涂料喷枪相关的计算公式:涂胶喷嘴流量 = 喷嘴口径 (英寸) × 压力差 (psi) × 0.0565涂胶施工速度 = 60 / 喷嘴速率其中,涂胶喷嘴流量是指喷嘴每分钟涂胶量,单位为gpm(每分钟加仑),喷嘴速率是指喷嘴每秒钟喷出的涂胶量,单位为cm3/s。
2. 施工温度及湿度温度和湿度是影响涂层干燥和硬化的主要因素,下面给出一些涂料施工中常用的计算公式:相对湿度 (RH) = (实际水汽压 / 饱和水汽压) × 100%饱和水汽压 = 0.6108 × exp [17.27 × (温度 / (温度 + 237.3))]涂胶干燥时间 (min) = 并成时间 / 干膜厚度 × 干燥修正系数 × 酱/湿度调整系数其中,涂胶干燥时间是指涂胶完成后开始干燥所需的时间,其单位为分钟;并成时间是指涂层硬化完全所需时间,其单位为小时。
重量计算方法
理论用量(升)=涂刷面积*单位面积用量
单位面积用量(L)=设计的干膜厚度/(体积固含量*10)
如果要换算成重量,就乘以比重。
体积固含量与比重在厂家的说明书中是必须给的.其中体积固含量是最最重要的一个值,油漆的品质好坏与重量,粘稠度无关,只与体积固含量紧密相联。
固含量高,单位面积用量小,省油漆,省工时,省人工费,省工期.固含量高,一般一次成膜厚,不易出现流挂现象。
沥青防腐油漆
理论用量面漆0.2kg/m2 底漆0.2kg/m2
稀释剂约占油漆总量的5%.
环氧煤沥青防锈底漆密度—-—1。
2—1。
5;环氧煤沥青重防腐涂料密度—-—1.1-1.3
红丹
稀释剂一般占10%
漆膜厚度一般钢结构默认30 μm
理论用量:200~250g/m2
作防锈底漆,干膜厚度55±5μm
涂装方法无气喷涂:稀释剂:X-17 专用稀释剂
稀释率:0~25%(以漆料重量计)
喷嘴口径:约0.4~0。
5mm
喷出压力:15~20Mpa
空气喷涂:稀释剂:X—17 专用稀释剂
稀释率:30~50%(以漆料重量计)
喷嘴口径:约1。
8~2.5mm
喷出压力:0.3~0.5Mpa
滚涂/刷涂:稀释剂:X—17专用稀释剂
稀释率:0~20%(以漆料重量计)。
涂装常用计算公式引言防腐涂料涂装中,会涉及到一些基本的数学计算,内容并深奥,但是十分重要。
这些计算主要是基于涂料的一些基本概念,如体积固含量,膜厚,涂布量等。
扎实地掌握一些基本的数学计算,是涂料技术员基本的技能要求。
单位换算三、温度换算经常会用到摄氏与华氏义之间的换算。
作为一个技术员需要知道常见温度的换算,如涂料时底材的温度高于露点温度的数据,3 C 15 T,环氧树脂涂料施工时最低温度10 C /50 T,无机富锌底漆作为耐温底漆的可耐受温度400/752 两者之间的换算公式如下F-32从华氏度到摄氏度= ---------------1.8从摄氏度到华氏度F=1.8C+32四、膜厚的计算1、涂料的体积固体含量在中国涂料工业中,目前还习惯采用质量固体份来衡量一个涂料品质。
但是欧美国家体积固体含量,实际上更为科学和实用。
涂料的体积固体含量即为涂料中非挥发性成分与液态漆料的体积比。
这是一个非常重要的概念,液态涂料中的溶剂挥发后,真正留在被涂物表面成为漆膜的就是涂料中的非挥发分,即体含量。
大多数涂料生产商采用的计算方法是在实验室条件下,按照《油漆及颜料化学师(occa)》单行本中所述,即《涂料固体成分的含量确定(按体积计算)》来进行的,这个方法是测量漆膜干燥前的湿膜厚度(WFT)和干燥后的干膜厚度(DFT ),按以下公式来计算:干膜厚度体积固体含量= -------------------------------------湿膜厚度例:某涂料产品,测得其湿膜厚度为200 微米,干膜厚度为80微米,计算其体积固体含量:干膜厚度80体积固体含量= -------------------------------- = --------------------- = 40%湿膜厚度200即体积固体含量为40%.2、干膜厚度和湿膜厚度涂层厚度可在施工过程中进行测定,无论涂层是处于湿膜还是干膜状态。
干膜的厚度通常在涂装合同予以规定。
喷涂单耗计算公式喷涂单耗是指在喷涂过程中,每单位面积所消耗的涂料量。
喷涂单耗的计算对于涂料的使用和成本控制非常重要。
正确计算喷涂单耗可以帮助企业合理安排涂料使用量,降低涂料成本,提高生产效率。
下面我们将介绍喷涂单耗的计算公式及其应用。
喷涂单耗的计算公式通常为:喷涂单耗 = (涂料用量 / 喷涂面积) ×涂料干膜厚度。
其中,涂料用量指的是喷涂过程中所使用的涂料总量,通常以升为单位;喷涂面积指的是需要喷涂的表面积,通常以平方米为单位;涂料干膜厚度指的是在干燥状态下的涂料膜厚度,通常以毫米为单位。
喷涂单耗的计算公式可以帮助企业合理安排涂料使用量,降低涂料成本,提高生产效率。
在实际应用中,喷涂单耗的计算需要根据具体情况进行调整,以确保计算结果的准确性和可靠性。
喷涂单耗的计算公式可以应用于各种涂料喷涂过程中,包括涂装、防腐、防火等领域。
通过正确计算喷涂单耗,企业可以更好地控制涂料使用量,降低成本,提高生产效率,从而获得更好的经济效益。
除了喷涂单耗的计算公式外,还有一些影响喷涂单耗的因素需要注意。
首先是喷涂设备的选择和调整。
不同的喷涂设备会对喷涂单耗产生影响,因此在选择和调整喷涂设备时需要考虑喷涂单耗的因素。
其次是涂料的选择和配比。
不同类型的涂料对于喷涂单耗也会产生影响,因此在选择和配比涂料时需要考虑喷涂单耗的因素。
此外,喷涂环境和工艺参数也会对喷涂单耗产生影响,因此在喷涂过程中需要注意环境和工艺参数的控制。
在实际生产中,喷涂单耗的计算是一个非常重要的工作。
正确计算喷涂单耗可以帮助企业合理安排涂料使用量,降低涂料成本,提高生产效率。
因此,企业需要重视喷涂单耗的计算工作,加强对喷涂单耗计算公式的研究和应用,从而获得更好的经济效益。
总之,喷涂单耗的计算公式是涂料喷涂过程中的重要工具,通过正确计算喷涂单耗可以帮助企业合理安排涂料使用量,降低涂料成本,提高生产效率。
在实际应用中,企业需要根据具体情况对喷涂单耗的计算公式进行调整,以确保计算结果的准确性和可靠性。