加速度的计算方法小结纸带的数据处理
- 格式:doc
- 大小:81.00 KB
- 文档页数:3
高中纸带求加速度的两种方法在学完第二章《匀变速直线运动的研究》内容以后,老师布置这样一道题:某同学在做“测定匀变速直线运动的加速度”实验时,从打下的若干纸带中选出了如图所示的一条(每两点间还有4个点没有画出来),图中上部的数字为相邻两个计数点间的距离。
打点计时器的电源频率为50Hz 。
由这些已知数据计算:(1)求下列各点的瞬时速度:1v = m/s ;2v = m/s ;3v = m/s ;4v = m/s ;5v = m/s 。
(2)思考:如何得出O v = m/s ; v 6= m/s 。
(3)根据提供的数据你能用几种方法求出该匀变速直线运动的加速度a =___m/s 2。
(答案均要求保留3位有效数字)由于两个相邻记数点间的时间间隔为T=0.1s,利用匀变速直线运动的中间时刻瞬时速度等于这一段时间的平均速度同学们很快得出了V 1、、V 2、V 3、V 4、V 5分别为0.605m/s 、0.810m/s 、1.01m/s 、1.21m/s 、1.42m/s.同样道理由于01v =S 1/ T=( V O +V 1)/2, 56v == S 6/T=(V 5+V 6)/2,可得V O 、、V 6为0.395m/s 、1.60m/s .对于第三个问题,同学们展开了热烈的讨论,经过一段时间的讨论与演练,同学共提出了几种不同的方法,老师让几位同学在黑板上板演了自己的做法。
一位同学解法:△S 1=S 2-S 1=2.10cm, △S 2=S 3-S 2=2.00cm, △S 3=S 4-S 3=1.90cm, △S 4=S 5-S 4=2.20cm, △S 5=S 6-S 5=1.90cm,由于△S 不等,所以s ∆=(△S 1+△S 2+△S 3+△S 4+△S 5)/5=2.02 cm.a =s ∆ /T 2=2.02m/s 2另一位同学利用坐标纸,根据得出的V 1、、V 2、V 3、V 4、V 5的大小作出V-t 图象,通过求图象的斜率△V /△t 求加速度a 。
中学物理 V〇1.39 No.052021年3月如何根据紙帑上的点連计算加速皮黄洪才(湖南省长沙市第一中学湖南长沙410005)摘要:根据打点计时器在纸带上打下的点迹计算物体的加速度有三种方法,从计算结果的可信度和准确度两个 方面对三种方法进行了分析,目前广泛采用的方法并非是最合理的方法,进而给出了一种新的、更为合理的方法.关键词:纸带;点迹;加速度;打点计时器中图分类号:G633. 7 文献标识码:B文章编号:丨008-4134(2021 )05 -0057 -02用打点计时器研究物体的运动情况是中学物理 实验中的常用方法.根据打点计时器在纸带上打下的 点迹如何合理地计算物体的加速度?1计算纸带加速度的方法如图1所示,设4、6'、/)、£、厂6是每隔相同的时间r选取的计数点,相邻两计数点之间的间隔依次 为x,、x2、a:3J d%,则计算物体加速度的方法有以 下三种.A B C D E F G參•參*•••*2'*3^4气V、图1方法1 :依次算出5个加速度的值再取平均值,即1 /x2 -xl x3 -x2x4 -x3x5 -x4 x6 -x5\x6 -xla'_5( f+ f+ f+ f+ f5f 方法2:将间隔数分为两组,采取逐差的方法算出 3个加速度的值再取平均值,即1 /x4 -X x x5x6 (x4 +x5 +x6) -(x]+%2+^3) 02~ 3 \3f+ 3f+ 37") _方法3 :依次算出3个加速度的值再取平均值,即1 /x2 -X x x4 -X3x6-^:5\(x2 +x4 +x6)- (%!+x3 +x5) a3~^[f+f+f)~3f2计算结果的可信度分析在上述三种方法中,哪种方法算得的结果更能真 实地反映物体的运动情况?在A、x2、.t:3、;<:4、;c5、x6六个测量数据中,方法1实 际上只用到了 A和%两个数据,难以真实地反映物 体的运动情况,一般不采用这种方法;方法2表面上看来用到了六个测量数据,实际上相当于以37为时 间间隔选取/1、£>、C三个计数点来计算物体的加速度,也难以真实地反映物体的运动情况;方法3用到 了六个测量数据.因此,从所用数据点的个数来看,方 法3算出的加速度具有更高的可信度.3计算结果的准确度分析在实际的实验过程中,^是在刻度尺不移动的情况下直接读取/l、S、C、D、£、f\C各 计数点对应的刻度值逐个相减得到的(如图2),也就 是说、巧、*3、〜、、%不是直接测量的数据.如果用 直接测量的数据表示,方法2和方法3的测量值分 别是~A~B C D E F G~)參••••••/|i i i i|i i l i|i i i i|i i i i|i i i i|m i|i i i i|!i i i|i i i i|i i i i|i i i i|i i i i|m i|i i i i|i i i i|i i i i|pXB XC*〇*£ XF XQ图2- 2x0 +a〇 =-------,----9T^.4 - 2xb + 2*c- 2-^n +2x f: ~2x h~+ xGa,=----------------;--------------假设各计数点对应刻度尺上的刻度值的不确定 度分别为 Ax.t、、A.r f:、A.r,.、A.r c,相邻计 数点时间间隔的不确定度为A7\根据误差理论,方法 2和方法3计算出的加速度的不确定度分别为(采用 算术合成方式)A.r4 + + Axc 2(xa - 2xd x g) ATAa2 = ^5+作者简介:黄洪才(1963 -),男,湖南炎陵人,本科,中学特级教师,中学正高级教师,研究方向:中学物理学科教学.572021年3月Vol.39 No.05 中学物理走量採尧教具的幵发卖例—以“多功能圆锥摆”为例余杰1乐军20.浙江省舟山中学浙江舟山316000; 2.浙江省定海第一中学浙江舟山316000)摘要:针对教材给出的“圓锥摆粗略验证向心力公式”实验的不足,设计了可定量探究的教具.关键词:圆锥摆;教具;探究中图分类号:G633.7 文献标识码:B1现状的分析本文以人教版高中《物理(必修2 )》第五章第六 节“用圆锥摆粗略验证向心力公式”实验为例(如图 1).教材中的实验方案:构造一个圆锥摆,用手带动钢 球沿水平纸板上某一圆做匀速圆周运动,用秒表记录 运动周期7\再通过纸板上的圆测定运动半径《,用天 平测出球质量再通过受力分析,验证公式mgtan0 (其中taM= f)是否成立.此方案从理论上分析确实可行,可是在实践中不仅操作难度大,而 且误差大,教学中的实操性几乎为零,以至于很少有 老师会在课堂中对此实验进行演示.文章编号:1〇〇8 -4134(2021)05 -0058 -03賴_觀额祕力的表达式_线下由患桂-个钢球,切线上端B定在铁架台上•将i着几个R心《的白纸1于水平臬I I上,使供球许止时正好t于■心•用手辛动钢球,设法使它沿纸上的茱个■历运动85.6-1).用秒表或手表记象鋼球运动芳干曲的时间,再逼过炊上的明测出供球欽勺速®内运动的半这样就t算出供球的找速度•铜球的肩董1!■以由天平相出•于是,用⑴式就能算出你m受的句心力.图1圆锥摆粗略验证向心力公式分析此方案不难得出以下几个缺点:(1)摆球空 间位置的精确测定难;(2 )圆锥摆摆动的稳定性差,不0S各丨用脱心力的»达式作者简介:余杰(1977 -),男,浙江舟山人,本科,中学高级教师,研究方向:教学艺术和演示实验创新;乐军(1985 -),男,浙江舟山人,本科,中学一级教师,研究方向:中学物理自制教具.A fl3-Ax4 +2A^+2Arc+2A^D+2A%+2A^3f2(xa -2xb +2xc -2xd +2xe -2xf +x g)AT3f为方便起见,作为估算,假设Ax,, = Axf l = = A xd= A xe= ^xF = Axc = 0.2mm,T= 0.Is, AT= 0,PJ 方法2和方法3计算出的加速度的不确定度分别为Aa2 =4 x2 x10~49 x0.I2m/ s2:9 x10 m/s*"A a3 =12 x2 x l O~3 x O.I2*m/ s2=8 x10 "2m/s2显然,方法3算出的加速度的不确定度比方法2 算出的加速度的不确定度大•.在中学物理实验中,物 体的加速度通常是I -2m/S2,上述两种方法因读数引 起的误差都在误差允许的范围内.58 4究竟采用哪种方法好教辅资料给出的方法都是方法2.笔者认为,物理学是一门以实验为基础的学科,探究客观事物的真实规律是基于核心素养物理教学的基本要求.虽然方法3可能比方法2存在更大的偶然误差,但由于方法3算出的结果可信度高,更能真实地反映物体的运动情 况,而且实验误差在允许的范围内,所以采用方法3计算物体的加速度比方法2要更加合理.参考文献:[1] 人民教育出版社,课程教材研究所,物理课程教材研 究开发中心.普通高中教科书物理(必修第二册)[M].北京:人民教育出版社,2019.[2] 周久波.关于用逐差法计算纸带加速度合理性的讨论 [J].中学物理,2016,34(23) :79.(收稿日期:2020-11 -10)。
例谈实验求加速度的几种方法物理是一门实验科学,要学好高中物理,必须具备一定的实验能力。
高考对物理实验能力的考核很重视,尤其是实验数据的记录,处理和得出结论的能力。
学会研究匀变速直线运动是高中物理的一个重要实验,其中求解加速度的实验数据处理方法有逐差法,图像法,直方图法等,下面通过一些实例谈谈如何利用这些方法求运动的加速度:一、利用“逐差法”求加速度.1.依据Δx =aT 2测定匀变速运动加速度。
由a 1=x 2-x 1t 2,a 2=x 3-x 2t 2,…a 5=x 6-x 5t2可得小车加速度的平均值a =a 1+a 2+a 3+a 4+a 55=x 2-x 1t 2+x 3-x 2t 2+x 4-x 3t 2+x 5-x 4t 2+x 6-x 5t 25=x 6-x 15t2显然,这种求a 的方法只用了x 1、x 6两个数据,而x 2、x 3、x 4、x 5在计算过程中被抵消了,所以丢失了多个数据,并失去了正负偶然误差相互抵消的作用,算出的a 值误差较大.这种方法不可取. 若把x 1、x 2、…x 6分成x 1、x 2、x 3和x 4、x 5、x 6两组,则有x 4-x 1=(x 4-x 3)+(x 3-x 2)+(x 2-x 1)=3at 2,写成x 4-x 1=3a 1t 2,同理x 5-x 2=3a 2t 2,x 6-x 3=3a 3t 2,故a 1=x 4-x 13t 2,a 2=x 5-x 23t 2,a 3=x 6-x 33t2.从而a =a 1+a 2+a 33=x 4-x 13t 2+x 5-x 23t 2+x 6-x 33t 23=x 4+x 5+x 6-x 1+x 2+x 39t2, 这种计算加速度平均值的方法叫做逐差法.(1)若为偶数段,设为6段,则a 1=x 4-x 13T 2,a 2=x 5-x 23T 2,a 3=x 6-x 33T 2,然后取平均值,即a =a 1+a 2+a 33;由a =x 4+x 5+x 6-x 1+x 2+x 39T2直接求得.这相当于把纸带分成二份,此法又叫整体二分法; (2)若为奇数段,则中间段往往不用,如5段,则不用第3段;a 1=x 4-x 13T 2,a 2=x 5-x 23T2,然后取平均值,即a =a 1+a 22;或由a =x 4+x 5-x 1+x 26T2直接求得.这样所给的数据全部得到利用,提高了准确程度.2、依据相邻两点速度计算加速度.因为a 1=v2-v1T ,a2=v3-v2T ,a3=v4-v3T …an =vn +1-vnT,然后取平均值,即a =a1+a2+a3+…+an n =vn +1-v1nT,从结果看,真正参与运算的只有v1和vn +1,中间各点的瞬时速度在运算中都未起作用,可见此方法不好.同理我们可以类似于上面的做法用逐差法(1)若为偶数段,设为6段,则a 1=v 4-v 13T ,a 2=v 5-v 23T ,a 3=v 6-v 33T ,然后取平均值,即a =a 1+a 2+a 33;或由a =v 4+v 5+v 6-v 1+v 2+v 39T直接求得;(2)若为奇数段,则中间段往往不用,如5段,则不用第3段;则a 1=v 4-v 13T ,a 2=v 5-v 23T,然后取平均值,即a =a 1+a 22;或由a =v 4+v 5-v 1+v 26T 直接求得;这样所给的数据利用率高,提高了准确程度. 例题1、(2016·天津理综·9(2))某同学利用图2装置研究小车的匀变速直线运动.图2(1)实验中,必须的措施是________. A.细线必须与长木板平行 B.先接通电源再释放小车 C.小车的质量远大于钩码的质量 D.平衡小车与长木板间的摩擦力(2)他实验时将打点计时器接到频率为50 Hz 的交流电源上,得到一条纸带,打出的部分计数点如图3所示(每相邻两个计数点间还有4个点,图中未画出).s 1=3.59 cm ,s 2=4.41 cm ,s 3=5.19 cm ,s 4=5.97 cm ,s 5=6.78 cm ,s 6=7.64 cm.则小车的加速度a =___m /s 2(要求充分利用测量的数据),打点计时器在打B 点时小车的速度v B =___m /s.(结果均保留两位有效数字)图3答案 (1)AB (2)0.80 0.40解析 (1)实验时,细线必须与长木板平行,以减小实验的误差,选项A 正确;实验时要先接通电源再释放小车,选项B 正确;此实验中没必要使小车的质量远大于钩码的质量,选项C 错误;此实验中不需要平衡小车与长木板间的摩擦力,选项D 错误.(2)相邻的两计数点间的时间间隔T =0.1 s ,由逐差法可得小车的加速度a =s 6+s 5+s 4-s 3-s 2-s 19T 2=(7.64+6.78+5.97-5.19-4.41-3.59)×10-29×0.12 m/s 2=0.80 m/s 2打点计时器在打B 点时小车的速度v B =s 1+s 22T =(3.59+4.41)×10-22×0.1m /s =0.40 m/s二、图像法1、用v -t 图象法求匀变速直线运动的加速度,解题思路为:图象法.图象法 (1)求出各点的瞬时速度:用各段的平均速度表示各段中间时刻的瞬时速度 (2)作v -t 图象:在v -t 坐标上将各组数据描点,作出v -t 图象①建立坐标系,纵坐标轴为速度v ,横坐标轴为时间t. ②对坐标轴进行适当分度,使测量结果差不多布满坐标系. ③描出测量点,应尽可能清晰.④用一条光滑的曲线(直线)连接坐标系中的点,明显偏离曲线(直线)的点视为无效点,连线时应使尽可能多的点在这条直线上,连线两侧的点尽可能对称的分布 . ⑤从最终结果看出v -t 图象是一条倾斜的直线. (3)求出图线的斜率即为加速度求图线的斜率时,要在图线上选取间隔距离适当较远的两个点.这样有利于减小误差.例题2、在研究加速度不变的直线运动的实验中,算出小车经过各计数点的速度,如下表所示:计数点序号 1 2 3 4 5 6 计数点对应时刻/s 0.1 0.2 0.3 0.4 0.5 0.6通过计数点的速度/(cm ·s -1) 44.0 62.0 81.0 100.0 110.0 168.0 为了算出加速度,合理的方法是( )A .根据任意两计数点的加速度公式a =ΔvΔt算出加速度B .根据实验数据,画出v -t 图象,量出其倾角α,由公式a =tan α算出加速度C .根据实验数据,画出v -t 图象,由图线上任意两点所对应的速度,用公式a =ΔvΔt算出加速度D .依次算出通过连续两计数点间的加速度,其平均值作为小车的加速度解析:选项A 偶然误差较大.选项D 实际上也仅由始、末两个速度决定,偶然误差也比较大,只有利用实验数据画出对应的v -t 图象,才可充分利用各次测量数据,减小偶然误差.由于在物理图象中两坐标轴的分度大小往往是不相等的,根据同一组数据,可以画出倾角不同的许多图线,选项B 是错误的.正确的方法是根据图线找出不同时刻所对应的速度值,然后利用公式a =ΔvΔt算出加速度,即选项C 正确.答案:C例题3、如图所示,某同学在做“研究小车速度随时间的变化规律”的实验中,由打点计时器得到表示小车运动过程的一条清晰纸带,纸带上两相邻计数点的时间间隔为T =0.10 s ,其中x 1=7.05 cm 、x 2=7.68 cm 、x 3=8.33 cm 、x 4=8.95 cm 、x 5=9.61 cm 、x 6=10.26 cm .(1)求计数点3处的瞬时速度的大小.(2)作出小车运动的速度—时间图象,由图象求小车运动的加速度.解析:(1)计数点3的瞬时速度v 3=x 3+x 42T =8.33+8.95×10-22×0.10 m /s ≈0.86 m /s ,(2)同理可求v 1=x 1+x 22T =7.05+7.68×10-22×0.10m /s ≈0.74 m /s ,v 2=x 2+x 32T =7.68+8.33×10-22×0.10m /s ≈0.80 m /s ,v 4=x 4+x 52T =8.95+9.61×10-22×0.10m /s ≈0.93 m /s ,v 5=x 5+x 62T =9.61+10.26×10-22×0.10m /s ≈0.99 m /s .以纵轴表示速度,以横轴表示时间,描点连线如图所示.由图象可以看出,小车的速度随时间均匀增加,其运动的加速度可由图线求出,即 a =v t -v 1Δt =0.63 m /s 2(0.62~0.64 m /s 2均可).2、化曲为直,画出X-t 2图像、tx -t 图像, V 2-x 图像,利用斜率求解加速度 X-t 关系,v-x 关系是二次函数关系,图像形状是抛物线,在实验数据处理时,可以分别让横坐标表示t 2,纵坐标表示t x 和V 2,画出X-t 2图像、t x -t 图像、V 2-x 图像,将图像形状转化为直线,图像则斜率分别为21a, 21a,2a例题4、图6是“研究匀变速直线运动”实验中获得的一条纸带,O 、A 、B 、C 、D 和E 为纸带上六个计数点,加速度大小用a 表示.图6 图7(1)OD 间的距离为________ cm.(2)图7是根据实验数据绘出的x -t 2图线(x 为各计数点至同一起点的距离),斜率表示__________,其大小为________ m/s 2(保留三位有效数字).解析 (1)1 cm +1 mm ×2.0=1.20 cm.(2)加速度的一半,12a =(2.8-0)×10-20.06-0m/s 2=0.467 m/s 2,所以加速度大小a ≈0.933 m/s 2.答案 (1)1.20 (2)加速度的一半 0.933例题5、(2011全国卷理综)5.利用图1所示的装置可测量滑块在斜面上运动的加速度。
打点计时器和纸带的处理1、由纸带判断物体做匀变速直线运动的方法:如图1所示,A 、B 、C 、D 、E 为时间间隔相等的各计数点,s 1、s 2、s 3、s 4为相邻计数点间的距离,若△s =s 2-s 1=s 3 -s 2=…… =c(常数),即若连续相等的时间间隔内的位移差是恒量,则与纸带相连的物体的运动是匀变速直线运动。
2、由纸带求物体加速度的方法:根据s 4-s 1=s 5-s 2=s 6-s 3=3a T 2(T 为相邻两计数点间的时间间隔),求出a 1,a 2 ,a 3 ,再计算出其平均值即为物体运动的加速度。
在学习纸带处理方法时,要灵活理解题目在信息呈现方式上的差异,再运用最基本的原理进行求解。
下面举几例变化的情况.一.位移给出形式的变化例1.在“研究匀变速直线运动”的实验中,小车拖着纸带运动,打点计时器每隔0.02s 打一个点,打出的纸带如图2,选出A 、B 、C 、D 、E 共5个计数点,每相邻两点间还有四个实验点(图中未画出),以A 点为起点量出的到各点的位移已标在图上。
由此可求得小车运动的加速度a = m/s 2 ,打下A 点时小车运动的速度为v A = m/s 。
二.时间间隔给出形式的变化例2.在“研究匀变速直线运动”的实验中,小车拖着纸带运动,打点计时器每隔0.02s 打一个点,打出的纸带如图3,选出A 、B 、C 、D 、E 共5个计数点,每相邻两点间还有四个实验点(图中未画出),以A 点为起点量出的到各点的位移已标在图上。
由此可求得小车运动的加速度a = m/s 2 ,打下A 点时小车运动的速度为v = m/s 。
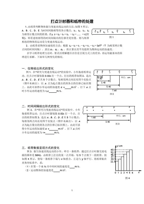
三.纸带数据呈现方式的变化例3.做匀加速直线运动的小车,牵引一条纸带,通过打点计时器交流电源的频率是50Hz ,由纸带上打出的某一点开始,每5个点剪下一段纸带,按如图4所示,使每一条纸带下端与x 轴重合,左边与y 轴平行,将纸带贴在直角坐标系中,求:(1)在第一个0.1s 内中间时刻的速度是 m/s 。
纸带加速度计算公式逐差法
纸带加速度计算公式使用逐差法。
逐差法是一种通过计算相邻数
据之差来估算连续变化的方法。
在纸带加速度计中,通过记录在一段
时间内物体的运动情况,可以获得该物体的平均加速度。
使用逐差法,可以计算出物体在一段时间内的瞬时加速度,即使加速度不是恒定的。
公式如下:
a = (v2 - v1) / (t2 - t1)
其中,a表示瞬时加速度,v2表示结束速度,v1表示起始速度,
t2表示结束时间,t1表示起始时间。
通过逐差法,可以计算出物体在不同时间段内的瞬时加速度,并
绘制出加速度-时间曲线,以更加准确地分析物体的运动情况。
提高学生高考物理实验解题能力以实验 纸带求加速度 为例方法归纳㊁错误分析鲁同心(江苏省清浦中学㊀223001)摘㊀要:近几年高考物理实验的得分普遍较低ꎬ学生的动手实践能力较差ꎬ解决具体问题思路不清晰.本文以高一物理实验案例为基础ꎬ尝试通过方法归纳ꎬ错题分析.精讲精练等方式入手ꎬ努力提高学生的解题能力.根据打点计时器在打在纸带上的点计算物体的瞬时速度和加速度是高中物理实验的常见问题.如何准确㊁快速的计算出加速度?笔者对如何处理加速度做了进一步的探讨ꎬ并统计了学生在习题中容易出现的错误.关键词:纸带ꎻ加速度ꎻ逐差法ꎻ两段法中图分类号:G632㊀㊀㊀㊀㊀㊀文献标识码:A㊀㊀㊀㊀㊀㊀文章编号:1008-0333(2020)31-0084-02收稿日期:2020-08-05作者简介:鲁同心(1982.10-)ꎬ男ꎬ江苏省淮安人ꎬ本科ꎬ中学一级教师ꎬ从事高中物理教学研究.㊀㊀在 探究小车速度随时间变化的规律 的实验中ꎬ要求学生通过对纸带打出点的数据处理ꎬ测量小车瞬时速度和小车运动的加速度.这已经成为考试的热点之一.㊀㊀一㊁方法归纳笔者对加速度计算的方法做如下归纳:为了有效减少测量加速度时的偶然误差ꎬ应用该公式进行数据处理.选择合适的计算方法ꎬ真正减少实验误差.常见方法如下:方法1㊀运用公式Δx=aT2计算.Δx=x2-x1=x3-x2= =aT2ꎬ即任意两个相邻相等的时间T内的位移之差Δx=aT2.利用xm-xn=m-n()aT2求解ꎬ如果纸带给出的数据不是连续的两段位移ꎬ如目前只知道x2和x5ꎬ则可以有x5-x2=3aT2.方法2㊀利用 逐差法 或 两段法 计算.逐差法:a1=x4-x13T2ꎬa2=x5-x23T2ꎬa3=x6-x33T2ꎬa-=a1+a2+a33=(x6+x5+x4)-(x3+x2+x1)9T2.由于采用将打点纸带分成两大段来处理即 两段法 求运动物体的加速度会更准确ꎬ计算也较简便ꎬ建议教师在教学过程多介绍 两段法 即ꎬxⅡ-xⅠ=at2(其中t=3T).无论从实际的实验操作时的数据采集ꎬ还是从减小误差的角度ꎬ或者从数据处理的方便ꎬ 两段法 均为最佳方法.㊀㊀二㊁学生常见错误类型统计加速度的计算成为考试中的经典ꎬ学生也能掌握一定的处理方法.但仍然很容易出错.笔者对历次考试中不同类型的学生 纸带的加速度计算 错误类型做了统计如下:㊀1.时间间隔T没有判断正确ꎬ每段位移的间隔一般为T=0.1s或者T=0.02s.2.计算时未将数值换算为国际制单位m.3.有些题目物体做匀减速直线运动ꎬ学生定向思维ꎬ未考虑加速度为负.4.未按题目要求选取有效数字的位数.5.计算的方法并没有准确掌握.㊀㊀三㊁几种典型情况1.直接利用公式求解例1㊀在«探究小车的速度随时间变化的规律»的实验中ꎬ给出了这次实验中的一条纸带ꎬ如图2所示ꎬ其中0㊁1㊁2㊁3㊁4㊁5㊁6都为计数点.从0点开始ꎬ每相邻两个计数点之间的时间间隔为0.1sꎬ测得:x1=1.40cmꎬx2=482.00cmꎬx3=2.60cmꎬx4=3.20cmꎬx5=3.80cmꎬx6=4.40cm.则小车的加速度为m/s2.答案:0.6m/s2.点评㊀此类题型由于连续相等时间间隔内的位移差均相等ꎬ所以直接利用方法一计算即可.例2㊀在«研究匀变速直线运动»的实验中ꎬ得到一条纸带如图3所示ꎬA㊁B㊁C㊁D㊁E㊁F㊁G为相邻的7个计数点ꎬ已知相邻计数点间的时间间隔为0.10sꎬ则利用图中标明的数据(单位:cm)可得小车的加速度为m/s2ꎬ在打点计时器打出D点时ꎬ小车的瞬时速度为m/s.答案:1.57m/s2.点评㊀此题已知的位移不是相邻的ꎬ计算时要注意公式的正确运用.例3㊀小球作直线运动时的频闪照片如图4所示.已知频闪周期T=0.1sꎬ小球相邻位置间距(由照片中的刻度尺量得)分别为OA=6.51cmꎬAB=5.59cmꎬBC=4.70cmꎬCD=3.80cmꎬDE=2.89cmꎬEF=2.00cm.小球在位置A时速度大小vA=m/sꎬ小球运动的加速度为m/s2.答案:0.605m/sꎬ-0.901m/s2.点评㊀此题是小球做匀减速运动ꎬ计算的加速度应为负值.相邻时间间隔的位移差都不完全相等ꎬ计算需要使用 逐差法 或 两段法 .本题直接运用 两段法 计算简单又容易理解.另外学生在做题时容易定向思维将加速度写成0.9m/s2ꎬ漏掉负号.2.利用 逐差法 或 两段法 求解对比例4㊀某同学在做 测定匀变速直线运动的加速度 实验时ꎬ从打下的若干纸带中选出了如图5所示的一条(每两点间还有4个点没有画出来)ꎬ图5中上部的数值为相邻两个计数点间的距离.打点计时器的电源频率为50Hz.由这些已知数据计算:(1)该匀变速直线运动的加速度a=m/s2.(2)与纸带上D点相对应的瞬时速度v=m/s.(答案均要求保留3位有效数字.)解析㊀相邻计数点间的时间间隔为T=0.10s.方法1㊀利用逐差法a1=x4-x13T2ꎬa2=x5-x23T2ꎬa3=x6-x33T2ꎬa-=a1+a2+a33ꎬa-=(x6+x5+x4)-(x3+x2+x1)9T2=1.93m/s2.方法2㊀利用 两段法将OC段看成xⅠꎬCF段看成xⅡꎬ由xⅡ-xⅠ=at2ꎬ(其中t=3T)ꎬa=xⅡ-xⅠ3T2()=(15.10+12.70+10.81)-(9.10+7.10+5.00)(3ˑ0.1)2cm/s2=1.93m/s2.点评㊀本题中如果是奇数段位移ꎬ可考虑去掉前面较短的位移ꎬ然后在用上述方法处理.两种方法从数学计算上看貌似一样.但细想一下:在实验数据处理时用 逐差法 原理变得较难理解ꎬ实验误差更大ꎬ计算也更复杂.将纸带分成六段ꎬ有的甚至更多ꎬ这样做必然使被测量的长度变短ꎬ增大了测量的相对误差ꎬ这不可能减小实验误差.此题用 两段法 可以达到同样目的.将打点纸带分成较长的两段来处理ꎬ便于数据的测量ꎬ公式的理解ꎬ结果的计算.此法减小了误差ꎬ达到了更好的实验效果.教材中介绍的 逐差法 可以简化为 两段法 .教师在平时的教学中多找出学生出错的主要原因ꎬ将一类题型整合在一起理解ꎬ能帮助学生提高解决物理问题的能力ꎬ可以起到化难为易ꎬ化繁为简ꎬ事半功倍的效果.㊀㊀参考文献:[1]齐春法.对 逐差法 与 二段法 求加速度所引起误差的探讨[J].物理教学探讨ꎬ2006ꎬ24(271):26.[2]刘晓红.几种由纸带求加速度的实验数据处理方法的比较[J].物理教师ꎬ2004ꎬ25(5):34-35.[责任编辑:李㊀璟]58。
如何利用纸带数据计算匀变速直线运动的速度和加速度如何利用纸带数据计算出加速度,较多同学没有弄明白逐差法求加速度的实质,因而难于记住相关的公式以至于考试时无法求解。
本文厘清了逐差法求加速度的实质是两段法。
也演示了怎样用两段法求加速度。
一、准备知识㈠.由纸带数据求运动物体速度的方法――替代法。
根据匀变速直线运动某段时间中间时刻的瞬时速度等于这段时间内的平均速度v n =(x n +x n +1)/2T . ㈡.由纸带数据求运动物体加速度的方法――图象法和逐差法(下面重点认识逐差法)。
1、图像法:先求出打各个计数点时物体的瞬时速度,再作出v -t 图像,图像的斜率即为物体做匀变速直线运动的加速度.2、逐差法【引题】(有6小段)如图1所示小车匀加速运动时用打点计时器打出的一条纸带,图中的各点是计数点且其计数周期为T(即相邻两计数点之间的时间间隔是T),各计数点之间的距离分别是x 1、x 2、x 3、x 4、x 5、x 6…。
已知拉动纸带的小车做匀加速直线运动,求小车运动的加速度大小(用字母表示,要求多次测量求平均值)。
解法A :由21363T a x x =-得213T x x a 36-=由22253T a x x =-得223Tx x a 25-= 由23143T a x x =-得233Tx x a 14-= ()()232165432193T x x x x x x a a a a ++-++=++=∴ ()()()23216543T x x x x x x a ++-++=∴ 或写成:(x 4+x 5+x 6)-(x 1+x 2+x 3)=a(3T)2……………………公式1对上式你怎么理解?类比推理,如果只有4小段,公式又如何?(x 3+x 4)-(x 1+x 2)=a(2T)2………………………………公式2说明:这种计算加速度的方法叫逐差法或叫隔差法。
(1)为什么要用逐差法求加速度?逐差法求加速度的实质是什么?请再看解法B :2112T a x x =-, 2223T a x x =-,2334T a x x =-, 2445T a x x =- 2556T a x x =- 2165432155T x x a a a a a a -=++++=∴比较一下:解法B 的实质只用了(x 1 、 x 6)两小段,解法A 的实质是使用了(x 1、x 2、x 3、x 4、x 5、x 6)六小段,能有效的减少偶然误差,所以要用逐差法求加速度。
处理纸带问题中常用到的几个公式及应用在物理实验中,对于处理纸带的问题一向是学生较难弄清的问题之一。
笔者经过多年的教学经验总结,归纳、总结,认为只要弄清常用的几个公式的意义及其应用,就可迎刃而解了。
研究纸带需解决的有三个核心问题:一、物体的运动情况判断。
我们常用“位移差”法判断物体的运动情况,即纸带上的任意两计数点间的距离是否满足关系式△S=恒量。
设相邻点之间的位移分别为S1、S2、S3、S4……(1)若△S= S2- S1= S3- S2= S4- S3=……=0,则物体做匀速直线运动。
(2)若△S= S2- S1= S3- S2= S4- S3=……≠0,则物体做匀变速直线运动。
二、如何通过纸带确定物体做匀变速运动时某点的瞬时速度?常用的是“平均速度法”。
求某一计数点(或计时点)的瞬时速度v,一般利用“平衡速度”法。
即:或由匀变速直线运动规律:中间时刻的瞬时速度等于相邻时刻的速度的平均值,即:三、如何通过纸带确定物体做匀变速运动的加速度?常用的有四种方法:1、粗略计算法:①、△S=aT2②、SM -SN=(M-N)aT22、较为精确计算法:①、利用“逐差法”求加速度,若为偶数段,设为6段,则,,,然后取平均值,即或由直接求得;若为奇数段,则中间段往往不用,如5段,则不用第三段,则,然后取平均值,即;或由直接求得。
这样所给的数据充分得到利用,提高了准确程度。
②、先求出第n点时纸带的瞬时速度(一般要5点以上),然后作出图象,用图象的斜率求物体运动的加速度。
四、应用例1、在测定匀变速直线运动的加速度的实验中,用打点计时器记录纸带运动的时间,计时器所用电源的频率为50Hz,如图1所示为小车带动的纸带上记录的一些点,在每相邻的两点中间都有四个点未画出。
按时间顺序取0、1、2、3、4、5六个点,用米尺量出1、2、3、5点到0点的距离如图1所示。
试求:图1(1)小车做什么运动?(2)当打第3个计数点时,小车的速度为多少?(3)若小车做匀变速直线运动,小车的加速度为多少?解析:(1)因为电源频率为50Hz,则打点周期,每相邻两个点之间有四个计数点未画出,所以得到相邻计数点间的时间间隔为。
求纸带的加速度及速度一、公式:S 1-S 2=△X=aT 2注意;△X 指的是两段位移的差值,T 代表每段时间,以为每段时间只能是相等的。
同理可得,S m -S n =(m-n )aT 2 二、某段时间内中间时刻的瞬时速度等于这段时间内的平均速度:。
证明:由v t =v 0+at 可知,经后的瞬时速度为:1、某同学用如图10所示的装置测量重力加速度g ,打下如图11所示的纸带.如果在所选纸带上取某点为0号计数点,然后每隔4个点取一个计数点,相邻计数点之间的距离记为x1、x2、x3、x4、x5、x6。
图10图11(1)实验时纸带的 端应和重物相连接。
(选填“A”或“B”)(2)该同学用两种方法处理数据(T 为相邻两计数点间的时间间隔):方法A:由g1=错误!,g2=错误!,…,g5=错误!取平均值g =9.767 m/s2;方法B:由g1=x4-x13T2,g2=错误!,g3=错误! 取平均值g =9。
873 m/s2。
从数据处理方法看,在x1、x2、x3、x4、x5、x6中,对实验结果起作用的数据,方法A 中有 ;方法B 中有 。
因此,选择方法 (填“A”或“B”)更合理。
2、在“研究匀变速直线运动的规律”实验中,小车拖纸带运动,打点计时器在纸带上打出一系列点, 从中确定五个记数点,每相邻两个记数点间的时间间隔是0。
1s,用米尺测量出的数据如图12所示. 则小车在C点的速度V C = m/s,小车在D点的速度V d = m/s,小车运动的加速度a =______________m/s2.3、在做“研究匀变速直线运动"的实验中,取下一段如图所示的纸带研究其运动情况.设O 点为计数的起始点,在四个连续的计数点中,相邻两计数点间的时间间隔为0。
1 s,若物体做理想的匀加速直线运动,则计数点A与起始点O之间的距离x1为 cm,打计数点O时物体的瞬时速度为 m/s,物体的加速度为 m/s2(结果均保留三位有效数字)。
匀变速直线运动纸带的处理——处理纸带数据计算加速度方法归纳徐卫兵江苏木并茶高级中学,江苏省南通市226406利用电磁打点计时器打出的纸带测物体做匀变速运动的加速度,是高中阶段的一个重要实验。
实验操作完后从三条纸带中选择一条比较理想的,舍掉开头比较密集的点子,在后边便于测量的地方找一个开始点,我们把每打五次点的时间作为时间的单位,也就是T=0.02×5=0.1 s,在选好的开始点下面标明0,在第六点下面标明1,在第十一点下面标明2,在第十六点下面标明3……标明的点0,1,2,3……叫做记数点,如图1所示,两个相邻记数点间的距离分别是s 1、s 2、s 3……本文拟谈谈如何利用这些数据求物体的加速度。
1 逐差法及演绎1.1 逐差法物体做匀加速直线运动时的初速度是v 0,加速度是a,在两个连续相等的时间T 里的位移分别是s 1和s 2,由于s 1=v o T=aT v v aT T v s aT o +=+=121222121,又因为,所以△s=s 2-s 1=aT 2所以我们可以由测得的各段位移s 1、s 2、s 3……,求出,,再求出、、3333321236322522321a a a T s s a T s s a T a a a a ++-=-=++=-这就是要测定的匀变速直线运动的加速度,这种方法就叫“逐差法”。
(1)逐差法进行数据处理的优点实验测定中,尽量减小误差是根本原则,按逐差法处理数据,则加速度的平均值3321a a a ++=31(+-2143T s s 2253T s s -+ 2363T s s -)=23216549)()(Ts s s s s s ++-++ ① 这样一来,能将全部测量数据s 1、s 2、s3、s 4、s 5、s 6都加以充分利用,并通过取平均值减小了偶然误差。
如果不按逐差法,而用相邻的各s 值之差计算加速度,即,,则,,2165432125652232212155Ts s a a a a a a T s s a T s s a T s s a -=++++=-=⋯⋯-=-=- 由此看出,此法在取平均值的表象下,实际上只有s 1和s 6两个数据被利用,其余的数据s 2、s 3、s 4、s 5都没有用,因而失去了多个数据正负偶然误差互相抵消的作用,算出的结果-a 的误差较大。
如何快速、准确地处理“研究匀变速运动”纸带有关“研究匀变速运动”的实验目的、实验原理、实验器材、实验步骤和注意事项在这里就不再赘述,现在主要研讨对已打出“研究匀变速运动”的纸带,如何快速、准确地求出匀变速运动的加速度a 值和纸带上任意一点的速度V 值,使求得的加速度a 值和速度V 值的误差更小。
一般为了减小误差,在处理纸带时多用逐差法处理,但计算处理不简捷。
逐差法处理是这样的:如下图所示:相邻计数点间的距离分别为,两计数点间的时间间隔为为T ,根据ΔS =aT 2有:S 4-S 1=(S 4-S 3)+(S 3-S 2)+(S 2-S 1)=3aT 2同理:S 5-S 2=S 6-S 3=3aT 2 求出21413T s s a -=, 22513T s s a -=, 23633T s s a -= 再算出a 1、a 2、a 3的平均值:236251432133)()()(3Ts s s s s s a a a a ⨯-+-+-=++= 以上方法比较麻烦,若给出的段数为3段、5段或7段时,就不便计算加速度的平均值,可把以上方法略作变形,加以总结推广如下: 由上式得:2321654)3()()(T s s s s s s a ++-++= 即若给出6段,则用后三段之和减去前三段之和,再除以三段的时间的平方,即为所求的加速度的值。
总结推广:(1)、若给出的段数为3段、5段、7段或9段的奇数段,则去掉最小的一段,再按段数平分为两大段,用后一大段的总长度减去前一大段的总长度,然后除以相应的一大段所对应的时间的平方,即为所求的加速度a 的值。
去掉最小段的原理是:我们在打点计时器打出的纸带上取计数点的目的就是为了增大测量段的长度,以减小测量长度时带来的误差,所以可去掉最小的一段。
(2)若给出的段数为偶数段,直接把总段数分成段数相等的两大段,用后一段的总长度减去前一大段的总长度,再除以一大段的时间的平方,即为所求的加速度a 值。
纸带求解加速度教学及试题命制建议(拟在教学考试杂志发表)江秀梅 刘大明抚州市第一中学 江西 抚州 344000摘 要:比较了逐差法和两段法求解加速度的异同,并指出逐差法求解加速度可以减小偶然误差完全是一种歪解。
吸纳两段法求解加速度的思想,对纸带求解加速度实验教学和相关试题命制提出建议,以期纠正歪解,正确培养科学素养。
关键字:加速度;逐差法;两段法;测量型试验;探究性实验运用打点计时器及纸带分析与计算匀变速直线运动的加速度,历来都是教学的重点和难点,也是一线教师必讲的教学内容。
理由是:通过此实验课题,一方面训练2x aT ∆=公式;另一方面锻炼实验能力。
不管是一线教师,还是高考试题命制者,拘泥于前者,而忽视了后者。
一个相当充分的例证是:追捧逐差法求解加速度。
不少教师研究发现,逐差法计算加速度并不能减小偶然误差[1-3]。
本文在梳理前述文献结论基础上,就此实验课题教学及试题命制提出肤浅建议。
一、纸带求解加速度的基本原理及处理方法纸带求解加速度的基本原理是匀变速直线运动的一个公式21n n x x x aT +∆=-=,即连续相邻相等时间内的位移差是一个定值。
如图1所示,图1根据公式2x aT ∆=,可得()2m n x x m n aT -=-。
进一步得到 45612329x x x x x x a T++---=。
1.逐差法在测量中,逐个测量x 1、x 2、x 3、x 4、x 5、x 6,然后代入上述公式计算加速度的方法,称之为逐差法。
2.两段法在测量中,测量AD 、DG 两段长度,即把123AD x x x x =++,456DG x x x x =++代入上述公式计算加速度的方法,称之为两段法。
3.比较两种计算方法的基本原理完全相同,不同之处在于“测量”操作上。
不同测量操作,引入偶然误差的大小不同。
就每一次测量而言,绝对误差大小取决于测量工具的精度,精度越小,绝对误差越小;为了减少偶然误差,对同一测量对象进行多次测量取平均值是一个有效方法。
2020-2021年高考物理实验方法:逐差法在用打点计时器打下的纸带测加速度的实验中,我们用逐差法计算加速度。
1.计算加速度的基本公式:2Tx a ∆=公式推导:根据运动学公式,有①,221at vt x +=221aT T v x n n +=②,但,所以③,21121aT T v x n n +=++aT v v n n +=+12121aT T v x n n -=+②-③得,所以,即21aT x x n n =-+21T x x a n n -=+2T x a ∆=2.逐差法计算加速度的公式:2143T x x a -=如果测得6个数据:、、、、、,1x 2x 3x 4x 5x 6x 则.23216549)()(Tx x x x x x a ++-++=公式推导:因为,,,212aT x x =-223aT x x =-234aT x x =-3式相加得,得2143aT x x =-2143T x x a -=同理,2253T x x a -=2363T x x a -=以上3式相加得:,=a 323216543)()(T x x x x x x ++-++所以。
23216549)()(Tx x x x x x a ++-++=为什么要用逐差法测加速度?早期的物理教科书,只有公式,因为题目所给23216549)()(T x x x x x x a ++-++=的数据用哪一组计算都相等。
后来为了联系实际,题目中给的数据用,,,,几个公式2121T x x a -=2232T x x a -=2343T x x a -=2454T x x a -=2565Tx x a -=算的加速度都不相等或不都相等(因为读数是这样的),到底哪一个答案对呢?有人想出一个办法,就是求平均值,即,细心的人会554321a a a a a a ++++=发现,这个“平均值”并不能表示平均值,因为实际上这个“平均值”是=a ,还是只用了6个数据中的2个数据。
“纸带类”问题中奇数组数据求加速度的教学探讨作者:熊忠来源:《中学物理·高中》2021年第11期摘要:以2021年高考甲卷第22题为例,用逐差法、平均速度法、Excel和Origin处理图像法等多种方法探究“纸带类”问题中奇数组数据的处理方法,探讨新课程背景下基于物理核心素养发展的深度课堂教学.关键词:“纸带类”问题;打点计时;数据处理;科学探究;解题方法中图分类号:G633.7 文献标识码:B 文章编号:1008-4134(2021)21-0060-03作者简介:熊忠(1971-),男,云南南涧人,硕士,中学高级教师,研究方向:高中物理教学.1 问题的提出“纸带类”问题的测量一般都用“打点计时”装置,“打点”可以确定物体的位置,进而测量物体的位移,“计时”可以测量物体运动的时间,有了物体的位移和时间,就可以测量物体的速度和加速度,进而可以确定物体运动的相关物理量,用“打点计时”装置测量速度和加速度是高中物理教学中基础的、重要的探究内容之一,在近年来高考试题中反复出现.“打点计时”无论是用打点计时器或者是频闪照片、滴水法,还是用视频解析,其共同特点都是各数据点时间间隔具有等时性.这类问题求加速度的方法都是相同的:对偶数组数据,一般采用逐差法,但是对奇数组数据,往往涉及数据的舍弃问题,鉴于高中物理对误差理论要求不高,这给不少学生解决这类问题带来了不少困惑,如何舍弃数据,有没有更好的方法处理奇数组数据?本文以2021年全国甲卷22题为例,探讨该类问题的解题方法.2 例说“纸带类”问题中奇数组数据求加速度的方法例题(2021年高考甲卷 22题)为测量小铜块与瓷砖表面间的动摩擦因数,一同学将贴有标尺的瓷砖的一端放在水平桌面上,形成一倾角为α的斜面(已知sinα=0.34,cosα=0.94),小铜块可在斜面上加速下滑,如图1所示.该同学用手机拍摄小铜块的下滑过程,然后解析视频记录的图像,获得5个连续相等时间间隔(每个时间间隔ΔT=0.20s)内小铜块沿斜面下滑的距离si(i=1,2,3,4,5),见表1.由表中数据可得,小铜块沿斜面下滑的加速度大小为m/s2,小铜块与瓷砖表面间的动摩擦因数为(结果均保留2位有效数字,重力加速度大小取9.80m/s2).2.1 解法一:逐差法(1)方法一:间隔逐差法.由于该组数据为奇数,舍弃中间数值s3.①a=s5+s4-s2+s16ΔT2=(12.74+11.02)×10-2-(7.58+5.87)×10-26×0.202m/s2≈0.43m/s2②对小铜块受力分析,根据牛顿第二定律有mgsinα-μmgcosα=ma代入数据解得μ≈0.32(说明:以下解法略去②问中求动摩擦因数的步骤)(2)方法二:相邻逐差法由匀变速运动规律有a1=s2-s1ΔT2,a2=s3-s2ΔT2,a3=s4-s3ΔT2,a4=s5-s4ΔT2而a=a1+a2+a3+a44=s5-s14(ΔT)2=(12.74-5.87)×10-24×(0.20)2m/s2=0.42375m/s2≈0.43m/s2(3)方法三:對半逐差法舍弃第一个数据s1,把数据分为两组:a′2=s5-s32(ΔT)2a′3=s4-s22(ΔT)2a=a′2+a′32=(s4+s5)-(s3+s2)4(ΔT)2=(12.74-5.87)×10-24×(0.20)2m/s2=0.42375m/s2≈0.43m/s2或者舍弃最后一个数据s5:a′1=s3-s12(ΔT)2a′3=s4-s22(ΔT)2a=a′1+a′32=(s4+s3)-(s2+s1)4(ΔT)2=(20.33-13.45)×10-24×(0.20)2m/s2=0.43m/s2理论上说,上述三种逐差法计算结果误差是不一样的,根据误差分析[1],使用逐差法时要注意两点:一要充分利用实验数据;二要求差时差值尽量大,故采用方法一较为合理,即舍弃中间数值误差较小.使用逐差法总是要舍弃数据,没有充分应用数据减小偶然误差.还有没有更好的方法?2.2 解法二:平均速度法根据题目条件,铜块下滑时做匀变速直线运动.由匀变速直线运动的规律可知,中间时刻的瞬时速度等于该段位移内的平均速度,于是有v13中=s1+s2+s33(ΔT)v45中=s5+s42(ΔT)a=v45中-v13中2.5(ΔT)=3(s5+s4)-2(s3+s2+s1)15(ΔT)2=0.4293m/s2≈0.43m/s2“逐差法”在处理奇数组数据时,总是要舍弃一组数据,而利用“平均速度”法则可以不舍弃任何原始数据,数据均得到充分利用,最大限度地减少了随机误差,有利于培养学生科学、严谨的态度和尊重事实的证据意识.该方法从学生的基础知识出发,紧紧围绕加速度的定义,学生容易理解,也更有利于学生大概念的生成,有很好的教育和实践意义.2.3 解法三:图像法2.3.1 方法一:v-t图像法以起始位置为0时刻,由解法二可求出s1、s2、s3、s4、s5各段中间时刻的瞬时速度见表2.利用Excel的数据处理功能,可以很方便地作出上述运动的v-t图像,如图2.从拟合出的直线图可以看出,速度和时间的相关系数r2=1,说明二者间有很好的线性关系,拟合的公式为y=0.4295x+0.2505结合匀变速运动速度公式v=v0+at可知,该运动的加速度为0.4295m/s2,即约为0.43m/s2,初速度为0.2505m/s.2.3.2 方法二:s-nT2图像法由运动学公式,有s2=s1+aT2s3=s1+a2T2s4=s1+a3T2s5=s1+a4T2……sn+1=s1+anT2设起始时刻为0时刻,把题中条件转化为表3数据.用Origin8.0分析以上数据,求出sn+1和nT2间的关系.Origin软件是数据分析和绘图软件,具有数据的排序、计算、统计、曲线拟合等各种完善的数学分析功能,在教学科研和工程技术中有非常广泛的应用.该软件在拟合直线时,采用最小二乘法作为计算内核,得到的结果相对比较精确.图3为由Origin8.0软件拟合出的sn+1和nT2间的直线关系图.由图4中Results Log可见,二者间的直线回归方程为y=a+bx,其中截距a=0.05868,斜率b=0.4295,结合sn+1=s1+anT2,可知物体的加速度为a=0.4295m/s2,即约为0.43m/s2.相关系数r=1,说明sn+1和nT2间有很好的线性关系.用Excel和Origin8.0软件处理实验数据,与逐差法和平均速度法处理实验数据进行相比,用计算机软件处理的数据相对误差要小很多,而且数据间的函数关系形象直观,简化了数据处理过程,提高了实验结果的準确度,也避免了人为因素操作不规范等造成的误差,充分体现了用计算机软件处理实验数据的过程中有显著的应用价值.3 结束语科学探究是物理学科核心素养的重要内容,新课标对科学探究提出了“问题、证据、解释、交流”四个关键因素[2].科学探究在获取证据后,如何基于证据得到结论,并且对问题作出解释,最后对过程和结果交流、反思等,其核心是对获得的实验数据进行分析和解读,进一步开展交流讨论.在教学过程中,教师要基于核心素养的发展意识,创设合适的问题情境,通过对问题的加工和处理,引导学生运用所学知识科学地分析问题,尝试提出相关的改进方案,根据方案进行探究,最终完成核心素养的自我建构.教师在教学过程中,要充分利用信息化技术更新教学手段,实现教学手段的多样化,满足学生发展的多样性需求,提升学生的信息素养,开展真正有深度的课堂教学,让基于核心素养发展的教学真正落地.参考文献:[1]杨俊等. 逐差法求匀变速直线运动加速度的探讨[J]. 湖南中学物理,2020(03):36-37.[2]中华人民共和国教育部.普通高中物理课程标准(2017年版2020年修订)[M].北京:人民教育出版社,2020.(收稿日期:2021-08-14)。
求解纸带问题的方法求解纸带问题由于方法多、误差大等因素的影响,致使思路不清晰,方法不明确,结果不精确。
现从通常所求的四个物理量着手,分别介绍所用方法,形成一套完整的解决此类问题的路子,遇到此类问题时就会游刃有余。
1. 物体的运动情况判断:常用“位移差”法判断物体的运动情况,即纸带上的任意两计数点间的距离是否满足关系式。
设相邻点之间的位移分别为(1)若,则物体做匀速直线运动。
(2)若,则物体做匀变速直线运动。
2. 位移x:指两个计数点之间的距离,一般可用刻度尺测量得到。
3. 瞬时速度v:求某一计数点(或计时点)的瞬时速度v,一般利用“平衡速度”法。
即,或由匀变速直线运动规律:中间时刻的瞬时速度等于相邻时刻的速度的平均值,即。
4. 加速度:一般有两种方法(1)利用“逐差法”求加速度,(a)若为偶数段,设为6段,则,,,然后取平均值,即或由直接求得;(b)若为奇数段,则中间段往往不用,如5段,则不用第三段,则,然后取平均值,即;或由直接求得。
这样所给的数据充分得到利用,提高了准确程度。
(2)先求出第n点时纸带的瞬时速度(一般要5点以上),然后作出图象,用图象的斜率求物体运动的加速度。
例. 在测定匀变速直线运动的加速度的实验中,用打点计时器记录纸带运动的时间,计时器所用电源的频率为50Hz,如图1所示为小车带动的纸带上记录的一些点,在每相邻的两点中间都有四个点未画出。
按时间顺序取0、1、2、3、4、5六个点,用米尺量出1、2、3、5点到0点的距离如图1所示。
试求:图1(1)小车做什么运动?(2)当打第3个计数点时,小车的速度为多少?(3)若小车做匀变速直线运动,小车的加速度为多少?解析:(1)因为电源频率为50Hz,则打点周期,每相邻两个点之间有四个计数点未画出,所以得到相邻计数点间的时间间隔为。
设相邻计数点之间的位移间隔为由图可得相邻计数点间的位移分别为:;。
所以相邻两计数点间的位移差分别为:;同理,。
[物理专题辅导材料] 纸带的数据处理
——加速度的计算方法小结
◆关于打点计时器的基本知识回顾:
1、打点计时器是记录运动物体在一定时间间隔内位移的仪器。
纸带直接记录的信息有哪些? 位移x 时间间隔t
2、利用纸带可以计算的物理量有哪些? 平均速度 v 、 瞬时速度v 、 加速度a
◆纸带问题的注意事项:
1、注意计数点间的时间间隔Δt ;
①、每5个点取一个计数点,计数点间的时间间隔Δt 是多少? ②、每隔4个点取一个计数点,计数点间的时间间隔Δt 是多少? Δt= 5×0.02s =0.1s
2、注意长度的单位。
m 、cm 、mm
注意:题目中也可能出现“每4个点”“每3个点”等说法.
3、注意有效数字的位数。
若有要求则按要求保留,若无要求,一般小数点后保留两位小数即可。
◆数据处理
一、瞬时速度的计算方法:
例:上图中,2点的瞬时速度v 2=?
t
x x t d d t x v v ∆+=∆-=∆=
=--2223
21331312
二、加速度的计算方法 1、利用加速度的定义式:t
v a ∆∆=。
这样做有误差么?所有的数据没有充分利用起来,有偶然性! 如何让减小误差?
①多次测量取平均值;44321a a a a a +++=
②选的点应该离得远一些。
t
v v a ∆-=41
5
2、借助于v —t 图象,求出多组速度做出v —t 图象,斜率即为物体运动的加速度.
优点:充分利用所有数据,图象最能够说明规律,加速度的计算最准确! 缺点:不易操作,画图线时容易产生误差。
3、利用公式: Δx =aT 2 即2t
x
a ∆=若任意取点也存在不能充分利用数据的问题,偶然性大!
①多次测量取平均值;5
5
4321a a a a a a ++++=
②选的点应该离得远一些。
可导出 x m -x n =(m-n )at 2 即2
)(t n m x x a n
m --=
4、逐差法测物体加速度
(以6段为例)
选好恰当的项数差
x 4-x 1=3a 1t 2 x 5-x 2=3a 2t 2 x 6-x 3=3a 3t 2 三个加速度取平均值
2
3
2165423625143219333t
x x x x x x t x x x x x x a a a a ---++=⨯-+-+-=++=
这就是逐差法计算加速度的公式:
[做一做] 利用这个个方法推导5段计算加速度时,逐差法的表达式 三.纸带数据呈现方式的变化
例3.做匀加速直线运动的小车,牵引一条纸带,通过
打点计时器交流电源的频率是50Hz ,由纸带上打出的某一点开始,每5个点剪下一段纸带,按如图4所示,使每一条纸带下端与x 轴重合,左边与y 轴平行,将纸带贴在直角坐标系中,求:
(1)在第一个0.1s 内中间时刻的速度是 m/s 。
(2)运动物体的加速度是 m/s 2。
解析: 由图可知,在第一个0.1s 内中间时刻的速度
2
3216549t s s s s s s a ---++=
2
2
154
6t s s s s a --+=x
y/cm
2
33456图4
s m s m T s v /25.2/1.0105.222
11=⨯==-。
同理从图中可得出△x =x 2-x 1= x 3-x 2= x 4-x 3= x 4-x 3=
x 4-x 3=0.75cm ,2
22
22/75.0/1
.01075.0s m s m T s a =⨯=∆=-。