板金翻边孔计算公式
- 格式:pdf
- 大小:94.24 KB
- 文档页数:4
精心整理钣金中的展开计算一、钣金的计算方法概论钣金零件的工程师和钣金材料的销售商为保证最终折弯成型后零件所期望的尺寸,会利用各种不同的算法来计算展开状态下备料的实际长度。
其中最常用的方法就是简单的“掐指规则”,即基于各自经验的算法。
通常这些规则要考虑到材料的类型与厚度,折弯的半径和角度,机床的类型和步进速度等等。
总结起来,如今被广泛采纳的较为流行的钣金折弯算法主要有两种,一种是基于折弯补偿的算法,另一种是基于折弯扣除的算法。
为了更好地理解在钣金设计的计算过程中的一些基本概念,先了解以下几点:1、折弯补偿和折弯扣除两种算法的定义,它们各自与实际钣金几何体的对应关系2、折弯扣除如何与折弯补偿相对应,采用折弯扣除算法的用户如何方便地将其数据转换到折弯补偿算法3、K 因子的定义,实际中如何利用K 因子,包括用于不同材料类型时K 因子值的适用范围二、折弯补偿法为更好地理解折弯补偿,请参照图 1 中表示的是在一个钣金零件中的单一折弯。
图2是该零件的展开状态。
折弯补偿算法将零件的展开长度(LT) 描述为零件展平后每段长度的和再加上展平的折弯区域的长度。
展平的折弯区域的长度则被表示为“折弯补偿”值(BA) 。
因此整个零件的长度就表示为方程(1):LT=D1+D2+BA(1)折弯区域(图中表示为淡 *** 的区域)就是理论上在折弯过程中发生变形的区域。
简而言之,为确定展开零件的几何尺寸,让我们按以下步骤思考:1、将折弯区域从折弯零件上切割出来2、将剩余两段平坦部分平铺到一个桌子上3、计算出折弯区域在其展平后的长度4、将展平后的弯曲区域粘接到两段平坦部分之间,结果就是我们需要的展开后的零件图 15.K- 因子法K-因子是描述钣金折弯在广泛的几何形状参数情形下如何弯曲/展开的一个独立值。
也是一个用于计算在各种材料厚度、折弯半径 /折弯角度等广泛情形下的弯曲补偿 (BA) 的一个独立值。
图 4 和图 5 将用于帮助我们了解 K-因子的详细定义。
翻孔咋算预冲孔的计算公式预冲孔是指在金属板料冲压加工之前,先在金属板料上冲制一定数量的圆形或其他形状的孔,以便在后续冲压加工过程中,能够更加顺利地进行成形。
预冲孔的数量和位置对最终产品的质量和成形效果有着重要的影响。
因此,正确地计算预冲孔的数量和位置是非常重要的。
预冲孔的计算公式是根据金属板料的材质、厚度、成形工艺、成形模具等因素来确定的。
一般来说,预冲孔的数量可以通过以下公式来计算:N = (4 T L) / (D S)。
其中,N为预冲孔的数量,T为金属板料的厚度,L为金属板料的长度或宽度(取较大值),D为成形模具的直径,S为成形模具之间的最小间距。
在实际应用中,以上公式可以作为一个参考值来进行预冲孔数量的初步计算。
但是,由于实际生产中存在着许多复杂的因素,如金属板料的强度、成形模具的形状、成形工艺的复杂程度等,因此在具体的生产过程中,还需要根据实际情况进行调整和优化。
除了数量外,预冲孔的位置也是非常重要的。
正确的预冲孔位置可以有效地减少成形过程中的应力集中和变形,从而提高成形质量和减少成形模具的磨损。
一般来说,预冲孔的位置应该尽量靠近成形模具的边缘,并且应该均匀地分布在整个金属板料上,以确保成形过程中的稳定性和均匀性。
在进行预冲孔的计算和布局时,还需要考虑到金属板料的材质和厚度对成形过程的影响。
不同材质和厚度的金属板料在成形过程中会有不同的变形特点,因此需要根据实际情况来确定预冲孔的数量和位置。
除了以上提到的因素外,预冲孔的计算和布局还需要考虑到成形工艺的复杂程度和生产效率的要求。
在一些复杂的成形工艺中,预冲孔的数量和位置可能需要进行更加精细的计算和布局,以确保最终产品的质量和成形效果。
总的来说,预冲孔的计算和布局是一个复杂的工程,需要考虑到许多因素。
正确地进行预冲孔的计算和布局可以有效地提高成形质量和生产效率,从而为企业的生产活动带来更大的价值和效益。
因此,对于金属板料冲压加工行业来说,预冲孔的计算和布局是非常重要的一环,值得引起重视和研究。
钣金展开计算公式
90°折弯:
折弯补偿法:按内尺寸计算:L1+L2+L3+……+Ln+0.4T×n(n为折弯次数)折弯扣除法:按外尺寸计算:L1+L2+L3+……+Ln-1.6T×n(n折弯次数)
非90°折弯:
按内尺寸计算:L1+L2+L3+……Ln+0.4T×(θ/90°)×n(n折弯次数,θ为折弯的角度=180°-零件的角度)
注:非90°折弯只能按照内尺寸计算
卷圆:
按内尺寸计算:L+2π(r+0.4T)*θ/360; 其中卷圆部分的圆弧长度可以直接在CAD里面测量标注出来。
(θ为卷圆的角度)
压死边:
折弯补偿法:按内尺寸计算:L1+L2+L3+……+Ln+1.6T×n(n为折弯次数)折弯扣除法:按外尺寸计算:L1+L2+L3+……+Ln -0.4T×n(n为折弯次数)段差:
直边段差(H≤3.5T)
折弯补偿法:按内尺寸计算:L1+L2+H(H为段差高度)
折弯扣除法:按外尺寸计算:L1+L2+H-2T(H为段差高度)
斜边段差(H≤3.5T)
折弯补偿法:按内尺寸计算:L1+L2+l+T(l为段差对齐标注的高度)
注:非90°折弯只能按照内尺寸计算
当H>3.5T时,按正常的一正一反两道折弯工序计算,不视为段差。
钣金展开计算方法及工艺处理一、钣金件展开方法:1、展开的计算原理:板材在弯曲过程中外层客观存在到拉应力,内层受以压应力,从拉到压之间有一既不受拉力又不受压力的过渡层——中性层,中性层的长度在弯曲后与弯曲前一样,保持不变,所以中性层是计算折弯件展开长度的基准。
中性层位置与变形程度有关,当弯曲半径(下图所示的R角)较大,折弯角度(下图所示θ角)增大时,变形程度随之增大,中性层位置逐渐向弯曲中心的内侧移动,中性层到板料内层的距离用<90时)2.计算方法:2.1展开的基本公式:展开长度=料内+料内+补偿量展开长度=料外+料外-补偿量2.2.标注公差的尺寸设计值:取上下极限尺寸的中间值作设计标准值3、预开底孔3.1.展开过程中,除了对外形展开以外,对一些比如抽牙(翻边)攻丝,攻牙(挤牙.切削)翻边胀铆螺母(Z类产品).花齿压铆螺母(S类产品).压铆螺钉(FH类产品).压铆螺钉(NY类产品).压铆螺母柱(SO、BSO、SOO、SOPC类产品)(注意3.5M3与M3底孔的差异).展开过程中,要先进行预开底孔(详细见附表五)4.开工艺孔:对于一些精度要求不高,需焊接打磨的产品,折弯转角处我们可以开一个折弯工艺孔,大小由板厚来决定,要比板厚大一些,也不宜过大,编程过程中尽量选用已使用过的合适的模具。
(便于减少模具及加工时间)。
4.1图有三种情况:全包、半包、搭边。
①所有搭边关系的,无需开工艺孔;②对于有包边板厚T〈1.5mm,无需开工艺孔;③对于有包边且板厚T≥1.5mm,需在转角处加开工艺孔。
工艺孔有两种方式:圆和U形;长圆孔的圆心在折弯线上。
如图a.b所示1.展开后为线段的部分,将其处理成下图所示工艺孔形式:如图c所示工艺孔宽度取0.5(LASER)或2.0(NCT)。
3当抽形边缘与折弯边(内尺寸)距离小于2.0mm,则会影响折弯加工,此时,相应折弯变形区作割孔处理或更改抽形尺寸,如附图e所示:1)在下列情况下,一律不允许开工艺孔:①有外观面或装配关系要求,未经客户允许的工件;②单独出货,未经客户允许的散件。
关于钣金中的展开计算4.1 R=0,折彎角θ=90°(T<1.2,不含1.2mm)L=(A-T)+(B-T)+K=A+B-2T+0.4T上式中取:λ=T/4K=λ*/2=T/4*π/2=0.4T4.2 R=0, θ=90°(T≧1.2,含1.2mm)L=(A-T)+(B-T)+K=A+B-2T+0.5T上式中取:λ=T/3K=λ*π/2=T/3*π/2=0.5T4.3 R≠0θ=90°L=(A-T-R)+(B-T-R)+(R+λ)*π/2當R ≧5T時λ=T/21T≦R <5T λ=T/30 < R <T λ=T/4(實際展開時除使用尺寸計算方法外,也可在確定中性層位置後,通過偏移再實際測量長度的方法.以下相同)4.4 R=0 θ≠90°λ=T/3L=[A-T*tan(a/2)]+[B-T*tan(a/2)]+T/3*a(a單位為rad,以下相同)4.5 R≠0θ≠90°L=[A-(T+R)* tan(a/2)]+[B-(T+R)*tan(a/2)]+(R+λ)*a當R ≧5T時λ=T/21T≦R <5T λ=T/30 < R <T λ=T/44.6 Z折1.計算方法請示上級,以下幾點原則僅供參考: (1)當C≧5時,一般分兩次成型,按兩個90°折彎計算.(要考慮到折彎沖子的強度)L=A-T+C+B+2K(2)當3T<C<5時<一次成型>:L=A-T+C+B+K(3)當C≦3T時<一次成型>:L=A-T+C+B+K/24.7 Z折2.C≦3T時<一次成型>:L=A-T+C+B+D+K4.8 抽芽抽芽孔尺寸計算原理為體積不變原理,即抽孔前后材料體積不變;ABCD四邊形面積=GFEA所圍成的面積.一般抽孔高度不深取H=3P(P為螺紋距離),R=EF見圖∵T*AB=(H -EF)*EF+π*(EF)2/4∴AB={H*EF+(π/4-1)*EF2}/T∴預沖孔孔徑=D – 2ABT≧0.8時,取EF=60%T.在料厚T<0.8時,EF的取值請示上級.4.9 方形抽孔方形抽孔,當抽孔高度較高時(H>Hmax),直邊部展開與彎曲一致, 圓角處展開按保留抽高為H=Hmax的大小套彎曲公式展開,連接處用45度線及圓角均勻過渡, 當抽孔高度不高時(H≦Hmax)直邊部展開與彎曲一致,圓角處展開保留與直邊一樣的偏移值.以下Hmax取值原則供參考.當R≧4MM時:材料厚度T=1.2~1.4取Hmax =4T材料厚度T=0.8~1.0取Hmax =5T材料厚度T=0.7~0.8取Hmax =6T材料厚度T≦0.6取Hmax =8T當R<4MM時,請示上級.4.10壓縮抽形1 (Rd≦1.5T)原則:直邊部分按彎曲展開,圓角部分按拉伸展開,然后用三點切圓(PA-P-PB)的方式作一段與兩直邊和直徑為D的圓相切的圓弧.當Rd≦1.5T時,求D值計算公式如下:D/2=[(r+T/3)2+2(r+T/3)*(h+T/3)]1/24.11壓縮抽形2 (Rd>1.5T)原則:直邊部分按彎曲展開,圓角部分按拉伸展開,然后用三點切圓(PA-P-PB)的方式作一段與兩直邊和直徑為D的圓相切的圓弧.當Rd>1.5T時:l按相應折彎公式計算.D/2={(r+T/3)2+2(r+T/3)*(h+T/3)-0.86*(Rd-2T/3)*[(r+T/3)+0.16*(Rd-2T/3)]}1/24.12捲圓壓平圖(a): 展開長度L=A+B-0.4T圖(b): 壓線位置尺寸A-0.2T圖(c): 90°折彎處尺寸為A+0.2T圖(d): 捲圓壓平後的產品形狀4.13側沖壓平圖(a): 展開長度L=A+B-0.4T圖(b): 壓線位置尺寸A-0.2T圖(c): 90°折彎處尺寸為A+1.0T圖(d): 側沖壓平後的產品形狀4.14 綜合計算如圖:L=料內+料內+補償量=A+B+C+D+中性層弧長(AA+BB+CC)(中性層弧長均按“中性層到板料內側距離λ=T/3”來計算)備註:a標注公差的尺寸設計值:取上下極限尺寸的中間值作為設計標准值.b孔徑設計值:一般圓孔直徑小數點取一位(以配合沖頭加工方便性),例:3.81取3.9.有特殊公差時除外,例:Φ3.80+0.050取Φ3.84.c 產品圖中未作特別標注的圓角,一般按R=0展開.附件一:常見抽牙孔孔徑一覽表料厚0.6 0.8 1.0 1.2類型M3 3.5 3.7 4.0 4.2M3.5 3.9 4.2 4.4 4.7M4 4.4 4.6 4.9 5.1#6-32 3.8 4.1 4.3 4.6附件二:常見預沖孔孔徑一覽表料厚0.6 0.8 1.0 1.2在R≠0,θ=90°时;的折弯系数列表:(单位:mm)注意:折弯系数不是绝对的,各加工工厂的钣金工艺工程师会根据所用GB材料以及加工机器而略有微弱变化。
翻孔教程
1.如图示,我们准备在A_1处做1个M4的翻边攻丝孔,那么先要确认好翻孔后的孔直径
(3.3)和翻孔高度(2),根据这些数据,我们去做模具。
2.按图做模具(其实就是新建一个实体零件。
做完后不用保存),如果要做圆角,注意圆
角太小可能会导致后面的特征不能生成。
3.模具做好后,回到刚才的钣金零件里,选择成形命令。
4.选择“成形”----“模具”“参考”-----选取刚画好的模具文件(画好的模具不用保
存,现在选择时可以直接由进程中选取)-----进入装配模式,按图示装配好。
5.定义边界平面,种子曲面,排除曲面。
6.得面图示结果后,做修饰螺纹特征,就ok了。
钣金展开计算公式讲解钣金加工是一种常见的金属加工方式,它可以将金属板料通过弯曲、切割、焊接等方式加工成各种形状的零件。
在钣金加工过程中,展开计算是一个非常重要的环节,它能够帮助工程师准确地计算出金属板料在加工前的展开尺寸,从而为后续的加工工艺提供准确的参数。
钣金展开计算公式是根据钣金零件的形状和尺寸来确定的,下面我们将分别介绍一些常见的钣金展开计算公式及其应用。
1. 简单直线展开计算公式。
对于一些简单的直线形状的钣金零件,其展开计算可以通过以下公式来进行:展开长度 = 原始长度 + 弯曲长度增量。
其中,原始长度是指钣金零件在未加工前的长度,而弯曲长度增量则是根据材料的弹性模量和弯曲角度来确定的。
这个公式适用于一些简单的直线形状的零件,比如长方形、正方形等。
2. 圆弧形展开计算公式。
对于一些圆弧形状的钣金零件,其展开计算可以通过以下公式来进行:展开长度 = 弧长×弯曲长度增量。
其中,弧长是指圆弧的长度,而弯曲长度增量则是根据材料的弹性模量和弯曲角度来确定的。
这个公式适用于一些圆弧形状的零件,比如弯曲的管道、圆形的罩体等。
3. 不规则形状展开计算公式。
对于一些不规则形状的钣金零件,其展开计算就比较复杂了,需要通过数学方法来进行计算。
一般来说,可以通过将不规则形状分割成若干个简单的直线和圆弧形状,然后分别计算它们的展开长度,最后将它们相加得到整个零件的展开长度。
除了以上介绍的展开计算公式外,还有一些特殊形状的钣金零件可能需要使用其他的展开计算方法,比如通过软件模拟、数值计算等方法来进行计算。
总的来说,展开计算公式是根据钣金零件的形状和尺寸来确定的,需要根据具体情况进行选择和应用。
在实际的钣金加工过程中,展开计算公式的准确性对于加工质量和效率都有着非常重要的影响。
一方面,准确的展开计算可以帮助工程师确定加工前的材料尺寸,从而避免浪费和误差;另一方面,准确的展开计算也可以为后续的弯曲、切割等加工工艺提供准确的参数,从而保证零件的精度和质量。
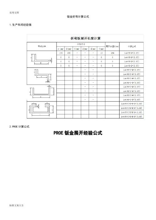
钣金折弯计算公式1.生产车间经验值2.PROE计算公式PROE钣金展开经验公式经验公式(车间老师傅的算法,在实际中略有不同,需要调整)前提条件:内r<2 壁厚<2.5 折弯角度90°展开长度L=L1+L2-2T+0.5T (1)L1 L2为外径T为板厚也即L=L1'+L2'+0.5T (2) L1' L2'为内径T为板厚还即L=L1"+L2"+2r+0.5T (3) L1" L2"为直段长度r为折弯内径我这里是用的0.5T,大多数人有用0.3T的如果内r/T>2,就直接用中性层K=0.5计算好了再看PROE中的展开PROE中的展开长度就是:L=L1"+L2"+DL L1" L2"为直段长DL为弧段展开长请记住这个DL,这个DL就是我们要制作的折弯表内的值!再回过来看看上贴的第三个公式L=L1"+L2"+2r+0.5T 很容易导出:DL=2r+0.5T DL为弧段展开长r为折弯内径现在要制作折弯表了折弯系数DL弧长=2(R+KT)*3.14*(折弯角/360) K为K因子 T为厚 R为内侧半径折弯系数DL弧长=2R+0.2T =K=0.41因子折弯扣除L=2R-0.2T折弯系数DL弧长=2R+0.3T =K=0.46因子折弯扣除L=2R-0.3T折弯系数DL弧长=2R+0.35T =K=0.5因子折弯扣除L=2R-0.35T钣金展开经验计算方法声明:本计算方法为本人经验算法,只在本人现工作之处适用,照搬可能会有偏差。
先说一个名词:折弯余量折弯余量这个名词我在论坛别的贴子已经说过,这里再重复一下:一个已成形的钣金折弯,它有三个尺寸:两个轮廓尺寸和一个厚度尺寸,定义两个轮廓尺寸为L1、L2,厚度尺寸为T,我们都已知道,L1+L2是要大于展开长度L的,它们的差值就是折弯余量,我定义为K,那么一个弯的展开尺寸L=L1+L2-K。
钣金展开计算公式(最终定稿)第一篇:钣金展开计算公式钣金展开计算公式当角度为钝角时:L=L1+L2-[2×(180-角度)/90×材料厚度+M×角度/90]当角度为锐角时:L=L1+L2-[180/角度×材料厚度-(180-角度)/180 ]第二篇:钣金展开计算公式--很实用先说一个名词:折弯余量折弯余量这个名词我在论坛别的贴子已经说过,这里再重复一下:一个已成形的钣金折弯,它有三个尺寸:两个轮廓尺寸和一个厚度尺寸,定义两个轮廓尺寸为L1、L2,厚度尺寸为T,我们都已知道,L1+L2是要大于展开长度L的,它们的差值就是折弯余量,我定义为K,那么一个弯的展开尺寸L=L1+L2-K。
一般冷轧钢板的K值(条件:90度弯,标准折弯刀具T=0.8 K=1.6 T=1.0K=1.8 T=1.2K=2.1 T=1.5K=2.5 T=2.0K=3.5 T=2.5K=4.3 T=3.0K=5.0 T=3.5 K=6.5 T=4.0 K=7.0 T=5.0 K=8.5)1.6-0.8=0.8 1.8-1.0=0.82.1-1.2=0.9 2.5-1.5=1.03.5-2.0=1.54.3-2.5=1.85.0-3.0=2.06.5-3.5=3.07.0-4.0=3.08.5-5.0=3.5实例二:实例三:不规则折弯按K因子=0.5,直接用AUTOCAD画中性层测量。
如有偏差再根据具体情况调整。
一般也差不了多少。
折弯时调整下模槽宽也可将偏差的展开尺寸调整成合格的折弯外形(当然在一定的范围内)。
还有一外钣金件总有一些壁外形偏差允许大一些,可将偏差累积到那些壁去。
死边按L1+L2-0.5t 在模型中直接修改dev.l值为1.5*t 就可以了!第三篇:钣金展开基于Pro/Engineer 钣金件展开的应用研究引言人造卫星和航天飞船上使用大量的钣金成形零件,如有效载荷铝合金支架、飞船蒙皮桁条等。
钣金折弯计算公式和方法1.生产车间经验值2.PROE计算公式PROE钣金展开经验公式经验公式(车间老师傅的算法,在实际中略有不同,需要调整)前提条件:内r<2 壁厚<2.5 折弯角度90°展开长度L=L1+L2-2T+0.5T (1)L1 L2为外径T为板厚也即L=L1'+L2'+0.5T (2) L1' L2'为内径T为板厚还即L=L1"+L2"+2r+0.5T (3) L1" L2"为直段长度r为折弯内径我这里是用的0.5T,大多数人有用0.3T的如果内r/T>2,就直接用中性层K=0.5计算好了再看PROE中的展开PROE中的展开长度就是:L=L1"+L2"+DL L1" L2"为直段长DL为弧段展开长请记住这个DL,这个DL就是我们要制作的折弯表内的值!再回过来看看上贴的第三个公式L=L1"+L2"+2r+0.5T 很容易导出:DL=2r+0.5T DL为弧段展开长r为折弯内径现在要制作折弯表了折弯系数DL弧长=2(R+KT)*3.14*(折弯角/360) K为K因子 T为厚 R为内侧半径折弯系数DL弧长=2R+0.2T =K=0.41因子折弯扣除L=2R-0.2T折弯系数DL弧长=2R+0.3T =K=0.46因子折弯扣除L=2R-0.3T折弯系数DL弧长=2R+0.35T =K=0.5因子折弯扣除L=2R-0.35T钣金展开经验计算方法声明:本计算方法为本人经验算法,只在本人现工作之处适用,照搬可能会有偏差。
先说一个名词:折弯余量折弯余量这个名词我在论坛别的贴子已经说过,这里再重复一下:一个已成形的钣金折弯,它有三个尺寸:两个轮廓尺寸和一个厚度尺寸,定义两个轮廓尺寸为L1、L2,厚度尺寸为T,我们都已知道,L1+L2是要大于展开长度L的,它们的差值就是折弯余量,我定义为K,那么一个弯的展开尺寸L=L1+L2-K。