汽车零部件用钢的主要国内外标准(概要)
- 格式:pdf
- 大小:175.76 KB
- 文档页数:10
钢材国内外标准牌号对照钢材作为一种重要的建筑材料,在工业生产和建筑领域有着广泛的应用。
然而,由于各国对钢材的标准命名存在差异,导致在国际贸易和工程项目中可能出现混淆和困惑的情况。
因此,了解国内外钢材标准牌号的对照关系是非常重要的。
在国内,中国国家标准委员会(GB)制定了一系列的钢材标准,其中包括常用的标准牌号。
下面是国内常用钢材牌号及其对照的国际标准牌号。
1. Q235 对应的国际标准牌号为 ASTM A36,JIS SS400,EN S235JR,ISOE235BQ235是中国的常用结构钢材,具有良好的焊接性能和可塑性。
它被广泛用于建筑和机械制造领域。
对应的国际标准牌号包括美国的ASTM A36标准,日本的JIS SS400标准,欧洲的EN S235JR标准和国际标准化组织的ISO E235B标准。
2. Q345 对应的国际标准牌号为 ASTM A572 Gr.50,JIS SS490/SM490A,ENS355JR,ISO E355BQ345是中国的高强度低合金结构钢材,具有良好的机械性能和焊接性能。
它被广泛用于桥梁、建筑和船舶制造等领域。
对应的国际标准牌号包括美国的ASTM A572 Gr.50标准,日本的JIS SS490/SM490A标准,欧洲的EN S355JR标准和国际标准化组织的ISO E355B标准。
3. 45 对应的国际标准牌号为 ASTM A108,JIS S45C,EN C45,ISO C45E445钢是一种碳素结构钢,具有良好的机械性能和热处理性能。
它广泛应用于制造机械零部件和工具。
对应的国际标准牌号包括美国的ASTM A108标准,日本的JIS S45C标准,欧洲的EN C45标准和国际标准化组织的ISO C45E4标准。
4. 304 对应的国际标准牌号为 ASTM A240/A240M,JIS G4304,EN 10088-2,ISO 15510304不锈钢是一种常用的不锈钢材料,具有良好的耐腐蚀性和可加工性。
汽车钢板的性能要求及种类总述:常规车中各种钢材在汽车总重中所占比例为70%左右,其中钢板约占50%以上,优质钢(齿轮钢、轴承钢、弹簧钢等)占30%,型钢占6%,带钢占3%,金属制品及其它占1%。
汽车用钢材种类中主要是各类板带钢,按生产工艺不同,可分为热轧板(热轧薄板、中厚板)和冷轧板(普冷板、镀层板);按钢板强度不同,可分为以IF钢(无间隙原子钢)为代表的具有超深冲性能的软钢系列和以TRIP(相变诱发塑性钢)钢为代表的高强度钢系列,通常深冲钢是铝镇静钢和无间隙原子钢,高强度钢和超高强度钢是低合金钢、DP钢(双相钢)、TRIP钢、TWIP钢(挛生诱发塑性钢)和马氏体钢等;按钢板性能区分,可分为深冲钢(IF)、烘烤硬化钢(BH)、低合金高强度钢(HSLA)、高强度钢(HS)、超高强度钢等;按加工方法分,可分为沸腾钢、铝镇静钢、镀锌钢板等;按组织结构和成分分类,有含磷钢、含铜钢、无间隙原子钢、双相钢、TRIP钢、马氏体钢等。
汽车板板厚范围一般为0.4~4.0mm,宽度为600~1950mm。
用量较大的厚度为1.0、0.8、0.75、0.7mm。
汽车板内部质量要求:⑴成分合理、均匀。
通过炼铁、炼钢过程对铁水、钢水成分控制,使S、P、N、O、H质量分数的总量低于1.0×10-4,低碳或超低碳的碳质量分数低于1.0×10-5,微合金化元素的质量分数控制在0.02%以内;⑵为保证优质高强度钢板的综合性能,热轧板带加工应采取控制冷却技术;⑶为保证冷轧产品的力学性能均匀,冷轧板的退火工艺要求严格;⑷镀层钢板应有良好的耐腐蚀性,如耐表面锈蚀能力、耐穿孔锈蚀能力。
汽车板工艺性能要求:良好的成型性能(大件冲压流线型),良好的焊接性能,良好的喷涂性(喷漆处理),高强性能(抵抗外力冲击),足够的抗凹陷性及刚度(吸收冲撞能量)。
汽车板表面质量要求:表面无缺陷,良好的表面清洁性,适当的粗糙度,最好在R a=0.6~1.5μm。
汽车用钢的分类和性能要求外覆盖件翼子板、侧围外板、车门外板、发动机罩外板、行李箱盖外板等各暴露部分,因而对表面质量要求高,必须具有抗腐蚀能力;同时应保证强度和刚性的要求,并具有良好的抗凹陷性;再者,要求有良好的成型性,但也应在一定厚度之下,一般使用料厚0.6mm-1.0mm 之间的薄板,且使用表面有涂层的镀锌或锌铁合金钢板。
由于发动机罩、车门、行李箱盖等外板对刚度和成型性有要求,当前多采用BH 烘烤硬化钢、或者DP450 双相钢;一般抗拉强度≥300Mpa,n≥0.21;r≥1.3;δ≥34%;屈强比≤0.61,这样也达到减轻车体重量的效果。
内覆盖件内覆盖件变形复杂,深拉延多,因此对塑性应变比和延伸率要求高,由于变形大,对变形均匀性也要求较高,料厚一般选用0.8mm-1.2mm,n≥0.24;r≥1.5;δ≥42%;屈强比≤0.61,同样也需要具备一定的防腐能力。
功能件载荷甚至冲击,要求有足够的强度和刚度,其中如门柱、窗柱等结构件,抗拉要求在600Mpa,当前多选择双相DP 钢、相变诱导塑性TRIP 等高强度钢,既要保证有好的成型性,也要保证强度要求,门柱内板强度一般选用300Mpa 以,n≥0.24;r≥1.4;δ≥45%。
功能件如门柱、门框、横梁、加强梁等,这类零件需要承受一定的载荷甚至冲击,要求有足够的强度和刚度,其中如门柱、窗柱等结构件,抗拉要求在600Mpa,当前多选择双相DP 钢、相变诱导塑性TRIP 等高强度钢,既要保证有好的成型性,也要保证强度要求,门柱内板强度一般选用300Mpa 以上,n≥0.24;r≥1.4;δ≥45%。
加强板类零件加强板零件一般有三种:1、在一些局部受到集中载荷作用的制件上,增加加强可分担部分载荷,提高该部位的刚度;2、采用具有吸振功能的钢板作为加强,以起到减振作用,保证整车安全性;3、另外一些加强板同时也是结构件,需要腐蚀功能,如挡泥板、下边梁等,其强度要求也高,要求在300Mpa以上,≥0.21;r≥1.3;δ≥34%,屈强比小于0.66。
钢材材料标准钢材是一种常见的金属材料,广泛应用于建筑、机械制造、汽车制造等领域。
为了保证钢材的质量和使用安全,各国都制定了相应的钢材材料标准。
钢材材料标准主要包括钢材的化学成分、力学性能、尺寸偏差、表面质量等方面的要求。
本文将对钢材材料标准进行详细介绍,以便读者更好地了解钢材的相关知识。
首先,钢材的化学成分是钢材材料标准中的重要内容之一。
钢材的化学成分直接影响着钢材的性能和用途。
一般来说,钢材的化学成分包括碳含量、硅含量、锰含量、磷含量、硫含量等。
不同的钢材种类对这些元素的含量要求也不同,例如结构钢、合金钢、不锈钢等。
因此,钢材材料标准中对钢材的化学成分有着严格的规定,以确保钢材的质量。
其次,钢材的力学性能也是钢材材料标准中的重要内容。
钢材的力学性能包括抗拉强度、屈服强度、延伸率、冲击韧性等指标。
这些指标直接反映了钢材的强度、塑性和韧性,是衡量钢材质量优劣的重要标准。
钢材材料标准对钢材的力学性能也有着详细的规定,以确保钢材在使用过程中能够满足相应的要求,确保使用安全。
另外,钢材材料标准还对钢材的尺寸偏差和表面质量进行了规定。
钢材的尺寸偏差直接影响着钢材的加工和使用,而表面质量则直接影响着钢材的外观和耐腐蚀性能。
因此,钢材材料标准对钢材的尺寸偏差和表面质量也有着严格的要求,以确保钢材能够满足不同领域的使用需求。
总之,钢材材料标准是保证钢材质量和使用安全的重要依据。
通过严格的化学成分要求、力学性能规定、尺寸偏差和表面质量要求,钢材材料标准能够有效地保证钢材的质量和使用性能。
因此,对于钢材生产和使用单位来说,必须严格遵守钢材材料标准的相关规定,以确保生产和使用的钢材能够满足相应的要求,保障工程质量和使用安全。
各国汽车用钢牌号分类对比一、美国钢铁标准化机构简介美国有多家学会、协会从事钢铁标准化工作,涉及钢铁材料标准的标准化机构,主要有:AISI-------美国钢铁学会。
ACI-------美国合金铸造学会。
ANSI------美国国家标准学会。
ASTM------美国材料与试验协会。
SAE-------美国汽车工程协会。
ASME------美国机械工程协会。
AWS-------美国焊接学会。
UNS(UNS系统简介)是金属与合金牌号统一数字体系的简称。
它是由ASTM E507和SAE JI1086等技术标准推荐使用的。
ANSI标准广泛用于整个工业,但该学会本身不制定标准,只是从其他标准化机构中选取一部分标准发布为国家标准,其标准号采用双编号ANSI/ASTM,牌号是采用另一编号标准中的牌号。
美国材料与试验协会(ASTM)标准广泛用于钢铁材料,它的特点是能够代表标准制定部门、钢铁企业和用户三方协商一致的意见,因此被广泛使用。
补充:它们的成分可能会有微小的差异,但性能差别不大,所以可以不作区别。
ASTM标准钢铁牌号表示方法简介1. 结构钢牌号表示方法结构钢大多数表示方法符合SAE(美国车工程协会)系统的规定,也是用四位数字表示牌号。
前两位数字表示钢的类别,后两位数字表示钢中平均碳的质量分数×104。
(1)碳素结构钢棒材 1005~1095 共 49 个牌号, 10 代表碳素钢。
(2)较高锰含量碳素钢棒材 1513~1572 共 16 个牌号,15 代表较高锰含量碳素钢。
(3)易切削结构钢 1108~1151 , 1211~1215 和 12L13~12L15 共 23 个牌号。
11 表示硫系易切削结构钢, 12 表示硫磷复合易切削结构钢, 12L 表示铅硫复合易切削结构钢。
(4)合金结构钢 1330~E9310 和硼钢 50B44~94B30 共 90 个牌号。
牌号前两位数字的代表钢类均符合 SAE 系统规定。
国内外汽车用钢发展情况分析第一节国外汽车用钢开发情况一、高强钢板根据钢中的合金含量可以将超高强度钢分为低合金超高强度钢、中合金超高强度钢和高合金超高强度钢。
据合结钢的物理冶金学特点可以将超高强度钢分为低合金超高强度钢、二次硬化超高强度钢和马氏体时效钢。
低合金超高强度钢大多是AISI 4130、4140、4330或4340的改进型钢;HY180和AF1410是典型的二次硬化型中合金超高强度钢;高合金超高强度钢的典型代表是马氏体时效钢。
AISI4340是最早出现的低合金超高强度钢。
它于1950年开始研究,并于1955年应用于飞机起落架。
通过淬火和低温回火处理,AISI4130、4140、4330或4340钢的屈服强度可以超过1500MPa,然而缺口冲击韧性降低。
在钢中添加1%~2%的硅可以抑制回火时ε-碳化物生长及Fe3C形成,提高回火温度(260-315℃)来消除热应力和相变应力以提高韧性,同时又可避免马氏体回火脆性。
坩埚熔炼Hy-Tuf和300M便是利用上述原理开发的高硅低合金超高强度钢。
1952年美国国际镍公司开发的300M钢是在4340钢中添加硅和钒元素。
300M钢在300℃回火可获得最佳的强度和韧性配合。
通过调整碳含量和添加钒,开发了AMS6434和LadishD6AC钢。
通过对AISI4330的改进,我国开发了高性能685和686装甲钢。
在工艺性能相当的条件下,高性能685装甲钢的抗枪弹和抗炮弹性能优于目前我国大量应用的前苏联2п和43пCM装甲钢。
在AISI4340的基础上,我国还研制了高硬度695装甲钢,其抗穿甲弹防护系数达到1.3以上。
值得注意的是,尽管以4340和300M钢为代表的低合金超高强度钢具有高强度,但它们的断裂韧性和抗应力腐蚀能力较差。
除了广泛应用的AF1410等二次硬化超高强度钢之外,为了获得更高的强度和韧性配合,美国SRG在二次硬化钢的物理冶金学研究基础上,开发了高洁净度的AerMet钢。
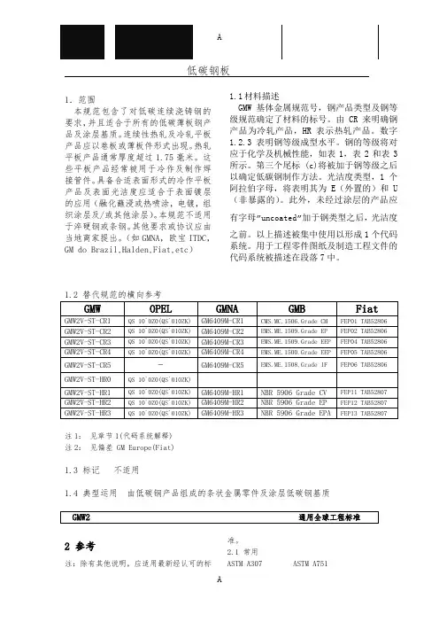
低碳钢板1.范围本规范包含了对低碳连续浇铸钢的要求,并且适合于所有的低碳薄板钢产品及涂层基质。
连续性热轧及冷轧平板产品应以卷板或薄板件形式出现。
热轧平板产品通常厚度超过1.75毫米。
这些平板产品经常被用于冷作及制作焊接管件。
具备合适表面形式的冷作平板产品及表面光洁度应适合于表面镀层的应用(融化蘸浸或热喷涂,电镀,组织涂层及/或其他涂层)。
本规范不适用于淬硬钢或条钢。
其他要求或协议应由当地商家提出。
(如GMNA ,欧宝ITDC ,GM do Brazil,Halden,Fiat,etc )注1: 见章节1(代码系统解释) 注2: 见偏差 GM Europe(Fiat)1.3 标记 不适用1.4 典型运用 由低碳钢产品组成的条状金属零件及涂层低碳钢基质2 参考注:除有其他说明,应适用最新经认可的标准。
2.1 常用ASTM A307 ASTM A7511.1 材料描述GMW 基体金属规范号,钢产品类型及钢等级规范确定了材料的标号。
由CR 来明确钢产品为冷轧产品,HR 表示热轧产品。
数字1.2.3表明钢等级成型水平。
钢的等级将对应于化学及机械性能,如表1,表2和表3所示。
第三个尾标 (c)将被加于钢等级之后以确定低碳钢制作方法。
光洁度类型,1个阿拉伯字母,将表明其为E (外置的)和U (非暴露的)。
此外,未经过涂层的产品应有字母”uncoated ”加于钢类型之后,光洁度之前。
以上描述被集中使用以形成1个代码系统。
用于工程零件图纸及制造工程文件的代码系统被描述在段落7中。
ASTM E112 ASTM E45 DIN 1614-2 DIN 50602 EN 10002-1 EN 100048 EN 10049 EN 10130 ISO 10113 ISO 10275 ISO 11014-1 JIS B0610 JIS B0651 JFS A1001 JFS A2001 NBR 5906 2.2 通用9984001 B040 1270 B 040 1271 EMS 9310015 EMS.ME.1508 GM6180M GM6409M GM9920P GMW11 GMW8 GMW3001 GMW3059 GMW3224 Opel 105 QS 1010Z0 QS90002.2 其他 EN10048协议(德国钢铁协会) SEP1940德国钢铁程序,用于测试薄金属的表面粗糙度 VDA 规范230-201预润滑3.要求以下章节确定了在循环周期内,对材料的发送,加工。
汽车钢板使用的标准一、钢材质量1.汽车钢板必须采用符合相关标准的优质钢材,具备良好的力学性能和抗疲劳性能。
2.钢材的化学成分应符合相关标准要求,保证钢材的韧性和耐久性。
3.钢材应具备一定的抗腐蚀性能,以应对汽车使用环境中的腐蚀因素。
二、尺寸精度1.汽车钢板的尺寸应符合设计要求,精度高,公差范围小。
2.钢材的厚度、宽度、长度等参数应符合相关标准,以保证成型性和装配性。
3.对于有特殊要求的零件,如车门、车架等,其尺寸精度要求更高,以保证良好的装配性和密封性。
三、形状精度1.汽车钢板应具备一定的形状精度,以保证成型性和装配性。
2.钢材的弯曲度、平整度、角度等应符合相关标准,以保证汽车钢板的外观和使用性能。
3.对于有特殊要求的零件,如车轮、刹车片等,其形状精度要求更高,以保证良好的使用性能和安全性。
四、表面处理1.汽车钢板表面应进行防锈处理,以提高钢板的耐久性和使用寿命。
2.表面处理方法包括涂层、电镀、热处理等,应根据汽车钢板的种类和使用环境选择合适的处理方法。
3.表面处理后,钢板应具有良好的外观质量和耐腐蚀性能。
五、加工性能1.汽车钢板应具有良好的加工性能,包括切割、弯曲、冲压、焊接等。
2.钢材的硬度、韧性等应符合加工要求,以保证加工效率和产品质量。
3.对于复杂形状和精细要求的零件,应采用先进的加工设备和工艺,以实现高质量的加工和制造。
六、耐久性能1.汽车钢板应具有良好的耐久性能,包括抗疲劳性能、耐腐蚀性能等。
2.在汽车使用过程中,钢板应能够承受各种应力、应变和环境因素的作用,而不发生过早的疲劳和损坏。
3.为提高钢板的耐久性能,可采用高强度钢材、表面处理等方法。
七、环保要求1.汽车钢板应采用环保材料和生产工艺,减少对环境的污染和对人体的危害。
2.采用无毒或低毒的涂料和粘合剂,减少对操作人员和乘客的影响。
3.汽车制造过程中应采取措施降低噪音、减少废弃物等,提高资源利用效率。
各国汽车用钢牌号分类对比一、美国钢铁标准化机构简介美国有多家学会、协会从事钢铁标准化工作,涉及钢铁材料标准的标准化机构,主要有:AISI-------美国钢铁学会。
ACI-------美国合金铸造学会。
ANSI------美国国家标准学会。
ASTM------美国材料与试验协会。
SAE-------美国汽车工程协会。
ASME------美国机械工程协会。
AWS-------美国焊接学会。
UNS(UNS系统简介)是金属与合金牌号统一数字体系的简称。
它是由ASTM E507和SAE JI1086等技术标准推荐使用的。
ANSI标准广泛用于整个工业,但该学会本身不制定标准,只是从其他标准化机构中选取一部分标准发布为国家标准,其标准号采用双编号ANSI/ASTM,牌号是采用另一编号标准中的牌号。
美国材料与试验协会(ASTM)标准广泛用于钢铁材料,它的特点是能够代表标准制定部门、钢铁企业和用户三方协商一致的意见,因此被广泛使用。
补充:它们的成分可能会有微小的差异,但性能差别不大,所以可以不作区别。
ASTM标准钢铁牌号表示方法简介1. 结构钢牌号表示方法结构钢大多数表示方法符合SAE(美国车工程协会)系统的规定,也是用四位数字表示牌号。
前两位数字表示钢的类别,后两位数字表示钢中平均碳的质量分数×104。
(1)碳素结构钢棒材 1005~1095 共 49 个牌号, 10 代表碳素钢。
(2)较高锰含量碳素钢棒材 1513~1572 共 16 个牌号,15 代表较高锰含量碳素钢。
(3)易切削结构钢 1108~1151 , 1211~1215 和 12L13~12L15 共 23 个牌号。
11 表示硫系易切削结构钢, 12 表示硫磷复合易切削结构钢, 12L 表示铅硫复合易切削结构钢。
(4)合金结构钢 1330~E9310 和硼钢 50B44~94B30 共 90 个牌号。
牌号前两位数字的代表钢类均符合 SAE 系统规定。
汽车结构用热轧钢板及钢带标准汽车结构用热轧钢板及钢带标准1. 引言在汽车工业中,材料的选择对汽车结构的品质和性能有着至关重要的影响。
而热轧钢板及钢带作为汽车结构的主要材料之一,其标准化对汽车生产和品质控制也有着重要的作用。
本文将就汽车结构用热轧钢板及钢带的标准进行全面评估,并据此撰写一篇有价值的文章,以帮助读者更深入地理解这一重要的主题。
2. 汽车结构用热轧钢板及钢带的基本概念汽车结构用热轧钢板及钢带是指用于汽车主体结构和车身构件的热轧钢材料。
这些材料通常需要具备优异的强度、塑性和耐磨性,以确保汽车在使用过程中能够承受各种复杂的力学作用和外部环境的影响。
对于这些材料的标准化需求也更加突出。
3. 热轧钢板及钢带的标准化3.1 国际标准在国际上,针对汽车结构用热轧钢板及钢带的标准化工作由国际标准化组织(ISO)负责。
ISO针对不同的用途和要求,制定了一系列针对热轧钢板及钢带的标准,包括材料的化学成分、力学性能、加工工艺和表面质量等方面的要求。
这些标准的制定,为全球汽车制造商提供了统一的技术规范,有利于提高汽车结构材料的质量和互换性。
3.2 国家标准除了国际标准外,不同国家和地区也会根据本国的汽车生产实际情况,制定针对热轧钢板及钢带的国家标准。
在中国,国家标准化委员会发布了《汽车用热轧钢板及钢带》(GB/T 3274-2007)标准,规定了汽车结构用热轧钢板及钢带的技术要求、试验方法、检验规则和标志、包装、运输和贮存等内容,为中国汽车制造业的发展提供了规范和标准。
4. 个人观点和理解在我看来,热轧钢板及钢带的标准化工作对汽车制造业具有重要意义。
通过制定统一的技术规范,可以有效提高汽车结构材料的质量和生产效率,降低生产成本,提高汽车的安全性和可靠性。
标准化还有助于促进国际间的贸易合作,推动全球汽车产业的健康发展。
5. 总结与回顾汽车结构用热轧钢板及钢带的标准化工作对汽车制造业具有重要意义,国际标准和国家标准的制定为汽车结构材料的质量提升和产业发展提供了有力支持。
宝钢汽车结构用热连轧钢板及钢带标准1.范围本标准规定了汽车结构用热连轧钢板及钢带的尺寸、外形、技术要求、试验方法、检验规则、包装、标志及质量证明书等。
本标准适用于上海宝钢集团公司热轧部生产的、具有良好冷成型性能的碳素及微合金钢热连轧钢板及钢带,产品供制造汽车大梁、横梁、滚型车轮、汽车传动轴管等结构用。
2.引用标准下列标准包含的条文,通过在本标准中引用而构成为本标准的条文。
本标准发布时,所示版本均为有效。
所有标准都会被修订,使用本标准的各方应探讨使用下列标准最新版本的可能性。
3 分类及牌号3.1钢板及钢带按用途、产品类别区分如表1所示。
表1 (续)表1(完)2.按边缘状态分为切边 EC不切边 EM3.尺寸、外形、重量及允许偏差4.1 B330CL、B380CL、B420CL的厚度允许偏差应符合Q/BQB301较高精度(PT.B)规定。
4.2 B440QZR 、B480QZR的厚度允许偏差应符合表2 的规定。
3.其它尺寸外形重量及其允许偏差按Q/BQB301的规定。
表2 mm3.订货所需信息5.1 订货时用户须提供下列信息:a.本企业标准号;b)牌号;c)产品类别(按3.1)d)规格及尺寸(厚度)精度级别;e)边缘状态(按3.2)。
如在订货合同中未说明边缘状态和尺寸(厚度)精度,除本标准特别规定外,按本标准供货的钢带以Q/BQB301中普通厚度精度不切边状态交货,按本标准供货的钢板以Q/BQB301中普通厚度精度切边状态交货。
2.标记示例按Q/BQB310-1999交货的牌号SAPH400,厚度3.0mm,PT.A级精度,宽度1500mm,长度5000mm,切边(EC)的钢板,其标记为:Q/BQB310-1999,SAPH400热轧钢板,3.0PT.A×1500(EC)×5000Q/BQB 310-19993.技术要求1.牌号及化学成分6.1.1 钢的牌号及化学成分(熔炼分析)应符合表3的规定。
钢材国内外标准牌号对照
钢材的国内外标准牌号对照是一个相当复杂的话题,因为不同
国家和地区有各自的钢材标准体系和命名规则。
在国际贸易和工程
项目中,需要对不同国家的钢材标准进行对照和转换,以确保材料
的质量和性能符合要求。
以下是一些常见的国内外钢材标准对照的
信息:
1. 中国国家标准(GB)和美国标准(ASTM)的对照,中国的钢
材标准通常以GB开头,而美国的钢材标准通常以ASTM开头。
例如,中国的Q235钢材对应着美国的ASTM A36钢材。
2. 中国国家标准(GB)和欧洲标准(EN)的对照,中国的钢材
标准与欧洲标准之间也有对照关系。
例如,中国的Q345钢材对应着
欧洲的S355钢材。
3. 不同国家的特殊钢材标准对照,除了常规结构钢外,不同国
家的特殊钢材(如不锈钢、合金钢等)也有各自的标准体系。
需要
根据具体材料的特性和用途进行对照。
需要注意的是,不同国家和地区的钢材标准可能存在细微差异,
包括化学成分、力学性能和加工工艺等方面。
在进行国内外标准对照时,需要仔细核对各项技术指标,以确保材料的可替代性和适用性。
总的来说,钢材国内外标准牌号对照涉及到多个国家和地区的标准体系,需要根据具体材料和项目的要求进行对照和转换。
在实际应用中,建议寻求专业工程师或材料专家的帮助,以确保对照结果的准确性和可靠性。
收稿日期:2007-03-21作者简介:徐宏伟,男,硕士研究生,高级工程师,目前主要从事标准和质量管理。
国外汽车用先进高强度钢板及其标准综述徐宏伟(上海交通大学机械与动力工程学院 上海 200030)摘 要:简要介绍了9种先进高强钢的特点和用途以及国外先进高强钢标准的概况,重点分析了欧洲、美国和日本先进高强钢标准的特点和标准间的异同。
针对我国的现状,提出了先进高强钢的发展设想以及先进高强钢国家标准的制定原则和实施方法。
关键词:先进高强钢;AHSS;标准中图分类号:TG 335.5 文献标识码:B 文章编号:1003-0514(2007)02-0008-06Summary of advanced high strength steel sheet and it ’s standards in abroadX U H ong -wei(School of Mechanical Engineering ,Shanghai Jiao T ong University ,Shanghai 200030,China)Abstract :Briefly introduce the characteristics and applications of 9advanced high strength steel (AHSS ),summary the AHSS standards in abroad ,mainly analyze the similarities and differences of AHSS standards used in Europe ,America and Japan.Aiming at Chinese current situation ,the developing prospect of AHSS ,development principle and implementing method of AHSS national standards are given.K ey w ords :advanced high strength steel ;standard0 前言随着能源和环境问题的日益突出以及人们对安全的更加关注,社会对汽车提出了低油耗、低(无)污染、高安全的要求。
汽车钢材标准随着汽车工业的快速发展,汽车钢材的需求量也在不断增加。
汽车钢材是指用于汽车制造的各种钢材材料,其质量和性能对汽车的安全性、可靠性和经济性有着重要影响。
为了保证汽车钢材的质量和性能,各国都制定了相应的标准。
一、国际标准国际标准化组织(ISO)是制定国际标准的权威机构之一。
ISO 为汽车钢材制定了一系列的标准,包括钢的化学成分、力学性能、热处理等方面的要求。
这些标准涵盖了汽车钢材的各个方面,确保了汽车钢材的质量和性能符合国际要求。
二、中国标准中国国家标准化管理委员会(SAC)是中国制定标准的机构,对于汽车钢材也有相应的标准。
中国汽车钢材标准以GB/T开头,具体标准号根据不同的钢材种类和用途有所差异。
这些标准包括了钢材的化学成分、力学性能、尺寸和外观等方面的要求,以及热处理、检测方法等内容。
三、钢材种类汽车钢材种类繁多,根据用途和性能要求的不同可以分为多个类别。
其中,常用的汽车钢材包括普通碳素结构钢、低合金结构钢、高强度钢、不锈钢等。
不同种类的钢材具有不同的力学性能和耐腐蚀性能,可以满足汽车制造中的不同需求。
普通碳素结构钢是一种较为常见的汽车钢材,主要用于车身结构和车身零部件。
它具有良好的可焊性和可塑性,能够满足一般汽车的强度和刚度要求。
低合金结构钢在碳素钢的基础上添加了少量的合金元素,能够提高钢材的强度和韧性,适用于高强度要求的汽车零部件。
高强度钢是近年来发展起来的一种新型汽车钢材,具有较高的强度和优异的形变能力。
其采用了新的合金设计和热处理工艺,能够在保持较低的重量的同时满足汽车的安全性能要求。
高强度钢广泛应用于车身结构和安全气囊等关键部位。
不锈钢是一种具有耐腐蚀性能的特殊钢材,主要用于汽车外部装饰和零部件。
不锈钢能够抵抗大气、水、化学物质等环境的腐蚀,保持良好的外观和表面光洁度。
不锈钢的应用可以提高汽车的耐久性和美观度。
四、标准要求汽车钢材的标准要求主要包括化学成分、力学性能、尺寸和外观等方面。
汽车零部件国际标准汽车零部件是汽车制造中不可或缺的重要组成部分,其质量和性能直接关系到汽车的安全性、可靠性和舒适性。
为了确保汽车零部件的质量和性能达到国际标准,各国汽车制造商和零部件供应商都需要遵循一系列国际标准,以确保汽车零部件的设计、生产和测试符合国际规范。
首先,汽车零部件的国际标准涵盖了多个方面,其中包括零部件的材料选用、设计要求、生产工艺、安全性能、环境保护等。
这些标准不仅涉及到汽车零部件本身的性能要求,还包括了对零部件生产过程中的各个环节的要求,以及对零部件在使用过程中的安全性和环保性能的要求。
其次,国际标准的制定和执行对于汽车制造行业具有重要意义。
通过遵循国际标准,汽车制造商可以确保其生产的汽车零部件能够符合国际市场的需求,提高产品的竞争力和市场占有率。
同时,零部件供应商也可以通过遵循国际标准,提高其产品的质量和性能,为汽车制造商提供更加可靠的零部件产品。
此外,国际标准的执行还可以促进全球汽车行业的合作与交流。
在全球化的今天,汽车制造商和零部件供应商往往来自不同的国家和地区,而国际标准的统一可以为各方提供一个共同的标准和规范,促进各方的合作与交流,推动全球汽车行业的发展。
总的来说,汽车零部件的国际标准对于汽车制造行业具有重要的意义,它不仅可以提高汽车零部件的质量和性能,还可以促进全球汽车行业的合作与交流。
因此,各国汽车制造商和零部件供应商都应该重视国际标准的制定和执行,不断提升自身的技术水平和产品质量,为全球汽车行业的发展做出贡献。
在实际生产中,汽车制造商和零部件供应商应该加强对国际标准的学习和理解,积极采用先进的生产工艺和技术,确保生产的汽车零部件能够符合国际标准的要求。
同时,政府部门和行业协会也应该加强对国际标准的宣传和推广,引导企业和消费者遵循国际标准,共同推动汽车行业的可持续发展。
钢板的国际标准与技术规范随着全球经济的快速发展,钢材成为了各个行业中不可或缺的重要材料。
在钢材中,钢板作为建筑、工程、船舶、汽车和家电等领域中的关键产品,其国际标准与技术规范也越来越重要。
本文就讨论钢板的国际标准与技术规范。
一、钢板的国际标准是什么?国际上对于钢板的分类和规定有多种不同标准。
以下列举几种主要标准:1. UNS (Unified Numbering System)标准:美国钢铁协会(Steel Association)开发的一种未经授权的材料命名系统,其目的是为一个材料确定一个独特的标识号。
2. ISO (International Organization for Standardization)标准:国际标准化组织制定的标准。
ISO版的材料规范通常用于指定公差、定义材料的特性以及分析化学成分。
3. ASTM (American Society for Testing and Materials)标准:美国测试与材料协会,是一家非营利组织,为美国及全球研究和开发材料标准提供技术支持,通过这些标准来规定汽车、建筑和航空航天用钢板规格。
4. JIS (Japanese Industrial Standards)标准:日本工业标准,是一种特殊的钢材标准,涉及到一系列的轻量级和重量级的钢板产品。
以上几种标准仅是钢板国际标准的部分分类,具体标准的应用情况需要根据不同行业和应用需求而定。
二、钢板的技术规范有哪些?钢板产品的性能和质量与其制造工艺密切相关,因此广泛的技术规范确保其满足不同领域和应用的要求。
以下列举钢板的主要技术规范:1. 外观和尺寸钢板的外观和尺寸是至关重要的,这涉及到产品最基本的质量控制和检验。
各个标准的规范范围略有不同,但都包括了关于钢板长度、宽度、厚度以及边缘的问题。
2. 化学成分钢板的化学成分通常由钢板中的成分要求来制定,目的是确保其机械性能、化学性质和腐蚀性能的完整性。
汽车零部件用钢的主要国内外标准汽车工业对原材料的需求,品种规格多,质量要求高,数量需求大。
据统计所需原材料品种规格达4000种以上,就钢材而言品种规格达500多种,比重仍占70%左右,且都有较高的质量要求。
尤其近年来,安全、环保、轻量化对汽车用钢提出了更高的要求,从而推动全球的钢铁生产企业不断开发新的汽车用钢。
中国汽车零部件行业近年引进技术和利用外资均大幅增加,到2004年引进技术合资的汽车零部件企业已超过1000家。
汽车零部件占整车生产成本的70%以上,是汽车产业的基础和支撑。
预计到2010年,中国汽车零部件国内产值将达到7000亿元左右。
随着汽车产量和保有量的继续增长,今后汽车工业对以特殊钢为主要材料的汽车零部件用钢需求大幅增加,为特殊钢市场带来巨大商机。
汽车零部件用钢材主要涉及碳结钢、合结钢、易切钢、弹簧钢、非调制钢、轴承钢、齿轮钢、冷镦钢、耐热钢等。
主要规格:棒材φ5.0 -70.0mm ,钢丝φ0.5 -5.0mm 。
涉及到的主要国家标准见表1。
由于篇幅有限,主要介绍正在修订以及刚刚完成修订的几个主要标准。
表1序号钢类主要国家标准号标准名称备注1 碳结钢GB700-1988 碳素结构钢已有新标准,正在报批中2 合金钢GB3077-1999 合金结构钢3 易切钢GB/8731-1988 易切削结构钢技术条件正在修订4 弹簧钢GB1222--1984 弹簧钢已有新标准,正在报批中5 非调质钢GB/T15712-1995 非调质机械结构钢正在修订中GB/T18254-2002 高铬轴承钢6 轴承钢GB/T3203-1982 渗氮轴承钢技术条件7 齿轮钢GB/T5216-2004 保证淬透性结构钢技术条件8 冷镦钢GB/T6478-2001 冷镦与冷挤压用9 耐热钢GB/T1221-1992 钢耐热钢GB/T15712 非调质钢标准非调质钢是相对于机械制造中,部分零件为获得强度和韧性的良好配合而必须采用调质处理而得名,其特点就是可不经过调质处理而获得与调质处理相当的机械性能。
非调质钢用于制造载货汽车发动机连杆、曲轴、前轴、万向节叉、轮毂等。
1 标准的沿革GB/T15712-1995《非调质机械结构钢》,自1996年3月1日实施至今已有10年的历史了。
当时,不论是国内还是国际,比较成熟的牌号是含钒铁素体加珠光体型非调质钢,所以我国非调质钢系列标准牌号有YF35V、YF40V、YF45V、YF35MnV、YF40MnV、YF45MnV,F45X、F35MnVn、F40MnV都是属于铁素体类型的。
随着非调质钢研发的深入与应用领域的扩展,原标准已不适应发展的需要,尤其除了原有含V以外的Nb、Ti等微合金调质钢以及贝氏体、马氏体非调质钢的应用,原标准中提出的定义与技术内容等方面都不能适应非调质钢技术与市场发展的要求,需要及时修订。
为此,将该标准列入2006年国家标准制修订计划,拟于今年年底完成审定。
2 修订的主要内容为了完成好本次标准的修订,在北京召开编制组会议上讨论了本标准修订的总体思路与修订的主要内容如下(以最后审定会结论为准):1) 关于采用国际标准本次修订拟修改采用ISO11692-94(E)<Ferritic-pearlitic engineering steels for precipitationhardening from hot-working temperatures>标准。
选择修改采用是因为国际标准牌号体系与在我国现有非调质钢体系牌号完全不同,因此,拟在原标准体系的基础上,结合目前我国生产与使用实际情况修改标准。
2) 非调质钢的定义原标准定义的非调质钢仅局限于铁素体组织,由于贝氏体与马氏体非调质钢的发展,原定义应按目前的实际情况进行修订。
3) 适用范围由于非调质钢锻制状态交货是不适用的,所以拟予以取消。
考虑到目前有很多用户使用银亮钢材,所以拟按照ISO11692-1994增加银亮钢材的有关内容。
4) 牌号及化学成分牌号:根据目前生产与使用情况,本标准拟参照ISO 11692-1994增加贝氏体型非调质钢牌号。
化学成分:本标准拟参照ISO 11692-1994修改原标准中的化学成分的有关规定。
微合金元素:随着含Nb、Ti非调质钢研究不断深入,尤其是国外这方面许多研究成果的应用,在我国还没有成熟技术数据支持的情况下,为了推动非调质钢研究成果转化为生产力,考虑到V资源和价格因素,拟借鉴ISO 11692:1994(E)的表述,本标准较原标准增加了“经双方协商,V的一些或所有含量可以用Nb或Ti代替,在这种情况下,V的下限含量可以协商。
”5) 力学性能按照ISO 11692:1994(E)对热锻用非调质钢也只规定化学成分,不要求力学性能。
由于热锻用非调质钢的力学性能主要取决于化学成分和用户使用的锻造工艺,而与钢材交货状态的性能没有直接关系,所以本标准参照ISO11692:1994(E)拟对力学性能进行修改。
3 加快标准的修订,推动非调制钢技术发展由于生产和使用非调质钢零件不经加热可直接使用,节约能源,避免固容热处理造成的裂纹与变形,力学性能均匀,经氮化处理后,耐磨性好,所以非调质钢属于高效钢材,近几年受到广泛注意,例如兴澄钢铁公司专为一汽、二汽研发易切非调质钢MnVS系列,年需求量达5000吨以上。
汽车公司大约80%热锻件采用易切非调质钢,日本有代表性的汽车公司使用的全部特殊钢中,易切非调质钢占12.4%以上。
可见,随着汽车产量的增大,汽车零部件用易切非调质钢的发展会非常好。
我们要积极跟踪非调制钢新技术的发展,将新技术与新工艺及时纳入标准中来,加快标准修订的节奏,以推动非调制钢的新产品的市场应用。
GB/T1222 弹簧钢标准弹簧钢主要用于汽车减震,部分弹簧钢种应用如表2。
表2 部分弹簧钢种在汽车上的应用弹簧钢种应用65、70 、85 汽车板簧、圆形螺旋弹簧、< 12mm 的小型弹簧55Si2Mn用作< 25mm 汽车板簧、螺旋弹簧、气缸阀簧55SiMnB55SiMnVB 汽车板簧、螺旋弹簧、气缸阀簧60SiMn汽车板簧、螺旋弹簧、气缸阀簧60SiMnA55CrMnA< 50mm 的螺旋弹簧和钢板弹簧60CrMnA50CrV A阀门弹簧、活塞弹簧、安全阀弹簧60Si2CrV A弹簧钢有热加工用和冷成形用之分。
热加工用有扁钢和圆钢,分别用来制造板簧和螺旋弹簧,钢厂提供钢材,在弹簧制造厂成形并进行热处理,得到需要的力学性能。
冷成形用钢是由钢厂提供冷拔钢丝或油淬火钢丝,其力学性能是在钢厂通过冷拔和热处理得到,弹簧制造厂只需成形和进行去除应力退火即可制成产品。
1 标准的沿革我国最早的弹簧钢标准是1952年由苏联标准引进的,主要是硅锰系。
后经历了三次修订,演变为YB8-59、YB213-64与GB1222-75。
无疑这些标准的执行都促进了弹簧钢生产与应用。
80年代初,随着我国改革开放与对外贸易的发展,国家提出了积极采用国际与国外先进标准的方针,弹簧钢标准采用了国际与日本标准进行了修订,演变为GB/T1222-84。
该标准自1984年发布至今已将近20年历史,已不能很好地适应制造业,尤其是汽车工业技术进步的需要,因此将GB/T1222-84列入2002~2003年冶金产品国家标准制修订项目计划,于2003年10月完成了审定,由于该标准中涉及到了专利权的问题,至今还未批准发布。
2 修订的主要内容(1)尺寸与偏差—扩大了厚度、宽度与长度的范围在原标准中,平面扁钢厚度最大到30mm 。
随着汽车制造技术的进步,少片较厚簧以及变截面钢板弹簧得到了广泛应用,从而需要厚度更大的弹簧扁钢。
因此,本标准将平面扁钢的厚度扩大到40mm ,同时对于原有厚度规格所对应的宽度作了适当的增加。
原标准中,单面双槽扁钢只有75mm 宽度系列及9mm 、10mm 、11mm 三个厚度。
现东风汽车公司等已新采用了90mm 宽度系列(厚度有11mm 和13mm )以及75mm 宽度系列8mm 和13mm 厚度规格。
根据实际需要,在本标准中对单面双槽扁钢规格作了补充,增加了11×90、13×90、8×75和13×75四个规格。
现在各企业生产弹扁普遍采用连轧工艺,坯料断面有所放大,成材率水平已有较大提高,有条件改进范围定尺长度。
为了方便用户,故本标准将通常交货长度范围规定为3~6m ,比原来的2~6m 的长度下限增加了1m 。
—提高了尺寸偏差精度原标准规定弹簧钢热轧圆、方钢的截面尺寸偏差执行GB/T702中2组精度。
由于部份弹簧钢用户对尺寸有更高的要求,2组精度已不能完全满足需要,因此本标准增加了“经供需双方协商并在合同中注明,也可按第1组规定交货”的补充规定。
平面扁钢的宽度尺寸允许偏差中,将宽度大于100mm 的扁钢的宽度公差由原来宽度的1%加严到±1.00mm ,也与日本JIS G4801标准相当,其他拟保持原标准水平。
(2)牌号与化学成分—牌号原标准有17个牌号,含有碳素钢、锰钢、硅锰钢、铬锰、铬钒、铬钼钢、铬锰钒、硼钢8大系列。
在此次修订中,删除了淬透性差与用量较少的牌号55Si2Mn 、55Si2MnB 、60CrMnMoA ,增加了主要用于汽车悬挂簧、阀门簧55SiCr (相当于SUP12、SAE9254)。
同时在附录中增加了28MnSiB 技术条件。
—化学成分为了提高60Si2Mn 、60Si2MnA 的淬透性以及与国外牌号对应性,本标准将这二个牌号的Mn 含量均调整为0.70~1.00%。
为了提高弹簧钢的冶金质量,本标准对带A 牌号弹簧钢的S 、P 含量由原标准的≤0.030%改为≤0.025%。
(3)非金属夹杂物由于非金属夹杂物对弹簧另部件的疲劳寿命影响较大,许多用户在订货时提出了检验非金属夹杂物的要求。
本标准仍将非金属夹杂物作为用户选择的检验项目(可减轻生产厂的检验工作量),但为了促进生产厂提高弹簧钢的纯净度,本标准规定在用户要求检验非金属夹杂物时其合格级别为:按GB/T10561中A 法评定,A 、B 类细系均不大于2.5级、粗系不大于2.0级,C 、D 类细系均不大于2.0级、粗系不大于1.5级。
3 国内外标准对比原标准GB/T1222-84是在GB1222-75基础上,参照日本JIS G4801(1984)《弹簧钢钢材》与ISO683.14(2004)《用于调质弹簧的热轧钢材》等国外其它先进国家修订而成的。
本标准中弹簧钢的牌号总数量为15个,与国际标准对比,日本只有9个牌号,德国只有6个牌号,ISO683-14也只有11个牌号,本标准中钢牌号仍然是较多的。
现将本标准中牌号与主要国际国外标准牌号的对照列表如表3。