正负5V固定输出的三端稳压电路
- 格式:pdf
- 大小:563.93 KB
- 文档页数:13
一、简介常见的三端固定集成稳压电路有正电压输出的78××系列和负电压输出的79××系列。
所谓三端就是该集成稳压电路的引出脚只有三条,即:输入端、输出端和接地端;其封装形式采用晶体三极管的标准封装,外形与晶体三极管一样。
因此,用它来组成稳压电源需要的外围元件很少,电路非常简单。
该集成稳压电路内部还设置了过流、芯片过热及调整管安全工作区的保护电路,使用起来安全、可靠。
该系列集成稳压电路型号中的78或79后面的数字代表该三端集成稳压电路的输出电压数值,以伏特(V)为单位。
例如7806表示输出电压为正6V;7924表示输出电压为负24V。
此外,我们还可以发现在数字78××或79××的前面和后面还有一些英文字母,如LM78××、CW78××C、TA78××AP等。
前面的字母称为“前缀”,通常为生产厂家(公司)的代号,如“TA”表示日本东芝公司的产品。
后面的字母称为“后缀”,用来表示输出电压容差和封装形式等。
通常不同生产厂家(公司)对三端集成稳压电路型号后缀所用字母的含义和定义各不相同。
不过,这对我们实际使用影响不大。
78××系列集成稳压电路的输出电压大致有8种(输出电压的种类随厂商的不同而异): 7805、78 06、7809、7810、7812、7815、7818、7824。
按其最大输出电流又可分为78××、78M××、78××三个分系列。
其中78L××系列的最大输出电流为100mA;78M××系列最大输出电流为500mA;78××系列最大输出电流为1.5A。
78××系列集成稳压电路的外形有多种,详见图1。
其中78L××系列有两种封装形式:一种是金属壳的TO-39封装,见图1(a);另一种是塑料TO-92封装,见图1(b)。
三端稳压电源及LDO线性电源测试方法作者:李雷一、 器件介绍三端稳压器电路(简称三端电源)是模拟集成电路中较大的一个系列,也是各种电子系统中不可缺少的电源供电电路,它广泛的应用于各种电子整机和电源系统之中。
随着集成电路技术的快速发展,许多电源芯片公司推出了Low Dropout Regulator,即:低压差线形稳压器,简称LDO。
这种电源芯片的压差只有1.3-0.2伏,可以实现5v转3.3v/2.5v,3.3v转2.5v/1.8v等要求。
本文主要介绍通用线性电源的测试原理和实用测试方法。
1.三端稳压电源的分类从不同的角度,三端电源可以分为多类:1.从输入、输出电压极性上可分为:正稳压电源(如:78XX、78MXX、78LXX),负稳压电源(如:79XX、79MXX、79LXX)。
2.从输出电压幅度上可分为:5V输出----24V输出。
(如:7805,7809、7815、7824、7905、7909、7912、7915等)3.从输出功率上可分为:小功率L系列(IO=100MA)如:78L05、79L12等。
中功率M系列(IO=500MA)如:78M09、79M05等大功率系列(IO=1.5A)如:7812、7915等4.从封装形式上可分为:TO-3、TO-220、TO-39等。
5.从输出形式上可分为:固定输出(78XX、79XX、78MXX、79MXX等),可调输出(LM117/217/317、LM137/237/337、LM150、LM138等)。
6.从产品等级上可分为:军用级(LM117、LM137),工业级(LM217、LM237),民用级(LM317、LM337)。
2.三端电源的典型测试系统简介A LTX公司的SAI600测试包作为模拟器件测试系统著名生产厂家之一的LTX公司采用SAI600测试包对线性三端稳压器件进行测试。
SAI600测试包是基于大规模线性集成电路测试系统LTX-77 的一个通用测试包。
三端稳压器7805接线图解析三端稳压器引脚分析KIAMOS管电子产品中,常见的三端稳压集成电路有正电压输出的78 &TImes;&TImes; 系列和负电压输出的79&TImes;&TImes;系列。
顾名思义,三端IC是指这种稳压用的集成电路,只有三条引脚输出,分别是输入端、接地端和输出端。
它的样子像是普通的三极管,TO- 220 的标准封装,也有9013样子的TO-92封装。
用78/79系列三端稳压IC来组成稳压电源所需的外围元件极少,电路内部还有过流、过热及调整管的保护电路,使用起来可靠、方便,而且价格便宜。
该系列集成稳压IC型号中的78或79后面的数字代表该三端集成稳压电路的输出电压,如7806表示输出电压为正6V,7909表示输出电压为负9V。
因为三端固定集成稳压电路的使用方便,电子制作中经常采用。
7805是我们最常用到的稳压芯片了,他的使用方便,用很简单的电路即可以输入一个直流稳压电源,他的输出电压恰好为5v,刚好是51系列单片机运行所需的电压,他有很多的系列如ka7805,ads7805,cw7805等,性能有微小的差别,用的最多的还是lm7805,下面我简单的介绍一下他的3个引脚以及用它来构成的稳压电路。
其中1接整流器输出的+电压,2为公共地(也就是负极),3就是我们需要的正5V输出电压了,下面介绍一个简单的7805电路。
上图中,变压器、整流桥将220V交流变换成13V直流。
R1用220Ω,R2用680Ω的这个是用来调节输出电压的。
输出电压公式Uo≈Uxx(1+R2/R1),此稳压电路可在5~12V稳压范围内实现输出电压连续可调节。
此三端集成稳压集成电路lm7805最大输入电压为35V,输入输出差需保持2V以上,这样该电路中因为稳压器的直流输入电压是正14V,故该稳压电路的最大输出电压为正12V。
此电路的精度一般可达到0.04以上,用lm7805就能满足一般需求了。
芷亀宦亠“负电压LM317可调稳压电源电路图:LM317是可调稳压电源中觉的一种稳压器件,使用也非常方便。
LM317是美国国家半导体公司的三端可调正稳压器集成电路。
很早以前我国和世界各大集成电路生产商就有同类产品可供选用,是使用极为广泛的一类串连集成稳压器。
LM317的输出电压范围是 1.25V—37V (本套件设计输出电压范围是1.25V — 12V ),负载电流最大为1.5A 。
它的使用非常简单,仅需两个外接电阻来设置输出电压。
此外它的线性率和负载率也比标准的固定稳压器好。
LM317内置有过载保护、安全区保护等多种保护电路。
为保证稳压器的输出性能, R 应小于240欧姆。
改变 RP 阻值稳压电压值。
D5,D6用于保护LM317。
输出电压计算公式: Uo=(1+RP/R)*1.25电阻 200 1电位器2k 1 加一D6二极誓 IN4007 6 C1 輾电容2200uF 1 C2 电畀电簧^70uF 1 C3无极性电容10*31 削熔斯器含座 n1A1 IC集威电路 U317 1散热器含沿1Xb X2接线座 2P 2PCB 板80X4 Onio1三端稳压电路图集(六祖故乡人汇编 2013 年 9 月 8 日)118»<,0( 79“ WIT輪入调輸輸 调输输 整出入 整入出132 132it Si 人jjuOiiF如图所示,此电路的核心器件是 W7805。
W7805将调整器,取样放大器等环节集于一体,内部包含限流电路、过热保护电路、可以防止过载。
具有较高的稳定度和可靠性。
W7805属串联型集成稳压器。
其输出电压是固定不变的,这种固定电压输出,极大的限制了它的应用范围。
如果将 W7805的公共端即3脚与地断开,通过一只电位器接到 -5V 左右的电源上,就可以在改变电位器阻值的同时,使集成稳压器的取样电压及输出电压都随之改变。
图中 RP1就是为此而设计的。
只要负电压的大小取得合适便能使输出电压从0V 起连续可调,输出电压的最大值由 W7805的输入电压决定,本稳压器 0V-12V 可调。
正负5v电源设计电路图+原理(总4页)--本页仅作为文档封面,使用时请直接删除即可----内页可以根据需求调整合适字体及大小--题目:±5V简易直流稳压电源的设计一﹑本次设计的主要目的设计要求:设计出每个功能框图的具体电路图,并根据下列技术参数的要求,计算电路中所用元件的参数值,最后按工程实际确定元件参数的标称值。
容量:5W输入电压:交流220V输出电压:直流±5V输出电流:1A二、稳压电源的技术指标及对稳压电源的要求稳压电源的技术指标可以分为两大类:一类是特性指标,如输出电压、输出电滤及电压调节范围;另一类是质量指标,反映一个稳压电源的优劣,包括稳定度、等效内阻(输出电阻)、纹波电压及温度系数等。
对稳压电源的性能,主要有以下四个万面的要求:1.稳定性好当输入电压Usr(整流、滤波的输出电压)在规定范围内变动时,输出电压Usc的变化应该很小一般要求。
由于输入电压变化而引起输出电压变化的程度,称为稳定度指标,常用稳压系数S来表示:S的大小,反映一个稳压电源克服输入电压变化的能力。
在同样的输入电压变化条件下,S越小,输出电压的变化越小,电源的稳定度越高。
通常S约为。
2.输出电阻小负载变化时(从空载到满载),输出电压Usc,应基本保持不变。
稳压电源这方面的性能可用输出电阻表征。
输出电阻(又叫等效内阻)用rn表示,它等于输出电压变化量和负载电流变化量之比。
rn反映负载变动时,输出电压维持恒定的能力,rn越小,则Ifz ? 变化时输出电压的变化也越小。
性能优良的稳压电源,输出电阻可小到1欧,甚至0.01欧。
3.电压温度系数小当环境温度变化时,会引起输出电压的漂移。
良好的稳压电源,应在环境温度变化时,有效地抑制输出电压的漂移,保持输出电压稳定,输出电压的漂移用温度系数KT来表示:4.输出电压纹波小所谓纹波电压,是指输出电压中50赫或100赫的交流分量,通常用有效值或峰值表示。
经过稳压作用,可以使整流滤波后的纹波电压大大降低,降低的倍数反比于稳压系数S。
三端集成稳压器原理与应用三端集成稳压器的分类秦炎做电子实验或自制各种电子装置都离不开直流稳压电源用分立元件组装的稳压电源调试维修比较麻烦且体积较大随着功率集成技术的提高和电子电路集成化的发展出现了集成稳压器所谓集成稳压器是指将功率调整管取样电阻以及基准稳压误差放大启动和保护电路等全部集成在一个芯片上而形成的一种稳压集成电路目前常见的三端集成稳压器按性能和用途可分为以下4类1. 三端固定输出正稳压器所谓三端是指电压输入端电压输出端和公共接地端输出正是指输出正电压国内外各生产厂家均将此系列稳压器命名为78系列如7805 7812等其中78后面的数字代表该稳压器输出的正电压数值以伏特为单位例如7805即表示稳压输出为5V 7812表示稳压输出为12V等有时我们会发现在型号78前面和后面还有一个或几个英文字母如W78 AN78 L78CV等前面的字母称前辍一般是各生产厂公司的代号后面的字母称为后辍用以表示输出电压容差和封装外壳的类型等不过各生产厂家对集成稳压器型号后辍所用字母定义不一但这对实际使用没有大的影响78 系列稳压器按输出电压分共有9种分别为7805 78067808 78097810 78127815 78187824按其最大输出电流又可分为78L78M和78三个分系列其中78L系列最大输出电流为100mA 78M 系列最大输出电流为500mA 78系列最大输出电流为1.5A78系列稳压器外形见图1其中78L系列有两种封装形式一种是金属壳的TO 39封装见图1a一种是塑料TO 92封装见图1 b前者温度特性比后者好最大功耗为700mW加散热片时最大功耗可达1.4W后者最大功耗为700mW使用时无需加散热片78L系列中一般以塑封的使用较多78M系列有两种封装形式一种是T O 202塑封见图1 c一种是TO 220塑封见图1 d不加散热片时最大功耗为1W加2002004m㎡散热片时最大功耗可达7.5W 78系列也有两种封装形式一种是金属亮的TO 3封装见图1e一种是料TO 220封装见图1d不加散热片时前者最大功耗可达2.5W后者可达2W加装200 2004mm3散热片时最大功耗可达15W塑料封装以其安装固定容易价廉等优点在无线电爱好者中使用居多2. 三端固定输出负稳压器即79系列除输出电压为负电压引脚排列不同外其命名方法外型等均与78系列相同3 .三端可调输出正稳压器此处的三端是指电压输入端电压输出端和电压调整端在电压调整端外接电位器后可对输出电压进行调节其主要特点是使用灵活4..三端可调输出负稳压器其输出为负电压LM123系列LM140系列LM138系列LM150系列等与之对应的负输出也各有一个系列这类稳压器的命名方法无明显规律封装也各异本文拟以最常见最廉价的LM317T 正输出可调和LM337T负输出可调为例予以介绍LM317T的输出电压可在1.2V 37V之间可调输出电压由两只外接电阻确定输出电流可达1.5A其各项指标均优于固定输出稳压器使用极为方便LM317T采用标准的TO 220塑料封装不加散热片时最大功耗为2W加200 200 4mm3散热片时最大功耗可达15WLM337T除输出为负电压外其它均与LM317T相同三端集成稳压器原理与应用集成稳压器的工作原理与主要参数秦炎本章介绍集成稳压器的工作原理和几个主要参数掌握了这些知识对自制稳压电源将会有帮助工作原理图1是78 系列稳压器的电原理框图由图可见它与一般分立件组成的串联调整式稳压电源十分相似不同的是增加了启动电路恒流源以及保护电路为了使稳压器能在比较大的电压变化范围内正常工作在基准电压形成和误差放大部分设置了恒流源电路启动电路的作用就是为恒流源建立工作点R sc 是过流保护取样电阻R A R B组成电压取样电路实际路是由一个电阻网络构成在输出电压不同的稳压器中采用不同的串并联接法形成不同的分压比通过误差放大之后去控制调整管的工作状态以形成和稳定一系列预定的输出电压因此在图1中将R A画成可变电阻形式79 系列稳压器也是一种串联调整式稳压电源但它的调整管处于共射工作状态属集电极输出型稳压电路其工作原理与78系列类似图2是LM317系列可调稳压器的电原理框图基准电压 1.25V接在误差放大器A的同相输入端和芯片的电压调整端Adj之间并由一个超级恒流源50A供电显然如果将调整端直接接地则输出Uo固定为1.25V实际使用时LM317采用悬浮式工作即由外接电阻R1R2来设定输出电压根据LM317内部电路详图经推导计算可得出Uo 1.25 1R2/R1过程从略主要参数1.最大输入电压U imax它是指稳压器输入端允许加的最大电压它与集成稳压器的击穿电压有关应注意整流后的最大直流电压不能超过此值2. 最小输入输出压差U i-U o min其中U i表示输入电压U o表示输出电压此参数表示能保证稳压器正常工作所要求的输入电压与输出电压的最小差值由此参数与输出电压之和决定稳压器所需的最低输入电压值如果输入电压过低使输入输出压差小于U i-U o min则稳压器输出纹波变大稳压性能变差3. 输出电压范围是指稳压器参数符合指标要求时的输出电压范围对于三端固定输出稳压器其电压偏差范围一般为5%对于三端可调输出稳压器应适当地选择外接取样电阻分压网络以建立所需的输出电压4.最大输出电流I omax是指稳压器能够输出的最大电流值使用中不允许超出此值5.电压调整率S v反映稳压器输入电压的变化所引起输出电压的变化情况第一种定义S v=U o / U i ·U o100 | I o=0 其意义是单位输出电压的输入和输出电压相对变化的百分比第二种定义是限定输入电压U i一个变化范围直接将U0的数值做为S v两种定义方法所得出的S v的量纲不同第一种定义的单位为百分数/V第二种定义的单位为“mV” 一般对于可调输出稳压器使用第一种定义方法对于固定稳压器常使用第二种定义方法显然不管是那种定义的S v其值越小说明稳压器性能越好6.电流调整率S I反映稳压器负载电流的变化所引起输出电压的变化第一种定义S I =U o / U o·100 | U i =0I o=常数第二种定义S I= U o| U1 =0 Io=常数有时为了更直观地表达稳压器的负载能力采用了输出电阻R o这个指标其定义如下R o= U o / I o| Ui =0有时也称为稳压器的内阻自然R o越小稳压器负载能力越强三端集成稳压器原理与应用稳压电源的制作秦炎利用78×× 79××系列三端集成稳压器可做成系列稳压电源电路如图1所示其中图1 a是采用78L×× 或78M×× 组成的正电压输出稳压电源输出电压和最大输出电流由稳压器型号决定如78L09即可输出+9V直流电压100mA电流78M12即可输出+12V电压500mA电流等可按需要适当选择图1 b是采用79L×× 或79M×× 组成的负电压输出稳压电源注意到其中4个整流二极管与图1 a的接法不同除了输出为负电压外其它选择要求与图1 a相同图1 c是采用78×× 稳压器组成的最大输出电流为1.5A的正电输出稳压电源因1N4000系列二极管最大整流电流为1A 无法满足输出1.5A电流的要求故整流部分采用了3A 50V的全桥一般以QL表示它有四个端子其中两个端子是交流输入标记接电源变压器次级交流电压输出不分正负端子相当于图1 a的“A” 点端子“” 相当于图1 a的 “A”点图1中电源变压器的选择注意两点第一是选择功率根据稳电路的输出Uo和最大输出电流Io来确定变压器的功率P 一般选P 1.4 Uo Io例如用7809组成输出电压为9V最大输出电流为1.5A的稳压电源电源变压器的功率应选择P 1.4 9 1.5=18.9W则变压器功率可选19W以上的第二是选择电源变压器次级交流电压U2要根据稳压器输出电压来确定一般要求集成器的输入输出直流压差即|UoUi|不小于2V压差过小稳压器起不到稳压作用压差过大稳压器本身消耗功率随之增大对输出最大电流有影响实际应用中一般选择| Uo Ui|=2.5 3V为宜由此反映到对U2 的要求可按下述方法估算输出电压Uo12V的选择U 2数值比Uo大2V以上输出电压12V的选择U2数值与Uo数值相同即可例如使用7806 则U2取8V使用7818 则U2取18V以上电源变器的选择标准只是一个参考实际应用当中视电源变压器状况可做适当调整如变压器空载电流较小则其功率可适当降低一些U2选择也可低一些反之则应提高如果所用元器件完好接线无误无须任何调试电路便能正常工作发现电路有故障时应首先切断电源仔细检查接线是否有误然后再考虑更换稳压块千万不要一发现故障便换新稳压块这样往往会连续烧坏家用收音机和随身听收录机的工作电压一般以4.5V 6V居多工作电流一般为200多毫安给这些装置加装一个稳压电源该如何选择电路元器件呢对于工作电压为6V的可直接选用7806因工作电流为200多毫安故亦可以选78M06 电路形式可直接采用图1“a” 电源变压器功率选2 3W 因为P 1.4· 6· 0.2=1.68W次级交流电压U2选8V对于工作电压为4.5V的收音机或收录机因在固定系列中无此系列值故只有用三端可调稳压器LM317T组成电路如图2其中输出电压Uo 1.25 1R 2 / R1 4.5V 显然改变R2数值利LM317T同样可得到输出为4.5V的稳压电源图3是用LM317T组成的正可调直流稳压电源非常适于小型实验室使用其主要参数为输出电压1.25 20V连续可调输出电流最大可达到1.5A内阻小于0.05 纹波电压小于1mV实际安装时要注意稳压器要尽可能的靠近滤波电容C1以免引起输入端自激电阻R1两端分别尽量靠近稳压器的输出端和调整端否则输出端流过大电流时产生的附加压降会造成基准电压的变化三端集成稳压器原理与应用三端稳压器的扩展使用秦炎本篇主要介绍常用三端集成稳压器的一些使用知识扩展功能的方法以使广大电子爱好者能利用手头现有的各种稳压器来组成所需要的各种电源电路一扩流电路78 79系列和LM317系列最大输出电流为1.5A如果所用电子装置需要稳压电源提供更大的电流就需要采用扩流措施了1.外加功率管扩流电路如图1所示在下面介绍的电路中为简单起见均将电源变压器整流二极管和输入滤波电容省略不画R1是过流保护取样电阻当输出电流增大超过一定值时R1上压降增大使BG1的U bc值减小促使BG1向截止方向转化因为集成稳压器本身有过热保护电路如果我们将BG1和集成稳压器安装在同一个散热器板上则BG 1也同样受到过热保护图1电路可输出7A的电流2. 多块稳压器并联扩流电路如图2所示这是一种线路简单无需调整有较高实用性的电路其最大输出电流为N ·1.5A N为并联的稳压器的块数实际应用中稳压器最好使用同一厂家同一型号产品以保证其参数一致性另外最好在输出电流上留有10% 20% 的余量以避免个别稳压器失效造成稳压器连锁烧毁二扩压电路固定抬高输出电压电路如图3所示如果需要输出电压Uo高于手头现有的稳压块的输出电压时可使用一只稳压二极管DW将稳压块的公共端电位抬高到稳压管的击穿电压V z此时实际输出电压U o 等于稳压块原输出电压与V z之和将普通二极管正向运用来代替DW同样可起到抬高输出电压的作用例如想为自己的随身听录音机装一个6V 500mA稳压电源而手头只有一只7805稳压器则可按图4所示安装D1 选用2CP类硅二极管其上压降约为0.8V这样整个输出就约为5.8V足以满足随身听的需要了若将D1换成发光二极管LED不但能提高输出电压而且LED发光还起到电源指示作用输出电压可调电路利用78系列固定输出稳压电路也可以组成电压可调电路如图5输出电压Uo U××1 R2/ R1其中U××为稳压块标称输出电压显然若将R1 R2数值固定该电路就可以用于固定抬高输出电压如将R1或R2换成光敏电阻便可构成光控输出电压关断电路图6中用运放作为电压跟随器克服了稳压块静态电流IQ的影响输出电压U o= U××1 R2/ R1其中R1为电位器中心抽头与A点之间的电阻值R2为电位器中心轴头与B点之间的电阻值电路中运放亦可用741运放输出电压从7 30V连续可调电压极性变换电路如果需要正电压输出而手头只有79系列稳压块或需要负电压输出而手头只有78系列稳压块这种情况下可以采用图7电路进行极性转换注意输入电压不是对地而是悬空输入的三慢启动稳压电源慢启动稳压电源在一些灯丝供电电路电子琴电源中得到广泛应用此种电路的功能是减小冲击电流以延长灯丝寿命或消除喇叭开机时的噗声图8是用LM317T组成的慢启动正12V电路电路加电时由于C2上电压不能突变故BG1导通将R2短路输出电压U o约为1.5V随着C2的充电BG1逐渐退出饱和区R2上的电压逐渐增大输出压U0亦慢慢升高一直到C2充电完毕BG1截止输出电压U0才达到额定值12V稳压电源的启动速度由时间常数R3· C2决定其中二极管2AP 是为了帮助稳压器正常启动而设置的四恒流源电路如图9所示输出电流I0 = U×× / R I Q一般在选择R时应使I0 I Q以避免或减小I Q变化时影响恒流特性此电路可给各种可充电电池充电实际使用时可以将不同的R分档接入并用开关进行转换以调整不同的充电电流对于三端集成稳压器来说其具体应用电路可以说是不胜枚举只要掌握了其基本工作原理就可以演变出各种实用的电路2002-12-02。
5v稳压电源电路工作原理概述及解释说明1. 引言1.1 概述引言部分将对文章的主题进行概括性介绍。
本文将重点讨论5V稳压电源电路的工作原理。
在现代电子设备中,稳定可靠的电源是必不可缺的,尤其是5V稳压电源,因为它广泛应用于各种小型家用电子产品和微控制器等领域。
1.2 文章结构本文共分为四个部分:引言、5V稳压电源电路工作原理、概述及解释说明以及结论。
下面将逐一介绍每个部分内容。
1.3 目的本文取得完整深入地阐述5V稳压电源电路的工作原理,并对传统稳压电源的工作原理进行简要说明。
此外,我们还将提供常见的5V稳压电源设计方案,并对这些方案进行解析和评估。
通过本文,读者将能够更好地理解5V稳压电源电路,并在实践中根据实际需求进行选择和改进。
2. 5V稳压电源电路工作原理:2.1 5V稳压电源的定义与作用:5V稳压电源是指能够将输入变化的电压稳定地输出为5V的电源装置。
在许多电子设备和电路中,例如微控制器、传感器、模拟集成电路等,需要一个稳定的电压源以确保它们的正常运行。
5V是一种常用且经典的工作电压,因此5V稳压电源被广泛应用于各种应用领域。
2.2 传统稳压电源工作原理:传统的线性稳压技术通常是使用晶体管或功率二极管组成调整元件,通过不同配置形式来实现对输入电压的调节,并将其输出为稳定的5V。
最常见的线性芯片解决方案是采用三端稳压器(如LM78XX系列)或基准+调整型(如LM317)芯片来实现。
在线性稳压器中,负载和输入之间通过一个可变阻抗来调整使用功率二极管驱动的可变反馈网络产生恒定输出。
然而,这种方法存在一些缺点,包括效率较低、发热量大以及对输入电压变化的响应较慢等。
2.3 常见的5V稳压电源电路设计方案:除了传统的线性稳压器,还有一些其他常见的5V稳压电路设计方案。
其中包括开关稳压器、降压/升压转换器和线性稳压器与开关稳压器组合等。
开关稳压器广泛应用于高效率能量转换领域。
它利用开关元件(通常为MOSFET)和能储存能量的电感来实现输入到输出之间的低损耗切换。
正负5V、正负12V电源制作
本文介绍使用三端稳压模块7805、7905、7812、7912制作正负5V、正负12V电源。
电路图如下:(如有错误,请指出,不能误导他人)
元器件选择:
1.变压器:既然要产生负电压,如不使用特殊芯片,必须使用三端输出的变压器,可选
择15V/10W、15V/30W等,变压器功率要根据实际电路定。
2.
2.整流桥:可以买4个1N4007二极管,或者直接买集成了的整流桥。
3.自锁式开关:这个开关的作用不多说,用哪个输出按哪个开关。
4.2200uF电解电容:也可以使用4700uF电解电容,强调一下,电解电容正负端要接对,特别是产生负电压的电路里,应该是地相对-12V是高电压。
耐压值25V或50V。
5.0.33uF、1uF电容:陶瓷、独石电容均可,耐压值25V或50V。
6.三端稳压模块:制作实际电源的时候,最好买个散热片,一定要注意管脚定义。
(下文附图说明)而且为保证模块安全,可在稳压模块输入输出端并联一个二极管,具体电路参考此网页:/view/134401d233d4b14e852468c8.html
7.发光二极管:用于显示工作状态,正负端务必接对。
附录:
7805、7812管脚图
7905、7912管脚图。
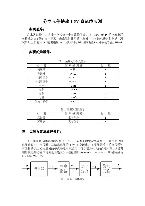
分立元件搭建±5V直流电压源一.实现思路:在本次试验中,通过一个搭建一个直流稳压源,将220V~50Hz的交流电压转换成为±5的直流电压源。
做成能够使用的电路板,并对该电路进行测试。
测试的项主要有如下:输出电压Vo、纹波抑制比RR、短路电流Isc、带负载的能力Rload。
二.实现的元器件:表二所用仪器及型号三.实现方案及原理分析:±5直流电压的原理框架如图一所示,基本上的实现思路如下:通用的照明电压通过一个变压器,其输出电压为12V的交流电。
在变压器输出的电压通过有四根整流二极管组成的桥式整流电流后可以得到噪声较大的直流电压。
然后利用滤波电路将噪声滤去之后输入到三端稳压器LM7905CT、LM7805CT,其稳幅输出电压分别为-5V、+5V。
图一电路的总体框架(1)整流电路的原理依据:本次试验中的整流电路采用的是二极管的桥式整流法,如图一所示为桥式整流电路,其中AC为220V、50Hz:RL图一桥式整流电路桥式整流电路的工作原理如下:在电源电压V2的正负半周期(设a端为正,b端为负时是正半周期)内电流通路分别用实箭头和虚箭头表示。
假设a端为正半周时,对D1、D3加正向电压,Dl、D3导通;对D2、D4加反向电压,D2、D4截止。
电路中构成a、Dl、RL 、D3、b的通电回路,在RL 上形成上正下负的半波整流电压,a为负半周时,对D2、D4加正向电压,D2、D4导通;对D1、D3加反向电压,D1、D3截止。
电路中构成b、D2、RL 、D4、a通电回路,同样在RL 上形成上正下负的另外半波的整流电压。
如图二所示为整流的过程:图二整流的结果由图二可知,正弦波1、3分别为a、b端的波形。
半波2、4分别为负载上下两端的波形。
(2)滤波电路的原理依据:滤波电路用来滤去输出电压中的波纹,本次试验中采用的滤波方式是电容输入式。
滤波电路如图三所示为:图三 桥式整流、电容滤波电路在V2从0到正半周期内对电容C 充电同时S 闭合接入负载。
信电学院电子信息工程专业CDIO二级项目项目设计说明书(2012/2013学年第二学期)项目名称:低通滤波器系统仿真及设计专业班级:信息1103学生姓名:李荣群学号:100070312指导教师:马小进、吴开兴、马永强设计周数:1周设计成绩:2013年7 月12 日目录1项目设计目的及任务 (2)2方案比较与选择 (2)3电路仿真与分析 (3)3.1 电路仿真 (3)3.1.1 仿真软件 (3)3.1.2 仿真过程 (3)3.1.2.1仿真电路 (3)3.1.2.2仿真电路分析 (4)3.2 电路分析 (4)3.2.1 电路设计 (4)3.2.1.1整流电路 (4)3.2.1.2滤波电路 (5)3.2.1.3稳压电路 (5)3.2.1.4整体电路 (6)3.2.2 元件选取 (6)4.讨论及进一步研究建议 (6)5.项目设计心得 (7)参考文献 (7)1. 项目设计目的及任务本项目设计的目的是为了给整个低通滤波器系统提供正负5V 的稳定直流电源,主要任务是通过整流、滤波、稳压的相应原理将220V 的工频交流电转换成稳定输出的正负5V 直流电源。
2. 方案的比较与选择直流稳压电源一般由电源变压器,整流滤波电路及稳压电路所组成。
变压器把市电交流电压变为所需要的低压交流电。
整流器把交流电变为直流电。
经滤波后,稳压器再把不稳定的直流电压变为稳定的直流电压输出。
本设计主要采用直流稳压构成集成稳压电路,通过变压,整流,滤波,稳压过程将220V 交流电,变为稳定的直流电,并实现 5V 电压稳定输出。
在这里我开始设计了两套方案,第一套是根据变压、整流、滤波、稳压四个步骤先将220工频交流电通过变压器转换成10V 左右的交流电,然后通过滤波,最后通过LM7805、LM7905进行稳压,电路图如下:U10.027 01V2220 Vrms 50 Hz0°87U2LM7905CT图 2-1第二套方案是直接将220V 的交流电接到由耐压1000V 的二极管组成的桥式整流电路中,然后通过电容滤波、最后通过LM7805、LM7905对滤波后电压进行稳压,电路图如下:U1LM7905CT图2-2第一套方案正5V输出正常,但是-5V输出时-5.6V左右离-5V有一定的差距,而第二套方案正负电源输出很接近正负5V,满足设计要求,故最终选择第二套方案。
一、技术说明:输入交流电压220vV 0.5A。
输出电压5V 和连续可调电压1.5V~30V/1.5A 两组直流。
二、制作说明:1、成品用金属盒或者塑料盒包装成产品。
2、电压表V、电流表A 和调节电压用的电位器Rw 安装在包装盒的面板上。
3、电源变压器固定在包装盒的底座上,电路板固定在包装盒的底座上。
4、电压调节的三端稳压集成块7805 和317 加装散热器。
1.5 直流稳压电源我们最熟悉的电源是220伏交流市电,但若直接使用这个市电,则最多能够点亮一盏灯或转动一个电风扇等。
若要在一个电子电路或计算机上使用市电,则必须首先将其转换为直流稳压电源后才能使用。
图1.23 线性直流稳压电源电路图如图1.23所示为一种典型的线性直流稳压电源的电路图,它由电源开关K、保险管、AC—DC适配器、集成稳压器和后级滤波器组成。
当输入220V交流电且开关K闭合时,输出一个稳定的直流电压,且稳定输出在一定范围内不受220V交流电网的波动和电子电路负载轻重的影响。
整流器的作用是将降低后的工频交流电压变换为直流电压。
图1.25展示了整流器的工作原理。
在交流的正半周,变压器次级上正下负,电流从正极经D1、负载和D3流回变压器的负极,这样若忽略二极管的导通电压,在负载上得到一个大小与变压器次级相同的电压波形,极性为上正下负;在交流的负半周,变压器次级上负下正,电流从正极经D2、负载和D4流回变压器的负极,这样在负载也得到一个大小与变压器次级相同的电压波形,极性与正半周一样,也为上正下负。
因此在交流信号的正负半周的分别作用下,整流器均输出单极性的脉动电压,该输出的直流成份已大于零。
图1.25 整流器工作原理示意图前级滤波器由大电容C1和小电容C2并联组成,我们知道电容能够滤除交流信号,整流器输出的单极性脉动电压经过该滤波器后,就变成了直流信号了。
大电容C1的作用主要是交流成份和储存电能,小电容C2的作用是滤除高频干扰。
AC—DC适配器输出的直流电压是不稳定的,它的输出电压值会随着电网电压的波动和负载的轻重而变化,并不适合直接应用于计算机系统和电子电路,因此还必须进行稳压。
三端集成稳压器[5篇]以下是网友分享的关于三端集成稳压器的资料5篇,希望对您有所帮助,就爱阅读感谢您的支持。
三端集成稳压器第一篇单片集成稳压电源,具有体积小,可靠性高,使用灵活,价格低廉等优点。
最简单的集成稳压电源只有输入,输出和公共引出端,故称之为三端集成稳压器。
常用的是W78xx、w79xx系列三端集成稳压器,该组件如下图,稳压器的硅片封装在普通功率管的外壳内,电路内部附有短路和过热保护环节。
线性三端集成稳压器的分类1.三端固定正输出,国标型号为CW78--/CW78M--/CW78L--2.三端固定负输出,国标型号为CW79--/CW79M--/CW79L--3.三端可调正输出,国标型号为CW117--/CW117M--/CW117L-CW217--/CW217M--/CW217L--CW317--/CW317M--/CW 317L--4.三端可调负输出,国标型号为CW137--/CW137M--/CW137L-CW237--/CW237M--CW237L--CW337--/CW337M--/CW337L--5.三端低压差 1.5A 0.5A 0.1A6.大电流三端以上1---为军品级;2---为工业品级;3---为民品级。
军品级为金属外壳或陶瓷封装,工作温度范围-55℃~150℃;工业品级为金属外壳或陶瓷封装,工作温度范围-25℃~150℃;民品级多为塑料封装,工作温度范围0℃~125℃。
线性集成稳压应用电路三端集成稳压电路的输入、输出和接地端绝不能接错,不然容易烧坏。
一般最小输入、输出电压差约为2V,否则不能输出稳定的电压,一般应使电压差保持在4-5V 。
安装足够大的散热器,散热片总是和最低电位的第③脚相连C1,C4改善纹波特性,C2消除芯片自激震荡和改善瞬态响应,C3减小高频干扰。
由于稳压管反相电压较低,当输入无电压时,反并联二极管D用于泄放C4电容能量。
UREF=1.25V,IREF=50uA,UREF很稳定采用LM117和LM137实现的输出电压连续可调的正、负输出稳压电路大电流稳压器:NS公司的LM196/396大电流可调稳压器1.25V——15V范围内可以提供10A电流低失稳稳压器失稳电压:当输入电压逐渐降低直至输出电压波动超出规定电压时,输入和输出电压之差为失稳电压。
三端稳压7805和7905稳压原理及典型电路2010-08-21 18:02:36| 分类:家电维修| 标签:稳压电压 tj 电路输出|字号大中小订阅7805外形结构电子产品中,常见的三端稳压集成电路有正电压输出的78 ×× 系列和负电压输出的79××系列。
顾名思义,三端IC是指这种稳压用的集成电路,只有三条引脚输出,分别是输入端、接地端和输出端。
它的样子象是普通的三极管,TO- 220 的标准封装,也有9013样子的TO-92封装。
用78/79系列三端稳压IC来组成稳压电源所需的外围元件极少,电路内部还有过流、过热及调整管的保护电路,使用起来可靠、方便,而且价格便宜。
该系列集成稳压IC型号中的78或79后面的数字代表该三端集成稳压电路的输出电压,如7806表示输出电压为正6V,7909表示输出电压为负9V。
因为三端固定集成稳压电路的使用方便,电子制作中经常采用。
注意事项在实际应用中,应在三端集成稳压电路上安装足够大的散热器(当然小功率的条件下不用)。
当稳压管温度过高时,稳压性能将变差,甚至损坏。
当制作中需要一个能输出以上电流的稳压电源,通常采用几块三端稳压电路并联起来,使其最大输出电流为N个,但应用时需注意:并联使用的集成稳压电路应采用同一厂家、同一批号的产品,以保证参数的一致。
另外在输出电流上留有一定的余量,以避免个别集成稳压电路失效时导致其他电路的连锁烧毁。
在78 ** 、79 ** 系列三端稳压器中最常应用的是TO-220 和TO-202 两种封装。
这两种封装的图形以及引脚序号、引脚功能如附图所示。
从正面看①②③引脚从左向右按顺序标注,接入电路时①脚电压高于②脚,③脚为输出位。
如对于78**正压系列,①脚高电位,②脚接地,;对与79**负压系列,①脚接地,②脚接负电压,输出都是③脚。
如附图所示。
此外,还应注意,散热片总是和接地脚相连。
这样在78**系列中,散热片和②脚连接,而在79**系列中,散热片却和①脚连接。
LM317与LM337组成的正负5V稳压电路LM317电路图2006-12-25 11:47LM317应用LM117/LM317 是美国国家半导体公司的三端可调正稳压器集成电路。
我国和世界各大集成电路生产商均有同类产品可供选用,是使用极为广泛的一类串连集成稳压器。
LM117/LM317 的输出电压范围是 1.25V 至 37V,负载电流最大为2.2A。
它的使用非常简单,仅需两个外接电阻来设置输出电压。
此外它的线性调整率和负载调整率也比标准的固定稳压器好。
LM117/LM317 内置有过载保护、安全区保护等多种保护电路。
通常 LM117/LM317 不需要外接电容,除非输入滤波电容到 LM117/LM317 输入端的连线超过 6 英寸(约 15 厘米)。
使用输出电容能改变瞬态响应。
调整端使用滤波电容能得到比标准三端稳压器高的多的纹波抑制比。
LM117/LM317 能够有许多特殊的用法。
比如把调整端悬浮到一个较高的电压上,可以用来调节高达数百伏的电压,只要输入输出压差不超过 LM117/LM317 的极限就行。
当然还要避免输出端短路。
还可以把调整端接到一个可编程电压上,实现可编程的电源输出。
用LM317T制作可调稳压电源,常因电位器接触不良使输出电压升高而烧毁负载。
如果增加一只三极管(如下图所示),在正常情况下,T1的基极电位为0,T1截止,对电路无影响;而当W1接触不良时,T1的基极电位上升,当升至0.7V时,T1导通,将LM317T的调整端电压降低,输出电压也降低,从而对负载起到保护作用。
如去掉三极管、断开W1中心点连线,3.8V小电珠立刻烧毁,测输出电压高达21V。
而加有T1时,小电珠亮度减小,此时 LM317T输出电压仅为2V,从而有效的保护了负载。
输入至少要比输出高2V,否则不能调压。
输入电要最高不能超过40V吧。
输出电流不超过1A。
输入12V的话,输出最高就是10V左右。
由于它内部还是线性稳压,因此功耗比较大。
正负5v固定输出的三端稳压电路南华大学电气工程学院《电子技术课程设计》任务书设计题目:±5V固定输出的稳压器专业:本09通信02班学生姓名: 肖立传学号: 20094400218 起迄日期: 2012年1月3日~2012年1月13日指导教师: 黄智伟宁志刚教研室主任:王彦目录1. 电子技术课程设计任务书????????22.系统设计2.1设计目的????????????????52.2电路设计????????????????62.2.1设计整流、滤波电路????????????63.单元电路设计与分析3.1设计电路图????????????????73.2单元电路分析???????????????83.3 PCB的绘制????????????????104.元件清单?????????????????113.1系统测试????????????????115.结论????????????????11 6 心得体会?????????????????127.参考文献?????????????????13《电子技术课程设计》任务书Abstract: With the development of semiconductor techniques, regulators have also made an integrated circuit device. Integrated voltage regulator is small, an external circuit simple, easy to use, reliable and versatility, etc., so the application of a variety of electronic devices is widespread. Common integrated three-terminal regulator to regulator majority, three-terminal regulator, there are two, a fixed output three-terminal regulator, and the other output of three-terminal adjustable regulator. Fixed output again be divided into positive and negative, 78xx series, said fixed output positive voltage, such as 7805,7806,7809,7812,7815,7818,7824 etc., 79xx series are also corresponding, but the output negative voltage. Here using a fixed output of plus or minus 5v regulator circuit production of plus or minus three-terminal fixed output power supply. The circuit to AC voltage through the 12v transformer 220v transformer, then rectified, filtered separately through the LM7805, LM7905 voltage regulator ICs with two positive and negative 5v regulated output voltage.关键词:固定输出三端稳压器7805、7905 整流滤波Key words: Fixed output three-terminal regulator 7805、7905 Rectifier filter2.系统方案设计2.1设计目的设计并制作正负5v固定输出三端稳压电路2.2电路设计2.2.1设计整流、滤波电路首先确定整流电路结构为桥式电路;滤波选用电容滤波。
7805/7905 三端稳压器件 +5V电源 -5V电源双电源 [原创 2010-05-22 15:23:30]三端稳压器件:78xx/79系列三端稳压器件是最常用的线性降压型 DC/DC 转换器,78xx/79 系列简单易用、价格低廉,直到今天还在大多电路中采用。
如7805,7806,7809,7812,7815,7824,(79××)以及三瑞可调稳压(LM317,337,338......)。
78xx/79xx系列在降压电路中应注意以下事项:1、输入输出压差不能太大,太大则转换效率急速降低,而且容易击穿损坏;2、输出电流不能太大,1.5A 是其极限值。
大电流的输出,散热片的尺寸要足够大,否则会导致高温保护或热击穿;3、输入输出压差也不能太小,大小效率很差。
4、7805、7905要加散热片,前面加的电压值最好不能超过其额定值的3V以上。
5、另外注意78xx/79xx系列的引脚顺序是不一样的。
具体如下所示:Vin Gnd Vout (To-220)7815 1 2 37915 2 1 3我们面对7815或7819(有字的一面对我们)左边数第一个是1脚,中间是2脚,最后一个是3脚。
7815 一脚是输入,二脚是地,三脚是输出7915 一脚是地,二脚是输入,三脚是输出7805引脚图7905引脚图78XX系列集成稳压器的典型应用电路如下图所示,这是一个输出正5V直流电压的稳压电源电路。
IC采用集成稳压器7805,C1、C2分别为输入端和输出端滤波电容,RL为负载电阻。
当输出电较大时,7805应配上散热板。
79XX系列集成压器是常用的固定负输出电压的三端集成稳压器,除输入电压和输出电压均为负值外,其他参数和特点与78XX系列集成稳压器相同。
79XX系列集成稳压的三个引脚为:1脚为接地端,2脚为输入端,3脚为输出端。
79XX系列集成稳压器的应用电路也很简单。
下图所示为输出-5V直流电压的稳压电源电路,IC采用集成稳压器7905,输出电流较大时应配上散热板。