污水处理厂工程分部、分项、检验批划分
- 格式:doc
- 大小:250.50 KB
- 文档页数:20
污水处理厂工程分部、分项、检验批划分精心整理XX市污水处理厂工程的分部分项工程划分报告于2013年2月19日上报。
该工程主要包括土方开挖、土方回填、地基处理、混凝土结构、钢结构、絮凝反应沉淀池等多个部分。
每个部分都划分为不同的子单元、子分部工程和分项工程,并按照施工工艺划分为不同的检验批。
下面将对每个部分进行详细说明。
XXX开挖和土方回填工程分别划分为无支护土方和+0.500以下的两个部分,并按照每道工序划分为一个检验批。
这样可以确保土方开挖和回填的质量得到有效控制。
混凝土结构部分包括混凝土基础、现浇结构外观及尺寸偏差检和水泥混凝土垫层等多个工程。
每个工程都划分为不同的子单元和子分部工程,并按照施工工艺划分为不同的检验批。
这样可以确保混凝土结构的质量得到有效控制。
钢结构部分包括钢结构制作安装和焊接工程。
每个工程都划分为不同的子单元和子分部工程,并按照每道工序划分为一个检验批。
这样可以确保钢结构的质量得到有效控制。
絮凝反应沉淀池部分包括地基处理和主体结构等多个工程。
每个工程都划分为不同的子单元和子分部工程,并按照施工工艺划分为不同的检验批。
这样可以确保絮凝反应沉淀池的质量得到有效控制。
水泥混凝土垫层检验批质量:细部构造检验批质量验收记:单池分为北段和南段,南段按标高划分为2.500以下混凝土结构和2.500-3.800池壁、柱、梁细部构造,3.800-顶板池壁、柱、梁划分为3个检验批;北段同理划分为三个检验批。
钢结构:钢结构制作安装和栏杆扶手制作安装按施工工艺划分为一个检验批。
模板安装工程、模板拆除工程、钢筋加工工程和钢筋安装工程分别划分为一个检验批质量验收。
主体结构:混凝土原材料及配合比设计、混凝土施工检验批质量验收和现浇结构外观及尺寸偏差检验分别划分为一个细部构造检验批质量验收记。
污水处理厂工程分部、分项、检验批划分:无支护土方桩基分项工程、土方开挖、土方回填和预应力钢筋砼管桩检验批均每道工序为一个检验批,共划分为2个检验批;按施工工艺分为1个检验批。
郑州市南三环污水处理厂工程箱体(含箱体内水工构筑物)检验批工程划分施工方案1 工程概况郑州市南三环污水处理厂工程箱体(含箱体内水工构筑物)土建标段位于中州大道、南三环、紫辰路交汇处,为新建工程。
主要包括粗格栅及进水泵房、细格栅及曝气沉砂池、初沉污泥泵房、第二分变电站及机修车间、初沉池、生物反应池、二沉池、V型滤池、高密度沉淀池及中间提升泵房、鼓风机房及加药间等共10个单体工程,箱体长度为247.5m,宽度为127m,建筑面积为31432.50㎡,地上建筑物耐火等级为二级,箱体耐火等级为一级,合理使用年限为50年,抗震设防烈度为7度。
2 检验批工程划分本工程承包范围主要为箱体工程土建标段,结合《建筑工程施工质量验收统一标准》(GB50300-2001),本工程分部共分为地基与基础、主体结构、建筑装饰装修、建筑屋面等四个分部工程。
各分部检验批划分如下。
2.1地基与基础工程检验批划分分部工程子分部工程分项工程检验批检查内容主控项目一般项目地基与基础有支护土方土方开挖以每个单体且深度不超过1.5m深度为一个检验批1、标高;2、基坑长度与宽度;3、边坡。
1、表面平整度;2、基底土性。
土方回填以每个单体且深度不超过0.5m(机械回填每层深度)或0.25m1、标高;2、分层压实系数。
1、回填土料;2、分层厚度及含水量;(人工回填每层深度)为一个检验批3、表面平整度。
锚杆及土钉墙支护原材料及钢筋加工:以每个单体且不超过1.5m深度作为一个检验批1、力学性能;2、钢筋强度;3、受力钢筋弯钩和弯折。
1、外观质量;2、冷拉率;3、形状尺寸;4、钢筋顺长度方向全长的净尺寸、弯起钢筋的弯折位置。
钢筋安装:以每个单体且不超过 1.5m深度作为一个检验批1、纵向受力钢筋的连接方式;2、机械连接和焊接接头的力学性能;3、受力钢筋的品种、级别、规格和数量。
1、接头位置和数量;2、机械连接、焊接的外观质量;3、机械接头、焊接的接头面积百分率;4、绑扎搭接接头面积百分率和搭接长度。
郑州市南三环污水处理厂工程箱体(含箱体内水工构筑物)检验批工程划分施工方案1 工程概况郑州市南三环污水处理厂工程箱体(含箱体内水工构筑物)土建标段位于中州大道、南三环、紫辰路交汇处,为新建工程。
主要包括粗格栅及进水泵房、细格栅及曝气沉砂池、初沉污泥泵房、第二分变电站及机修车间、初沉池、生物反应池、二沉池、V型滤池、高密度沉淀池及中间提升泵房、鼓风机房及加药间等共10个单体工程,箱体长度为247.5m,宽度为127m,建筑面积为31432.50㎡,地上建筑物耐火等级为二级,箱体耐火等级为一级,合理使用年限为50年,抗震设防烈度为7度。
2 检验批工程划分本工程承包范围主要为箱体工程土建标段,结合《建筑工程施工质量验收统一标准》(GB50300-2001),本工程分部共分为地基与基础、主体结构、建筑装饰装修、建筑屋面等四个分部工程。
各分部检验批划分如下。
2.1地基与基础工程检验批划分分部工程子分部工程分项工程检验批检查内容主控项目一般项目地基与基础有支护土方土方开挖以每个单体且深度不超过 1.5m深度为一个检验批1、标高;2、基坑长度与宽度;3、边坡。
1、表面平整度;2、基底土性。
土方回填以每个单体且深度不超过0.5m(机械回填每层深度)或0.25m(人工回填每层深度)为一个检验批1、标高;2、分层压实系数。
1、回填土料;2、分层厚度及含水量;3、表面平整度。
锚杆及土钉墙支护原材料及钢筋加工:以每个单体且不超过1.5m深度作为一个检验批1、力学性能;2、钢筋强度;3、受力钢筋弯钩和弯折。
1、外观质量;2、冷拉率;3、形状尺寸;4、钢筋顺长度方向全长的净尺寸、弯起钢筋的弯折位置。
钢筋安装:以每个单体且不超过 1.5m深度作为一个检验批1、纵向受力钢筋的连接方式;2、机械连接和焊接接头的力学性能;3、受力钢筋的品种、级别、规格和数量。
1、接头位置和数量;2、机械连接、焊接的外观质量;3、机械接头、焊接的接头面积百分率;4、绑扎搭接接头面积百分率和搭接长度。
污水处理厂工程分部、分项、检验批划分1. 概述污水处理厂是城市建设中必不可少的重要设施之一,具有治理城市污染、保护环境、保障公众健康等重要作用。
在污水处理厂建设过程中,需要进行工程分部、分项、检验批划分,以确保工程顺利开展,验收合格。
2. 工程分部划分在污水处理厂建设中,根据工程的性质、设计要求、施工形式等方面的不同,可以将工程分为以下几个部分:2.1 污水处理系统污水处理系统是污水处理厂的核心部分,包括污水收集、初次处理、二次处理、排放和监测等环节。
污水处理系统的建设需要进行管道、设备、设施等多个方面的工作。
2.2 污泥处理系统污泥处理系统是污水处理厂的辅助部分,也是污水处理过程中不可或缺的一环。
它包括污泥的收集、处理、贮存和处置等环节,需要考虑到污泥的性质、产量、处理工艺等方面。
2.3 技术设备及电气自动化系统技术设备及电气自动化系统是污水处理厂的重要组成部分,包括污水处理系统和污泥处理系统的各种设备和配套设施。
它们的选型、布局、安装、调试等环节需要特别关注。
2.4 生活设施及办公楼生活设施及办公楼是污水处理厂中保障人员生活和工作的重要部分,需要考虑到人员的数量、居住条件、办公环境等方面。
3. 工程分项划分在工程分部基础上,可以再对各个部分进行分项划分,以保证施工工作顺利进行,具体分项划分如下:3.1 污水处理系统分项在污水处理系统的基础上,可以将其分为进出水口、格栅池、沉砂池、生化池、二沉池、滤池、消毒池等各个分项,以便更好地对各个环节进行施工监管。
3.2 污泥处理系统分项在污泥处理系统的基础上,可以将其分为污泥收集、污泥处理、污泥贮存和污泥处置等各个分项,以便更好地对各个环节进行施工监管。
3.3 技术设备及电气自动化系统分项在技术设备及电气自动化系统的基础上,可以将其分为进出水设备、气体控制系统、内部供电设备、自动化控制系统等各个分项,以便更好地对各个环节进行施工监管。
3.4 生活设施及办公楼分项在生活设施及办公楼的基础上,可以将其分为员工宿舍、员工餐厅、办公楼、沐浴室、洗漱室等各个分项,以便更好地对各个环节进行施工监管。
污水处理厂检验批划分污水处理厂检验批划分是指对污水处理厂进行检验,按照一定的标准将其划分为不同的批次。
通过检验批划分,可以对污水处理厂的运行状况进行评估,发现问题并及时采取措施进行改进,保障污水处理工作的高效运行。
一、检验批划分的目的和意义污水处理厂是保护环境、维护生态平衡的重要设施,其运行质量直接关系到环境污染的治理效果和人民群众的生活质量。
因此,对污水处理厂进行检验批划分具有以下目的和意义:1. 评估污水处理厂的运行状况:通过检验批划分,可以对污水处理厂的处理效果、设备运行情况、操作管理等方面进行评估,及时发现问题并加以改进。
2. 优化污水处理工作:根据检验批划分的结果,可以对污水处理工作进行优化,提高处理效率和水质达标率,减少对环境的影响。
3. 提高管理水平:检验批划分可以促使污水处理厂加强管理,建立健全的运行规范和管理制度,提高管理水平,确保污水处理工作的可持续发展。
二、检验批划分的方法和标准1. 方法:(1)定期检验:按照一定的时间间隔,对污水处理厂进行全面检查和评估。
常见的时间间隔为每季度、半年或每年一次。
(2)不定期检验:根据实际情况,对污水处理厂进行临时检查和评估。
如发现异常情况或重大事件发生时,可以随时进行检验批划分。
2. 标准:(1)处理效果标准:根据国家相关规定和环保要求,对污水处理厂的出水指标进行评估。
如COD(化学需氧量)、BOD(生化需氧量)、SS(悬浮物)、NH3-N(氨氮)等指标达到国家标准要求,可划分为合格批次;未达到或超过国家标准要求的,划分为不合格批次。
(2)设备运行标准:对污水处理厂的设备运行情况进行评估,如设备完好率、泵站运行情况、曝气设备运行效果等。
设备运行正常、无故障的,划分为正常批次;存在设备故障或运行不稳定的,划分为异常批次。
(3)操作管理标准:评估污水处理厂的操作管理水平,如操作规范性、运行人员素质等。
操作规范、运行人员技能较高的,划分为优秀批次;操作不规范、运行人员技能较低的,划分为一般批次。
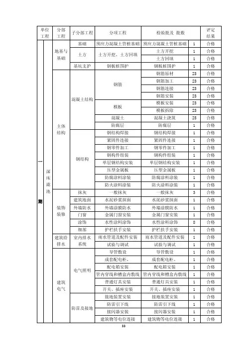
一期深床滤池地基与基础基础预应力混凝土管桩基础预应力混凝土管桩基础 1 合格土方土方开挖、土方回填土方开挖 1 合格土方回填 1 合格基坑支护钢板桩围护钢板桩围护 1 合格主体结构混凝土结构钢筋钢筋原材23 合格钢筋加工23 合格钢筋连接23 合格钢筋安装23 合格模板模板安装23 合格模板拆除23 合格混凝土混凝土浇筑25 合格防腐层防腐层 1 合格钢结构钢结构焊接钢结构焊接 1 合格紧固件连接紧固件连接 1 合格钢零件加工钢零件加工 1 合格钢构件组装钢构件组装 1 合格单层钢结构安装单层钢结构安装 1 合格压型金属板压型金属板 1 合格防腐涂料涂装防腐涂料涂装 1 合格防火涂料涂装防火涂料涂装 1 合格装饰装修抹灰一般抹灰一般抹灰 3 合格建筑地面水泥砂浆抹面水泥砂浆抹面 1 合格外墙防水外墙涂膜防水外墙涂膜防水 1 合格门窗金属门窗安装金属门窗安装 1 合格涂饰水性涂料涂饰水性涂料涂饰8 合格细部护栏扶手安装护栏扶手安装 1 合格建筑给排水室内排水系统雨水管道及配件安装雨水管道及配件安装 1 合格试验与调试试验与调试 1 合格建筑电气电气照明导管敷设导管敷设 1 合格成套配电柜、成套配电柜、 1 合格配电箱安装配电箱安装 1 合格管内穿线和槽盒内敷线管内穿线和槽盒内敷线 1 合格普通灯具安装普通灯具安装 1 合格开关、插座安装开关、插座安装 1 合格防雷及接地接地装置安装接地装置安装 1 合格防雷引下线防雷引下线 1 合格接闪器安装接闪器安装 1 合格建筑物等电位连接建筑物等电位连接 1 合格紫外线消毒渠地基与基础土方土方开挖、土方回填土方开挖 1 合格土方回填 1 合格基坑支护钢板桩围护钢板桩围护 1 合格主体结构混凝土结构钢筋钢筋原材 3 合格钢筋加工 3 合格钢筋连接 3 合格钢筋安装 3 合格模板模板安装 3 合格模板拆除 3 合格混凝土混凝土浇筑 4 合格防腐层防腐层 1 合格钢结构钢结构焊接钢结构焊接 1 合格紧固件连接紧固件连接 1 合格钢零件加工钢零件加工 1 合格钢构件组装钢构件组装 1 合格单层钢结构安装单层钢结构安装 1 合格压型金属板压型金属板 1 合格防腐涂料涂装防腐涂料涂装 1 合格防火涂料涂装防火涂料涂装 1 合格装饰装修涂饰水溶性涂料涂饰水溶性涂料涂饰 1 合格建筑地面水泥混凝土面层水泥混凝土面层 1 合格细部护栏扶手安装护栏扶手安装 1 合格建筑电气电气照明导管敷设导管敷设 1 合格成套配电柜、配电箱安装成套配电柜、配电箱安装 1 合格管内穿线和槽盒内敷线管内穿线和槽盒内敷线 1 合格普通灯具安装普通灯具安装 1 合格防雷及接地开关、插座安装开关、插座安装 1 合格接地装置安装接地装置安装 1 合格防雷引下线防雷引下线 1 合格接闪器安装接闪器安装 1 合格建筑物等电位连接建筑物等电位连接 1 合格碳源投加间地基与基础土方土方开挖、土方回填土方开挖 1 合格土方回填 1 合格主体结构混凝土结构钢筋钢筋原材 4 合格钢筋加工 4 合格钢筋连接 4 合格钢筋安装 4 合格模板模板安装 4 合格模板拆除 4 合格混凝土混凝土浇筑 5 合格防腐层防腐层 1 合格砌体结构填充墙砌体填充墙砌体 1 合格建筑装饰装修抹灰一般抹灰一般抹灰 1 合格建筑地面水泥砂浆面层砖面层水泥砂浆抹面 1 合格砖面层 1 合格外墙防水外墙涂膜防水外墙涂膜防水 1 合格门窗金属门窗安装金属门窗安装 1 合格涂饰水性涂料涂饰水性涂料涂饰 2 合格屋面基层与保护找平层找平层 1 合格防水与密封防水卷材层防水卷材层 1 合格细部构造女儿墙女儿墙 1 合格落水口落水口 1 合格建筑给排水室内排水系统雨水管道及配件安装雨水管道及配件安装 1 合格雨水管道及配件调试雨水管道及配件调试 1 合格卫生器具卫生器具安装卫生器具安装 1 合格试验与调试试验与调试 1 合格建筑电气电气照明导管敷设工程导管敷设工程 1 合格配电箱安装配电箱安装 1 合格管内穿线管内穿线 1 合格灯具安装灯具安装 1 合格开关插座安装开关插座安装 1 合格建筑照明通电试运行建筑照明通电试运行 1 合格防雷及接地接地装置安装工程接地装置安装工程 1 合格防雷引下线防雷引下线 1 合格接闪器安装工程接闪器安装工程 1 合格建筑物等电位连接工程建筑物等电位连接工程 1 合格二次提升泵房及混合反应池地基与基础基础钢筋混凝土预制桩基础钢筋混凝土预制桩基础 1 合格土方土方开挖、土方回填土方开挖 1 合格土方回填 1 合格基坑支护钢板桩围护钢板桩围护 1 合格主体结构混凝土结构钢筋钢筋原材 6 合格钢筋加工 6 合格钢筋连接 6 合格钢筋安装 6 合格模板模板安装 6 合格模板拆除 6 合格混凝土混凝土浇筑7 合格防腐层防腐层 1 合格建筑装饰装修涂饰水溶性涂料涂饰水溶性涂料涂饰 1 合格细部护栏扶手安装护栏扶手安装 1 合格屋面基层与保护找平层找平层 1 合格防水与密封防水卷材层防水卷材层 1 合格细部构造水落口水落口 1 合格建筑给排水室内排水系统雨水管道及配件安装雨水管道及配件安装 1 合格雨水管道及配件调试雨水管道及配件调试 1 合格建筑电气电气照明导管敷设工程导管敷设工程 1 合格配电箱安装配电箱安装 1 合格管内穿线管内穿线 1 合格灯具安装灯具安装 1 合格开关插座安装开关插座安装 1 合格建筑照明通电试运行建筑照明通电试运行 1 合格防雷及接地接地装置安装工程接地装置安装工程 1 合格防雷引下线防雷引下线 1 合格接闪器安装工程接闪器安装工程 1 合格建筑物等电位连接工程建筑物等电位连接工程 1 合格变电所地基与基础土方土方开挖、土方回填土方开挖 1 合格土方回填 1 合格主体结构混凝土结构钢筋钢筋原材 3 合格钢筋加工 3 合格钢筋连接 3 合格钢筋安装 3 合格模板模板安装 3 合格模板拆除 3 合格混凝土混凝土浇筑 4 合格砌体结构填充墙砌体填充墙砌体 1 合格建筑装饰装修抹灰一般抹灰一般抹灰 1 合格建筑地面水泥混凝土面层水泥混凝土面层 1 合格门窗金属门窗安装金属门窗安装 1 合格涂饰水性涂料涂饰水性涂料涂饰 1 合格屋面基层与保护找平层找平层 1 合格防水与密封防水卷材层防水卷材层 1 合格细部构造水落口水落口 1 合格女儿墙女儿墙 1 合格建筑给排水室内排水系统雨水管道及配件安装雨水管道及配件安装 1 合格雨水管道及配件调试雨水管道及配件调试 1 合格卫生器具卫生器具安装卫生器具安装 1 合格试验与调试试验与调试 1 合格建筑电气电气照明导管敷设工程导管敷设工程 1 合格配电箱安装配电箱安装 1 合格管内穿线管内穿线 1 合格灯具安装灯具安装 1 合格开关插座安装开关插座安装 1 合格建筑照明通电试运行建筑照明通电试运行 1 合格防雷及接地接地装置安装工程接地装置安装 1 合格防雷引下线防雷引下线 1 合格及接闪器安装工程及接闪器安装工程 1 合格建筑物等电位连接工程建筑物等电位连接工程 1 合格机修车间及仓库地基与基础土方土方开挖、土方回填土方开挖 1 合格土方回填 1 合格主体结构混凝土结构钢筋钢筋原材7 合格钢筋加工7 合格钢筋连接7 合格钢筋安装7 合格模板模板安装7 合格模板拆除7 合格混凝土混凝土浇筑8 合格砌体结构填充墙砌体填充墙砌体 2 合格±0.00以下砖砌体±0.00以下砖砌体 1 合格建筑装饰装修抹灰一般抹灰一般抹灰 2 合格建筑地面水泥混凝土面层水泥混凝土面层 1 合格砖面层砖面层 1 合格门窗金属门窗安装金属门窗安装 1 合格涂饰水性涂料涂饰水性涂料涂饰 3 合格屋面基层与保护找平层找平层 1 合格防水与密封防水卷材层防水卷材层 1 合格细部构造水落口水落口 1 合格女儿墙女儿墙 1 合格建筑给排水室内排水系统雨水管道及配件安装雨水管道及配件安装 1 合格雨水管道及配件调试雨水管道及配件调试 1 合格卫生器具卫生器具安装卫生器具安装 1 合格试验与调试试验与调试 1 合格建筑电气电气照明导管敷设工程导管敷设工程 1 合格配电箱安装配电箱安装 1 合格管内穿线管内穿线 1 合格灯具安装灯具安装 1 合格开关插座安装开关插座安装 1 合格建筑照明通电试运行建筑照明通电试运行 1 合格防雷及接地接地装置安装接地装置安装 1 合格防雷引下线防雷引下线 1 合格及接闪器安装工程及接闪器安装工程 1 合格建筑物等电位连接工程建筑物等电位连接工程 1 合格1/2号初沉池及生物反应池主体结构混凝土结构钢筋钢筋原材 6 合格钢筋加工 6 合格钢筋连接 6 合格钢筋安装 6 合格模板模板安装 6 合格模板拆除 6 合格混凝土混凝土浇筑 6 合格防腐层防腐层 1 合格附属结构土方土方开挖、土方回填土方开挖 1 合格土方回填 1 合格金属管道管道基础管道基础 1 合格管道敷设、连接管道敷设 1 合格管道连接 1 合格管道防腐管道防腐 1 合格3/4号初沉池及生物反应池主体结构混凝土结构钢筋钢筋原材 6 合格钢筋加工 6 合格钢筋连接 6 合格钢筋安装 6 合格模板模板安装 6 合格模板拆除 6 合格混凝土混凝土浇筑 6 合格防腐层防腐层 1 合格附属结构土方土方开挖、土方回填土方开挖 1 合格土方回填 1 合格金属管道管道基础管道基础 1 合格管道敷设、连接管道敷设 1 合格管道连接 1 合格管道防腐管道防腐 1 合格5/6号初沉池及生物反应池主体结构混凝土结构钢筋钢筋原材 6 合格钢筋加工 6 合格钢筋连接 6 合格钢筋安装 6 合格模板模板安装 6 合格模板拆除 6 合格混凝土混凝土浇筑 6 合格防腐层防腐层 1 合格附属结构土方土方开挖、土方回填土方开挖 1 合格土方回填 1 合格金属管道管道基础管道基础 1 合格管道敷设、连接管道敷设 1 合格管道连接 1 合格管道防腐管道防腐 1 合格7/8号初沉池及生物反应池主体结构混凝土结构钢筋钢筋原材 6 合格钢筋加工 6 合格钢筋连接 6 合格钢筋安装 6 合格模板模板安装 6 合格模板拆除 6 合格混凝土混凝土浇筑 6 合格防腐层防腐层 1 合格附属结构土方土方开挖土方回填土方开挖 1 合格土方回填 1 合格金属管道管道基础管道基础 1 合格管道敷设连接管道敷设 1 合格管道连接 1 合格管道防腐管道防腐 1 合格前置缺氧池及主体结构混凝土结构钢筋钢筋原材13 合格钢筋加工13 合格钢筋连接13 合格钢筋安装13 合格模板模板安装13 合格模板拆除13 合格二期生化池混凝土混凝土浇筑13 合格防腐层一般抹灰 4 合格防腐层 4 合格砌体结构砖砌体砖砌体 4 合格滤池反冲洗房及变配电间地基与基础基础钢筋混凝土预制桩基础钢筋混凝土预制桩基础 1 合格土方土方开挖、土方回填土方开挖 1 合格土方回填 1 合格主体结构混凝土结构钢筋钢筋原材 3 合格钢筋加工 3 合格钢筋连接 3 合格钢筋安装 3 合格模板模板安装 3 合格模板拆除 3 合格混凝土混凝土浇筑 4 合格砌体结构填充墙砌体填充墙砌体 2 合格建筑装饰装修抹灰一般抹灰一般抹灰 1 合格建筑地面水泥混凝土面层水泥混凝土面层 1 合格砖面层砖面层 1 合格门窗金属门窗安装金属门窗安装 1 合格涂饰水性涂料涂饰水性涂料涂饰 1 合格屋面基层与保护找平层找平层 1 合格防水与密封防水卷材层防水卷材层 1 合格细部构造水落口水落口 1 合格女儿墙女儿墙 1 合格建筑给排水室内排水系统雨水管道及配件安装雨水管道及配件安装 1 合格雨水管道及配件调试雨水管道及配件调试 1 合格卫生器具卫生器具安装卫生器具安装 1 合格试验与调试试验与调试 1 合格建筑电气电气照明导管敷设工程导管敷设工程 1 合格配电箱安装配电箱安装 1 合格管内穿线管内穿线 1 合格灯具安装灯具安装 1 合格开关插座安装开关插座安装 1 合格建筑照明通电试运行建筑照明通电试运行 1 合格防雷及接地接地装置安装接地装置安装 1 合格防雷引下线防雷引下线 1 合格接闪器安装工程接闪器安装 1 合格建筑物等电位连接工程建筑物等电位连接工程 1 合格深床滤池地基与基础基础钢筋混凝土预制桩基础钢筋混凝土预制桩基础 1 合格土方土方开挖、土方回填土方开挖 1 合格土方回填 1 合格基坑支护钢板桩支护钢板桩支护 1 合格主体结构混凝土结构钢筋钢筋原材14 合格钢筋加工14 合格钢筋连接14 合格钢筋安装14 合格模板模板安装14 合格模板拆除14 合格混凝土混凝土浇筑15 合格防腐层防腐层 1 合格建筑装饰装修抹灰一般抹灰一般抹灰 1 合格建筑地面水泥混凝土面层水泥混凝土面层 1 合格砖面层砖面层 1 合格门窗金属门窗安装金属门窗安装 1 合格涂饰水性涂料涂饰水性涂料涂饰8 合格屋面基层与保护找平层找平层 1 合格防水与密封防水卷材层防水卷材层 1 合格细部构造水落口水落口 1 合格女儿墙女儿墙 1 合格建筑给排水室内排水系统雨水管道及配件安装雨水管道及配件安装 1 合格雨水管道及配件调试雨水管道及配件调试 1 合格卫生器具卫生器具安装卫生器具安装 1 合格试验与调试试验与调试 1 合格建筑电气电气照明导管敷设工程导管敷设工程 1 合格配电箱安装配电箱安装 1 合格管内穿线管内穿线 1 合格灯具安装灯具安装 1 合格开关插座安装开关插座安装 1 合格建筑照明通电试运行建筑照明通电试运行 1 合格防雷及接地接地装置安装工程接地装置安装工程 1 合格防雷引下线防雷引下线 1 合格单位工程分部工程子分部工程分项工程检验批及批数评定结果接闪器安装工程接闪器安装工程 1 合格建筑物等电位连接工程建筑物等电位连接工程 1 合格紫外线消毒渠及出水泵房地基与基础基础钢筋混凝土预制桩基础钢筋混凝土预制桩基础 1 合格土方土方开挖、土方回填土方开挖 1 合格土方回填 1 合格基坑支护钢板桩支护钢板桩支护 1 合格主体结构混凝土结构钢筋钢筋原材 3 合格钢筋加工 3 合格钢筋连接 3 合格钢筋安装 3 合格模板模板安装 3 合格模板拆除 3 合格混凝土混凝土浇筑 4 合格防腐层防腐层 1 合格建筑装饰装修涂饰水性涂料涂饰水性涂料涂饰 1 合格建筑地面砖面层砖面层 1 合格细部护栏扶手安装护栏扶手安装 1 合格屋面基层与保护找平层找平层 1 合格防水与密封防水卷材层防水卷材层 1 合格细部构造水落口水落口 1 合格建筑给排水室内排水系统雨水管道及配件安装雨水管道及配件安装 1 合格雨水管道及配件调试雨水管道及配件调试 1 合格建筑电气电气照明导管敷设工程导管敷设工程 1 合格配电箱安装配电箱安装 1 合格管内穿线管内穿线 1 合格灯具安装灯具安装 1 合格开关插座安装开关插座安装 1 合格建筑照明通电试运行建筑照明通电试运行 1 合格防雷及接地接地装置安装工程接地装置安装工程 1 合格防雷引下线防雷引下线 1 合格接闪器安装工程接闪器安装工程 1 合格建筑物等电位连接工程建筑物等电位连接工程 1 合格单位工程分部工程子分部工程分项工程检验批及批数评定结果二期门房地基与基础土方土方开挖、土方回填土方开挖 1 合格土方回填 1 合格主体结构混凝土结构钢筋钢筋原材 3 合格钢筋加工 3 合格钢筋连接 3 合格钢筋安装 3 合格模板模板安装 3 合格模板拆除 3 合格混凝土混凝土浇筑 4 合格砌体结构砖砌体砖砌体 2 合格装饰装修抹灰一般抹灰一般抹灰 1 合格建筑地面砖面层砖面层 1 合格门窗金属门窗安装金属门窗安装 1 合格涂饰水性涂料涂饰水性涂料涂饰 1 合格建筑给排水室内排水系统雨水管道及配件安装雨水管道及配件安装 1 合格试验与调试试验与调试 1 合格建筑电气电气照明导管敷设导管敷设 1 合格成套配电柜、成套配电柜、 1 合格配电箱安装配电箱安装 1 合格管内穿线和槽盒内敷线管内穿线和槽盒内敷线 1 合格普通灯具安装普通灯具安装 1 合格开关、插座安装开关、插座安装 1 合格防雷及接地接地装置安装接地装置安装 1 合格防雷引下线防雷引下线 1 合格接闪器安装接闪器安装 1 合格建筑物等电位连接建筑物等电位连接 1 合格工艺管道工程土方工程沟槽土方(支护、开挖、回填)沟槽支护8 合格沟槽开挖8 合格沟槽回填8 合格主体结构钢管管道基础、接口连接、敷设、防腐管道基础8 合格管道接口连接8 合格管道敷设8 合格管道防腐8 合格附属结构FJ1、FJ2、FJ3、一、二底板35 合格单位工程分部工程子分部工程分项工程检验批及批数评定结果期流量计井井壁及顶板35 合格单位(子单位)工程分部工程子分部工程分项工程检验批及批数评定结果厂区总平工程道路工程路基—土方路基土方路基12 合格基层—水泥稳定土类基层掺5%水泥稳定级配碎石12 合格面层水泥混凝土面层模板、混凝土模板12 合格混凝土12 合格人行道—料石人行道铺砌面层一期人行道 1 合格二期人行道 1 合格附属结构—路缘(侧)石路缘(侧)石13 合格雨水支管、雨水口雨水支管、雨水口13 合格排水工程土方工程沟槽土方开挖、回填沟槽开挖8 合格沟槽回填8 合格主体结构混凝土管道基础、接口连接、敷设管道基础8 合格管道接口连接8 合格管道敷设8 合格管道防腐8 合格附属结构雨污水井底板8 合格井壁及顶板8 合格。
XX市污水处理厂工程分部分项工程划分
编制单位:
上报时间:2013-2-19
污水处理厂工程分部、分项、检验批划分
污水处理厂工程分部、分项、检验批划分
污水处理厂工程分部、分项、检验批划分
污水处理厂工程分部、分项、检验批划分
污水处理厂工程分部、分项、检验批划分
污水处理厂工程分部、分项、检验批划分
污水处理厂工程分部、分项、检验批划分
污水处理厂工程分部、分项、检验批划分
污水处理厂工程分部、分项、检验批划分
污水处理厂工程分部、分项、检验批划分
污水处理厂工程分部、分项、检验批划分
污水处理厂工程分部、分项、检验批划分
污水处理厂工程分部、分项、检验批划分
污水处理厂工程分部、分项、检验批划分
污水处理厂工程分部、分项、检验批划分
污水处理厂工程分部、分项、检验批划分
污水处理厂工程分部、分项、检验批划分
污水处理厂工程分部、分项、检验批划分
污水处理厂工程分部、分项、检验批划分
污水处理厂工程分部、分项、检验批划分
污水处理厂工程分部、分项、检验批划分
(注:文档可能无法思考全面,请浏览后下载,供参考。
可复制、编制,期待你的好评与关注)。
给水排水工程
给水排水工程施工质量验收划分为单位工程、分部工程、分项工程和检验批。
单位工程应按下列原则确定:
(1)一个完整的给水排水工程或相当规模的施工范围划分为一个单位工程;
(2)一个给水站宜划分为一个单位工程。
分部工程应按一个完整部位或主要结构及施工阶段划分。
分别按水源工程、机械设备安装、管道工程、贮配水构筑物、水处理设备等几个大类进行具体划分。
分项工程应按工种、工序、材料、施工工艺等划分。
检验批可根据施工及质量控制和验收需要按施工阶段或部位等划分。
给水排水工程的单位工程、分部工程、分项工程和检验批的划分及编号应符合下列各表的规定。
分部工程、分项工程划分和检验批的划分及编号
(给水排水单位工程编号0501)
续。
xxx 污水处理厂工程项目划分(一)单位工程xxx 污水处理站项目(房屋建筑) 分部工程地基与基础子分部工程无支护土方混凝土基础分项工程土方开挖土方回填基础模板基础钢筋基础混凝土检验批土方开挖工程检验批质量验收记录表土方回填工程检验批质量验收记录表模板安装工程检验批质量验收记录表模板拆除工程检验批质量验收记录表钢筋加工检验批质量验收记录表钢筋安装检验批质量验收记录表混凝土原材料及配合比设计检验批质量验收记录表混凝土施工检验批质量验收记录表编号01020304010203040102030102030102030102030102030102验收部位脱水机房在线监测房综合楼提升泵房脱水机房在线监测房综合楼提升泵房脱水机房地圈梁在线监测房地圈梁综合楼地圈梁脱水机房地圈梁在线监测房地圈梁综合楼地圈梁脱水机房地圈梁在线监测房地圈梁综合楼地圈梁脱水机房地圈梁在线监测房地圈梁综合楼地圈梁脱水机房地圈梁在线监测房地圈梁综合楼地圈梁脱水机房地圈梁在线监测房地圈梁续表 1验收部位脱水机房构造柱及梁板 综合楼一层构造柱及梁板综合楼楼梯及柱 在线监测房构造柱及梁板 综合楼二层构造柱及梁板 提升泵房构造柱及梁板 脱水机房构造柱及梁板 综合楼一层构造柱及梁板综合楼楼梯及柱 在线监测房构造柱及梁板 综合楼二层构造柱及梁板 提升泵房构造柱及梁板检验批模板拆除工程检验批质量验收记录表钢筋加工检验批质量验收记录表单位工程xxx 污水处 理站项目 (房屋建 筑)分项工程模板钢筋子分部工程混凝土结构分部工程主体结构 编 号 01 02 03 04 05 06 01 0 2综合楼地圈梁 脱水机房地圈梁 在线监测房地圈梁 综合楼地圈梁 脱水机房地圈梁 在线监测房地圈梁 综合楼地圈梁 脱水机房构造柱及梁板 综合楼一层构造柱及梁板综合楼楼梯及柱 在线监测房构造柱及梁板 综合楼二层构造柱及梁板 提升泵房构造柱及梁板现浇结构外观及尺寸偏差 检验批质量验收记录表石砌体工程检验批质量验收记录表模板安装工程检验批质量验收记录表砌体基础主体结构 混凝土结构 基础石砌体模板03 01 02 03 01 02 03 01 02砌体结构混凝土砖砌体钢筋安装检验批质量验收记录表混凝土原材料及配合比设计检验批质量验收记录表混凝土施工检验批质量验收记录表现浇结构外观及尺寸偏差检验批质量验收记录表砖砌体(混水)工程检验批质量验收记录表01020304050601020304050601020304050601020304050601020304脱水机房构造柱及梁板综合楼一层构造柱及梁板综合楼楼梯及柱在线监测房构造柱及梁板综合楼二层构造柱及梁板提升泵房构造柱及梁板脱水机房构造柱及梁板综合楼一层构造柱及梁板综合楼楼梯及柱在线监测房构造柱及梁板综合楼二层构造柱及梁板提升泵房构造柱及梁板脱水机房构造柱及梁板综合楼一层构造柱及梁板综合楼楼梯及柱在线监测房构造柱及梁板综合楼二层构造柱及梁板提升泵房构造柱及梁板脱水机房构造柱及梁板综合楼一层构造柱及梁板综合楼楼梯及柱在线监测房构造柱及梁板综合楼二层构造柱及梁板提升泵房构造柱及梁板脱水机房砌墙体综合楼一层墙体在线监测房墙体综合楼二层墙体续表 2单位工程xxx 污水处理站项目(房屋建筑) 分部工程主体结构建造装饰装修子分部工程砌体结构地面抹灰门窗分项工程砖砌体基层面层普通抹灰木门窗制作与安装检验批砖砌体(混水)工程基土垫层检验批质量验收记录表砂垫层和砂石垫层检验批质量验收记录表水泥混凝土垫层检验批质量验收记录表水泥砂浆面层检验批质量验收记录表陶瓷地砖砖面层检验批质量验收记录表普通抹灰工程检验批质量验收记录表普通木门窗制作工程检验批质量验收记录表普通木门窗安装工程检验批质量验收记录表编号050102030102030102030102010203040102030405010203040102验收部位提升泵房墙体脱水机房基土垫层综合楼基土垫层在线监测房基土垫层脱水机房砂石垫层综合楼砂石垫层在线监测房砂石垫层脱水机房水泥混凝土层综合楼水泥混凝土层在线监测房水泥混凝土层综合楼楼梯及走道提升泵房楼地面脱水机房砖面层综合楼一层砖面层在线监测房砖面层综合楼二层砖面层脱水机房墙面及顶棚综合楼一层墙面及顶棚在线监测房墙面及顶棚综合楼二层墙面及顶棚提升泵房墙面及顶棚脱水机房木门在线监测房木门综合楼木门提升泵房木门脱水机房木门在线监测房木门续表 3检验批外墙饰面砖粘贴工程普通水性涂料涂饰工程检验批质量验收记录表普通溶剂型涂料涂饰工程检验批质量验收记录表栏杆和扶手制作与安装工程检验批质量验收记录表验收部位提升泵房外墙脱水机房内墙及天棚综合楼一层内墙及天棚在线监测房内墙及天棚综合楼二层内墙及天棚提升泵房内墙及天棚刷脱水机房木门综合楼木门在线监测房木门提升泵房木门综合楼楼梯调节池护栏生物反应池楼梯和护栏子分部工程饰面板(砖)涂饰细部分项工程饰面砖粘贴水性涂料涂饰溶剂型涂料涂饰栏杆和扶手制作与安装单位工程xxx 污水处理站项目(房屋建筑) 分部工程建造装饰装修编号412345123综合楼木门提升泵房木门脱水机房铝合金外窗综合楼铝合金外窗在线监测房铝合金外窗提升泵房铝合金外窗脱水机房门窗综合楼门窗在线监测房门窗提升泵房门窗脱水机房外墙综合楼外墙在线监测房外墙金属门窗安装门窗玻璃安装饰面板(砖) 饰面砖粘贴金属门窗安装工程检验批质量验收记录表门窗玻璃安装工程检验批质量验收记录表外墙饰面砖粘贴工程检验批质量验收记录表341234123建造屋面保温层找平层卷材防水屋面卷材防水层细部构造屋面保温层检验批质量验收记录表屋面找平层检验批质量验收记录表屋面卷材防水层检验批质量验收记录表卷材防水细部构造检验批质量验收记录表0401020304010203040102030401020304提升泵房楼梯和护栏脱水机房屋面保温层综合楼屋面保温层在线监测房屋面保温层提升泵房屋面保温层脱水机房屋面找平层综合楼屋面找平层在线监测房屋面找平层提升泵房屋面找平层脱水机房屋面卷材防水层综合楼屋面卷材防水层在线监测房屋面卷材防水层提升泵房屋面卷材防水层脱水机房屋面细部构造综合楼屋面细部构造在线监测房屋面部构造提升泵房屋面细部构造备注:污水处理厂工程项目划分(二)单位工程xxx 污水处理站项目(水厂水池) 分部工程地基与基础污水处理构筑物泵房工程分项工程基坑开挖与回填地基与基础现浇钢筋混凝土水池土建与设备安装连接部位钢筋混凝土结构检验批基坑开挖与回填检验批质量验收记录地基与基础检验批质量验收记录现浇钢筋混凝土水池检验批质量验收记录土建与设备安装连接部位检验批质量验收记录钢筋混凝土结构工程检验批质量验收记录编号001002003004005006007001002003004005006007001002003004005006001002001验收部位调节池粗格栅池出水消毒渠细格栅池钟式沉砂池生物反应池提升泵房调节池粗格栅池出水消毒渠细格栅池钟式沉砂池生物反应池提升泵房调节池粗格栅池出水消毒渠细格栅池钟式沉砂池生物反应池调节池生物反应池提升泵房格栅池及泵房水池备注:污水处理厂设备采购及安装工程项目划分( 1 )单位工程污水处理厂设备采购及安装工程分部工程管线工程分项工程给排水管及工艺管线验收部位出水调节池前检查井至调节池进水管调节池至细格栅池给水管生物反应池至脱水机房给水管生物反应池至调节池前检查井放空管及超越管钟式沉砂池至生物反应池给水管钟式沉砂池至调节池前检查井超越管脱水机房至调节池前检查井排水管生物反应池至出水消毒渠排水管泵房前检查井至泵房格栅池进水管提升泵房出水管给排水管及工艺管线检验批质量验收记录编号01020304050607080910检验批机电设备安装工程格栅除污机螺旋输送机水泵安装出砂设备安装鼓风装置安装搅拌系统装置安装曝气设备安装污泥浓缩脱水机安装启闭机及闸门安装格栅除污机检验批质量验收记录螺旋输送机检验批质量验收记录水泵安装检验批质量验收记录出砂设备安装检验批质量验收记录鼓风装置安装检验批质量验收记录搅拌系统装置安装检验批质量验收记录曝气设备安装检验批质量验收记录污泥浓缩脱水机安装检验批质量验收记录启闭机及闸门安装检验批质量验收记录001002003001002003001002003004001002001002003001002001001002003004粗格栅池细格栅池泵房格栅池粗格栅池细格栅池脱水机房调节池生物反应池左边池子生物反应池右边池子提升泵房钟式沉砂池钟式沉砂池调节池生物反应池左边池子生物反应池右边池子生物反应池左边池子生物反应池右边池子脱水机房粗格栅池细格栅池出水消毒渠泵房格栅池续表 1单位工程污水处理厂设备采购及安装工程分部工程机电设备安装工程分项工程开关柜及配电柜(箱)安装电力变压器安装电力电力、电讯电缆、信号电缆检验批开关柜及配电柜 (箱) 安装检验批质量验收记录电力变压器安装检验批质量验收记录电力电力、电讯电缆、信号电缆工程检验批质量验收记录编号001002003001001002003004005006007验收部位配电室厂区现场控制箱提升泵房配电柜厂区配电室至粗格栅、调节池配电室至细格栅、沉砂池配电室至生化池配电室至污泥脱水间配电室至综合楼配电室至消毒渠配电室至在线监测室、计量渠备注:污水处理厂设备采购及安装工程项目划分( 2 )单位工程污水处理厂设备采购及安装工程分部工程建造给排水建造电气子分部工程室内给水系统室内排水系统卫生器具安装电气照明安装分项工程给水管道及配件安装排水管道及配件安装雨水管道及配件安装卫生器具及给水配件安装卫生器具排水管道安装电线、电缆导管和线槽敷设电线、电缆穿管和线槽敷线普通灯具安装插座、开关、检验批室内给水管道及配件安装工程检验批质量验收记录表室内排水管道及配件安装工程检验批质量验收记录表雨水管道及配件安装工程检验批质量验收记录表卫生器具及给水配件安装工程检验批质量验收记录表卫生器具排水管道安装工程检验批质量验收记录表电线、电缆导管和线槽敷设检验批质量验收记录表电线、电缆穿管和线槽敷线检验批质量验收记录表普通灯具安装检验批质量验收记录表插座、开关、风扇安装检编号0102010201020304010101020304010203040102030401验收部位综合楼脱水机房综合楼脱水机房脱水机房综合楼在线监测房提升泵房综合楼综合楼脱水机房综合楼在线监测房提升泵房脱水机房综合楼在线监测房提升泵房脱水机房综合楼在线监测房提升泵房脱水机房续表 1单位工程污水处理厂设备采购及安装工程分部工程建造电气子分部工程防雷及接地安装分项工程建造物等电位连接接闪器安装检验批建造物等电位连接检验批质量验收记录表接闪器安装检验批质量验收记录表编号0102030401020304验收部位脱水机房综合楼在线监测房提升泵房脱水机房综合楼在线监测房提升泵房备注:验批质量验收记录表建造照明通电试运行检验批质量验收记录表接地装置安装检验批质量验收记录表避雷引下线和变配电室接地干线敷设检验批质量验收记录表风扇安装建造照明通电试运行接地装置安装避雷引下线和变配电室接地干线敷设综合楼在线监测房提升泵房脱水机房综合楼在线监测房提升泵房脱水机房综合楼在线监测房提升泵房脱水机房综合楼在线监测房234123412防雷及接地安装污水处理(污水管网)工程项目划分单位工程污水处理(污水管网)工程分部工程子分部工程土方工程金属管类(钢管)预制管开槽施工主体结构化学建材管(双壁波纹管)分项工程沟槽土方管道基础管道接口连接管道铺设管道防腐层管道基础管道接口连接管道铺设检验批管道沟槽开挖施工检验批质量验收记录表沟槽回填(刚性管道)施工检验批质量验收记录表沟槽回填(柔性管道)施工检验批质量验收记录表管道基础施工检验批质量验收记录表钢管管道接口连接施工检验批质量验收记录表管道铺设施工检验批质量验收记录表钢管管道内防腐层施工检验批质量验收记录表钢管管道外防腐层施工检验批质量验收记录表管道基础施工检验批质量验收记录表化学建材管管道接口连接施工检验批质量验收记录表管道铺设施工检验批质量验收记录表编号根据资料形成的时间顺序,从 001 开始挨次连续编号验收部位a#井—b#井(相邻连续两井段)污水处理厂工程项目划分(三)单位工程xxx 污水处理站项目(附属构筑物) 分部工程地基与基础子分部工程无支护土方混凝土基础分项工程土方开挖土方回填基础混凝土检验批土方开挖工程检验批质量验收记录表土方回填工程检验批质量验收记录表混凝土原材料及配合比设计检验批质量验收记录表编号0102030405060701020304050607010203验收部位进厂公路两侧浆砌石基槽涵洞两侧浆砌石基槽围墙浆砌石基础基槽挡土墙基槽厂区排水沟基槽电缆沟基槽化粪池基坑进厂公路两侧浆砌石基槽涵洞两侧浆砌石基槽围墙浆砌石基础基槽挡土墙基槽厂区排水沟基槽电缆沟基槽化粪池基坑涵洞基础厂区排水沟底板电缆沟底板附属构筑物工程备注:a#井—n#井(连续施工多个检查井) 井室施工检验批质量验收记录表井室(砖砌结构)砌体基础主体结构混凝土结构基础石砌体模板钢筋混凝土施工检验批质量验收记录表现浇结构外观及尺寸偏差检验批质量验收记录表石砌体工程检验批质量验收记录表模板安装工程检验批质量验收记录表模板拆除工程检验批质量验收记录表钢筋加工检验批质量验收记录表钢筋安装工程检验批质量验收记录表040102030401020304010102010201020102化粪池底板涵洞基础厂区排水沟底板电缆沟底板化粪池底板涵洞基础厂区排水沟底板电缆沟底板化粪池底板围墙浆砌石基础涵洞台帽涵洞板涵洞台帽涵洞板涵洞台帽涵洞板涵洞台帽涵洞板续表 1 检验批混凝土原材料及配合比设计检验批质量验收记录表混凝土施工检验批质量验收记录表单位工程xxx 污水处理站项目(附属构筑物)验收部位涵洞台帽涵洞板涵洞台帽涵洞板子分部工程混凝土结构分部工程主体结构分项工程混凝土编号12砌体结构地面建造装饰装修抹灰砖砌体石砌体基层面层普通抹灰工现浇结构外观及尺寸偏差检验批质量验收记录表砖砌体(混水)工程检验批质量验收记录表石砌体工程检验批质量验收记录表基土垫层检验批质量验收记录表砂垫层和砂石垫层检验批质量验收记录表水泥混凝土面层检验批质量验收记录表普通抹灰工程检验批质量验收记录表01020102030401020301020102010201020304涵洞台帽涵洞板围墙厂区排水沟两侧砖墙电缆沟两侧砖墙化粪池砌体进厂路两侧浆砌石墙涵洞墙身挡土墙进厂路基层厂区地坪基层进厂路砂石垫层厂区地坪碎石垫层厂区地坪进厂路面层围墙墙体厂区排水沟底板及墙体电缆沟底板及墙体化粪池底板及墙体备注:。
市政污水处理工程检验批划分规范1. 引言市政污水处理工程是确保城市环境卫生和水资源保护的重要设施。
为了保证工程质量和工程进度的控制,需要对市政污水处理工程进行检验批划分。
本文档旨在制定市政污水处理工程检验批划分规范,明确划分的标准和流程。
2. 划分标准市政污水处理工程的检验批划分应考虑以下因素:- 工程性质:包括污水处理厂、管网、泵站等不同的工程性质,每个工程性质可形成一个检验批。
- 工程具体部位:针对不同的工程部位,如进水口、出水口、格栅污捞设备等,可以形成独立的检验批。
- 工程施工季节:考虑工程施工季节的特点,如冬季施工、雨季施工等可以形成特定的检验批。
3. 划分流程市政污水处理工程的检验批划分流程如下:1. 工程规划阶段:根据工程规划和设计,确定各个工程性质和具体部位,初步划分可能的检验批。
2. 施工组织设计阶段:根据施工组织设计,进一步细化划分各个检验批,并制定相应的划分依据和标准。
3. 施工阶段:按照划分的依据和标准,对各个检验批进行实际划分,并在每个检验批完成后进行验收和记录。
4. 竣工阶段:对各个检验批的工程完成情况进行总结和评估,形成最终的检验批划分报告。
4. 划分记录市政污水处理工程的检验批划分记录应包括以下内容:- 检验批信息:包括检验批编号、工程性质、具体部位、施工季节等。
- 划分依据:明确用于划分的依据和标准,包括工程规划、施工组织设计等文件信息。
- 划分结果:记录实际划分的结果,并标明验收情况和记录人员。
- 划分报告:对各个检验批的工程完成情况进行总结和评估,形成检验批划分报告。
5. 特殊情况处理在市政污水处理工程的实际施工中,可能会遇到一些特殊情况,如工程变更、施工质量问题等。
对于这些特殊情况,应及时对检验批进行调整和变更,并在相应的记录中予以说明。
6. 结论市政污水处理工程的检验批划分对于确保工程质量和进度控制至关重要。
本文档明确了划分标准和流程,并提出了相应的划分记录要求。
市政污水处理工程分部、分项划分方案1. 引言本文档旨在确定市政污水处理工程的分部、分项划分方案,以便进行项目管理和监督。
该方案将确保工程的顺利进行,并为相关责任方提供清晰的指导。
2. 分部划分方案市政污水处理工程的分部划分方案如下:2.1 分部1 - 设计阶段该分部包括市政污水处理工程的设计阶段所涉及的任务和活动,包括但不限于:- 编制工程设计方案;- 制定工程布置方案;- 进行环境影响评价;- 设计废水处理工艺;- 制定设计文件;- 编制设计变更方案;2.2 分部2 - 采购阶段该分部包括市政污水处理工程的采购阶段所涉及的任务和活动,包括但不限于:- 编制采购计划;- 进行供应商评估和筛选;- 签订采购合同;- 购买设备和材料;- 安排运输和物流;- 进行验收和入库;2.3 分部3 - 施工阶段该分部包括市政污水处理工程的施工阶段所涉及的任务和活动,包括但不限于:- 制定施工组织设计;- 协调施工进度;- 管理施工安全;- 控制施工质量;- 完成施工图纸变更;- 进行竣工验收;2.4 分部4 - 运营维护阶段该分部包括市政污水处理工程的运营维护阶段所涉及的任务和活动,包括但不限于:- 制定运营管理规程;- 进行设备维护保养;- 监测废水处理效果;- 处理异常情况;- 定期进行设备检修;- 编制运营报告;3. 分项划分方案市政污水处理工程的分项划分方案如下:3.1 分项1 - 地下管网该分项涉及市政污水处理工程中的地下管网系统建设,包括但不限于:- 建设污水管道;- 设计污水泵房;- 架设供电线路;- 安装自动监测设备;3.2 分项2 - 污水处理设备该分项涉及市政污水处理工程中的污水处理设备,包括但不限于:- 安装污水处理设备;- 调试污水处理设备;- 运行污水处理设备;- 维护污水处理设备;3.3 分项3 - 水质监测与管理该分项涉及市政污水处理工程中的水质监测与管理,包括但不限于:- 进行水质监测;- 分析监测结果;- 制定水质处理方案;- 监测监管要求的指标;4. 总结本文档提供了市政污水处理工程的分部和分项划分方案。
城镇污水处理厂工程A污水处理厂工程验收划分A 污水处理厂工程验收划分A.0.1 污水处理厂构筑物工程和安装工程的单位(子单位)、分部(子分部)、分项工程和检验批的划分应符合表A.0.1-1和表A.0.1-2的规定。
表A.0.1-1 污水处理厂构筑物工程单位(子单位)、分部(子分部)、分项工程和检验批划分注:1 单体构筑物包括格栅间、泵房、沉砂池、沉淀池、生物处理池、过滤池、消毒池、计量间、污泥浓缩池、污泥消化池、除臭池、烟囱等。
其中生物处理池包括厌氧池、缺氧池、生化池、SBR反应池、氧化沟、生物接触氧化池、曝气生物滤池等;除臭池包括生物除臭池、离子除臭池、植物液除臭池、活性炭吸附除臭池等。
2 构筑物功能性试验为污水处理厂工程质量验收的重要组成部分,是验收的手段之一,在单位、分部、分项工程划分中不体现。
3 按照单独作为成本核算的方式划分单位工程的,由业主和施工单位协商划定。
表A.0.1-2 污水处理厂安装工程单位(子单位)、分部(子分部)、分项工程和检验批划分注:1 管线指各种工艺管线,包括污水、再生水、污泥、燃气、空气、加药、沼气、热力管线等。
2 设备调试和功能性试验为污水处理厂工程质量验收的重要组成部分,是验收的手段之一,在单位、分部、分项工程划分中不体现。
A.0.2 格栅间、泵房、鼓风机房、污泥控制室、加药间、再生水车间、臭氧制备车间、沼气压缩机房、沼气发电机房、沼气锅炉房、脱水机房、污泥处理厂房等的建筑工程划分应符合现行国家标准《建筑工程施工质量验收统一标准》GB 50300的有关规定。
A.0.3 污水处理厂工程厂区配套工程中办公楼、配电间等建筑物工程应按现行国家标准《建筑工程施工质量验收统一标准》GB 50300的有关规定划分,厂区道路应按现行行业标准《城镇道路工程施工与质量验收规范》CJJ 1的有关规定划分,厂区排水应按现行国家标准《给水排水管道工程施工及验收规范》GB 50268的有关规定划分,厂区绿化应按现行行业标准《园林绿化工程施工及验收规范》CJJ 82的有关规定划分。
XX市污水处理厂工程
分部分项工程划分
编制单位:
上报时间:2013-2-19
污水处理厂工程分部、分项、检验批划分
污水处理厂工程分部、分项、检验批划分
污水处理厂工程分部、分项、检验批划分
污水处理厂工程分部、分项、检验批划分
污水处理厂工程分部、分项、检验批划分
污水处理厂工程分部、分项、检验批划分
污水处理厂工程分部、分项、检验批划分
污水处理厂工程分部、分项、检验批划分
污水处理厂工程分部、分项、检验批划分
污水处理厂工程分部、分项、检验批划分
污水处理厂工程分部、分项、检验批划分
污水处理厂工程分部、分项、检验批划分
污水处理厂工程分部、分项、检验批划分
污水处理厂工程分部、分项、检验批划分
污水处理厂工程分部、分项、检验批划分
污水处理厂工程分部、分项、检验批划分
污水处理厂工程分部、分项、检验批划分
污水处理厂工程分部、分项、检验批划分
污水处理厂工程分部、分项、检验批划分
污水处理厂工程分部、分项、检验批划分
污水处理厂工程分部、分项、检验批划分。