旋挖灌注桩试桩记录
- 格式:doc
- 大小:26.50 KB
- 文档页数:1
旋挖钻孔灌注桩单桩建筑施工记录一、工程概况工程名称:_____工程地点:_____建设单位:_____施工单位:_____监理单位:_____本次施工的旋挖钻孔灌注桩为基础结构的一部分,设计桩径为_____mm,桩长为_____m,桩身混凝土强度等级为_____。
二、施工准备1、场地平整施工前对场地进行了平整,清除了地面障碍物,确保钻机能够平稳作业。
2、测量放线根据设计图纸,使用全站仪进行桩位的精确测量放线,并设置了明显的桩位标志。
3、设备选型选用了适合本工程地质条件的旋挖钻机型号_____,配备了相应的钻具和辅助设备。
4、材料准备提前准备了符合要求的钢筋、水泥、砂、石子等原材料,并进行了检验和复试。
三、施工工艺流程1、钻进成孔(1)将旋挖钻机就位,调整好钻杆垂直度和钻头位置。
(2)启动钻机,缓慢钻进,根据地质情况控制钻进速度和钻进压力。
(3)在钻进过程中,及时清理孔内的渣土,保持孔内清洁。
(4)当钻进至设计深度后,进行终孔验收,测量孔深、孔径、孔斜度等参数,确保符合设计要求。
2、钢筋笼制作与安装(1)根据设计要求,在加工场地制作钢筋笼。
钢筋的规格、型号、数量和间距均符合设计要求,主筋采用焊接连接,箍筋采用绑扎连接。
(2)制作完成后,对钢筋笼进行质量检验,合格后运往施工现场。
(3)采用吊车将钢筋笼吊起,缓慢放入孔内,确保钢筋笼的位置和垂直度准确无误。
3、灌注混凝土(1)安装导管,导管底部距孔底的距离控制在_____mm 左右。
(2)在灌注前,再次测量孔深和孔底沉渣厚度,如沉渣厚度超过设计要求,进行二次清孔。
(3)采用商品混凝土,混凝土坍落度控制在_____mm 左右。
(4)开始灌注混凝土,灌注过程中要连续进行,控制好灌注速度和导管埋深,确保混凝土灌注密实。
四、施工过程记录1、钻进成孔记录桩号:_____开孔时间:_____终孔时间:_____钻进深度:_____m地质情况描述:0 _____m:土层为_____,土性描述为_____。
旋挖钻孔灌注桩试桩记录范本一:旋挖钻孔灌注桩试桩记录1. 试桩目的本次试桩的目的是进行旋挖钻孔灌注桩的工程性试验,以评估钻孔灌注桩在该地区的适合性和承载能力。
2. 试桩设备和材料2.1 设备:- 旋挖钻孔机- 砂浆搅拌机- 砂浆泵- 钻具及钻头- 钻孔灌注桩检测仪器2.2 材料:- 钻孔灌注桩钢筋- 水泥- 混凝土- 其他辅助材料3. 试桩程序3.1 钻孔准备:- 根据设计要求设置钻孔位置和孔径- 使用旋挖钻孔机进行钻孔,并保持孔壁的稳定性 - 钻孔深度达到设计要求后,清理孔内杂物3.2 钢筋安装:- 按设计要求安装钻孔灌注桩钢筋- 确保钢筋位置准确,并进行连接和固定3.3 砂浆调配和灌注:- 使用砂浆搅拌机将水泥和砂浆按一定比例调配 - 将调配好的砂浆通过砂浆泵注入钻孔中- 确保砂浆注入均匀,避免产生空隙温和泡3.4 桩体养护:- 在灌注完成后,对钻孔灌注桩进行养护- 保持桩体湿润,防止龟裂和干燥收缩4. 试桩结果记录- 记录每一个试桩的钻孔深度、钻孔直径、钻孔灌注桩钢筋布置图等信息- 根据试验结果,评估钻孔灌注桩的承载能力和稳定性5. 附件本所涉及的附件为:- 钻孔灌注桩设计图纸- 钻孔灌注桩试验数据记录表6. 法律名词及注释本所涉及的法律名词及注释如下:- 钻孔灌注桩:一种常用的地基处理方法,通过钻孔和注浆形成桩体,用于增加地基承载能力和稳定性。
范本二:旋挖钻孔灌注桩试桩记录试桩地点:XX工地试桩日期:20XX年XX月XX日1. 试桩目的本次试桩的目的是针对 XX 工地的地质条件,进行旋挖钻孔灌注桩的试验,以评估钻孔灌注桩的适合性和承载能力,为后续的施工提供依据。
2. 试桩设备和材料2.1 设备:- 旋挖钻孔机:型号 XX,规格 XX- 砂浆搅拌机:型号 XX,规格 XX- 砂浆泵:型号 XX,规格 XX- 钻具及钻头:型号 XX,规格 XX- 钻孔灌注桩检测仪器:型号 XX,规格 XX2.2 材料:- 钻孔灌注桩钢筋:规格 XX- 水泥:标号 XX- 混凝土:标号 XX- 其他辅助材料:XX3. 试桩程序3.1 钻孔准备:- 根据设计要求设置钻孔位置和孔径,钻孔直径为 XXcm,深度为 XXm- 使用旋挖钻孔机进行钻孔,保持孔壁的稳定性- 钻孔深度达到设计要求后,清理孔内杂物3.2 钢筋安装:- 按设计要求安装钻孔灌注桩钢筋,并进行连接和固定3.3 砂浆调配和灌注:- 使用砂浆搅拌机将水泥和砂浆按一定比例调配- 将调配好的砂浆通过砂浆泵注入钻孔中- 确保砂浆注入均匀,避免产生空隙温和泡3.4 桩体养护:- 在灌注完成后,对钻孔灌注桩进行养护- 保持桩体湿润,防止龟裂和干燥收缩4. 试桩结果记录- 记录每一个试桩的钻孔深度、钻孔直径、钻孔灌注桩钢筋布置图、灌注时间等信息- 根据试验结果,评估钻孔灌注桩的承载能力和稳定性5. 附件本所涉及的附件如下:- 钻孔灌注桩设计图纸- 钻孔灌注桩试验数据记录表- 其他相关附件6. 法律名词及注释本所涉及的法律名词及注释如下:- 钻孔灌注桩:一种常用的地基处理方法,通过钻孔和注浆形成桩体,用于增加地基承载能力和稳定性。
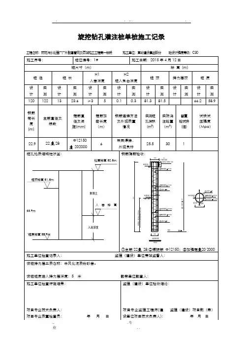
工程名称:雨花污水处理厂厂外配套管网及泵站施工工程第一标段施工单位:湖南高岭建设集团股份有限公司砼设计强度等级:C30工程名称:雨花污水处理厂厂外配套管网及泵站施工工程第一标段施工单位:湖南高岭建设集团股份有限公司砼设计强度等级:C30工程名称:雨花污水处理厂厂外配套管网及泵站施工工程第一标段施工单位:湖南高岭建设集团股份有限公司砼设计强度等级:C30工程名称:雨花污水处理厂厂外配套管网及泵站施工工程第一标段施工单位:湖南高岭建设集团股份有限公司砼设计强度等级:C30工程名称:雨花污水处理厂厂外配套管网及泵站施工工程第一标段施工单位:湖南高岭建设集团股份有限公司砼设计强度等级:C30工程名称:雨花污水处理厂厂外配套管网及泵站施工工程第一标段施工单位:湖南高岭建设集团股份有限公司砼设计强度等级:C30工程名称:雨花污水处理厂厂外配套管网及泵站施工工程第一标段施工单位:湖南高岭建设集团股份有限公司砼设计强度等级:C30旋挖钻孔灌注桩单桩施工记录工程名称:雨花污水处理厂厂外配套管网及泵站施工工程第一标段施工单位:湖南高岭建设集团股份有限公司砼设计强度等级:C30旋挖钻孔灌注桩单桩施工记录工程名称:雨花污水处理厂厂外配套管网及泵站施工工程第一标段施工单位:湖南高岭建设集团股份有限公司砼设计强度等级:C30旋挖钻孔灌注桩单桩施工记录工程名称:雨花污水处理厂厂外配套管网及泵站施工工程第一标段施工单位:湖南高岭建设集团股份有限公司砼设计强度等级:C30旋挖钻孔灌注桩单桩施工记录工程名称:雨花污水处理厂厂外配套管网及泵站施工工程第一标段施工单位:湖南高岭建设集团股份有限公司砼设计强度等级:C30旋挖钻孔灌注桩单桩施工记录工程名称:雨花污水处理厂厂外配套管网及泵站施工工程第一标段施工单位:湖南高岭建设集团股份有限公司砼设计强度等级:C30旋挖钻孔灌注桩单桩施工记录工程名称:雨花污水处理厂厂外配套管网及泵站施工工程第一标段施工单位:湖南高岭建设集团股份有限公司砼设计强度等级:C30旋挖钻孔灌注桩单桩施工记录工程名称:雨花污水处理厂厂外配套管网及泵站施工工程第一标段施工单位:湖南高岭建设集团股份有限公司砼设计强度等级:C30旋挖钻孔灌注桩单桩施工记录工程名称:雨花污水处理厂厂外配套管网及泵站施工工程第一标段施工单位:湖南高岭建设集团股份有限公司砼设计强度等级:C30旋挖钻孔灌注桩单桩施工记录工程名称:雨花污水处理厂厂外配套管网及泵站施工工程第一标段施工单位:湖南高岭建设集团股份有限公司砼设计强度等级:C30(B型桩)旋挖钻孔灌注桩单桩施工记录工程名称:雨花污水处理厂厂外配套管网及泵站施工工程第一标段施工单位:湖南高岭建设集团股份有限公司砼设计强度等级:C30(B型桩)旋挖钻孔灌注桩单桩施工记录工程名称:雨花污水处理厂厂外配套管网及泵站施工工程第一标段施工单位:湖南高岭建设集团股份有限公司砼设计强度等级:C30旋挖钻孔灌注桩单桩施工记录工程名称:雨花污水处理厂厂外配套管网及泵站施工工程第一标段施工单位:湖南高岭建设集团股份有限公司砼设计强度等级:C30旋挖钻孔灌注桩单桩施工记录工程名称:雨花污水处理厂厂外配套管网及泵站施工工程第一标段施工单位:湖南高岭建设集团股份有限公司砼设计强度等级:C30旋挖钻孔灌注桩单桩施工记录工程名称:雨花污水处理厂厂外配套管网及泵站施工工程第一标段施工单位:湖南高岭建设集团股份有限公司砼设计强度等级:C30旋挖钻孔灌注桩单桩施工记录工程名称:雨花污水处理厂厂外配套管网及泵站施工工程第一标段施工单位:湖南高岭建设集团股份有限公司砼设计强度等级:C30旋挖钻孔灌注桩单桩施工记录工程名称:雨花污水处理厂厂外配套管网及泵站施工工程第一标段施工单位:湖南高岭建设集团股份有限公司砼设计强度等级:C30旋挖钻孔灌注桩单桩施工记录工程名称:雨花污水处理厂厂外配套管网及泵站施工工程第一标段施工单位:湖南高岭建设集团股份有限公司砼设计强度等级:C30旋挖钻孔灌注桩单桩施工记录工程名称:雨花污水处理厂厂外配套管网及泵站施工工程第一标段施工单位:湖南高岭建设集团股份有限公司砼设计强度等级:C30旋挖钻孔灌注桩单桩施工记录工程名称:雨花污水处理厂厂外配套管网及泵站施工工程第一标段施工单位:湖南高岭建设集团股份有限公司砼设计强度等级:C30旋挖钻孔灌注桩单桩施工记录工程名称:雨花污水处理厂厂外配套管网及泵站施工工程第一标段施工单位:湖南高岭建设集团股份有限公司砼设计强度等级:C30旋挖钻孔灌注桩单桩施工记录工程名称:雨花污水处理厂厂外配套管网及泵站施工工程第一标段施工单位:湖南高岭建设集团股份有限公司砼设计强度等级:C30旋挖钻孔灌注桩单桩施工记录工程名称:雨花污水处理厂厂外配套管网及泵站施工工程第一标段施工单位:湖南高岭建设集团股份有限公司砼设计强度等级:C30旋挖钻孔灌注桩单桩施工记录工程名称:雨花污水处理厂厂外配套管网及泵站施工工程第一标段施工单位:湖南高岭建设集团股份有限公司砼设计强度等级:C30旋挖钻孔灌注桩单桩施工记录工程名称:雨花污水处理厂厂外配套管网及泵站施工工程第一标段施工单位:湖南高岭建设集团股份有限公司砼设计强度等级:C30(C型桩)旋挖钻孔灌注桩单桩施工记录工程名称:雨花污水处理厂厂外配套管网及泵站施工工程第一标段施工单位:湖南高岭建设集团股份有限公司砼设计强度等级:C30旋挖钻孔灌注桩单桩施工记录工程名称:雨花污水处理厂厂外配套管网及泵站施工工程第一标段施工单位:湖南高岭建设集团股份有限公司砼设计强度等级:C30旋挖钻孔灌注桩单桩施工记录工程名称:雨花污水处理厂厂外配套管网及泵站施工工程第一标段施工单位:湖南高岭建设集团股份有限公司砼设计强度等级:C30旋挖钻孔灌注桩单桩施工记录工程名称:雨花污水处理厂厂外配套管网及泵站施工工程第一标段施工单位:湖南高岭建设集团股份有限公司砼设计强度等级:C30旋挖钻孔灌注桩单桩施工记录工程名称:雨花污水处理厂厂外配套管网及泵站施工工程第一标段施工单位:湖南高岭建设集团股份有限公司砼设计强度等级:C30旋挖钻孔灌注桩单桩施工记录工程名称:雨花污水处理厂厂外配套管网及泵站施工工程第一标段施工单位:湖南高岭建设集团股份有限公司砼设计强度等级:C30旋挖钻孔灌注桩单桩施工记录工程名称:雨花污水处理厂厂外配套管网及泵站施工工程第一标段施工单位:湖南高岭建设集团股份有限公司砼设计强度等级:C30旋挖钻孔灌注桩单桩施工记录工程名称:雨花污水处理厂厂外配套管网及泵站施工工程第一标段施工单位:湖南高岭建设集团股份有限公司砼设计强度等级:C30旋挖钻孔灌注桩单桩施工记录工程名称:雨花污水处理厂厂外配套管网及泵站施工工程第一标段施工单位:湖南高岭建设集团股份有限公司砼设计强度等级:C30旋挖钻孔灌注桩单桩施工记录工程名称:雨花污水处理厂厂外配套管网及泵站施工工程第一标段施工单位:湖南高岭建设集团股份有限公司砼设计强度等级:C30旋挖钻孔灌注桩单桩施工记录工程名称:雨花污水处理厂厂外配套管网及泵站施工工程第一标段施工单位:湖南高岭建设集团股份有限公司砼设计强度等级:C30旋挖钻孔灌注桩单桩施工记录工程名称:雨花污水处理厂厂外配套管网及泵站施工工程第一标段施工单位:湖南高岭建设集团股份有限公司砼设计强度等级:C30旋挖钻孔灌注桩单桩施工记录工程名称:雨花污水处理厂厂外配套管网及泵站施工工程第一标段施工单位:湖南高岭建设集团股份有限公司砼设计强度等级:C30旋挖钻孔灌注桩单桩施工记录工程名称:雨花污水处理厂厂外配套管网及泵站施工工程第一标段施工单位:湖南高岭建设集团股份有限公司砼设计强度等级:C30旋挖钻孔灌注桩单桩施工记录工程名称:雨花污水处理厂厂外配套管网及泵站施工工程第一标段施工单位:湖南高岭建设集团股份有限公司砼设计强度等级:C30旋挖钻孔灌注桩单桩施工记录工程名称:雨花污水处理厂厂外配套管网及泵站施工工程第一标段施工单位:湖南高岭建设集团股份有限公司砼设计强度等级:C30旋挖钻孔灌注桩单桩施工记录工程名称:雨花污水处理厂厂外配套管网及泵站施工工程第一标段施工单位:湖南高岭建设集团股份有限公司砼设计强度等级:C30旋挖钻孔灌注桩单桩施工记录工程名称:雨花污水处理厂厂外配套管网及泵站施工工程第一标段施工单位:湖南高岭建设集团股份有限公司砼设计强度等级:C30旋挖钻孔灌注桩单桩施工记录工程名称:雨花污水处理厂厂外配套管网及泵站施工工程第一标段施工单位:湖南高岭建设集团股份有限公司砼设计强度等级:C30。
旋挖钻孔灌注桩单桩施工记录工程名称: 兴康同和家园3#地下室 施工单位: 湖南兴湘建设有限公司 砼设计强度等级: C30施工序号:桩位编号: 4# 施工日期: 自 12月24日桩尺寸( m)标 高 (m) 桩 径 桩 长 H1 入岩深度 H2 桩入承台深度 桩 顶持力层顶桩 底 设 计 实 测 设 计 实 测 设 计 实 测 设 计 实 测设 计 实 测 设计 实 测 设计 实 测 0.8 0.81≥2222.1 11.1 0.10.11 81.681.660.659.5钢筋笼长度(m) 主筋直径及根数箍筋直 径及间 距(mm)箍筋加 密长度 ( m) 钢筋连接方法 及外观质量 情况 实测桩 孔体积 ( m 3)实际浇注砼量 ( m 3) 留置 砼试块 ( 组)试块试 压强度 ( Mpa)22.710 1410@100/200 3.5采用焊接, 外观良好12.4 12.8 1桩孔地质结构柱状图:钢筋隐蔽验收:○1长纵筋10 14; ○2加劲箍 12@ , 螺旋筋Ф10@100/200施工单位检查记录人: 监理( 建设) 单位旁站监督人:该桩持力层土质名称及桩端阻力特征值为: 强风化泥质粉砂岩, 单桩承载力特征值为3200KN 。
该桩桩底进入持力层深度: 1.1米 勘察单位勘查人: 施工单位检查评定结果:监理( 建设) 单位验收结论:强风泥质粉桩底标高59.5m 持力层顶标60.6m桩顶标高81.6m湘质监统孔口标高87.25m旋挖钻孔灌注桩单桩施工记录 工程名称: 兴康同和家园3#地下室 施工单位: 湖南兴湘建设有限公司砼设计强度等级: C30项目专业技术负责人:项目专业质量检查员: 年 月 日项目专业监理工程师(建 监理( 建设) 项目部( 章) 设单位项目技术负责人): 年 月 日施工序号:桩位编号: 2# 施工日期: 自 12月25日桩尺寸( m)标 高 (m) 桩 径 桩 长 H1入岩深度 H2桩入承台深度 桩 顶 持力层顶 桩 底 设 计 实 测 设 计 实 测 设 计 实 测 设 计 实 测 设 计 实 测 设计 实 测 设计 实 测 0.80.81≥2223.511.20.10.1181.6 81.659.358.1钢筋笼长度(m) 主筋直径及根数 箍筋直 径及间 距(mm) 箍筋加 密长度 ( m) 钢筋连接方法及外观质量情况 实测桩 孔体积 ( m 3) 实际浇注砼量 ( m 3) 留置 砼试块 ( 组) 试块试 压强度 ( Mpa)24.110 1410@100/203.5采用焊接, 外观良好12.813.21桩孔地质结构柱状图: 钢筋隐蔽验收:○1长纵筋10 14; ○2加劲箍 12@ , 螺旋筋Ф10@100/200施工单位检查记录人: 监理( 建设) 单位旁站监督人:该桩持力层土质名称及桩端阻力特征值为: 强风化泥质粉砂岩的极限端阻力标准值为3200KN 。
旋挖成孔灌注桩桩孔验收记录项目名称:XXX工程工程编号:XXX桩孔编号:XXX施工单位:XXX监理单位:XXX设计单位:XXX一、桩孔资料1.工程地点:XXX2.桩基类型:旋挖成孔灌注桩3.桩孔直径:XXX4.桩孔深度:XXX5.桩孔设计承载力:XXX二、材料验收1.水泥:按规定的比例配制,外观应为均匀细腻的粉末状,无结块和凝固现象。
2.纱管:应符合设计要求,无破损、腐蚀和变形。
3.沙、石料:应符合设计要求,无杂质和含泥量过高的现象。
三、施工工艺1.桩孔开挖:按设计要求进行开挖,桩孔开挖底部应清理干净。
2.钢筋布置:按设计要求、图纸和规范进行布置,钢筋的质量应符合要求。
3.灌注混凝土:混凝土按设计要求配制,拌合均匀后进行灌注。
四、施工质量控制1.桩孔尺寸:测量桩孔直径和深度,记录在下表中。
桩孔编号直径(mm)深度(m)XXX XXX XXX2.钢筋质量:测量钢筋直径和布置间距,记录在下表中。
桩孔编号钢筋直径(mm)钢筋布置间距(mm)XXX XXX XXX3.混凝土质量:测量混凝土的坍落度、强度等,记录在下表中。
桩孔编号混凝土坍落度(mm)抗压强度(MPa)XXX XXX XXX五、检测结果与评定1.桩孔尺寸符合设计要求。
2.钢筋布置符合设计要求,并满足规范要求。
3.混凝土坍落度符合设计要求,并满足规范要求。
4.混凝土抗压强度满足设计要求。
六、施工记录1.开挖时间:XXX2.钢筋布置时间:XXX3.混凝土灌注时间:XXX4.其他施工记录:XXX七、备注1.XXX八、验收结论1.桩孔验收合格,可以进行下一步施工。
总结:经检查,本次旋挖成孔灌注桩桩孔质量符合设计要求,验收合格。
本次桩孔验收记录结束。
旋挖钻孔灌注单桩施工记录1.工程基本情况:本次施工是针对一些建筑基坑的桩基处理工程,桩基数量为9根,桩径为800mm,桩深为3.5m,土质为黏土。
2.施工人员安排:本次施工由工程经理、钻工、灌浆工、质量员、安全员等人员组成,总共8人。
3.施工方案:按照设计要求,每根桩基的钻孔深度为3.5m,直径为800mm。
首先进行挖坑作业,然后进行钻孔,并同时进行土质采样及记录。
完成钻孔后,进行注浆、沉绳、放筋等工序,并及时记录。
4.施工过程及记录:a)挖孔:施工人员首先按照施工图纸划定桩基位置,并利用挖掘机挖出合适的基坑。
坑底平整、边坡坡度良好,以确保施工安全及桩基质量。
b)钻孔:钻工在挖好的基坑中搭设旋挖钻机,设置好钻机参数,并严格按照设计要求进行钻孔。
过程中,钻工需要注意观察钻孔情况,并及时记录。
首先,钻工根据设计要求将钻杆安装并固定好。
开始钻孔后,钻工每1m记录一次孔深和钻进时间,以及孔底土质情况。
钻孔时,钻机速度适中,土层稳定后,适当调整钻机速度,保证钻杆进出孔顺畅。
c)沉绳:施工人员将钻好的孔口用绳索连接,将密封栓装上,并沉入孔内。
同时利用水泥浆或桩灌浆泵将沉绳过程中产生的水泥浆灌注至孔底。
沉绳过程中,灌浆工要不断地观察泵压变化及灌浆浆液情况,并记录下来。
d)放筋:在灌浆完成后,质量员将根据设计要求,按照孔底灌浆高度放入预埋的钢筋,并确保钢筋位置正确。
钢筋通过灌浆材料固定在孔内。
e)灌注:灌浆工将预先配好的水泥浆通过管线注入孔内,同时利用杠杆等工具进行搅拌,确保浆液充分分布在孔内。
灌浆完成后,灌浆工要观察浆液溢出口压力及浆液颜色、浆液流速等情况,并及时记录下来,以便后续工序的质量验收。
5.施工时间安排:本次施工计划总工期为4天。
第一天挖坑,第二天至第三天完成钻孔和沉绳放筋的工作,第四天进行灌注并完成施工。
6.安全措施:a)所有人员必须佩戴安全帽、安全鞋等个人防护用具;b)监测并维护钻机的安全使用情况;c)挖掘机操作时要注意周围人员和设备的安全;d)施工现场要实行封闭管理,做好安全提示和防护措施。
大樱桃产业布局及其发展前景分析
一、大樱桃产业的布局
目前我国大樱桃主产区主要集中在山东、河北、河南、陕西、甘肃等省份。
其中,山
东省的大樱桃产量占全国产量的40%左右,是我国最大的大樱桃生产基地之一。
河北省的
大樱桃种植规模也较大,产量位居全国第二。
河南省、陕西省和甘肃省的大樱桃产业也在
不断发展壮大。
1.市场需求持续增加
随着近年来人们健康饮食观念的提升,大樱桃的市场需求量逐渐增加。
据统计,我国
大樱桃市场规模已经达到几百亿的规模,未来还有巨大的增长空间,而这也为大樱桃产业
的全面发展提供了广阔的市场前景。
2.国内优质品种逐渐成熟
随着科技的进步,国内的大樱桃品种逐渐成熟,品质不断提高。
特别是一些地方政府
对于大樱桃的培育和推广,更是让国内的大樱桃品种越来越多,能够更好地满足不同消费
群体的不同需求,促进了大樱桃市场的持续发展。
3.国际市场广阔
我国的大樱桃出口量近年来也呈现逐步上升的趋势。
随着我国大樱桃品质的不断提高
和市场规模的扩大,其出口市场也将更加广阔,为我国的大樱桃产业开拓了更加广阔的前景。
综上所述,大樱桃产业具有广阔的发展前景,尤其是随着消费观念的不断升级和国内
优质品种的逐渐成熟,其市场需求将更加旺盛。
因此,在大樱桃产业的发展中,要善于借
助新技术,加强品牌建设,通过各种途径提升大樱桃的产量和品质,更好地满足市场需求,推动行业持续发展。
钻孔灌注桩试桩记录
1. 试桩日期
填写试桩的具体日期,包括年份、月份和日。
2. 试桩地点
填写试桩的具体地点,包括地区、地址以及相关的坐标信息。
3. 试桩设备
描述使用的试桩设备,包括设备型号、生产厂家以及规格参数。
4. 试桩人员
列出参与试桩的人员信息,包括姓名、职位和相关的资质证书。
5. 试桩目的
简要说明进行试桩的目的和背景,例如工程地质调查、承载力
评估等。
6. 试桩方法和参数
描述试桩的具体方法和参数,包括试桩深度、试桩直径、试桩荷载以及试桩时的监测数据。
7. 试桩过程
详细记录试桩的具体过程,包括准备工作、施工过程、试桩过程中的异常情况以及相关操作。
8. 试桩结果与分析
记录试桩的结果,包括承载力曲线、侧阻力曲线、桩身沉降曲线等。
对试桩结果进行简要分析和评价。
9. 试桩结论
根据试桩结果和分析,得出试桩的结论,包括桩的承载力、稳定性以及适用性等。
10. 试桩建议
根据试桩结论,提出相关的建议和改进措施,以指导后续的工程设计和施工。
11. 备注
在记录中可以添加额外的备注信息,包括试桩过程中的特殊情况、问题、建议等。
以上是钻孔灌注桩试桩记录的基本内容,根据实际情况可以适当调整和补充。
试桩记录对于工程项目的质量控制和安全保障至关重要,应该准确、详细地记录试桩的整个过程和结果。
工程名称:雨花污水处理厂厂外配套管网及泵站施工工程第一标段施工单位:高岭建设集团股份砼设计强度等级:C30工程名称:雨花污水处理厂厂外配套管网及泵站施工工程第一标段施工单位:高岭建设集团股份砼设计强度等级:C30工程名称:雨花污水处理厂厂外配套管网及泵站施工工程第一标段施工单位:高岭建设集团股份砼设计强度等级:C30工程名称:雨花污水处理厂厂外配套管网及泵站施工工程第一标段施工单位:高岭建设集团股份砼设计强度等级:C30工程名称:雨花污水处理厂厂外配套管网及泵站施工工程第一标段施工单位:高岭建设集团股份砼设计强度等级:C30工程名称:雨花污水处理厂厂外配套管网及泵站施工工程第一标段施工单位:高岭建设集团股份砼设计强度等级:C30工程名称:雨花污水处理厂厂外配套管网及泵站施工工程第一标段施工单位:高岭建设集团股份砼设计强度等级:C30旋挖钻孔灌注桩单桩施工记录工程名称:雨花污水处理厂厂外配套管网及泵站施工工程第一标段施工单位:高岭建设集团股份砼设计强度等级:C30旋挖钻孔灌注桩单桩施工记录工程名称:雨花污水处理厂厂外配套管网及泵站施工工程第一标段施工单位:高岭建设集团股份砼设计强度等级:C30旋挖钻孔灌注桩单桩施工记录工程名称:雨花污水处理厂厂外配套管网及泵站施工工程第一标段施工单位:高岭建设集团股份砼设计强度等级:C30旋挖钻孔灌注桩单桩施工记录工程名称:雨花污水处理厂厂外配套管网及泵站施工工程第一标段施工单位:高岭建设集团股份砼设计强度等级:C30旋挖钻孔灌注桩单桩施工记录工程名称:雨花污水处理厂厂外配套管网及泵站施工工程第一标段施工单位:高岭建设集团股份砼设计强度等级:C30旋挖钻孔灌注桩单桩施工记录工程名称:雨花污水处理厂厂外配套管网及泵站施工工程第一标段施工单位:高岭建设集团股份砼设计强度等级:C30旋挖钻孔灌注桩单桩施工记录工程名称:雨花污水处理厂厂外配套管网及泵站施工工程第一标段施工单位:高岭建设集团股份砼设计强度等级:C30旋挖钻孔灌注桩单桩施工记录工程名称:雨花污水处理厂厂外配套管网及泵站施工工程第一标段施工单位:高岭建设集团股份砼设计强度等级:C30旋挖钻孔灌注桩单桩施工记录工程名称:雨花污水处理厂厂外配套管网及泵站施工工程第一标段施工单位:高岭建设集团股份砼设计强度等级:C30旋挖钻孔灌注桩单桩施工记录工程名称:雨花污水处理厂厂外配套管网及泵站施工工程第一标段施工单位:高岭建设集团股份砼设计强度等级:C30旋挖钻孔灌注桩单桩施工记录工程名称:雨花污水处理厂厂外配套管网及泵站施工工程第一标段施工单位:高岭建设集团股份砼设计强度等级:C30旋挖钻孔灌注桩单桩施工记录工程名称:雨花污水处理厂厂外配套管网及泵站施工工程第一标段施工单位:高岭建设集团股份砼设计强度等级:C30旋挖钻孔灌注桩单桩施工记录工程名称:雨花污水处理厂厂外配套管网及泵站施工工程第一标段施工单位:高岭建设集团股份砼设计强度等级:C30旋挖钻孔灌注桩单桩施工记录工程名称:雨花污水处理厂厂外配套管网及泵站施工工程第一标段施工单位:高岭建设集团股份砼设计强度等级:C30旋挖钻孔灌注桩单桩施工记录工程名称:雨花污水处理厂厂外配套管网及泵站施工工程第一标段施工单位:高岭建设集团股份砼设计强度等级:C30旋挖钻孔灌注桩单桩施工记录工程名称:雨花污水处理厂厂外配套管网及泵站施工工程第一标段施工单位:高岭建设集团股份砼设计强度等级:C30旋挖钻孔灌注桩单桩施工记录工程名称:雨花污水处理厂厂外配套管网及泵站施工工程第一标段施工单位:高岭建设集团股份砼设计强度等级:C30旋挖钻孔灌注桩单桩施工记录工程名称:雨花污水处理厂厂外配套管网及泵站施工工程第一标段施工单位:高岭建设集团股份砼设计强度等级:C30旋挖钻孔灌注桩单桩施工记录工程名称:雨花污水处理厂厂外配套管网及泵站施工工程第一标段施工单位:高岭建设集团股份砼设计强度等级:C30旋挖钻孔灌注桩单桩施工记录工程名称:雨花污水处理厂厂外配套管网及泵站施工工程第一标段施工单位:高岭建设集团股份砼设计强度等级:C30旋挖钻孔灌注桩单桩施工记录工程名称:雨花污水处理厂厂外配套管网及泵站施工工程第一标段施工单位:高岭建设集团股份砼设计强度等级:C30旋挖钻孔灌注桩单桩施工记录工程名称:雨花污水处理厂厂外配套管网及泵站施工工程第一标段施工单位:高岭建设集团股份砼设计强度等级:C30旋挖钻孔灌注桩单桩施工记录工程名称:雨花污水处理厂厂外配套管网及泵站施工工程第一标段施工单位:高岭建设集团股份砼设计强度等级:C30旋挖钻孔灌注桩单桩施工记录工程名称:雨花污水处理厂厂外配套管网及泵站施工工程第一标段施工单位:高岭建设集团股份 砼设计强度等级:C30旋挖钻孔灌注桩单桩施工记录工程名称:雨花污水处理厂厂外配套管网及泵站施工工程第一标段施工单位:高岭建设集团股份砼设计强度等级:C30旋挖钻孔灌注桩单桩施工记录工程名称:雨花污水处理厂厂外配套管网及泵站施工工程第一标段施工单位:高岭建设集团股份砼设计强度等级:C30旋挖钻孔灌注桩单桩施工记录工程名称:雨花污水处理厂厂外配套管网及泵站施工工程第一标段施工单位:高岭建设集团股份砼设计强度等级:C30旋挖钻孔灌注桩单桩施工记录工程名称:雨花污水处理厂厂外配套管网及泵站施工工程第一标段施工单位:高岭建设集团股份砼设计强度等级:C30旋挖钻孔灌注桩单桩施工记录工程名称:雨花污水处理厂厂外配套管网及泵站施工工程第一标段施工单位:高岭建设集团股份砼设计强度等级:C30旋挖钻孔灌注桩单桩施工记录工程名称:雨花污水处理厂厂外配套管网及泵站施工工程第一标段施工单位:高岭建设集团股份砼设计强度等级:C30旋挖钻孔灌注桩单桩施工记录工程名称:雨花污水处理厂厂外配套管网及泵站施工工程第一标段施工单位:高岭建设集团股份砼设计强度等级:C30旋挖钻孔灌注桩单桩施工记录工程名称:雨花污水处理厂厂外配套管网及泵站施工工程第一标段施工单位:高岭建设集团股份砼设计强度等级:C30旋挖钻孔灌注桩单桩施工记录工程名称:雨花污水处理厂厂外配套管网及泵站施工工程第一标段施工单位:高岭建设集团股份砼设计强度等级:C30旋挖钻孔灌注桩单桩施工记录工程名称:雨花污水处理厂厂外配套管网及泵站施工工程第一标段施工单位:高岭建设集团股份砼设计强度等级:C30旋挖钻孔灌注桩单桩施工记录工程名称:雨花污水处理厂厂外配套管网及泵站施工工程第一标段施工单位:高岭建设集团股份砼设计强度等级:C30旋挖钻孔灌注桩单桩施工记录工程名称:雨花污水处理厂厂外配套管网及泵站施工工程第一标段施工单位:高岭建设集团股份砼设计强度等级:C30旋挖钻孔灌注桩单桩施工记录工程名称:雨花污水处理厂厂外配套管网及泵站施工工程第一标段施工单位:高岭建设集团股份砼设计强度等级:C30旋挖钻孔灌注桩单桩施工记录工程名称:雨花污水处理厂厂外配套管网及泵站施工工程第一标段施工单位:高岭建设集团股份砼设计强度等级:C30旋挖钻孔灌注桩单桩施工记录工程名称:雨花污水处理厂厂外配套管网及泵站施工工程第一标段施工单位:高岭建设集团股份砼设计强度等级:C30旋挖钻孔灌注桩单桩施工记录工程名称:雨花污水处理厂厂外配套管网及泵站施工工程第一标段施工单位:高岭建设集团股份砼设计强度等级:C30旋挖钻孔灌注桩单桩施工记录工程名称:雨花污水处理厂厂外配套管网及泵站施工工程第一标段施工单位:高岭建设集团股份砼设计强度等级:C30旋挖钻孔灌注桩单桩施工记录工程名称:雨花污水处理厂厂外配套管网及泵站施工工程第一标段施工单位:高岭建设集团股份砼设计强度等级:C30旋挖钻孔灌注桩单桩施工记录工程名称:雨花污水处理厂厂外配套管网及泵站施工工程第一标段施工单位:高岭建设集团股份砼设计强度等级:C30。
旋挖钻孔灌注桩单桩施工记录工程名称:兴康同和家园3#地下室 施工单位:湖南兴湘建设有限公司 砼设计强度等级:C30 施工序号:桩位编号:4# 施工日期:自2013年12月24日桩尺寸(m )标 高 (m) 桩 径 桩 长 H1 入岩深度 H2 桩入承台深度 桩 顶持力层顶桩 底 设 计 实 测 设 计 实 测 设 计 实 测 设 计 实 测设 计 实 测 设计 实 测 设计 实 测 0.8 0.81≥2222.1 11.10.10.11 81.681.660.659.5钢筋笼长度(m) 主筋直径及根数箍筋直 径及间 距(mm)箍筋加 密长度 (m ) 钢筋连接方法 及外观质量 情况 实测桩 孔体积 (m 3)实际浇注砼量 (m 3) 留置 砼试块 (组)试块试 压强度 (Mpa )22.710 1410@100/200 3.5采用焊接,外观良好12.4 12.8 1桩孔地质结构柱状图:钢筋隐蔽验收:○1长纵筋10 14;○2加劲箍 12@2000,螺旋筋Ф10@100/200施工单位检查记录人: 监理(建设)单位旁站监督人:该桩持力层土质名称及桩端阻力特征值为:强风化泥质粉砂岩,单桩承载力特征值为3200KN 。
该桩桩底进入持力层深度:1.1米 勘察单位勘查人: 施工单位检查评定结果:项目专业技术负责人:项目专业质量检查员: 年 月 日监理(建设)单位验收结论:项目专业监理工程师(建 监理(建设)项目部(章) 设单位项目技术负责人): 年 月 日强风泥质粉桩底标高59.5m 持力层顶标60.6m桩顶标高81.6m湘质监统编 施2002-48 孔口标高87.25m旋挖钻孔灌注桩单桩施工记录工程名称:兴康同和家园3#地下室 施工单位:湖南兴湘建设有限公司 砼设计强度等级:C30施工序号:桩位编号:2#施工日期:自2013年12月25日桩尺寸(m )标 高 (m) 桩 径 桩 长 H1入岩深度 H2桩入承台深度 桩 顶 持力层顶 桩 底 设 计 实 测 设 计 实 测 设 计 实 测 设 计 实 测 设 计 实 测 设计 实 测 设计 实 测 0.80.81≥2223.511.20.10.1181.6 81.659.358.1钢筋笼长度(m) 主筋直径及根数 箍筋直 径及间 距(mm) 箍筋加 密长度 (m ) 钢筋连接方法及外观质量情况 实测桩 孔体积 (m 3)实际浇注砼量 (m 3) 留置 砼试块 (组)试块试 压强度 (Mpa )24.110 1410@100/203.5 采用焊接,外观良好12.8 13.2 1桩孔地质结构柱状图: 钢筋隐蔽验收:○1长纵筋10 14;○2加劲箍 12@2000,螺旋筋Ф10@100/200施工单位检查记录人: 监理(建设)单位旁站监督人:该桩持力层土质名称及桩端阻力特征值为:强风化泥质粉砂岩的极限端阻力标准值为3200KN 。
旋挖钻孔灌注桩单桩施工记录旋挖钻孔灌注桩作为一种常见的基础工程施工技术,在建筑领域发挥着重要作用。
本文将详细记录一单桩施工的全过程,包括施工前的准备、施工中的关键环节以及施工后的质量检测等。
一、工程概况本次施工的旋挖钻孔灌注桩位于_____(具体工程地点),设计桩径为_____米,桩长为_____米,桩身混凝土强度等级为_____。
该桩的主要作用是承担上部结构传来的荷载,确保建筑物的稳定性。
二、施工准备1、场地平整施工前,对桩位所在区域进行场地平整,清除杂物、淤泥等,确保施工机械能够平稳作业。
2、桩位测量放线采用全站仪等测量仪器,根据设计图纸准确放出桩位,并设置好护桩,以便在施工过程中随时复核桩位的准确性。
3、施工机械及材料准备调配性能良好的旋挖钻机、吊车、混凝土搅拌车等施工机械进场,并准备好钢筋、水泥、砂、石等原材料,确保材料质量符合设计要求。
4、护筒埋设根据桩位情况,埋设钢护筒。
护筒直径比桩径大_____厘米,埋深一般为_____米,护筒顶端高出地面_____厘米,以防止地面水流入孔内。
三、施工过程1、钻机就位将旋挖钻机移动至桩位处,调整钻机的水平度和垂直度,使钻头中心与桩位中心重合。
2、钻进成孔启动钻机,钻头在钻杆的带动下旋转钻进。
钻进过程中,根据地质情况控制钻进速度和钻进压力,并及时清理孔内的渣土。
当钻进至设计深度时,停止钻进。
3、清孔成孔后,采用泥浆循环法或抽渣筒进行清孔,清除孔底沉渣,使孔内泥浆的性能指标和孔底沉渣厚度符合设计要求。
4、钢筋笼制作与安装根据设计图纸,在钢筋加工场制作钢筋笼。
钢筋笼主筋采用焊接连接,箍筋与主筋采用绑扎连接。
制作完成后,使用吊车将钢筋笼吊起,缓慢放入孔内,并确保钢筋笼的位置和垂直度符合要求。
5、导管安装选用合适直径的导管,进行水密性试验,合格后安装入孔。
导管底部距孔底的距离一般为_____厘米。
6、二次清孔在混凝土灌注前,再次进行清孔,确保孔底沉渣厚度符合规范要求。
试桩记录
工程名称某某
建设单位某某有限公司
施工单位某某有限公司
监理单位某某有限公司设计单位
设计桩型
勘察单位某某有限公司
旋挖灌注桩
(1000m)
某某有限公司试桩时间年月日试打桩号施工机械
砼强度
等级A-1库8#ZR280A-1
C35水下试打桩情况:
本工程A-1库8#桩,桩径Φ1000,设计桩顶标高-2.4m,绝对标高:67.9 m,孔口标高:69.575 m,于2017年10月24日15:00开钻,钻速为: 5-10 m/h, 10月24日15:50钻至9.7 m进入7层砂土状强风化花岗岩层,入持力层后继续钻进至1.4 m后终孔,终孔深度为11.1 m,进入持力层深度大于设计要求的深度,已满足设计要求。
确定打桩标准:
1、桩基进入持力层,端桩全断面进入持力层大于等于1m,并结合地质勘察报告进行双控;
2、要求孔底清渣厚度不大于30mm,应进行二次清孔,桩身混凝土灌注充盈系数不小于1.15;
3、进尺速度每小时不大于5m,具体还应结合地质的实际情况适当调整。
4、如遇异常情况,及时同设计、勘察单位联系。
施工单位监理单位勘察单位设计单位建设单位。
旋挖灌注桩试桩记录一、试桩的基本信息:1.建设工程名称:2.试桩编号:3.试桩位置:4.桩的直径:5.设计桩长:6.桩基设计承载力要求:7.承载力试验标准:二、试桩施工情况:1.施工日期:2.施工单位及人员名单:3.施工设备及工具清单:4.施工方法和操作顺序:5.桩中使用的灌注混凝土材料:6.灌注混凝土的配比及试块强度:三、桩情况观测:1.桩侧壁土质的观测:a.常规观测方式及结果;b.特殊土质情况的描述;2.钢筋笼的安装情况:a.钢筋笼的数量和直径规格;b.钢筋笼的垂直度和水平度观测结果;3.灌注混凝土的观测:a.灌注混凝土的浆液度测定结果;b.灌注时间及速度;c.阻力观测情况。
四、储备压浆材料:1.压浆材料的品牌和规格;2.压浆材料的储备数量;3.压浆设备的型号和工作情况。
五、试桩的荷载试验:1.荷载试验日期及试验人员名单;2.荷载试验设备和仪器:a.测斜仪的型号、测斜管的安装情况及测斜数据;b.力计的型号和校准情况;c.位移计的型号和测点设置情况;3.荷载施加情况:a.荷载的施加方式和步骤;b.施加荷载的范围、逐级增加的载荷情况;c.荷载施加时的位移、应变和轴力变化情况。
4.荷载试验结果及分析:a.输出试验曲线和荷载-位移关系曲线;b.根据试验结果估算的桩的承载力。
六、试桩记录的总结和结论:1.试桩施工工艺效果的总结;2.试桩的荷载承载情况结论;3.试桩对设计基础的可行性分析;4.建议性意见和提出的更改措施。
以上是一份旋挖灌注桩试桩记录的样本,实际的试桩记录应根据具体的工程要求进行调整和完善,确保记录清晰、详细,并能提供科学的试验分析和结论。
旋挖钻孔灌注桩单桩施工记实之五兆芳芳创作程名称:雨花污水处理厂厂外配套管网及泵站施工工程第一标段施工单位:湖南高岭扶植团体股分程名称:雨花污水处理厂厂外配套管网及泵站施工工程第一标段施工单位:湖南高岭扶植团体股分旋挖钻孔灌注桩单桩施工记实程名称:雨花污水处理厂厂外配套管网及泵站施工工程第一标段施工单位:湖南高岭扶植团体股分旋挖钻孔灌注桩单桩施工记实(B型桩)程名称:雨花污水处理厂厂外配套管网及泵站施工工程第一标段施工单位:湖南高岭扶植团体股分公司砼设计强度等级:C30旋挖钻孔灌注桩单桩施工记实(B型桩)程名称:雨花污水处理厂厂外配套管网及泵站施工工程第一标段施工单位:湖南高岭扶植团体股分旋挖钻孔灌注桩单桩施工记实程名称:雨花污水处理厂厂外配套管网及泵站施工工程第一标段施工单位:湖南高岭扶植团体股分旋挖钻孔灌注桩单桩施工记实(B型桩)程名称:雨花污水处理厂厂外配套管网及泵站施工工程第一标段施工单位:湖南高岭扶植团体股分旋挖钻孔灌注桩单桩施工记实程名称:雨花污水处理厂厂外配套管网及泵站施工工程第一标段施工单位:湖南高岭扶植团体股分旋挖钻孔灌注桩单桩施工记实(B型桩)程名称:雨花污水处理厂厂外配套管网及泵站施工工程第一标段施工单位:湖南高岭扶植团体股分旋挖钻孔灌注桩单桩施工记实程名称:雨花污水处理厂厂外配套管网及泵站施工工程第一标段施工单位:湖南高岭扶植团体股分旋挖钻孔灌注桩单桩施工记实(B型桩)程名称:雨花污水处理厂厂外配套管网及泵站施工工程第一标段施工单位:湖南高岭扶植团体股分旋挖钻孔灌注桩单桩施工记实程名称:雨花污水处理厂厂外配套管网及泵站施工工程第一标段施工单位:湖南高岭扶植团体股分公司砼设计强度等级:C30旋挖钻孔灌注桩单桩施工记实程名称:雨花污水处理厂厂外配套管网及泵站施工工程第一标段施工单位:湖南高岭扶植团体股分旋挖钻孔灌注桩单桩施工记实(B型桩)程名称:雨花污水处理厂厂外配套管网及泵站施工工程第一标段施工单位:湖南高岭扶植团体股分旋挖钻孔灌注桩单桩施工记实程名称:雨花污水处理厂厂外配套管网及泵站施工工程第一标段施工单位:湖南高岭扶植团体股分公司砼设计强度等级:C30旋挖钻孔灌注桩单桩施工记实程名称:雨花污水处理厂厂外配套管网及泵站施工工程第一标段施工单位:湖南高岭扶植团体股分公司砼设计强度等级:C30旋挖钻孔灌注桩单桩施工记实(B型桩)程名称:雨花污水处理厂厂外配套管网及泵站施工工程第一标段施工单位:湖南高岭扶植团体股分旋挖钻孔灌注桩单桩施工记实程名称:雨花污水处理厂厂外配套管网及泵站施工工程第一标段施工单位:湖南高岭扶植团体股分程名称:雨花污水处理厂厂外配套管网及泵站施工工程第一标段施工单位:湖南高岭扶植团体股分旋挖钻孔灌注桩单桩施工记实程名称:雨花污水处理厂厂外配套管网及泵站施工工程第一标段施工单位:湖南高岭扶植团体股分程名称:雨花污水处理厂厂外配套管网及泵站施工工程第一标段施工单位:湖南高岭扶植团体股分旋挖钻孔灌注桩单桩施工记实桩配筋详图程名称:雨花污水处理厂厂外配套管网及泵站施工工程第一标段施工单位:湖南高岭扶植团体股分Array程名称:雨花污水处理厂厂外配套管网及泵站施工工程第一标段施工单位:湖南高岭扶植团体股分公司砼设计强度等级:C30程名称:雨花污水处理厂厂外配套管网及泵站施工工程第一标段施工单位:湖南高岭扶植团体股分旋挖钻孔灌注桩单桩施工记实程名称:雨花污水处理厂厂外配套管网及泵站施工工程第一标段施工单位:湖南高岭扶植团体股分程名称:雨花污水处理厂厂外配套管网及泵站施工工程第一标段施工单位:湖南高岭扶植团体股分公司砼设计强度等级:C30。
混凝土灌注桩试桩记录
日期:[填写试桩日期]
试桩地点:[填写试桩地点]
试桩人员:[填写试桩人员]
试桩目的
本试桩记录旨在记录混凝土灌注桩试验的过程和结果,以评估
试桩的质量和可行性。
试桩参数
- 灌注桩直径:[填写灌注桩直径]
- 灌注桩长度:[填写灌注桩长度]
- 灌注桩设计荷载:[填写灌注桩设计荷载]
试桩过程
1. 准备工作:清理试桩区域,确保周边无障碍物。
2. 钻孔:使用钻机按设计要求进行钻孔,钻至指定深度。
3. 土样获取:在钻孔完成后,按要求获取土样进行实验室分析。
4. 灌注混凝土:在钻孔完成并经过检查确认后,开始灌注混凝土。
5. 桩身确认:测量灌注桩的直径和长度,并与设计要求进行比对。
6. 静载试验:根据需要进行静载试验,记录试验结果。
试桩结果
根据试桩过程和相关数据分析,得出以下结论:
- 混凝土灌注桩的直径和长度符合设计要求。
- 土样分析结果显示桩周围土体具有良好的承载力和稳定性。
- 静载试验结果证明灌注桩能够承受设计荷载。
结论
经过本次试桩评估,认为混凝土灌注桩质量良好,符合设计要求,可继续进行后续施工工作。
以上为混凝土灌注桩试桩记录,供参考。