数学建模 学校选址问题模型
- 格式:doc
- 大小:445.50 KB
- 文档页数:8
出版社销售代理点的选择模型摘要:本文主要是为了解决出版社准备在某市建立两个销售代理点,向七个区的大学生售书,知道每个区的大学生人数(千人)和每个区的位置关系,如图一,每个销售代理点只能向本区和一个相邻区的大学生售书,建立模型确定销售代理点的位置,使得能供应的大学生的数量最大。
我们建立了一个整数线性规划模型,确定决策变量:12x ,13x ,23x ,24x ,34x ,25x ,45x ,46x ,47x ,56x ,67x ,ij x 1=表示(i ,j )区的大学生由一个销售代理点供应,否则0ij x =,写出目标函数,确定约束条件。
用lindo 软件求解,的到的最优解:max 177=, 251x =,471x =。
对图一得各区进行标号,见图二,说明2和5区的大学生由一个销售代理点供应,4和7区的大学生由一个销售代理点供应,该出版社能供应的大学生的最大数量为177千人。
此整数线性规划模型在地区小的范围和销售代理点少的情况小无疑是一个很好的模型,但要在比较大的市场上来选在较多的代理点的话还得考虑其他更好的方案。
关键字:整数线性规划模型 lindo 软件1 问题重述随着现在社会的进步,人民生活水平的提高,市场的公司也是越做越大,销售代理点也是越来越多,而且是做到更小的区域了,以满足更多人的需要,这就要求我们在选择销售代理点的时候,需要考虑的情况也越来越多,在满足更多人方便的时候也得为公司赚取更多的资金。
本文需要解决的题目:一家出版社准备在某市建立两个销售代理点,向七个区的大学生售书,每个区的大学生(单位:千人)已经表示在图上,如图一。
每个销售代理点只能向本区和一个相邻区的大学生售书,这两个销售代理点应该建在何处,才能使所能供应的大学生的数量最大。
2 模型假设及符号说明对七个区分别进行标号,如图二,图中的人数和标号是对应的。
(1)i ,j 表示区,i ,j 1,2,3,4,5,6,7=; (2)i y 表示第i 区大学生的人数;(3)ij x 1=表示(i ,j )区的大学生由一个销售代理点供应,i j <且它们在地图上相邻。
数学建模(学校选址问题)选址问题背景现如今,教育普及,学校的建设问题也就成为了一个需要考虑的问题。
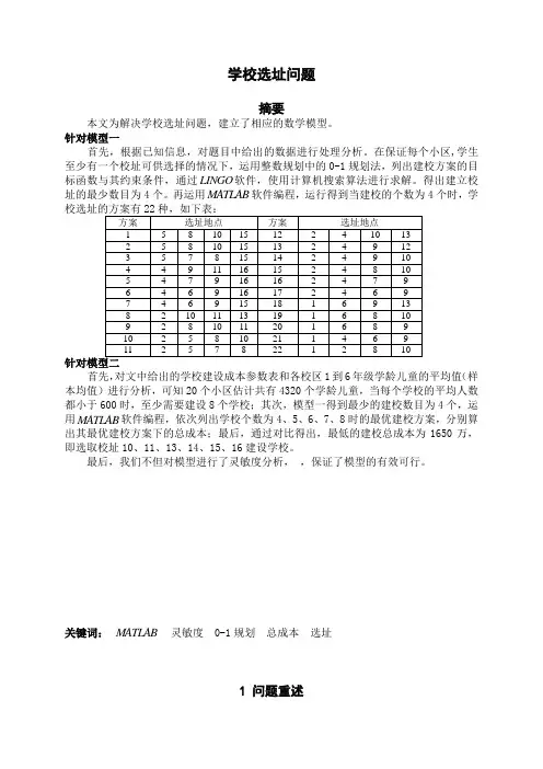
现在,某地新开发的20个小区需要建设配套的小学,设备选的校址共有16个,各校址覆盖的小区情况如下表所示:现在要用最少的校区,包含全部的小区,这问题关系到土地问题,应此,先建立以下模型。
本模型先建立矩阵,由于一个小区只需在一个校址内即可,所以再编程求解出所选校址。
模型假设一、假设校区可以建得很大,也可以建的很小,不影响其他校区的建立。
二、假设任意小区到可选择的任意校区都一样,距离不考虑。
模型建立建立矩阵,行表示备选校址,列表示小区号。
若某校址能覆盖某小区,则在矩阵的相应位置上添“1”,否则添“0”,为了使矩阵成为方阵,故在矩阵的行最后添加四行全为“0”的行。
最终,建立了一下矩阵:A=[1 1 1 1 0 1 0 0 0 0 0 0 0 0 0 0 0 0 0 00 1 1 0 1 0 0 1 0 0 1 0 0 0 0 0 0 0 0 11 0 0 1 0 0 1 1 1 0 1 0 1 1 0 0 0 0 0 00 0 0 0 1 0 0 1 1 1 1 0 0 0 0 1 0 0 0 10 0 0 0 0 0 0 0 0 1 1 0 0 0 1 1 0 0 1 10 0 0 0 0 1 1 0 0 0 0 1 1 0 0 0 1 1 0 00 0 0 0 0 0 1 0 1 0 0 0 1 1 1 0 1 1 1 00 0 0 0 0 0 0 0 1 1 0 0 0 1 1 1 0 1 1 01 1 0 1 0 1 1 0 0 0 0 0 0 0 0 0 0 0 0 00 0 0 0 1 0 0 0 0 1 1 0 0 0 0 1 0 0 0 10 0 0 0 0 0 0 0 0 0 0 1 1 1 0 0 1 1 0 00 0 0 0 0 0 0 0 1 1 0 0 0 1 1 0 0 0 0 00 1 1 0 1 0 0 0 0 0 1 0 0 0 0 0 0 0 0 10 1 1 1 1 0 0 1 0 0 0 0 0 0 0 0 0 0 0 00 0 0 0 0 0 0 0 0 0 0 0 0 0 0 0 0 0 0 00 0 0 0 0 0 0 0 0 0 0 0 0 0 0 0 0 0 0 00 0 0 0 0 0 0 0 0 0 0 0 0 0 0 0 0 0 0 00 0 0 0 0 0 0 0 0 0 0 0 0 0 0 0 0 0 0 0]模型求解对于以上方阵,可先将它与一个20行1列的矩阵B=[1;1;1;1;1;1;1;1;1;1;1;1;1;1;1;1;1;1;1;1]相乘,所得的结果就是各个小区所覆盖的小区数。
长沙学院数学建模课程设计说明书题目选址问题系(部) 数学与计算机科学专业(班级) 数学与应用数学姓名学号指导教师起止日期 2015、6、1——2015、6、5课程设计任务书课程名称:数学建模课程设计设计题目:选址问题已知技术参数和设计要求:选址问题(难度系数1.0)已知某地区的交通网络如下图所示,其中点代表居民小区,边代表公路,边上的数字为小区间公路距离(单位:千米),各个小区的人数如下表所示,问区中心医院应建在哪个小区,可使离医院最远的小区居民人均就诊时所走的路程最近?各阶段具体要求:1.利用已学数学方法和计算机知识进行数学建模。
2.必须熟悉设计的各项内容和要求,明确课程设计的目的、方法和步骤。
3.设计中必须努力认真,独立地按质按量地完成每一阶段的设计任务。
4.设计中绝对禁止抄袭他人的设计成果。
5.每人在设计中必须遵守各组规定的统一设计时间及有关纪律。
6.所设计的程序必须满足实际使用要求,编译出可执行的程序。
7.要求程序结构简单,功能齐全,使用方便。
设计工作量:论文:要求撰写不少于3000个文字的文档,详细说明具体要求。
1v 5工作计划:提前一周:分组、选题;明确需求分析、组内分工;第一天:与指导老师讨论,确定需求、分工,并开始设计;第二~四天:建立模型并求解;第五天:完成设计说明书,答辩;第六天:针对答辩意见修改设计说明书,打印、上交。
注意事项⏹提交文档➢长沙学院课程设计任务书(每学生1份)➢长沙学院课程设计论文(每学生1份)➢长沙学院课程设计鉴定表(每学生1份)指导教师签名:日期:教研室主任签名:日期:系主任签名:日期:长沙学院课程设计鉴定表目录第一章课程设计的目的、任务及要求 (2)1.1 目的 (2)1.2 主要任务 (2)1.3 要求 (2)摘要 (3)第二章问题重述 (4)2.1 问题背景 (4)2.2 问题重述 (4)第三章问题分析 (5)第四章假设与符号约定 (6)4.1 模型假设 (6)4.2符号说明 (6)第五章模型的建立与求解 (7)5.1.选定中心点 (7)5.1.1 模型一 (7)5.1.2 模型二 (7)5.2 题目引申 (9)第六章模型的结果分析与检验 (10)6.1 结果分析 (10)6.2 模型检验 (10)6.3 模型优缺点 (12)结论 (13)参考文献 (14)结束语 (15)附录 (16)第一章课程设计的目的、任务及要求1.1 目的1、巩固《数学建模》课程基本知识,培养运用《数学建模》理论知识和技能分析解决实际应用问题的能力;2、初步掌握数学建模的基本流程,培养科学务实的作风和团体协作精神;3、培养调查研究、查阅技术文献、资料、手册以及撰写科技论文的能力。
数学建模作业5数学规划模型----供应与选址的问题数学建模作业5数学规划模型----供应与选址的问题一、问题提出某公司有6个建筑工地要开工,每个工地的位置(用平面坐标系(a,b)表示,距离单位:km)及水泥日用量d(吨)由下表给出。
目前有两个料场位于A(5,1),B(2,7),日储量各有20吨。
工地位置(a,b)及水泥日用量d1 2 3456a 1.25 8.75 0.5 5.75 3 7.25b 1.25 0.75 4.75 5 6.5 7.75d 3 5 4 7 6 11(1)试制定每天的供应计划,即从A,B两料场分别向各工地运送多少水泥,可使运输费用(总的吨千米数)最小,并求出吨千米数。
( 注:先画图,在坐标上标出各工地位置(用蓝色*标示)和料场位置(用红色o标示))(2)目前公司准备建立两个新的料场,日储量各为20吨,为使运输费用最省,问新的料场应建在何处,并算出两料场分别向工地运输多少吨水泥和费用。
(注:初始值取x0=[3 5 4 7 1 0 0 0 0 0 5 11 5 4 7 7]’)二、问题分析对于问题(1),确定用A,B两料场分别向各工地运送水泥,使运输费用(总的吨千米数)最小,即要知道两点间线段最小,料场到工地的路线是直的,而要满足六个工地的需求,又要考虑到A、B两个料场的供应量,即在各工地用量必须满足和各料场运送量不超过日储量的条件下,使总的吨千米数最小,这是线性问题。
对于问题(2),需要重新改建六个新的料场,使得在在各工地用量必须满足和各料场运送量不超过日储量的条件下,使总的吨千米数最小,则需要确定新的料场的具体位置,这是非线性问题。
三、模型假设1、假设料场和建筑工地之间都可以由直线到达;2、运输费用由“吨千米数”来衡量;3、两料场的日存储量够向各建筑工地供应;4、运输途中不发生意外,从料场运出的水泥总量不会超过各个料场的日存储量。
四、模型建立(显示模型函数的构造过程)记工地的位置为(,)i i a b ,水泥日用量为i d ,i =1,…,6;料场位置为(,)j j x y ,日储量为j e ,j=1,2;料场j 向工地i 的运送量为ij X 。
学校选址问题摘要本文为解决学校选址问题,建立了相应的数学模型。
针对模型一首先,根据已知信息,对题目中给出的数据进行处理分析。
在保证每个小区,学生至少有一个校址可供选择的情况下,运用整数规划中的0-1规划法,列出建校方案的目标函数与其约束条件,通过LINGO软件,使用计算机搜索算法进行求解。
得出建立校址的最少数目为4个。
再运用MATLAB软件编程,运行得到当建校的个数为4个时,学首先,对文中给出的学校建设成本参数表和各校区1到6年级学龄儿童的平均值(样本均值)进行分析,可知20个小区估计共有4320个学龄儿童,当每个学校的平均人数都小于600时,至少需要建设8个学校;其次,模型一得到最少的建校数目为4个,运用MATLAB软件编程,依次列出学校个数为4、5、6、7、8时的最优建校方案,分别算出其最优建校方案下的总成本;最后,通过对比得出,最低的建校总成本为1650万,即选取校址10、11、13、14、15、16建设学校。
最后,我们不但对模型进行了灵敏度分析,,保证了模型的有效可行。
关键词:MATLAB灵敏度 0-1规划总成本选址1 问题重述当代教育的普及,使得学校的建设已成为不得不认真考虑的问题。
1.1已知信息1、某地新开发的20个小区需要建设配套的小学,备选的校址共有16个,各校址覆盖的小区情况如表1所示:2、在问题二中,每建一所小学的成本由固定成本和规模成本两部分组成,固定成本由学校所在地域以及基本规模学校基础设施成本构成,规模成本指学校规模超过基本规模时额外的建设成本,它与该学校学生数有关,同时与学校所处地域有关。
设第i 个备选校址的建校成本i c 可表示为(单元:元)学生人数)600-(50100200010⎩⎨⎧⨯⨯⨯+=i i i c βα,若学生人数超过600人,其中i α和i β由表2给出:并且考虑到每一小区的学龄儿童数会随住户的迁移和时间发生变化,当前的精确数据并不能作为我们确定学校规模的唯一标准,于是我们根据小区规模大小用统计方法给出每个小区的学龄儿童数的估计值,见表3:1.2提出问题1、要求建立数学模型并利用数学软件求解出学校个数最少的建校方案。
摘要目前,社区的优化管理和最佳服务已经成为一种趋势,并且为城市的发展作出了一定的贡献。
本文针对在社区中选址问题及巡视路线问题,分别建立了多目标决策模型、约束最优化线路模型,并分别提供了选址社区和巡视路线。
对于问题一,我们建立了单目标优化模型,考虑到各社区居民到收费站点的平均距离最小,我们使用floyd 算法并通过matlab 编程,算出任意两个社区之间的最短路径,并以此作为工具,使用0-1变量列出了目标函数。
在本题中,我们根据收费站数、超额覆盖等确定了约束条件,以保证收费站覆盖每个社区,同时保证居民与最近煤气站之间的平均距离最小,最终利用lingo 软件求得收费站建在M、Q、W三个社区。
对于问题二,同样是单目标优化模型,较之问题一不同的是,问题二不需要考虑人口问题,但需要确定选址的个数。
接下来的工作分了两步,第一步,我们通过0-1变量列出目标函数,以超额覆盖等确定约束条件,用lingo 软件编程求出最小派出所站点的个数;第二步,我们利用第一步中求出的派出所个数作为新的约束条件,建立使总距离最小的优化模型,最终利用lingo 软件求得三个派出所分别建在W、Q、K社区。
对于问题三,我们建立了约束最优化线路模型,根据floyd 算法求得的任意两个社区之间的最短路径,建立了以w 点为树根的最短路径生成树,并据此对各点的集中区域进行划分,再利用破圈法得到最短回路。
在本题中,我们初定了两种方案,并引入均衡度α对两种方案进行比较,最终采用了方案二。
最后,我们用matlab编程求解方案二中各组的巡视路线为113百米,123百米,117百米,均衡度α=8.13%。
具体路线见关键词:最短路径hamilton圈最优化floyd算法在社区中缴费站的选址对于居民快速缴费和充分的利用公共设施的资源有很重要的指导意义。
某城市共有24个社区,各社区的人口(单位:千人)如下:(注:横线上的数据表示相邻社区之间的距离,单位:百米)本题要解决的问题如下:(1)方便社区居民缴纳煤气费,煤气公司现拟建三个煤气缴费站,问煤气缴费站为了怎样选址才能使得居民与最近煤气站之间的平均距离最小。
学校选址问题摘 要本文针对某地新开发的20个小区建设配套小学问题建立了0-1规划模型和优化模型。
为问题一和问题二的求解,提供了理论依据。
模型一:首先:根据目标要求,要建立最少学校的方案列出了目标函数:∑==161i i x s然后:根据每个小区至少能被一所学校所覆盖,列出了20个约束条件;最后:由列出的目标函数和约束函数,用matlab 进行编程求解,从而得到,在每个小区至少被一所学校所覆盖时,建立学校最少的个数是四所,并且一共有22种方案。
模型二:首先:从建校个数最少开始考虑建校总费用,在整个费用里面,主要是固定费用,由此在问题一以求解的条件下,进行初步筛选,得到方案1,4,8的固定成本最少。
然后:在初步得出成本费用最少时,对每个这三个方案进一步的求解,求出这三个方案的具体的总费用,并记下这三套方案中的最小费用。
其次:对这三套方案进行调整,调整的原则是:在保证每个小区有学校覆盖的条件下,用多个固定成本费用低的备选校址替换固定成本费用高的备选校址。
在替换后,进行具体求解。
再次:比较各种方案的计算结果,从而的出了如下结论: 选用10,11,13,15,16号备选校址的选址方案,花费最少,最少花费为13378000元。
最后:对该模型做了灵敏度分析,模型的评价和推广。
关键字:最少建校个数 最小花费 固定成本 规模成本 灵敏度分析1. 问题重述1.1问题背景:某地新开发的20个小区内需要建设配套的小学,以方便小区内居民的的孩子上学。
但是为了节省开支,建造的学校要求尽量的少,为此,设备选定的16个校址提供参考,各校址覆盖的小区情况如表1所示:表1-1备选校址表备选校址1 2 345 6 7 8 覆盖小区1,2,3, 4,6 2,3,5,8, 11,20 3,5,11,201,4,6,7,12 1,4,7,8,9,11,13, 14 5,8,9,10 11,16,20 10,11,1516,19, 20 6,7,12, 13,17, 18 备选校址9 10 11 12 13 14 15 16覆盖小区 7,9,13, 14,15, 17,18, 199,10,14,15,16, 18,191,2,4,6, 75,10,11, 16,20,12,13,14,17, 189,10,14, 152,3,,5, 11,202,3,4,5,81.2 问题提出:问题一、求学校个数最少的建校方案,并用数学软件求解(说明你所使用的软件并写出输入指令)。
选址问题数学模型摘要:本题是用算法和代数相结合来进行数学模型,来解决1.高中应该建立在哪个乡镇上,才能够使得最远的乡镇的学生上学最近;2.应该建立在哪个乡镇上,使学生往返学校的平均距离最短。
通过对原型进行初步分析,分清各个要素及求解目标,理出它们之间的联系.在用算法模型描述研究对象时,为了突出与求解目标息息相关的要素,降低思考的复杂度。
对客观事物进行抽象、化简,并用矩阵描述事物特征及内在联系的过程.建立代数模型是为了简化问题,突出要点,以便更深入地研究问题。
针对问题1:我们要通过建立矩阵模型,分别求出高中建立在每一个乡镇,此时到该高中的最远乡镇,然后将这些最远的乡镇相互比较,得出就近的。
这个问题也就解决了。
针对问题2:这个问题和第一个问题类似的处理手法,都是分别将数据列出来,然后进行比较。
也是要先分别求出高中建立在每一个乡镇上,此时学生往返学校的平均值,然后再将这25组数据进行比较,得出其中平均距离最短的一组。
确定高中应该建立在哪个乡镇上。
关键词:最远最近平均距离最短矩阵 max min1.问题的重述1.1问题的背景某行政区有25个乡镇,每个乡镇的具体位置(用平面坐标系x,y表示)及高中生人数t,如表1,假设乡镇之间均有直线道路相连,现在一个乡镇上建立一所高中,然后我要要开始选址了。
1.2问题的提出1.高中应该建立在哪个乡镇上,才能够使得最远的乡镇的学生上学最近;2.高中应该建立在哪个乡镇上,使学生往返学校的平均距离最短。
附有表格(便于表格的完整性,放到了下一页)表1:各乡镇的位置及高中生人数2.模型假设(1)各个乡镇之间的路都是一样的,没有难行和不好行的区别(2)各个乡镇之间的交通设置都是一样的(3)各个乡镇之间不受地形等天然因素的影响3.符号说明X:乡镇距离x轴的距离;y:乡镇距离y轴的距离;t:每个乡高中生的人数;max(d):距离高中最远乡镇的数据;min(max(d)):最远数据中的最近乡镇;sum(t):平均到高中的距离;min(a):平均距离当中的最小值。
本科14组 许泽东,邹志翔,陈佳成选址问题及最佳巡视路线的数学模型摘 要本文解决的问题是缴费站、派出所选址和最佳巡视路线的确定。
合理设置缴费站,可以为居民缴费节省大量时间和精力。
派出所位置和数量的不同选择,会产生不同的建设成本和管理经费。
而最佳巡视路线的确立,可以让领导在最短时间内巡视完所有社区。
为解决以上问题,我们建立的三个最优化模型。
针对问题一,我们先用floyd 算法求出各社区间的最短路,然后用计算机枚举出所有选址方案。
对每一种选址方案都会产生一个平均距离S ,我们以此为指标对方案进行评估。
经过合理化推导,我们得出最优解11712S .=(百米),且此时应该在M,Q,W 三社区设置煤气缴费站。
针对问题二,我们在问题一求出的最短路基础上,建立了0-1线性规划模型。
然后借助matlab 软件求得最优解3=X (即应该设置3个派出所),并给出了各派出所管辖范围。
这样既满足了每个社区在3分钟内至少能得到一个派出所服务,也为派出所的建设管理节省了不少成本。
具体结果如下表3:构建了社区网络的完全图,然后考虑到最优哈密顿圈的求解极其困难,我们连续使用30次模拟退火的方法求得连接各社区的近似最优哈密顿圈。
其中,我们对每次求出的哈密顿圈都进行了合理划分,产生了三个子圈,即三组巡视路线。
最终得到近似最优解128,见表4。
接着,我们还对哈密顿圈划分方法进行了改进,求得近似最优解125(具体结果见表5)。
1.问题重述问题背景 社区已是现代都市的的基础,随着城市社会经济的飞速发展,社区与人们生活的联系越来越密切,人们需要在社区解决日常生活涉及的各种利益和需要,因而人们对社区社会生活服务提出更高的要求,而政府也希望能够更好的指导和管理城市社区,社区生活服务建设以及安全保障等问题便由此而生。
据某项调查显示,我国七成以上的家庭表示需要更多更好的社会化社区服务,其范围涉及食、住、行、工、学、医、娱、境、安等居民生活的各个方面。
选址问题数学模型选址问题数学模型摘要本题是用图论与算法结合的数学模型,来解决居民各社区生活中存在三个的问题:合理的建立3个煤气缴费站的问题;如何建立合理的派出所;市领导人巡视路线最佳安排方案的问题。
通过对原型进行初步分析,分清各个要素及求解目标,理出它们之间的联系.在用图论模型描述研究对象时,为了突出与求解目标息息相关的要素,降低思考的复杂度。
对客观事物进行抽象、化简,并用图来描述事物特征及内在联系的过程.建立图论模型是为了简化问题,突出要点,以便更深入地研究问题针对问题1:0-1规划的穷举法模型。
该模型首先采用改善的Floyd-Warshall算法计算出城市间最短路径矩阵见附录表一;然后,用0-1规划的穷举法获得模型目标函数的最优解,其煤气缴费站设置点分别在Q、W、M社区,各社区居民缴费区域见表7-1,居民与最近的缴费点之间平均距离的最小值11.7118百米。
针对问题2:为避免资源的浪费,且满足条件,建立了以最少分组数为目标函数的单目标最优化模型,用问题一中最短路径的Floyd算法,运用LINGO软件编程计算,得到个社区之间的最短距离,再经过计算可得到本问的派出所管辖范围是2.5千米。
最后采用就近归组的搜索方法,逐步优化,最终得到最少需要设置3个派出所,其所在位置有三种方案,分别是:(1)K区,W区,D区;(2)K区,W区,R区;(3)K区,W区,Q区。
最后根据效率和公平性和工作负荷考虑考虑,其第三种方案为最佳方案,故选择K区,W区,Q区,其各自管辖区域路线图如图8-1。
针对问题3:建立了双目标最优化模型。
首先将问题三转化为三个售货员的最佳旅行售货员问题,得到以总路程最短和路程均衡度最小的目标函数,采用最短路径Floyd算法,并用MATLAB和LINGO软件编程计算,得到最优树图,然后按每块近似有相等总路程的标准将最优树分成三块,最后根据最小环路定理,得到三组巡视路程分别为11.8 、11 和12.5 ,三组巡视的总路程达到35.3 ,路程均衡度为12%,具体巡视路线安排见表9-1和图9.2 。
建模方法实现学校选址(1)启动ArcMap,选择<地图处理>的<模型构建器>(2)在模型构建器的工作区内右键单击,选择<创建变量>,在弹出的创建变量对话框里选择<栅格数据集>,点击确定(3)打开ArcToolbox,选择Spatial Analyst工具下的<表面分析><坡度>,将坡度工具拖至模型构建器的工作区内,点击连接按钮,将“栅格数据集”和“坡度”连接起来,选择输入栅格。
(4)右键单击栅格数据集,选择打开,将DEM数据添加进去,点击运行按钮(5)同样将Spatial Analyst工具下的重分类工具拖至模型构建器里,点击链接将输出栅格和重分类连接起来,然后点击运行按钮。
然后右键单击重分类,选择打开,在弹出的重分类对话框里,点击分类按钮,弹出分类对话框,将数据等间距分成10类,点击确定,然后再对新值取反,点击确定按钮。
点击运行按钮(6)创建要素集变量,右键单击选择打开,将rec_sites数据添加进去,选择Spatial Analyst工具下的距离工具箱里的欧式距离工具,将其拖至模型构建器里,将EucDist_rec_1和重分类连接,然后按照步骤(5)里的步骤设置重分类点击运行按钮(7)同第六步,构建模型,使用的数据位school(8)创建栅格要素集变量,添加landuse数据,将重分类工具拖至模型构建器里,连接landuse数据和重分类,运行。
(9)右键单击重分类,选择打开,设置重分类,期间要将water grass 和wetland三个数据删除,同时要将新值取反,将“将却失的值改为NoData”前的多选框选中,点击确定点击运行(10)将Spatial Analyst工具下的地图代数工具箱里的栅格计算器工具拖至模型构建器里,然后将最后输出的四个数据分别于栅格计算器连接起来,连接时选择前提条件(11)右键单击栅格计算器,选择打开,弹出栅格计算器对话框在栅格计算器里构建公式:"%Reclass_Slop3%" * 0.125 + "%Reclass_EucD1%" * 0.5 + "%Reclass_EucD2%" * 0.25 +"%Reclass_land1%" * 0.125,然后点击确定(12)(12再将栅格计算器拖至模型构建器里,步骤重复(11)构建的公式为:"%raster10%" > 8,然后分别右键单击“dem,rec_sites,school,lanuse,suit”选择模型参数。
数学建模选址优化方案1. 引言地理选址是许多实际问题中的重要决策过程。
在商业领域,正确选择一个合适的位置可以大大提高企业的竞争优势。
数学建模在选址优化方案中扮演着重要的角色,它可以帮助决策者定量地分析和评估不同选址方案的优劣。
本文将介绍一种数学建模方法,帮助选址决策者优化商业场所的选址。
2. 问题描述假设我们有一个区域,我们希望在这个区域内选择一个或多个位置来建立商业场所。
我们需要考虑以下因素:1.附近的人口数量和分布2.预计的市场需求3.竞争对手的位置和规模4.建筑和土地成本5.交通便利性6.其他相关的因素我们的目标是最大化商业场所的利润,并最小化建立和运营成本。
同时,我们也希望选择的位置能够满足市场的需求,并具备长期发展潜力。
3. 模型建立3.1. 地理数据分析首先,我们需要获取相关的地理数据。
这些数据可以包括人口统计数据、交通数据、竞争对手的位置等。
我们可以使用地理信息系统(Geographical Information System,GIS)来处理和分析这些数据。
GIS可以帮助我们可视化数据,并进行地理数据分析。
3.2. 人口与市场需求模型人口数量和市场需求是影响商业场所成功与否的重要因素。
我们可以使用数学模型来分析人口数量和市场需求之间的关系,并预测未来的市场需求。
一种常见的模型是使用人口分布数据和经济指标来拟合人口与市场需求之间的函数关系。
例如,我们可以使用线性回归模型:需求量 = a * 人口数量 + b * 经济指标其中,a和b为模型的参数,通过拟合可得到。
在预测未来的市场需求时,我们可以使用这个模型来对不同选址方案下的市场需求进行预测。
3.3. 竞争对手分析模型竞争对手的位置和规模对商业场所的成功与否也有重要影响。
我们可以使用数学模型来分析竞争对手之间的关系,并找到最佳的选址方案。
一种常见的模型是使用距离和竞争对手规模之间的函数关系来评估竞争对手的影响。
例如,我们可以使用指数函数:竞争对手影响 = e^(-c * 距离) * 竞争对手规模其中,c为模型的参数,通过数据分析和拟合可得到。
数学建模选址问题 HEN system office room 【HEN16H-HENS2AHENS8Q8-HENH1688】选址问题摘要目前,社区的优化管理和最佳服务已经成为一种趋势,并且为城市的发展作出了一定的贡献。
本文针对在社区中选址问题及巡视路线问题,分别建立了多目标决策模型、约束最优化线路模型,并分别提供了选址社区和巡视路线。
对于问题一,我们建立了单目标优化模型,考虑到各社区居民到收费站点的平均距离最小,我们使用floyd 算法并通过matlab 编程,算出任意两个社区之间的最短路径,并以此作为工具,使用0-1变量列出了目标函数。
在本题中,我们根据收费站数、超额覆盖等确定了约束条件,以保证收费站覆盖每个社区,同时保证居民与最近煤气站之间的平均距离最小,最终利用lingo 软件求得收费站建在M、Q、W三个社区。
对于问题二,同样是单目标优化模型,较之问题一不同的是,问题二不需要考虑人口问题,但需要确定选址的个数。
接下来的工作分了两步,第一步,我们通过0-1变量列出目标函数,以超额覆盖等确定约束条件,用lingo 软件编程求出最小派出所站点的个数;第二步,我们利用第一步中求出的派出所个数作为新的约束条件,建立使总距离最小的优化模型,最终利用lingo 软件求得三个派出所分别建在W、Q、K社区。
对于问题三,我们建立了约束最优化线路模型,根据floyd 算法求得的任意两个社区之间的最短路径,建立了以w 点为树根的最短路径生成树,并据此对各点的集中区域进行划分,再利用破圈法得到最短回路。
在本题中,我们初定了两种方案,并引入均衡度α对两种方案进行比较,最终采用了方案二。
最后,我们用matlab编程求解方案二中各组的巡视路线为113百米,123百米,117百米,均衡度α=%。
具体路线见关键词:最短路径 hamilton圈最优化 floyd算法1问题重述在社区中缴费站的选址对于居民快速缴费和充分的利用公共设施的资源有很重要的指导意义。
学校选址问题摘要本文针对某地新开发的20个小区建设配套小学问题建立了0-1规划模型和优化模型。
为问题一和问题二的求解,提供了理论依据。
模型一:首先:根据目标要求,要建立最少学校的方案列出了目标函数:然后:根据每个小区至少能被一所学校所覆盖,列出了20个约束条件;最后:由列出的目标函数和约束函数,用matlab进行编程求解,从而得到,在每个小区至少被一所学校所覆盖时,建立学校最少的个数是四所,并且一共有22种方案。
模型二:首先:从建校个数最少开始考虑建校总费用,在整个费用里面,主要是固定费用,由此在问题一以求解的条件下,进行初步筛选,得到方案1,4,8的固定成本最少。
然后:在初步得出成本费用最少时,对每个这三个方案进一步的求解,求出这三个方案的具体的总费用,并记下这三套方案中的最小费用。
其次:对这三套方案进行调整,调整的原则是:在保证每个小区有学校覆盖的条件下,用多个固定成本费用低的备选校址替换固定成本费用高的备选校址。
在替换后,进行具体求解。
再次:比较各种方案的计算结果,从而的出了如下结论:选用10,11,13,15,16号备选校址的选址方案,花费最少,最少花费为13378000元。
最后:对该模型做了灵敏度分析,模型的评价和推广。
关键字:最少建校个数最小花费固定成本规模成本灵敏度分析1.问题重述1.1问题背景:某地新开发的20个小区内需要建设配套的小学,以方便小区内居民的的孩子上学。
但是为了节省开支,建造的学校要求尽量的少,为此,设备选定的16个校址提供参考,各校址覆盖的小区情况如表1所示:1.2问题一、求学校个数最少的建校方案,并用数学软件求解(说明你所使用的软件并写出输入指令)。
问题二、设每建一所小学的成本由固定成本和规模成本两部分组成,固定成本由学校所在地域以及基本规模学校基础设施成本构成,规模成本指学校规模超过基本规模时额外的建设成本,它与该学校学生数有关,同时与学校所处地域有关。
设第i个备选校址的建校成本c可表示为i其中i α和i β由表1-2给出:表1-2 学校建设成本参数表(单位:百万元)们确定学校规模的唯一标准,于是我们根据小区规模大小用统计方法给出每个小区的学龄儿童数的估计值,见表1-3:表1-3.各小区1到6年级学龄儿童数平均值(样本均值)2. 模型假设与符号说明2.1模型假设:(1)入学的学生按照学校规划的人数进行入学。
(2)学校的建立不受地区和学生人数的影响,一旦确定就可顺利的建起。
(3)所建立的学校的规模可大可小。
(4)各小区的学生上学不受交通拥挤等的客观因素的影响。
2.2符号说明 (1216):i x i =,,……备选的第个i 校址;:s 一共要建立学校的个数;(i=1,2,3):i α……第i 个学校建校的固定成本;(i=1,2,320):i β……第i 个学校建立的规模成本系数; :(1,2,316)i c i =……:第i 个校址所需要花费的成本; :t 学生人数;(1,2,316):i g i =……第i 个校址中所容纳学生人数; (i=1,2,320)i a …:第i 个小区入学人数; (i=1,2,3)i m ……:第i 种方案的固定成本; (i=1,2,3)i w ……:第i 种方案的最少花费;3. 问题的分析3.1问题一的分析首先:根据题目要求每一个小区至少被一所学校所覆盖,并且要使的建立的学校个数最少,为读取数据方便可先将表1-1的数据进行加工。
然后:在第一步完成后,利用加工后的表格,根据建立学校个数最小建立目标函数,每一个小区至少能被一所学校所覆盖,建立约束方程组。
最后:运用matlab 进行编程,进行运算,求解最少建校的方案,进行整理并用格列出。
3.2问题二的分析首先:从表1-2中给定的数据可知:建校固定成本和规模成本最低的是13,14,15,16号备选校址,其次是8,9,10,11,12号备选地址,费用最高的是1,2,3,4,5,6,7号备选地址。
然后:先从建校个数最少开始考虑建校的总费用,在问题一种可得到多种建校最少的方案,要进行初步筛选,因为在规模成本中,费用最高的是备选学校1,2,3,4,5,6,7中,费用为:整个小区里人学年龄儿童的总人数:20=1==4320i i t a ∑ (1)除去每所学校基本容纳600人后,最大的规模成本费用是:该费用远小于13,14,15,16号备选校址中的固定成本2000000元,所以在建校个数相同时,费用的高低主要取决于固定成本,固定成本高,使整个建校方案成本高,固定成本低,是整个建校的成本减少,所以在选用地址时,优先考虑13,14,15,16号地址其次8,9,10,12号地址,最后1,2,3,4,5,6,7号地址。
其次:在初步筛选出的学校备选地址中,算出这些方案中花费的成本,比较并记下在建立最少个数学校时,花费最省的方案。
再次:对已选出的最少建校方案中进行调整,调整的原则是:在保证每个小区至少有一所学校所覆盖,将一所固定费用高的学校用两所固定费用小的代替。
最后:比较出各方案的费用,得出建立学校的最小费用。
4. 模型建立与求解4.1模型一的求解:根据问题一的分析,建立模型一: 要建立学校个数最少,其目标函数是:∑==161i i x s (2)将表1-1进行加工,将第i a 个小区被第i x 备选校址覆盖记为1,否则为0,得到表4-1;表4-1 各个备选校址覆盖的小区纵坐标:备选校址的编号由每个小区至少能被一所学校所覆盖及表4-1可得约束条件如下:14511121115161231516145111623612161489114589256165691014671012142356712154811111111111x x x x x x x x x x x x x x x x x x x x x x x x x x x x x x x x x x x x x x x x x x x x x x x st x x x x x x x x x +++≥++++≥++++≥++++≥++++≥++++≥+++≥+++≥++++≥++++≥++++++≥++1358913591013147910146710128913891013791023671215111111111x x x x x x x x x x x x x x x x x x x x x x x x x x x x x x x x x x ⎧⎪⎪⎪⎪⎪⎪⎪⎪⎪⎪⎪⎪⎪⎪⎪⎨⎪⎪≥⎪+++≥⎪⎪++++≥⎪⎪+++≥⎪+++≥⎪⎪++≥⎪+++≥⎪⎪++≥⎪⎪+++++≥⎩ (3) 运行附录A 的程序,解出得到满足该条件的建校方案有22种,分别如下表4-2:由问题二的分析,先考虑在模型一中的结果中筛选出方案1,4,8的固定成本最少,下面对各方案进行计算:方案1中建校最少花费的费用:方案一选用5,8,10,15号校址,每个备选校址能覆盖的小区及所容纳的学生数量:5号校址覆盖的小区:1,4,7,8,9,11,13,14 共有人数:514789111314=a +++++++=1280g a a a a a a a 人 (4) 8号校址覆盖的小区:6,7,12,13,17,18 共有人数:86712131718g =+++a ++=1510a a a a a 人 (5) 10号校址覆盖的小区:9,10,14,15,16,18,19 共有人数:109101415161819=a ++++++=780g a a a a a a 人 (6)15号校址覆盖的小区2,3,5,11,20 共有人数:152351120=a ++++=1040g a a a a 人 (7)学生入学最佳方案,先各校满足有600人,然后优先考虑15号校址然后考虑10号和8号校址,最后考虑5号校址。
那么,学生最优的入学安排如下:5号校址覆盖1,4,7,8和13号小区里的30人,共600人; 8号校址覆盖6,12,17和13号剩余的部分学生 共920人 10号校址覆盖 9,10,14,15,16,18,19号小区,共1760人; 15号校址覆盖 2,3,5,11,20 共 1040人581015=5000000=3500000+0.1*2000*100/50*(920-600)=3628000=3500000+0.1*2000*100/50*(1760-600)=3964000=2000000+0.05*2000*100/50*(1040-600)=2088000c c c c ⎧⎪⎪⎨⎪⎪⎩ (8) 1581015=+c ++w c c c (9) 共需最小花费 1=14680000w 元;同理方案4的最小花费的费用:4号校址覆盖1,6,12和7号小区的60 人 共 600;9号校址覆盖9,13,14,15,17,18,19和7号小区的120人 共1990人; 12号校址覆盖10,11,16,20号小区 共有900人 16号小区覆盖2,3,4,5,8,号小区 共830人 共需最小花费 4=14722000 w 元;同理方案8的最小花费的费用是:;2号校址覆盖3,5,8,11,20号小区 共1010人;10号校址覆盖9,10,15,16,19号小区,共1160人; 11号校址覆盖1,2,4,6,7号小区 共有780人;13号校址覆盖12,13,14,17,18号小区 共有1370人; 共需最小花费 8=14696000w 元。
对上述三种方案中,总费用最少的是方案一,花费为14680000元。
从表1-2的数据可看出,在13,14,15,16号备选校址建两所学校的固定成本小于1,2,3,4,5,6,7好备选地址,对上面的三种方案根据问题二的分析进行调整: 方案1 的最优调整方案:不选用5号备选地址,改为11号和16号,这时的固定成本为23810111516=++++=14500000m ααααα元 (10)此时在没有规模成本下,最多可容纳学生=5*600=3000t 人 (11)剩下的学生=4320-3000=1320t 人 (12)这部分学生所产生的最低规模成本1320*2000*100/50*0.05=264000 (13)所以在方案一调整后的最少费用23=14500000+236000=14736000w 元 (14)因为在调整后的费用231w w ,该调整方案不可行;同理,对方案4进行调整,建立五所学校:将4号备选校址改为11号和13号备选地址这时的固定成本为24911121316=++++=14500000m ααααα元 (15)此时在没有规模成本下,最多可容纳学生=5*600=3000t 人 (16)剩下的学生=4320-3000=1320t 人 (17)这部分学生所产生的最低规模成本1320*2000*100/50*0.05=264000 (18)所以在方案一调整后的最少费用23=14500000+236000=14736000w 元 (19)因为在调整后的费用241w w ,该方案不可行; 同理,对方案8进行调整,建立五所学校将2号备选地址改为15号和16号备选地址用同方案一的方法计算该调整的后的最小花费: 10号校址覆盖9,10,15,16,19号小区,共1160人; 11号校址覆盖1,4,6,7号小区 共有600人;13号校址覆盖12,13,14,17,18号小区 共有1370人; 15号校址覆盖11,20 和5号小区的120人 共600人 16号校址覆盖3,4,8和5号小区的30人 共590人 所需花费25=13378000w 元;在建立五所学校时,考虑到是否存在建立四所固定成本最低的学校和一所固定成本较高的的学校。