电气行业面试评价表及录用审批表
- 格式:docx
- 大小:8.62 KB
- 文档页数:2
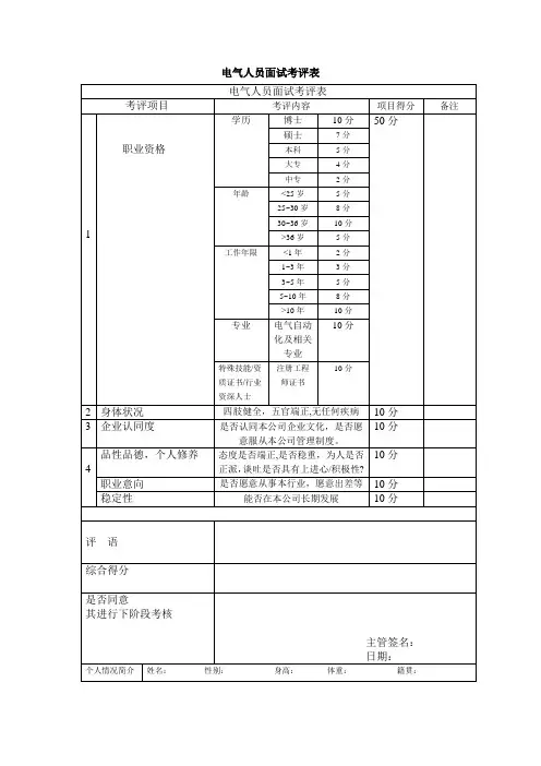
电气人员面试考评表
电气人员面试考评表
考评项目考评内容项目得分备注
1 职业资格
学历博士10分50分
硕士7分
本科5分
大专4分
中专2分
年龄<25岁5分
25~30岁8分
30~36岁10分
>36岁5分
工作年限<1年2分
1~3年3分
3~5年5分
5~10年8分
>10年10分
专业电气自动
化及相关
专业
10分
特殊技能/资
质证书/行业
资深人士
注册工程
师证书
10分
2 身体状况四肢健全,五官端正,无任何疾病10分
3 企业认同度是否认同本公司企业文化,是否愿
意服从本公司管理制度。
10分
4 品性品德,个人修养态度是否端正,是否稳重,为人是否
正派,谈吐是否具有上进心/积极性?
10分职业意向是否愿意从事本行业,愿意出差等10分稳定性能否在本公司长期发展10分
评语
综合得分
是否同意
其进行下阶段考核
主管签名:
日期:
个人情况简介姓名:性别:身高:体重:籍贯:。
应聘登记表
本人保证以下所填写内容完全真实,没有故意隐瞒或者虚构。
如有虚假资料或有故意隐瞒事实,本人愿意取消申请资格;如在受雇后发现,愿作为严重违反劳动纪律与公司解除劳动关系,并承担其他相应法律责任。
本人保证与原单位没有任何劳动纠纷和经济纠纷;本人保证自工作以来,始终遵守国家法津、行业监管机构法
本人了解并授权XX公司及其合作机构,通过权威机构、前雇主、推荐人以及其他方式背调、核实我所填报的资料,并承诺:本人未有工伤范畴内的大病史、承压疾病史或精神疾病史。
应聘者签名:
日期:年月日
面试评价表。
XX水电开发有限责任公司员工岗位年度考核表
绩效评估建立在三个方面:工作业绩、工作能力、工作态度
工作业绩考评
1、年度计划完成情况简述(附年度工作报告)
受评人直接上级根据受评人述职报告情况进行计划考评打分
计划完成情况考评得分:
以下为考评人打分标准:
1、KPI考评指标:(由直属领导考评)
关键指标考评得分:4、工作业绩考核汇总:(由人力资源部考评)
工作业绩考核汇总得分
工作态度考评
2、工作态度考评汇总表
工作态度考核得分
3、工作态度评审表
人力资源部门根据此岗位员工工作态度得分确定其工作态度考评级别
工作态度评级:
工作能力考评
此部分列出此岗位5项核心能力,请根据受评人本年工作表现作出评价,并将每个指标打分填入格中
工作能力最终得分:
总体绩效考评
1、绩效考评汇总表(由人力资源部填写)
绩效考评总分:
2、直属领导评价表(用文字描述被评估人在工作业绩、工作能力二方面的总体表现以及需要改善的方面)
3、签名表(由被考评人、直属领导、人力资源部人员填写)
绩效考评工作变更及执行调整表以下内容由人力资源部填写
4、被考评人资薪调整分析:。
(完整版)电气工程审批表项目概述本文档旨在提供一个完整版的电气工程审批表,以确保电气工程项目按照规定流程进行审批。
该审批表包含必要的项目信息和相关文件,用于评估电气工程的可行性和安全性。
项目信息- 项目名称:[填写项目名称]- 项目经理:[填写项目经理姓名]- 项目地点:[填写项目所在地]- 项目起止日期:[填写项目起止日期]项目背景简要描述电气工程项目的背景和目的。
项目范围简要说明电气工程项目的范围和所涉及的技术要求。
审批流程1. 项目立项审批- [ ] 审批部门名称:[填写审批部门名称]- [ ] 审批日期:[填写审批日期]- [ ] 审批人:[填写审批人姓名]2. 技术评估及设计审查- [ ] 审查部门名称:[填写审查部门名称]- [ ] 审查日期:[填写审查日期]- [ ] 审查人:[填写审查人姓名]3. 安全评估- [ ] 安全评估部门名称:[填写安全评估部门名称] - [ ] 安全评估日期:[填写安全评估日期]- [ ] 安全评估人:[填写安全评估人姓名]4. 材料和供应商评估- [ ] 材料评估部门名称:[填写材料评估部门名称] - [ ] 材料评估日期:[填写材料评估日期]- [ ] 材料评估人:[填写材料评估人姓名]5. 工程施工许可- [ ] 工程施工部门名称:[填写工程施工部门名称]- [ ] 工程施工日期:[填写工程施工日期]- [ ] 工程施工人:[填写工程施工人姓名]6. 完工验收- [ ] 完工验收部门名称:[填写完工验收部门名称]- [ ] 完工验收日期:[填写完工验收日期]- [ ] 完工验收人:[填写完工验收人姓名]相关文件1. 电气工程设计图纸2. 安全评估报告3. 材料供应商清单4. 工程施工计划5. 完工验收报告备注在完成审批流程时,请确保所有相关文件齐备并按照要求填写。
以上为电气工程审批表的完整版,请根据具体项目的需求进行适当调整和补充。
---*注意:本文档旨在提供一个模板供参考使用,具体实施时应根据实际情况进行调整。
应聘人员面试评价表(样本)基本信息应聘职位:________________应聘人员姓名:________________面试日期:________________面试官:________________评价项目1. 专业知识与技能- 评价标准:应聘者是否具备所需的专业知识和技能,以及应用这些知识和技能的能力。
- 评价结果:______________2. 沟通能力- 评价标准:应聘者是否能清晰、准确地表达自己的想法,是否能有效地与他人沟通并理解对方的意思。
- 评价结果:______________3. 团队合作- 评价标准:应聘者是否具备良好的团队合作意识,能够有效地与团队成员合作完成任务。
- 评价结果:______________4. 解决问题能力- 评价标准:应聘者是否能够分析问题、找出解决方案,并能够在面对困难和挑战时保持冷静。
- 评价结果:______________5. 自我管理能力- 评价标准:应聘者是否能够有效地管理自己的时间、情绪和行为,能够在工作中保持高效和稳定的状态。
- 评价结果:______________6. 个人特质与潜力- 评价标准:应聘者的个人特质是否与岗位要求相匹配,是否具备潜力成长和进步。
- 评价结果:______________7. 综合评价- 评价标准:以上各项评价综合考虑,给出应聘者整体表现和综合评价。
- 评价结果:______________总结以上评价仅为参考,评价结果仅代表面试官的个人观点。
面试结果将综合考虑应聘者的整体表现和其他因素进行综合评定。
感谢您参与该应聘人员的面试评价,并将结果提交给相关部门进行进一步审议和决策。
请注意,此评价结果仅作为评价参考,具体决策结果将由相关部门根据招聘流程和政策进行确定。
如有任何问题或需要进一步了解,请随时与我们联系。
谢谢!。
面试录取审批表模板1 / 1XXXX 企业企业面试录取审批表应聘者姓名: 性别: 应聘职位: 所属部门:学历:年纪:籍贯:当前居住地:详尽职业仅对特别人员(有接收到指示部分) 简历:附件成长路径综合评论综上所述,人选切合岗位需求,建议复试。
人 力初资试 源部求职动机 / 稳固性个性评论背景检查 仅对特别人员:(有接收到指示部分) 心理素质测评 仅对特别人员:(有接收到指示部分) 面试评估建议:□不合格 □转入复试面试官署名(日期):一、专业技术剖析工作经验专业知识水平二、职业发展路径用 发展潜力复 人试 部职业发展规划门□不合格□待定□录取用人部门主管署名(日期):面试评估建议:部门负责人 署名(日期):薪水建议等级,试用期月薪水(构造): 。
报到时间建议2015年月日证件核查:□身份证 □毕业证背景检查:□需要: □不需要编制合理:□编制内□编制外招 聘 组资料明细:□需求申请表 □应聘人员资料表 □身份证复印件□毕业证复印件试用限期: 2014 年 月日,至 2015 年月日,共月人力资源部署名(日期):试用期薪水:等 级,薪 酬 组薪水明细(薪水构造): 署名(日期):人力资源部署名(日期):经理/ 总监 人力资源 署名(日期):负责人 企业(副)署名(日期):总裁。