职位说明书-包装工
- 格式:doc
- 大小:71.50 KB
- 文档页数:2
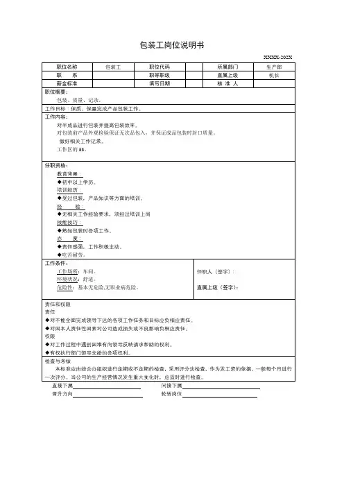
包装工岗位说明书一、岗位简介包装工是一个重要的生产岗位,主要职责是对商品进行包装、封装和标识。
包装工需要确保产品的安全运输和保护消费者利益,同时还需遵守相关的生产操作规程和质量标准。
二、岗位职责1. 根据生产计划,准备包装材料和工具。
2. 进行包装操作,确保包装质量符合要求,防止产品在运输过程中受损。
3. 在包装过程中,根据产品的特性和数量,选择合适的包装形式和包装方法。
4. 检查包装盒、袋、瓶等容器的完整性和规范性,确保包装符合相关法规和标准。
5. 标记包装材料和容器上的必要信息,例如生产批次、生产日期、保质期等。
6. 协助仓库管理人员进行仓储物料的装卸和库存管理工作。
7. 维护包装设备的良好状态,及时清洁和维修设备,确保设备能正常运转。
8. 配合质量检验部门进行包装质量的抽检和测试,及时处理相关问题。
9. 遵守公司的安全操作规程,正确佩戴相关防护设备,确保自身和他人的安全。
三、任职条件1. 中学以上学历,有相关包装工作经验者优先考虑。
2. 熟悉包装行业的相关操作流程和质量标准。
3. 具备良好的团队合作精神和协调能力。
4. 具备一定的沟通和理解能力,能够准确理解生产要求并进行操作。
5. 有较强的责任心和细心的工作态度,能够保证工作质量和效率。
四、工作环境包装工作通常在生产车间内进行,工作环境相对较为繁忙且有一定的压力。
包装工需要长时间站立或坐姿操作,对体力有一定的要求。
与其他生产岗位相比,包装工的工作相对较轻松,但需要细心和耐心。
五、职业发展包装工是一个较为基础的生产岗位,但也是生产流程不可或缺的环节。
在这个岗位上,可以通过不断学习和积累经验,逐渐转型为包装管理人员,在生产流程和质量管理方面承担更多的责任。
同时,还可以选择进修相关专业知识,成为包装设计师或包装工程师,从事更高级的包装设计和研发工作。
六、总结作为一个包装工,工作的重点是确保产品的安全包装和便于运输。
合理选择包装材料和方法,正确进行包装操作,标识产品信息,都是包装工必须掌握的技能。
打包工岗位说明书
岗位名称,打包工。
岗位职责:
1. 根据订单要求,将产品进行包装,保证包装质量和数量的准确性。
2. 检查产品的质量和完整性,确保符合公司的标准。
3. 根据工作流程和操作规范,进行包装作业。
4. 维护包装设备的日常维护和清洁工作,确保设备的正常运行。
5. 配合仓库管理员,对包装材料进行库存管理,及时补充和调配。
任职要求:
1. 具备一定的包装工作经验,熟悉常见的包装材料和设备。
2. 具有良好的团队合作精神,能够配合其他部门的工作。
3. 具备较强的责任心和细心的工作态度,能够保证包装质量和数量的准确性。
4. 具备一定的身体素质,能够适应长时间站立和体力劳动。
5. 遵守公司的相关规章制度,具有良好的职业道德和工作纪律。
工作环境:
1. 工作地点,工厂生产车间。
2. 工作时间,根据生产计划安排轮班工作。
3. 工作条件,需要长时间站立和进行体力劳动,需要穿着工作服和安全防护用具。
薪酬福利:
1. 薪酬待遇,根据个人能力和工作表现进行薪酬调整。
2. 福利待遇,公司提供完善的社会保险和福利待遇,提供工作餐和住宿补贴。
岗位发展:
1. 公司为员工提供广阔的职业发展空间,可以根据个人的发展意愿和能力进行岗位晋升和职业规划。
2. 公司提供相关的培训和技能提升机会,帮助员工不断提升自身的职业能力和竞争力。
手动包装人员岗位职责职位概述手动包装人员是指在生产线上负责对产品进行手动包装的员工。
他们需要根据产品的特性和包装要求,将产品放入相应的包装材料中,并进行封装和贴标。
手动包装人员在包装过程中需要保证产品的完整性和质量,同时确保按时完成包装任务。
岗位职责1.准备工作- 检查包装材料的充足性,如纸箱、泡沫袋等,及时补充并记录库存。
- 检查包装设备的工作状态,如封箱机、贴标机等,及时维修或更换。
- 检查产品的包装要求和数量,准备相应的工具和辅料。
2.包装操作- 根据产品的特性和包装要求,选用适合的包装材料和方式。
- 按照工作指导书或生产计划,安排产品的包装顺序和数量。
- 将产品放入包装材料中,保证产品的安全和完整性。
- 进行包装材料的封装,如使用胶带、热封机等工具。
- 进行包装材料的标识,如贴上产品标签、批次号等。
- 检查已包装产品的质量和数量,确保符合要求。
- 及时清理包装区域,保持工作环境的整洁和安全。
- 关注包装过程中的异常情况,及时报告并协助解决。
3.质量控制- 遵守公司的质量控制标准和操作规程。
- 检查并记录包装材料的质量,如强度、密封性等。
- 检查并记录产品的外观质量,如划痕、损坏等。
- 检查并记录产品的尺寸和重量,确保符合要求。
- 及时报告质量问题,协助解决质量异常。
4.安全生产- 遵守公司的安全生产规定和操作规程。
- 使用包装设备时,保证操作正确、安全,并定期维护设备。
- 使用个人防护设备,如手套、口罩等,保护自身安全。
- 发现安全隐患及时报告,并参与安全隐患的排查和整改。
5.团队合作- 积极与其他岗位的员工进行沟通和协调,保证工作的高效进行。
- 同事之间相互协助,共同完成生产任务。
- 在团队会议上分享经验和问题,与团队成员共同提高工作水平。
总结手动包装人员是生产线上重要的一环,他们的工作直接关系到产品的包装质量和效率。
因此,手动包装人员需要具备一定的包装知识和技能,熟悉包装设备的操作和维护。
包装工程师职位描述与岗位职责
包装工程师是负责制定、设计和开发新产品包装方案的专业人员,他们负责从原材料到产品的包装设计、样板制作、成本核算、
图纸绘制、生产调试、质量检测等多个环节,确保最终产品达到客
户和市场的要求和标准,保障企业的产品质量和效益。
岗位职责:
1. 开发新产品包装设计方案;
2. 根据市场需求和客户要求,制定适合产品的包装方案,保证
产品的安全和便利;
3. 研究和分析包装材料和相关技术,制定产品包装的成功方案;
4. 制定包册说明书及相关标识;
5. 参与认证相关工作,如CE、FCC、ROHS等;
6. 与供应商合作,监督质量和进度;
7. 参与新产品开发周期管理,监控包装方案的进度;
8. 编写包装设计规范,并组织培训;
9. 参与新包装装备的采购、调试和工艺改进;
10. 跟踪市场包装设计趋势,反馈公司和产品设计人员。
任职要求:
1. 本科以上学历,工科相关专业;
2. 3年以上相关工作经验;
3. 熟练掌握CAD、Solidworks等软件;
4. 具有较强的自学能力、自觉性和团队合作意识;
5. 了解国内外相关行业的法规和标准;
6. 熟悉包装材料、生产工艺、成本核算和工艺流程等;
7. 思维清晰,具有项目管理和组织能力;
8. 具备良好的沟通能力和客户服务意识。
包装工岗位说明书一、岗位概述包装工是指在生产、加工和制造过程中,负责对产品进行包装、封装和标识的职业。
包装工岗位说明书旨在介绍包装工的职责、技能和工作环境,以帮助招聘方更好地了解和选择合适的候选人。
二、岗位职责1. 根据生产计划和工艺要求,组织进行产品的包装、封装和贴标。
2. 确保包装过程中产品的质量和数量符合规定标准。
3. 进行包装设备的操作和调试,及时处理设备故障。
4. 维护包装设备的正常运行,保持设备的清洁和卫生。
5. 配合质检部门进行产品的抽检和品质评估。
6. 及时报告和处理包装过程中的问题和异常情况。
7. 遵守相关的安全操作规程,保证工作场所的安全和环境卫生。
三、岗位要求1. 具备基本的包装知识和技能,熟悉常用的包装工具和设备。
2. 具有一定的手眼协调能力和一定的体力,能够完成一定的操作强度。
3. 具有较好的团队合作能力和沟通能力,能够与其他部门保持良好的协作关系。
4. 具备高度的责任心和紧急处理能力,能够妥善应对生产线上的各种突发情况。
5. 遵守岗位纪律和公司规章制度,认真履行工作职责。
四、工作环境包装工主要在生产车间进行工作,需要长时间站立和操作机械设备。
生产车间通常会有一定噪音和灰尘,对工作人员的体力和耐力有一定要求。
同时,包装工需要进行夜班或轮班工作,以适应生产线的需求。
五、发展前景作为生产线的关键环节,包装工在企业的运作中起着不可替代的作用。
随着企业的发展和对产品包装的不断要求提高,包装工岗位的需求将逐渐增长。
包装工也可通过不断学习和提升技能,逐步晋升为包装组长、包装主管等职位。
六、总结包装工作作为制造业中重要的一环,对于产品的质量和外观起着决定性的作用。
包装工需要具备一定的专业知识和技能,能够在快节奏的生产环境中高效、精准地完成工作。
在选择包装工时,招聘方需要根据岗位要求和工作环境,结合候选人的能力和适应性做出评估和决策。
希望本岗位说明书能帮助招聘方更好地了解包装工的职责和要求,从而找到合适的人选。
包装部车间统计职位说明书职位概述包装部车间统计是指负责对包装部车间的相关统计数据进行收集、整理和分析的职位。
该职位需要具备良好的数据分析能力和统计技巧,能够准确把握车间运营状况,并根据数据结果提出合理的改进意见。
职责与任务包装部车间统计的主要职责和任务包括但不限于以下几个方面:1. 数据收集•定期收集包装部车间相关的运营数据,包括生产数量、质量指标、设备利用率等;•协调与其他部门,如生产部、质量控制部等,进行数据的汇总和共享;•确保数据的准确性和更新性。
2. 数据整理和分析•对收集到的数据进行整理和分类,建立数据库,以便日后查阅和使用;•运用统计学方法和工具进行数据分析,比如利用Excel表格进行数据综合分析、趋势分析等;•根据分析结果,提出改进措施和建议,优化包装部车间的生产效率和质量。
3. 报表制作和汇报•根据需要,制作包装部车间的运营报表,如日报、周报、月报等;•向包装部门负责人和相关部门汇报统计结果和分析结论;•协助包装部门负责人制定改进计划和目标。
4. 数据维护和保密•对数据进行安全保存和备份,并确保数据的机密性和保密性;•建立有效的数据管理制度,规范数据的访问和使用权限;•协助IT部门进行数据系统的维护和升级。
任职要求包装部车间统计职位需要具备以下的任职要求:1. 学历与专业•具备统计学、数学、工业工程等相关专业本科及以上学历。
2. 技能与能力•熟练掌握统计学相关知识和方法,具备较强的数据分析和处理能力;•熟悉常用办公软件,如Excel、SPSS等,能够利用软件进行数据统计和分析;•具备较强的逻辑思维能力和问题解决能力;•良好的沟通能力和团队合作精神,能够与不同部门进行有效的合作。
3. 经验要求•具备一定的统计或数据分析工作经验者优先考虑;•熟悉包装行业的运营和管理者优先。
4. 个人素质•具备责任心和主动性,能够承担一定的工作压力;•具备严谨的工作态度和高度的敬业精神;•具备良好的学习能力和对新知识新技术的接受度。
打包工岗位说明书打包工岗位说明书I. 岗位描述打包工是一个负责将成品包装并准备运输的职位。
主要职责包括:将制成品装入塑料袋、纸箱、木箱或其他运输包裹中;安装必要的标签或符号;尽可能地节省空间以及确保正确地标识仓库储存位置。
打包工需要遵守安全和卫生标准,工作时需要注意细节,以确保所有包裹都按照客户要求精心处理并安全交付。
II. 岗位职责- 按照客户要求将成品装入塑料袋或相关包装中。
- 选择正确的包装材料以保护成品。
- 安装必要的标记或符号以标识包裹的重量、存储位置、目的地等信息。
- 及时总结打包所释放的废弃物,将其分离存储、清运,确保周围环境卫生安全。
- 按照要求对工作区域进行整理和清洁,包括仓库、打包区等工作区域。
- 遵守安全和卫生标准并保持工作区整洁。
III. 岗位要求- 具有出色的组织能力和细节技能。
- 具有合理的肢体能力,能够持续站立并且能够不断地承受重量。
- 本职工作需要团队合作精神,打包工应具有团队精神和愿意与他人协作的态度。
- 具有良好的交流和沟通能力。
- 可以熟练使用打包及计算机软件,灵活掌握并使用设备和工具。
IV. 培训和发展打包工通常需要成为熟悉公司和产品要求的初级员工,很少需要学习或熟悉复杂的工艺和生产流程。
但是,一旦具有熟练的打包技能和对公司运营机制的了解,打包工可能有机会参加我们公司提供的培训和发展计划,包括:- 了解生产流程和工艺,以完善对打包和运输的配合、协作、管理等工作技能。
- 如果您有志于更广泛的工作范围,我公司为您提供了良好的晋升机会,例如成为打包班组长或担任其他与包装相关的职位。
V. 任务目标打包工作所负责的任务目标始终跨越着多个方面。
这些目标不但要求打包工必须精通打包流程,还要求有加强卫生和安全的品质意识。
- 遵守打包规范,确保每一个成品包装都符合客户要求-确定合适的材料,保护工作对象,减少运输过程中浪费的空间。
- 减少浪费联系率,确保地面清洁卫生- 最大限度地减少损坏率,确保客户满意度。
包装工程师岗位职责内容(实用版)编制人:__________________审核人:__________________审批人:__________________编制单位:__________________编制时间:____年____月____日序言下载提示:该文档是本店铺精心编制而成的,希望大家下载后,能够帮助大家解决实际问题。
文档下载后可定制修改,请根据实际需要进行调整和使用,谢谢!并且,本店铺为大家提供各种类型的实用资料,如管理制度、企业管理、岗位职责、心得体会、工作总结、工作计划、演讲稿、合同范本、作文大全、其他资料等等,想了解不同资料格式和写法,敬请关注!Download tips: This document is carefully compiled by this editor.I hope that after you download it, it can help you solve practical problems. The document can be customized and modified after downloading, please adjust and use it according to actual needs, thank you!And, this store provides various types of practical materials for everyone, such as management systems, enterprise management, job responsibilities, experiences, work summaries, work plans, speech drafts, contract templates, essay compilations, and other materials. If you want to learn about different data formats and writing methods, please pay attention!包装工程师岗位职责内容第1篇包装工程师岗位职责内容1.指导企业的销售和项目管理,设计、开发和测试各种电子消费品的零售包装结构、客户标准和项目计划。
包装工岗位说明书一、岗位概述包装工是指在生产流程中,负责对产品进行包装、封装和标示的工作人员。
他们需要确保产品在包装过程中完整、安全,并符合相关的质量标准和要求。
本文将详细介绍包装工的工作职责、技能要求以及工作环境等相关内容。
二、岗位职责1. 检查产品:包装工需要仔细检查产品的质量和完整性,确保没有任何瑕疵或损坏。
2. 准备包装材料:根据产品要求和包装规范,包装工需要准备适当的包装材料,例如纸箱、泡沫塑料等。
3. 进行包装操作:包装工负责将产品放入包装材料中,并进行适当的填充和封装,以确保产品的稳定性和安全性。
4. 标示和标签:包装工需要按照要求为包装好的产品添加标签、贴上标示,并确保信息的正确性和清晰可读。
5. 维护包装设备:包装工需要负责清洁和维护包装设备,保证其正常运行和安全操作。
6. 报告和记录:包装工需要及时报告产品包装过程中出现的问题,并记录相关信息以备查阅。
三、技能要求1. 熟悉包装操作:包装工需要掌握常见包装材料和包装方法,了解不同产品的包装要求。
2. 细致认真:包装工需要具备细致认真的工作态度,细心观察和检查产品,确保包装质量。
3. 身体健康:包装工需要具备一定的身体素质,能够适应长时间站立和搬运物品的工作环境。
4. 团队合作:包装工通常需要与其他生产工人密切合作,因此具备良好的团队合作精神和沟通能力很重要。
5. 安全意识:包装工需要严格遵守操作规程和安全要求,确保自身和他人的安全。
四、工作环境包装工大部分工作时间都是在生产车间内完成的,因此需要适应有噪音、灰尘和机械设备运转声的工作环境。
此外,包装工需要根据具体情况可能需要穿戴相应的防护服装、手套和安全鞋等。
五、职业发展包装工是生产线上不可或缺的一环,具备一定经验和技能的包装工有机会晋升为包装主管或包装工艺工程师等高级职位。
此外,包装工也可以通过进修相关专业知识提升自己的职业技能,为未来的职业发展做好准备。
六、总结本篇文章详细地介绍了包装工岗位的工作职责、技能要求以及工作环境等相关情况。
包装组长职务说明书岗位职责:1. 负责制定和执行包装生产计划,确保按时完成客户订单要求。
2. 组织并监督包装生产线的运行,负责协调人力资源和设备的安排,以提高生产效率和产品质量。
3. 确保生产过程中的安全和环保要求得到遵守和执行。
4. 负责指导和培训包装生产人员,提高员工技能和效率。
5. 关注生产过程中的问题和异常,及时采取措施进行处理和改进。
6. 协调与其他部门的合作,确保包装生产的协调运作和顺利交接。
7. 参与和推进包装生产的改进和优化,以提高生产效率和产品质量。
任职要求:1. 本科及以上学历,包装工程、机械工程或相关专业。
2. 具有3年以上相关工作经验,熟悉包装生产流程和设备。
3. 具有较强的组织协调能力和团队管理经验。
4. 熟悉包装生产技术和质量管理体系,有系统地推进包装生产过程改进的经验。
5. 具备良好的沟通能力和团队合作精神,能够有效处理生产过程中的问题和异常。
6. 具备较强的责任心和紧迫感,能够在压力下保持良好的工作状态。
以上为包装组长职务说明书,希望应聘者能根据描述的要求进行自我评估和应聘。
作为包装组长,您将负责包装生产线的运作和管理,同时需要与不同部门合作,确保生产过程的顺利进行。
在这个职位上,您将需要具备一系列管理和技术技能,同时也需要展现出领导能力和解决问题的能力。
首先,您将需要有丰富的包装生产领域的知识和经验。
您应该熟悉各种类型的包装材料和包装工艺,了解生产过程中的各种技术细节。
此外,您需要了解包装行业的最新发展趋势和技术创新,以便不断推动生产线的改进和优化。
在管理方面,您需要具备良好的组织协调能力。
您需要制定生产计划,分配人力资源和设备,确保生产线的正常运行。
您需要学会通过合理安排和协调来提高生产效率,确保产品按时交付。
同时,您需要在管理方面展现出领导能力,引领团队共同努力,实现生产目标。
作为包装组长,您还需要具备优秀的沟通能力。
您需要和各部门进行沟通,协调生产过程中的各项事务。
包装工岗位职责引言概述:包装工是生产线上的重要一环,负责将产品进行包装,确保产品在运输和储存过程中的安全和完整。
本文将详细阐述包装工的五个主要职责。
一、产品包装1.1 选择合适的包装材料:包装工需要根据产品的特性和运输要求,选择合适的包装材料,如纸箱、塑料薄膜等,以保护产品的完整性和质量。
1.2 包装操作:包装工需要根据产品的尺寸和形状,进行包装操作,如将产品放入包装盒中、固定包装材料等,确保产品在运输过程中不受损。
1.3 包装标识:包装工需要在包装上标注相关信息,如产品名称、数量、生产日期等,以便于产品的追溯和管理。
二、质量检查2.1 外观检查:包装工需要对产品进行外观检查,确保产品没有明显的瑕疵、污渍或者损坏,以提供给客户高质量的产品。
2.2 尺寸检查:包装工需要对产品的尺寸进行检查,确保产品符合规定的尺寸要求,以便于包装和运输。
2.3 包装完整性检查:包装工需要检查包装是否完整,如包装盒是否密封,以确保产品在运输过程中不受损。
三、设备维护3.1 包装设备操作:包装工需要熟练掌握包装设备的操作,如封箱机、打包机等,以确保设备正常运行,提高包装效率。
3.2 设备维护:包装工需要进行设备的日常维护,如清洁、润滑等,以延长设备的使用寿命,减少故障发生的可能性。
3.3 故障排除:包装工需要及时发现设备故障,并进行排除,以确保生产线的正常运行和产品的及时包装。
四、安全措施4.1 安全意识:包装工需要具备良好的安全意识,遵守相关的安全规定和操作规程,确保自身和他人的安全。
4.2 使用个人防护装备:包装工需要正确使用个人防护装备,如手套、安全帽等,以防止意外伤害的发生。
4.3 紧急情况处理:包装工需要熟悉应急处理流程,如火灾、泄露等,以便在紧急情况下采取正确的措施,保障人员和设备的安全。
五、团队合作5.1 协作沟通:包装工需要与生产线上的其他工人进行有效的沟通和协作,确保包装工作的顺利进行。
5.2 配合生产计划:包装工需要根据生产计划,合理安排包装工作,确保按时完成任务。
包装工岗位说明书一、岗位概述包装工作是指在生产制造企业中,负责对产品进行包装工艺的操作和控制。
包装工在生产线上进行产品包装、标签贴附、装箱等工作,并确保产品的质量和外观符合标准要求。
本文将详细介绍包装工岗位的职责、技能要求等方面内容。
二、岗位职责1. 准备工作:在开始包装作业前,包装工需要准备好相关的包装材料、机器设备,并检查其是否正常运行。
2. 包装操作:根据生产计划,包装工将产品放入包装器材中,并根据规定的操作步骤进行封装、捆扎、密封等工艺操作,确保产品安全无损。
3. 质量控制:包装工需要对产品进行充分的检查,确保包装结果符合质量标准,并及时发现和处理质量问题。
4. 标签贴附:根据产品要求,包装工需将标签和说明书粘贴在包装盒或产品上,确保客户能够准确识别包装内容。
5. 装箱:将包装好的产品按照规定的数量和方式进行装箱,并填写必要的装箱记录和标识。
6. 设备维护:包装工需要定期检查和维护包装机器设备,确保其正常运行,及时报告维修需要。
7. 工作记录:包装工需按时进行工作记录,包括产品数量、质量情况以及设备维护情况等信息,并上报相关部门。
三、技能要求1. 基本操作技能:包装工需要熟练掌握包装机械设备的操作和调节,能够熟练应用包装工艺和相关工具。
2. 质量控制:包装工需具备良好的质量意识和严谨的工作态度,能够严格按照标准要求进行质量控制和检查。
3. 心理素质:包装工需要具备一定的耐心和细致精神,能够在高强度的工作环境下保持冷静,并处理好工作中出现的问题。
4. 团队合作:包装工通常在生产线上进行工作,需要与其他操作工、质检人员等密切合作,良好的团队合作能力是必要的。
5. 安全意识:包装工需遵守相关的安全操作规程,保障个人安全和生产过程中的安全。
四、工作环境与工作条件包装工通常在生产车间内进行操作,工作环境相对较为拥挤和嘈杂。
工作中需要长时间站立或行走,并经常需要进行体力劳动。
此外,包装工在工作中需穿戴符合规定的工作服和安全防护用品。
包装工岗位说明书一、职位概述作为包装工,你将负责对公司产品的包装和装运,确保产品在运输和存储过程中的安全性和完整性。
这个岗位要求高度的组织能力、细致入微的注意力和团队合作精神。
二、岗位职责1. 根据产品类型和规格,准确选择合适的包装材料,并将产品按照指定的方法和标准进行包装。
2. 组织和管理包装物料的库存,及时补充缺失的材料,确保包装工作的持续进行。
3. 进行包装装箱和封箱,采用合适的方法将产品装入包装盒或容器中,并密封包装以确保其安全性。
4. 负责监督装运过程,确保产品包装符合运输要求,避免在运输过程中受到损坏。
5. 定期检查和维护包装设备,确保其良好的工作状态,及时处理设备故障或异常。
6. 遵守工作安全规范,确保自身和团队成员的工作安全。
三、技能要求1. 细致入微的注意力:包装工需要对产品的每一个细节都保持高度关注,确保产品包装的质量。
2. 良好的协作能力:包装工需要与其他团队成员密切合作,确保产品的正常运作和按时交付。
3. 物料管理能力:包装工需要合理管理包装材料的供应和库存,确保工作的连续性。
4. 基本的机械操作知识:包装工需要具备一定的机械操作知识,能够进行简单的设备维护和修理。
5. 良好的时间管理能力:包装工需要按照规定的时间要求完成包装任务,确保生产计划的顺利进行。
四、个人素质1. 责任心:包装工需要对自己的工作负责,保证产品包装的质量和准时交付。
2. 细致认真:包装工需要在高速生产环境下保持细致的工作态度,避免差错和损失。
3. 抗压能力:包装工将经常面临时间紧迫和任务繁重的情况,需要有一定的抗压能力。
4. 团队合作精神:包装工需要与其他团队成员密切合作,共同完成生产任务。
五、职业发展作为包装工,你可以通过增加工作经验和技能提升自己的职业发展。
在获得足够的经验后,你可以申请晋升为包装主管或质量控制员,负责管理和监督整个包装过程或质量检查。
此外,你还可以参加相关的培训课程,提升自己的技能和知识水平,打下更坚实的职业基础。