肌肉注射的步骤
- 格式:doc
- 大小:22.00 KB
- 文档页数:1
肌肉注射技术要点1.肌肉注射是一项将一定量药液注入肌肉组织的技术。
2.肌肉注射的目的是用于注入药物不宜或不能口服或静脉注射,且要求比皮下注射更迅速发生疗效时、注射刺激性较强或药量较大的药物。
3.肌肉注射部位有臀大肌、臀中肌、臀小肌、股外侧肌及上臂三角肌,以臀大肌常用。
4.操作过程中应严格执行无菌技术操作及注射原则。
5.肌肉注射穿刺时针头与皮肤呈90°角进针。
6.肌肉注射常见并发症主要有疼痛、局部硬结、药物回渗、神经损伤、感染、晕厥或晕针、断针。
肌肉注射术(intramuscularinjection,IM):将一定量药液注入肌肉组织的技术。
人体的肌肉组织有丰富的毛细血管网,药物注入肌肉组织后,沿结缔组织或肌纤维迅速扩散,通过毛细血管壁进入体循环,作用于全身,达到预防和治疗疾病的目的。
肌肉注射很重要的是对注射部位的精确定位,应选择肌肉较厚,离神经、大血管较远的部位,其中最常用的部位为臀大肌,其次为臀中肌、臀小肌、股外侧肌及上臂三角肌。
一、适应症1.注入药物不宜或不能口服或静脉注射,且要求比皮下注射更迅速发生疗效时。
2.注射刺激性较强或药量较大的药物,如油剂、混悬液。
二、禁忌症1.严重出、凝血倾向,血小板或凝血因子明显减少或用肝素、双香豆素等进行抗凝治疗者。
2.注射局部有各种皮损、炎症、硬结、瘢痕。
3.破伤风发作期、狂犬病痉挛期。
4.癫痫抽搐、不能合作的患者也相对禁忌,必要时可予以镇静。
5.2岁以下的婴幼儿不宜选择臀大肌注射。
三、材料准备1.治疗车、无菌盘、碘伏、无菌棉签、2ml或5ml注射器、一次性治疗巾、弯盘、药液、溶媒、手消毒液、生活垃圾桶、医疗垃圾桶、锐器盒。
2.屏风或围帘。
四、操作步骤1.准备①评估:患者年龄、病情、意识状态及营养状况;用药史,心理状态及对给药计划的了解、认识及配合程度;注射部位的皮肤、肌肉组织状况及肢体活动度②医患沟通:核对患者信息。
向患者及家属解释肌肉注射的目的、方法、注意事项及配合要点;药物的作用及副作用③患者准备:协助取舒适体位□,暴露注射部位④医护人员准备:洗手、戴口罩⑤环境准备:整洁、舒适、安全,光线适宜;必要时拉帘或屏风遮挡2.操作过程:①核对药物:药名、浓度、剂量、有效期②按医嘱抽吸药物,抽吸药液方法正确、剂量准确③排尽注射器内空气④根据患者的年龄、病情、药物性质选择合适的注射部位,暴露注射部位皮肤⑤碘伏常规消毒皮肤,消毒范围,直径25cm,待干⑥左手拇指和示指绷紧注射部位皮肤⑦右手持注射器,中指固定针栓,以手臂带动腕部力量,迅速90°角刺入肌肉,进针深度为针梗的2/3〜3/4⑧固定针栓,松开绷紧皮肤的手,抽吸活塞,无回血后缓慢推注药液⑨注射完毕后干棉棒按压勿揉⑩用物分类处理后洗手,记录3.操作评估:①严格按照无菌技术进行注射②抽取药液不得浪费、污染③注射顺利4.人文关怀①操作中与患者交流,安抚患者②操作动作轻巧细致③操作后向患者交待注意事项④操作后观察穿刺点皮肤、患者主诉及全身反应五、并发症及处理(一)疼痛1.原因注射药量多、刺激性强或推药速度太快;部位选择不当,进针过深或过浅都可引起疼痛。
皮内、皮下、肌肉注射法一个人注射时,不需要铺无菌盘,纱布包裹 即可。
锯安甑前后砂轮均放在酒精里,不要在安甑 内排气,排气毕套上安甑。
选择神经、血管少且无骨隆突处;避免选择 有瘢痕、压痛、结节部位;选择臀大肌肌内 注射时,注射部位定位准确,臀部肌肉放松。
侧卧位:上腿伸直,下腿稍弯曲;危重及不 能翻身的病人用仰卧位;注意保暖。
消毒棉签由中间往周围3-5cm 环状消毒,不 可来回擦拭,待干30秒后再行注射。
皮试不 用碘酊消毒,用75%乙醇消毒皮肤。
注意不浪费药液。
针头斜面需完全进入皮内,避免药液漏出, 不可刺入过深。
拔出针头后勿按揉,并告知患者不要用手抓注 ②铺无菌盘;意 ③吸药、安甑抽药:持安甑上端 事 轻轻旋转使其头部药液甩下,用 项 手轻弹安甑上端,使药液流至下段f 用消毒棉签擦拭安甑头部一消毒纱布(或酒精棉球)包住安甑头部,捏住适当处f 予以折断f 以一食指与中指夹住安甑,其余各指固定空针f 抽取所需药量;④排气、查对、放安。
2.备齐用物至病人床前,核对病人(七对),解释操作方法并请病人配合。
3.选择注射部位及体位。
4.消毒皮肤。
5.注射: ♦皮内注射 ①再次核对病人;③绷紧注射部位皮肤,针头斜面向上与皮肤呈5o-10 o角刺入皮内;④固定针栓,缓慢推注药液,皮肤形成皮丘,迅速拔针;⑤注射后再次核对;⑥安置病人,整理床铺;⑦按规定时间观察反应结果。
♦皮下注射①再次核对病人;②排气;③绷紧注射部位皮肤,针头斜面向上与皮肤呈300-40。
角,快速将针梗1/3-2/3刺入皮下;④固定针栓,抽动活塞有无回血;⑤缓慢注入药液;⑥注射毕,用干棉签按针眼,迅速拔针,按压片刻;相关知识:1.青霉素皮试阳性如何判断答:局部皮丘隆起,并出现红晕硬块,直径大于1cm,或周围有伪足、痒感,严重时可出现过敏性休克。
2.皮内注射注意事项有哪些答:①皮试前仔细询问病人的过敏史,如病人对皮试药物有过敏史,禁止皮试。
②皮试不可使用碘酊消毒,拔出针头后勿按揉,以免影响观察。
肌肉注射是一种常见的医疗操作,以下是其操作步骤及注意事项:操作步骤:备齐用物排携床边,核对,向病人解释,以取得合作。
帮助病人取适当体位,用2%碘酒和70%乙醇或单独用3%络合碘消毒皮肤,待干。
排尽抽取药物之注射器内空气。
用左手拇指和食指分开皮肤,右手持针如握笔姿势,以中指固定针栓。
针头和注射部位程mp,快速刺入肌肉内,一般进针约2.5~3cm(针头的2/3,消瘦者及病儿酌减)。
松开左手,抽动活塞,如无回血,固定针头,注入药物。
注射毕,以干棉签按压进针处,同时快速拔针。
帮助病人卧于舒适体位。
清理用物。
肌内注射法详细步骤及要点解析和结果判断一、目的经肌肉吸收给药。
将一定量的药液注入肌肉组织,使药物沿结缔组织迅速扩散,再经毛细血管及淋巴管的内皮细胞间隙迅速通过膜孔转运吸收进入体循环,达到预防和治疗疾病的目的。
由于肌肉内所含血管比皮下组织和皮内组织多,药物吸收迅速,可以迅速达到全身,使药物在较短时间内发挥作用。
二、适应证1.药物不能或不宜口服、皮下注射,需在—定时间内产生药效者。
2.刺激性较强或药量较大不宜皮下注射的药物,如油剂、混悬液。
3.要求比皮下注射更迅速发生药效,不宜或不能作静脉注射的药物。
三、禁忌证1.注射部位有炎症、瘢痕、硬结或皮肤受损。
2.有严重出、凝血异常的患者。
3.破伤风发作期、狂犬病痉挛期。
4.癫痫抽搐、不能合作的患者。
5.2 岁以下的婴幼儿不宜选择臀大肌注射。
四、操作前准备1.核对医嘱2.评估患者1)评估患者病情、治疗情况、用药史和过敏史。
2)了解患者的意识状态、肢体活动能力、对用药的认知情况和合作程度。
3)评估注射部位的皮肤、组织状况。
3.环境准备清洁、安静、光线适宜,必要时准备屏风以保护患者隐私。
注意:记录注射时间、药品名称、浓度、剂量和患者的反应。
注意:严格执行查对患者床号、姓名、药品名称、药品剂量、时间、用法。
2.注射部位的选择:上臂三角肌下缘、股外侧、腹部、后背。
3.消毒:用 75%酒精棉签消毒注射部位皮肤,直径大于 5cm。
4.注射:1)二次核对和排气。
2)左手夹棉签并绷紧皮肤,右手持注射器进针,小指固定皮肤,针尖斜面向上与皮肤成300—400 角,迅速将针头的 1/2~2/3 刺人皮下。
3)左手抽回血,如无回血即可推药。
4)注射完毕,用无菌干棉签按压在针刺处,快速拔针,按压片刻。
注意:注意避开皮损、硬结等处,过瘦的患者注射时可捏起注射部位皮肤。
推药速度应缓慢、均匀。
4.患者准备1)向患者解释肌内注射的目的、方法、注意事项、药物的作用及配合要点;注意:操作前与患者进行沟通很重要。
肌肉注射法一、目的将一定量的药液注入肌肉组织,从而达到治疗目的。
迅速发挥药效。
二、适应症(1)适用于需要接受注射较大剂量药物或刺激性较强药物的患儿。
(2)不能做静脉注射,要求比皮下注射更迅速发生疗效。
三、禁忌症(1)注射部位有硬结、瘢痕、感染时禁止注射。
(2)避免在皮肤病及旧针眼处注射。
(3)对该药过敏者。
(4)禁止肌肉注射的药物。
四、操作步骤(一)评估(1)患者病情、意识状态、自理能力及合作程度。
(2)患儿过敏史、用药史、不良反应史。
(3)注射部位皮肤和皮下组织情况,有无瘢痕、肿块、硬结、溃烂。
(4)注射药物的作用和不良反应。
(二)准备1、护士准备:仪表端庄,衣帽整洁。
2、患儿:注射部位皮肤清洁,体位舒适。
3、环境:清洁、安静、安全。
4、用物:无菌治疗盘、1ml、2ml或5ml注射器、治疗单、注射药物、稀释液、砂轮、干棉签、弯盘、复合碘消毒液、免洗手消毒液、医疗污物桶、锐器盒、屏风。
(三)操作1、洗手、戴口罩。
2、核对注射卡和药物剂量、浓度、质量、用药时间和方法。
3、准备用物(1)抽吸药物至所需量,排出注射器中空气及多余的药物,直至所需的准确剂量。
(2)铺设无菌盘携至病人床旁,向患儿和家长做好解释。
4、核对患儿床号、姓名、住院号,再次核对药物及医嘱。
5、备好皮肤消毒用物及弯盘,嘱患儿及家属做好注射准备,屏风遮挡。
6、彻底清洁注射部位,75%酒精或安尔碘消毒液擦拭消毒,消毒范围>5cm,自然待干。
7、检查药物有无空气和剂量,固定注射部位。
8、用左手拇指和食指绷紧皮肤成90°进针;深度为针梗的2/3或1/2,右手固定针栓。
9、左手抽回血,如无回血,缓慢推注药物并观察患者的反应。
10、置棉签于穿刺点,轻柔拔出针头,轻压穿刺点至不出血,不推荐用酒精棉签,可能会引起刺痛。
11、勿回套针头,将使用过的针头置于锐器盒中。
12、整理用物,安抚患儿及家长。
13、执行手卫生。
14、记录所用药物和注射部位。
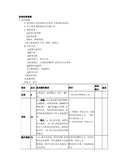
肌肉注射流程1. 核对医嘱2. 评估病人:评估病情合作程度注射部位的状况。
3. 护士准备:着装整洁,洗手戴口罩。
4. 物品准备:1)备齐注射用物2)检查药液3)核对、抽吸药液。
5.病人准备:核对七项、解释、摆体位。
6. 注射方法:1)选择注射部位2)戴手套3)消毒皮肤4)核对排气,查对七项。
5)快速进针:与皮肤成90°角深度为2.5-3厘米。
6)缓慢匀速推药7)干棉签按压,快速拔针。
8)查对七项7.整理床单位8.处置用物9.洗手,签字肌肉注射实验指导【目的】注入药物,用于不宜或不能口服、皮下注射、静脉注射且要求迅速发挥疗效时。
【评估】(1)病人的年龄、病情及治疗情况。
(2)病人肌肉组织状况以及上次肌肉注射的部位,避免重复注射。
(3)病人的心理状态,减轻病人的焦虑和害怕。
【准备】1.护士准备着装整洁、衣帽规范,戴口罩,洗净双手。
2. 病人准备(1)体位的准备1)侧卧位:上腿伸直、放松,下腿弯曲。
2)俯卧位:足尖相对,足跟分开,头偏向一侧。
3)仰卧位:常用于危重病人和不能翻身的病人。
4)坐位:坐位椅要稍高,便于操作。
(2)选择注射部位:应选择肌肉丰厚,没有大血管、神经分布的部位其中最常用的为臀大肌,其次为臀中肌、臀小肌、股外侧肌及上臂三角肌。
1)臀大肌注射定位:①十字定位法:自臀裂顶点引一水平线,然后从髂嵴最高点作一垂直线,将一侧臀部分为四个象限,其外侧象限避开内角为注射部位。
②联线法:取髂前上棘与尾骨联线的外1/3处,为注射部位。
2)臀中肌、臀小肌注射定位:①食指尖置于髂前上棘,中指尖置于髂嵴下缘,两指间构成一个三角区,即为注射部位②髂前上棘外侧三横指处,病儿应以其手指的宽度为标准。
3)股外侧肌注射定位:取大腿中段外侧一般成人可取髋关节下10cm至膝关节上10cm的一段范围,约7.5cm宽。
4)上臂三角肌注射定位:上臂外侧,肩峰下2~3横指处。
3.用物准备治疗盘内置无菌持物镊、无菌棉签、常规消毒液(2%碘酊和70%乙醇)、2ml或5ml 注射器、5或6 号针头如注射用药为油剂、混悬剂需备较粗的9号针头及抢救用药。
肌肉注射的方法肌肉注射是一种常见的药物给药方式,适用于一些需要快速吸收药物的情况,比如紧急救治、镇痛治疗等。
正确的肌肉注射方法对于药物的吸收和疗效都有着重要的影响,下面将介绍肌肉注射的方法。
首先,进行肌肉注射前需要准备好所需的药物、注射器、消毒酒精棉球等工具。
然后选择注射部位,常见的肌肉注射部位包括臀部外上象限、上臂三角肌、股四头肌外侧等。
选择注射部位时需要注意避开血管、神经以及有炎症、损伤的部位。
接下来,进行注射部位的消毒,用消毒酒精棉球擦拭注射部位,从内向外旋转擦拭,确保注射部位干净无菌。
然后准备好注射器,把药液抽入注射器中,排除空气泡,以免进入人体引起空气栓塞。
在注射时,患者可以选择坐位或卧位,放松注射部位的肌肉。
用一手将皮肤稍微提起,用另一手握住注射器,以15°-90°的角度插入皮下组织,慢慢注射药液。
注射时需要保持注射器的稳定,避免移动或晃动,注射速度不宜过快,以免引起组织损伤或药液外溢。
注射完成后,缓慢拔出注射器,用干净的消毒酒精棉球轻轻按压注射部位,以防止药液外溢。
然后丢弃使用过的注射器,并对注射器进行消毒处理,以免交叉感染。
最后,注射完成后观察注射部位是否有出血、肿胀、疼痛等情况,必要时进行冷敷或局部按摩。
注射后的患者需要保持注射部位的清洁,避免剧烈运动,注意观察药物的吸收情况和不良反应。
总之,正确的肌肉注射方法能够提高药物的吸收效率,减少不良反应的发生,对于医护人员和患者来说都是十分重要的。
在进行肌肉注射时,需要严格按照操作规程,确保注射的安全和有效。
希望本文介绍的肌肉注射方法能够对您有所帮助。
皮下注射操作规程【定义】皮下注射法(hypodermic injection,HD)将少量药液或生物制剂注入皮下组织的方法。
【目的】1.注入小计量药物,用于不宜口服给药而需在一定时间内发生药效时。
2.预防接种。
3.局部供药,如局部麻醉。
【评估】1.患者的用药史与过敏史。
2.了解注射部位有无破损、疖肿及皮下脂肪硬化、萎缩等情况。
3.所用药物可能产生的疗效、不良反应及发生不良反应的应对措施。
【计划】1.用物准备治疗盘一套,2ml注射器或专用注射器及针头,注射卡,医嘱用药。
2.患者准备向患者解释,取得配合;按需要询问药物过敏史;选择合适的注射部位。
3.环境准备按无菌要求,保持整洁、安静、光线适宜,必要时用屏风遮挡患者。
【实施】1.操作步骤2.健康教育(1)讲解药物的药名、作用,告知患者做好药疗效果观察。
(2)对需长期皮下注射者,应有计划加以培训,使患者或家属能够熟练操作。
【评价】1.正确执行无菌技术操作及查对制度。
2.步骤清晰,操作规范。
3.治疗性沟通有效,患者感觉安全并积极配合。
皮下注射操作流程皮下注射操作评分标准科室:姓名/考号:考官:肌肉注射操作规程【定义】肌肉注射法(intramuscular injection,IM)将一定量的无菌药液注入肌肉组织达到治疗疾病的一种方法。
【目的】注入药物,用于不宜或不能口服或静脉注射,且要求比皮下注射更快发生疗效时。
【评估】1.注射部位皮肤与肌肉情况。
2.患者对注射给药计划的了解、认识及合作程度。
3.所用药物可能产生的疗效与不良反应。
【计划】1.用物准备治疗盘内盛消毒用物、无菌棉签、注射器、弯盘、砂轮、按医嘱备药、包布垫、注射卡。
如注射用药为油剂或混悬液,需备较粗(7号)针头等。
2.患者准备向患者解释,取得配合;按需要询问药物过敏史;选择合适的注射部位。
3.环境准备保持安静、清洁、温度适宜,必要时用屏风或拉帘遮挡。
【实施】1.操作步骤2、健康教育(1)讲解药物的药名、作用,告知患者做好药疗效果观察。
皮内、皮下、肌肉注射操作流程
注意事项:
1. 严格遵守无菌技术操作原则及查对制度;
2. 选择合适的注射器及针头:
3. 选择合适的注射部位,防止损伤血管和神经,不能在感染、硬结及患皮肤病处进针;
4. 需长期反复肌肉注射者应有计划地更换注射部位;
5. 遇2种以上药物同时注射时,应注意配伍禁忌:
6. 切勿将针梗全部刺入,以防针梗从梗部焊接处折断:万一折断,保持局部与肢体不动,迅速用止血钳夹住断端取出。
如全部埋入肌肉内,即请外科医师行手术取出。
肌肉注射方法肌肉注射是一种常见的药物给药途径,适用于一些药物需要长时间缓慢释放或者不能经过口服消化道吸收的情况。
正确的肌肉注射方法能够确保药物的有效吸收和发挥作用,同时也能减少注射部位的不适和并发症的发生。
下面将介绍肌肉注射的方法及注意事项。
1. 准备工作。
在进行肌肉注射前,需要准备好所需的药物、注射器、消毒酒精棉球、纱布和创可贴等。
确保药物的种类、剂量和使用方法是正确的,注射器要选择适合的规格,消毒酒精棉球和纱布用于清洁和包扎注射部位,创可贴用于覆盖注射后的小创口。
2. 注射部位。
常用的肌肉注射部位包括臀部外上象限、股外侧大肌、三角肌等。
选择注射部位时,要避开静脉、神经和骨骼,确保注射到肌肉组织中。
注射部位的皮肤应干净整洁,避免在有破损或者皮肤病变的部位进行注射。
3. 注射方法。
(1)消毒,用消毒酒精棉球擦拭注射部位,从注射部位向外圆形擦拭,保持注射部位干燥。
(2)准备,将药物抽取到注射器中,排除气泡,准备好纱布和创可贴。
(3)注射,用一只手将皮肤稍微拉起,用另一只手握住注射器,以一定的角度将针头插入肌肉组织中,然后缓慢注射药物,注射完毕后缓慢拔出针头。
(4)包扎,用消毒酒精棉球轻轻按压注射部位,然后用纱布进行包扎,最后贴上创可贴。
4. 注意事项。
(1)注射前要确认药物种类、剂量和使用方法是否正确,避免因为错误使用药物导致不良反应。
(2)注射时要确保注射器无气泡,避免将空气注入体内造成空气栓塞。
(3)注射后要注意观察注射部位是否出现红肿、疼痛、渗血等情况,及时处理并避免感染。
(4)注射后要正确处理废弃的注射器和针头,避免因不当处理导致交叉感染。
总之,正确的肌肉注射方法能够确保药物的有效吸收和发挥作用,同时也能减少注射部位的不适和并发症的发生。
在进行肌肉注射时,要严格按照操作规程进行,确保注射的安全和有效性。
希望本文介绍的肌肉注射方法及注意事项能够对您有所帮助。
肌肉注射十字法名词解释肌肉注射十字法是一种用于给患者进行肌肉注射的技术方法。
在进行肌肉注射时,医务人员通常会选择注射点位,并采用适当的方法将药物或其他液体注射到患者的肌肉组织中。
而肌肉注射十字法则是一种常用的注射技术,它的名字来源于注射时所形成的注射点和注射针的交叉形状。
具体来说,肌肉注射十字法的步骤如下:1. 首先,医务人员会选择合适的注射点位。
常见的注射点位包括臀部外上象限、大腿外侧中上部、上臂三角区等。
2. 在确定注射点位后,医务人员会对该区域进行皮肤消毒,以减少感染的风险。
3. 接下来,医务人员会拿起注射器,将注射针插入皮肤,并以约90度的角度将针头插入肌肉组织中。
4. 当针头插入肌肉组织后,医务人员会先抽取一些血液,以确保针头没有进入血管。
然后,医务人员会缓慢地将药物或液体注射到肌肉中。
5. 在注射完成后,医务人员会小心地拔出针头,并对注射点位进行轻轻按压,以帮助止血和减少药物外渗。
肌肉注射十字法的优点是相对简单易行,注射效果较好。
通过交叉注射点和注射针的方式,可以增加药物在肌肉组织中的分布范围,提高药物的吸收和利用效率。
此外,该方法还可以减少注射点位的疼痛和不适感。
然而,肌肉注射十字法也有一些注意事项。
首先,医务人员在选择注射点位时需要考虑患者的年龄、体型和注射药物的特性等因素。
其次,注射时需要注意避免神经和血管的损伤,以及对注射点位进行适当的旋转,以减少肌肉组织的损伤和疼痛。
此外,在注射过程中还需要注意药物的温度和浓度,以及注射速度的控制,以确保注射的安全和有效性。
总之,肌肉注射十字法是一种常用的肌肉注射技术,通过交叉注射点和注射针的方式,可以提高药物的吸收和利用效率。
在实施该技术时,医务人员需要注意选择合适的注射点位、掌握正确的注射方法,并注意注射过程中的安全和有效性。
叙述肌肉注射操作流程
肌肉注射是一种常见的医疗操作,用于给患者注射药物或其他治疗物质。
正确的肌肉注射操作流程对于确保药物的有效输送至患者体内至关重要。
以下是肌肉注射的操作流程:
1. 准备工作:在进行肌肉注射前,医护人员需要准备好所需的药物、注射器、消毒酒精棉球、手套等工具。
确保所有工具都是干净的,并且药物的剂量是准确的。
2. 选择注射部位:常见的肌肉注射部位包括臀部、大腿外侧、上臂三角肌等。
根据患者的具体情况和注射药物的性质选择合适的注射部位。
3. 消毒皮肤:在注射部位周围用消毒酒精棉球擦拭皮肤,确保注射部位干净无菌。
4. 抓紧皮肤:用一只手将注射部位的皮肤稍微拉紧,以便插入注射针时更容易穿透皮肤。
5. 插入注射针:将注射器中的药液慢慢注入肌肉组织中。
注射针应该以一个45度的角度插入皮肤,然后缓慢地将药物注入肌肉。
6. 拔出注射针:在注射完成后,缓慢地拔出注射针,并用消毒酒精棉球轻轻按压注射部位,以防止药物外溢。
7. 处理废弃物:将用过的注射器和针头放入专用的废弃物容器中,确保安全处理医疗废物。
8. 观察患者反应:在注射完成后,医护人员需要观察患者的反应,确保没有出现异常情况。
肌肉注射是一种常见的医疗操作,但是在进行操作时需要严格遵守操作规程,确保注射的安全和有效性。
医护人员需要具备专业的技能和经验,以确保患者得到最佳的治疗效果。
希望以上的肌肉注射操作流程能够对您有所帮助。
肌肉注射操作流程与患者沟通和安抚技巧肌肉注射是临床医学中常用的一种治疗方法,通过将药物注射入肌肉组织,以达到治疗疾病或缓解症状的目的。
对于患有疾病的患者来说,肌肉注射操作的准确性以及与患者的沟通和安抚是至关重要的。
本文将介绍肌肉注射的操作流程,并提供一些与患者沟通和安抚的技巧。
一、肌肉注射的操作流程1.准备工作在进行肌肉注射前,医务人员需准备好所需的药物、注射器、消毒液和棉签等器具。
同时,确保操作环境干净整洁,并佩戴好手套。
2.选择注射部位根据医嘱和患者的具体情况,选择合适的注射部位。
常用的注射部位包括臀部上外侧,大腿外侧中上二分之一等。
3.皮肤消毒用消毒液对注射部位进行彻底消毒,可使用纱布或棉花球蘸取消毒液,以圆周运动轻轻擦拭数次,待干燥。
4.药物准备将需要注射的药物抽取到注射器中,并检查药物名称和剂量是否准确无误。
5.进针注射握住注射器,以30-45度的角度迅速将针头插入选择好的注射部位,注意速度要均匀稳定。
当针头完全进入肌肉组织后,首先要放慢注射速度,观察患者的反应。
6.注射药物缓慢地推动注射器活塞,使药物逐渐进入肌肉组织。
过程中需关注患者的感觉,如有异常情况应立即停止注射。
7.拔针在完成注射后,缓慢地、均匀地拔出注射针,用棉球或消毒纱布轻轻按住注射部位,以帮助止血并减少疼痛。
二、与患者沟通和安抚技巧1.解释过程在进行肌肉注射前,向患者解释整个操作过程,包括选择注射部位的原因、药物的作用和可能的副作用等。
让患者了解到每个步骤的必要性,以增加他们对操作的信任和理解。
2.倾听和回应在注射过程中,与患者保持良好的沟通。
倾听他们的疑虑和担忧,并提供积极的回应和解答。
例如,患者可能担心疼痛,医务人员可以向其保证会尽可能减少疼痛感。
3.分散注意力在注射的同时,可以与患者进行交谈,分散他们的注意力。
可以谈论一些轻松愉快的话题,使患者感到舒适和放松。
4.提供温暖和安慰在操作过程中,医务人员需要给予患者足够的温暖和安慰。
把药液注射到肌肉里的原理药物注射到肌肉中的原理是通过将药物直接注射到肌肉组织中,利用肌肉的血液循环将药物输送到全身各个组织和器官。
这种途径可以避开胃肠道消化吸收的过程,直接将药物传递到血液中,从而实现快速、有效的药效。
药物被注射到肌肉中后,通过肌肉的血管网络将药物迅速传送到全身各个组织和器官。
注射药物能够绕过肠道系统,避免药物的吸收受到胃酸、胃液和肠道酶等因素的影响,从而保证药物在全身范围内均匀分布。
肌肉注射途径有一定的生理优势,即药物在注射部位的组织容量大,因而可以注射相对较大的药物剂量,从而提高药物的疗效。
此外,肌肉注射在一些情况下可以更加便利,比如对于不能口服或者不能静脉注射的患者等。
药物注射到肌肉中的具体过程分为以下几个步骤:1.注射部位的选择:一般来说,肌肉注射采用吸收能力较好的肌肉部位,如上臂三角肌、臀部(臀大肌)、大腿前外侧(股四头肌)等肌肉。
2.药液注射:选定注射部位后,需要采取无菌操作,用酒精或者其他消毒剂清洁注射部位,然后使用注射器将药液慢慢注射到肌肉组织中。
3.吸收与分布:注射后,药物会通过肌肉组织的血管网络被迅速吸收,并通过循环系统输送到全身各个组织器官。
药物的分布速度与药物的性质、注射部位的血液灌注情况、注射部位的肌肉组织容量等因素相关。
4.代谢与排泄:药物在体内经过代谢作用,转化成为活性物质或者代谢产物,然后通过肝脏、肾脏等排泄途径进行排出体外。
肌肉注射是一种相对安全和常用的药物给药途径,但仍然需要注意一些问题。
例如,在注射过程中需要注射器的无菌操作,以避免感染。
同时,药物的剂量、频率和注射部位等也需要依照医生的指导进行合理的选择。
总体而言,药物注射到肌肉中的原理是通过将药物直接注射到肌肉组织中,利用肌肉的血液循环将药物输送到全身各个组织和器官。
这种途径可以绕过胃肠道吸收,快速、有效地发挥药物的作用。
临床肌肉注射流程
临床肌肉注射流程包括以下几个步骤:
1.确认患者身份:医务人员在进行肌肉注射前,要确认患者的
身份,核对患者的个人信息,以避免错误注射。
2.准备药物和器材:医务人员根据医嘱,准备所需的药物和器材。
药物可能是注射液、悬浮液、粉剂等,器材包括注射器、针头、棉球、酒精棉球等。
3.选择注射部位:常用的肌肉注射部位有上臂三角肌前部、臀
部上外侧部、股四头肌等。
医务人员根据药物性质、注射部位的易操作性和患者的具体情况,选择合适的部位。
4.消毒皮肤:医务人员使用酒精棉球或其他消毒液,对注射部
位进行消毒,以减少感染的风险。
消毒应从注射点向周围开展,保证注射部位的整个范围都得到充分消毒。
5.注射药物:医务人员抓住患者的肌肉注射部位,将注射器垂
直插入皮肤,并保证针头完全进入肌肉层。
然后缓慢地注射药液,注意不要过快过多地注射,以避免不良反应。
6.拔出注射器:在完成注射后,医务人员等待片刻,以确保药
液不会溢出。
然后缓慢拔出注射针,然后用棉球轻轻按压注射点,以避免药液的溢出和渗出。
7.处理废弃物:将已使用的注射器、针头和其他废弃物放入专
门的废弃物容器,以确保安全处理。
8.记录注射过程:医务人员在患者的病历中记录每次注射的药物名称、剂量、注射部位和时间等重要信息,以便于后续的照顾和监测。
需要注意的是,在进行肌肉注射前,医务人员应对患者的病情进行全面评估,确定该方式的适用性,并告知患者注射的目的和可能的不良反应。
在注射过程中,医务人员应保持清洁、细心和温和,以确保患者的安全和舒适。
肌肉注射
用物准备:注射药物、无菌注射器、艾尔碘、棉签、砂轮、弯盘、锐器盒。
着装整洁,洗手,携用物至患者床旁,核对床号、治疗护理项目执行单,
你好,请问您叫什么名字?王新
我来核对一下您的腕带(折被一角,核对患者床号、姓名、性别、住院号,放好被子。
你好王新,今天感觉怎么样啊?感觉还可以,
今天遵医嘱给您肌肉注射注VB12,主要作用是营养神经的,今天为您进行右侧臀部肌肉注射,请您不要紧张,现在可以开始了吗?可以,好的请稍等,我先拉上床幔,(注意遮挡患者,保护患者隐私)。
(戴口罩),王新,我先看一下您臀部的皮肤情况,可以吗?可以。
(协助患者取左侧卧位,嘱下腿弯曲,上腿伸直,使注射部位肌肉放松,暴露臀部,评估患者局部皮肤情况)臀部皮肤完好无破损,无红肿硬结,(放好被子)。
(核对药物,检查药液质量及有效期,消毒安剖,打开安剖,检查注射器有效期及包装有无破损,旋紧针头,调整针头斜面,检查针头是否锐利、有无弯曲,注意持针管的手法,抽吸药液,安剖套在针头上,放在治疗盘上,)
现在给您选择一下注射部位,(十字法:从臀裂顶点向外侧做一水平线,从髂脊最高点做一垂直线,即为注射部位。
连线法:取髂前上脊与尾骨连线的外1/3交界处即为注射部位)(消毒皮肤,直径大于5厘米,注意消毒手法)
是一床王新对吗?对是的。
手拿棉棒,(操作中再次核对药物)排气,安剖放在治疗车上。
王新,我现在要开始给您打针了,请不要紧张,(左手绷紧注射部位皮肤,迅速垂直进针,深度为针梗的1/2——2/3,抽吸无回血方可注射药物)
王新,现在感觉怎么样?稍有点疼,请您放松,不要紧张,我会慢慢给您推药的。
王新,现在药物已经注射完了,感觉好些了吗?不是很疼了。
(协助患者取舒适卧位,在治疗护理项目执行单上签字,操作后再次核对安剖,核对后扔锐器盒,再与患者核对)
是1床王新对吗?对,是的。
(把执行单放车上,拉上床幔)
王新,现在药物给您注射完了,有什么不舒服的感觉吗?没有
好,呼叫器我给您放在枕边,如有不适及时叫我,我也会随时来看您的
这样躺着可以吗?可以
好的,谢谢您的配合。
您先休息,再见。