【设计图纸】电气符号-发电机(精选CAD图例)
- 格式:dwg
- 大小:23.93 KB
- 文档页数:1
建筑电气工程图形符号安装工程常用图形符号一、电气工程图形符号1、电气工程图形符号(P2)2、机械控制图形符号(P13)3、操作件和操作方法(P14)4、非电量控制及其他(导线的连接,交流器方框符号,电动机启动器的方框符号,接近和接触敏感器件,电力、照明和电信布置插座,电力、照明和电信布置开关)(P15)5、图集使用的范例和说明(P19)6、在工程平面图中标注的各种符号与代表名称(P25)7、表达线路敷设方式标注的文字代号(P26)8、表达线路敷设部位标注的文字代号(P27)9、表达照明灯具安装方式标注的文字代号(P27)二、管道工程图形符号1、管道及附件(P28)2、管道的连接(P29)3、阀门图形符号(P30)4、卫生器具及水池图形符号(P31)5、设备及仪表图形符号(P32)三、暖通工程图形符号1、图样线型(P33)2、风管及部件(P33)3、通风空调设备(P34)4、阀门(P35)(一)、电气工程图形符号序号图形符号说明1 开关(机械式)2 多级开关一般符号单线表示3 多级开关一般符号多线表示4 接触器(在非动作位置触点断开)5 接触器(在非动作位置触点闭合)6 负荷开关(负荷隔离开关)7 具有自动释放功能的负荷开关8 熔断器式断路器9 断路器10 隔离开关11 熔断器一般符号12 跌落式熔断器13 熔断器式开关14 熔断器式隔离开关15 熔断器式负荷开关序号图形符号说明16 当操作器件被吸合时延时闭合的动合触点17 当操作器件被释放时延时闭合的动合触点18 当操作器件被释放时延时闭合的动断触点19 当操作器件被吸合时延时闭合的动断触点20 当操作器件被吸合时延时闭合和释放时延时断开的动合触点21 按钮开关(不闭锁)22 旋钮开关、旋转开关(闭锁)23 位置开关,动合触点限制开关,动合触点24 位置开关,动断触点限制开关,动断触点25 热敏开关,动合触点注:θ可用动作温度代替26 热敏自动开关,动断触点注:注意区别此触点和下图所示热继电器的触点27 具有热元件的气体放电管荧光灯起动器28 动合(常开)触点注:本符号也可用作开关一般符号29 动断(常闭)触点30 先断后合的转换触点(一)电气工程图形符号--续表序号图形符号说明31 当操作器件被吸合或释放时,暂时闭合的过渡动合触点32 座(内孔的)或插座的一个极33 插头(凸头的)或插头的一个极34 插头和插座(凸头的和内孔的)35 接通的连接片36 换接片37 双绕组变压器38 三绕组变压器39 自耦变压器40 电抗器扼流图41 电流互感器脉冲变压器42 具有两个铁芯和两个二次绕组的电流互感器43 在一个铁芯上具有两个二次绕组的电流互感器44 具有有载分接开关的三相三绕组变压器,有中性点引出线的星形-三角形连接45 三相三绕组变压器,两个绕组为有中性点引出线的星形,中性点接地,第三绕组为开口三角形连接(一)电气工程图形符号--续表序号图形符号说明46 三相变压器星形-三角形连接47 具有有载分接开关的三相变压器星形-三角形连接48 三相变压器星形-曲折形连接49 操作器件一般符号50////**具有两个绕组的操作器件组合表示法51 热继电器的驱动器件52 气体继电器53 自动重闭合器件54 电阻器一般符号55 可变电阻器可调电阻器56 滑动触点电位器57 预调电位器58 电容器一般符号59 可变电容器可调电容器60 双联同调可变电容器(一)电气工程图形符号--续表序号图形符号说明61 指示仪表(星号必须按规定予以代表)62 电压表63 电流表64 无功电流表65 最大需量指示器(由一台积算仪表操作的)66 无功功率表67 功率因素表68 频率表69 温度计、高温计(θ可由t代替)70 转速表71 积算仪表、电能表(星号必须按规定予以代替)72 安培小时计73 电能表(瓦特小时表)74 无功电能表75 带发送器电能表76 由电能表操纵的遥测仪表(转发器)77 由电能表操纵的带有打印器材的遥测仪表(转发器)78 屏、盘、架一般符号注:可用文字符号或型号表示设备名称79 列架一般符号80 人工交换台、中断台、测量台、业务台等一般符号(一)电气工程图形符号--续表序号图形符号说明81 总配线架82 中间配线架83 走线架、电缆走道84 地面上明装走线槽85 地面下暗装走线槽86 交流母线87 直流母线88 装在支柱上的封闭式母线89 母线伸缩接头90 中性线91 保护线92 保护和中性共用线93 具有保护和中性的三相配线94 滑触线95 地下线路96 架空线路97 管道线路98 多孔(如6孔)管道线路99 具有埋入地下连接点的线路100 水下线路101 沿建筑物明敷设通信线路102 沿建筑物暗敷设通信线路103 电气排流电缆104 挂在钢索上的线路105 用单线表示的多回线路(或电缆管束)106 导线、导线组、电路线路、母线一般符号107 三根导线108 四根导线109 事故照明线110 50V及其以下电力及照明线路(一)电气工程图形符号--续表序号图形符号说明111 控制及信号线路(电力及照明用)112 原电池或蓄电池113 原电池组或蓄电池组114 带抽头的原电池组或蓄电池组115 接地一般符号116 接机壳或接底板117 无噪声接地118 保护接地119 等电位120 电缆终端头121 电力电缆直通接线盒122 电力电缆连接盒电力电缆分线盒123 控制和指示设备124 报警启动装置(点式-手动或自动) 125 线型探测器126 火灾报警装置127 热128 烟129 易爆气体130 手动启动序号图形符号说明131 电铃132 扬声器133 发声器134 电话机135 照明信号136 手动报警器137 感烟火灾探测器138 感温火灾探测器139 气体火灾探测器140 火警电话机141 报警发声器142 有视听信号的控制和显示设备143 在专用电路上的事故照明灯144 自带电源的事故照明灯装置(应急灯) 145 警卫信号探测器146 警卫信号区域报警器147 警卫信号总报警器148 逃生路线,逃生方向149 逃生路线,最终出品150 二氧化碳消防设备辅助符合152 氧化剂消防设备辅助符号153 卤代烷消防设备辅助符号2、机械控制序号国家标准图形符号说明1 机械的连接气动的连接液压的连接2 具有力或者运动指示方向的机械连接3 延时动作注:三角为指向返回方向4 自动复位注:三角为指向返回方向5 定位非自动复位6 脱离定位7 进入定位8 两器件间的机械联锁9 脱扣的锁扣器件10 扣住的锁扣器件11 堵塞器件12 向左边移动被堵塞的已堵住的堵塞器件13 机械联轴器、离合器14 脱开的机械联轴器15 连接的机械联轴器3、操作件和操作方法17 一般情况下手动控制18 受限制的手动控制19 拉拔控制20 旋转控制序号国家标准图形符号说明21 推动操作22 接近效应操作23 接触效应操作24 紧急开关25 手轮操作26 脚踏操作27 杠杆操作28 可拆卸的手柄操作29 钥匙操作30 曲柄操作31 滚轮操作32 凸轮操作33 过电流保护的电磁操作34 电磁执行器操作35 热执行器操作36 电动机操作37 电钟操作4、非电量控制及其他38 液位控制39 计数控制40 流体控制41 气流控制42 温度控制(θ可用t代替)43 压力控制44 滑动控制45 端子导线的连接46 可拆卸的端子47 连接点交流器方框符号48 交换器一般符号转换器一般符号49 直流交流器50 整流器51 桥式全波整流器52 逆变器53 整流器/逆变器电动机启动器的方框符号54 电动机起动器的一般符号55 步进起动器56 调节-起动器57 带自动释放的起动器58 可逆式电动机直接在线接触器式起动器可逆式电动机满压接触器式起动器59 星-三角起动器60 自耦变压器式起动器61 带可控整流器的调节-起动器接近和接触敏感器件62 接近传感器63 接触传感器64 接近开关动合触点65 接触敏感开关动合触点66 磁铁接近时动作的接近开关,动合触点67 铁接近时动作的接近开关,动断触点电力、照明和电信布置插座68 单相插座69 暗装单相插座70 密闭(防水)单相插座71 防爆单相插座72 带保护触点插座带接地插孔的单相插座73 带接地插孔的暗装单相插座74 带接地插孔的密闭(防水)单相插座75 带接地插孔的防爆单相插座76 带接地插孔的三相插座77 带接地插孔的暗装三相插座78 带接地插孔的密闭(防水)三相插座79 带接地插孔的防爆三相插座80 插座箱(板)序号国家标准图形符号说明81 多个插座(示出3个)82 具有单极开关的插座83 具有隔离变压器的插座84 带熔断器的插座电力、照明和电信布置开关85 开关一般符号86 单极开关87 暗装单极开关88 密闭(防水)单极开关89 防爆单极开关90 双极开关91 暗装双极开关92 密闭(防水)双极开关93 防爆双极开关94 三极开关95 暗装三极开关96 密闭(防水)三极开关97 防爆三极开关98 单极拉线开关99 单极限时开关100 具有指示灯的开关101 双极开关(单极三线)102 调光器5、图集使用的范例和说明图形符号图集使用的范例和说明国标名称型号、规格、做法说明变电所室外箱式变电所杆上变电所屏、台、箱、柜的一般符号配电室及进线用开关柜多种电源配电箱(盘) 画于墙外为明装,除注明外底边边距地1.2米画于墙内为暗装,除注明外底边边距地1.4米电力配电箱(盘)照明配电箱(盘) 画于墙外为明装,除注明外底边边距地2.0米,明装电能表板底距地1.8米画于墙内为暗装,除注明外底边边距地1.4米,明装电能表板底距地1.8米电源切换箱(盘) 画于墙外为明装,除注明外底边边距地1.2米画于墙内为暗装,除注明外底边边距地1.4米事故照明配电箱(盘) 画于墙外为明装,除注明外底边边距地1.2米画于墙内为暗装,除注明外底边边距地1.4米组合开关箱画于墙外为明装,除注明外底边边距地1.2米 画于墙内为暗装,除注明外底边边距地1.4米电铃操作盘除注明外,底边距地1.2米吹风机操作盘 距地1.2米,容量见设计图纸配电盘编号 圈内的数字为动力或照明的编号交流电动机除注明外,只做出线口,防水弯头距机座0.2米,均附接地螺丝按钮盒 圈或点数表示按钮数,除注明外,均为明装,距地 1.4米,按钮组合排列见设计图 立柱式按钮箱 风扇一般符号 除注明外,只做出线盒及吊钩 暖风机或冷风机 轴流风扇风扇电阻开关 除注明外,距地1.4米 电铃 除注明外,距地0.3米号志箱交流电钟 除注明外,只做出线口(明线时,用明插座),距顶0.3米明装单相二级插座250伏-10安,距地0.3米,居民住宅及儿童活动场所应注意安全插座,如采用普通插座时,应距地1.8米(见本表注)明装单相三极插座(带接地)明装单相四级插座(带接地) 380伏-15安,25安,距地0.3米暗装单相二级插座250伏-10安,距地0.3米,居民住宅及儿童活动场所应注意安全插座,如采用普通插座时,应距地1.8米(见表下注)明装单相三极插座(带接地)明装单相四级插座(带接地)380伏-15安,25安,距地0.3米,容量选用见设计图暗装单相二级防脱250伏-10安,距地0.3米,居民住宅及儿童活动场所应锁紧型插座注意安全插座,如采用普通插座时,应距地1.8米国标名称型号、规格、做法说明暗装单相三极防脱锁紧型插座(带接地) 250伏-10安,距地0.3米,居民住宅及儿童活动场所应采用安全插座,如采用普通插座时,应距地1.8米暗装三相四极防脱锁紧型插座(带接地)380伏-20安,距地0.3米安装T型插座50伏-10安,距地0.3米(见表注) 暗装调光开关调光开关,距地1.4米(见表注) 金属地面出线盒防水拉线开关(单相二线)250伏-3安,瓷制拉线开关(单极二线)250伏-3安拉线双控开关(单极三线)250伏-3安吊线灯附装拉线开关250伏-3安(立轮式),开关绘制方向表示拉线开关的安装方向明装单极开关(单极二线)跷板式开关,250伏-6安(见表注)暗装单极开关(单极二线)跷板式开关,250伏-6安(见表注)明装双控开关(单极三线)跷板式开关,250伏-6安(见表注)暗装双控开关(单极三线)跷板式开关,250伏-6安(见表注)暗装按钮式定时开关250伏-6安(见表注)暗装拉线式定时开关250伏-6安暗装拉线式多控开关250伏-6安暗装按钮式多控开关 250伏-6安电铃开关 250伏-6安天棚灯座(裸灯头)容量和安装方式见设计图墙上灯座(裸灯头)各灯具一般符号灯具型号见本图集花灯符号下面的数字,为选用本图集中待选定型灯具的设计编号非定型特制灯具 具体要求详见工程图注,下面数字为区别种类的编号 荧光灯列(带状排列荧光灯) 规格、容量、型号、数量按工程设计图要求,施工中一般均应用高效节能型荧光灯灯具及与其配套的高可靠、高功率因素(>0.95)的交流电子镇流器单管荧光灯 双管荧光灯 三管荧光灯 荧光灯花灯组合 防爆型光灯投光灯规格、容量详见设计图注图形符号 图 集 使 用 的 范 例 和 说 明 国 标名 称 型号、规格、做法说明电源引入线 除注明外,架空引入时,高度与一层顶板同一般电杆 除有设计图或说明外,均按本图集 带照明灯具的电杆带照明灯具的电杆及投照方向 拉线的一般符号带撑杆的电杆带高桩拉线的电杆交流配电线路铝芯导线时为2根铜芯导线时为2根导线型号的选择详见工程设计说明;除工程设计图中注明外,暗敷时,按图集JD5-605~607选配相应的管径及线槽交流配电线路铝芯导线时为3根铜芯导线时为3根交流配电线路铝芯导线时为4根铜芯导线时为4根交流配电线路铝芯导线时为5根铜芯导线时为5根交流配电线路铝芯导线时为6根铜芯导线时为6根支路编号电缆穿管(钢管、非金属管)保护管径规格见具体工程图注中途穿线盒或分线盒做法见伸缩缝穿线盒做法见电缆人孔除注明外,见电缆手孔管线引向符号引上,引下,由上引来,由下引来,引上并引下,由上引来再引下,由下引来再引上电缆桥架封闭式母线引向符号线槽引上,引下,由上引来,由下引来,引上并引下,由上引来再引下,由下引来再引上避雷线除注明外,见避雷针双极带熔断器开关除注明外,均为HK1型单相胶壳闸三极带熔断器开关除注明外,均为HK1型三相胶壳闸双极带熔断器开关除注明外,均为HH3或HH4型单相铁壳开关三极带熔断器开关除注明外,均为HH3或HH4型三相铁壳开关双极三相转换开关除注明外,均为两电流切换开关三相低压断路器规格、型号详见工程图注跌落式熔断器除注明外,均为RW3-10型户外跌落式熔断器除注明外,均为RW4-10型户外跌落式熔断器熔断器式隔离开关除注明外,均为HR3型熔断器式隔离开关图形符号图集使用的范例和说明国标名称型号、规格、做法说明熔断器除注明外,均为RC1A瓷插式熔断器指示式电流表、电压表除注明外,为1T1-A型交流电流表除注明外,为1T1-V型交流电压表有功电能表除注明外,均由供电部门备料安装(虚线时为表位) 无功电能表除注明外,均由供电部门备料安装(虚线时为表位) 安培表的换相开关伏特表的换相开关壁龛电话交接箱除注明外,暗装距地0.3米室内电话分线盒除注明外,只做出线口,暗装距地0.3米扬声器除注明外,距顶板0.5米广播分线箱(盘) 除注明外,暗装距地0.3米电话线路末端线路,简化标注时,只注明电话对数RVB(2×0.2) 暗装时穿管1对1(2×0.2)SC15、PC15、TC20、FEC15、(KRG)202对2(2×0.2)3对3(2×0.2)4对4(2×0.2)5对5(2×0.2)广播线路除注明外,同电话线路注法,导线穿管见JD50-608电视线路除注明外,电缆采用SYY-75-5-1型,穿(KRG)15、FEC15、TC15,明、暗敷设有设计定设计照度表示100勒克司安装或敷设高度(米) 自室内该处地面算起安装或敷设高度(米) 自室外该处地面算起消防专用按钮SFAN-1型实验室用暗装塑料插销组板安装高度:除注明者外,距地1.2米;装于依墙实验台处,距台面上0.3米实验室用暗装插销组板安装高度:除注明者外,距地1.2米;装于依墙实验台处,距台面上0.3米实验室插销组板、箱编号圈内数字:A为分盘号;B为设计选定插销组板或箱的排列方案实验室明装接地端子板右下角数字表示安装接地端子的节数,由设计选定.安装高度:除注明外,距地3米实验室暗装接地端子箱接地接线柱板采用633型100安接线柱组合6、在工程平面图中标注的各种符号与代表名称在用电设备或电动机出线口处标写格式在电力或照明设备一般的标注方法在配电线路上的标写格式a-----设备编号;b-----额定功率(千瓦); c-----路线首端熔断片或自动开关释放的电流(安); d-----标高(米); a-----设备编号;b-----设备型号;c-----设备功率(千瓦);d-----导线型号;e-----导线根数;f-----导线截面(毫米2);g-----导线敷设方式及部位末端支路只注编号时为:a-----回路编号;b-----导线型号;c-----导线根数;d-----导线截面;e-----敷设方式及穿管管径;f-----敷设部位;交流电对照明灯具的表达格式m-----交流系统电源第三相;f-----交流系统设备端第一相; U-----交流系统设备端第二相; 例:交流三相带中性线表示如下: 3N~50赫,380伏N-----中性线a-----灯具数;b-----型号或编号;c-----每盏灯的灯泡数或灯管数; d-----灯泡容量(瓦);L-----光源种类;e-----安装高度(米);f-----安装方式注:1.安装高度:壁灯时,指灯具中心与地距离;吊灯时,为灯具底部与地距离。
建筑电气工程图形符号安装工程常用图形符号一、电气工程图形符号1、电气工程图形符号(P2)2、机械控制图形符号(P13)3、操作件和操作方法(P14)4、非电量控制及其他(导线的连接,交流器方框符号,电动机启动器的方框符号,接近和接触敏感器件,电力、照明和电信布置插座,电力、照明和电信布置开关)(P15)5、图集使用的范例和说明(P19)6、在工程平面图中标注的各种符号与代表名称(P25)7、表达线路敷设方式标注的文字代号(P26)8、表达线路敷设部位标注的文字代号(P27)9、表达照明灯具安装方式标注的文字代号(P27)二、管道工程图形符号1、管道及附件(P28)2、管道的连接(P29)3、阀门图形符号(P30)4、卫生器具及水池图形符号(P31)5、设备及仪表图形符号(P32)三、暖通工程图形符号1、图样线型(P33)2、风管及部件(P33)3、通风空调设备(P34)4、阀门(P35)(一)、电气工程图形符号序号图形符号说明1 开关(机械式)2 多级开关一般符号单线表示3 多级开关一般符号多线表示4 接触器(在非动作位置触点断开)5 接触器(在非动作位置触点闭合)6 负荷开关(负荷隔离开关)7 具有自动释放功能的负荷开关8 熔断器式断路器9 断路器10 隔离开关11 熔断器一般符号12 跌落式熔断器13 熔断器式开关14 熔断器式隔离开关15 熔断器式负荷开关序号图形符号说明16 当操作器件被吸合时延时闭合的动合触点17 当操作器件被释放时延时闭合的动合触点18 当操作器件被释放时延时闭合的动断触点19 当操作器件被吸合时延时闭合的动断触点20 当操作器件被吸合时延时闭合和释放时延时断开的动合触点21 按钮开关(不闭锁)22 旋钮开关、旋转开关(闭锁)23 位置开关,动合触点限制开关,动合触点24 位置开关,动断触点限制开关,动断触点25 热敏开关,动合触点注:θ可用动作温度代替26 热敏自动开关,动断触点注:注意区别此触点和下图所示热继电器的触点27 具有热元件的气体放电管荧光灯起动器28 动合(常开)触点注:本符号也可用作开关一般符号29 动断(常闭)触点30 先断后合的转换触点(一)电气工程图形符号--续表序号图形符号说明31 当操作器件被吸合或释放时,暂时闭合的过渡动合触点32 座(内孔的)或插座的一个极33 插头(凸头的)或插头的一个极34 插头和插座(凸头的和内孔的)35 接通的连接片36 换接片37 双绕组变压器38 三绕组变压器39 自耦变压器40 电抗器扼流图41 电流互感器脉冲变压器42 具有两个铁芯和两个二次绕组的电流互感器43 在一个铁芯上具有两个二次绕组的电流互感器44 具有有载分接开关的三相三绕组变压器,有中性点引出线的星形-三角形连接45 三相三绕组变压器,两个绕组为有中性点引出线的星形,中性点接地,第三绕组为开口三角形连接(一)电气工程图形符号--续表序号图形符号说明46 三相变压器星形-三角形连接47 具有有载分接开关的三相变压器星形-三角形连接48 三相变压器星形-曲折形连接49 操作器件一般符号50////**具有两个绕组的操作器件组合表示法51 热继电器的驱动器件52 气体继电器53 自动重闭合器件54 电阻器一般符号55 可变电阻器可调电阻器56 滑动触点电位器57 预调电位器58 电容器一般符号59 可变电容器可调电容器60 双联同调可变电容器(一)电气工程图形符号--续表序号图形符号说明61 指示仪表(星号必须按规定予以代表)62 电压表63 电流表64 无功电流表65 最大需量指示器(由一台积算仪表操作的)66 无功功率表67 功率因素表68 频率表69 温度计、高温计(θ可由t代替)70 转速表71 积算仪表、电能表(星号必须按规定予以代替)72 安培小时计73 电能表(瓦特小时表)74 无功电能表75 带发送器电能表76 由电能表操纵的遥测仪表(转发器)77 由电能表操纵的带有打印器材的遥测仪表(转发器)78 屏、盘、架一般符号注:可用文字符号或型号表示设备名称79 列架一般符号80 人工交换台、中断台、测量台、业务台等一般符号(一)电气工程图形符号--续表序号图形符号说明81 总配线架82 中间配线架83 走线架、电缆走道84 地面上明装走线槽85 地面下暗装走线槽86 交流母线87 直流母线88 装在支柱上的封闭式母线89 母线伸缩接头90 中性线91 保护线92 保护和中性共用线93 具有保护和中性的三相配线94 滑触线95 地下线路96 架空线路97 管道线路98 多孔(如6孔)管道线路99 具有埋入地下连接点的线路100 水下线路101 沿建筑物明敷设通信线路102 沿建筑物暗敷设通信线路103 电气排流电缆104 挂在钢索上的线路105 用单线表示的多回线路(或电缆管束)106 导线、导线组、电路线路、母线一般符号107 三根导线108 四根导线109 事故照明线110 50V及其以下电力及照明线路(一)电气工程图形符号--续表序号图形符号说明111 控制及信号线路(电力及照明用)112 原电池或蓄电池113 原电池组或蓄电池组114 带抽头的原电池组或蓄电池组115 接地一般符号116 接机壳或接底板117 无噪声接地118 保护接地119 等电位120 电缆终端头121 电力电缆直通接线盒122 电力电缆连接盒电力电缆分线盒123 控制和指示设备124 报警启动装置(点式-手动或自动) 125 线型探测器126 火灾报警装置127 热128 烟129 易爆气体130 手动启动序号图形符号说明131 电铃132 扬声器133 发声器134 电话机135 照明信号136 手动报警器137 感烟火灾探测器138 感温火灾探测器139 气体火灾探测器140 火警电话机141 报警发声器142 有视听信号的控制和显示设备143 在专用电路上的事故照明灯144 自带电源的事故照明灯装置(应急灯) 145 警卫信号探测器146 警卫信号区域报警器147 警卫信号总报警器148 逃生路线,逃生方向149 逃生路线,最终出品150 二氧化碳消防设备辅助符合152 氧化剂消防设备辅助符号153 卤代烷消防设备辅助符号2、机械控制序号国家标准图形符号说明1 机械的连接气动的连接液压的连接2 具有力或者运动指示方向的机械连接3 延时动作注:三角为指向返回方向4 自动复位注:三角为指向返回方向5 定位非自动复位6 脱离定位7 进入定位8 两器件间的机械联锁9 脱扣的锁扣器件10 扣住的锁扣器件11 堵塞器件12 向左边移动被堵塞的已堵住的堵塞器件13 机械联轴器、离合器14 脱开的机械联轴器15 连接的机械联轴器3、操作件和操作方法17 一般情况下手动控制18 受限制的手动控制19 拉拔控制20 旋转控制序号国家标准图形符号说明21 推动操作22 接近效应操作23 接触效应操作24 紧急开关25 手轮操作26 脚踏操作27 杠杆操作28 可拆卸的手柄操作29 钥匙操作30 曲柄操作31 滚轮操作32 凸轮操作33 过电流保护的电磁操作34 电磁执行器操作35 热执行器操作36 电动机操作37 电钟操作4、非电量控制及其他38 液位控制39 计数控制40 流体控制41 气流控制42 温度控制(θ可用t代替)43 压力控制44 滑动控制45 端子导线的连接46 可拆卸的端子47 连接点交流器方框符号48 交换器一般符号转换器一般符号49 直流交流器50 整流器51 桥式全波整流器52 逆变器53 整流器/逆变器电动机启动器的方框符号54 电动机起动器的一般符号55 步进起动器56 调节-起动器57 带自动释放的起动器58 可逆式电动机直接在线接触器式起动器可逆式电动机满压接触器式起动器59 星-三角起动器60 自耦变压器式起动器61 带可控整流器的调节-起动器接近和接触敏感器件62 接近传感器63 接触传感器64 接近开关动合触点65 接触敏感开关动合触点66 磁铁接近时动作的接近开关,动合触点67 铁接近时动作的接近开关,动断触点电力、照明和电信布置插座68 单相插座69 暗装单相插座70 密闭(防水)单相插座71 防爆单相插座72 带保护触点插座带接地插孔的单相插座73 带接地插孔的暗装单相插座74 带接地插孔的密闭(防水)单相插座75 带接地插孔的防爆单相插座76 带接地插孔的三相插座77 带接地插孔的暗装三相插座78 带接地插孔的密闭(防水)三相插座79 带接地插孔的防爆三相插座80 插座箱(板)序号国家标准图形符号说明81 多个插座(示出3个)82 具有单极开关的插座83 具有隔离变压器的插座84 带熔断器的插座电力、照明和电信布置开关85 开关一般符号86 单极开关87 暗装单极开关88 密闭(防水)单极开关89 防爆单极开关90 双极开关91 暗装双极开关92 密闭(防水)双极开关93 防爆双极开关94 三极开关95 暗装三极开关96 密闭(防水)三极开关97 防爆三极开关98 单极拉线开关99 单极限时开关100 具有指示灯的开关101 双极开关(单极三线)102 调光器5、图集使用的范例和说明图形符号图集使用的范例和说明国标名称型号、规格、做法说明变电所室外箱式变电所杆上变电所屏、台、箱、柜的一般符号配电室及进线用开关柜多种电源配电箱(盘)画于墙外为明装,除注明外底边边距地1.2米画于墙内为暗装,除注明外底边边距地1.4米电力配电箱(盘)照明配电箱(盘) 画于墙外为明装,除注明外底边边距地2.0米,明装电能表板底距地1.8米画于墙内为暗装,除注明外底边边距地1.4米,明装电能表板底距地1.8米电源切换箱(盘) 画于墙外为明装,除注明外底边边距地1.2米画于墙内为暗装,除注明外底边边距地1.4米事故照明配电箱(盘) 画于墙外为明装,除注明外底边边距地1.2米画于墙内为暗装,除注明外底边边距地1.4米组合开关箱画于墙外为明装,除注明外底边边距地1.2米 画于墙内为暗装,除注明外底边边距地1.4米电铃操作盘除注明外,底边距地1.2米吹风机操作盘 距地1.2米,容量见设计图纸配电盘编号 圈内的数字为动力或照明的编号交流电动机除注明外,只做出线口,防水弯头距机座0.2米,均附接地螺丝按钮盒 圈或点数表示按钮数,除注明外,均为明装,距地 1.4米,按钮组合排列见设计图 立柱式按钮箱 风扇一般符号 除注明外,只做出线盒及吊钩 暖风机或冷风机 轴流风扇风扇电阻开关 除注明外,距地1.4米 电铃 除注明外,距地0.3米 号志箱交流电钟 除注明外,只做出线口(明线时,用明插座),距顶0.3米明装单相二级插座250伏-10安,距地0.3米,居民住宅及儿童活动场所应注意安全插座,如采用普通插座时,应距地 1.8米(见本表注)明装单相三极插座(带接地)明装单相四级插座(带接地)380伏-15安,25安,距地0.3米暗装单相二级插座250伏-10安,距地0.3米,居民住宅及儿童活动场所应注意安全插座,如采用普通插座时,应距地 1.8米(见表下注)明装单相三极插座(带接地)明装单相四级插座(带接地)380伏-15安,25安,距地0.3米,容量选用见设计图暗装单相二级防脱250伏-10安,距地0.3米,居民住宅及儿童活动场所应注锁紧型插座意安全插座,如采用普通插座时,应距地1.8米国标名称型号、规格、做法说明暗装单相三极防脱锁紧型插座(带接地) 250伏-10安,距地0.3米,居民住宅及儿童活动场所应采用安全插座,如采用普通插座时,应距地1.8米暗装三相四极防脱锁紧型插座(带接地)380伏-20安,距地0.3米安装T型插座50伏-10安,距地0.3米(见表注) 暗装调光开关调光开关,距地1.4米(见表注) 金属地面出线盒防水拉线开关(单相二线)250伏-3安,瓷制拉线开关(单极二线) 250伏-3安拉线双控开关(单极三线)250伏-3安吊线灯附装拉线开关250伏-3安(立轮式),开关绘制方向表示拉线开关的安装方向明装单极开关(单极二线)跷板式开关,250伏-6安(见表注)暗装单极开关(单极二线)跷板式开关,250伏-6安(见表注)明装双控开关(单极三线)跷板式开关,250伏-6安(见表注)暗装双控开关(单极三线)跷板式开关,250伏-6安(见表注)暗装按钮式定时开关250伏-6安(见表注)暗装拉线式定时开关250伏-6安暗装拉线式多控开关250伏-6安暗装按钮式多控开关250伏-6安电铃开关 250伏-6安天棚灯座(裸灯头)容量和安装方式见设计图墙上灯座(裸灯头)各灯具一般符号灯具型号见本图集花灯符号下面的数字,为选用本图集中待选定型灯具的设计编号非定型特制灯具 具体要求详见工程图注,下面数字为区别种类的编号荧光灯列(带状排列荧光灯) 规格、容量、型号、数量按工程设计图要求,施工中一般均应用高效节能型荧光灯灯具及与其配套的高可靠、高功率因素(>0.95)的交流电子镇流器单管荧光灯 双管荧光灯 三管荧光灯 荧光灯花灯组合 防爆型光灯投光灯规格、容量详见设计图注图形符号 图 集 使 用 的 范 例 和 说 明 国 标名 称 型号、规格、做法说明电源引入线 除注明外,架空引入时,高度与一层顶板同一般电杆 除有设计图或说明外,均按本图集 带照明灯具的电杆带照明灯具的电杆及投照方向 拉线的一般符号 带撑杆的电杆 带高桩拉线的电杆交流配电线路铝芯导线时为2根导线型号的选择铜芯导线时为2根详见工程设计说明;除工程设计图中注明外,暗敷时,按图集JD5-605~607选配相应的管径及线槽交流配电线路铝芯导线时为3根 铜芯导线时为3根交流配电线路铝芯导线时为4根 铜芯导线时为4根交流配电线路铝芯导线时为5根 铜芯导线时为5根 交流配电线路 铝芯导线时为6根 铜芯导线时为6根 支路编号电缆穿管(钢管、非金属管)保护 管径规格见具体工程图注 中途穿线盒或分线盒 做法见 伸缩缝穿线盒 做法见电缆人孔除注明外,见电缆手孔管线引向符号 引上,引下,由上引来,由下引来,引上并引下,由上引来再引下,由下引来再引上电缆桥架封闭式母线引向符号 线 槽引上,引下,由上引来,由下引来,引上并引下,由上引来再引下,由下引来再引上 避雷线 除注明外,见 避雷针双极带熔断器开关 除注明外,均为HK1型单相胶壳闸三极带熔断器开关 除注明外,均为HK1型三相胶壳闸双极带熔断器开关 除注明外,均为HH3或HH4型单相铁壳开关 三极带熔断器开关 除注明外,均为HH3或HH4型三相铁壳开关 双极三相转换开关 除注明外,均为两电流切换开关三相低压断路器 规格、型号详见工程图注跌落式熔断器 除注明外,均为RW3-10型户外跌落式熔断器 除注明外,均为RW4-10型户外跌落式熔断器熔断器式隔离开关 除注明外,均为HR3型熔断器式隔离开关图形符号 图 集 使 用 的 范 例 和 说 明 国 标名 称型号、规格、做法说明熔断器除注明外,均为RC1A瓷插式熔断器指示式电流表、电压表除注明外,为1T1-A型交流电流表除注明外,为1T1-V型交流电压表有功电能表除注明外,均由供电部门备料安装(虚线时为表位) 无功电能表除注明外,均由供电部门备料安装(虚线时为表位) 安培表的换相开关伏特表的换相开关壁龛电话交接箱除注明外,暗装距地0.3米室内电话分线盒除注明外,只做出线口,暗装距地0.3米扬声器除注明外,距顶板0.5米广播分线箱(盘) 除注明外,暗装距地0.3米电话线路末端线路,简化标注时,只注明电话对数RVB(2×0.2) 暗装时穿管1对1(2×0.2)SC15、PC15、TC20、FEC15、(KRG)202对2(2×0.2)3对3(2×0.2)4对4(2×0.2)5对5(2×0.2)广播线路除注明外,同电话线路注法,导线穿管见JD50-608电视线路除注明外,电缆采用SYY-75-5-1型,穿(KRG)15、FEC15、TC15,明、暗敷设有设计定设计照度表示100勒克司安装或敷设高度(米) 自室内该处地面算起安装或敷设高度(米) 自室外该处地面算起消防专用按钮SFAN-1型实验室用暗装塑料插销组板安装高度:除注明者外,距地1.2米;装于依墙实验台处,距台面上0.3米实验室用暗装插销组板安装高度:除注明者外,距地1.2米;装于依墙实验台处,距台面上0.3米实验室插销组板、箱编号圈内数字:A为分盘号;B为设计选定插销组板或箱的排列方案实验室明装接地端子板右下角数字表示安装接地端子的节数,由设计选定.安装高度:除注明外,距地3米实验室暗装接地端子箱接地接线柱板采用633型100安接线柱组合6、在工程平面图中标注的各种符号与代表名称在用电设备或电动机出线口处标写格式在电力或照明设备一般的标注方法在配电线路上的标写格式a-----设备编号;b-----额定功率(千瓦);c-----路线首端熔断片或自动开关释放的电流(安);d-----标高(米); a-----设备编号;b-----设备型号;c-----设备功率(千瓦);d-----导线型号;e-----导线根数;f-----导线截面(毫米2);g-----导线敷设方式及部位末端支路只注编号时为:a-----回路编号;b-----导线型号;c-----导线根数;d-----导线截面;e-----敷设方式及穿管管径;f-----敷设部位;交流电对照明灯具的表达格式m-----交流系统电源第三相;f-----交流系统设备端第一相;U-----交流系统设备端第二相; 例:交流三相带中性线表示如下: 3N~50赫,380伏N-----中性线a-----灯具数;b-----型号或编号;c-----每盏灯的灯泡数或灯管数;d-----灯泡容量(瓦);L-----光源种类;e-----安装高度(米);f-----安装方式注:1.安装高度:壁灯时,指灯具中心与地距离;吊灯时,为灯具底部与地距离。
史上最完整的建筑电气CAD图形符号大全500多个图形符号
及说明
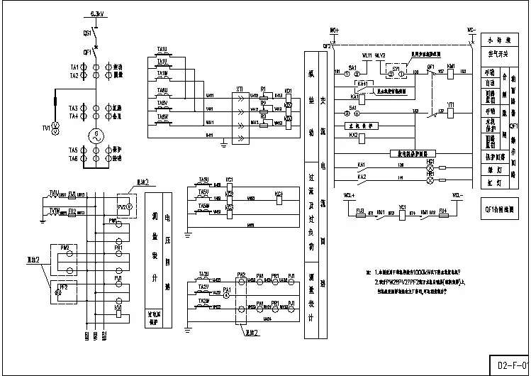
建筑系统图主要包含电气原理图、电器布置图和电气安装接线图。
电气原理图是根据控制线图工作原理绘制,可以帮助我们用于于研究和分析电路工作原理。
电气布置安装图则是用来表明各种电气设备在机械设备上和电气控制柜中的实际安装位置,为机械电气在控制设备的制造、安装、维护、维修提供必要的资料。
电气安装接线图可以在进行装置、设备或成套装置的布线提供各个安装接线图项目之间电气连接的详细信息,包括连接关系,线缆种类和敷设线路。
在建筑电气CAD图中,最显眼的就是那些电气图形符号啦,这里给大家提供完整的电气符号。
如果你需要完整的电气图,可以进入迅捷CAD图库,找到需要的电气系统图。
配电箱符号配电箱符号常用电气元件文字符号表电缆型号NH是耐火,YJV是交联聚乙烯绝缘,聚氯乙烯护套铜芯电缆 4*150是4芯150平方毫米 E70是接地用线为70平方毫米。
你学习一下下面的电缆基础知识就知道了!一、电缆型号由下面字母属性组成(1)类别:H——市内通信电缆HP——配线电缆HJ——局用电缆(2)绝缘:Y——实心聚烯烃绝缘YF——泡沫聚烯烃绝缘YP——泡沫/实心皮聚烯烃绝缘(3)内护层:A——涂塑铝带粘接屏蔽聚乙烯护套S——铝,钢双层金属带屏蔽聚乙烯护套V——聚氯乙烯护套(4)特征:T——石油膏填充G——高频隔离C——自承式(5)外护层:23——双层防腐钢带绕包销装聚乙烯外被层33——单层细钢丝铠装聚乙烯被层43——单层粗钢丝铠装聚乙烯被层53——单层钢带皱纹纵包铠装聚乙烯外被层553——双层钢带皱纹纵包铠装聚乙烯外被层常用电缆规格型号一、铜(铝)芯聚氯乙烯绝缘聚氯乙烯绝缘及护套固定敷设用电缆(电线)BV -铜芯聚氯乙烯绝缘电缆(电线)BLV-铝芯聚氯乙烯绝缘电缆(电线)BVR-铜芯聚氯乙烯绝缘电缆(电线)BVV-铜芯聚氯乙烯绝缘聚氯乙烯护套圆形电缆(电线)BLVV-铝芯聚氯乙烯绝缘聚氯乙烯护套圆形电缆(电线)BVVB-铜芯聚氯乙烯绝缘聚氯乙烯护套平形电缆(电线)BLVVB-铝芯聚氯乙烯绝缘聚氯乙烯护套平形电缆(电线)BV-90-铜芯耐热90℃聚乙烯绝缘电线本产品适用于交流额定电压U/U450/750V及以下的动力、照明、日用电器、仪器仪表及电信设备用铜芯或铝芯聚氯乙烯绝缘电缆(电线)二、低烟无卤系列产品低烟无卤阻燃系列电缆电线,WDZ-(加普通型号的电缆电线代号)注:阻燃一般分A、B、C、D四类, 例如:WDZD-VY WDZA-YJY WDZB-YJV23 WDZC-BY WDZ-BVY WDZB-KYJY WDZC-KVV23等供固定(软电缆为移动式)敷设在额定交流电压U0/U为35kV及以下的室内、电缆桥架、电缆管道等固定场合的输配电力线路用,主要应用于高层建筑、医院、剧场、电站、地铁、隧道、舰船、海上石油平台、广播电视中心、计算机中心等人员密集、空间封闭的场所,电缆的额定电压应不低于供电系统的标称电压。
建筑电气工程图形符号安装工程常用图形符号一、电气工程图形符号1、电气工程图形符号(P2)2、机械控制图形符号(P13)3、操作件和操作方法(P14)4、非电量控制及其他(导线的连接,交流器方框符号,电动机启动器的方框符号,接近和接触敏感器件,电力、照明和电信布置插座,电力、照明和电信布置开关)(P15)5、图集使用的范例和说明(P19)6、在工程平面图中标注的各种符号与代表名称(P25)7、表达线路敷设方式标注的文字代号(P26)8、表达线路敷设部位标注的文字代号(P27)9、表达照明灯具安装方式标注的文字代号(P27)二、管道工程图形符号1、管道及附件(P28)2、管道的连接(P29)3、阀门图形符号(P30)4、卫生器具及水池图形符号(P31)5、设备及仪表图形符号(P32)三、暖通工程图形符号1、图样线型(P33)2、风管及部件(P33)3、通风空调设备(P34)4、阀门(P35)(一)、电气工程图形符号1 开关(机械式)2 多级开关一般符号单线表示3 多级开关一般符号多线表示4 接触器(在非动作位置触点断开)5 接触器(在非动作位置触点闭合)6 负荷开关(负荷隔离开关)7 具有自动释放功能的负荷开关8 熔断器式断路器9 断路器10 隔离开关11 熔断器一般符号12 跌落式熔断器13 熔断器式开关14 熔断器式隔离开关15 熔断器式负荷开关序号图形符号说明16 当操作器件被吸合时延时闭合的动合触点17 当操作器件被释放时延时闭合的动合触点18 当操作器件被释放时延时闭合的动断触点19 当操作器件被吸合时延时闭合的动断触点20 当操作器件被吸合时延时闭合和释放时延时断开的动合触点21 按钮开关(不闭锁)22 旋钮开关、旋转开关(闭锁)23 位置开关,动合触点限制开关,动合触点24 位置开关,动断触点限制开关,动断触点25 热敏开关,动合触点注:θ可用动作温度代替26 热敏自动开关,动断触点注:注意区别此触点和下图所示热继电器的触点27 具有热元件的气体放电管荧光灯起动器28 动合(常开)触点注:本符号也可用作开关一般符号29 动断(常闭)触点30 先断后合的转换触点(一)电气工程图形符号--续表序号图形符号说明31 当操作器件被吸合或释放时,暂时闭合的过渡动合触点32 座(内孔的)或插座的一个极33 插头(凸头的)或插头的一个极34 插头和插座(凸头的和内孔的)35 接通的连接片36 换接片37 双绕组变压器38 三绕组变压器39 自耦变压器40 电抗器扼流图41 电流互感器脉冲变压器42 具有两个铁芯和两个二次绕组的电流互感器43 在一个铁芯上具有两个二次绕组的电流互感器44 具有有载分接开关的三相三绕组变压器,有中性点引出线的星形-三角形连接45 三相三绕组变压器,两个绕组为有中性点引出线的星形,中性点接地,第三绕组为开口三角形连接(一)电气工程图形符号--续表序号图形符号说明46 三相变压器星形-三角形连接47 具有有载分接开关的三相变压器星形-三角形连接48 三相变压器星形-曲折形连接49 操作器件一般符号50////**具有两个绕组的操作器件组合表示法51 热继电器的驱动器件52 气体继电器53 自动重闭合器件54 电阻器一般符号55 可变电阻器可调电阻器56 滑动触点电位器57 预调电位器58 电容器一般符号59 可变电容器可调电容器60 双联同调可变电容器(一)电气工程图形符号--续表序号图形符号说明61 指示仪表(星号必须按规定予以代表)62 电压表63 电流表64 无功电流表65 最大需量指示器(由一台积算仪表操作的)66 无功功率表67 功率因素表68 频率表69 温度计、高温计(θ可由t代替)70 转速表71 积算仪表、电能表(星号必须按规定予以代替)72 安培小时计73 电能表(瓦特小时表)74 无功电能表75 带发送器电能表76 由电能表操纵的遥测仪表(转发器)77 由电能表操纵的带有打印器材的遥测仪表(转发器)78 屏、盘、架一般符号注:可用文字符号或型号表示设备名称79 列架一般符号80 人工交换台、中断台、测量台、业务台等一般符号(一)电气工程图形符号--续表序号图形符号说明81 总配线架82 中间配线架83 走线架、电缆走道84 地面上明装走线槽85 地面下暗装走线槽86 交流母线87 直流母线88 装在支柱上的封闭式母线89 母线伸缩接头90 中性线91 保护线92 保护和中性共用线93 具有保护和中性的三相配线94 滑触线95 地下线路96 架空线路97 管道线路98 多孔(如6孔)管道线路99 具有埋入地下连接点的线路100 水下线路101 沿建筑物明敷设通信线路102 沿建筑物暗敷设通信线路103 电气排流电缆104 挂在钢索上的线路105 用单线表示的多回线路(或电缆管束) 106 导线、导线组、电路线路、母线一般符号107 三根导线108 四根导线109 事故照明线110 50V及其以下电力及照明线路(一)电气工程图形符号--续表序号图形符号说明111 控制及信号线路(电力及照明用)112 原电池或蓄电池113 原电池组或蓄电池组114 带抽头的原电池组或蓄电池组115 接地一般符号116 接机壳或接底板117 无噪声接地118 保护接地119 等电位120 电缆终端头121 电力电缆直通接线盒122 电力电缆连接盒电力电缆分线盒123 控制和指示设备124 报警启动装置(点式-手动或自动) 125 线型探测器126 火灾报警装置127 热128 烟129 易爆气体130 手动启动序号图形符号说明131 电铃132 扬声器133 发声器134 xx机135 照明信号136 手动报警器137 感烟火灾探测器138 感温火灾探测器139 气体火灾探测器140 火警xx机141 报警发声器142 有视听信号的控制和显示设备143 在专用电路上的事故照明灯144 自带电源的事故照明灯装置(应急灯) 145 警卫信号探测器146 警卫信号区域报警器147 警卫信号总报警器148 逃生路线,逃生方向149 逃生路线,最终出品150 二氧化碳消防设备辅助符合152 氧化剂消防设备辅助符号153 卤代烷消防设备辅助符号2、机械控制序号国家标准图形符号说明1 机械的连接气动的连接液压的连接2 具有力或者运动指示方向的机械连接3 延时动作注:三角为指向返回方向4 自动复位注:三角为指向返回方向5 定位非自动复位6 脱离定位7 进入定位8 两器件间的机械联锁9 脱扣的锁扣器件10 扣住的锁扣器件11 堵塞器件12 向左边移动被堵塞的已堵住的堵塞器件13 机械联轴器、离合器14 脱开的机械联轴器15 连接的机械联轴器3、操作件和操作方法17 一般情况下手动控制18 受限制的手动控制19 拉拔控制序号国家标准图形符号说明21 推动操作22 接近效应操作23 接触效应操作24 紧急开关25 手轮操作26 脚踏操作27 杠杆操作28 可拆卸的手柄操作29 钥匙操作30 曲柄操作31 滚轮操作32 凸轮操作33 过电流保护的电磁操作34 电磁执行器操作35 热执行器操作36 电动机操作37 电钟操作4、非电量控制及其他38 液位控制39 计数控制40 流体控制41 气流控制42 温度控制(θ可用t代替)44 滑动控制45 端子导线的连接46 可拆卸的端子47 连接点交流器方框符号48 交换器一般符号转换器一般符号49 直流交流器50 整流器51 桥式全波整流器52 逆变器53 整流器/逆变器电动机启动器的方框符号54 电动机起动器的一般符号55 步进起动器56 调节-起动器57 带自动释放的起动器58 可逆式电动机直接在线接触器式起动器可逆式电动机满压接触器式起动器59 星-三角起动器60 自耦变压器式起动器61 带可控整流器的调节-起动器接近和接触敏感器件62 接近传感器63 接触传感器64 接近开关动合触点65 接触敏感开关动合触点66 磁铁接近时动作的接近开关,动合触点67 铁接近时动作的接近开关,动断触点电力、照明和电信布置插座68 单相插座69 暗装单相插座70 密闭(防水)单相插座71 防爆单相插座72 带保护触点插座带接地插孔的单相插座73 带接地插孔的暗装单相插座74 带接地插孔的密闭(防水)单相插座75 带接地插孔的防爆单相插座76 带接地插孔的三相插座77 带接地插孔的暗装三相插座78 带接地插孔的密闭(防水)三相插座79 带接地插孔的防爆三相插座80 插座箱(板)序号国家标准图形符号说明81 多个插座(示出3个)82 具有单极开关的插座83 具有隔离变压器的插座84 带熔断器的插座电力、照明和电信布置开关85 开关一般符号86 单极开关87 暗装单极开关88 密闭(防水)单极开关89 防爆单极开关90 双极开关91 暗装双极开关92 密闭(防水)双极开关93 防爆双极开关94 三极开关95 暗装三极开关96 密闭(防水)三极开关97 防爆三极开关98 单极拉线开关99 单极限时开关100 具有指示灯的开关101 双极开关(单极三线) 102 调光器国标名称型号、规格、做法说明变电所室外箱式变电所杆上变电所屏、台、箱、柜的一般符号配电室及进线用开关柜多种电源配电箱(盘) 画于墙外为明装,除注明外底边边距地1.2米画于墙内为暗装,除注明外底边边距地1.4米电力配电箱(盘)照明配电箱(盘) 画于墙外为明装,除注明外底边边距地2.0米,明装电能表板底距地1.8米画于墙内为暗装,除注明外底边边距地1.4米,明装电能表板底距地1.8米电源切换箱(盘) 画于墙外为明装,除注明外底边边距地1.2米画于墙内为暗装,除注明外底边边距地1.4米事故照明配电箱(盘) 画于墙外为明装,除注明外底边边距地1.2米画于墙内为暗装,除注明外底边边距地1.4米组合开关箱画于墙外为明装,除注明外底边边距地1.2米画于墙内为暗装,除注明外底边边距地1.4米电铃操作盘除注明外,底边距地1.2米吹风机操作盘距地1.2米,容量见设计图纸配电盘编号圈内的数字为动力或照明的编号交流电动机除注明外,只做出线口,防水弯头距机座0.2米,均附接地螺丝按钮盒圈或点数表示按钮数,除注明外,均为明装,距地 1.4米,按钮组合排列见设计图立柱式按钮箱风扇一般符号除注明外,只做出线盒及吊钩暖风机或冷风机轴流风扇风扇电阻开关除注明外,距地1.4米电铃除注明外,距地0.3米号志箱明装单相二级插座250伏-10安,距地0.3米,居民住宅及儿童活动场所应注意安全插座,如采用普通插座时,应距地1.8米(见本表注) 明装单相三极插座(带接地)明装单相四级插座(带接地) 380伏-15安,25安,距地0.3米暗装单相二级插座250伏-10安,距地0.3米,居民住宅及儿童活动场所应注意安全插座,如采用普通插座时,应距地1.8米(见表下注) 明装单相三极插座(带接地)明装单相四级插座(带接地)380伏-15安,25安,距地0.3米,容量选用见设计图暗装单相二级防脱锁紧型插座 250伏-10安,距地0.3米,居民住宅及儿童活动场所应注意安全插座,如采用普通插座时,应距地1.8米国 标名 称 型号、规格、做法说明暗装单相三极防脱锁紧型插座(带接地)250伏-10安,距地0.3米,居民住宅及儿童活动场所应采用安全插座,如采用普通插座时,应距地1.8米暗装三相四极防脱锁紧型插座(带接地)380伏-20安,距地0.3米 安装T 型插座 50伏-10安,距地0.3米(见表注) 暗装调光开关 调光开关,距地1.4米(见表注) 金属地面出线盒防水拉线开关(单相二线)250伏-3安,瓷制拉线开关(单极二线)250伏-3安拉线双控开关(单极三线)250伏-3安吊线灯附装拉线开关 250伏-3安(立轮式),开关绘制方向表示拉线开关的安装方向 明装单极开关(单极二线)跷板式开关,250伏-6安(见表注)暗装单极开关(单极二线)跷板式开关,250伏-6安(见表注)明装双控开关(单极三线)跷板式开关,250伏-6安(见表注)暗装双控开关(单极跷板式开关,250伏-6安(见表注)三线) 暗装按钮式定时开关250伏-6安(见表注)暗装拉线式定时开关250伏-6安暗装拉线式多控开关250伏-6安暗装按钮式多控开关 250伏-6安电铃开关 250伏-6安天棚灯座(裸灯头)容量和安装方式见设计图墙上灯座(裸灯头) 各灯具一般符号 灯具型号见本图集花灯符号下面的数字,为选用本图集中待选定型灯具的设计编号非定型特制灯具 具体要求详见工程图注,下面数字为区别种类的编号 荧光灯列(带状排列荧光灯) 规格、容量、型号、数量按工程设计图要求,施工中一般均应用高效节能型荧光灯灯具及与其配套的高可靠、高功率因素(>0.95)的交流电子镇流器 单管荧光灯 双管荧光灯 三管荧光灯 荧光灯花灯组合 防爆型光灯投光灯规格、容量详见设计图注图形符号 图 集 使 用 的 范 例 和 说 明 国 标名 称 型号、规格、做法说明电源引入线 除注明外,架空引入时,高度与一层顶板同一般电杆 除有设计图或说明外,均按本图集 带照明灯具的电杆带照明灯具的电杆及投照方向 拉线的一般符号 带撑杆的电杆带高桩拉线的电杆交流配电线路铝芯导线时为2根铜芯导线时为2根导线型号的选择详见工程设计说明;除工程设计图中注明外,暗敷时,按图集JD5-605~607选配相应的管径及线槽交流配电线路铝芯导线时为3根铜芯导线时为3根交流配电线路铝芯导线时为4根铜芯导线时为4根交流配电线路铝芯导线时为5根铜芯导线时为5根交流配电线路铝芯导线时为6根铜芯导线时为6根支路编号电缆穿管(钢管、非金属管)保护管径规格见具体工程图注中途穿线盒或分线盒做法见伸缩缝穿线盒做法见电缆人孔除注明外,见电缆手孔管线引向符号引上,引下,由上引来,由下引来,引上并引下,由上引来再引下,由下引来再引上电缆桥架封闭式母线引向符号线槽引上,引下,由上引来,由下引来,引上并引下,由上引来再引下,由下引来再引上避雷线除注明外,见避雷针双极带熔断器开关除注明外,均为HK1型单相胶壳闸三极带熔断器开关除注明外,均为HK1型三相胶壳闸双极带熔断器开关除注明外,均为HH3或HH4型单相铁壳开关三极带熔断器开关除注明外,均为HH3或HH4型三相铁壳开关双极三相转换开关除注明外,均为两电流切换开关三相低压断路器规格、型号详见工程图注跌落式熔断器除注明外,均为RW3-10型户外跌落式熔断器除注明外,均为RW4-10型户外跌落式熔断器熔断器式隔离开关除注明外,均为HR3型熔断器式隔离开关图形符号图集使用的范例和说明国标名称型号、规格、做法说明熔断器除注明外,均为RC1A瓷插式熔断器指示式电流表、电压表除注明外,为1T1-A型交流电流表有功电能表除注明外,均由供电部门备料安装(虚线时为表位) 无功电能表除注明外,均由供电部门备料安装(虚线时为表位) 安培表的换相开关伏特表的换相开关壁龛xx交接箱除注明外,暗装距地0.3米室内xx分线盒除注明外,只做出线口,暗装距地0.3米扬声器除注明外,距顶板0.5米广播分线箱(盘) 除注明外,暗装距地0.3米xx线路末端线路,简化标注时,只注明xx对数RVB(2×0.2) 暗装时穿管1对1(2×0.2)SC15、PC15、TC20、FEC15、(KRG)202对2(2×0.2)3对3(2×0.2)4对4(2×0.2)5对5(2×0.2)广播线路除注明外,同xx线路注法,导线穿管见JD50-608电视线路除注明外,电缆采用SYY-75-5-1型,穿(KRG)15、FEC15、TC15,明、暗敷设有设计定设计照度表示100勒克司安装或敷设高度(米) 自室内该处地面算起安装或敷设高度(米) 自室外该处地面算起消防专用按钮SFAN-1型实验室用暗装塑料插销组板安装高度:除注明者外,距地1.2米;装于依墙实验台处,距台面上0.3米实验室用暗装插销组板安装高度:除注明者外,距地1.2米;装于依墙实验台处,距台面上0.3米实验室插销组板、箱编号圈内数字:A为分盘号;B为设计选定插销组板或箱的排列方案实验室明装接地端子板右下角数字表示安装接地端子的节数,由设计选定.安装高度:除注明外,距地3米实验室暗装接地端子箱接地接线柱板采用633型100安接线柱组合6、在工程平面图中标注的各种符号与代表名称在用电设备或电动机出线口处标写格式在电力或照明设备一般的标注方法在配电线路上的标写格式a-----设备编号;b-----额定功率(千瓦); c-----路线首端熔断片或自动开关释放的电流(安); d-----标高(米); a-----设备编号;b-----设备型号;c-----设备功率(千瓦);d-----导线型号;e-----导线根数;f-----导线截面(毫米2);g-----导线敷设方式及部位末端支路只注编号时为:a-----回路编号;b-----导线型号;c-----导线根数;d-----导线截面;e-----敷设方式及穿管管径;f-----敷设部位;交流电对照明灯具的表达格式m-----交流系统电源第三相;f-----交流系统设备端第一相; U-----交流系统设备端第二相; 例:交流三相带中性线表示如下: 3N~50赫,380伏N-----中性线a-----灯具数;b-----型号或编号;c-----每盏灯的灯泡数或灯管数;d-----灯泡容量(瓦);L-----光源种类;e-----安装高度(米);f-----安装方式注:1.安装高度:壁灯时,指灯具中心与地距离;吊灯时,为灯具底部与地距离。
建筑电气工程图形符号安装工程常用图形符号一、电气工程图形符号1、电气工程图形符号(P2)2、机械控制图形符号(P13)3、操作件和操作方法(P14)4、非电量控制及其他(导线的连接,交流器方框符号,电动机启动器的方框符号,接近和接触敏感器件,电力、照明和电信布置插座,电力、照明和电信布置开关)(P15)5、图集使用的范例和说明(P19)6、在工程平面图中标注的各种符号与代表名称(P25)7、表达线路敷设方式标注的文字代号(P26)8、表达线路敷设部位标注的文字代号(P27)9、表达照明灯具安装方式标注的文字代号(P27)二、管道工程图形符号1、管道及附件(P28)2、管道的连接(P29)3、阀门图形符号(P30)4、卫生器具及水池图形符号(P31)5、设备及仪表图形符号(P32)三、暖通工程图形符号1、图样线型(P33)2、风管及部件(P33)3、通风空调设备(P34)4、阀门(P35)(一)、电气工程图形符号序号图形符号说明1 开关(机械式)2 多级开关一般符号单线表示3 多级开关一般符号多线表示4 接触器(在非动作位置触点断开)5 接触器(在非动作位置触点闭合)6 负荷开关(负荷隔离开关)7 具有自动释放功能的负荷开关8 熔断器式断路器9 断路器10 隔离开关11 熔断器一般符号12 跌落式熔断器13 熔断器式开关14 熔断器式隔离开关15 熔断器式负荷开关序号图形符号说明16 当操作器件被吸合时延时闭合的动合触点17 当操作器件被释放时延时闭合的动合触点18 当操作器件被释放时延时闭合的动断触点19 当操作器件被吸合时延时闭合的动断触点20 当操作器件被吸合时延时闭合和释放时延时断开的动合触点21 按钮开关(不闭锁)22 旋钮开关、旋转开关(闭锁)23 位置开关,动合触点限制开关,动合触点24 位置开关,动断触点限制开关,动断触点25 热敏开关,动合触点注:θ可用动作温度代替26热敏自动开关,动断触点注:注意区别此触点和下图所示热继电器的触点27 具有热元件的气体放电管荧光灯起动器28动合(常开)触点注:本符号也可用作开关一般符号29 动断(常闭)触点30 先断后合的转换触点序号图形符号说明31当操作器件被吸合或释放时,暂时闭合的过渡动合触点32 座(内孔的)或插座的一个极33 插头(凸头的)或插头的一个极34 插头和插座(凸头的和内孔的)35 接通的连接片36 换接片37 双绕组变压器38 三绕组变压器39 自耦变压器40 电抗器扼流图41 电流互感器脉冲变压器42 具有两个铁芯和两个二次绕组的电流互感器43 在一个铁芯上具有两个二次绕组的电流互感器44 具有有载分接开关的三相三绕组变压器,有中性点引出线的星形-三角形连接45 三相三绕组变压器,两个绕组为有中性点引出线的星形,中性点接地,第三绕组为开口三角形连接序号图形符号说明46 三相变压器星形-三角形连接47 具有有载分接开关的三相变压器星形-三角形连接48 三相变压器星形-曲折形连接49 操作器件一般符号50////**具有两个绕组的操作器件组合表示法51 热继电器的驱动器件52 气体继电器53 自动重闭合器件54 电阻器一般符号55 可变电阻器可调电阻器56 滑动触点电位器57 预调电位器58 电容器一般符号59 可变电容器可调电容器60 双联同调可变电容器(一)电气工程图形符号--续表序号图形符号说明61 指示仪表(星号必须按规定予以代表)62 电压表63 电流表64 无功电流表65 最大需量指示器(由一台积算仪表操作的)66 无功功率表67 功率因素表68 频率表69 温度计、高温计(θ可由t代替)70 转速表71 积算仪表、电能表(星号必须按规定予以代替)72 安培小时计73 电能表(瓦特小时表)74 无功电能表75 带发送器电能表76 由电能表操纵的遥测仪表(转发器)77 由电能表操纵的带有打印器材的遥测仪表(转发器)78 屏、盘、架一般符号注:可用文字符号或型号表示设备名称79 列架一般符号80 人工交换台、中断台、测量台、业务台等一般符号序号图形符号说明81 总配线架82 中间配线架83 走线架、电缆走道84 地面上明装走线槽85 地面下暗装走线槽86 交流母线87 直流母线88 装在支柱上的封闭式母线89 母线伸缩接头90 中性线91 保护线92 保护和中性共用线93 具有保护和中性的三相配线94 滑触线95 地下线路96 架空线路97 管道线路98 多孔(如6孔)管道线路99 具有埋入地下连接点的线路100 水下线路101 沿建筑物明敷设通信线路102 沿建筑物暗敷设通信线路103 电气排流电缆104 挂在钢索上的线路105 用单线表示的多回线路(或电缆管束) 106 导线、导线组、电路线路、母线一般符号107 三根导线108 四根导线109 事故照明线110 50V及其以下电力及照明线路序号图形符号说明111 控制及信号线路(电力及照明用) 112 原电池或蓄电池113 原电池组或蓄电池组114 带抽头的原电池组或蓄电池组115 接地一般符号116 接机壳或接底板117 无噪声接地118 保护接地119 等电位120 电缆终端头121 电力电缆直通接线盒122 电力电缆连接盒电力电缆分线盒123 控制和指示设备124 报警启动装置(点式-手动或自动) 125 线型探测器126 火灾报警装置127 热128 烟129 易爆气体130 手动启动序号图形符号说明131 电铃132 扬声器133 发声器134 电话机135 照明信号136 手动报警器137 感烟火灾探测器138 感温火灾探测器139 气体火灾探测器140 火警电话机141 报警发声器142 有视听信号的控制和显示设备143 在专用电路上的事故照明灯144 自带电源的事故照明灯装置(应急灯) 145 警卫信号探测器146 警卫信号区域报警器147 警卫信号总报警器148 逃生路线,逃生方向149 逃生路线,最终出品150 二氧化碳消防设备辅助符合152 氧化剂消防设备辅助符号153 卤代烷消防设备辅助符号2、机械控制序号国家标准图形符号说明1 机械的连接气动的连接液压的连接2 具有力或者运动指示方向的机械连接3 延时动作注:三角为指向返回方向4 自动复位注:三角为指向返回方向5 定位非自动复位6 脱离定位7 进入定位8 两器件间的机械联锁9 脱扣的锁扣器件10 扣住的锁扣器件11 堵塞器件12 向左边移动被堵塞的已堵住的堵塞器件13 机械联轴器、离合器14 脱开的机械联轴器15 连接的机械联轴器3、操作件和操作方法17 一般情况下手动控制18 受限制的手动控制19 拉拔控制20 旋转控制序号国家标准图形符号说明21 推动操作22 接近效应操作23 接触效应操作24 紧急开关25 手轮操作26 脚踏操作27 杠杆操作28 可拆卸的手柄操作29 钥匙操作30 曲柄操作31 滚轮操作32 凸轮操作33 过电流保护的电磁操作34 电磁执行器操作35 热执行器操作36 电动机操作37 电钟操作4、非电量控制及其他38 液位控制39 计数控制40 流体控制41 气流控制42 温度控制(θ可用t代替)43 压力控制44 滑动控制45 端子导线的连接46 可拆卸的端子47 连接点交流器方框符号48 交换器一般符号转换器一般符号49 直流交流器50 整流器51 桥式全波整流器52 逆变器53 整流器/逆变器电动机启动器的方框符号54 电动机起动器的一般符号55 步进起动器56 调节-起动器57 带自动释放的起动器58 可逆式电动机直接在线接触器式起动器可逆式电动机满压接触器式起动器59 星-三角起动器60 自耦变压器式起动器61 带可控整流器的调节-起动器接近和接触敏感器件62 接近传感器63 接触传感器64 接近开关动合触点65 接触敏感开关动合触点66 磁铁接近时动作的接近开关,动合触点67 铁接近时动作的接近开关,动断触点电力、照明和电信布置插座68 单相插座69 暗装单相插座70 密闭(防水)单相插座71 防爆单相插座72 带保护触点插座带接地插孔的单相插座73 带接地插孔的暗装单相插座74 带接地插孔的密闭(防水)单相插座75 带接地插孔的防爆单相插座76 带接地插孔的三相插座77 带接地插孔的暗装三相插座78 带接地插孔的密闭(防水)三相插座79 带接地插孔的防爆三相插座80 插座箱(板)序号国家标准图形符号说明81 多个插座(示出3个)82 具有单极开关的插座83 具有隔离变压器的插座84 带熔断器的插座电力、照明和电信布置开关85 开关一般符号86 单极开关87 暗装单极开关88 密闭(防水)单极开关89 防爆单极开关90 双极开关91 暗装双极开关92 密闭(防水)双极开关93 防爆双极开关94 三极开关95 暗装三极开关96 密闭(防水)三极开关97 防爆三极开关98 单极拉线开关99 单极限时开关100 具有指示灯的开关101 双极开关(单极三线)102 调光器图形符号图集使用的范例和说明国标名称型号、规格、做法说明变电所室外箱式变电所杆上变电所屏、台、箱、柜的一般符号配电室及进线用开关柜多种电源配电箱(盘)画于墙外为明装,除注明外底边边距地1.2米画于墙内为暗装,除注明外底边边距地1.4米电力配电箱(盘)照明配电箱(盘) 画于墙外为明装,除注明外底边边距地2.0米,明装电能表板底距地1.8米画于墙内为暗装,除注明外底边边距地1.4米,明装电能表板底距地1.8米电源切换箱(盘) 画于墙外为明装,除注明外底边边距地1.2米画于墙内为暗装,除注明外底边边距地1.4米事故照明配电箱(盘) 画于墙外为明装,除注明外底边边距地1.2米画于墙内为暗装,除注明外底边边距地1.4米组合开关箱画于墙外为明装,除注明外底边边距地1.2米画于墙内为暗装,除注明外底边边距地1.4米电铃操作盘 除注明外,底边距地1.2米吹风机操作盘 距地1.2米,容量见设计图纸配电盘编号 圈内的数字为动力或照明的编号交流电动机除注明外,只做出线口,防水弯头距机座0.2米,均附接地螺丝按钮盒 圈或点数表示按钮数,除注明外,均为明装,距地 1.4米,按钮组合排列见设计图 立柱式按钮箱 风扇一般符号 除注明外,只做出线盒及吊钩 暖风机或冷风机 轴流风扇风扇电阻开关 除注明外,距地1.4米 电铃 除注明外,距地0.3米 号志箱交流电钟 除注明外,只做出线口(明线时,用明插座),距顶0.3米明装单相二级插座250伏-10安,距地0.3米,居民住宅及儿童活动场所应注意安全插座,如采用普通插座时,应距地 1.8米(见本表注)明装单相三极插座(带接地)明装单相四级插座(带接地)380伏-15安,25安,距地0.3米暗装单相二级插座250伏-10安,距地0.3米,居民住宅及儿童活动场所应注意安全插座,如采用普通插座时,应距地 1.8米(见表下注)明装单相三极插座(带接地)明装单相四级插座(带接地)380伏-15安,25安,距地0.3米,容量选用见设计图暗装单相二级防脱锁紧型插座 250伏-10安,距地0.3米,居民住宅及儿童活动场所应注意安全插座,如采用普通插座时,应距地1.8米国标名称型号、规格、做法说明暗装单相三极防脱锁紧型插座(带接地) 250伏-10安,距地0.3米,居民住宅及儿童活动场所应采用安全插座,如采用普通插座时,应距地1.8米暗装三相四极防脱锁紧型插座(带接地)380伏-20安,距地0.3米安装T型插座50伏-10安,距地0.3米(见表注) 暗装调光开关调光开关,距地1.4米(见表注) 金属地面出线盒防水拉线开关(单相二线)250伏-3安,瓷制拉线开关(单极二线) 250伏-3安拉线双控开关(单极三线)250伏-3安吊线灯附装拉线开关250伏-3安(立轮式),开关绘制方向表示拉线开关的安装方向明装单极开关(单极二线)跷板式开关,250伏-6安(见表注)暗装单极开关(单极二线)跷板式开关,250伏-6安(见表注)明装双控开关(单极三线)跷板式开关,250伏-6安(见表注)暗装双控开关(单极三线)跷板式开关,250伏-6安(见表注)暗装按钮式定时开关250伏-6安(见表注)暗装拉线式定时开关250伏-6安暗装拉线式多控开关250伏-6安暗装按钮式多控开关250伏-6安电铃开关250伏-6安天棚灯座(裸灯头)容量和安装方式见设计图墙上灯座(裸灯头)各灯具一般符号灯具型号见本图集花灯符号下面的数字,为选用本图集中待选定型灯具的设计编号非定型特制灯具 具体要求详见工程图注,下面数字为区别种类的编号荧光灯列(带状排列荧光灯) 规格、容量、型号、数量按工程设计图要求,施工中一般均应用高效节能型荧光灯灯具及与其配套的高可靠、高功率因素(>0.95)的交流电子镇流器单管荧光灯 双管荧光灯 三管荧光灯 荧光灯花灯组合 防爆型光灯投光灯规格、容量详见设计图注图形符号 图 集 使 用 的 范 例 和 说 明 国 标名 称 型号、规格、做法说明电源引入线 除注明外,架空引入时,高度与一层顶板同一般电杆 除有设计图或说明外,均按本图集 带照明灯具的电杆带照明灯具的电杆及投照方向 拉线的一般符号 带撑杆的电杆 带高桩拉线的电杆交流配电线路 铝芯导线时为2根 铜芯导线时为2根 导线型号的选择详见工程设计说明;除工程设计图交流配电线路铝芯导线时为3根铜芯导线时为3根中注明外,暗敷时,按图集JD5-605~607选配相应的管径及线槽交流配电线路铝芯导线时为4根 铜芯导线时为4根交流配电线路铝芯导线时为5根 铜芯导线时为5根 交流配电线路 铝芯导线时为6根 铜芯导线时为6根 支路编号电缆穿管(钢管、非金属管)保护 管径规格见具体工程图注 中途穿线盒或分线盒 做法见 伸缩缝穿线盒 做法见电缆人孔除注明外,见电缆手孔管线引向符号 引上,引下,由上引来,由下引来,引上并引下,由上引来再引下,由下引来再引上电缆桥架封闭式母线引向符号 线 槽引上,引下,由上引来,由下引来,引上并引下,由上引来再引下,由下引来再引上 避雷线 除注明外,见 避雷针双极带熔断器开关 除注明外,均为HK1型单相胶壳闸三极带熔断器开关 除注明外,均为HK1型三相胶壳闸双极带熔断器开关 除注明外,均为HH3或HH4型单相铁壳开关 三极带熔断器开关 除注明外,均为HH3或HH4型三相铁壳开关 双极三相转换开关 除注明外,均为两电流切换开关三相低压断路器 规格、型号详见工程图注跌落式熔断器 除注明外,均为RW3-10型户外跌落式熔断器 除注明外,均为RW4-10型户外跌落式熔断器熔断器式隔离开关 除注明外,均为HR3型熔断器式隔离开关图形符号 图 集 使 用 的 范 例 和 说 明 国 标名 称 型号、规格、做法说明熔断器除注明外,均为RC1A 瓷插式熔断器指示式电流表、电压表除注明外,为1T1-A型交流电流表除注明外,为1T1-V型交流电压表有功电能表除注明外,均由供电部门备料安装(虚线时为表位) 无功电能表除注明外,均由供电部门备料安装(虚线时为表位) 安培表的换相开关伏特表的换相开关壁龛电话交接箱除注明外,暗装距地0.3米室内电话分线盒除注明外,只做出线口,暗装距地0.3米扬声器除注明外,距顶板0.5米广播分线箱(盘) 除注明外,暗装距地0.3米电话线路末端线路,简化标注时,只注明电话对数RVB(2×0.2) 暗装时穿管1对1(2×0.2)SC15、PC15、TC20、FEC15、(KRG)202对2(2×0.2)3对3(2×0.2)4对4(2×0.2)5对5(2×0.2)广播线路除注明外,同电话线路注法,导线穿管见JD50-608电视线路除注明外,电缆采用SYY-75-5-1型,穿(KRG)15、FEC15、TC15,明、暗敷设有设计定设计照度表示100勒克司安装或敷设高度(米) 自室内该处地面算起安装或敷设高度(米) 自室外该处地面算起消防专用按钮SFAN-1型实验室用暗装塑料插销组板安装高度:除注明者外,距地1.2米;装于依墙实验台处,距台面上0.3米实验室用暗装插销组板安装高度:除注明者外,距地1.2米;装于依墙实验台处,距台面上0.3米实验室插销组板、箱编号圈内数字:A为分盘号;B为设计选定插销组板或箱的排列方案实验室明装接地端子板右下角数字表示安装接地端子的节数,由设计选定.安装高度:除注明外,距地3米实验室暗装接地端子箱接地接线柱板采用633型100安接线柱组合6、在工程平面图中标注的各种符号与代表名称在用电设备或电动机出线口处标写格式在电力或照明设备一般的标注方法在配电线路上的标写格式a-----设备编号;b-----额定功率(千瓦);c-----路线首端熔断片或自动开关释放的电流(安);d-----标高(米);a-----设备编号;b-----设备型号;c-----设备功率(千瓦);d-----导线型号;e-----导线根数;f-----导线截面(毫米2);g-----导线敷设方式及部位末端支路只注编号时为:a-----回路编号;b-----导线型号;c-----导线根数;d-----导线截面;e-----敷设方式及穿管管径;f-----敷设部位;交流电对照明灯具的表达格式m-----交流系统电源第三相;f-----交流系统设备端第一相;U-----交流系统设备端第二相;例:交流三相带中性线表示如下:3N~50赫,380伏N-----中性线a-----灯具数;b-----型号或编号;c-----每盏灯的灯泡数或灯管数;d-----灯泡容量(瓦);L-----光源种类;e-----安装高度(米);f-----安装方式注:1.安装高度:壁灯时,指灯具中心与地距离;吊灯时,为灯具底部与地距离。
建筑电气工程图形符号之阿布丰王创作装置工程经常使用图形符号一、电气工程图形符号、电气工程图形符号(P2)、机械控制图形符号(P13)、操纵件和操纵方法(P14)、非电量控制及其他(导线的连接,交流器方框符号,电动机启动器的方框符号,接近和接触敏感器件,电力、照明和电信安插插座,电力、照明和电信安插开关)(P15)、图集使用的范例和说明(P19)、在工程平面图中标注的各种符号与代表名称(P25)、表达线路敷设方式标注的文字代号(P26)、表达线路敷设部位标注的文字代号(P27)、表达照明灯具装置方式标注的文字代号(P27)二、管道工程图形符号、管道及附件(P28)、管道的连接(P29)、阀门图形符号(P30)、卫生器具及水池图形符号(P31)、设备及仪表图形符号(P32)三、暖通工程图形符号、图样线型(P33)、风管及部件(P33)、通风空调设备(P34)、阀门(P35)电气工程图形符号序号图形符号说明1 开关(机械式)2 多级开关一般符号单线暗示3 多级开关一般符号多线暗示4 接触器(在非动作位置触点断开)5 接触器(在非动作位置触点闭合)6 负荷开关(负荷隔离开关)7 具有自动释放功能的负荷开关8 熔断器式断路器9 断路器10 隔离开关11 熔断器一般符号12 跌落式熔断器13 熔断器式开关14 熔断器式隔离开关15 熔断器式负荷开关序号图形符号说明16 当操纵器件被吸合时延时闭合的动合触点17 当操纵器件被释放时延时闭合的动合触点18 当操纵器件被释放时延时闭合的动断触点19 当操纵器件被吸合时延时闭合的动断触点20 当操纵器件被吸合时延时闭合和释放时延时断开的动合触点21 按钮开关(不闭锁)22 旋钮开关、旋转开关(闭锁)23 位置开关,动合触点限制开关,动合触点24 位置开关,动断触点限制开关,动断触点25 热敏开关,动合触点注:θ可用动作温度代替26 热敏自动开关,动断触点注:注意区别此触点和下图所示热继电器的触点27 具有热元件的气体放电管荧光灯起动器28 动合(常开)触点注:本符号也可用作开关一般符号29 动断(常闭)触点30 先断后合的转换触点(一)电气工程图形符号--续表序号图形符号说明31 当操纵器件被吸合或释放时,暂时闭合的过渡动合触点32 座(内孔的)或插座的一个极33 插头(凸头的)或插头的一个极34 插头和插座(凸头的和内孔的)35 接通的连接片36 换接片37 双绕组变压器38 三绕组变压器39 自耦变压器40 电抗器扼流图41 电流互感器脉冲变压器42 具有两个铁芯和两个二次绕组的电流互感器43 在一个铁芯上具有两个二次绕组的电流互感器44 具有有载分接开关的三相三绕组变压器,有中性点引出线的星形-三角形连接45 三相三绕组变压器,两个绕组为有中性点引出线的星形,中性点接地,第三绕组为开口三角形连接(一)电气工程图形符号--续表序号图形符号说明46 三相变压器星形-三角形连接47 具有有载分接开关的三相变压器星形-三角形连接48 三相变压器星形-曲折形连接49 操纵器件一般符号50////**具有两个绕组的操纵器件组合暗示法51 热继电器的驱动器件52 气体继电器53 自动重闭合器件54 电阻器一般符号55 可变电阻器可调电阻器56 滑动触点电位器57 预调电位器58 电容器一般符号59 可变电容器可调电容器60 双联同调可变电容器(一)电气工程图形符号--续表序号图形符号说明61 指示仪表(星号必须按规定予以代表)62 电压表63 电流表64 无功电流表65 最大需量指示器(由一台积算仪表操纵的)66 无功功率表67 功率因素表68 频率表69 温度计、高温计(θ可由t代替)70 转速表71 积算仪表、电能表(星号必须按规定予以代替)72 安培小时计73 电能表(瓦特小时表)74 无功电能表75 带发送器电能表76 由电能表把持的遥测仪表(转发器)77 由电能表把持的带有打印器材的遥测仪表(转发器)78 屏、盘、架一般符号注:可用文字符号或型号暗示设备名称79 列架一般符号80 人工交换台、中断台、丈量台、业务台等一般符号(一)电气工程图形符号--续表序号图形符号说明81 总配线架82 中间配线架83 走线架、电缆走道84 地面上明装走线槽85 地面下暗装走线槽86 交流母线87 直流母线88 装在支柱上的封闭式母线89 母线伸缩接头90 中性线91 呵护线92 呵护和中性共用线93 具有呵护和中性的三相配线94 滑触线95 地下线路96 架空线路97 管道线路98 多孔(如6孔)管道线路99 具有埋入地下连接点的线路100 水下线路101 沿建筑物明敷设通信线路102 沿建筑物暗敷设通信线路103 电气排流电缆104 挂在钢索上的线路105 用单线暗示的多回线路(或电缆管束) 106 导线、导线组、电路线路、母线一般符号107 三根导线108 四根导线109 事故照明线110 50V及其以下电力及照明线路(一)电气工程图形符号--续表序号图形符号说明111 控制及信号线路(电力及照明用)112 原电池或蓄电池113 原电池组或蓄电池组114 带抽头的原电池组或蓄电池组115 接地一般符号116 接机壳或接底板117 无噪声接地118 呵护接地119 等电位120 电缆终端头121 电力电缆直通接线盒122 电力电缆连接盒电力电缆分线盒123 控制和指示设备124 报警启动装置(点式-手动或自动) 125 线型探测器126 火灾报警装置127 热128 烟129 易爆气体130 手动启动序号图形符号说明131 电铃132 扬声器133 发声器134 电话机135 照明信号136 手动报警器137 感烟火灾探测器138 感温火灾探测器139 气体火灾探测器140 火警电话机141 报警发声器142 有视听信号的控制和显示设备143 在专用电路上的事故照明灯144 自带电源的事故照明灯装置(应急灯) 145 警卫信号探测器146 警卫信号区域报警器147 警卫信号总报警器148 逃生路线,逃生方向149 逃生路线,最终出品150 二氧化碳消防设备辅助符合152 氧化剂消防设备辅助符号153 卤代烷消防设备辅助符号机械控制序号国家标准图形符号说明1 机械的连接气动的连接液压的连接2 具有力或者运动指示方向的机械连接3 延时动作注:三角为指向返回方向4 自动复位注:三角为指向返回方向5 定位非自动复位6 脱离定位7 进入定位8 两器件间的机械联锁9 脱扣的锁扣器件10 扣住的锁扣器件11 堵塞器件12 向左边移动被堵塞的已堵住的堵塞器件13 机械联轴器、离合器14 脱开的机械联轴器15 连接的机械联轴器操作件和操作方法17 一般情况下手动控制18 受限制的手动控制19 拉拔控制20 旋转控制序号国家标准图形符号说明21 推动操纵22 接近效应操纵23 接触效应操纵24 紧急开关25 手轮操纵26 脚踏操纵27 杠杆操纵28 可装配的手柄操纵29 钥匙操纵30 曲柄操纵31 滚轮操纵32 凸轮操纵33 过电流呵护的电磁操纵34 电磁执行器操纵35 热执行器操纵36 电动机操纵37 电钟操纵非电量控制及其他38 液位控制39 计数控制40 流体控制41 气流控制42 温度控制(θ可用t代替)43 压力控制44 滑动控制45 端子导线的连接46 可装配的端子47 连接点交流器方框符号48 交换器一般符号转换器一般符号49 直流交流器50 整流器51 桥式全波整流器52 逆变器53 整流器/逆变器电动机启动器的方框符号54 电动机起动器的一般符号55 步进起动器56 调节-起动器57 带自动释放的起动器58 可逆式电动机直接在线接触器式起动器可逆式电动机满压接触器式起动器59 星-三角起动器60 自耦变压器式起动器61 带可控整流器的调节-起动器接近和接触敏感器件62 接近传感器63 接触传感器64 接近开关动合触点65 接触敏感开关动合触点66 磁铁接近时动作的接近开关,动合触点67 铁接近时动作的接近开关,动断触点电力、照明和电信布置插座68 单相插座69 暗装单相插座70 密闭(防水)单相插座71 防爆单相插座72 带呵护触点插座带接地插孔的单相插座73 带接地插孔的暗装单相插座74 带接地插孔的密闭(防水)单相插座75 带接地插孔的防爆单相插座76 带接地插孔的三相插座77 带接地插孔的暗装三相插座78 带接地插孔的密闭(防水)三相插座79 带接地插孔的防爆三相插座80 插座箱(板)序号国家标准图形符号说明81 多个插座(示出3个)82 具有单极开关的插座83 具有隔离变压器的插座84 带熔断器的插座电力、照明和电信布置开关85 开关一般符号86 单极开关87 暗装单极开关88 密闭(防水)单极开关89 防爆单极开关90 双极开关91 暗装双极开关92 密闭(防水)双极开关93 防爆双极开关94 三极开关95 暗装三极开关96 密闭(防水)三极开关97 防爆三极开关98 单极拉线开关99 单极限时开关100 具有指示灯的开关101 双极开关(单极三线) 102 调光器图集使用的范例和说明图形符号图集使用的范例和说明国标名称型号、规格、做法说明变电所室外箱式变电所杆上变电所屏、台、箱、柜的一般符号配电室及进线用开关柜多种电源配电箱(盘)画于墙外为明装,除注明外底边边距地1.2米画于墙内为暗装,除注明外底边边距地1.4米电力配电箱(盘)照明配电箱(盘) 画于墙外为明装,除注明外底边边距地2.0米,明装电能表板底距地1.8米画于墙内为暗装,除注明外底边边距地1.4米,明装电能表板底距地1.8米电源切换箱(盘) 画于墙外为明装,除注明外底边边距地1.2米画于墙内为暗装,除注明外底边边距地1.4米事故照明配电箱(盘) 画于墙外为明装,除注明外底边边距地1.2米画于墙内为暗装,除注明外底边边距地1.4米组合开关箱画于墙外为明装,除注明外底边边距地1.2米画于墙内为暗装,除注明外底边边距地1.4米电铃操纵盘除注明外,底边距地1.2米吹风机操纵盘距地1.2米,容量见设计图纸配电盘编号圈内的数字为动力或照明的编号交流电动机除注明外,只做出线口,防水弯头距机座0.2米,均附接地螺丝按钮盒圈或点数暗示按钮数,除注明外,均为明装,距地 1.4米,按钮组合排列见设计图立柱式按钮箱风扇一般符号除注明外,只做出线盒及吊钩暖风机或冷风机轴流风扇风扇电阻开关除注明外,距地1.4米电铃除注明外,距地0.3米号志箱交流电钟除注明外,只做出线口(明线时,用明插座),距顶0.3米明装单相二级插座250伏-10安,距地0.3米,居民住宅及儿童活动场合应注意平安插座,如采取普通插座时,应距地 1.8米(见本表明装单相三极插座(带接地) 注)明装单相四级插座(带接地)380伏-15安,25安,距地0.3米暗装单相二级插座250伏-10安,距地0.3米,居民住宅及儿童活动场合应注意平安插座,如采取普通插座时,应距地 1.8米(见表下注) 明装单相三极插座(带接地)明装单相四级插座(带接地)380伏-15安,25安,距地0.3米,容量选用见设计图暗装单相二级防脱锁紧型插座 250伏-10安,距地0.3米,居民住宅及儿童活动场合应注意平安插座,如采取普通插座时,应距地1.8米 国 标名 称型号、规格、做法说明暗装单相三极防脱锁紧型插座(带接地) 250伏-10安,距地0.3米,居民住宅及儿童活动场合应采取平安插座,如采取普通插座时,应距地1.8米 暗装三相四极防脱锁紧型插座(带接地) 380伏-20安,距地0.3米装置T 型插座 50伏-10安,距地0.3米(见表注) 暗装调光开关 调光开关,距地1.4米(见表注) 金属地面出线盒防水拉线开关(单相二线)250伏-3安,瓷制拉线开关(单极二线) 250伏-3安拉线双控开关(单极三线)250伏-3安吊线灯附装拉线开关 250伏-3安(立轮式),开关绘制方向暗示拉线开关的装置方向 明装单极开关(单极二线)跷板式开关,250伏-6安(见表注)暗装单极开关(单极二线)跷板式开关,250伏-6安(见表注)明装双控开关(单极三线)跷板式开关,250伏-6安(见表注)暗装双控开关(单极三线)跷板式开关,250伏-6安(见表注)暗装按钮式定时开关250伏-6安(见表注)暗装拉线式定时开关250伏-6安暗装拉线式多控开关250伏-6安暗装按钮式多控开关250伏-6安电铃开关 250伏-6安天棚灯座(裸灯头)容量和装置方式见设计图墙上灯座(裸灯头) 各灯具一般符号 灯具型号见本图集花灯符号下面的数字,为选用本图集中待选定型灯具的设计编号非定型特制灯具 具体要求详见工程图注,下面数字为区别种类的编号荧光灯列(带状排列荧光灯) 规格、容量、型号、数量按工程设计图要求,施工中一般均应用高效节能型荧光灯灯具及与其配套的高可靠、高功率因素(>0.95)的交流电子镇流器 单管荧光灯 双管荧光灯 三管荧光灯 荧光灯花灯组合 防爆型光灯投光灯规格、容量详见设计图注图形符号 图 集 使 用 的 范 例 和 说 明 国 标名 称 型号、规格、做法说明电源引入线 除注明外,架空引入时,高度与一层顶板同一般电杆 除有设计图或说明外,均按本图集 带照明灯具的电杆带照明灯具的电杆及投照方向 拉线的一般符号 带撑杆的电杆 带高桩拉线的电杆 交流配电线路 铝芯导线时为2根 铜芯导线时为2根 导线型号的选择详见工程设计说明;除工程设计图中注明外,暗敷时,按图集JD5-605~607选配相应的管径及线槽交流配电线路 铝芯导线时为3根 铜芯导线时为3根 交流配电线路 铝芯导线时为4根 铜芯导线时为4根 交流配电线路 铝芯导线时为5根 铜芯导线时为5根 交流配电线路 铝芯导线时为6根 铜芯导线时为6根 支路编号电缆穿管(钢管、非金属管)呵护 管径规格见具体工程图注中途穿线盒或分线盒做法见伸缩缝穿线盒做法见电缆人孔除注明外,见电缆手孔管线引向符号引上,引下,由上引来,由下引来,引上并引下,由上引来再引下,由下引来再引上电缆桥架封闭式母线引向符号线槽引上,引下,由上引来,由下引来,引上并引下,由上引来再引下,由下引来再引上避雷线除注明外,见避雷针双极带熔断器开关除注明外,均为HK1型单相胶壳闸三极带熔断器开关除注明外,均为HK1型三相胶壳闸双极带熔断器开关除注明外,均为HH3或HH4型单相铁壳开关三极带熔断器开关除注明外,均为HH3或HH4型三相铁壳开关双极三相转换开关除注明外,均为两电流切换开关三相低压断路器规格、型号详见工程图注跌落式熔断器除注明外,均为RW3-10型户外跌落式熔断器除注明外,均为RW4-10型户外跌落式熔断器熔断器式隔离开关除注明外,均为HR3型熔断器式隔离开关图形符号图集使用的范例和说明国标名称型号、规格、做法说明熔断器除注明外,均为RC1A瓷插式熔断器指示式电流表、电压表除注明外,为1T1-A型交流电流表除注明外,为1T1-V型交流电压表有功电能表除注明外,均由供电部分备料装置(虚线时为表位) 无功电能表除注明外,均由供电部分备料装置(虚线时为表位) 安培表的换相开关伏特表的换相开关壁龛电话交接箱除注明外,暗装距地0.3米室内电话分线盒除注明外,只做出线口,暗装距地0.3米扬声器除注明外,距顶板0.5米广播分线箱(盘) 除注明外,暗装距地0.3米电话线路末端线路,简化标注时,只注明电话对数RVB(2×0.2) 暗装时穿管1对1(2×0.2)SC15、PC15、TC20、FEC15、(KRG)202对2(2×0.2)3对3(2×0.2)4对4(2×0.2)5对5(2×0.2)广播线路除注明外,同电话线路注法,导线穿管见JD50-608电视线路除注明外,电缆采取SYY-75-5-1型,穿(KRG)15、FEC15、TC15,明、暗敷设有设计定设计照度暗示100勒克司装置或敷设高度(米) 自室内该处地面算起装置或敷设高度(米) 自室外该处地面算起消防专用按钮SFAN-1型实验室用暗装塑料插销组板装置高度:除注明者外,距地1.2米;装于依墙实验台处,距台面上0.3米实验室用暗装插销组板装置高度:除注明者外,距地1.2米;装于依墙实验台处,距台面上0.3米实验室插销组板、箱编号圈内数字:A为分盘号;B为设计选定插销组板或箱的排列方案实验室明装接地端子板右下角数字暗示装置接地端子的节数,由设计选定.装置高度:除注明外,距地3米实验室暗装接地端子箱接地接线柱板采取633型100安接线柱组合在工程平面图中标注的各种符号与代表名称在用电设备或电动机出线口处标写格式在电力或照明设备一般的标注方法在配电线路上的标写格式a-----设备编号;b-----额定功率(千瓦);c-----路线首端熔断片或自动开关释放的电流(安);d-----标高(米); a-----设备编号;b-----设备型号;c-----设备功率(千瓦);d-----导线型号;e-----导线根数;f-----导线截面(毫米2);g-----导线敷设方式及部位末端支路只注编号时为:a-----回路编号;b-----导线型号;c-----导线根数;d-----导线截面;e-----敷设方式及穿管管径;f-----敷设部位;交流电对照明灯具的表达格式m-----交流系统电源第三相;f-----交流系统设备端第一相;U-----交流系统设备端第二相; 例:交流三相带中性线暗示如下: 3N~50赫,380伏N-----中性线a-----灯具数;b-----型号或编号;c-----每盏灯的灯泡数或灯管数; d-----灯泡容量(瓦);L-----光源种类;e-----装置高度(米);f-----装置方式注:1.装置高度:壁灯时,指灯具中心与地距离;吊灯时,为灯具底部与地距离。
建筑电气工程图形符号安装工程常用图形符号一、电气工程图形符号1、电气工程图形符号(P2)2、机械控制图形符号(P13)3、操作件和操作方法(P14)4、非电量控制及其他(导线的连接,交流器方框符号,电动机启动器的方框符号,接近和接触敏感器件,电力、照明和电信布置插座,电力、照明和电信布置开关)(P15)5、图集使用的范例和说明(P19)6、在工程平面图中标注的各种符号与代表名称(P25)7、表达线路敷设方式标注的文字代号(P26)8、表达线路敷设部位标注的文字代号(P27)9、表达照明灯具安装方式标注的文字代号(P27)二、管道工程图形符号1、管道及附件(P28)2、管道的连接(P29)3、阀门图形符号(P30)4、卫生器具及水池图形符号(P31)5、设备及仪表图形符号(P32)三、暖通工程图形符号1、图样线型(P33)2、风管及部件(P33)3、通风空调设备(P34)4、阀门(P35)(一)、电气工程图形符号(一)电气工程图形符号--续表(一)电气工程图形符号--续表////**(一)电气工程图形符号--续表(一)电气工程图形符号--续表(一)电气工程图形符号--续表管线引向符号 引上,引下,由上引来,由下引来,引上并引下,由上引来再引下,由下引来再引上 电缆桥架封闭式母线引向符号 线 槽引上,引下,由上引来,由下引来,引上并引下,由上引来再引下,由下引来再引上 避雷线 除注明外,见 避雷针双极带熔断器开关 除注明外,均为HK1型单相胶壳闸三极带熔断器开关 除注明外,均为HK1型三相胶壳闸双极带熔断器开关 除注明外,均为HH3或HH4型单相铁壳开关三极带熔断器开关 除注明外,均为HH3或HH4型三相铁壳开关 双极三相转换开关 除注明外,均为两电流切换开关三相低压断路器 规格、型号详见工程图注跌落式熔断器 除注明外,均为RW3-10型户外跌落式熔断器除注明外,均为RW4-10型户外跌落式熔断器熔断器式隔离开关 除注明外,均为HR3型熔断器式隔离开关6、在工程平面图中标注的各种符号与代表名称(二)、管道工程图形符号(三)、暖通工程图形符号。
史上最完整的建筑电气CAD图形符号大全500多个图形符号
及说明
建筑系统图主要包含电气原理图、电器布置图和电气安装接线图。
电气原理图是根据控制线图工作原理绘制,可以帮助我们用于于研究和分析电路工作原理。
电气布置安装图则是用来表明各种电气设备在机械设备上和电气控制柜中的实际安装位置,为机械电气在控制设备的制造、安装、维护、维修提供必要的资料。
电气安装接线图可以在进行装置、设备或成套装置的布线提供各个安装接线图项目之间电气连接的详细信息,包括连接关系,线缆种类和敷设线路。
在建筑电气CAD图中,最显眼的就是那些电气图形符号啦,这里给大家提供完整的电气符号。
如果你需要完整的电气图,可以进入迅捷CAD图库,找到需要的电气系统图。
1电气元件符号大全序号元件名称新符号旧符号1 继电器 K J2 电流继电器 KA LJ3 负序电流继电器 KAN FLJ4 零序电流继电器 KAZ LLJ5 电压继电器 KV YJ6 正序电压继电器 KVP ZYJ7 负序电压继电器 KVN FYJ8 零序电压继电器 KVZ LYJ9 时间继电器 KT SJ10 功率继电器 KP GJ11 差动继电器 KD CJ12 信号继电器 KS XJ13 信号冲击继电器 KAI XMJ14 继电器 KC ZJ15 热继电器 KR RJ16 阻抗继电器 KI ZKJ17 温度继电器 KTP WJ18 瓦斯继电器 KG WSJ19 合闸继电器 KCR或KON HJ20 跳闸继电器 KTR TJ21 合闸继电器 KCP HWJ22 跳闸继电器 KTP TWJ23 电源监视继电器 KVS JJ24 压力监视继电器 KVP YJJ25 电压继电器 KVM YZJ26 事故信号继电器 KCA SXJ27 继电保护跳闸出口继电器 KOU BCJ28 手动合闸继电器 KCRM SHJ29 手动跳闸继电器 KTPM STJ30 加速继电器 KAC或KCL JSJ31 复归继电器 KPE FJ32 闭锁继电器 KLA或KCB BSJ33 同期检查继电器 KSY TJJ34 自动准同期装置 ASA ZZQ35 自动重合闸装置 ARE ZCJ36 自动励磁调节装置 AVR或AAVR ZTL37 备用电源自动投入装置 AATS或RSAD BZT38 按扭 SB AN39 合闸按扭 SBC HA40 跳闸按扭 SBT TA41 复归按扭 SBre或SBR FA42 试验按扭 SBte YA43 紧急停机按扭 SBes JTA44 起动按扭 SBst QA45 自保持按扭 SBhs BA46 停止按扭 SBss47 控制开关 SAC KK48 转换开关 SAH或SA ZK49 测量转换开关 SAM CK50 同期转换开关 SAS TK51 自动同期转换开关 2SASC DTK52 手动同期转换开关 1SASC STK53 自同期转换开关 SSA2 ZTK54 自动开关 QA55 刀开关 QK或SN DK56 熔断器 FU RD57 快速熔断器 FUhs RDS58 闭锁开关 SAL BK59 信号灯 HL XD60 光字牌 HL或HP GP61 警铃 HAB或HA JL62 合闸接触器 KMC HC63 接触器 KM C64 合闸线圈 Yon或LC HQ65 跳闸线圈 Yoff或LT TQ66 插座 XS67 插头 XP68 端子排 XT69 测试端子 XE70 连接片 XB LP71 蓄电池 GB XDC72 压力变送器 BP YB73 温度变送器 BT WDB74 电钟 PT75 电流表 PA76 电压表 PV77 电度表 PJ78 有功功率表 PPA79 无功功率表 PPR80 同期表 S81 频率表 PF82 电容器 C83 灭磁电阻 RFS或Rfd Rmc84 分流器 RW85 热电阻 RT86 电位器 RP87 电感(电抗)线圈 L88 电流互感器 TA CT或LH89 电压互感器 TV PT或YH 10KV电压互感器 TV SYH35KV电压互感器 TV UYH110KV电压互感器 TV YYH90 断路器 QF DL91 隔离开关 QS G92 电力变压器 TM B93 同步发电机 GS TF94 交流电动机 MA JD95 直流电动机 MD ZD96 电压互感器二次回路小母线97 同期电压小母线(待并) WST或WVB TQMa,TQMb98 同期电压小母线(运行) WOS`或WVBn TQM`a,TQM`b99 准同期合闸小母线 1WSC,2WSC,3WSC1WPO,2WPO,3WPO 1THM,2THM,3THM100 控制电源小母线 +WC,-WC +KM,-KM101 信号电源小母线 +WS,-WS +XM,-XM102 合闸电源小母线 +WON,-WON +HM,-HM103 事故信号小母线 WFA SYM104 零序电压小母线 WVBz电流表PA电压表PV有功电度表PJ无功电度表PJR频率表PF相位表PPA最大需量表(负荷监控仪) PM 功率因数表PPF有功功率表PW无功功率表PR无功电流表PAR声信号HA光信号HS指示灯HL红色灯HR绿色灯HG黄色灯HY蓝色灯HB白色灯HW连接片XB插头XP插座XS端子板XT电线,电缆,母线W直流母线WB插接式(馈电)母线WIB 电力分支线WP照明分支线WL应急照明分支线WE电力干线WPM照明干线WLM应急照明干线WEM滑触线WT合闸小母线WCL控制小母线WC信号小母线WS闪光小母线WF事故音响小母线WFS 预告音响小母线WPS 电压小母线WV事故照明小母线WELM 避雷器F熔断器FU快速熔断器FTF跌落式熔断器FF限压保护器件FV电容器C电力电容器CE正转按钮SBF反转按钮SBR停止按钮SBS紧急按钮SBE试验按钮SBT复位按钮SR限位开关SQ接近开关SQP手动控制开关SH时间控制开关SK液位控制开关SL湿度控制开关SM压力控制开关SP速度控制开关SS温度控制开关,辅助开关ST 电压表切换开关SV电流表切换开关SA整流器U可控硅整流器UR控制电路有电源的整流器VC 变频器UF变流器UC逆变器UI电动机M异步电动机MA同步电动机MS直流电动机MD绕线转子感应电动机MW鼠笼型电动机MC电动阀YM电磁阀YV防火阀YF排烟阀YS电磁锁YL跳闸线圈YT合闸线圈YC气动执行器YPA,Y A电动执行器YE发热器件(电加热) FH照明灯(发光器件) EL空气调节器EV电加热器加热元件EE感应线圈,电抗器L励磁线圈LF消弧线圈LA滤波电容器LL电阻器,变阻器R电位器RP热敏电阻RT光敏电阻RL压敏电阻RPS接地电阻RG放电电阻RD启动变阻器RS频敏变阻器RF限流电阻器RC光电池,热电传感器B压力变换器BP温度变换器BT速度变换器BV时间测量传感器BT1,BK液位测量传感器BL温度测量传感器BH,BM电路图上的常见电力符号中英文对照表:AAT 电源自动投入装置AC 交流电DC 直流电FU 熔断器G 发电机M 电动机HG 绿灯HR 红灯HW 白灯HP 光字牌K 继电器KA(N,Z) 电流继电器(负序,零序)KD 差动继电器KF 闪光继电器KH 热继电器KM 中间继电器(接触器)KOF 出口中间继电器KS 信号继电器KT 时间继电器KV(N,Z) 电压继电器(负序,零序)KP 极化继电器KR 干簧继电器KI 阻抗继电器KW(N,Z) 功率方向继电器(负序,零序) L 线路QF 断路器QS 隔离开关T 变压器TA 电流互感器TV 电压互感器W 直流母线YC 合闸线圈YT 跳闸线圈P,Q,S 有功,无功,视在功率E,U,I, 电动势,电压,电流SE 实验按钮SR 复归按钮f 频率Q——电路的开关器件FU——熔断器SB——按钮开关111111111111111111111111111111111。
建筑电气工程图形符号安装工程常用图形符号一、电气工程图形符号1、电气工程图形符号(P2)2、机械控制图形符号(P13)3、操作件和操作方法(P14)4、非电量控制及其他(导线的连接,交流器方框符号,电动机启动器的方框符号,接近和接触敏感器件,电力、照明和电信布置插座,电力、照明和电信布置开关)(P15)5、图集使用的范例和说明(P19)6、在工程平面图中标注的各种符号与代表名称(P25)7、表达线路敷设方式标注的文字代号(P26)8、表达线路敷设部位标注的文字代号(P27)9、表达照明灯具安装方式标注的文字代号(P27)二、管道工程图形符号1、管道及附件(P28)2、管道的连接(P29)3、阀门图形符号(P30)4、卫生器具及水池图形符号(P31)5、设备及仪表图形符号(P32)三、暖通工程图形符号1、图样线型(P33)2、风管及部件(P33)3、通风空调设备(P34)4、阀门(P35)(一)、电气工程图形符号序号图形符号说明1 开关(机械式)2 多级开关一般符号单线表示3 多级开关一般符号多线表示4 接触器(在非动作位置触点断开)5 接触器(在非动作位置触点闭合)6 负荷开关(负荷隔离开关)7 具有自动释放功能的负荷开关8 熔断器式断路器9 断路器10 隔离开关11 熔断器一般符号12 跌落式熔断器13 熔断器式开关14 熔断器式隔离开关15 熔断器式负荷开关序号图形符号说明16 当操作器件被吸合时延时闭合的动合触点17 当操作器件被释放时延时闭合的动合触点18 当操作器件被释放时延时闭合的动断触点19 当操作器件被吸合时延时闭合的动断触点20 当操作器件被吸合时延时闭合和释放时延时断开的动合触点21 按钮开关(不闭锁)22 旋钮开关、旋转开关(闭锁)23 位置开关,动合触点限制开关,动合触点24 位置开关,动断触点限制开关,动断触点25 热敏开关,动合触点注:θ可用动作温度代替26热敏自动开关,动断触点注:注意区别此触点和下图所示热继电器的触点27 具有热元件的气体放电管荧光灯起动器28动合(常开)触点注:本符号也可用作开关一般符号29 动断(常闭)触点30 先断后合的转换触点序号图形符号说明31当操作器件被吸合或释放时,暂时闭合的过渡动合触点32 座(内孔的)或插座的一个极33 插头(凸头的)或插头的一个极34 插头和插座(凸头的和内孔的)35 接通的连接片36 换接片37 双绕组变压器38 三绕组变压器39 自耦变压器40 电抗器扼流图41 电流互感器脉冲变压器42 具有两个铁芯和两个二次绕组的电流互感器43 在一个铁芯上具有两个二次绕组的电流互感器44 具有有载分接开关的三相三绕组变压器,有中性点引出线的星形-三角形连接45 三相三绕组变压器,两个绕组为有中性点引出线的星形,中性点接地,第三绕组为开口三角形连接序号图形符号说明46 三相变压器星形-三角形连接47 具有有载分接开关的三相变压器星形-三角形连接48 三相变压器星形-曲折形连接49 操作器件一般符号50////**具有两个绕组的操作器件组合表示法51 热继电器的驱动器件52 气体继电器53 自动重闭合器件54 电阻器一般符号55 可变电阻器可调电阻器56 滑动触点电位器57 预调电位器58 电容器一般符号59 可变电容器可调电容器60 双联同调可变电容器(一)电气工程图形符号--续表序号图形符号说明61 指示仪表(星号必须按规定予以代表)62 电压表63 电流表64 无功电流表65 最大需量指示器(由一台积算仪表操作的)66 无功功率表67 功率因素表68 频率表69 温度计、高温计(θ可由t代替)70 转速表71 积算仪表、电能表(星号必须按规定予以代替)72 安培小时计73 电能表(瓦特小时表)74 无功电能表75 带发送器电能表76 由电能表操纵的遥测仪表(转发器)77 由电能表操纵的带有打印器材的遥测仪表(转发器)78 屏、盘、架一般符号注:可用文字符号或型号表示设备名称79 列架一般符号80 人工交换台、中断台、测量台、业务台等一般符号序号图形符号说明81 总配线架82 中间配线架83 走线架、电缆走道84 地面上明装走线槽85 地面下暗装走线槽86 交流母线87 直流母线88 装在支柱上的封闭式母线89 母线伸缩接头90 中性线91 保护线92 保护和中性共用线93 具有保护和中性的三相配线94 滑触线95 地下线路96 架空线路97 管道线路98 多孔(如6孔)管道线路99 具有埋入地下连接点的线路100 水下线路101 沿建筑物明敷设通信线路102 沿建筑物暗敷设通信线路103 电气排流电缆104 挂在钢索上的线路105 用单线表示的多回线路(或电缆管束) 106 导线、导线组、电路线路、母线一般符号107 三根导线108 四根导线109 事故照明线110 50V及其以下电力及照明线路序号图形符号说明111 控制及信号线路(电力及照明用) 112 原电池或蓄电池113 原电池组或蓄电池组114 带抽头的原电池组或蓄电池组115 接地一般符号116 接机壳或接底板117 无噪声接地118 保护接地119 等电位120 电缆终端头121 电力电缆直通接线盒122 电力电缆连接盒电力电缆分线盒123 控制和指示设备124 报警启动装置(点式-手动或自动) 125 线型探测器126 火灾报警装置127 热128 烟129 易爆气体130 手动启动序号图形符号说明131 电铃132 扬声器133 发声器134 电话机135 照明信号136 手动报警器137 感烟火灾探测器138 感温火灾探测器139 气体火灾探测器140 火警电话机141 报警发声器142 有视听信号的控制和显示设备143 在专用电路上的事故照明灯144 自带电源的事故照明灯装置(应急灯) 145 警卫信号探测器146 警卫信号区域报警器147 警卫信号总报警器148 逃生路线,逃生方向149 逃生路线,最终出品150 二氧化碳消防设备辅助符合152 氧化剂消防设备辅助符号153 卤代烷消防设备辅助符号2、机械控制序号国家标准图形符号说明1 机械的连接气动的连接液压的连接2 具有力或者运动指示方向的机械连接3 延时动作注:三角为指向返回方向4 自动复位注:三角为指向返回方向5 定位非自动复位6 脱离定位7 进入定位8 两器件间的机械联锁9 脱扣的锁扣器件10 扣住的锁扣器件11 堵塞器件12 向左边移动被堵塞的已堵住的堵塞器件13 机械联轴器、离合器14 脱开的机械联轴器15 连接的机械联轴器3、操作件和操作方法17 一般情况下手动控制18 受限制的手动控制19 拉拔控制20 旋转控制序号国家标准图形符号说明21 推动操作22 接近效应操作23 接触效应操作24 紧急开关25 手轮操作26 脚踏操作27 杠杆操作28 可拆卸的手柄操作29 钥匙操作30 曲柄操作31 滚轮操作32 凸轮操作33 过电流保护的电磁操作34 电磁执行器操作35 热执行器操作36 电动机操作37 电钟操作4、非电量控制及其他38 液位控制39 计数控制40 流体控制41 气流控制42 温度控制(θ可用t代替)43 压力控制44 滑动控制45 端子导线的连接46 可拆卸的端子47 连接点交流器方框符号48 交换器一般符号转换器一般符号49 直流交流器50 整流器51 桥式全波整流器52 逆变器53 整流器/逆变器电动机启动器的方框符号54 电动机起动器的一般符号55 步进起动器56 调节-起动器57 带自动释放的起动器58 可逆式电动机直接在线接触器式起动器可逆式电动机满压接触器式起动器59 星-三角起动器60 自耦变压器式起动器61 带可控整流器的调节-起动器接近和接触敏感器件62 接近传感器63 接触传感器64 接近开关动合触点65 接触敏感开关动合触点66 磁铁接近时动作的接近开关,动合触点67 铁接近时动作的接近开关,动断触点电力、照明和电信布置插座68 单相插座69 暗装单相插座70 密闭(防水)单相插座71 防爆单相插座72 带保护触点插座带接地插孔的单相插座73 带接地插孔的暗装单相插座74 带接地插孔的密闭(防水)单相插座75 带接地插孔的防爆单相插座76 带接地插孔的三相插座77 带接地插孔的暗装三相插座78 带接地插孔的密闭(防水)三相插座79 带接地插孔的防爆三相插座80 插座箱(板)序号国家标准图形符号说明81 多个插座(示出3个)82 具有单极开关的插座83 具有隔离变压器的插座84 带熔断器的插座电力、照明和电信布置开关85 开关一般符号86 单极开关87 暗装单极开关88 密闭(防水)单极开关89 防爆单极开关90 双极开关91 暗装双极开关92 密闭(防水)双极开关93 防爆双极开关94 三极开关95 暗装三极开关96 密闭(防水)三极开关97 防爆三极开关98 单极拉线开关99 单极限时开关100 具有指示灯的开关101 双极开关(单极三线)102 调光器图形符号图集使用的范例和说明国标名称型号、规格、做法说明变电所室外箱式变电所杆上变电所屏、台、箱、柜的一般符号配电室及进线用开关柜多种电源配电箱(盘)画于墙外为明装,除注明外底边边距地1.2米画于墙内为暗装,除注明外底边边距地1.4米电力配电箱(盘)照明配电箱(盘) 画于墙外为明装,除注明外底边边距地2.0米,明装电能表板底距地1.8米画于墙内为暗装,除注明外底边边距地1.4米,明装电能表板底距地1.8米电源切换箱(盘) 画于墙外为明装,除注明外底边边距地1.2米画于墙内为暗装,除注明外底边边距地1.4米事故照明配电箱(盘) 画于墙外为明装,除注明外底边边距地1.2米画于墙内为暗装,除注明外底边边距地1.4米组合开关箱画于墙外为明装,除注明外底边边距地1.2米画于墙内为暗装,除注明外底边边距地1.4米电铃操作盘 除注明外,底边距地1.2米吹风机操作盘 距地1.2米,容量见设计图纸配电盘编号 圈内的数字为动力或照明的编号交流电动机除注明外,只做出线口,防水弯头距机座0.2米,均附接地螺丝按钮盒 圈或点数表示按钮数,除注明外,均为明装,距地 1.4米,按钮组合排列见设计图 立柱式按钮箱 风扇一般符号 除注明外,只做出线盒及吊钩 暖风机或冷风机 轴流风扇风扇电阻开关 除注明外,距地1.4米 电铃 除注明外,距地0.3米 号志箱交流电钟 除注明外,只做出线口(明线时,用明插座),距顶0.3米明装单相二级插座250伏-10安,距地0.3米,居民住宅及儿童活动场所应注意安全插座,如采用普通插座时,应距地 1.8米(见本表注)明装单相三极插座(带接地)明装单相四级插座(带接地)380伏-15安,25安,距地0.3米暗装单相二级插座250伏-10安,距地0.3米,居民住宅及儿童活动场所应注意安全插座,如采用普通插座时,应距地 1.8米(见表下注)明装单相三极插座(带接地)明装单相四级插座(带接地)380伏-15安,25安,距地0.3米,容量选用见设计图暗装单相二级防脱锁紧型插座 250伏-10安,距地0.3米,居民住宅及儿童活动场所应注意安全插座,如采用普通插座时,应距地1.8米国标名称型号、规格、做法说明暗装单相三极防脱锁紧型插座(带接地) 250伏-10安,距地0.3米,居民住宅及儿童活动场所应采用安全插座,如采用普通插座时,应距地1.8米暗装三相四极防脱锁紧型插座(带接地)380伏-20安,距地0.3米安装T型插座50伏-10安,距地0.3米(见表注) 暗装调光开关调光开关,距地1.4米(见表注) 金属地面出线盒防水拉线开关(单相二线)250伏-3安,瓷制拉线开关(单极二线) 250伏-3安拉线双控开关(单极三线)250伏-3安吊线灯附装拉线开关250伏-3安(立轮式),开关绘制方向表示拉线开关的安装方向明装单极开关(单极二线)跷板式开关,250伏-6安(见表注)暗装单极开关(单极二线)跷板式开关,250伏-6安(见表注)明装双控开关(单极三线)跷板式开关,250伏-6安(见表注)暗装双控开关(单极三线)跷板式开关,250伏-6安(见表注)暗装按钮式定时开关250伏-6安(见表注)暗装拉线式定时开关250伏-6安暗装拉线式多控开关250伏-6安暗装按钮式多控开关250伏-6安电铃开关250伏-6安天棚灯座(裸灯头)容量和安装方式见设计图墙上灯座(裸灯头)各灯具一般符号灯具型号见本图集花灯符号下面的数字,为选用本图集中待选定型灯具的设计编号非定型特制灯具 具体要求详见工程图注,下面数字为区别种类的编号荧光灯列(带状排列荧光灯) 规格、容量、型号、数量按工程设计图要求,施工中一般均应用高效节能型荧光灯灯具及与其配套的高可靠、高功率因素(>0.95)的交流电子镇流器单管荧光灯 双管荧光灯 三管荧光灯 荧光灯花灯组合 防爆型光灯投光灯规格、容量详见设计图注图形符号 图 集 使 用 的 范 例 和 说 明 国 标名 称 型号、规格、做法说明电源引入线 除注明外,架空引入时,高度与一层顶板同一般电杆 除有设计图或说明外,均按本图集 带照明灯具的电杆带照明灯具的电杆及投照方向 拉线的一般符号 带撑杆的电杆 带高桩拉线的电杆交流配电线路 铝芯导线时为2根 铜芯导线时为2根 导线型号的选择详见工程设计说明;除工程设计图交流配电线路铝芯导线时为3根铜芯导线时为3根中注明外,暗敷时,按图集JD5-605~607选配相应的管径及线槽交流配电线路铝芯导线时为4根 铜芯导线时为4根交流配电线路铝芯导线时为5根 铜芯导线时为5根 交流配电线路 铝芯导线时为6根 铜芯导线时为6根 支路编号电缆穿管(钢管、非金属管)保护 管径规格见具体工程图注 中途穿线盒或分线盒 做法见 伸缩缝穿线盒 做法见电缆人孔除注明外,见电缆手孔管线引向符号 引上,引下,由上引来,由下引来,引上并引下,由上引来再引下,由下引来再引上电缆桥架封闭式母线引向符号 线 槽引上,引下,由上引来,由下引来,引上并引下,由上引来再引下,由下引来再引上 避雷线 除注明外,见 避雷针双极带熔断器开关 除注明外,均为HK1型单相胶壳闸三极带熔断器开关 除注明外,均为HK1型三相胶壳闸双极带熔断器开关 除注明外,均为HH3或HH4型单相铁壳开关 三极带熔断器开关 除注明外,均为HH3或HH4型三相铁壳开关 双极三相转换开关 除注明外,均为两电流切换开关三相低压断路器 规格、型号详见工程图注跌落式熔断器 除注明外,均为RW3-10型户外跌落式熔断器 除注明外,均为RW4-10型户外跌落式熔断器熔断器式隔离开关 除注明外,均为HR3型熔断器式隔离开关图形符号 图 集 使 用 的 范 例 和 说 明 国 标名 称 型号、规格、做法说明熔断器除注明外,均为RC1A 瓷插式熔断器指示式电流表、电压表除注明外,为1T1-A型交流电流表除注明外,为1T1-V型交流电压表有功电能表除注明外,均由供电部门备料安装(虚线时为表位) 无功电能表除注明外,均由供电部门备料安装(虚线时为表位) 安培表的换相开关伏特表的换相开关壁龛电话交接箱除注明外,暗装距地0.3米室内电话分线盒除注明外,只做出线口,暗装距地0.3米扬声器除注明外,距顶板0.5米广播分线箱(盘) 除注明外,暗装距地0.3米电话线路末端线路,简化标注时,只注明电话对数RVB(2×0.2) 暗装时穿管1对1(2×0.2)SC15、PC15、TC20、FEC15、(KRG)202对2(2×0.2)3对3(2×0.2)4对4(2×0.2)5对5(2×0.2)广播线路除注明外,同电话线路注法,导线穿管见JD50-608电视线路除注明外,电缆采用SYY-75-5-1型,穿(KRG)15、FEC15、TC15,明、暗敷设有设计定设计照度表示100勒克司安装或敷设高度(米) 自室内该处地面算起安装或敷设高度(米) 自室外该处地面算起消防专用按钮SFAN-1型实验室用暗装塑料插销组板安装高度:除注明者外,距地1.2米;装于依墙实验台处,距台面上0.3米实验室用暗装插销组板安装高度:除注明者外,距地1.2米;装于依墙实验台处,距台面上0.3米实验室插销组板、箱编号圈内数字:A为分盘号;B为设计选定插销组板或箱的排列方案实验室明装接地端子板右下角数字表示安装接地端子的节数,由设计选定.安装高度:除注明外,距地3米实验室暗装接地端子箱接地接线柱板采用633型100安接线柱组合6、在工程平面图中标注的各种符号与代表名称在用电设备或电动机出线口处标写格式在电力或照明设备一般的标注方法在配电线路上的标写格式a-----设备编号;b-----额定功率(千瓦);c-----路线首端熔断片或自动开关释放的电流(安);d-----标高(米);a-----设备编号;b-----设备型号;c-----设备功率(千瓦);d-----导线型号;e-----导线根数;f-----导线截面(毫米2);g-----导线敷设方式及部位末端支路只注编号时为:a-----回路编号;b-----导线型号;c-----导线根数;d-----导线截面;e-----敷设方式及穿管管径;f-----敷设部位;交流电对照明灯具的表达格式m-----交流系统电源第三相;f-----交流系统设备端第一相;U-----交流系统设备端第二相;例:交流三相带中性线表示如下:3N~50赫,380伏N-----中性线a-----灯具数;b-----型号或编号;c-----每盏灯的灯泡数或灯管数;d-----灯泡容量(瓦);L-----光源种类;e-----安装高度(米);f-----安装方式注:1.安装高度:壁灯时,指灯具中心与地距离;吊灯时,为灯具底部与地距离。
建筑电气工程图形符号安装工程常用图形符号一、电气工程图形符号1、电气工程图形符号(P2)2、机械控制图形符号(P13)3、操作件和操作方法(P14)4、非电量控制及其他(导线的连接,交流器方框符号,电动机启动器的方框符号,接近和接触敏感器件,电力、照明和电信布置插座,电力、照明和电信布置开关)(P15)5、图集使用的范例和说明(P19)6、在工程平面图中标注的各种符号与代表名称(P25)7、表达线路敷设方式标注的文字代号(P26)8、表达线路敷设部位标注的文字代号(P27)9、表达照明灯具安装方式标注的文字代号(P27)二、管道工程图形符号1、管道及附件(P28)2、管道的连接(P29)3、阀门图形符号(P30)4、卫生器具及水池图形符号(P31)5、设备及仪表图形符号(P32)三、暖通工程图形符号1、图样线型(P33)2、风管及部件(P33)3、通风空调设备(P34)4、阀门(P35)(一)、电气工程图形符号序号图形符号说明1 开关(机械式)2 多级开关一般符号单线表示3 多级开关一般符号多线表示4 接触器(在非动作位置触点断开)5 接触器(在非动作位置触点闭合)6 负荷开关(负荷隔离开关)7 具有自动释放功能的负荷开关8 熔断器式断路器9 断路器10 隔离开关11 熔断器一般符号12 跌落式熔断器13 熔断器式开关14 熔断器式隔离开关15 熔断器式负荷开关序号图形符号说明16 当操作器件被吸合时延时闭合的动合触点17 当操作器件被释放时延时闭合的动合触点18 当操作器件被释放时延时闭合的动断触点19 当操作器件被吸合时延时闭合的动断触点20 当操作器件被吸合时延时闭合和释放时延时断开的动合触点21 按钮开关(不闭锁)22 旋钮开关、旋转开关(闭锁)23 位置开关,动合触点限制开关,动合触点24 位置开关,动断触点限制开关,动断触点25 热敏开关,动合触点注:θ可用动作温度代替26 热敏自动开关,动断触点注:注意区别此触点和下图所示热继电器的触点27 具有热元件的气体放电管荧光灯起动器28 动合(常开)触点注:本符号也可用作开关一般符号29 动断(常闭)触点30 先断后合的转换触点(一)电气工程图形符号--续表序号图形符号说明31 当操作器件被吸合或释放时,暂时闭合的过渡动合触点32 座(内孔的)或插座的一个极33 插头(凸头的)或插头的一个极34 插头和插座(凸头的和内孔的)35 接通的连接片36 换接片37 双绕组变压器38 三绕组变压器39 自耦变压器40 电抗器扼流图41 电流互感器脉冲变压器42 具有两个铁芯和两个二次绕组的电流互感器43 在一个铁芯上具有两个二次绕组的电流互感器44 具有有载分接开关的三相三绕组变压器,有中性点引出线的星形-三角形连接45 三相三绕组变压器,两个绕组为有中性点引出线的星形,中性点接地,第三绕组为开口三角形连接(一)电气工程图形符号--续表序号图形符号说明46 三相变压器星形-三角形连接47 具有有载分接开关的三相变压器星形-三角形连接48 三相变压器星形-曲折形连接49 操作器件一般符号50////**具有两个绕组的操作器件组合表示法51 热继电器的驱动器件52 气体继电器53 自动重闭合器件54 电阻器一般符号55 可变电阻器可调电阻器56 滑动触点电位器57 预调电位器58 电容器一般符号59 可变电容器可调电容器60 双联同调可变电容器(一)电气工程图形符号--续表序号图形符号说明61 指示仪表(星号必须按规定予以代表)62 电压表63 电流表64 无功电流表65 最大需量指示器(由一台积算仪表操作的)66 无功功率表67 功率因素表68 频率表69 温度计、高温计(θ可由t代替)70 转速表71 积算仪表、电能表(星号必须按规定予以代替)72 安培小时计73 电能表(瓦特小时表)74 无功电能表75 带发送器电能表76 由电能表操纵的遥测仪表(转发器)77 由电能表操纵的带有打印器材的遥测仪表(转发器)78 屏、盘、架一般符号注:可用文字符号或型号表示设备名称79 列架一般符号80 人工交换台、中断台、测量台、业务台等一般符号(一)电气工程图形符号--续表序号图形符号说明81 总配线架82 中间配线架83 走线架、电缆走道84 地面上明装走线槽85 地面下暗装走线槽86 交流母线87 直流母线88 装在支柱上的封闭式母线89 母线伸缩接头90 中性线91 保护线92 保护和中性共用线93 具有保护和中性的三相配线94 滑触线95 地下线路96 架空线路97 管道线路98 多孔(如6孔)管道线路99 具有埋入地下连接点的线路100 水下线路101 沿建筑物明敷设通信线路102 沿建筑物暗敷设通信线路103 电气排流电缆104 挂在钢索上的线路105 用单线表示的多回线路(或电缆管束)106 导线、导线组、电路线路、母线一般符号107 三根导线108 四根导线109 事故照明线110 50V及其以下电力及照明线路(一)电气工程图形符号--续表序号图形符号说明111 控制及信号线路(电力及照明用)112 原电池或蓄电池113 原电池组或蓄电池组114 带抽头的原电池组或蓄电池组115 接地一般符号116 接机壳或接底板117 无噪声接地118 保护接地119 等电位120 电缆终端头121 电力电缆直通接线盒122 电力电缆连接盒电力电缆分线盒123 控制和指示设备124 报警启动装置(点式-手动或自动) 125 线型探测器126 火灾报警装置127 热128 烟129 易爆气体130 手动启动序号图形符号说明131 电铃132 扬声器133 发声器134 电话机135 照明信号136 手动报警器137 感烟火灾探测器138 感温火灾探测器139 气体火灾探测器140 火警电话机141 报警发声器142 有视听信号的控制和显示设备143 在专用电路上的事故照明灯144 自带电源的事故照明灯装置(应急灯) 145 警卫信号探测器146 警卫信号区域报警器147 警卫信号总报警器148 逃生路线,逃生方向149 逃生路线,最终出品150 二氧化碳消防设备辅助符合152 氧化剂消防设备辅助符号153 卤代烷消防设备辅助符号2、机械控制序号国家标准图形符号说明1 机械的连接气动的连接液压的连接2 具有力或者运动指示方向的机械连接3 延时动作注:三角为指向返回方向4 自动复位注:三角为指向返回方向5 定位非自动复位6 脱离定位7 进入定位8 两器件间的机械联锁9 脱扣的锁扣器件10 扣住的锁扣器件11 堵塞器件12 向左边移动被堵塞的已堵住的堵塞器件13 机械联轴器、离合器14 脱开的机械联轴器15 连接的机械联轴器3、操作件和操作方法17 一般情况下手动控制18 受限制的手动控制19 拉拔控制20 旋转控制序号国家标准图形符号说明21 推动操作22 接近效应操作23 接触效应操作24 紧急开关25 手轮操作26 脚踏操作27 杠杆操作28 可拆卸的手柄操作29 钥匙操作30 曲柄操作31 滚轮操作32 凸轮操作33 过电流保护的电磁操作34 电磁执行器操作35 热执行器操作36 电动机操作37 电钟操作4、非电量控制及其他38 液位控制39 计数控制40 流体控制41 气流控制42 温度控制(θ可用t代替)43 压力控制44 滑动控制45 端子导线的连接46 可拆卸的端子47 连接点交流器方框符号48 交换器一般符号转换器一般符号49 直流交流器50 整流器51 桥式全波整流器52 逆变器53 整流器/逆变器电动机启动器的方框符号54 电动机起动器的一般符号55 步进起动器56 调节-起动器57 带自动释放的起动器58 可逆式电动机直接在线接触器式起动器可逆式电动机满压接触器式起动器59 星-三角起动器60 自耦变压器式起动器61 带可控整流器的调节-起动器接近和接触敏感器件62 接近传感器63 接触传感器64 接近开关动合触点65 接触敏感开关动合触点66 磁铁接近时动作的接近开关,动合触点67 铁接近时动作的接近开关,动断触点电力、照明和电信布置插座68 单相插座69 暗装单相插座70 密闭(防水)单相插座71 防爆单相插座72 带保护触点插座带接地插孔的单相插座73 带接地插孔的暗装单相插座74 带接地插孔的密闭(防水)单相插座75 带接地插孔的防爆单相插座76 带接地插孔的三相插座77 带接地插孔的暗装三相插座78 带接地插孔的密闭(防水)三相插座79 带接地插孔的防爆三相插座80 插座箱(板)序号国家标准图形符号说明81 多个插座(示出3个)82 具有单极开关的插座83 具有隔离变压器的插座84 带熔断器的插座电力、照明和电信布置开关85 开关一般符号86 单极开关87 暗装单极开关88 密闭(防水)单极开关89 防爆单极开关90 双极开关91 暗装双极开关92 密闭(防水)双极开关93 防爆双极开关94 三极开关95 暗装三极开关96 密闭(防水)三极开关97 防爆三极开关98 单极拉线开关99 单极限时开关100 具有指示灯的开关101 双极开关(单极三线)102 调光器5、图集使用的范例和说明图形符号图集使用的范例和说明国标名称型号、规格、做法说明变电所室外箱式变电所杆上变电所屏、台、箱、柜的一般符号配电室及进线用开关柜多种电源配电箱(盘) 画于墙外为明装,除注明外底边边距地1.2米画于墙内为暗装,除注明外底边边距地1.4米电力配电箱(盘)照明配电箱(盘) 画于墙外为明装,除注明外底边边距地2.0米,明装电能表板底距地1.8米画于墙内为暗装,除注明外底边边距地1.4米,明装电能表板底距地1.8米电源切换箱(盘) 画于墙外为明装,除注明外底边边距地1.2米画于墙内为暗装,除注明外底边边距地1.4米事故照明配电箱(盘) 画于墙外为明装,除注明外底边边距地1.2米画于墙内为暗装,除注明外底边边距地1.4米组合开关箱画于墙外为明装,除注明外底边边距地1.2米 画于墙内为暗装,除注明外底边边距地1.4米电铃操作盘除注明外,底边距地1.2米吹风机操作盘 距地1.2米,容量见设计图纸配电盘编号 圈内的数字为动力或照明的编号交流电动机除注明外,只做出线口,防水弯头距机座0.2米,均附接地螺丝按钮盒 圈或点数表示按钮数,除注明外,均为明装,距地 1.4米,按钮组合排列见设计图 立柱式按钮箱 风扇一般符号 除注明外,只做出线盒及吊钩 暖风机或冷风机 轴流风扇风扇电阻开关 除注明外,距地1.4米 电铃 除注明外,距地0.3米号志箱交流电钟 除注明外,只做出线口(明线时,用明插座),距顶0.3米明装单相二级插座250伏-10安,距地0.3米,居民住宅及儿童活动场所应注意安全插座,如采用普通插座时,应距地1.8米(见本表注)明装单相三极插座(带接地)明装单相四级插座(带接地) 380伏-15安,25安,距地0.3米暗装单相二级插座250伏-10安,距地0.3米,居民住宅及儿童活动场所应注意安全插座,如采用普通插座时,应距地1.8米(见表下注)明装单相三极插座(带接地)明装单相四级插座(带接地)380伏-15安,25安,距地0.3米,容量选用见设计图暗装单相二级防脱250伏-10安,距地0.3米,居民住宅及儿童活动场所应锁紧型插座注意安全插座,如采用普通插座时,应距地1.8米国标名称型号、规格、做法说明暗装单相三极防脱锁紧型插座(带接地) 250伏-10安,距地0.3米,居民住宅及儿童活动场所应采用安全插座,如采用普通插座时,应距地1.8米暗装三相四极防脱锁紧型插座(带接地)380伏-20安,距地0.3米安装T型插座50伏-10安,距地0.3米(见表注) 暗装调光开关调光开关,距地1.4米(见表注) 金属地面出线盒防水拉线开关(单相二线)250伏-3安,瓷制拉线开关(单极二线)250伏-3安拉线双控开关(单极三线)250伏-3安吊线灯附装拉线开关250伏-3安(立轮式),开关绘制方向表示拉线开关的安装方向明装单极开关(单极二线)跷板式开关,250伏-6安(见表注)暗装单极开关(单极二线)跷板式开关,250伏-6安(见表注)明装双控开关(单极三线)跷板式开关,250伏-6安(见表注)暗装双控开关(单极三线)跷板式开关,250伏-6安(见表注)暗装按钮式定时开关250伏-6安(见表注)暗装拉线式定时开关250伏-6安暗装拉线式多控开关250伏-6安暗装按钮式多控开关 250伏-6安电铃开关 250伏-6安天棚灯座(裸灯头)容量和安装方式见设计图墙上灯座(裸灯头)各灯具一般符号灯具型号见本图集花灯符号下面的数字,为选用本图集中待选定型灯具的设计编号非定型特制灯具 具体要求详见工程图注,下面数字为区别种类的编号 荧光灯列(带状排列荧光灯) 规格、容量、型号、数量按工程设计图要求,施工中一般均应用高效节能型荧光灯灯具及与其配套的高可靠、高功率因素(>0.95)的交流电子镇流器单管荧光灯 双管荧光灯 三管荧光灯 荧光灯花灯组合 防爆型光灯投光灯规格、容量详见设计图注图形符号 图 集 使 用 的 范 例 和 说 明 国 标名 称 型号、规格、做法说明电源引入线 除注明外,架空引入时,高度与一层顶板同一般电杆 除有设计图或说明外,均按本图集 带照明灯具的电杆带照明灯具的电杆及投照方向 拉线的一般符号带撑杆的电杆带高桩拉线的电杆交流配电线路铝芯导线时为2根铜芯导线时为2根导线型号的选择详见工程设计说明;除工程设计图中注明外,暗敷时,按图集JD5-605~607选配相应的管径及线槽交流配电线路铝芯导线时为3根铜芯导线时为3根交流配电线路铝芯导线时为4根铜芯导线时为4根交流配电线路铝芯导线时为5根铜芯导线时为5根交流配电线路铝芯导线时为6根铜芯导线时为6根支路编号电缆穿管(钢管、非金属管)保护管径规格见具体工程图注中途穿线盒或分线盒做法见伸缩缝穿线盒做法见电缆人孔除注明外,见电缆手孔管线引向符号引上,引下,由上引来,由下引来,引上并引下,由上引来再引下,由下引来再引上电缆桥架封闭式母线引向符号线槽引上,引下,由上引来,由下引来,引上并引下,由上引来再引下,由下引来再引上避雷线除注明外,见避雷针双极带熔断器开关除注明外,均为HK1型单相胶壳闸三极带熔断器开关除注明外,均为HK1型三相胶壳闸双极带熔断器开关除注明外,均为HH3或HH4型单相铁壳开关三极带熔断器开关除注明外,均为HH3或HH4型三相铁壳开关双极三相转换开关除注明外,均为两电流切换开关三相低压断路器规格、型号详见工程图注跌落式熔断器除注明外,均为RW3-10型户外跌落式熔断器除注明外,均为RW4-10型户外跌落式熔断器熔断器式隔离开关除注明外,均为HR3型熔断器式隔离开关图形符号图集使用的范例和说明国标名称型号、规格、做法说明熔断器除注明外,均为RC1A瓷插式熔断器指示式电流表、电压表除注明外,为1T1-A型交流电流表除注明外,为1T1-V型交流电压表有功电能表除注明外,均由供电部门备料安装(虚线时为表位) 无功电能表除注明外,均由供电部门备料安装(虚线时为表位) 安培表的换相开关伏特表的换相开关壁龛电话交接箱除注明外,暗装距地0.3米室内电话分线盒除注明外,只做出线口,暗装距地0.3米扬声器除注明外,距顶板0.5米广播分线箱(盘) 除注明外,暗装距地0.3米电话线路末端线路,简化标注时,只注明电话对数RVB(2×0.2) 暗装时穿管1对1(2×0.2)SC15、PC15、TC20、FEC15、(KRG)202对2(2×0.2)3对3(2×0.2)4对4(2×0.2)5对5(2×0.2)广播线路除注明外,同电话线路注法,导线穿管见JD50-608电视线路除注明外,电缆采用SYY-75-5-1型,穿(KRG)15、FEC15、TC15,明、暗敷设有设计定设计照度表示100勒克司安装或敷设高度(米) 自室内该处地面算起安装或敷设高度(米) 自室外该处地面算起消防专用按钮SFAN-1型实验室用暗装塑料插销组板安装高度:除注明者外,距地1.2米;装于依墙实验台处,距台面上0.3米实验室用暗装插销组板安装高度:除注明者外,距地1.2米;装于依墙实验台处,距台面上0.3米实验室插销组板、箱编号圈内数字:A为分盘号;B为设计选定插销组板或箱的排列方案实验室明装接地端子板右下角数字表示安装接地端子的节数,由设计选定.安装高度:除注明外,距地3米实验室暗装接地端子箱接地接线柱板采用633型100安接线柱组合6、在工程平面图中标注的各种符号与代表名称在用电设备或电动机出线口处标写格式在电力或照明设备一般的标注方法在配电线路上的标写格式a-----设备编号;b-----额定功率(千瓦); c-----路线首端熔断片或自动开关释放的电流(安); d-----标高(米); a-----设备编号;b-----设备型号;c-----设备功率(千瓦);d-----导线型号;e-----导线根数;f-----导线截面(毫米2);g-----导线敷设方式及部位末端支路只注编号时为:a-----回路编号;b-----导线型号;c-----导线根数;d-----导线截面;e-----敷设方式及穿管管径;f-----敷设部位;交流电对照明灯具的表达格式m-----交流系统电源第三相;f-----交流系统设备端第一相; U-----交流系统设备端第二相; 例:交流三相带中性线表示如下: 3N~50赫,380伏N-----中性线a-----灯具数;b-----型号或编号;c-----每盏灯的灯泡数或灯管数; d-----灯泡容量(瓦);L-----光源种类;e-----安装高度(米);f-----安装方式注:1.安装高度:壁灯时,指灯具中心与地距离;吊灯时,为灯具底部与地距离。
精心整理电气图形常用图形符号及画法使用命令
、样条曲线
引线
直线
直线
、圆弧直线
直线、圆弧
、多行文字
直线、圆、复制、修剪
直线、圆
修剪
、图案填充
、直线、修剪圆、直线、修剪
、图案填充
、矩形、图
矩形、圆
作方法。
这些符号也可用于安装或移动电气设备的场合,以指出诸如禁止、警告、规定或限制等应注意的事项。
在电气图中,尤其是在某些电气平面图、电气系统说明书用图等图中,也可以适当使地使用这此符号,以补充这些图形所包含的内容。
设备用图符号与电气简图用图符号的形式大部分是不同的。
但有一些也是相同的,不过含义大不相同。
例如,设备用熔断器图形符号虽然与电气简图符号的形式
是一样的,但电气简图用熔断器符号表示的是一类熔断器。
而设备用图形符号如果标在设备外壳上,则表示熔断器盒及其位置;如果标在某些电气图上,也仅仅表示这是熔断器的安装位置。
2.常用设备用图形符号
电气设备用图形符号分为6个部分:通用符号,广播、电视及音响设备符号,通信、
13.3电气技术中的文字符号和项目代号
一个电气系统或一种电气设备通常都是由各种基本件、部件、组件等组成,为了在电气图上或其他技术文件中表示这些基本件、部件、组件,除了采用各种图形
0”
电气图中常用的双字母符号如表13-7所示。
表13-7电气图中常用的双字母符号。