了拼装组合式预制钢筋混凝土化粪池产品分类、技术要求、检验方法
- 格式:doc
- 大小:73.00 KB
- 文档页数:6
预制混凝土化粪池的施工技术方案一、编制依据1、《钢筋混凝土化粪池图集》( 03S702)2、《工程测量规范》 (GB50026-2007)3、《地基与基础工程施工质量验收规范》(GB50202-2002)4、《混凝土结构工程施工质量验收规范》(GB50204-2002)5、《建筑工程施工质量验收统一标准》(GB50300-2001)6、《建筑机械使用安全技术规范》(JGJ33-2001)7、《施工现场临时用电安全技术规范》(JGJ46-2005)8、本工程室外雨污水施工图。
二、编制说明本施工方案是项目的专项方案,在施工过程中,我们将在此基础上,就各分部分项工程编制进一步的作业指导书和技术交底,补充施工中的细节问题,使该方案真正具有可操作性、合理性。
本工程化粪池采用钢筋混凝土组合式化粪池。
三、施工方案1、施工工艺流程施工准备→测量放线→基坑开挖→护壁施工→垫层施工→化粪池安装施工→土方回填2、施工准备(1)核对基坑平面尺寸和坑底标高,熟悉土层、水文地质资料。
(2)结合施工现场的实际情况,绘制施工总平面图和基坑开挖图,确定开挖路线、顺序、范围、边坡坡度。
(3)设置测量控制点,根据施工现场的实际情况将水准标高测设到周围的建筑物上,并于适当 ( 不受施工现场工作影响 ) 的地方设置半永久性的水准点。
根据所布置的测量控制点,测定施工现场的自然地面标高以及相关标高,并做好现场测量记录,作为施工组织计划的依据。
(4)根据施工工期的要求安排好工作人员及施工机械进场,明确各专业工序间的配合关系,并根据施工规范的有关要求向参加施工工作的人员层层进行安全技术交底。
(5)根据施工要求的范围进行场地平整清理。
凡在施工区域内,影响工程质量的软弱土层、淤泥、大石、垃圾,应分别情况采取全部挖除或排水沟疏干、抛填石块、砂等方法妥善处理。
(6)修建临时设施及施工道路,在建筑物四围设置排水沟。
3、测量放线及基坑开挖(1)测量放线根据图纸及化粪池实际尺寸,考虑工作面(化粪池外边尺寸各边 +0.5M),基坑四周挖设 300×300 排水沟,转角处设 500× 500×1000 集水坑,用白灰放出化粪池位置及基坑边坡白线,施工过程中派人监测基坑情况 , 开挖过程用水准仪测量基坑高程。
一、检查外观是否有明显损坏钢筋混凝土化粪池是存放粪便和污水的设施,因此其外观的完好与否直接关系到粪池的使用寿命和安全性。
在进行外观检查的时候,我们需要注意以下几个方面:1.1、检查粪池表面是否有明显的裂缝和破损,特别要注意检查池壁和池底的连接处以及支撑部位是否有明显的损伤;1.2、观察粪池是否有漏水现象,可以通过观察周围地面的湿润程度、池内水位的变化等方式来判断;1.3、检查粪池的附属设施,比如排污管道、检查井等是否有老化、腐蚀和损坏现象。
二、检查水位和排污情况2.1、检查粪池内的水位,观察是否正常,若水位异常可能是管道堵塞或者池壁漏水导致的;2.2、检查排污口和排污管道,确保排污通畅,避免污水倒灌或者积水倒灌导致的粪池故障。
三、检查粪池覆盖物粪池的覆盖物可以有效减少异味的散发、杂物的落入以及环境污染的发生,因此检查粪池覆盖物的完好和清洁程度是非常重要的。
在检查时,需要重点关注以下几个方面:3.1、检查覆盖物是否有损坏和老化现象,尤其要注意检查覆盖物的密封性是否受到影响;3.2、检查覆盖物表面是否有污渍和异物,确保覆盖物的清洁程度;3.3、观察覆盖物是否能够有效地阻隔异味和杂物的侵入,确保粪池的环境卫生。
四、检查排气系统粪池内部产生的气体,如果无法及时排出,可能会导致粪池内部的压力升高,从而增加粪池的损坏风险。
检查排气系统的完好性是非常必要的。
在检查时,可以从以下几个方面入手:4.1、检查排气管道和排气口的畅通情况,确保气体能够畅通排出;4.2、观察排气口周围是否有异味、污渍等现象,以便及时发现排气系统故障。
五、检查附件设施5.1、检查粪池周边的安全设施,比如护栏、标识等是否完好,确保粪池的周边环境安全;5.2、检查排污管道、检查井等附件设施是否完好,避免因附件设施故障导致粪池损坏。
六、总结通过以上的外观检查项目,我们可以及时发现粪池的损坏和故障现象,并及时采取修复措施,确保粪池的安全使用。
在进行检查的过程中,需要认真仔细地观察每一个细节,以便发现潜在的问题。
了拼装组合式预制钢筋混凝土化粪池产品分类技术要求检验方法拼装组合式预制钢筋混凝土化粪池是一种具有较高技术含量的产品,其分类技术要求和检验方法的规范对于确保产品的质量和安全至关重要。
下面是针对这一产品的分类技术要求和检验方法的详细介绍:一、产品分类技术要求1.尺寸要求:拼装组合式预制钢筋混凝土化粪池的尺寸应符合设计要求,包括长度、宽度、高度等方面的尺寸。
2.强度要求:产品的强度要求应符合相关的国家标准或行业标准,包括抗压强度、抗弯强度等方面的要求。
3.密封性能要求:产品的密封性能要求高,以确保化粪池运行期间不会渗漏或泄露,且能有效防止外界的污染物进入化粪池。
4.耐腐蚀性能要求:由于化粪池长期处于污水环境中,因此产品的材料应具有良好的耐腐蚀性能,能够抵御污水对产品材料的腐蚀作用。
5.施工和拆解便捷性:拼装组合式预制钢筋混凝土化粪池的施工和拆除过程应方便快捷,并能保证产品的完整性和密封性。
二、产品分类技术检验方法1.尺寸检验:使用量规、卷尺等工具对拼装组合式预制钢筋混凝土化粪池进行尺寸测量,与设计要求进行对比检验。
2.强度检验:通过抽样取样,将样品送往专业实验室进行抗压强度和抗弯强度等方面的检测。
3.密封性能检验:将化粪池倒置于水池中,施加一定压力,并观察化粪池表面是否有气泡或漏水现象,以检验其密封性能。
4.耐腐蚀性能检验:将化粪池样品放置于酸碱等腐蚀性液体中浸泡一定时间后,观察其表面是否有腐蚀现象,以评估其耐腐蚀性能。
5.施工和拆解便捷性检验:通过实际施工和拆解操作,评估产品的施工和拆解便捷性,包括操作时间、工具使用和产品完整性等方面。
以上是针对拼装组合式预制钢筋混凝土化粪池的分类技术要求和检验方法的介绍。
通过严格执行这些要求和检验方法,可以确保产品的质量和安全,满足用户需求,并提高产品的市场竞争力。
预制装配式钢筋混凝土化粪池施工工法一、前言预制装配式钢筋混凝土化粪池施工工法是一种高效、节省时间和成本的施工方法,能够提高化粪池建设的效率和质量。
本文将详细介绍该工法的特点、适应范围、工艺原理、施工工艺、劳动组织、机具设备、质量控制、安全措施、经济技术分析以及工程实例。
二、工法特点该工法采用了预制装配式钢筋混凝土模块化结构,具有以下特点:1. 施工快速:预制装配式化粪池的构件在工厂预先制作,减少现场施工时间;2. 施工效率高:工人只需进行简单的组装和连接操作,无需繁琐的浇筑和模板搭设;3. 施工成本低:节省大量人力和材料,减少施工成本;4. 施工质量好:模块化结构保证了施工质量的一致性和可靠性;5. 使用寿命长:预制装配式化粪池具有良好的耐久性和抗腐蚀性。
三、适应范围该工法适用于各种规模的化粪池建设,无论是乡村、农田、工矿企业还是城市,都可以采用预制装配式钢筋混凝土化粪池施工工法。
四、工艺原理预制装配式钢筋混凝土化粪池的工艺原理是基于以下几个方面的技术措施:1. 模块化结构设计:将化粪池划分为多个预制装配式构件,减少现场施工时间和操作难度;2. 钢筋混凝土材料选用:选择高强度的钢筋混凝土材料,确保化粪池具有良好的强度和稳定性;3. 连接方式设计:采用可靠的连接方式,构件间无缝连接,确保化粪池的整体性能;4. 耐久性设计:针对化粪池的特殊环境进行耐久性设计,避免腐蚀和渗漏问题。
五、施工工艺 1. 土方开挖:按照设计要求进行土方开挖,并清理现场;2. 基础施工:进行化粪池的基础施工,采用预制构件来组装基础结构;3. 壁板组装:安装化粪池的壁板,将预制的模块化结构进行连接;4. 钢筋安装:按照设计要求进行钢筋的安装工作;5. 混凝土浇筑:进行混凝土的浇筑,并进行养护;6. 附属设施安装:安装必要的附属设施,如进出口管道、阀门等;7. 水密性测试:进行水密性测试,确保化粪池的水密性达到设计要求;8. 收尾工作:进行清理、整理和环境恢复的工作。
本标准规定了拼装组合式预制钢筋混凝土化粪池产品分类、技术要求、检验方法、检验规则和标志、包装、运输、贮存。
本标准适用于拼装组合式预制钢筋混凝土化粪池产品。
凡有内压或耐腐蚀要求拼装组合式预制钢筋混凝土化粪池产品,由供需双方另行商定。
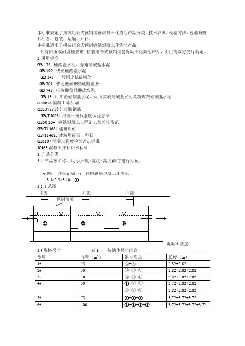
2 引用标准GB 175 硅酸盐水泥、普通硅酸盐水泥GB 199 快硬硅酸盐水泥GB 343 一般用途低碳钢丝GB 701 普通低碳钢热轧圆盘条GB 748 抗硫酸盐硅酸盐水泥GB 1344 矿渣硅酸盐水泥、火山灰质硅酸盐水泥及粉煤灰硅酸盐水泥GB8076混凝土外加剂GB13788冷轧带肋钢筋GB/T50081混凝土抗压强度试验方法GB50 204 钢筋混凝土工程施工及验收规范GB/T14684建筑用砂GB/T14685建筑用碎石、卵石GBJ107混凝土强度检验评定标准JGJ63混凝土拌和用水标准3 产品分类3.1 产品按名称、尺寸(长度×宽度×高度)顺序进行标记。
示例:,其标记如下:预制钢筋混凝土化粪池3.4×2.5×3.10—①3.2工艺图池体:①:3.72×2.82×3.88=40.70m3 有效体积3.4×2.5×3.1=26.35m3②:2.82×2.82×3.88=30.8 m3 有效体积2.5×2.5×3.1=19.375m3③:2.82×2.12 ×3.88=23.2m3 有效体积2.5×1.8×3.1=13.95m3池底:①:3.72×2.82×0.53②:2.82×2.82×0.53③:2.82×2.12 ×0.53池盖板:①:3.72×2.82×0.2②:2.82×2.82×0.2③:2.82×2.12 ×0.24原材料4.1原材料4.1.1水泥宜采用标号不低于32.5的硅酸盐水泥、普通硅酸盐水泥或矿渣硅酸盐水泥,也可采用标号不低于32.5的快硬硅酸盐水泥、抗硫酸盐硅酸盐水泥、快硬硫铝酸盐水泥。
钢筋混凝土化粪池钢筋混凝土化粪池是一种用于储存和处理家庭或农业生活污水的设施。
它适用于远离市区生活的农村地区或者无法接入公共下水道系统的偏远地区。
这种化粪池采用优质的钢筋混凝土材料制作而成,具有很高的耐久性和稳定性。
本文将介绍钢筋混凝土化粪池的特点、施工步骤以及维护方法。
1. 特点1.1 耐久性钢筋混凝土是一种广泛应用于建筑物和基础设施中的材料,其在抗压、抗拉和抗腐蚀性方面具有出色的性能。
采用钢筋混凝土制作化粪池可以确保其长期稳定地承受污水的冲击和化学物质的侵蚀。
1.2 稳定性由于使用钢筋混凝土制作的化粪池具有良好的结构强度,可以抵御地下水位的变化、土壤的压力以及周围环境的影响。
它可以在各种地质条件下保持稳定,不会受到地震、洪水等自然灾害的破坏。
1.3 容量可调节钢筋混凝土化粪池的容量可以根据实际需求进行调节。
无论是一个小型家庭还是一个大型农场,都可以根据需要选择合适的容量大小。
这种灵活性使得钢筋混凝土化粪池成为一种适用广泛的污水处理设施。
2. 施工步骤2.1 设计和规划在开始施工之前,需要进行合适的设计和规划。
这包括选择适当的化粪池容量、确定污水进出口位置以及计算相关的土建工程参数。
此外,还需要获得相关的建设许可证和施工方案批准文件。
2.2 土建施工钢筋混凝土化粪池的施工需要进行土建工程。
首先,在指定的位置进行场地平整并清除浮土,以确保化粪池的稳定性。
然后,按照设计要求进行基础深挖和打桩,为化粪池的地下部分做好准备。
接下来,根据设计要求进行模板安装,并安装钢筋保护层。
钢筋的布置应符合相关的建筑设计规范。
完成钢筋布置后,进行混凝土浇筑并养护。
确保混凝土的质量,以防止后续使用过程中的渗漏和结构破坏。
2.3 安装设备在钢筋混凝土化粪池的施工完成后,需要安装相关的污水处理设备。
这可能包括进水管道、出水管道、通气管道等。
根据实际需求,还可以增加一些先进的处理设备,如滤网、搅拌器和气体收集设备等。
2.4 环境保护施工完成后,需要采取一些措施来保护周围环境以及化粪池本身。
预制钢筋混凝土化粪池标准预制钢筋混凝土化粪池是一种广泛应用于农村地区的重要环保设施,其标准直接关系到设施的质量和性能。
本文将从预制钢筋混凝土化粪池标准入手,介绍其各项技术要求和规范,为相关领域的设计、施工和验收提供参考。
一、标准概述预制钢筋混凝土化粪池是一种用于处理生活污水的环保设施,其标准主要包括《预制钢筋混凝土化粪池》和《环境保护产品技术要求预制钢筋混凝土化粪池》两部分。
这些标准对预制钢筋混凝土化粪池的设计、施工、验收等环节进行了全面规范,以确保设施的质量和性能。
二、技术要求1. 基础要求预制钢筋混凝土化粪池应采用现浇混凝土基础,基础深度应不小于1.2米,并应按要求设置伸缩缝和沉降缝。
在特殊地质条件下,如软土地基等,应采取相应的地基处理措施。
2. 池体要求预制钢筋混凝土化粪池的池体应采用高强度、抗腐蚀、耐久性好的钢筋混凝土材料制成。
池体应具有足够的承载能力和稳定性,能够承受内部压力和外部荷载的作用。
同时,池体应设置进水管、出水管、通风管等管道,并应按要求设置相应的接口和密封件。
3. 管道要求预制钢筋混凝土化粪池的管道应采用耐腐蚀、易清洗的材料制成,如塑料管道、不锈钢管道等。
管道的直径、坡度、连接方式等应符合设计要求,并应保证管道的密封性和通畅性。
4. 密封要求预制钢筋混凝土化粪池应采用可靠的密封技术,以确保池体内部的污水不泄漏到外部环境中。
密封材料应具有耐腐蚀、耐磨损、耐高温等性能特点,并应按要求进行安装和维护。
5. 安全要求预制钢筋混凝土化粪池应设置安全设施,如防滑、防坠落等装置,以确保使用安全。
同时,在施工过程中和使用过程中,应采取相应的安全措施,如佩戴安全帽、定期检查安全设施等。
三、施工规范1. 施工前准备在施工前,应对施工现场进行清理和平整,并应按要求设置临时设施和安全设施。
同时,应对施工图纸进行审核和技术交底,确保施工质量和安全。
2. 基础施工在基础施工过程中,应按要求进行地基处理,并应按要求设置基础垫层和伸缩缝。
混凝土预制化粪池产品验收记录1、本验收标准规定了拼装组合式预制钢筋混凝土化粪池产品分类、技术要求、检验方法、检验规则、标志、包装、运输和贮存。
本标准适用于拼装组合式预制钢筋混凝土化粪池产品。
凡有内压或耐腐蚀要求拼装组合式预制钢筋混凝土化粪池产品。
2、检查验收记录引用标准:GB 175 硅酸盐水泥、普通硅酸盐水泥GB 199 快硬硅酸盐水泥GB 343 一般用途低碳钢丝GB 701 普通低碳钢热轧圆盘条GB 748 抗硫酸盐硅酸盐水泥GB 1344 矿渣硅酸盐水泥、火山灰质硅酸盐水泥及粉煤灰硅酸盐水泥GB8076混凝土外加剂GB13788冷轧带肋钢筋GB/T50081混凝土抗压强度试验方法GB50 204 钢筋混凝土工程施工及验收规范GB/T14684建筑用砂GB/T14685建筑用碎石、卵石GBJ107混凝土强度检验评定标准JGJ63混凝土拌和用水标准化粪池图集03S-7023、产品分类产品按名称、尺寸(长度×宽度×高度)顺序进行标记,具体尺寸见附件。
4、原材料4.1原材料4.1.1水泥宜采用标号不低于32.5的硅酸盐水泥、普通硅酸盐水泥或矿渣硅酸盐水泥,也可采用标号不低于32.5的快硬硅酸盐水泥、抗硫酸盐硅酸盐水泥、快硬硫铝酸盐水泥。
水泥性能分别符合GB175、GB199、GB748、GB1344的规定。
4.1.2细骨料宜采用中砂,细度模数为2.3—3.0,粗骨料最大粒径对钢筋混凝土不得大于壁厚1/3,并不得大于钢筋净距的3/4。
骨料性能分别符合GB/T14684、GB/T14685的规定。
4.1.3混凝土允许掺加外加剂及掺和料,符合相应的标准规定。
4.1.4混凝土拌和用水符合JGJ63的规定。
4.1.5钢筋宜采用冷轧带肋钢筋、钢筋混凝土用热轧带肋钢筋,也采用冷拔低碳钢丝、低碳钢热轧圆盘条,性能应分别符合GB13788、GB1499、GB50204、GB/T701的规定。
4.2钢筋骨架钢筋的搭接处理、手工绑扎、使用钢筋根数符合GB50204的规定。
预制混凝土化粪池的施工技术方案一、编制依据1、钢筋混凝土化粪池图集03S7022、工程测量规范GB50026-20073、地基与基础工程施工质量验收规范GB50202-20024、混凝土结构工程施工质量验收规范GB50204-20025、建筑工程施工质量验收统一标准GB50300-20016、建筑机械使用安全技术规范JGJ33-20017、施工现场临时用电安全技术规范JGJ46-20058、本工程室外雨污水施工图;二、编制说明本施工方案是项目的专项方案,在施工过程中,我们将在此基础上,就各分部分项工程编制进一步的作业指导书和技术交底,补充施工中的细节问题,使该方案真正具有可操作性、合理性;本工程化粪池采用钢筋混凝土组合式化粪池;三、施工方案1、施工工艺流程施工准备→测量放线→基坑开挖→护壁施工→垫层施工→化粪池安装施工→土方回填2、施工准备1核对基坑平面尺寸和坑底标高,熟悉土层、水文地质资料;2结合施工现场的实际情况,绘制施工总平面图和基坑开挖图,确定开挖路线、顺序、范围、边坡坡度;3设置测量控制点,根据施工现场的实际情况将水准标高测设到周围的建筑物上,并于适当不受施工现场工作影响的地方设置半永久性的水准点;根据所布置的测量控制点,测定施工现场的自然地面标高以及相关标高,并做好现场测量记录,作为施工组织计划的依据;4根据施工工期的要求安排好工作人员及施工机械进场,明确各专业工序间的配合关系,并根据施工规范的有关要求向参加施工工作的人员层层进行安全技术交底;5根据施工要求的范围进行场地平整清理;凡在施工区域内,影响工程质量的软弱土层、淤泥、大石、垃圾,应分别情况采取全部挖除或排水沟疏干、抛填石块、砂等方法妥善处理;6修建临时设施及施工道路,在建筑物四围设置排水沟;3、测量放线及基坑开挖1测量放线根据图纸及化粪池实际尺寸,考虑工作面化粪池外边尺寸各边+,基坑四周挖设300×300排水沟,转角处设500×500×1000集水坑,用白灰放出化粪池位置及基坑边坡白线,施工过程中派人监测基坑情况,开挖过程用水准仪测量基坑高程;2基坑开挖施工概况基坑土方开挖采取机械大开挖,挖至临近设计标高处,预留进行人工清底;科学组织充分利用空间和时间,以及各分项工程工序的配合协调,确保工期及质量;3施工设备及人员配置①施工设备挖掘机1台,斗容量;50型装载机1台,斗容量3m3;运输车辆:自卸车2台;20吨起重机1台;②人员组成现场管理工程师1人;责任工长1人;安全总监1人;安全专职人员1人;测量员1人;机械作业人员14人;4主要施工方法①施工分层开挖:开挖第一层为,以后每层高为;一直挖至设计标高;②开挖方式:本工程以1台挖掘机为主开挖机械,配合1台ZL-50型装载机交叉作业;③由挖掘机沿开挖线开挖,并提供每天的工作面;④基坑开挖后基底预留人工清理,土方开挖过程中,严禁在基坑四周堆土,开挖土方全部外运,土方开挖至设计标高后,于集水坑处设置2台DN100泥浆泵昼夜抽水,设一专人昼夜看护;为防止遇雨季天气,基坑开挖完成后,立即清理基槽,验槽完毕后,立即铺设垫层;四、护壁施工本工程基坑不具备放坡条件的采用排桩支护;具备放坡条件,采用放坡支护;五、化粪池安装1、预制钢筋混凝土组合式化粪池技术参数我方采用的预制钢筋混凝土组合式化粪池为圆形结构:顶部单体承载能力≥15吨;荷载条件:永久荷载:±自重:18KN/M3;化粪池埋深—5米以上;可变荷载:150KN/M、地耐力承载标准100KN/M2;砼标号:C30抗渗S6混凝土;钢筋种类:HPB235、HPB3352、安装施工1由于预制钢筋混凝土组合式化粪池体积及重量皆较大,故安装时需采用起重机配合专业安装人员施工,化粪池安装完成经过验收合格后方可进行隐蔽;2为避免土方回填过程中,对已安装完毕的成品化粪池产生扰动移位现象,我方采取于化粪池外边四周尺寸各边+,高范围内进行关模,用C20素混凝土满灌后进行固定;3化粪池安装过程中,安排专职测量人员对标高进行测量和复核,严格控制化粪池进出口标高合符相关设计及图纸要求;六、土方回填1、化粪池安装完毕经验收合格后,采用素土进行回填,回填时化粪池内应先灌满水确保回填时化粪池不因压力过大变形;2、回填时基坑内不得有杂物,积水,若有积水时必须先把水排干,不得带水回填;3、回填采用分层机械夯实,夯实厚度≤,密实度≥94%;4、回填不得使用有机物、大于的砖、石等硬物;七、施工要点1、开挖前认真查明地下管线等,本工程是采取大开挖的形式,基坑开挖时,开挖过程中,严格控制开挖尺寸,基坑底部的开挖宽度要考虑工作面的增加宽度,并在开挖过程中试打钎,避免大面积的二次开挖;施工时尽力避免基底超挖;如基坑开挖至设计标高后遇软弱层,须经设计单位出具方案用级配砂石或素混凝土等进行换填,并应准确进行土方调配核算;2、挖土方自上而下水平分段分层进行,每层左右,边挖边检查坑底宽及坡度,不够时及时修整,挖至设计标高时,必须进行一次修坡清底,检查坑底宽和标高;3、基坑开挖应防止对地基土扰动,在不能立即进行下一道工序时,应在基底标高以上预留一层人工清理;4、在基坑周边设排水沟、集水坑,及时泵排地下或雨水,保持地下水位在底板垫层下,持续至回填完毕;5、基坑开挖后应进行验槽,做好记录,并尽快进行垫层施工;6、如施工处于雨季,为防止地表水冲刷造成土方塌方,在开挖期间,对边坡进行塑料薄膜覆盖,并在施工区域范围内设置挡水线,防止地表水流入基坑;并在基坑槽上囗周边设土埝或截水沟,以防止地面雨水流入,同时检查边坡和支护情况,以防止坑壁受水浸泡造成塌方;7、在基坑开挖期间,经常对边坡进行观测,出现异常情况应及时汇报采取措施;基坑顶部严禁堆放各种材料,以免增加荷载,造成塌方;8、回填土需对称分层铺填,机械夯实,每层厚度≤;9、施工时,吊装好的成品化粪池,待C20素混凝土凝固稳定后,才能进行回填土的施工,以免对成品化粪池结构造成移位或损坏;八、质量保证措施1、挖掘机司机要按照放线工所放灰线开挖;测量工要保证随挖随测,避免超挖、错挖2、夜晚施工要有足够的照明;3、基坑开挖完毕后应由施工单位、设计单位、建设单位、监理单位、质监单位等有关人员共同到现场鉴定验槽,经验收合格后方可进行下步施工;4、由工程技术人员、技工、普工组成质量管理小组,从施工各个环节进行质量控制;5、加强技术管理,认真贯彻各项管理制度;开工前落实各级人员岗位责任制,作好技术交底;施工中检查执行情况,开展全面质量管理活动;6、严格执行各当班作业人员自检、互检、技术人员专检,工程负责人抽查的质量控制制度;上一道工序未经检验合格不得转入下一道工序;7、施工现场遇特殊情况不得自作主张,应及时报告现场技术人员研究处理;8、工程技术人员负责原始资料的收集整理工作,对出现的问题会同有关人员组织攻关处理;九、安全措施安全生产是施工企业管理重要环节,也是关系本工程形象及施工企业的头等大事,必须树立“安全为了生产、生产必须安全,安全生产、人人有责”的观点;为搞好安全生产,爱护自己,保护他人,我方针对本工程特制定如下安全措施:1、开工前,由施工现场总负责人向所有参加施工人员进行书面安全技术交底,对全体工作人员进行安全生产教育,弄清地下各种管线分布情况;严格执行安全生产有关规章、规程和工地各项安全制度;2、建立安全组织体系,工地设总安全员和作业班组设兼职安全员;安全员随时检查生产安全情况;各班组严格执行安全责任制并与经济效益挂钩,安全生产有奖,出事故受罚;3、基坑开挖后,基坑四周及时设立安全警示牌及警告标志;4、施工前进行认真的安全文明施工交底,对所用工具、机械等进行详细检查、保养,如有损坏应进行修理或更换;5、机械作业时,设专人指挥;所有工具、材料不得向井内投扔和倾倒,应用绳系送或用设备吊运;6、所有特殊工种操作人员须经培训合格后持证上岗;现场电器设备施工作业须由专职电工进行操作,严禁非专业人员从事专业技术作业;技术不熟人员不能顶岗操作机具,严禁酒后作业;7、在挖土时,保证连续作业、分层开挖,随开挖随支撑,工序衔接流畅;发现问题,及时处理;在井旁的施工人员要特别注意边上土方情况,防止坍塌;8、挖土时,严禁施工人员站在挖掘机工作的半径内,堆土要在沟槽2米以外,并且高度不得超过米;9、每日或雨后必须检查土壁及支撑稳定情况,及时做好基坑排水工作,在确保安全的情况下方可继续工作,且不得将土和其它物件堆在支撑上,不得在支撑下行走或站立;机械不得在输电线路垂直方向下边工作,在输电线路一侧工作,不论在任何情况下机械的任何部位与架空输电线路在最近距离应符合安全操作规程要求;10、机械应停在坚实的地基上,不得将挖土机履带与挖空的基坑平行,停、驶、运土汽车不宜靠近基坑2米内平行行驶,防止坍方翻车;向汽车上装土须在车子停稳后进行,禁止铲头从汽车室上越过;基坑四周须设置高的安全护栏,要设置一定数量临时上下施工爬梯;11、开挖出的土方,要严格按照施工组织设计内容要求堆放,配合汽车将土及时运走,以免地面堆载超荷引起土体移位;十、文明施工保障措施1、现场一切人员施工、管理人员必须配戴生产标示的安全帽,不准穿拖鞋和赤脚;2、所有土方运输车辆进入现场后禁止鸣笛,以减少噪音,做好防噪措施,避免夜间施工扰民;3、材料按指定位置分类集中堆放,并标示品名、规格和用途等;4、临时设施搭设应正规化、标准化,场地周围临时设施或堆放材料不得影响附近原有建筑和过路行人的安全;5、做好现场安全保卫工作,闲杂人员严禁进入施工现场,作好防火防盗工作,防止意外伤害;6、严禁现场施工人员斗殴,严禁随地大小便,保持现场卫生;7、进出现场的车辆需清洗干净后才能驶出施工现场,不带尘土进入城市干道;在出口大门内侧设置一个洗车台、沉淀池及排水沟,经沉淀后流入市政排水管网;十一、成品保护1、挖运土方时应注意保护定位标准桩、轴线引桩、标准水准点,并定期复测检查定位桩和水准基点是否完好;2、土方开挖时,应防止临近建筑物或构筑物、道路、管线发生下沉和变形,并在施工中进行沉降或位移观测;3、土方开挖施工前书面报请建设单位,在收到建设单位确认后方可进行土方开挖,如在开挖过程中仍发现有文物或古墓等,应妥善保护,并及时报请当地有关部门处理后方可继续施工;在敷设在地上或地下管线、电缆的地段进行土方施工时,应事先取得有关管理部门的书面同意,施工中应采取措施,以防止损坏管线,造成严重事故;4、挖土时应对边坡支护结构、排水沟、集水坑等做好保护以及土方回填时对成品化粪池做好保护,以防止碰撞损坏;。
预制混凝土化粪池的设计原理与施工技术预制混凝土化粪池是一种常见的污水处理设备,其主要作用是对污水进行初步的处理和固体物质的沉淀。
本文将从设计原理和施工技术两个方面对预制混凝土化粪池进行详细介绍。
一、设计原理1.基本原理预制混凝土化粪池是一种混凝土制品,其主要功能是将污水初步处理,去除其中的固体物质和污染物,使其达到排放标准。
其基本原理是通过污水在池内流动的过程中,利用重力作用使污物沉淀,从而将污水中的固体物质和浮游物质与水分离。
2.设计要求预制混凝土化粪池的设计要求主要包括以下几点:(1)池体应具有良好的密封性能,能够有效避免污水外泄,同时也要求池体具有一定的强度和稳定性。
(2)池内应具有一定的空间,使污水能够充分流动,从而实现污物的沉淀和分离。
(3)池体应具有一定的倾斜度,以便于污物沉淀并向下流动,便于清理。
(4)污水进出口管道应布置合理,能够保证污水流动的顺畅,并且便于清洗和维护。
(5)池内应配置相应的设备,如进水口流量计、排气阀等,以便于监测和调整污水的流量和质量。
3.设计参数预制混凝土化粪池的设计参数主要包括以下几个方面:(1)池体容积:根据污水产生量和处理要求,确定池体的容积,一般为污水日产量的2-3倍。
(2)池体尺寸:根据池体容积和施工条件,确定池体的尺寸,一般为长宽比为2:1。
(3)池底倾斜度:根据污物沉淀和清理的要求,确定池底的倾斜度,一般为1%-3%。
(4)进出口管道尺寸:根据污水流量和管道阻力,确定进出口管道的尺寸,一般为DN100-DN200。
(5)设备配置:根据实际需要和预算情况,配置相应的设备,如进水口流量计、排气阀等。
二、施工技术1.施工准备(1)选好施工地点,保证施工场地平整、干燥、坚实。
(2)准备好相关的材料和工具,如混凝土、钢筋、模板、施工机具等。
(3)制定详细的施工方案和安全计划,确保施工过程中的安全和质量。
(4)组织好施工人员,确保人员素质和技能符合要求。
2.施工流程(1)模板制作:根据设计要求制作好池体模板,保证模板结构牢固、尺寸精确。
一、设计概述<1>、生活污水现状简述随着国民经济的持续稳定发展和物质精神生活的逐步改善,人们对赖以生存的环境质量的要求和意识也逐渐增强。
水作为与人们生活息息相关的重要资源,受到的污染越来越严重,保护水环境迫在眉睫。
近年来,生活污水及其所含污染物的排放量呈上升趋势。
为了扭转这种局面,我国正在加大对此类污染的治理力度:一方面,逐步建设大型污水处理厂,集中处理城镇生活污水;我国绝大多数地区,受经济和地域限制,生活污水不能在大型污水处理厂完全处理,中小城市污水排放点不能完全排入大型污水处理厂处理.现场采取简单预处理或深度处理,然后排入大型污水处理厂或受纳水体。
<2>项目背景简介根据xxx建设项目环评文件批复函,结合项目实际周边环境,拟建xxxx生化池和xxx生化池,满足项目污水处理需要。
.<3> 项目环境概述1、大气环境:运营期废气主要为厨房油烟、车库汽车废气、柴油发电机组废气、生化处理设施异味气体。
通过使用专用烟道和专用管道将其排放到顶部和高海拔地区,这将影响环境空气质量。
小的。
2、水环境:运营期污水主要为生活污水。
拟建项目生活污水采用无动力生化处理设施,达到GB8978-1996《污水综合排放标准》三级排放标准后排入长江。
车库地面冲洗水经隔油沉淀池单独处理后排入附近雨水管网。
评价认为,达标的生活污水对地表水环境影响不大。
3、声环境:运营期噪声主要采取减振、降噪、建筑隔声等措施处理,对评价区声环境基本无明显影响,声环境在该地区保持现状。
4、固体废物:运营期固体废物主要为生活垃圾。
本项目设有垃圾收集点,将生活垃圾分类收集,由物业管理部门收集后运至城市生活垃圾处理场进行处理;评价认为,不会对项目及周边环境产生不利影响。
<四>排放标准1. 废水2、噪音排放标准4、固体废物5. 其他发电机等置于地下密闭室内;洗车房用水经隔油沉砂处理后接入雨水污水管网;临时垃圾收集点与最近的住宅楼的距离不得小于该距离8米。
预制混凝土化粪池施工技术方案一、编译依据1.《钢筋混凝土化粪池图集》(03S702)2.《工程测量规程》(GB50026-2007)3、《地基及基础工程施工质量验收规程》(GB50202-2002)4、《混凝土结构工程施工质量验收规程》(GB50204-2002)5、《建筑工程施工质量验收统一标准》(GB50300-2001)6、《工程机械使用安全技术规程》(JGJ33-2001)7.《建筑工地临时用电安全技术规程》(JGJ46-2005)8、本项目室外雨水、污水施工图。
二、编译说明本施工方案为本项目的专项规划。
在建设过程中,我们将在此基础上为每个分项项目准备进一步的工作说明和技术交底,补充建设中的细节,使方案真正可行。
可操作性和合理性。
本项目化粪池为钢筋混凝土组合化粪池。
三、建设方案1、施工过程施工准备→测量放线→基坑开挖→挡土墙施工→垫层施工→化粪池安装施工→土方回填2. 施工准备(1)检查基坑平面尺寸和坑底标高,熟悉土层和水文地质资料。
(2)根据施工现场实际情况,绘制基坑施工总体方案和开挖示意图,确定开挖路线、顺序、围护和坡度。
(3)设置测量控制点,根据施工现场实际情况在周边建筑物上设置标高,并在适当位置(不受施工现场工作影响)设置半永久性标高点。
根据布置的测量控制点,确定施工现场的自然地面标高及相关标高,并做好现场测量记录,作为施工组织方案的依据。
(4)按工期要求安排工作人员和施工机械进场,明确各专业流程之间的合作关系,并按规定对参与施工的人员逐层进行安全技术交底。
施工规范的相关要求。
(5)场地应根据施工要求进行平整和清洁。
施工区域内影响工程质量的弱土层、淤泥、巨石、垃圾等,应通过排水沟开挖、疏通、石子、沙土抛填等方式妥善处理。
(6)建设临时设施和施工道路,在建筑物周围设置排水沟。
3、基坑的测量、铺设和开挖(1) 计量与支付根据图纸和化粪池实际尺寸,考虑工作面(化粪池外径每边+0. 5M),在基坑周围挖300×300排水沟,500×角落设置500×1000的油底壳。
浅析预制钢筋混凝土组合式化粪池的应用【摘要】传统化粪池因其施工程序复杂,工期长,质量难以保证,水处理效果不佳,污染周围环境,增加了下游污水处理厂的负担,不能满足环保部门及建筑方的要求,所以,市场亟待一种更适合更完美的产品。
预制钢筋混凝土组合式化粪池应运而生,本文初步探讨预制钢筋混凝土组合式化粪池的应用。
【关键词】化粪池、预制、组合式、周期、环保、耐用化粪池(septic tank)指的是将生活污水分格沉淀,及对污泥进行厌氧消化的小型处理构筑物。
它是处理粪便并加以过滤沉淀的设备,其原理是:固化物在池底分解,上层的水化物体,进入管道流走,防止了管道堵塞,给固化物体(粪便等垃圾)有充足的时间水解。
近年来随着城市建设及住宅小区的迅猛发展,城市生活污水量猛增了几倍,特别是在生活小区,由于整个城市污水处理厂及排水设施的不完善,这样在生活小区排水出户后化粪池的一级处理显得尤为重要。
但是多年来由于多方面的原因,化粪池这一建筑配件并未得到足够的重视,使得这一基建投资并不算小的构筑物不能正常发挥其功效。
下面就传统化粪池与预制钢筋混凝土组合式化粪池进行一系列对比,探讨预制钢筋混凝土组合式化粪池的优势及应用前景。
一、传统化粪池的缺点目前我国传统化粪池的设计按其结构不同分为砖砌化粪池和钢筋砼化粪池。
1、砖砌化粪池:这是最传统的施工工艺,曾在很长的时间内被广泛采用,该工艺较成熟,早期的标准图集基本都是砖砌的,但砖砌化粪池有个致命的缺点:就是抗拉强度极低,容易因不均匀沉降而产生裂缝导致渗漏,尤其是在容量比较大的化粪池,渗漏的情况几乎是100%,渗漏严重程度有时已经影响了正常的使用,随着人们环保意识的加强,逐渐开始采用其第二代产品,即(钢筋)混凝土化粪池。
2、(钢筋)混凝土化粪池:在充分认识了砖砌化粪池的缺点后,人们开始采用(钢筋)混凝土化粪池,因为是全现浇,局部配置了受力钢筋,因此,解决了砖砌工艺抗拉强度低、易受地基不均匀沉降影响产生开裂的缺点。
本标准规定了拼装组合式预制钢筋混凝土化粪池产品分类、技术要求、检验方法、检验规则和标志、包装、运输、贮存。
本标准适用于拼装组合式预制钢筋混凝土化粪池产品。
凡有内压或耐腐蚀要求拼装组合式预制钢筋混凝土化粪池产品,由供需双方另行商定。
2 引用标准GB 175 硅酸盐水泥、普通硅酸盐水泥GB 199 快硬硅酸盐水泥GB 343 一般用途低碳钢丝GB 701 普通低碳钢热轧圆盘条GB 748 抗硫酸盐硅酸盐水泥GB 1344 矿渣硅酸盐水泥、火山灰质硅酸盐水泥及粉煤灰硅酸盐水泥GB8076混凝土外加剂GB13788冷轧带肋钢筋GB/T50081混凝土抗压强度试验方法GB50 204 钢筋混凝土工程施工及验收规XGB/T14684建筑用砂GB/T14685建筑用碎石、卵石GBJ107混凝土强度检验评定标准JGJ63混凝土拌和用水标准3 产品分类3.1 产品按名称、尺寸(长度×宽度×高度)顺序进行标记。
示例:,其标记如下:预制钢筋混凝土化粪池3.4×2.5×3.10—①3.2工艺图池体:①:3.72×2.82×3.88=40.70m3 有效体积3.4×2.5×3.1=26.35m3②:2.82×2.82×3.88=30.8 m3 有效体积2.5×2.5×3.1=19.375m3③:2.82×2.12 ×3.88=23.2m3 有效体积2.5×1.8×3.1=13.95m3池底:①:3.72×2.82×0.53②:2.82×2.82×0.53③:2.82×2.12 ×0.53池盖板:①:3.72×2.82×0.2②:2.82×2.82×0.2③:2.82×2.12 ×0.24原材料4.1原材料4.1.1水泥宜采用标号不低于32.5的硅酸盐水泥、普通硅酸盐水泥或矿渣硅酸盐水泥,也可采用标号不低于32.5的快硬硅酸盐水泥、抗硫酸盐硅酸盐水泥、快硬硫铝酸盐水泥。
水泥性能应分别符合GB175、GB199、GB748、GB1344的规定。
4.1.2细骨料宜采用中砂,细度模数为2.3—3.0,粗骨料最大粒径对钢筋混凝土不得大于壁厚1/3,并不得大于钢筋净距的3/4。
骨料性能应分别符合GB/T14684、GB/T14685的规定。
4.1.3混凝土允许掺加外加剂及掺和料,应符合相应的标准规定。
4.1.4混凝土拌和用水应符合JGJ63的规定。
4.1.5钢筋宜采用冷轧带肋钢筋、钢筋混凝土用热轧带肋钢筋,也采用冷拔低碳钢丝、低碳钢热轧圆盘条,性能应分别符合GB13788、GB1499、GB50204、GB/T701的规定。
4.2钢筋骨架钢筋的搭接处理、手工绑扎、使用钢筋根数应符合GB50204的规定5技术要求5.1混凝土强度化粪池的混凝土强度等级不得低于C30。
5.2外观质量5.2.1化粪池内外表面应平整,无粘皮、麻面、蜂窝、塌落、露筋、空鼓。
5.2.2化粪池表面不允许有裂纹。
表面龟裂和砂浆层的干缩裂缝不在此限。
5.3尺寸允许偏差池壁160mm±2mm 池底200 mm±2mm 长度偏差±8mm 宽度偏差±6mm 高度偏差±5mm5.4外压荷载外压试验荷载应不低于100KN5.5渗漏试验将池内灌水至1500mm处,4h无渗漏。
5.6耐碱性成型块体浸入10%氢氧化钠溶液100h,无异状。
5.7耐酸性成型块体浸入10%硫酸溶液100h,无异状。
5.8保护层厚度不应小于8mm。
6试验方法5 检验方法5.1 外观尺寸偏差5.1.1长度、宽度、高度用精度为0.05mm的游标卡、厚度用精度为0.5mm的钢尺以及其他专用仪器测量。
5.1.2合缝漏浆深度用专用缝隙深度测定仪测量。
5.1.3 裂缝宽度用不小于20倍读数放大镜测量。
5.2 物理力学性能物理力学性能试验包括混凝抗压强度、外压荷载、渗漏试验及吸水率试验。
5.2.1混凝土抗压强度混凝土抗压强度试验方法参照GB /T50081进行;5.2.2 外压荷载外压荷载试验方法按三点法进行,见附录B。
在试验过程中,裂缝宽度达到0.2mm时的荷载值称裂缝荷载;化粪池已经破坏不能继续承受荷载的荷载值称为破坏荷载。
渗漏试验 5.2.3抽取3个化粪池将池内灌水至1500mm处,4h无渗漏为合格。
化粪池两端和中央位置各钻(或截)取一个试样,每个试样面积不得小于10cm2,芯样直径不得小于5cm,块体浸入10%氢氧化钠溶液100h,无异状。
5.2.4耐碱性化粪池两端和中央位置各钻(或截)取一个试样,每个试样面积不得小于10cm2,芯样直径不得小于5cm,块体浸入10%硫酸溶液100h,无异状。
5.2.5保护层厚度保护层厚度按GB50204进行检验。
6 检验规则6.1 检验项目产品检验分为出厂检验与型式检验两类。
6.1.1 出厂检验包括外观质量、尺寸及允许偏差、混凝土强度、外压荷载及渗漏试验。
6.1.2 型式检验包括外观质量、尺寸及允许偏差、混凝土强度、外压破坏荷载及渗漏试验、吸水率试验、耐酸性、耐碱性、保护层厚度。
6.2 出厂检验6.2.1 抽样按批量采用随机抽样方法取样。
6.2.2 批量出厂产品以同一种规格、相同原材料、相同工艺成型的化粪池1000个为一个批量。
总数不足一批量时也作为一个批量检验。
6.2.3 外观质量随机抽取10个化粪池检验外观质量。
6.2.4 尺寸及允许偏差从每批产品中抽样10个进行检验。
如符合为7根,则为合格;如不符合超过3根,为不合格。
6.2.5 混凝土强度当混凝土配合比、所用材料变更时或连续生产一周,应用三组与产品同养护条件的试块进行强度检验,一组用作脱模强度检验;一组用作设计强度检验;另一组备用或用作出厂强度检验。
6.2.6 外压裂缝荷载及渗漏试验从外观质量、尺寸及允许偏差检验合格的化粪池中抽取4个,其中1个作外压裂缝荷载试验,3个作渗漏试验,如检验不合格,允许抽取双倍数量的产品进行复验,如仍有1个化粪池达不到标准要求时,则认为该批产品不合格。
6.3 型式检验6.3.1 在下列情况时,进行型式检验:a. 新产品(或老产品转产)生产定型鉴定;b. 正式生产后,如结构、材料、工艺有较大改变,可能影响产品性能时;c. 正常生产中定期或积累一定数量的产品后,应按周期进行检验;d. 产品长期停产,恢复生产时;e. 出厂检验结果与上一次型式检验有较大差异时;f. 国家质量监督机构提出进行型式检验的要求时;g.当每种规格产品连续生产半年或生产总数达到表15规定时。
6.3.2尺寸及允许偏差从每批产品中抽样10个进行检验。
如符合为7根,则为合格;如不符合超过3根,为不合格。
6.3.3 混凝土强度试验同6.2.5,亦可从管体中钻取芯样进行试验。
6.3.4 外压破坏荷载及渗漏试验,在外观质量、尺寸偏差合格产品中抽取4个,其中1个作外压破坏荷载试验,3个作渗漏试验。
6.3.5 耐酸性及耐碱性在外观质量、尺寸偏差合格产品中抽取1个化粪池在两端和中央位置各钻(或截)取一个试样。
6.4 判定规则符合本标准5.1~5.8检验项目全部符合标准者为合格品验收。
6.5 修复凡在制造或搬运中不慎碰坏,稍有损伤的化粪池,在允许修补X围内采取有效措施修复,并能符合本标准技术要求者经检验合格后方可验收。
6.6 型式检验不合格者,该种规格产品应立即停止生产,并须在采取措施后可以恢复生产前,再次进行型式检验,合格后方能投入生产。
7 标志、包装、运输、贮存7.1 标志与出厂证明书7.1.1 标志在产品外表面按规定格式用打凹印或涂上防水油漆的方法注明品种、规格和级别、制造年、月、日及制造厂标记。
表示方法如下:A 制造厂名称------------------产品名称·级别制造年月日7.12 出厂证明书凡经检验合格准许出厂的产品,应填写出厂证明书,其内容应包括:a. 证明书编号;b. 制造厂名称及制造年月日;c. 产品规格及数量;d. 外观及尺寸检查结果;e. 混凝土强度检验结果;f. 物理力学性能检验结果;g. 制造厂检验部门及检验人员签章。
7.2 包装根据用户要求为防止碰撞损坏化粪池,在化粪池两端头可用草绳或软织物包扎。
7.3 运输产品在装卸、起吊、运输过程中,应轻起轻落,严禁碰撞。
7.4 贮存产品按其品种、规格及生产顺序分批堆放,堆放层数一般不超过2层的规定。
附录A原材料要求(补充件)A1 水泥应采用不低于32.5号的硅酸盐水泥、普通硅酸盐水泥,亦或采用不低于32.5号的矿渣硅酸盐水泥、快硬硅酸盐水泥、抗硫酸盐硅酸盐水泥。
其性能应符合GB 175、GB 199、GB 1 344及GB 748的规定。
A2 集料除应符合JGJ 52、JGJ53和GBJ 204规定外,粗集料的饮弱颗粒含量不应大于5%,针片状颗粒含量不应大于15%,石子最大粒径对混凝土化粪池不得大于壁厚度的1/2,对钢筋混凝土化粪池不得大于壁厚度的1/3,并不得大于环向钢筋净距的3/4。
细集料宜采用硬质中粗砂,细度模数为2.3~3.0。
A3 混凝土允许掺加掺合料及外加剂,但应符合有关的标准或规X的要求。
A4 钢材应采用一般用途的冷拔低碳钢丝或普通低碳钢热轧圆盘条,其性能应符合GB 343或G B 701的规定。
附录B混凝土和钢筋混凝土化粪池外压荷载试验方法(补充件)B1 方法原理及适用X围B1.1 方法原理本方法采用三点试验法,通过机械压力的传递,求得化粪池最大线性荷载值。
试验安装示B1.2 本方法适用于测试混凝土和钢筋混凝土化粪池的外压荷载值,产品进行出厂检验或型式检验时采用。
B2 试样按照本标准第5及第6章的规定进行抽样。
凡自然养护的产品抽取28d以后的试件进行试验。
凡蒸汽养护的产品抽取不少于14d以后的试件进行试验。
B3 设备和仪器B3.1 外压试验机外压试验机必须有足够的强度和刚度,不至影响荷载的均匀分布,设备的组合除主机外,还有上、下两个支承梁组成。
上、下支承梁均延伸到试件的整个长度上。
试压时,通过刚性上支承梁将荷载传递到试件整个长度上。
上支承梁为一刚性梁,上装一根与梁同长,与底面同宽,厚度不小于25mm的橡胶条,其硬度为邵氏硬度45~60。
下支承梁由两块硬木条组合而成,其断面尺寸、宽度不小于50mm,厚度不小于25mm。
硬木条与管子接触处应作半径为125mm的圆弧,两木条之间的净距离为管子外径的1/12,但不得小于25mm。
外压试验机的示值误差为±2%。
B3.2 仪器用以测量裂缝宽度的20倍读数放大镜;用以测量化粪池变形的百分表以及配套使用的磁性表座。