一种阶梯轴零件的数控加工开题报告及文献综述
- 格式:doc
- 大小:37.71 KB
- 文档页数:10
浅谈阶梯轴的加工工艺摘要:本次毕业设计的内容是设计阶梯轴的数控车削加工工艺并编写该轴的数控加工程序,轴类零件是常见的典型零件之一,它在机械制造及生产领域有十分重要的作用,因其特有的优点应用范围越来越广。
该轴加工过程中,要根据数控车削工艺特点,对该轴设计合理的加工工艺,对轴类零件工艺规程的制定,对提高轴类零件的综合性能有至关重要的作用。
在数控机床上加工零件,与普通机床有所不同,不仅要考虑夹具、刀具、切削用量等常规工艺的选择,在制定过程中不仅要考虑该轴的技术要求,对表面、键槽等的粗糙度和位置度要求,更要考虑对刀点、程序点等设置,在保证质量的前提下,尽可能的提高机床的加工效率、降低劳动强度等,最后编制出合理的该轴的数控加工程序。
关键词:加工工艺、数控编程、阶梯轴引言:在数控车床的生产实习过程中加工阶梯轴是基本的实习课题之一,阶梯轴在数控车床上的加工时会常出现扎刀现象、精度偏差大、阶梯轴工件广泛的被用在各种机床上,很多操作者都是因为无法快速的去除粗偏差大、加丁余量和将精加工余量留得过多或过少,导致加工速度太慢或将工件报废。
了解数控车削加工可以更好的利用车削加工提高安全性和经济效益,充分熟悉车削加工工艺特点,可以对零件做出正确的加工工艺路线,从而生产出合格的零件,提高工件加工质量。
在数控机床上加工零件,与普通机床有所不同,不仅要考虑夹具、刀具、切削用量等常规工艺的选择,在制定过程中不仅要考虑该轴的技术要求,对表面、键槽等的粗糙度和位置度要求,更要考虑对刀点、程序点等设置,在保证质量的前提下,尽可能的提高机床的加工效率、降低劳动强度等。
一、零件的工艺分析1.2零件加工工艺分析(1) 结构工艺性分析1) 零件结构工艺性零件结构工艺性是指在满足使用要求的前提下,零件加工的可行性和经济性,换言之,就是使设计的零件结构要便于加工成型而且成本低,效率高.2) 零件结构工艺性分析的内容①审查与分析零件图纸中的尺寸标注方法是否符合数控加工的特点②审查与分析零件图纸中构成轮廓的几何元素的条件是否充分,正确.③审查与分析在数控车床上进行加工时零件结构的合理性.(2) 零件精度与技术要求分析零件精度与技术要求分析的主要内容包括:1) 分析零件精度与各项技术要求是否齐全,合理.对采用数控车削加工的表面,其精度要求应该尽量一致,以便最后能够一次走刀连续加工.2) 分析工序中的数控加工精度能否达到图纸要求.注意给后续工序留有足够的加工余量.3) 找出零件图纸中有较高位置精度的表面,决定这些表面能否在一次安装下完成.4) 对零件表面粗糙度要求较高的表面或对称表面,确定使用恒线速功能进行切削加工.1.3确定材料和毛坯合理选用材料和规定热处理的技术要求,对提高轴类零件的强度和使用寿命有重要意义,同时,对轴的加工过程有极大的影响。
目录目录 (1)摘要 (4)1 数控机床的概述 (6)1.1数控机床的发展过程 (6)1.2数控机床的分类 (7)1.3数控机床的特点 (7)1.4数控机床的基本组成 (8)2 台阶零件加工工艺分析 (9)2.1结构工艺性 (9)2.2精度分析 (9)3 零件切削参数的选择 (12)3.1.刀具的选择 (12)3.2.切削用量的选择 (12)3.3零件加工路线的确定 (14)4 数控加工工艺过程卡片 (15)4.1数控加工工序卡 (15)4.2数控加工刀具卡 (16)4.3程序编写 (16)5 零件加工过程 (20)5.1对刀 (20)5.2刀补的建立 (20)5.3零件的加工 (21)参考文献 (22)致谢 (24)前言毕业设计是培养我们实际工作能力的最后一个重要实践性学习环节,它不但是对我们三年来的学习与实践是一个很好的总结和考验,也是为以后从事专业技术工作做个强而有力的铺垫。
本次我的设计题目是台阶零件的数控加工工艺分析,此次设计不但培养了我们综合运用所学知识分析和解决本专业一般技术问题的能力,而且也进一步巩固扩大和深化了我们所学的基本理论、基本知识和基本操作技能,同时也培养了我们树立正确的设计思想和生产观念、经济观念、全局观念,养成了理论联系实际和严谨的工作作风,培养我们掌握机械加工的一般工艺规程和方法,独立正确的使用技术文献资料和正确的表达自己设计思想的能力。
首先,我积极地查阅相关资料,对零件图进行了仔细的研究,了解了现场工作情况,然后,向老师认真的请教了加工工艺过程及方法等技术性问题,为自己进行毕业设计做好准备。
通过以上学习,使我了解了本组零件的结构,生产纲领和生产条件,并确定其重要加工表面。
老师的辅导与分析,让我能综合运用所学过的理论知识和方法,正确地制定一个零件的机械加工工艺规程,从而保证零件的加工质量、生产率和经济性;能较熟练地使用有关的手册,图表资料及技术参考书,也能够较熟练应用工艺计算的方法,正确地进行工艺计算,熟练掌握一般零件的数控编程方法,机床的操作以及零件的数控加工。
阶梯轴加工工艺过程实训报告一、实训目的本次实训旨在通过阶梯轴的加工,培养学生的加工手技和对加工工艺的理解,同时提高学生的团队协作能力和安全意识。
二、实训内容1.加工介绍阶梯轴是应用广泛,需求量大的一类机械零件,具有复杂的轴类形状,因此对其加工要求较高。
阶梯轴的加工主要分为车削、切割和镗孔三个步骤,其中车削和切割用于成形和加工外轮廓,镗孔用于加工内腔、内轮廓。
2.实训设备和工具本次实训主要使用车床、卡盘、车刀、镗刀等加工设备和工具,同时还需要使用量具、标尺、游标卡尺等检测工具。
3.实训流程1)设计阶梯轴样品2)选择材料并粗加工3)热处理并精加工4)检测和上油三、实训过程1.设计阶梯轴样品首先,我们需要确定阶梯轴的形状和尺寸,使用CAD软件绘制出阶梯轴的图样。
2.选择材料并粗加工在这个步骤中,我们需要根据阶梯轴的形状和尺寸,选择合适的材料并进行初步加工。
在加工之前,我们需要将大块材料锯成适当的尺寸,并使用加工中心机床将材料中央空洞加工出来。
3.热处理并精加工在将材料粗加工完毕后,我们需要进行热处理。
热处理的目的是消除材料内部的应力和变形,提高材料的力学性能和切削性能。
在热处理前,我们需要将材料表面打磨光滑,然后放入炉中进行退火。
4.检测和上油最后一个步骤是对已经加工完毕的阶梯轴进行检测和上油。
我们需要使用各种检测仪器和设备来对阶梯轴进行几何、表面光洁度、粗糙度等方面的检测。
在检测完毕后,我们需要对阶梯轴进行上油,以保证其表面的光洁度和耐磨性。
四、实训效果通过本次实训,我们深入了解了阶梯轴的加工原理和方法,学会了使用相关加工设备和工具,掌握了阶梯轴的加工技能和常用的检测方法。
同时,我们还培养了团队协作能力和安全意识,为我们今后的工作和学习打下了坚实的基础。
毕业设计报告(论文)课题名称阶梯轴的加工工艺与编程专业东南大学机电一体化学生姓名李蒙蒙学号**************** 指导教师王书满起讫日期2012年8月--2012年12月设计地点徐州函授站摘要本文以加工典型轴类零件为例,说明数控车床的加工与编程。
机床是人类进行生产劳动的重要工具,也是社会生产力发展水平的重要标志。
经过半个世纪的发展,数控机床已是现代制造业的重要标志之一,在我国制造业中,数控机床的应用也越来越广泛,是一个企业综合实力的体现。
本文阐述了数控车床的组成及其特点,以及数控的加工工艺。
另外,本文通过加工一轴类零件,阐述了零件加工过程,包括零件图的工艺分析、刀具的选择、切削用量的确定以及加工程序的编制等。
关键词:数控车床﹑加工﹑编程﹑目录1 引言 (1)2 数控车床 (2)2.1 数控车床的定义 (2)2.2 数控车床的特点 (2)2.3 数控车床的组成 (2)2.3.1 主机 (2)2.3.2 数控装置 (2)2.3.3 驱动装置 (3)2.3.4 辅助装置 (3)2.4与传统车床相比,数控车床的结构特点 (4)3 数控的加工工艺 (3)3.1数控加工与通用机床加工工艺路线设计的区别 (6)3.2数控加工工艺路线设计中应注意的问题 (6)3.2.1 工序的划分 (4)3.2.2 顺序的安排 (4)3.2.3 切削条件的三要素 (4)4 实例 (5)4.1 零件图工艺分析 (6)4.2 刀具选择 (6)4.3 确定切削用量 (7)4.4 加工程序与路径 (8)结论 (9)参考文献 (9)致谢 (9)1 引言数控机床是数字控制机床的简称,是一种装有程序控制系统的自动化机床。
该控制系统能够逻辑地处理具有控制编码或其他符号指令规定的程序,并将其译码,从而使机床动作并加工零件。
从20世纪中叶数控技术出现以来,数控机床给机械制造业带来了革命性的变化。
数控加工具有如下特点:加工柔性好,加工精度高,生产率高,减轻操作者劳动强度、改善劳动条件,有利于生产管理的现代化以及经济效益的提高。
数控加工开题报告数控加工开题报告一、研究背景数控加工是一种基于计算机控制的现代化加工方法,它通过预先编程的指令,使机床按照要求进行加工操作,实现对工件的高精度、高效率加工。
随着科技的不断进步和制造业的发展,数控加工技术在工业生产中的应用越来越广泛。
因此,对数控加工技术进行深入研究和探索,对于提升制造业的水平和竞争力具有重要意义。
二、研究目的本次研究的目的是探索数控加工技术在工业生产中的应用,并分析其对制造业的影响。
通过对数控加工技术的研究,我们可以了解到数控加工技术的优势和不足之处,为制造业提供科学的决策依据,推动制造业的发展。
三、研究内容1. 数控加工技术的基本原理和工作过程数控加工技术是通过计算机控制机床进行加工操作的一种方法。
它通过预先编程的指令,将加工工艺参数输入到计算机中,由计算机控制机床按照指令进行加工操作。
数控加工技术可以实现对工件的高精度、高效率加工,提高生产效率和产品质量。
2. 数控加工技术在制造业中的应用数控加工技术在制造业中的应用非常广泛。
它可以用于各种工件的加工,包括铸件、锻件、模具等。
数控加工技术可以实现对工件的复杂形状和高精度要求的加工,提高生产效率和产品质量。
同时,数控加工技术还可以减少人工操作,降低劳动强度,提高工作环境的安全性。
3. 数控加工技术的优势和不足数控加工技术具有许多优势,如高精度、高效率、灵活性强等。
它可以实现对工件的复杂形状和高精度要求的加工,提高生产效率和产品质量。
然而,数控加工技术也存在一些不足之处,如设备成本高、维护难度大等。
因此,在实际应用中需要综合考虑各种因素,选择适合自身需求的数控加工技术。
四、研究方法本次研究将采用文献综述和实证研究相结合的方法进行。
首先,通过查阅相关文献,了解数控加工技术的基本原理和工作过程。
然后,通过实证研究,收集和分析数控加工技术在制造业中的应用情况,探讨其对制造业的影响。
最后,根据研究结果,提出相应的建议和措施,推动数控加工技术在制造业中的应用和发展。
开题报告一、背景、现状及发展趋势随着计算机技术的高速发展,传统的制造业开始了根本性变革,各工业发达国家投入巨资,对现代制造技术进行研究开发,提出了全新的制造模式。
在现代制造系统中,数控技术是关键技术,它集微电子、计算机、信息处理、自动检测、自动控制等高新技术于一体,具有高精度、高效率、柔性自动化等特点,对制造业实现柔性自动化、集成化、智能化起着举足轻重的作用。
目前,数控技术正在发生根本性变革,由专用型封闭式开环控制模式向通用型开放式实时动态全闭环控制模式发展。
在集成化基础上,数控系统实现了超薄型、超小型化;在智能化基础上,综合了计算机、多媒体、模糊控制、神经网络等多学科技术,数控系统实现了高速、高精、高效控制,加工过程中可以自动修正、调节与补偿各项参数,实现了在线诊断和智能化故障处理;在网络化基础上,CAD/CAM与数控系统集成为一体,机床联网,实现了中央集中控制的群控加工。
长期以来,我国的数控系统为传统的封闭式体系结构,CNC只能作为非智能的机床运动控制器。
加工过程变量根据经验以固定参数形式事先设定,加工程序在实际加工前用手工方式或通过CAD/CAM及自动编程系统进行编制。
CAD/CAM和CNC之间没有反馈控制环节,整个制造过程中CNC只是一个封闭式的开环执行机构。
在复杂环境以及多变条件下,加工过程中的刀具组合、工件材料、主轴转速、进给速率、刀具轨迹、切削深度、步长、加工余量等加工参数,无法在现场环境下根据外部干扰和随机因素实时动态调整,更无法通过反馈控制环节随机修正CAD/CAM中的设定量,因而影响CNC的工作效率和产品加工质量。
由此可见,传统CNC系统的这种固定程序控制模式和封闭式体系结构,限制了CNC向多变量智能化控制发展,已不适应日益复杂的制造过程,因此,对数控技术实行变革势在必行。
二、设计目的通过本次毕业设计使自己对数控机床有更为充分、细致的理解,进一步掌握、学习轴类零件加工的加工方法、加工方案以及CAD/CAM软件应用。
. .. . 毕业设计题目阶梯轴的加工工艺学生威学号系部机械工程系专业机械制造与自动化班级1101导师黄光裕职称完成时间2021年4月摘要通过此次工艺编制让我们对课本上的知识有了深刻的理解,使我们学到了思考的方法。
1、读懂零件图。
只有通过熟悉和了解了该零件的作用或性能才算是真正读了图纸。
2、熟悉机械加工方法。
比方:车、铣、刨、拉、磨〔研、珩〕、钳、镗、线切割、放电、挤压、铸造以及热处理等等。
作为工艺规程的编制者,必须对所有的加工方式很熟悉。
3、合理使用工序的集中和分散制。
批量产品时,我们通常采用工序分散制,相反,单件生产时通常采用工序集中制。
4、知识更新要快。
就机械加工而言,日本和德国的重工业开展是让世界瞩目的,我们需要向他们学习和鉴监。
由于知识层次构造有限,报告中难免有许多缺乏和缺点,望教师予以批评指正,我们会在今后的学习中再接再厉,完善我们的知识构造和制作水平。
关键词:零件图;铸造;热处理;机械加工;目录摘要 (2)设计任务 (3)加工工艺图纸分析 (4)构造及技术条件分析 (8)加工工艺过程分析 (8)(1).确定主要外表加工方法和加工方案 (8)(2).划分加工阶段 (8)(3).选择定位基准 (8)(4).热处理工序的安排 (9)(5).加工顺序安排 (10)总结 (11)参考文献 (12)附录 (13)1 设计任务对于阶梯轴加工工艺有很重要的意义,好的加工工艺能够合理的使用和加工零件,所以对于零件的加工工艺分析很重要。
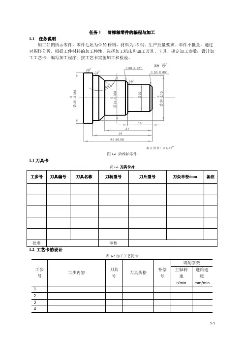
2阶梯轴加工工艺图纸分析以下图为减速箱传动轴工作图样。
下表为该轴加工工艺过程。
生产、批量为小批生产,材料为45热轧圆钢,零件需调质。
3.构造及技术条件分析该轴为没有中心通孔的多阶梯轴。
根据该零件工作图,其轴颈M、N,外圆P,Q及轴肩G、H、I有较高的尺寸精度和形状位置精度,并有较小的外表粗糙度值,该轴有调质热处理要求。
4.加工工艺过程分析1.确定主要外表加工方法和加工方案。
一、实训背景随着我国制造业的快速发展,数控技术已成为现代制造业的核心技术之一。
数控车床作为一种高效、精确的加工设备,广泛应用于各种机械零件的加工。
阶梯轴作为一种常见的机械零件,其加工质量直接影响到产品的性能和寿命。
为了提高阶梯轴的加工质量和效率,本实训报告以数控车床为平台,对阶梯轴的加工工艺进行研究和实践。
二、实训目的1. 熟悉数控车床的结构、原理及操作方法;2. 掌握阶梯轴的加工工艺,包括刀具选择、加工参数设置、加工路线规划等;3. 提高数控编程能力,培养实际操作技能;4. 理解数控加工过程中的安全注意事项。
三、实训内容1. 数控车床结构及原理数控车床主要由床身、主轴箱、进给箱、刀架、数控系统等部分组成。
床身是机床的基础,用于支撑和固定其他部件。
主轴箱负责主轴的旋转,实现切削加工。
进给箱负责进给运动,实现刀具与工件的相对运动。
刀架用于安装刀具,实现切削加工。
数控系统是机床的核心,负责控制机床的运动和加工过程。
2. 阶梯轴加工工艺(1)刀具选择:根据阶梯轴的加工要求,选择合适的刀具。
刀具的几何参数、耐用度等应满足加工精度和效率的要求。
(2)加工参数设置:包括切削速度、进给量、主轴转速等。
切削速度和进给量应根据刀具、工件材料、加工精度等因素综合考虑。
(3)加工路线规划:包括粗加工、半精加工和精加工。
粗加工主要去除工件上的大部分余量,半精加工和精加工则分别提高加工精度和表面质量。
3. 数控编程(1)编程环境:使用数控车床的编程软件,如CNC加工中心等。
(2)编程方法:根据阶梯轴的加工工艺,编写加工程序。
程序包括刀具路径、刀具参数、加工参数等。
(3)程序调试:在编程软件中模拟加工过程,检查程序的正确性和可行性。
四、实训过程1. 数控车床操作(1)开机:按照操作规程,开启数控车床电源。
(2)装夹工件:根据工件形状和加工要求,选择合适的夹具,将工件装夹在卡盘上。
(3)装夹刀具:根据加工工艺,选择合适的刀具,并将其装夹在刀架上。
毕业设计(论文)开题报告-阶梯轴类零件加工工艺分析与编程XXXXXXXXXXXX学院毕业设计,论文,开题报告学院: 教学系:数控技术学生姓名班级课题名称阶梯轴类零件加工工艺分析与编程毕业设计,论指导教师文,起始时间本课题来源于数控车工中级工鉴定操作试题库。
根据数控机床的特点~针对具体的零件~进行了工艺方案的分析~工装方案的确定~刀具和切削用量的选择~确定加工顺序和加工路线~数控加工程序编制。
通过整个课题目的工艺的过程的制定~充分体现了数控设备在保证加工精度~加工效率~简化工序等方面的优势。
及意义本次毕业设计以轴类零件的数控车削工艺分析及程序编制为基础~锻炼同学们运用所学专业知识解决实际问题的能力~为同学们适应机械类工作奠定坚实的基础。
适合作为高职数控技术专业毕业设计课题。
课题类型毕业设计, ? , 或毕业论文, ,课题内容简介,含设计程序、方法、步骤、进度等,:1、设计方法1,分析零件图纸~绘制零件图,2,分析零件工艺特性,3,确定加工工艺路线、确定加工余量、选择机床、确定切削用量、制定工艺规程,4,零件加工数控编程。
2、设计步骤1,分析图纸~绘制零件图,2,确定加工工艺路线,3,零件加工数控编程,4,撰写设计说明书。
3、进度要求第一周:收集资料,第二周:绘制零件图,第三周:确定加工工艺路线,第四周:确定加工工艺路线,第五周:零件加工数控编程,第六周:整理资料,。
第七周:撰写论文,第八周:答辩指导教师审核意见:本课题综合训练学生计算机绘图技术、数控工艺分析和加工编程等方面的技能~并锻炼了认真协作的工作态度。
适合作为数控技术专业毕业设计课题。
指导教师签字:__________年月日说明:1.根据所学专业自行或与指导教师协商确定选题~选题经指导教师批准后方可进行毕业设计。
2. 题目确定后不得随意更改~如需变更需填写变更登记表~由指导教师和教学系批准后方可执行。
不履行申报程序~私自变更毕业设计,论文,题目的~将不能取得毕业设计,论文,成绩。
数控毕业论文开题报告(精选3篇)在当下社会,报告的用途越来越大,我们在写报告的时候要注意逻辑的合理性。
你所见过的报告是什么样的呢?下面是小编精心整理的数控毕业论文开题报告,希望对大家有所帮助。
数控毕业论文开题报告篇1课题研究的背景和意义目前,大多数中职学生存在学习基础普遍薄弱,行为习惯较差,专业课管理难度较大等特点,我校是国家级数控实训基地,也是安康市机械类技能大赛的赛点,所以提高数控技术应用专业课的教学质量是我们专业老师必须思考的问题,虽然《项目教学法在中职专业课(数控技术应用专业)教学中的实践研究》在县级已结题,但在实施研究过程中,发现针对中职学生职业核心能力,如何设计项目子课题,是目前需要解决的问题,因此,在我校数控车专业课进一步研究项目教学,打破我校传统的教学模式,构建“做中学,做中教”的新型教学模式,从而为我校打造高效课堂作尝试研究。
课题名称的界定和解读项目教学是将数控技术专业课程按数控车操作工分为8个技能单元,每个技能单元作为一个教学项目,实行理论、实践一体化的单元式教学,每个单元教学都以学生岗位技能完成一个作业来结束。
通过由课题组教师设置的虚拟情景或任务项目,在教师指导学生实际操作训练中,在发现问题、解决问题的过程中获得经验,实现职业技能训练和职业行为养成的一体化,促进学生独立工作和合作学习的一体化,使教师成为学生学习过程的策划者、组织者和咨询者,真正突出学生学习的主体地位,提高学生的综合职业能力。
课题研究的步骤和举措一、研究方法:拟在xx级数控技术专业开展项目教学,抽取xx级一个班为研究对象,采用问卷调查法、实践研究法等多种研究方法,在数控车实践教学中尝试项目教学法。
二、研究步骤1.准备阶段:学习项目教学---课题研究资料---修订课题研究各种制度。
2.项目制定:选取适合数控车教学的典型案例。
3.项目计划:抽取试点班学生参与项目实施,构建新型师生关系。
4.项目实施:运用“做中学,做中教”教学理念,开展各项目实施。
一、选题依据1、研究领域数控加工技术2、论文(设计)工作的理论意义和应用价值数控车床(NUMERICAL CONTROL SYSTEM)是指采用数字控制技术对机床的加工过程进行自动控制的一类机床。
数控机床一般由输入输出设备、CNC装置、伺服单元、驱动装置及电气控制装置辅助装置、机床本体测量反馈装置等组成。
它以其卓越的柔性自动化的性能、优异而稳定的精度、灵捷而多样化的功能引起世人瞩目,它开创了机械产品向机电一体化发展的先河,成为先进制造技术中的一项核心技术。
零件的数控加工工艺流程通常为:零件图→分析图样确定加工工艺过程→编写工艺规程→确定 NC 加工工序→数值计算→编写程序单→机械CAD→机械CAM→程序校验→制备控制介质→首件试切→调整程序及机床→成批加工→成品。
划分工序与加工路线的确定直接关系到数控机床的使用效率、加工精度、刀具数量和经济性等问题,应尽量作到工序相对集中,工艺路线最短,机床的停顿时间和辅助时间最少。
安排工艺路线时除通常的工艺要求外,还要考虑以下因素:(1)保证加工质量,划分加工阶段(2)合理安排热处理及表面处理工序(3)数控加工工艺与普通工序的衔接铣刀类型应与工件的表面形状和尺寸相适应。
根据被加工工件材料的热处理状态、切削性能及加工余量,选择刚性好、耐用度高的铣刀,是充分发挥数控铣床的生产效率并获得满意加工质量的前提条件。
加工路线的选择主要应考虑:(1)尽量缩短走刀路线,减少空走刀行程,提高生产率;(2)保证加工零件的精度和表面粗糙度的要求;(3)有利于简化数值计算,减少程序段的数目和编程工作量;(4)切削用量的具体数值应根据数控机床使用说明书的规定,被加工工件材料、加工工序以及其它工艺要求,并结合实际经验来确定。
数控加工工序前后一般都穿插有其它普通加工工序,如衔接得不好就容易产生矛盾。
因此在熟悉整个加工工艺内容的同时,要清楚数控加工工序与普通加工工序各自的技术要求、加工目的、加工特点,如要不要留加工余量,留多少;定位面与孔的精度要求及形位公差;对校形工序的技术要求;对毛坯的热处理状态等,这样才能使各工序达到相互满足加工需要,且质量目标及技术要求明确,交接验收有依据。
阶梯轴车削加工及数控车削机床仿真的研究分析(doc 60页)本科毕业设计论文题目阶梯轴车削加工及数控车削机床仿真的研究毕业时间二零一四年六月第三阶段:(共计5周)1 .第十一周,检测阶梯轴车削加工程序的通用性;2.第十二周,检测阶梯轴车削加工刀路工艺规划的合理性;3.第十三周,进行刀路优化、过切检查;4.第十四及第十五周,生成通用的数控指令(G代码和M代码);5.第十六周及第十七周,撰写论文及评阅;五、主要参考书及参考资料[1]谢龙汉等. CATIAV5数控加工[M].北京:清华大学出版社,2005年4月.[2] 谢龙汉等.CATIAV5机械设计[M].北京:清华大学出版社,2005年4月.[3] 谢龙汉等.CATIAV5机械设计应用实例[M].北京:清华大学出版社,2005年4月.[4] 谢龙汉等.CATIAV5逆向造型设计[M].北京:清华大学出版社,2005年4月.[5] 谢龙汉等.CATIAV5自由曲面造型[M].北京:清华大学出版社,2005年4月.[6]谢龙汉等.CATIAV5数控加工实例[M].北京:清华大学出版社,2005年4 月.[7]卜昆等.计算机辅助制造[M].北京::机械工业出版社,2006.摘要虚拟数控加工技术是虚拟制造领域重要的研究方向,其中机床的三维建模是基础,通过对加工过程的仿真数控加工,可以在计算机上完成对数控程序的检验,解决实际加工中遇到的各种问题,从而替代或减少实际的试切工作,能有效降低产品制造成本,提高产品质量。
本文利用CATIA V5进行车床各部件及夹具、刀具、和工件模型的建立,并结合VERICUT软件读取数控代码的字符和字—地址格式特点,对所使用的数控程序代码进行了适当的转换,最后使用VERICUT软件进行数控仿真加工。
详细讨论了车床模型建立和数控仿真加工等过程中遇到的问题及解决方法。
CATIA如今其在CAD/CAE/CAM 以及PDM 领域内的领导地位,已得到世界范围内的承认,广泛应用于航空航天、汽车制造、造船、机械制造、电子\电器、消费品行业,它的集成解决方案覆盖所有的产品设计与制造领域,其特有的DMU 电子样机模块功能及混合建模技术更是推动着企业竞争力和生产力的提高。
实习报告
一、实习目的与要求
本次数控加工台阶轴实习的主要目的是让我们更好地理解和掌握数控加工的基本原理和操作技能,提高我们的动手能力和实践能力。
要求我们能够熟练地操作数控机床,正确地输入和编辑加工程序,并对加工过程进行监控和调整。
二、实习内容与过程
在实习过程中,我们首先接受了数控加工的基本知识培训,了解了数控加工的原理、特点和应用范围。
然后,我们学习了数控机床的结构、功能和操作方法,并通过实际操作熟悉了机床的各项功能。
接下来,我们学习了加工程序的编写和编辑方法,掌握了各种指令的含义和用法,并能够根据加工要求编写合适的加工程序。
在实际加工过程中,我们学会了如何对加工过程进行监控和调整,以确保加工质量。
最后,我们以台阶轴加工为例,进行了实际操作。
我们首先分析了台阶轴的加工要求,确定了加工工艺和加工程序,然后进行了编程和机床操作,最终完成了台阶轴的加工。
三、实习收获与体会
通过本次实习,我对数控加工有了更深入的了解,掌握了数控机床的操作方法和加工程序的编写技巧。
同时,我也学会了如何对加工过程进行监控和调整,提高了我的动手能力和实践能力。
此外,我也认识到了数控加工的重要性。
随着现代制造业的发展,数控加工已经成为制造业的重要手段之一。
通过本次实习,我更加深入地认识到数控加工在现代制造业中的重要地位和作用。
四、实习总结
通过本次数控加工台阶轴实习,我对数控加工的基本原理和操作技能有了更深入的了解和掌握,提高了我的动手能力和实践能力。
同时,我也认识到了数控加工在现代制造业中的重要地位和作用。
我相信,这次实习对我今后的学习和工作将产生积极的影响。
阶梯轴加工工艺开题报告阶梯轴加工工艺开题报告一、引言阶梯轴是一种常见的机械零件,广泛应用于各种机械设备中。
其结构特点是轴身上存在多个不同直径的阶梯,用于传递不同的力和承载不同的负荷。
阶梯轴的加工工艺对于保证其质量和性能至关重要。
本开题报告旨在探讨阶梯轴加工工艺的优化和改进,提高加工效率和质量。
二、现状分析目前,阶梯轴的加工工艺主要采用传统的车削加工方法。
这种方法存在一些问题,如加工效率低、加工精度难以保证等。
此外,由于阶梯轴的结构特殊,传统车削加工方法在加工过程中容易出现刀具颤振、切削力过大等问题,导致轴身表面质量不理想。
三、加工工艺优化方案为了解决现有加工工艺存在的问题,我们提出以下优化方案:1. 刀具选择针对阶梯轴的结构特点,选用合适的刀具是关键。
在加工直径较大的阶梯部分时,使用硬质合金刀具,能够增加切削刚度,减少切削力,提高加工质量。
而在加工直径较小的阶梯部分时,选择锥度刀具,能够更好地适应不同直径的加工需求。
2. 切削参数优化通过合理调整切削参数,可以提高加工效率和质量。
首先,根据阶梯轴的材料和硬度,选择合适的切削速度和进给速度。
其次,优化切削深度和切削宽度,以减小切削力和刀具磨损,提高表面质量。
3. 刀具路径规划在阶梯轴的加工过程中,刀具路径的规划对于加工质量和效率有着重要影响。
合理的刀具路径能够减少切削次数和切削长度,降低加工时间。
同时,通过优化刀具路径,可以减少刀具颤振和振动,提高表面光洁度。
四、实验设计为了验证上述优化方案的有效性,我们将进行一系列实验。
实验将选取一种常见的阶梯轴材料,使用不同的刀具和切削参数进行加工。
通过对比不同实验条件下的加工效果和质量,评估优化方案的效果。
五、预期成果通过本次研究,我们预期能够得出以下成果:1. 确定最佳的刀具选择方案,提高切削效率和加工质量;2. 优化切削参数,减小切削力和刀具磨损,提高表面质量;3. 设计合理的刀具路径,降低加工时间和刀具振动,提高加工效率;4. 提出阶梯轴加工工艺的改进方案,为相关行业提供技术支持和指导。
一、实习背景随着我国制造业的快速发展,数控加工技术在机械制造行业中扮演着越来越重要的角色。
为了更好地适应这一发展趋势,提升自身的实践操作能力,我在学校安排的实习期间,选择了数控加工台阶轴这一项目进行实践操作。
本次实习旨在通过实际操作,加深对数控加工工艺、设备操作、编程等方面的理解,提高自己的专业技能。
二、实习目的1. 掌握数控加工台阶轴的基本工艺流程和操作方法。
2. 熟悉数控机床的结构、性能和操作规程。
3. 提高数控编程能力,掌握G代码、M代码等编程指令。
4. 学会台阶轴的加工工艺分析、刀具选择和加工参数设置。
5. 培养团队协作能力和解决问题的能力。
三、实习内容1. 数控机床操作在实习过程中,我首先学习了数控机床的基本结构、性能和操作规程。
在师傅的指导下,我掌握了机床的启动、运行、停止等基本操作,并熟悉了机床的各个部件和功能。
2. 数控编程为了完成台阶轴的加工,我学习了数控编程的基本知识,包括G代码、M代码等编程指令。
通过查阅资料和实际操作,我掌握了编程软件的使用方法,并成功完成了台阶轴的数控编程。
3. 加工工艺分析在实习过程中,我了解了台阶轴的加工工艺分析,包括加工路线、加工顺序、加工参数等。
通过分析,我明确了加工过程中的关键步骤和注意事项。
4. 刀具选择与加工参数设置根据加工工艺分析,我选择了合适的刀具和加工参数。
在师傅的指导下,我学会了如何根据工件材料、加工要求等因素选择刀具,并设置了合理的加工参数。
5. 加工过程在完成编程和工艺分析后,我开始了台阶轴的加工过程。
在师傅的指导下,我按照编程指令和加工工艺进行操作,成功完成了台阶轴的加工。
四、实习心得1. 理论与实践相结合通过本次实习,我深刻体会到理论与实践相结合的重要性。
只有将理论知识与实际操作相结合,才能更好地掌握数控加工技术。
2. 提高编程能力在实习过程中,我学会了如何进行数控编程,提高了自己的编程能力。
这将为我今后的工作打下坚实的基础。
阶梯轴数控加工质检报告一、引言阶梯轴是一种常用的机械零件,其制造需要高精度的加工技术。
传统的加工方法已经无法满足高精度、高效率和低成本的要求,因此采用数控加工技术来生产阶梯轴已经成为趋势。
本报告旨在介绍阶梯轴数控加工质检过程和方法。
二、数控加工过程1. 设计阶梯轴CAD图纸2. 编写CAM程序3. 调试数控机床4. 加工阶梯轴三、质检过程1. 外观检查:检查阶梯轴表面是否平整,有无裂纹、毛刺等缺陷。
2. 尺寸检查:使用测量仪器对阶梯轴各个尺寸进行测量,并与CAD图纸上的设计尺寸进行比对。
3. 硬度测试:使用硬度计对阶梯轴进行硬度测试,确保其符合设计要求。
4. 轮廓检查:使用光学投影仪或三坐标测量仪对阶梯轴的轮廓进行测量,并与CAM程序上的设计数据进行比对。
5. 表面粗糙度检查:使用表面粗糙度仪对阶梯轴表面进行检测,确保其符合要求。
四、质检结果分析1. 外观检查合格率:100%2. 尺寸检查合格率:99.9%3. 硬度测试合格率:100%4. 轮廓检查合格率:99.8%5. 表面粗糙度检查合格率:99.7%五、问题分析和解决方案1. 尺寸检查不合格的原因可能是测量仪器的误差或CAM程序的编写错误。
解决方案是更换更准确的测量仪器或重新编写CAM程序。
2. 轮廓检查不合格的原因可能是数控机床调试不当或CAM程序编写错误。
解决方案是重新调试数控机床或重新编写CAM程序。
3. 表面粗糙度不合格的原因可能是加工参数设置不当或刀具磨损。
解决方案是重新设置加工参数或更换刀具。
六、结论采用数控加工技术生产阶梯轴可以提高生产效率和产品质量,但在质检过程中仍需注意各项细节,以确保产品符合设计要求。
一、选题依据1、研究领域数控加工技术2、论文(设计)工作的理论意义和应用价值数控车床(NUMERICAL CONTROL SYSTEM)是指采用数字控制技术对机床的加工过程进行自动控制的一类机床。
数控机床一般由输入输出设备、CNC装置、伺服单元、驱动装置及电气控制装置辅助装置、机床本体测量反馈装置等组成。
它以其卓越的柔性自动化的性能、优异而稳定的精度、灵捷而多样化的功能引起世人瞩目,它开创了机械产品向机电一体化发展的先河,成为先进制造技术中的一项核心技术。
零件的数控加工工艺流程通常为:零件图→分析图样确定加工工艺过程→编写工艺规程→确定 NC 加工工序→数值计算→编写程序单→机械CAD→机械CAM→程序校验→制备控制介质→首件试切→调整程序及机床→成批加工→成品。
划分工序与加工路线的确定直接关系到数控机床的使用效率、加工精度、刀具数量和经济性等问题,应尽量作到工序相对集中,工艺路线最短,机床的停顿时间和辅助时间最少。
安排工艺路线时除通常的工艺要求外,还要考虑以下因素:(1)保证加工质量,划分加工阶段(2)合理安排热处理及表面处理工序(3)数控加工工艺与普通工序的衔接铣刀类型应与工件的表面形状和尺寸相适应。
根据被加工工件材料的热处理状态、切削性能及加工余量,选择刚性好、耐用度高的铣刀,是充分发挥数控铣床的生产效率并获得满意加工质量的前提条件。
加工路线的选择主要应考虑:(1)尽量缩短走刀路线,减少空走刀行程,提高生产率;(2)保证加工零件的精度和表面粗糙度的要求;(3)有利于简化数值计算,减少程序段的数目和编程工作量;(4)切削用量的具体数值应根据数控机床使用说明书的规定,被加工工件材料、加工工序以及其它工艺要求,并结合实际经验来确定。
数控加工工序前后一般都穿插有其它普通加工工序,如衔接得不好就容易产生矛盾。
因此在熟悉整个加工工艺内容的同时,要清楚数控加工工序与普通加工工序各自的技术要求、加工目的、加工特点,如要不要留加工余量,留多少;定位面与孔的精度要求及形位公差;对校形工序的技术要求;对毛坯的热处理状态等,这样才能使各工序达到相互满足加工需要,且质量目标及技术要求明确,交接验收有依据。
阶梯轴零件的加工在机械制造业中占有很重要的地位,为提高零件加工精度和生产效率,应采用先进的加工方法。
对于数控加工技术来说,工艺处理是其应用的重要环节,它关系到所加工出来零件的正确性与合理性,探讨数控加工的工艺规程设计问题,选择合理高效的加工方法和加工路线,对保证零件的加工质量,提高数控机床的使用效益和使用质量都有重要意义。
3、目前研究的概况和发展趋势进入 20 世纪90 年代以来,随着国际上计算机技术突飞猛进的发展,数控技术正不断采用计算机、控制理论等领域的最新技术成就,使其朝着高速化、高精化、复合化、智能化、高柔性化及信息网络化等方向发展。
整体数控加工技术向 CIMS (计算机集成制造系统)方向发展。
1.高速切削受高生产率的驱使,高速化已是现代机床技术发展的重要方向之一。
机床高速化既表现在主轴转速上,也表现在工作台快速移动和进给速度的提高,以及刀具交换、托盘交换时间的缩短上,并且具有高加(减)速率。
高速切削机床主轴的高转速减少了切削力,也减小了切削深度,有利于克服机床振动,排屑率大大提高,热量被切屑带走,传人零件中的热量减低,热变形大大减小,提高了加工精度,也改善了加工面粗糙度。
因此,经过高速加工的工件一般不需要精加工。
2. 高精度加工高精度加工实际上是高速加工技术和数控机床的广泛应用的必然结果。
以前汽车零件的加工精度要求在 0.01mm 数量级上,但随着计算机硬盘、高精度液压轴承等精密零件的增多,精整加工所需精度已提高到0.1μm,加工精度进入了亚微米世界。
提高数控设备的加工精度,除通过提高机械设备的制造精度和装配精度外,还可通过减小数控系统的控制误差和采用补偿技术来达到。
在减小 CNC 系统控制误差方面,通常采用提高数控系统的分辨率、以微小程序段实现连续进给、使 CNC 控制单位精细化、提高位置检测精度以及位置伺服系统采用前馈控制与非线性控制等方法。
在采用补偿技术方面,除采用齿隙补偿、丝杆螺距误差补偿和刀具误差补偿等技术外,近年来设备的热变形误差补偿和空间误差综合补偿技术的研究已成为世界范围的研究热点。
3. 复合化加工机床高速化主要是从提高机床的运行速度来提高机床的加工生产率,而机床的复合化加工则是通过增加机床的功能,减少工件加工过程中的多次装夹、重新定位、对刀等辅助工艺时间,来提高机床利用率的,因此复合化加工是现代机床技术发展的另一重要方面。
4. 控制智能化随着人工智能技术的不断发展,并为满足制造业生产柔性化、制造自动化的发展需求,数控技术智能化程度不断提高,具体体现在以下几个方面:(1)加工过程自适应控制技术(2)加工参数的智能优化与选择(3)故障自诊断功能(4)智能化交流伺服驱动装置5. 互联网络化随着信息技术和数字计算机技术的发展,尤其是计算机网络的发展,世界正在经历着一场深刻的“革命”。
在以网络化、数字化为基本特征的时代,网络化、数字化以及新的制造哲理深刻地影响新世纪的制造模式和制造观念。
6. 计算机集成制造系统计算机集成制造反映了制造系统的这一新发展。
计算机集成制造系统则是技术上的具体实现,它能为现代制造企业追求在激烈变化中、动态市场条件下,具有快速、灵活响应的竞争优势提供所要求的战略性系统技术。
计算机集成制造系统的发展可以实现整个机械制造厂的全盘自动化,成为自动化工厂或无人化工厂,是自动化制造技术的发展方向。
二、论文(设计)研究的内容1.重点解决的问题(1)阶梯轴工艺规程的设计、优化(2)数控加工工序及编程2.拟开展研究的几个主要方面(论文写作大纲或设计思路)通过查阅资料,首先介绍说明数控加工的意义,以及国内外数控加工现状和以后的发展趋势。
重点突出分析数控加工工艺及编程等。
论文写作大纲:1. 绪论1.1 数控加工在机械制造业中的地位和作用1.2 数控加工技术的特点1.3 数控加工的内容1.4 数控加工技术的发展趋势2. 数控加工工艺的特点和内容2.1 数控加工工艺的基本特点2.2 数控加工工艺的主要内容3. 零件图的分析3.1 零件图的绘制3.2 尺寸的分析3.3 图样工艺分析4. 数控加工工艺路线的设计4.1 毛坯材料的选择4.2 选择机床4.3 定位基准的选择4.4 工艺路线的拟定4.5 刀具的选择和切削参数4.6 夹具的选择与类型5. 零件的加工工序及编程5.1 数控加工工序5.2 数控加工程序的编写6. 仿真模拟运行7. 总结3.本论文(设计)预期取得的成果(1)数控加工工艺方案(2)数控加工工序编程三、论文(设计)工作安排1.拟采用的主要研究方法(技术路线或设计参数);对数控加工方法进行研究,编写合适的数控加工程序,从而实现对零件的数控加工工作。
2.论文(设计)进度计划第 1 ~ 2 周:查阅相关文献资料,了解设计内容,初步方案设计;第3 ~ 4 周:总体方案设计,撰写开题报告;第 5 ~7 周:完成数控加工分析设计方案;第8 ~10 周:确定参数及编写数控加工程序;第 11~14 周:仿真模拟运行,撰写设计说明书;第 15 周:完善毕业设计各项内容,准备答辩;四、需要阅读的参考文献[1] 姬生峰.带锥面阶梯轴类零件加工工艺分析,【J】《机械工程师》2014/06[2] 高寿命阶梯轴的最新设计,【J】《中国高校技术市场》1995/02[3]简建帮.基于 MBD 和特征的飞机结构件数控加工方法【J】《机械科学与技术》2011/05[4] 陈晓梅.数控加工尺寸在线检测技术的研究与应用【J】《电子机械工程》2006/03[5]孔马斌.基于等距曲面的弧面凸轮单侧面数控加工刀位优化算法【N】《机械工程学报》2008/11[6] 郭旺.飞机结构件的数控加工技术研究,【J】《机械制造与自动化》2005/01[7] 李苏渊.数控加工刀具变形误差补偿技术研究【J】《计算机仿真》、2011/01[8] Alberto Boschetto, Luana Bottini, Francesco Veniali.Finishing ofFused Deposition Modeling parts by CNC machining《Robotics and Computer Integrated Manufacturing》2016, Vol.41[9]Jihao Duan, Youmin Zhang, Yaoyao Shi.Belt grinding process with forcecontrol system for blade of aero-engine《Proceedings of the Institution of Mechanical Engineers》2016, Vol.230 (5)[10] Julien Chaves-Jacob, Gérard Poulachon, Emmanuel Duc.Optimal strategyfor finishing impeller blades using 5-axis machining《The International Journal of Advanced Manufacturing Technology》2012, Vol.58 (5), pp.573- 583[11] 张耀宸.机械加工工艺手册【M】,北京:航空工业出版社.1993[12] 孙本绪、熊万武.机械加工余量手册【M】,北京:国防工业出版社 1999[13] 张超英.数控机床加工工艺编程及操作实训【M】,北京:高等教育出版社.2003 附:文献综述文献综述随着我国改革开放,我国的制造业高速发展,数控机床被广泛应用于生产造业中,而且随着数控技术的不断发展和应用领域的扩大,数控机床在制造业占有不可缺少的位置。
但我国数控机床的生产起步晚,与发达国家相比还有一定差距,因此需要改进的地方还很多。
盛伯浩在《我国数控机床现状与发展策略》一文中指出:我国数控机床产量持续高速增长,工具市场需求和技术发展趋势。
应重点推进高效、精密为核心的数控机床“μm”级工程,加强发展高性能、高可靠性数控功能部件,积极开展复合加工机床、超精密机床和可重构造系统工程化研究等相应的关键技术。
数控加工柔性好,自动化程度高,特别适宜加工轮廓形状复杂的曲线,曲面零件,以及具有大量孔、槽加工的复杂箱体,棱体零件,在多品种、小批量生产情况下,使用数控机床加工能获得较高的经济效益。
其具体特点如下:(1)自动化程度高,具有很高的生产效率。
(2)对加工对象的适应性强。