最新智能建筑系统试运行记录
- 格式:doc
- 大小:873.00 KB
- 文档页数:59
智能建筑系统试运行记录智能建筑系统试运行记录日期:[日期]地点:[地点]试运行人员:[人员姓名]1. 试运行目的:- 确保智能建筑系统的各项功能正常运行;- 验证系统与其他设备的兼容性;- 测试系统的稳定性和可靠性;- 收集用户反馈,以改进系统。
2. 试运行内容:- 智能照明系统:- 测试自动灯光控制功能,包括根据光线强度和人员活动情况自动调节灯光亮度;- 验证定时开关灯功能,确保按设定时间自动开关灯; - 检查手动控制开关灯功能,确认开关灯操作是否正常。
- 智能空调系统:- 测试温度感应功能,验证系统是否能根据室内温度自动调节空调温度;- 验证定时开关空调功能,确保按设定时间自动开关空调;- 检查手动控制开关空调功能,确认开关空调操作是否正常。
- 智能安防系统:- 测试入侵检测功能,包括门窗传感器、红外线传感器等;- 验证视频监控功能,确保监控画面清晰可见;- 检查报警系统功能,确认报警器是否正常响应。
- 智能能源管理系统:- 测试能源监测功能,包括电力、水、气等能源的实时监测;- 验证能源调控功能,确认系统是否能根据能源使用情况自动调整供应;- 检查能源报表生成功能,确认报表准确无误。
- 用户体验:- 收集用户反馈,包括系统易用性、功能完整性等方面的意见;- 解决用户遇到的问题,并进行相应的改进。
3. 试运行结果:- 智能照明系统功能正常,能根据光线强度和人员活动情况自动调节灯光亮度;- 智能空调系统运行稳定,能根据室内温度自动调节空调温度;- 智能安防系统可靠,能准确检测入侵,并及时报警; - 智能能源管理系统监测准确,能根据能源使用情况自动调整供应;- 用户反馈大部分积极,系统易用性较高,但仍有一些改进空间。
4. 改进措施:- 优化智能照明系统的光线感应算法,提高灯光调节的精确度;- 加强智能安防系统的视频监控画质,提高画面清晰度; - 完善能源管理系统的能源报表生成功能,确保报表准确无误;- 根据用户反馈,改进系统的界面设计,提升用户体验。
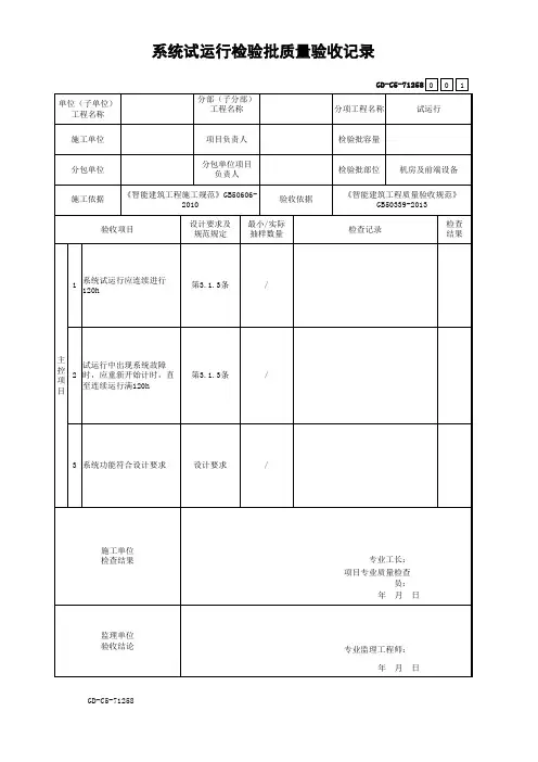
页可进入系统试运行,试运行周期应不少于1个月;
3、试运行中产生的问题,处理方法及调整、调试后的结果等, 扼要说明情况(包括修复日期);
4、系统运行情况栏中,注明正常/不正常,并每班至少填写一次。
1、智能建筑系统承包商在工程安装、调试完成后,根据各系统的不同要求,应按各系统规定的合理周期对系统进行连续不中断试运行;
2、通信网络系统试运行应从初次测试合格后开始,试运行周期可按合同规定执行,但不应小于3个月联网运行(接入用户和电路);信息网络系统在安装、调试完成后,应进行不少于1个月的试运行;建筑设备监控系统在安装、调试完成后应进行不少于1个月的试运行;安全防范系统设备安装、施工测试完成后,经建设方同意
共
页 第施工单位:
建设(使用)单位
系统名称:归档编号 C7-5。
建筑工程智能建筑系统试运行记录第一天:我们开始了建筑工程智能建筑系统的试运行。
首先,我们对系统进行了全面的检查,确保硬件设备和软件系统的正常运行。
然后,我们设置了一套基本的参数和规则,以便系统可以开始自动化控制建筑物的各项功能。
系统开始运行后,我们首先测试了其对灯光控制的功能。
根据预设的规则,系统可以根据光线的强弱自动调节灯光亮度。
在不同的场景下,系统能够智能地判断并调整灯光的亮度,并且可以根据时间变化进行自动调整。
我们针对这一功能进行了多组测试,结果显示系统的灯光控制功能相当准确和可靠。
第二天:今天我们测试了系统对空调、暖气和通风系统的智能控制和调节功能。
首先,我们设置了一套理想的温度和湿度范围,并根据这些设定进行了测试。
系统通过感知温度和湿度传感器的反馈信息,并结合预设的参数,自动调整空调和暖气的温度设置。
在通风方面,系统可以根据室内二氧化碳浓度自动开启或关闭通风设备。
测试结果显示系统的控制功能非常精确和敏感。
第三天:今天我们对系统的安防功能进行了测试。
我们设置了不同的安防场景,如火灾、入侵、泄露等,并通过设置触发器和报警器进行测试。
系统在检测到异常情况后,会自动启动相应的安防措施,如启动喷水系统、报警器等,并迅速发送警报信息给相关人员。
我们模拟了多种异常情况进行测试,结果显示系统的安防功能非常可靠和高效。
第四天:今天我们对系统的能源管理功能进行了测试。
系统可以自动感知建筑物的能源消耗,如电力、水和燃气等,并记录下来。
根据实时数据和历史数据,系统可以智能地分析建筑物的能源消耗情况,并提供相应的优化建议。
我们对系统的能源管理功能进行了多组测试,结果显示系统的优化建议非常准确和实用。
第五天:最后一天,我们对系统的智能化控制和人机交互功能进行了综合测试。
系统可以通过手机、电视、电脑等终端设备进行远程控制和监控,用户可以随时随地进行建筑物的各项功能设置和监控。
我们测试了系统在不同设备上的运行情况,并进行了多组不同场景下的操作测试。
智能建筑工程子系统检测记录智能建筑工程是集智能化技术于一体的现代化建筑系统,其子系统包括智能化控制系统、信息化系统、安防系统、能源管理系统等。
对于智能建筑工程的各个子系统的检测记录是非常重要的,它可以帮助我们了解系统运行情况,发现问题,及时采取措施修复。
下面是智能建筑工程子系统检测记录的一份示例:智能化控制系统:1.检测日期:2024年3月1日2.设备检测内容:智能化控制系统主控制主板、I/O板、通信模块等设备检测。
3.检测结果:主控制主板工作正常,I/O板部分通道出现异常,需要更换;通信模块无异常。
4.处理情况:更换故障I/O板,重新设置通道,测试通过。
信息化系统:1.检测日期:2024年3月15日2.设备检测内容:服务器、网络设备、数据存储设备等设备检测。
3.检测结果:服务器运行稳定,网络设备工作正常,数据存储设备存储正常。
4.处理情况:无异常情况,继续监控运行情况。
安防系统:1.检测日期:2024年4月1日2.设备检测内容:视频监控设备、门禁系统、入侵报警系统等设备检测。
3.检测结果:视频监控设备运行正常,门禁系统读卡器部分读卡功能异常,入侵报警系统正常。
4.处理情况:更换读卡器,重新设置读卡功能,测试通过。
能源管理系统:1.检测日期:2024年4月15日2.设备检测内容:能源监测仪、智能照明系统、智能温控系统等设备检测。
3.检测结果:能源监测仪数据采集正常,智能照明系统部分灯具亮度异常,智能温控系统运行正常。
4.处理情况:更换亮度异常的灯具,重新设置照明系统,测试通过。
总结:通过对智能建筑工程子系统的检测记录,我们可以看到在使用中存在一些问题,需要及时修复。
这些记录有助于我们了解系统运行情况,及时发现并解决问题,确保智能建筑工程的正常运行和安全性。
同时,这些记录也可以作为以后维护和改进的参考,为我们提供宝贵的经验教训。
智能建筑工程系统试运行记录一、实施背景和目的智能建筑工程系统是一种整合现代智能技术和建筑工程的综合性系统,旨在提高建筑工程的效率、安全性和可持续发展性。
我司决定进行智能建筑工程系统的试运行,以便评估其在实际工程项目中的应用效果。
本试运行记录将详细记录我们的试运行过程、难点与解决方法,以及试运行取得的效果。
二、试运行内容1.选择试运行的建筑工程项目:我们选择了一座正在进行的商业综合体建筑项目作为试运行的目标项目。
2.系统安装与配置:在选定的建筑工程项目中,我们安装并配置了智能建筑工程系统的各项设备和传感器,并确保其与其他建筑设备和系统的互联互通。
3.数据采集与分析:通过智能建筑工程系统的传感器和设备,我们实时采集了构件材料的温度、湿度、压力等关键数据,并通过系统对这些数据进行分析和处理。
4.配置智能控制系统:基于数据分析结果,我们配置智能建筑工程系统的控制模块,并尝试通过系统对建筑工程项目进行远程控制和调整。
5.实时监测与报警:系统配置完成后,我们进行了一段时间的实时监测和报警试验,以验证系统在异常情况下的监测和报警功能。
三、试运行过程与难点在试运行过程中,我们遇到了一些难点和问题:1.传感器数据采集不准确:由于环境因素和传感器的精度等原因,部分传感器的数据存在不准确的情况。
解决方法是对传感器进行校准和定期检验,确保其数据的准确性。
2.缺乏准确的控制算法:由于缺乏实际工程经验,我们在配置智能控制系统时遇到了一些困难,需要进一步研究和改进控制算法。
3.系统稳定性不足:在试运行初期,我们遇到了系统崩溃和网络中断等问题,这影响了系统的正常运行。
通过升级系统软件和完善网络设备,我们解决了这一问题。
四、试运行取得的效果在试运行过程中1.建筑工程项目的效率提高:通过智能建筑工程系统的实时监测和远程控制功能,我们能够及时发现并处理工程进展中的问题,提高了工程项目的效率和质量。
2.工程安全性得到提升:智能建筑工程系统的实时监测和报警功能使我们能够及时发现并处理工程安全隐患,降低了工程事故的发生概率。
智能系统试运行记录
本表由调试(或安装施工)单位填写,调试单位、安装单位、主体施工单位各保存一份;
建筑工程整个施工阶段的施工组织管理、施工技术等有关施工活动和现场情况变化的真实的综合性记录,也是处理施工问题的备忘录和总结施工管理经验的基本素材,是工程交竣工验收资料的重要组成部分。
其中施工日志可按单位、分部工程或施工工区(班组)建立,由专人负责收集、填写记录、保管。
上面是翰翰说设计为大家整理和收集在资料,希望给大家有帮助!!!。
检验(智)表5.4.1 共 7 页第 1 页检验(智)表5.4.1 共 7 页第 2 页检验(智)表5.4.1 共 7 页第 3 页检验(智)表5.4.1 共 7 页第 4 页检验(智)表5.4.1 共 7 页第 5 页检验(智)表5.4.1 共 7 页第 6 页检验(智)表5.4.1 共 7 页第 7 页检验(智)表5.4.1 共 2 页第 1 页检验(智)表5.4.1 共 2 页第 2 页检验(智)表5.4.1 共 2 页第 1 页检验(智)表5.4.1 共 2 页第 2 页检验(智)表5.4.1 共 7 页第 1 页检验(智)表5.4.1 共 7 页第 2 页检验(智)表5.4.1 共 7 页第 3 页检验(智)表5.4.1 共 7 页第 4 页检验(智)表5.4.1 共 7 页第 5 页检验(智)表5.4.1 共 7 页第 6 页检验(智)表5.4.1 共 7 页第 7 页检验(智)表5.4.1 共 2 页第 1 页检验(智)表5.4.1 共 2 页第 2 页检验(智)表5.4.1 共 2 页第 1 页检验(智)表5.4.1 共 2 页第 2 页检验(智)表5.4.1 共 7 页第 1 页检验(智)表5.4.1 共 7 页第 2 页检验(智)表5.4.1 共 7 页第 3 页检验(智)表5.4.1 共 7 页第 4 页检验(智)表5.4.1 共 7 页第 5 页检验(智)表5.4.1 共 7 页第 6 页检验(智)表5.4.1 共 7 页第 7 页检验(智)表5.4.1 共 2 页第 1 页检验(智)表5.4.1 共 2 页第 2 页检验(智)表5.4.1 共 2 页第 1 页检验(智)表5.4.1 共 2 页第 2 页检验(智)表5.4.1 共 7 页第 1 页检验(智)表5.4.1 共 7 页第 2 页检验(智)表5.4.1 共 7 页第 3 页检验(智)表5.4.1 共 7 页第 4 页检验(智)表5.4.1 共 7 页第 5 页检验(智)表5.4.1 共 7 页第 6 页检验(智)表5.4.1 共 7 页第 7 页检验(智)表5.4.1 共 2 页第 1 页检验(智)表5.4.1 共 2 页第 2 页检验(智)表5.4.1 共 2 页第 1 页检验(智)表5.4.1 共 2 页第 2 页检验(智)表5.4.1 共 7 页第 1 页检验(智)表5.4.1 共 7 页第 2 页检验(智)表5.4.1 共 7 页第 3 页检验(智)表5.4.1 共 7 页第 4 页检验(智)表5.4.1 共 7 页第 5 页检验(智)表5.4.1 共 7 页第 6 页。